Sign in to use this feature.

Years

Between: -

Subjects

remove_circle_outline
remove_circle_outline
remove_circle_outline
remove_circle_outline
remove_circle_outline
remove_circle_outline
remove_circle_outline
remove_circle_outline

Journals

Article Types

Countries / Regions

Search Results (66)

Search Parameters:
Keywords = interharmonics

Order results
Result details
Results per page
Select all
Export citation of selected articles as:
28 pages, 3543 KB  
Article
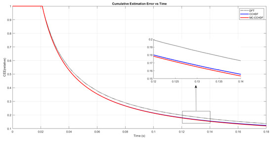
Phasor Estimation of Transient Electrical Signals Using Modified Covariance Enhanced Cleaned Characteristic Harmonic Filtering in Protection Relay
by Natheer Alwan and Veljko Papic
Energies 2026, 19(3), 711; https://doi.org/10.3390/en19030711 - 29 Jan 2026
Viewed by 122
Abstract
Modern protection relays require accurate and fast phasor estimation under harsh transient conditions, including a decaying DC component, harmonics, interharmonics, noise, and frequency instability. The original CCHDF (Cleaned Characteristic Harmonic Digital Filter) produced a harmonic cleaned signal using the Biunivocal Frequency Relationship of [...] Read more.
Modern protection relays require accurate and fast phasor estimation under harsh transient conditions, including a decaying DC component, harmonics, interharmonics, noise, and frequency instability. The original CCHDF (Cleaned Characteristic Harmonic Digital Filter) produced a harmonic cleaned signal using the Biunivocal Frequency Relationship of Phasors (BFRP) technique, but relied on DFT, Hanning windowing, and peak detection to identify interharmonic components. This paper replaces that spectral estimation block with the Modified Covariance Method (MCM) estimator, a high resolution autoregressive (AR) spectral estimator capable of superior frequency, magnitude, and phase estimation of non-harmonic components even with a short data window. The result is an improved filter named MCCCHDF (Modified Covariance CCHDF), preserving the original algorithmic pipeline, but achieving higher accuracy and faster convergence in the presence of closely spaced harmonics/interharmonics and noisy decaying DC conditions. Full article
(This article belongs to the Section F1: Electrical Power System)
Show Figures

Figure 1

25 pages, 4784 KB  
Article
Selective SAPF for Harmonic and Interharmonic Compensation Using an Adaptive Kalman Filter-Based Identification Method
by Germán Martínez-Navarro and Salvador Orts-Grau
Appl. Sci. 2025, 15(22), 12249; https://doi.org/10.3390/app152212249 - 18 Nov 2025
Viewed by 442
Abstract
This work presents the application of a hybrid adaptive Kalman filter (HAKF) for the implementation of a shunt active power filter (SAPF), enabling selective harmonic and interharmonic compensation in real time. The hybrid term refers to the combination of a DFT-based harmonic grouping [...] Read more.
This work presents the application of a hybrid adaptive Kalman filter (HAKF) for the implementation of a shunt active power filter (SAPF), enabling selective harmonic and interharmonic compensation in real time. The hybrid term refers to the combination of a DFT-based harmonic grouping method with the adaptive Kalman estimation framework, which preserves the classical estimation method of the Kalman filter while dynamically defining its state-space model according to the spectral composition of the load current. This allows the accurate identification and parametrization of the HAKF state matrices and ensures precise individual quantification of each frequency component. In this way, the SAPF control system can select individual components to be eliminated, either totally or partially. Selective compensation is particularly useful when the compensating current required for full mitigation of the nonfundamental frequency components exceeds the SAPF current capability. Partial compensation can also be employed to match the compensating current with the maximum allowable SAPF current. Based on this, a simple selective compensation strategy is proposed to demonstrate the effective behavior of the SAPF under such conditions. A single-phase power system consisting of the proposed SAPF and a nonlinear load has been simulated using Matlab/Simulink. The simulation results confirm the effectiveness of the proposed system in mitigating harmonics and interharmonics, thereby enhancing power quality, while validating both the current processing method and the use of the HAKF in the implementation of the selective SAPF. Full article
Show Figures

Figure 1

20 pages, 6667 KB  
Article
Mechanism Analysis of Wide-Band Oscillation Amplification for Long-Distance AC Transmission Lines
by Ning Li, Chen Fan, Yudun Li, Biao Jin, Xuchen Yang and Yiping Yu
Energies 2025, 18(19), 5106; https://doi.org/10.3390/en18195106 - 25 Sep 2025
Viewed by 553
Abstract
The increasing integration of renewable energy has led to power systems characterized by a high penetration of renewable energy sources (RES) and power electronic devices (PEDs). However, wide-band oscillation phenomena caused by RES grid integration have emerged and propagated through transmission networks. Notably, [...] Read more.
The increasing integration of renewable energy has led to power systems characterized by a high penetration of renewable energy sources (RES) and power electronic devices (PEDs). However, wide-band oscillation phenomena caused by RES grid integration have emerged and propagated through transmission networks. Notably, large-scale renewable energy bases located in remote areas are typically connected to the main grid via long-distance AC transmission lines. These lines exhibit an inter-harmonic amplification effect, which may exacerbate the propagation and amplification of wide-band oscillations, posing significant risks to bulk power-grid stability. This paper establishes impedance models of long-distance AC transmission lines and asynchronous motors under wide-band oscillation frequencies, and derives equivalent line parameters mathematically to reveal the oscillation amplification problem of long-distance renewable energy oscillation transmission through AC transmission lines. A transfer coefficient is defined to quantify inter-harmonic current amplification. A single-machine-load model is developed in MATLAB/Simulink to validate the proposed model. Furthermore, the influence of line parameters on oscillation amplification is analyzed, and a suppression strategy is proposed. This study provides valuable insights for the parameter design of long-distance transmission lines in renewable energy integration scenarios, as it helps mitigate potential inter-harmonic amplification risks by reducing the peak values of the transfer coefficient. Full article
Show Figures

Figure 1

29 pages, 4169 KB  
Article
Evaluation of Waveform Distortion in BESS-Integrated Fast-Charging Station
by Manav Giri and Sarah Rönnberg
World Electr. Veh. J. 2025, 16(9), 497; https://doi.org/10.3390/wevj16090497 - 2 Sep 2025
Viewed by 1214
Abstract
This paper presents a detailed, measurement-based assessment of interharmonic, harmonic, and supraharmonic emissions from a Battery Energy Storage System (BESS) supporting electric vehicle (EV) fast charging. In contrast to prior literature, which is largely simulation-based and often neglects interharmonic and even harmonic components, [...] Read more.
This paper presents a detailed, measurement-based assessment of interharmonic, harmonic, and supraharmonic emissions from a Battery Energy Storage System (BESS) supporting electric vehicle (EV) fast charging. In contrast to prior literature, which is largely simulation-based and often neglects interharmonic and even harmonic components, this study provides real-world data under dynamic operating conditions. Emission limits are established in accordance with relevant international standards, with the observed deviations from standard practices highlighted in existing studies. The operation of the BESS-assisted fast-charging system is classified into five distinct operating stages, and the variations in spectral emissions across these stages are analyzed. A comparative evaluation with a grid-fed fast charger reveals the influence of BESS integration on power quality. Notably, the analysis shows a significant increase in even harmonics during EV charging events. This component is identified as the limiting factor in the network’s harmonic hosting capacity, underscoring the need to account for even harmonics in future grid compatibility assessments. These findings provide valuable insights for grid operators, EV infrastructure planners, and standardization bodies aiming to ensure compliance with power quality standards in evolving charging scenarios. Full article
(This article belongs to the Special Issue Fast-Charging Station for Electric Vehicles: Challenges and Issues)
Show Figures

Figure 1

16 pages, 2562 KB  
Article
Harmonic and Interharmonic Measurement Method Using Two-Fold Compound Convolution Windows and Zoom Fast Fourier Transform
by Xiangui Xiao, Lei Zhao, Shengjun Zhou, Haijun Liu, Zhong Fu and Dan Hu
Energies 2025, 18(15), 4047; https://doi.org/10.3390/en18154047 - 30 Jul 2025
Viewed by 580
Abstract
With the rapidly increasing penetration of new energy resources, the power grid faces significant threats from harmonics. To measure and suppress these harmonics, numerous harmonic measurement methods have been proposed. However, accurately identifying the parameters of harmonics and interharmonics remains challenging. To address [...] Read more.
With the rapidly increasing penetration of new energy resources, the power grid faces significant threats from harmonics. To measure and suppress these harmonics, numerous harmonic measurement methods have been proposed. However, accurately identifying the parameters of harmonics and interharmonics remains challenging. To address this issue, we propose a new method that combines two-fold convolution windows and ZoomFFT. This method leverages the advantages of low side lobe peaks and high side lobe attenuation rates of compound convolution windows to suppress spectral leakage. Additionally, a six-spectral-line interpolation method is employed to correct the calculation results. Furthermore, ZoomFFT is utilized to locally amplify the spectrum, enabling the distinction between interharmonics and harmonics with closely spaced frequencies. The simulation results demonstrate that the proposed algorithm effectively identifies interharmonics with similar frequencies, outperforming single-window functions and ZoomFFT in terms of accuracy. Full article
(This article belongs to the Section F: Electrical Engineering)
Show Figures

Figure 1

24 pages, 1896 KB  
Review
Monitoring and Suppression Strategies of the Interharmonic in the Grid-Connected Photovoltaic System: A Review
by Mingxuan Mao, Yuhao Tang, Jiahan Chen, Zhao Xu, Haojin Sun and Chengqi Yin
Energies 2025, 18(13), 3426; https://doi.org/10.3390/en18133426 - 30 Jun 2025
Cited by 2 | Viewed by 877
Abstract
With the continuous advancement of the green and low-carbon transformation of energy structures in countries around the world, renewable energy sources such as solar energy are receiving increasingly widespread attention. Driven by this trend, photovoltaic (PV) power generation, with its unique advantages, has [...] Read more.
With the continuous advancement of the green and low-carbon transformation of energy structures in countries around the world, renewable energy sources such as solar energy are receiving increasingly widespread attention. Driven by this trend, photovoltaic (PV) power generation, with its unique advantages, has continuously increased the scale of PV grid connection. However, the inherent characteristics of solar energy and the control features of grid-connected PV systems result in the presence of a large amount of interharmonic components in their output current, seriously endangering the safety and stable operation of the power system. Since interharmonics are difficult to obtain in an intuitive way, this paper first introduces the monitoring methods of interharmonics. Based on accurately monitoring the interharmonics, further discussions were carried out around the interharmonic suppression strategies. Through the analysis of the advantages and disadvantages of various interharmonic monitoring methods and suppression strategies, guidance can be provided for the selection of interharmonic monitoring methods and suppression strategies in different scenarios. Full article
(This article belongs to the Section A2: Solar Energy and Photovoltaic Systems)
Show Figures

Figure 1

19 pages, 15989 KB  
Article
A Harmonic Suppression Method for the Single Phase PWM Rectifier in the Hydrogen Production Power Supply
by Li Lun, Siming Chen, Yihe Zhan, Hui Yang and Jianyong Zhu
Appl. Sci. 2025, 15(7), 3978; https://doi.org/10.3390/app15073978 - 4 Apr 2025
Viewed by 1283
Abstract
In renewable and sustainable hydrogen production energy systems (RSHPES), the presence of harmonics gives rise to fluctuations in the voltage and current of the electrolysis cell (EC). This, in turn, results in an unstable electrolysis process, a reduction in hydrogen production efficiency, and [...] Read more.
In renewable and sustainable hydrogen production energy systems (RSHPES), the presence of harmonics gives rise to fluctuations in the voltage and current of the electrolysis cell (EC). This, in turn, results in an unstable electrolysis process, a reduction in hydrogen production efficiency, and an escalation in electrode corrosion. This paper puts forward a novel harmonic suppression control method (HSCM), which is devised for the single phase PWM rectifier in hydrogen production rectifiers (HPR) with the aim of alleviating the adverse impacts caused by harmonics. Initially, a highly meticulous harmonic model is constructed, which lays solid groundwork for understanding the existing problems. Subsequently, a comprehensive and detailed explanation of the HSCM is provided, accentuating its novel and inventive strategy for harmonic suppression. Thereafter, a comparison is drawn between the HSCM and traditional methods, thereby manifesting its enhanced suitability and superiority within the context of RSHPES. In conclusion, the simulation and experimental results vividly demonstrate the advantages, effectiveness, and practicality of HSCM under four conditions of power grids containing integer multiples of harmonics, interharmonics, ultraharmonics, and voltage disturbances. Full article
Show Figures

Figure 1

19 pages, 13376 KB  
Article
Time-Domain Aggregation of Interharmonics from Parallel Operation of Multiple Sustainable Sources and Electric Vehicles
by Vineetha Ravindran, Shimi Sudha Letha, Sarah Rönnberg and Math H. J. Bollen
Sustainability 2025, 17(3), 1214; https://doi.org/10.3390/su17031214 - 3 Feb 2025
Viewed by 1478
Abstract
This paper examines the random nature of interharmonics generated by power converters connected to sustainable energy sources and loads, such as wind turbines, photovoltaic (PV) panels, and electric vehicles (EVs). Current research often overlooks the stochastic behavior of interharmonics and their impact on [...] Read more.
This paper examines the random nature of interharmonics generated by power converters connected to sustainable energy sources and loads, such as wind turbines, photovoltaic (PV) panels, and electric vehicles (EVs). Current research often overlooks the stochastic behavior of interharmonics and their impact on power system reliability and resilience, leading to gaps in effective modeling and mitigation strategies. Thus, this study examines a low-voltage installation with a PV panel, an EV and a microwave operating simultaneously, providing practical insights into real-world scenarios of interharmonic related disruptions and solutions for enhancing the reliability and resilience of sustainable energy grids. By leveraging real-time measurements of interharmonics, suitable probability distribution functions (PDFs) are initialized to develop a probabilistic model using Monte Carlo simulation. This enables the derivation of a time-domain aggregation model of interharmonics from multiple sources operating together at the point of common coupling (PCC). The findings reveal that the peak values of voltage or current fluctuations at the PCC are influenced by the randomness in the number of devices connected and the frequency components originating from different sources. Through multiple case studies, the dependency of these fluctuations on stochastic parameters is systematically established. Empirical relationships are formulated to predict aggregated interharmonic values under varying scenarios, enhancing the accuracy and applicability of the model. The results demonstrate that higher interharmonic frequencies and fewer randomly connected devices significantly increase the probability of elevated aggregated peak values. These insights can serve as benchmarks for grid operators and policymakers in mitigating interharmonic related issues in modern power systems. Full article
Show Figures

Figure 1

12 pages, 3863 KB  
Article
Induction Motors Under Voltage Unbalance Combined with Voltage Subharmonics
by Piotr Gnaciński, Marcin Pepliński, Adam Muc and Damian Hallmann
Energies 2024, 17(24), 6324; https://doi.org/10.3390/en17246324 - 15 Dec 2024
Cited by 7 | Viewed by 2116
Abstract
In power systems, various power quality disturbances are present, including voltage deviation, voltage unbalance, and voltage waveform distortions. Voltage waveform distortions are usually identified with harmonics, but in some systems, subharmonics (subsynchronous interharmonics) and interharmonics may also occur—that is, components of frequency less [...] Read more.
In power systems, various power quality disturbances are present, including voltage deviation, voltage unbalance, and voltage waveform distortions. Voltage waveform distortions are usually identified with harmonics, but in some systems, subharmonics (subsynchronous interharmonics) and interharmonics may also occur—that is, components of frequency less than the fundamental frequency, or not an integer multiple of it. This study examines torque pulsations of an induction motor under voltage subharmonics combined with voltage unbalance. The motor and the driven DC generator vibrations were analysed under the power quality disturbances. Investigations were carried out using finite element and empirical methods. Experimental tests were performed for the maximal levels of the power quality disturbances specified or proposed in the relevant standards. For the investigated motor, under voltage subharmonics or voltage unbalance occurring as a single power quality disturbance, the vibration level was within the prescribed limit. However, under unbalance combined with subharmonics, the level could be accepted for only a limited time. Consequently, the permissible level of voltage subharmonics in non-generation installations should be interconnected with the voltage unbalance in the power system. Full article
(This article belongs to the Special Issue Electric Machinery and Transformers III)
Show Figures

Figure 1

21 pages, 8235 KB  
Review
A Comprehensive Analysis of the Influencing Factors of Interharmonics on a Distributed PV Grid-Connected Power Generation System
by Mingxuan Mao, Xiaoyu Ni, Zhao Xu, Haojin Sun and Chengqi Yin
Energies 2024, 17(23), 5958; https://doi.org/10.3390/en17235958 - 27 Nov 2024
Cited by 4 | Viewed by 1305
Abstract
In this paper, a detailed mathematical model for the interharmonic current in a distributed grid-connected photovoltaic (PV) system is proposed and the factors affecting its output characteristics are analyzed comprehensively. First of all, a transfer function approach is used to build a mathematical [...] Read more.
In this paper, a detailed mathematical model for the interharmonic current in a distributed grid-connected photovoltaic (PV) system is proposed and the factors affecting its output characteristics are analyzed comprehensively. First of all, a transfer function approach is used to build a mathematical model for the interharmonic current in grid-connected PV systems. Then, the equation of the PV generator output characteristics is linearized. Furthermore, a real-time calculation method of the amplitude of interharmonic current is introduced based on the established mathematical model. Moreover, a series of comparative tests are conducted, and how various factors such as the MPPT parameters, the main circuit parameters and the environmental factors affect the interharmonic current are investigated. Finally, a series of simulation and experimental tests are conducted to verify the accuracy of the mathematical model for the interharmonic current and the real-time calculation method. The results show that the proposed model is useful for improving the performance of grid-connected PV systems in terms of the behavior of the interharmonic current. Moreover, the mathematical model and the analysis of the influencing factors provide valuable insights for improving system efficiency and reliability in practical applications. Full article
(This article belongs to the Section A2: Solar Energy and Photovoltaic Systems)
Show Figures

Figure 1

36 pages, 25510 KB  
Article
Synchronized Measurement of the Fundamental Voltage and Harmonic, Interharmonic, and Subharmonic Components of the Electrical Grid Using an Adaptive Kalman Filter
by Germán Martínez-Navarro, Salvador Orts-Grau, José Carlos Alfonso-Gil and Pedro Balaguer-Herrero
Appl. Sci. 2024, 14(19), 8669; https://doi.org/10.3390/app14198669 - 26 Sep 2024
Cited by 3 | Viewed by 1702
Abstract
The effects of harmonics, interharmonics, and subharmonics on low-voltage distribution networks, leading to a deterioration in electrical power quality, have become more evident in recent years. The main harmonic sources are power electronic devices due to their implicit nonlinearity. Interharmonic and subharmonic components [...] Read more.
The effects of harmonics, interharmonics, and subharmonics on low-voltage distribution networks, leading to a deterioration in electrical power quality, have become more evident in recent years. The main harmonic sources are power electronic devices due to their implicit nonlinearity. Interharmonic and subharmonic components are mainly caused by a lack of synchronization between the grid frequency and the switching frequency of the power converters. This can be caused by asynchronous modulated devices, or more commonly by fluctuations in the fundamental grid frequency. Interharmonic currents cause interharmonic voltage distortions that affect grid-synchronized or frequency-dependent systems. The IEC-61000-4-7 proposes a general guide on harmonics, interharmonic measurements, and instrumentation in current supply systems. However, the techniques proposed in the standard are intended for measurement and do not enable a precise identification of the interharmonic components in a signal. This work proposes new definitions for the spectral energy aggrupation to improve signal component detection for the IEC standard. Furthermore, an adaptive Kalman filter algorithm is developed that enables the exact identification in real time of the frequency, amplitude, and phase of these components. The proposed system will become the basis for the implementation of a new range of measurement systems that provide improved accuracy and real-time operation. The work is supported by simulated results analysing various scenarios (including transients after changes in harmonic content in the grid voltage) that demonstrate the effectiveness of the proposed method. Full article
(This article belongs to the Special Issue Electric Power Applications II)
Show Figures

Figure 1

17 pages, 14190 KB  
Article
The Impact of Grid Distortion on the Power Conversion Harmonics of AC/DC Converters in the Supraharmonic Range
by Marwa S. Osheba, Abdellatif M. Aboutaleb, Jan Desmet and Jos Knockaert
Electronics 2024, 13(12), 2244; https://doi.org/10.3390/electronics13122244 - 7 Jun 2024
Cited by 6 | Viewed by 1668
Abstract
AC/DC converters, controlled by pulse width modulation (PWM) and used as power factor correction (PFC), is considered one of the main contributors to emissions in the range 2 kHz–150 kHz, recently known as the supraharmonic (SH) range. This study looks at the impact [...] Read more.
AC/DC converters, controlled by pulse width modulation (PWM) and used as power factor correction (PFC), is considered one of the main contributors to emissions in the range 2 kHz–150 kHz, recently known as the supraharmonic (SH) range. This study looks at the impact of SH grid distortion on the LF (<2 kHz) and HF (>2 kHz) emission of an AC/DC converter. The PFC boost converter is used as a particular case for validation of the results. It is observed that the AC/DC converters emit additional LF interharmonics and subharmonics when the grid voltage contains interharmonic components in the SH range. A mathematical analysis is provided to study and assess the interference between the SH in the background distortion and the AC/DC converters. Experimental studies are then performed for a PFC boost setup based on dSPACE MicroLabBox for the purposes of validating the mathematical analysis. Full article
Show Figures

Figure 1

13 pages, 2832 KB  
Article
Modular PV System for Applications in Prosumer Installations with Uncontrolled, Unbalanced and Non-Linear Loads
by Paweł Kelm, Rozmysław Mieński and Irena Wasiak
Energies 2024, 17(7), 1594; https://doi.org/10.3390/en17071594 - 26 Mar 2024
Cited by 4 | Viewed by 1539
Abstract
This article proposes a modular system for prosumer installations composed of photovoltaic (PV) panels and energy storage (ES) integrated with the low voltage (LV) network through a common 4-wire AC/DC inverter. The novel idea is a control strategy for the inverter in which [...] Read more.
This article proposes a modular system for prosumer installations composed of photovoltaic (PV) panels and energy storage (ES) integrated with the low voltage (LV) network through a common 4-wire AC/DC inverter. The novel idea is a control strategy for the inverter in which additional functionalities are incorporated. Apart from transmitting an active power generated by the PV source, the same inverter is used to manage energy generated by the PV and to compensate for the current unbalance, harmonics (including subharmonics and interharmonics) and reactive power of the prosumer loads. As a result of the algorithm operation, the currents flowing to the prosumer installation are sinusoidal, symmetrical and purely active, which results in voltage balancing and improving voltage waveforms at the point of common coupling (PCC). In this way, with the widespread use of this solution among prosumers, the impact of the prosumer installation on the distribution network is minimized, and power quality (PQ) disturbances such as unacceptable voltage rises, voltage unbalance and harmonics are avoided. The presented approach may be a solution to the problems network operators face nowadays due to the uncontrolled connection of PV sources. The proposed modular system is also beneficial for the prosumer as the instances of unacceptable overvoltage and, consequently, shutdowns of prosumer installations are reduced. The features of the proposed method are shown in relation to other means applied for PQ improvement in the networks with distributed generation. A principle of the control and the involving algorithm for the inverter is presented. The efficiency of the control strategy was tested in a simulation developed in the PSCAD/EMTDC program. The results of simulations are presented, and the proposed solution is concluded. Full article
(This article belongs to the Special Issue Integration of Distributed Energy Resources (DERs))
Show Figures

Figure 1

13 pages, 6164 KB  
Article
Line-Start Permanent Magnet Synchronous Motor Supplied with Voltage Containing Negative-Sequence Subharmonics
by Piotr Gnaciński, Marcin Pepliński, Adam Muc and Damian Hallmann
Energies 2024, 17(1), 91; https://doi.org/10.3390/en17010091 - 22 Dec 2023
Cited by 6 | Viewed by 1803
Abstract
In some power systems, the voltage waveform contains frequency components less than fundamental, called subharmonics or subsynchronous interharmonics. Voltage subharmonics can be both positive- and negative-sequence, independent of their frequency (order). Subharmonics exert harmful effects on sundry electrical equipment, especially on rotating machinery; [...] Read more.
In some power systems, the voltage waveform contains frequency components less than fundamental, called subharmonics or subsynchronous interharmonics. Voltage subharmonics can be both positive- and negative-sequence, independent of their frequency (order). Subharmonics exert harmful effects on sundry electrical equipment, especially on rotating machinery; they cause various noxious phenomena, such as a local saturation of the magnetic circuit, increases in power losses and windings temperature, and torque pulsations leading to vibration of unacceptable severity. Notably, previous works reported excessive vibration of rotating machinery only under no-load, while under full load, rather moderate vibration occurred. This study deals with vibration analysis of a line-start permanent magnet synchronous motor (LSPMSM) supplied with the voltage containing negative-sentence subharmonics. Experimental investigations were conducted for a 3 kW, four-pole production LSPMSM for subharmonics of various values and frequencies. Voltage subharmonics of values significantly less than reported in real power systems were found to cause unacceptable vibration, especially under full load. Full article
Show Figures

Figure 1

13 pages, 2431 KB  
Article
Analysis of Reactive Power in Electrical Networks Supplying Nonlinear Fast-Varying Loads
by Yuriy Sayenko, Ryszard Pawelek and Tetiana Baranenko
Energies 2023, 16(24), 8011; https://doi.org/10.3390/en16248011 - 11 Dec 2023
Cited by 1 | Viewed by 1540
Abstract
This study concerns problems related to the assessment of reactive power in power networks with nonlinear fast-varying loads, such as electric arc furnaces, rolling mill drives, etc. The operation of this type of load is characterized by the introduction of interharmonic currents (including [...] Read more.
This study concerns problems related to the assessment of reactive power in power networks with nonlinear fast-varying loads, such as electric arc furnaces, rolling mill drives, etc. The operation of this type of load is characterized by the introduction of interharmonic currents (including higher harmonics) into the power supply network and a relatively low power factor. Rapid changes in the RMS value of the current also cause voltage fluctuations and the related phenomenon of light-flickering. Therefore, there is a need to evaluate the power selection of compensating devices, taking into account the random nature of load changes and the distortion of current and voltage waveforms, in particular, interharmonic components, the impact of which has not been fully investigated so far. To analyze the random nature of load changes, autocorrelation functions were used, which allowed for the estimation of the expected values of the arc furnace current distortion coefficient (based on the recorded waveforms). In order to determine the parameters of reactive power compensating devices, and in particular capacitor banks, an autocorrelation function in the exponential-cosine-sine form was used, which meets the conditions of differentiation. This study contains comparative results of the reactive power of capacitor banks determined using different methods. The criterion for selecting capacitor bank parameters was the minimization of energy losses in the power supply network. The calculations presented in this study show that by taking into account higher harmonics and interharmonics in the voltage and currents of fast-varying loads, the installed power of the capacitor bank can be reduced by approximately 7%, and energy losses in the power grid can be reduced by 3–5%. Full article
(This article belongs to the Special Issue Advances in Electrical Power System Quality)
Show Figures

Figure 1

Back to TopTop