Next Article in Journal
The Impact of Green Finance and Technological Innovation on Corporate Environmental Performance: Driving Sustainable Energy Transitions
Previous Article in Journal
Chemistry of Ammonia/Hydrogen and Ammonia/n-Heptane Fuels: Reaction Mechanism Updating and Chemical Kinetic Analysis
 
 
Font Type:
Arial Georgia Verdana
Font Size:
Aa Aa Aa
Line Spacing:
Column Width:
Background:
Review

A Comprehensive Analysis of the Influencing Factors of Interharmonics on a Distributed PV Grid-Connected Power Generation System

1
School of Automation, Wuxi University, Wuxi 214000, China
2
School of Automation Science and Engineering, Xi’an Jiaotong University, Xi’an 710049, China
3
Jiangsu Smart Energy Technology Inc., Nanjing 210046, China
4
School of Electrical Engineering, Chongqing University, Chongqing 400044, China
*
Author to whom correspondence should be addressed.
These authors contributed equally to this work.
Energies 2024, 17(23), 5958; https://doi.org/10.3390/en17235958
Submission received: 18 October 2024 / Revised: 22 November 2024 / Accepted: 25 November 2024 / Published: 27 November 2024
(This article belongs to the Section A2: Solar Energy and Photovoltaic Systems)

Abstract

In this paper, a detailed mathematical model for the interharmonic current in a distributed grid-connected photovoltaic (PV) system is proposed and the factors affecting its output characteristics are analyzed comprehensively. First of all, a transfer function approach is used to build a mathematical model for the interharmonic current in grid-connected PV systems. Then, the equation of the PV generator output characteristics is linearized. Furthermore, a real-time calculation method of the amplitude of interharmonic current is introduced based on the established mathematical model. Moreover, a series of comparative tests are conducted, and how various factors such as the MPPT parameters, the main circuit parameters and the environmental factors affect the interharmonic current are investigated. Finally, a series of simulation and experimental tests are conducted to verify the accuracy of the mathematical model for the interharmonic current and the real-time calculation method. The results show that the proposed model is useful for improving the performance of grid-connected PV systems in terms of the behavior of the interharmonic current. Moreover, the mathematical model and the analysis of the influencing factors provide valuable insights for improving system efficiency and reliability in practical applications.

1. Introduction

In recent years, there has been a global push for a transition toward more environmentally friendly, low-carbon energy, with a focus on developing renewable energy sources such as solar energy, wind energy, and ocean energy. Solar energy in particular has attracted a lot of attention due to its clean, environmentally friendly nature, abundant reserves and ease of use [1]. However, solar energy has inherent characteristics that result in high randomness and volatility of power generation. This volatility is exacerbated by the control characteristics of grid-connected PV systems. In addition, the use of nonlinear power electronic devices and maximum power point tracking (MPPT) algorithms lead to complex harmonic and interharmonic problems in the power system [2]. These factors jointly affect the power quality of the system. The interharmonics are components with frequencies that are not integer multiples of the fundamental frequency. Figure 1 illustrates the distribution of harmonic current and interharmonics in a grid-connected PV system [3].
Compared to harmonics, interharmonics have a wider dispersion, pose more complex challenges to analysis, and carry greater risks. When interharmonic frequencies fall within the subsynchronous frequency band, they can interact with mechanical oscillations in neighboring generator shaft systems and cause subsynchronous oscillations that severely affect the stable operation of the power system [4,5,6,7]. An investigation of an incident in the United States involving damage to a turbine generator found that an interharmonic component at 55 Hz in the system current caused amplitude modulation of the 60 Hz fundamental wave, leading to the accident [8]. Interharmonic waveform distortion can affect the proper operation of relay protection devices and cause malfunctions [9]. The presence of low-frequency interharmonics with higher amplitudes can cause flickering in incandescent lamps and affect visual comfort [10,11,12]. In addition, interharmonics reduce the power factor of the system and affect the quality of the grid-connected current.
With the increasing integration of grid-connected PV systems into the power grid, the interharmonic problem is becoming more pronounced. Therefore, it is of significant research importance and practical value to investigate the generation mechanism of interharmonics in grid-connected PV systems, understand their interharmonic output characteristics, and develop interharmonic suppression strategies to reduce the proportion of interharmonics in the output current of grid-connected PV systems.
In recent times, several researchers have investigated the generation mechanism and mathematical modelling of interharmonics in grid-connected PV systems. In [13,14,15,16], the generation mechanism of interharmonics was analyzed qualitatively based on experimental data. Pakonen et al. [13] used experiments to demonstrate that the main cause of interharmonic current in grid-connected PV systems is the MPPT algorithm. Interestingly, the frequencies of the generated interharmonics are very close to the frequencies at which the human eye is most sensitive to changes in light brightness. Langella et al. [14] also supports this view with experimental data, indicating that the interharmonic current caused by the MPPT algorithm is mainly concentrated in the frequency range from 0 to 100 Hz, while interharmonics with frequencies above 100 Hz can be neglected due to their low content. Furthermore, Langella et al. [15] discussed whether the MPPT algorithm is the main source of interharmonics in grid-connected PV systems, and found that the relative magnitude of the interharmonic current is significantly influenced by the actual power. Sangwongwanich et al. [16] explained in detail the process by which the MPPT algorithm generates interharmonics in grid-connected PV systems. They found that at the beginning of each MPPT cycle, the abrupt change in the DC voltage command issued by the MPPT results in a voltage error in the voltage loop, which is determined by the magnitude of the MPPT disturbance step. This error is then propagated through the controller to the current loop and ultimately results in the generation of interharmonic current due to modulation effects. These results contribute to a better understanding of the sources and characteristics of interharmonics in grid-connected PV systems, which can help in developing effective strategies to reduce their impact on power quality.
Building on the understanding of the interharmonic generation mechanism in grid-connected PV systems, a more comprehensive mathematical analysis of the interharmonic current was performed. In [17], the interharmonic current in a grid-connected PV system was tested at different power levels and it was found that the power has no significant effect on the absolute magnitude of the interharmonic current. The study also determined the transfer function of a single-phase grid-connected inverter. Sangwongwanich et al. [18] extended the scope of the study to the three-phase inverter and built a mathematical model of the interharmonic current in grid-connected PV systems, ignoring the dynamic characteristics of the current loop. The model showed that when the output frequency of the MPPT algorithm is f, the perturbation of the dc command results in an output current with a fundamental frequency of fg that contains an interharmonic component with a frequency of (fg ± f). Similarly, an interharmonic model for grid-connected PV systems based on dynamic phase perturbations was proposed [19,20], which reached the same conclusion. Mishra et al. [21] proposed an improved integrated control strategy to reduce grid current harmonics and power ripples in a three-phase grid-connected photovoltaic (GTPV) system without a phase locked loop (PLL) unit. It was found that this only affects the amplitude of the interharmonic current, but not its frequency. Moreover, Jesus et al. [22] proposed a mathematical model that links the compensation of harmonic currents to the oscillation of the capacitor voltage of the DC link. The conclusion is that all tested MPPT strategies face the problem of efficiency degradation due to harmonic current compensation. Overall, these mathematical analyses contribute to a deeper understanding of the interharmonic behaviour in grid-connected PV systems and provide valuable insights for developing effective strategies to mitigate and improve efficiency.
The main contributions of this paper are as follows:
(1) A transfer function approach is applied to establish a mathematical model, and the output characteristic equation of the PV array is linearized. The mathematical model of interharmonic current in PV grid-connected systems is built.
(2) A real-time calculation method of the amplitude of interharmonic current is introduced based on the established mathematical model.
(3) The output characteristics of interharmonic current are analyzed, and this paper investigates how different factors, such as MPPT parameters, main circuit parameters, and environmental factors, impact the interharmonic current.
(4) A series of simulation and experimental tests were designed to verify the effectiveness of the mathematical model for interharmonic currents.
The rest of the paper is arranged in following Sections. Section 2 describes the mathematical model of interharmonic current. Section 3 gives the real-time calculation method of the amplitude of interharmonic current. Section 4 presents the detailed comparative analysis of interharmonic current characteristics. Finally, the conclusion of this paper is given in Section 5.

2. The Current Situation of PV Technology on the Road

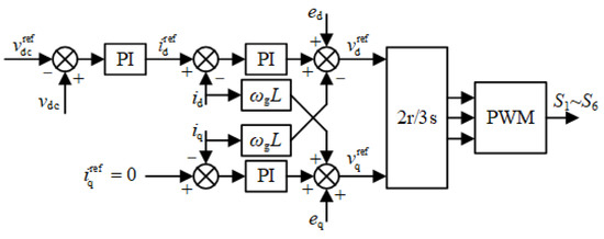
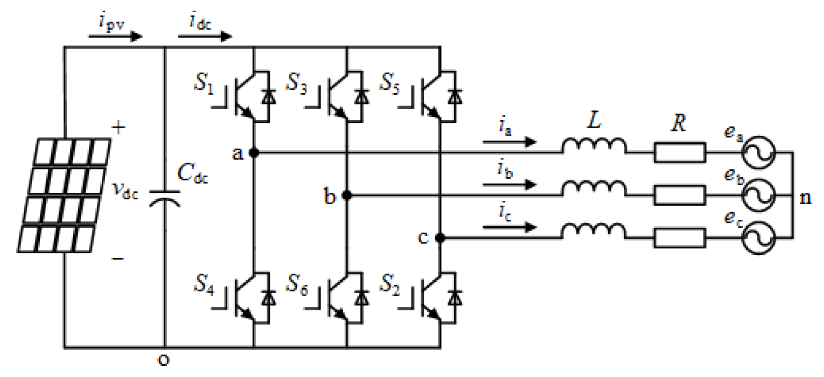
To develop the mathematical model of the inverter’s main circuit in a PV grid-connected system, the following system assumptions are made:
(1) Ignoring time delay and loss: the switch tube is treated as an ideal device, disregarding any time delay and losses that may occur during its turn-on and turn-off processes.
(2) Ideal AC side: the AC side is assumed to be an ideal three-phase symmetrical power grid.
(3) Ignoring inductor saturation: the saturation characteristics of the filter inductor are ignored.
The main circuit diagram of the inverter in the PV grid-connected system is illustrated in Figure 2.
In Figure 2, ipv is the output current of the PV array; vdc is DC voltage; idc is DC current; ia, ib, ic is the output current of the inverter; ea, eb, ec are the grid voltages; S1~S6 are switch tubes; Cdc is DC capacitor; L is the filter inductance; R is the line resistance; o is the DC side reference point of the inverter; n is the neutral point of the power grid.
After performing a simple formula derivation, the mathematical model of the PV grid-connected system inverter in a dq two-phase rotating coordinate system can be obtained as follows:
v d = L d i d d t + R i d + e d + ω L i q v q = L d i q d t + R i q + e q ω L i d
where the subscript d and q represent the d-axis and q-axis components of the corresponding physical quantities, respectively. vd, vq can be expressed as follows:
v d = S d v dc v q = S q v dc
where Sd, Sq is the switching state in the dq coordinate system, which can be expressed as follows:
S d = S α cos ω t + S β sin ω t S q = S α sin ω t + S β cos ω t
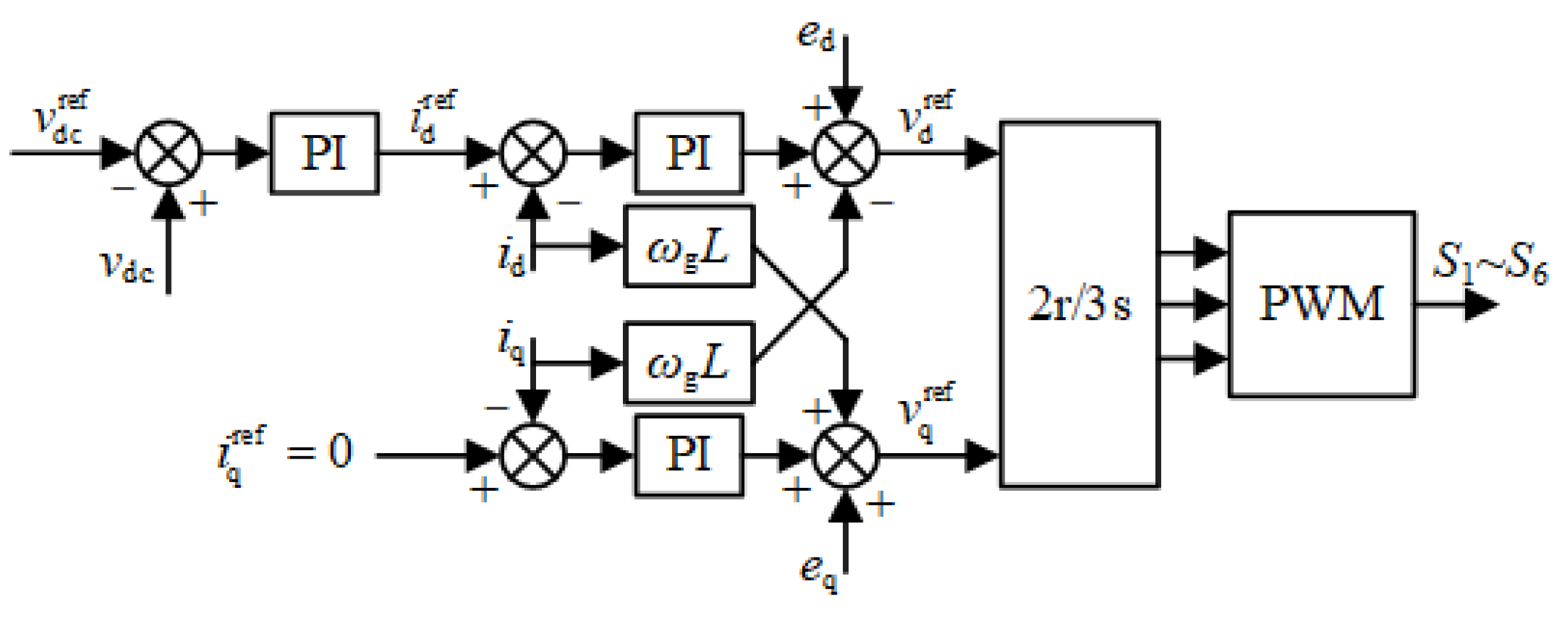
The common inverter controller is a voltage and current double closed-loop structure based on PI control, and its control block diagram is shown in Figure 3.
In Figure 3, vdcref is the DC voltage command; and idref, iqref is the dq axis current command; in order to achieve the unit power factor, iqref will be set to 0; and vdref, vqref for the dq axis voltage instruction. The outer voltage loop makes the DC voltage vdc follow the command value vdcref, the output of the voltage loop is used as the d-axis current command idref, and the inner current loop makes the dq-axis current id and iq follow the command value idref, iqref, and output the dq-axis voltage command vdref, vqref. After the coordinate transformation, the drive signal is generated by PWM to the switch tube to complete the control of the inverter.
It can be seen from the model that the dq axis current is not only controlled by vd and vq, but also affected by the cross-coupling terms ωLid and ωLiq of the current. In order to eliminate the current coupling, the current inner loop adopts grid voltage feedforward and output filter inductor voltage decoupling control. The voltage control equation is as follows:
v d ref = k ip + k ii s ( i d ref i d ) + e d ω L i q v q ref = k ip + k ii s ( i q ref i q ) + e q + ω L i d
where kip and kii are the PI control parameters of the current loop.
Considering the sampling delay and PWM delay, the inverter can be equivalent to an inertial link with gain, and its transfer function can be expressed as the following:
G inv = K PWM 1.5 T s + 1
where KPWM is the bridge arm gain of the inverter; Ts is the sampling period.
The PI controller transfer functions Gv, Gi and filter transfer function Gfilter of the voltage loop and current loop are defined, respectively, as follows:
G v = k vp + k vi s ,   G i = k ip + k ii s ,   G filter = 1 L s + R
The transfer function of the d-axis output current to the d-axis output current command is as follows:
G p = G i G inv G filter 1 + G i G inv G filter
According to the voltage and current relationship of the capacitor, the DC capacitor Cdc is analyzed as follows:
v dc = 1 C s ( i pv i dc )
Ignoring the inverter loss, according to the instantaneous active power conservation relationship between the DC side and the AC side of the inverter, there is the following:
3 i d e d 2 = i dc v dc
Thus, the relationship between the DC current and the d-axis current can be obtained as the following:
i dc = 3 e d 2 v dc i d
The transfer function block diagram of the PV grid-connected system is obtained, as shown in Figure 4.
After tracking the maximum power point, the MPPT works into a steady state, and its output DC voltage command oscillates near the maximum power point voltage. Because the output current of the PV array has strong nonlinear characteristics, it is difficult to analyze. Therefore, it is linearized at the oscillation center, and the approximate value of the output current of the PV array is obtained as follows [23]:
i pv I m + i pv ( V mpp ) ( v dc V mpp ) = I m + I sc C 1 V mpp V oc C 2 exp V mpp V oc C 2 I sc C 1 V oc C 2 exp V mpp V oc C 2 v dc = i pv 0 G v dc
Next, ipv0 is defined as the equivalent DC component of the output current of the PV array, and G is the equivalent output conductance of the PV array as follows [23]:
i pv 0 = I m + I sc C 1 V mpp V oc C 2 exp V mpp V oc C 2 G = I sc C 1 V oc C 2 exp V mpp V oc C 2
Therefore, a simplified transfer function block diagram of the PV grid-connected system can be obtained, as shown in Figure 5.
According to the simplified transfer function block diagram of the PV grid-connected system, the d-axis component of the output current is expressed as the following:
i d = i pv 0 G v G p / ( C s + G ) 1 + 3 e d G v G p / 2 V mpp ( C s + G ) v dc ref G v G p 1 + 3 e d G v G p / 2 V mpp ( C s + G ) = G ii i pv 0 G iv v dc ref
Defining Gii as the transfer function of the d-axis component of the inverter output current to the equivalent DC component of the PV array output current, and Giv as the transfer function of the d-axis component of the inverter output current to the MPPT output DC voltage instruction gives the following:
G ii = G v G p / ( C s + G ) 1 + 3 e d G v G p / 2 V mpp ( C s + G )
G iv = G v G p 1 + 3 e d G v G p / 2 V mpp ( C s + G )
Next, the Fourier expansion of the three-point oscillating DC voltage instruction is as follows:
v dc ref = V mpp + n = 1 , 3 , 5 v n cos ( n ω o t + θ n )
where vn and θn are the amplitude and phase angle of the Fourier expansion, respectively. ωo = 2π/To is the angular frequency of the three-point oscillation.
According to the frequency response characteristics of the linear system, under the action of the AC component in the MPPT output DC voltage command, the d-axis component of the inverter output current will contain the AC component of the corresponding frequency, namely, the following:
i d ( t ) = i d 0 + n = 1 , 3 , 5 i d n cos ( n ω o t + θ d n )
where id0 is the DC component of the d-axis component of the output current. idn and θdn are the amplitude and phase angle of each frequency AC component in the d-axis component of the output current, respectively.
The amplitude of each frequency AC component in the d-axis component of the output current can be calculated according to the transfer function.
i d n = v n G iv ( j n ω o )
Under the unit power factor control, the q-axis component of the output current can be approximated as 0. The three-phase output current of the inverter can be obtained by inverse Park transformation of the output current in the dq coordinate system.
i a / b / c = i d 0 cos ( ω g t + θ g + m 2 π 3 ) + 1 2 n = 1 , 3 , 5 i d n cos [ ( ω g + n ω o ) t + θ d n + θ g + m 2 π 3 ] + 1 2 n = 1 , 3 , 5 i d n cos [ ( ω g n ω o ) t θ d n + θ g + m 2 π 3 ]
where the values of m for A, B, C three phases are 0, −1 and 1, respectively.
From Equations (16)–(19), we can see that when the DC voltage command of the MPPT output presents a three-point oscillation characteristic with an angular frequency of ωo, the output current of the PV grid-connected system will contain interharmonic components with angular frequencies of ωgo and ωg + o (n = 1,3,5…). The amplitude of the interharmonic current at each frequency can be calculated by (18).

3. Real-Time Calculation Method of the Amplitude of Interharmonic Current

Through the mathematical model and characteristic analysis of the harmonic current between photovoltaic grid-connected systems, the frequency of the possible interharmonic current can be obtained, and its amplitude can be calculated for theoretical analysis. In order to effectively suppress the interharmonics of photovoltaic grid-connected systems, it is necessary to calculate the amplitude of the interharmonic current in the controller in real time. According to the orthogonality theorem of trigonometric functions [24], the trigonometric functions formed by “1, sinx, cosx, sin2x, cos2x,… sinnx, cosnx” are orthogonal on the interval [−π, π], the integral of any two different functions on [−π, π] is 0, and then the integral of any two identical functions on [−π, π] is not 0, and is always equal to π.
The output current of a grid-connected PV system can be expressed as a superposition of countless sine waves. Taking phase A as an example, the output current ia of the grid-connected PV system can be expressed as follows:
i a = i af + i ai + i ah
where iaf is the fundamental wave component; iai is the interharmonic component; iah is the harmonic component.
The fundamental wave component iaf can be calculated using the following:
i af = I af _ s sin 2 π f g t + I af _ c cos 2 π f g t
where Iaf_s is the amplitude of the sine component of the fundamental wave current; Iaf_c is the amplitude of the cosine component of the fundamental wave current. fg = 50 Hz, which is the power grid voltage frequency.
The interharmonic component iai can be expressed as follows
i ai = n = 1 , 3 , 5 I ai ( f g n f o ) _ s sin 2 π ( f g n f o ) t + n = 1 , 3 , 5 I ai ( f g n f o ) _ c cos 2 π ( f g n f o ) t + n = 1 , 3 , 5 I ai ( f g + n f o ) _ s sin 2 π ( f g + n f o ) t + n = 1 , 3 , 5 I ai ( f g + n f o ) _ c cos 2 π ( f g + n f o ) t
where I ai ( f g n f o ) _ s and I ai ( f g + n f o ) _ s are the amplitudes of sinusoidal components of interharmonic current whose frequencies are fg-nfo and fg + nfo, respectively; I ai ( f g n f o ) _ c and I ai ( f g + n f o ) _ c are the amplitudes of cosine components of interharmonic currents whose frequencies are fgnfo and fg + nfo, respectively. fo is the three-point oscillation frequency of the DC voltage instruction output by MPPT.
And then, the harmonic component iah can be expressed as follows:
i ah = m = 2 , 3 , 4 I ah m _ s sin 2 π m f g t + m = 2 , 3 , 4 I ah m _ c cos 2 π m f g t
where Iahm_s is the amplitude of the sinusoidal component of the m harmonic current, and Iahm_c is the amplitude of the cosine component of the m harmonic current.
Defining the interharmonic resolution frequency fr and interharmonic resolution period Tr:
f r = 1 lcm ( 1 / f g , 1 / f o )
T r = 1 f r
where lcm(1/fg,1/fo) is the least common multiple of 1/fg and 1/fo.
The interharmonic resolution frequency fr is exactly the resolution required for the Fourier analysis of waveforms consisting of fundamental waves of the frequency fg, harmonics of the frequency mfg, and interharmonics of the frequency fg ± nfo. The frequencies of the fundamental, harmonic and interharmonic components contained in current ia are all integral multiples of fr, and ia can be reconstructed as the following:
i a = k = 1 , 2 , 3 I a k f r _ s sin 2 π k f r t + k = 1 , 2 , 3 I a k f r _ c cos 2 π k f r t
where I a k f r _ s is the amplitude of the sinusoidal component with frequency kfr; I a k f r _ c is the amplitude of the cosine component of frequency kfr. These magnitudes are equal to the magnitudes of their corresponding interharmonic/fundamental/harmonic currents, respectively.
Obviously, the trigonometric functions that make up the current satisfy the orthogonality theorem, as follows
0 2 π i a ( θ ) sin k θ d θ = I a k f r _ s 0 2 π ( sin k θ ) 2 d θ = I a k f r _ s π
0 2 π i a ( θ ) cos k θ d θ = I a k f r _ c 0 2 π ( cos k θ ) 2 d θ = I a k f r _ c π
Replacing the integral variable with time t, with the following:
0 2 π i a ( θ ) sin k θ d θ = θ = 2 π f r t 2 π f r 0 1 / f r i a ( t ) sin 2 π k f r t d t = I a k f r _ s π
0 2 π i a ( θ ) cos k θ d θ = θ = 2 π f r t 2 π f r 0 1 / f r i a ( t ) cos 2 π k f r t d t = I ak f r _ c π
Denoting kfr as fi, the amplitude of sinusoidal and cosine components of interharmonic current with frequency fi can be calculated by the following:
I ai f i _ s = 2 f r t 1 / f r t i a ( t ) sin 2 π f i t d t
I ai f i _ c = 2 f r t 1 / f r t i a ( t ) cos 2 π f i t d t
For example, when the MPPT disturbance frequency fmppt = 20 Hz, the three-point oscillation frequency fo = 5 Hz of the DC voltage instruction, according to (24), the interharmonic resolution frequency fr = 5 Hz. Thus, the A-phase output current can be expressed as follows:
i a = I ai 5 _ s sin 2 π 5 t + I ai 5 _ c cos 2 π 5 t + + I ag _ s sin 2 π 50 t + I ag _ c cos 2 π 50 t + I ai 55 _ s sin 2 π 55 t + I ai 55 _ c cos 2 π 55 t + + I ah 2 _ s sin 2 π 100 t + I ah 2 _ c cos 2 π 100 t + = I a 5 _ s sin 2 π 1 5 t + I a 5 _ c cos 2 π 1 5 t + + I a 50 _ s sin 2 π 10 5 t + I a 50 _ c cos 2 π 10 5 t + I a 55 _ s sin 2 π 11 5 t + I a 55 _ c cos 2 π 11 5 t + + I a 100 _ s sin 2 π 20 5 t + I a 100 _ c cos 2 π 20 5 t +
The trigonometric function of the current satisfies the orthogonality theorem of trigonometric function on any interval of 0.2 s. According to (31), the amplitude of the sinusoidal component of the interharmonic current with a frequency of 15 Hz can be calculated as follows:
I ai 15 _ s = 10 t 0.2 t i a ( t ) sin 2 π 15 t d t
Based on the above analysis, the amplitude of sinusoidal and cosine components of harmonic currents between different frequencies can be calculated in real time.

4. Characteristic Analysis of Interharmonic Current

The PV grid-connected system’s mathematical model shows that the amplitude and distribution of interharmonic current can be influenced by various factors such as MPPT parameters, main circuit parameters, and environmental factors. To gain a comprehensive understanding of the output characteristics of interharmonic current in the PV grid-connected system, the main parameters of the system presented in Table 1 are examined and analyzed. The purpose of this analysis is to determine how changes in these parameters affect the behavior of the interharmonic current, which can lead to a better understanding of interharmonics in PV grid-connected systems and the development of effective strategies to improve power quality.

4.1. The Influence of MPPT Parameters on Interharmonic Current

The impact of the MPPT disturbance step size on interharmonic current is explored, with a fixed disturbance period of 0.05 s. By applying relevant parameters to the mathematical model of the interharmonic current in the PV grid-connected system, the distribution and amplitude of the interharmonic component of the grid-connected current were obtained and are depicted in Figure 6.
In Figure 6, the MPPT disturbance step size plays a significant role in influencing the amplitude of the intermediate harmonic component of the grid-connected current. As the disturbance step size increases, the amplitude of the interharmonic current also increases accordingly. To illustrate this, let us consider the interharmonic current with a frequency of 55 Hz. When the disturbance steps are set at 2.5 V, 5 V, 7.5 V, and 10 V, the corresponding amplitudes of the interharmonic current are measured as 0.065 A, 0.129 A, 0.194 A, and 0.259 A, respectively. A similar relationship is observed for the amplitude of interharmonic current at other frequencies. It is apparent that as the MPPT disturbance step increases, the amplitude of the interharmonic current proportionally increases. This finding emphasizes the importance of optimizing the MPPT disturbance step size to mitigate interharmonic content and enhance the overall power quality in PV grid-connected systems. By selecting appropriate disturbance step sizes, it is possible to minimize the impact of interharmonics on the system and ensure stable and efficient grid integration of PV energy.
The MPPT disturbance step is fixed to 5 V, and the disturbance period is set to 0.025 s, 0.05 s, 0.1 s, and 0.125 s, respectively, to explore the influence of the MPPT disturbance period on interharmonic current. Substituting the relevant parameters into the mathematical model of the interharmonic current of the PV grid-connected system, the distribution and amplitude of the interharmonic component of the grid-connected current can be obtained, as shown in Figure 7.
Figure 7 reveals that the MPPT disturbance period significantly affects the distribution of the intermediate harmonic components in the grid-connected current. As the disturbance period increases, the frequency distribution of interharmonics becomes more diverse. The specific analysis is as follows:
i.
When the disturbance period is 0.025 s, the grid-connected current contains only the interharmonic component with frequencies of (50 ± 10n) Hz (where n = 1, 3, 5…).
ii.
When the disturbance period is 0.05 s, the grid-connected current contains interharmonic components with frequencies of (50 ± 5n) Hz (where n = 1, 3, 5…).
iii.
When the disturbance period is 0.1 s, the grid-connected current contains interharmonic components with frequencies of (50 ± 2.5n) Hz (where n = 1, 3, 5…).
iv.
When the disturbance period increases to 0.125 s, the grid-connected current contains interharmonic components with frequencies of (50 ± 2n) Hz (where n = 1, 3, 5…).
Additionally, the maximum interharmonic current amplitudes for disturbance periods of 0.025 s, 0.05 s, 0.1 s, and 0.125 s are 0.299 A, 0.163 A, 0.082 A, and 0.065 A, respectively. The amplitudes of interharmonic currents at other frequencies show similar trends. Notably, with the increase in the MPPT disturbance period, the overall level of interharmonic current amplitude gradually decreases. This analysis highlights the significance of selecting an appropriate MPPT disturbance period to control and reduce interharmonic content in PV grid-connected systems. A carefully chosen disturbance period can help manage interharmonics, leading to improved power quality and stable grid integration of the PV system.

4.2. The Influence of Main Circuit Parameters on Interharmonic Current

By varying the capacitance of the DC capacitor while keeping the MPPT parameters constant, the influence of this main circuit parameter on the interharmonic current is explored. Similarly, the analysis method is applied to other main circuit parameters. Substituting the relevant parameters into the mathematical model of the interharmonic current in the PV grid-connected system, the distribution and amplitude of the interharmonic components of the grid-connected current are obtained, as illustrated in Figure 8.
Figure 8 shows that the capacitance of the DC capacitor affects the amplitude of the intermediate harmonic components in the grid-connected current. However, the impact is primarily observed on the interharmonic components of specific frequencies. For example, as the DC capacitance increases from 1000 μF to 1600 μF, the amplitude of the interharmonic current at 35 Hz, 45 Hz, 55 Hz, and 65 Hz increases from 0.129 A, 0.099 A, 0.129 A, and 0.163 A to 0.245 A, 0.165 A, 0.201 A, and 0.279 A, respectively. On the other hand, the amplitude of interharmonic current at other frequencies does not show significant changes. This analysis underscores the importance of considering main circuit parameters, such as the DC capacitor, in managing interharmonics in PV grid-connected systems. By optimizing these parameters, it is possible to control specific interharmonic frequencies and enhance the overall power quality of the grid-connected system.

4.3. The Influence of Environmental Factors on Interharmonic Current

By exploring various environmental conditions while keeping the system parameters unchanged, the influence of light intensity and battery temperature on interharmonic current is examined. By substituting the relevant parameters into the mathematical model of the interharmonic current in the PV grid-connected system, the distribution and amplitude of the interharmonic components of the grid-connected current are obtained, as shown in Figure 9.
It is observed from Figure 9 that environmental conditions do affect the amplitude of the intermediate harmonic component in the grid-connected current, but the impact is relatively small. For instance, considering the interharmonic current at 55 Hz, the amplitude increases from 0.112 A to 0.129 A as the light intensity rises from 400 W/m2 to 1000 W/m2. On the other hand, as the battery temperature increases from 25 °C to 40 °C, the amplitude of the interharmonic current decreases from 0.129 A to 0.125 A.
After conducting an analysis, it was determined that adjusting the MPPT disturbance period, disturbance step size, and main circuit parameters can decrease the interharmonic content in the grid-connected current. However, it is essential to keep in mind that changing the MPPT perturbation period and step size could affect the tracking speed and accuracy, and there are reasonable limits for system parameters. Therefore, while modifying system parameters can partially reduce interharmonic content, additional strategies may be necessary to fully mitigate interharmonics and guarantee stable and efficient operation of the PV grid-connected system.

5. Simulation Analysis and Experimental Verification

5.1. Simulation Analysis

According to the system structure shown in Figure 2 and Figure 3, a simulation model of a PV grid-connected system based on MATLAB 2019/Simulink simulation platform was built. The main parameters are shown in Table 1.
In order to verify the accuracy of the mathematical model of interharmonic current in a PV grid-connected system, condition 1 was set as follows: light intensity S = 1000 W/m2, battery temperature T = 25 °C, MPPT disturbance period Tmppt = 0.05 s, disturbance step Vstep = 5 V, DC capacitor Cdc = 1000 μF. The PV grid-connected system was simulated and tested, and the simulation results of DC voltage, d-axis current, and A-phase current were obtained. The simulation waveform and A-phase current spectra are shown in Figure 10.
As observed from Figure 10, during the steady-state operation of the MPPT algorithm, the output DC voltage command exhibits three-point oscillation characteristics, periodically switching between 695 V, 700 V, and 705 V. The DC voltage closely follows the command value under the influence of the voltage loop PI controller. The changing DC voltage command causes the d-axis current instruction to rapidly change in the opposite direction, which is subsequently gradually offset as the DC voltage approaches the command value. This process results in the d-axis current containing an AC component, leading to the presence of interharmonic components in the corresponding three-phase grid-connected current, causing notable waveform distortion. The FFT analysis of the A-phase current confirms that the grid-connected current comprises interharmonic components with frequencies of (50 ± 5n) Hz, where n = 1, 3, 5….
Table 2 presents the simulation results for the interharmonic current amplitude, the corresponding calculation results from the interharmonic current mathematical model, and the results obtained using the interharmonic current amplitude calculation method based on the trigonometric function orthogonality theorem.
In Table 2, it is evident that the interharmonic frequencies calculated by the mathematical model of the PV grid-connected system are consistent with the simulation results, both showing interharmonic components with frequencies of (50 ± 5n) Hz, where n = 1, 3, 5… The theoretical values of the interharmonic current amplitude calculated by the model closely align with the simulation results, with a relative error ranging from 1.042% to 8.333%. This indicates that the mathematical model for interharmonic current in the PV grid-connected system exhibits high accuracy.
The simulation results show that the amplitude of the corresponding interharmonic current is larger when the frequency is closer to the fundamental frequency. Interharmonic currents with frequencies greater than 50 Hz exhibit larger amplitudes compared to those with frequencies lower than 50 Hz. Among these frequencies, the interharmonic current amplitudes at 35 Hz, 45 Hz, 55 Hz, 65 Hz, and 75 Hz exceed 0.1 A, with the largest amplitude observed at 65 Hz. Moreover, the interharmonic current amplitude calculated using the trigonometric function orthogonality theorem-based method closely matches the simulation results, with a relative error range of 0% to 2.381%. This indicates that the amplitude calculation method of interharmonic current based on the trigonometric function orthogonality theorem is effective for real-time amplitude calculation.
To further validate the accuracy of the analysis results concerning the interharmonic current characteristics of the PV grid-connected system, simulation tests are conducted under different working conditions while keeping other parameters consistent with condition 1.
Setting condition 2: disturbance step length Vstep = 10 V; condition 3: disturbance period Tmppt = 0.1 s. The simulation results of DC voltage and A-phase current of the PV grid-connected system under these different MPPT parameters were obtained. The simulation waveform and A-phase current spectra are shown in Figure 11.
From Figure 11a, it is evident that increasing the MPPT disturbance step size from 5 V to 10 V results in a consistent distribution of interharmonic currents as observed in condition 1, with frequencies of (50 ± 5n) Hz, where n = 1, 3, 5… However, the amplitude of the interharmonic current at each frequency is doubled compared to condition 1, leading to more pronounced distortion in the grid-connected current. Figure 11b shows that when the MPPT disturbance period is increased from 0.05 s to 0.1 s, the three-point oscillation period of the DC voltage command increases from 0.2 s to 0.4 s. Consequently, the amplitude of the interharmonic component of the grid-connected current decreases to some extent. Simultaneously, the frequency distribution of the interharmonic component becomes more abundant, and the interharmonic current appears at frequencies of (50 ± 2.5n) Hz, where n = 1, 3, 5… Next, we examine the impact of different DC capacitors on the PV grid-connected system.
Setting condition 4: DC capacitor Cdc = 1200 μF; condition 5: DC capacitor Cdc = 1400 μF. The simulation results of DC voltage and A-phase current of the PV grid-connected system under these different DC capacitors were obtained. The simulation waveform and A-phase current spectra are shown in Figure 12.
As shown in Figure 12, it was found that increasing the DC capacitance from 1000 μF to 1200 μF or 1400 μF leads to a moderate increase in the amplitude of interharmonic currents at frequencies of 35 Hz, 45 Hz, 55 Hz, and 65 Hz. However, the amplitude of interharmonic currents at other frequencies remains relatively unchanged. Next, we investigate the influence of different environmental conditions on the PV grid-connected system.
Setting condition 6: light intensity S = 500 W/m2; condition 7: battery temperature T = 35 °C. The simulation results of DC voltage and A-phase current of the PV grid-connected system under these different environmental conditions were obtained. The simulation waveform and A-phase current spectra are shown in Figure 13.
From Figure 13a, it is evident that reducing the light intensity from 1000 W/m2 to 500 W/m2 causes the maximum power point voltage of the PV array to increase from 700 V to 710 V. Consequently, the three-point oscillation center of the DC voltage command also increases to 710 V. As a result of the decrease in the maximum output power of the PV array, the fundamental amplitude of the grid-connected current reduces by approximately half compared to working condition 1. However, the frequency distribution of the interharmonic current remains consistent with working condition 1, and the amplitude of the interharmonic current at each frequency does not experience significant changes.
From Figure 13b, it can be seen that when the battery temperature rises from 25 °C to 35 °C, the maximum power point voltage of the PV array decreases from 700 V to 670 V. Consequently, the three-point oscillation center of the DC voltage instruction is correspondingly reduced to 670 V. Due to the decrease in the maximum output power of the PV array, the fundamental amplitude of the grid-connected current also reduces to some extent compared to working condition 1. However, the frequency distribution and amplitude characteristics of the interharmonic current remain consistent with working condition 1. In other words, the change in environmental conditions hardly affects the amplitude of the interharmonic current but primarily influences the amplitude of the fundamental current, thereby altering the relative content of interharmonics.
Overall, the PV grid-connected system is found to exhibit a certain level of robustness against changes in environmental conditions with regard to interharmonic current behavior. The interharmonic content remains relatively stable while the amplitude of the fundamental current varies based on the environmental factors, offering insights into system performance under different operating conditions.

5.2. Experimental Verification

In order to validate the accuracy of the mathematical model and characteristic analysis of the interharmonic current in the proposed PV grid-connected system, an experimental platform for low-power PV grid-connected systems was constructed, as illustrated in Figure 14. The main circuit of the PV grid-connected system comprises a TMS320F28335-based three-phase inverter (Fuxing Electric Co., Limited, Shenzhen, China) with a DC capacitance of Cdc = 470 μF and a filter inductance of L = 2 mH. The DC side of the inverter is equipped with an Agilent E4360A PV array simulator, which sets the open circuit voltage (Voc) to 80 V, short circuit current (Isc) to 2.2 A, maximum power point voltage (Vm) to 60 V, maximum power point current (Im) to 2 A, and maximum output power (Pm) to 120 W.
To further validate the mathematical model and characteristic analysis results of the interharmonic current, low-power experimental tests were conducted under certain working conditions previously explored in the simulations.
Working condition 1, which comprises a light intensity of S = 1000 W/m2, MPPT disturbance period Tmpp= 0.05 s, and disturbance step Vstep = 5 V, was tested on the PV grid-connected system. The experimental results of DC voltage and A-phase current were obtained and are presented in Figure 15.
From Figure 15, it can be observed that under the influence of the MPPT algorithm, the DC voltage exhibited periodic changes between 55 V, 60 V, and 65 V, with a three-point oscillation period of 0.2 s. Due to the relatively small amplitude of the fundamental wave of the A-phase current, the distortion of the A-phase current in the experimental waveform was more pronounced compared to the simulation waveform. The FFT analysis of the A-phase current revealed the presence of an interharmonic component with a frequency of (50 ± 5n) Hz (n = 1, 3, 5…). The interharmonic component with the largest amplitude was observed at 65 Hz, with an amplitude of 0.081 A, while the interharmonic current amplitude at other frequencies exceeded 0.02 A. The frequency distribution and amplitude characteristics of the interharmonics are in close agreement with the theoretical analysis and simulation results. However, due to the influence of actual factors such as sampling accuracy and parameter deviations, interharmonic current also appeared at frequencies of (50 ± 5n) Hz (n = 2, 4, 6…), but its amplitude was small and can be considered negligible.
In the next test under condition 2, the light intensity was kept at S = 1000 W/m2, the MPPT disturbance period at Tmppt = 0.05 s, and the disturbance step at Vstep = 10 V. The PV grid-connected system was tested, and the experimental results of DC voltage and A-phase current were obtained. The experimental waveform and A-phase current spectra are shown in Figure 16.
From Figure 16, it can be observed that when the MPPT disturbance step increased to 10 V, the amplitude of the three-point oscillation of the DC voltage also increased from 5 V to 10 V. As a result, the current of phase A showed more pronounced distortion compared to condition 1. The FFT analysis of phase A current revealed the presence of interharmonic components with a frequency of (50 ± 5n) Hz (n = 1, 3, 5…). In comparison with condition 1, the amplitude of the interharmonic current in condition 2 was generally larger. The interharmonic component with the largest amplitude appeared at 65 Hz, with an amplitude of 0.144 A, and the amplitude of interharmonic current at other frequencies exceeded 0.04 A.
In the next test, under condition 3, the light intensity was kept at S = 1000 W/m2, the MPPT disturbance period at Tmppt = 0.1 s, and the disturbance step at Vstep = 5 V. The PV grid-connected system was tested, and the experimental results of DC voltage and A-phase current were obtained. The experimental waveform and A-phase current spectra are shown in Figure 17.
From Figure 17, it can be observed that when the MPPT disturbance period increased to 0.1 s, the DC voltage still changed periodically between 55 V, 60, and 65 V, while the three-point oscillation period increased from the 0.2 s of condition 1 to 0.4 s. The A-phase current still exhibited serious distortion. The FFT analysis of phase A current showed that the output current contained interharmonic components with a frequency of (50 ± 2.5n) Hz (n = 1, 3, 5…). Compared with condition 1, the frequency distribution of interharmonics in condition 3 was more abundant. The amplitude of the interharmonic current with a frequency of 67.5 Hz was the largest, at 0.050 A. Except for the amplitude of the interharmonic current at the frequency of 2.5 Hz, which was slightly less than 0.02 A, the amplitude of the interharmonic current at other frequencies exceeded 0.02 A.
In the next test under condition 4, the light intensity was set to S= 800 W/m2, the MPPT disturbance period at Tmppt = 0.05 s, and the disturbance step at Vstep = 5 V. The PV grid-connected system was tested experimentally, and the experimental results of DC voltage and A-phase current were obtained. The experimental waveform and A-phase current spectra are shown in Figure 18.
From Figure 18, it can be observed that the MPPT parameters are the same as those of condition 1. When the light intensity was reduced to 800 W/m2, the oscillation characteristics of the DC voltage remained consistent with those of condition 1, while the fundamental amplitude of the A-phase current was significantly reduced, and there was still obvious distortion. The FFT analysis of the phase A current showed that the output current contained the interharmonic component with a frequency of (50 ± 5n) Hz (n = 1, 3, 5…). The distribution and amplitude characteristics were similar to those of working condition 1. The amplitude of the interharmonic current with a frequency of 67.5 Hz was the largest, at 0.079 A.

6. Conclusions

Mathematical modeling and characteristic analysis of the interharmonic current in grid-connected PV systems was performed in this study.
The mathematical model of the interharmonic current was developed by deriving the transfer function of the grid-connected PV system. This was performed by linearizing the characteristic output equation of the PV generator at the point of maximum power.
An analysis of the characteristics of interharmonic currents in grid-connected PV systems was performed with the aid of the model, to investigate the distribution and amplitude characteristics of the interharmonics. The role of the main factors affecting the interharmonics, such as MPPT parameters, the main circuit parameters, and environmental conditions, was investigated.
Based on the above findings, strategies for suppressing interharmonics in grid-connected PV systems were proposed and tested. By understanding the interharmonic characteristics, these strategies can improve the power quality and stability of grid-connected systems.
A validation of the accuracy of the model and characteristic analysis was performed by means of simulations on MATLAB/Simulink and experiments on a low-power grid-connected PV system. The results from both methods confirmed the effectiveness of our proposed model and analysis.
The information regarding the behavior of interharmonic currents in grid-connected PV systems improves our understanding of how these currents are generated and distributed. This is useful for developing techniques to reduce them. By improving the performance and efficiency of grid-connected PV systems, these findings will be invaluable to industry.

Funding

This work was supported by the National Natural Science Foundation of China (52107177).

Conflicts of Interest

Author Xiaoyu Ni was employed by the company Jiangsu Smart Energy Technology Inc. The remaining authors declare that the research was conducted in the absence of any commercial or financial relationships that could be construed as a potential conflict of interest.

References

  1. Martins, F.; Felgueiras, C.; Smitkova, M.; Caetano, N. Analysis of fossil fuel energy consumption and environmental impacts in european countries. Energies 2019, 12, 964. [Google Scholar] [CrossRef]
  2. Hamidinasab, B.; Javadikia, H.; Hosseini-Fashami, F.; Kouchaki-Penchah, H.; Nabavi-Pelesaraei, A. Illuminating sustainability: A comprehensive review of the environmental life cycle and exergetic impacts of solar systems on the agri-food sector. Sol. Energy 2023, 262, 111830. [Google Scholar] [CrossRef]
  3. Du, Y.; Lu, D.D.C.; James, G.; Cornforth, D.J. Modeling and analysis of current harmonic distortion from grid connected PV inverters under different operating conditions. Sol. Energy 2013, 94, 182–194. [Google Scholar] [CrossRef]
  4. Pan, Y.; Sangwongwanich, A.; Yang, Y.; Blaabjerg, F. A Random Sampling-Rate MPPT Method to Mitigate Interharmonics from Cascaded H-Bridge Photovoltaic Inverters. In Proceedings of the Nanjing: 2020 IEEE 9th International Power Electronics and Motion Control Conference (IPEMC2020-ECCE Asia), Nanjing, China, 29 November–2 December 2020; pp. 3252–3257. [Google Scholar]
  5. Priyamvada, I.R.S.; Das, S. Adaptive tuning of PV generator control to improve stability constrained power transfer capability limit. IEEE Trans. Power Syst. 2021, 37, 1770–1781. [Google Scholar] [CrossRef]
  6. Han, M.; Nguyen, P.; Yan, W. Inter-harmonics in multi-terminal VSC-based HVDC systems. J. Mod. Power Syst. Clean Energy 2016, 4, 282–291. [Google Scholar] [CrossRef]
  7. Li, C. Unstable Operation of Photovoltaic Inverter from Field Experiences. IEEE Trans. Power Deliv. 2018, 33, 1013–1015. [Google Scholar] [CrossRef]
  8. Xie, J.; Xu, L.; Zhang, H.; He, Y.; Ghandour, R.M.R.; Zhou, J.; Ge, Y.; Li, Q. Characteristic harmonic spectrum relocating for controlling specific inter-harmonics of inverters with new phase-shifted rotating PWM. IEEE Access 2020, 8, 191005–191027. [Google Scholar] [CrossRef]
  9. Solanics, P.; Kozminski, K.; Bajpai, M.; Esztergalyos, J.; Fennell, E.; Gardell, J.; Mozina, C.; Patel, S.; Pierce, A.; Skendzic, V.; et al. The Impact of Large Steel Mill Loads on Power Generating Units. IEEE Trans. Power Deliv. 2000, 15, 24–30. [Google Scholar] [CrossRef]
  10. Wang, F.; Bollen, M. Measurement of 182 Hz Interharmonics and Their Impact on Relay Operation. In Proceedings of the Orlando: International Conference on Harmonics & Quality of Power, Orlando, FL, USA, 1–4 October 2000; pp. 55–60. [Google Scholar]
  11. Banuelos-Cabral, E.S.; Gutiérrez-Robles, J.A.; Nuño-Ayón, J.J.; Sotelo-Castañón, J.; Naredo, J.L. Extended vector fitting for subharmonics, harmonics, interharmonics, and supraharmonics estimation in electrical systems. Electr. Power Syst. Res. 2023, 224, 109664. [Google Scholar] [CrossRef]
  12. Koponen, P.; Hansen, H.; Bollen, M. Interharmonics and Light Flicker. In Proceedings of the Lyon: 23rd International Conference on Electricity Distribution (CIRED 2015), Lyon, France, 15–18 June 2015; p. 1100. [Google Scholar]
  13. Pakonen, P.; Hilden, A.; Suntio, T.; Verho, P. Grid-connected PV power plant induced power quality problems—Experimental evidence. In Proceedings of the European Conference on Power Electronics and Applications (EPE’16 ECCE Europe), Karlsruhe, Germany, 5–9 September 2016; pp. 1–10. [Google Scholar]
  14. Langella, R.; Testa, A.; Djokic, S.Z.; Meyer, J.; Klatt, M. On the Interharmonic Emission of PV Inverters under Different Operating Conditions. In Proceedings of the Belo Horizonte: International Conference Harmonics and Quality of Power (ICHQP), Belo Horizonte, Brazil, 16–19 October 2016; pp. 1–6. [Google Scholar]
  15. Langella, R.; Testa, A.; Meyer, J.; Möller, F.; Stiegler, R.; Djokic, S.Z. Experimental-Based Evaluation of PV Inverter Harmonic and Interharmonic Distortion Due to Different Operating Conditions. IEEE Trans. Instrum. Meas. 2016, 65, 2221–2233. [Google Scholar] [CrossRef]
  16. Sangwongwanich, A.; Yang, Y.; Sera, D.; Blaabjerg, F. Interharmonics from Grid-connected PV Systems: Mechanism and Mitigation. In Proceedings of the 2017 IEEE 3rd International Future Energy Electronics Conference and ECCE Asia (IFEEC 2017—ECCE Asia), Kaohsiung, Taiwan, 3–7 June 2017; pp. 722–727. [Google Scholar]
  17. Sangwongwanich, A.; Yang, Y.; Sera, D.; Soltani, H.; Blaabjerg, F. Analysis and Modeling of Interharmonics from Grid-Connected Photovoltaic Systems. IEEE Trans. Power Electron. 2018, 33, 8353–8364. [Google Scholar] [CrossRef]
  18. Sangwongwanich, A.; Blaabjerg, F. Interharmonics reduction in photovoltaic systems with random sampling MPPT technique. In Proceedings of the IEEE Energy Conversion Congress and Exposition (ECCE), Baltimore, MD, USA, 29 September–3 October 2019; pp. 4760–4765. [Google Scholar]
  19. Sangwongwanich, A.; Blaabjerg, F. Mitigation of interharmonics in PV systems with maximum power point tracking modification. IEEE Trans. Power Electron. 2019, 34, 8279–8282. [Google Scholar] [CrossRef]
  20. Luo, Q.; Zhong, Q.; Wang, G. An Order-reduction Method of Interharmonic Analysis Model Based on the Principle of Interharmonic Interaction. CPSS Trans. Power Electron. Appl. 2021, 6, 209–217. [Google Scholar] [CrossRef]
  21. Mishra, M.K.; Lal, V.N. An enhanced control strategy to mitigate grid current harmonics and power ripples of grid-tied PV system without PLL under distorted grid voltages. IEEE J. Emerg. Sel. Top. Power Electron. 2021, 10, 4587–4602. [Google Scholar] [CrossRef]
  22. Jesus, V.M.R.; Cupertino, A.F.; Xavier, L.S.; Pereira, H.A.; Mendes, V.F. Comparison of MPPT strategies in three-phase photovoltaic inverters applied for harmonic compensation. IEEE Trans. Ind. Appl. 2019, 55, 5141–5152. [Google Scholar] [CrossRef]
  23. Zhong, Q.; Shi, Q.; Wang, G.; Li, H. Harmonic analysis model of photovoltaic grid-connected systems based on disturbance MPPT control. Proc. CESS 2018, 38, 6533–6542. [Google Scholar]
  24. Han, Y.; Luo, M.; Zhao, X.; Guerrero, J.M.; Xu, L. Comparative performance evaluation of orthogonal-signal-generators-based single-phase PLL algorithms—A survey. IEEE Trans. Power Electron. 2015, 31, 3932–3944. [Google Scholar] [CrossRef]
Figure 1. Diagram of the harmonic and interharmonic current in grid-connected PV systems.
Figure 1. Diagram of the harmonic and interharmonic current in grid-connected PV systems.
Energies 17 05958 g001
Figure 2. Main circuit diagram of the inverter in the grid-connected PV system.
Figure 2. Main circuit diagram of the inverter in the grid-connected PV system.
Energies 17 05958 g002
Figure 3. Control block diagram of the voltage and current double closed loop.
Figure 3. Control block diagram of the voltage and current double closed loop.
Energies 17 05958 g003
Figure 4. Transfer function block diagram of the grid-connected PV system.
Figure 4. Transfer function block diagram of the grid-connected PV system.
Energies 17 05958 g004
Figure 5. Simplified transfer function block diagram of the grid-connected PV system.
Figure 5. Simplified transfer function block diagram of the grid-connected PV system.
Energies 17 05958 g005
Figure 6. Calculation results for the frequency spectra of the phase A current with different MPPT perturbance step sizes. (a) At a perturbation step of 2.5 V, (b) at a perturbation step of 5 V, (c) at a perturbation step of 7.5 V and (d) at a perturbation step of 10 V.
Figure 6. Calculation results for the frequency spectra of the phase A current with different MPPT perturbance step sizes. (a) At a perturbation step of 2.5 V, (b) at a perturbation step of 5 V, (c) at a perturbation step of 7.5 V and (d) at a perturbation step of 10 V.
Energies 17 05958 g006
Figure 7. Calculation results for the frequency spectra of the phase A current with different MPPT perturbance periods. (a) At a perturbation period of 0.025 s, (b) at a perturbation period of 0.05 s, (c) at a perturbation period of 0.1 s and (d) at a perturbation period of 0.125 s.
Figure 7. Calculation results for the frequency spectra of the phase A current with different MPPT perturbance periods. (a) At a perturbation period of 0.025 s, (b) at a perturbation period of 0.05 s, (c) at a perturbation period of 0.1 s and (d) at a perturbation period of 0.125 s.
Energies 17 05958 g007
Figure 8. Calculation results for the frequency spectra of the phase A current with different DC-link capacitors.
Figure 8. Calculation results for the frequency spectra of the phase A current with different DC-link capacitors.
Energies 17 05958 g008
Figure 9. Calculation results for the frequency spectra of the phase A current under different environmental conditions. (a) Spectra under different light conditions. (b) Spectra under different battery temperatures.
Figure 9. Calculation results for the frequency spectra of the phase A current under different environmental conditions. (a) Spectra under different light conditions. (b) Spectra under different battery temperatures.
Energies 17 05958 g009
Figure 10. Simulation waveforms of the grid-connected PV system under working condition 1.
Figure 10. Simulation waveforms of the grid-connected PV system under working condition 1.
Energies 17 05958 g010
Figure 11. Simulation waveforms of the DC-link voltage, phase A current and its frequency spectra with different MPPT parameters.
Figure 11. Simulation waveforms of the DC-link voltage, phase A current and its frequency spectra with different MPPT parameters.
Energies 17 05958 g011
Figure 12. Simulation waveforms of the DC-link voltage, phase A current and its frequency spectra with different DC-link capacitors.
Figure 12. Simulation waveforms of the DC-link voltage, phase A current and its frequency spectra with different DC-link capacitors.
Energies 17 05958 g012
Figure 13. Simulation waveforms of the DC-link voltage, phase A current and its frequency spectra under different environmental conditions.
Figure 13. Simulation waveforms of the DC-link voltage, phase A current and its frequency spectra under different environmental conditions.
Energies 17 05958 g013
Figure 14. Experimental platform of the grid-connected PV system.
Figure 14. Experimental platform of the grid-connected PV system.
Energies 17 05958 g014
Figure 15. Experimental waveforms and frequency spectra of phase A current under working condition 1.
Figure 15. Experimental waveforms and frequency spectra of phase A current under working condition 1.
Energies 17 05958 g015
Figure 16. Experimental waveforms and frequency spectra of phase A current under working condition 2.
Figure 16. Experimental waveforms and frequency spectra of phase A current under working condition 2.
Energies 17 05958 g016
Figure 17. Experimental waveforms and frequency spectra of phase A current under working condition 3.
Figure 17. Experimental waveforms and frequency spectra of phase A current under working condition 3.
Energies 17 05958 g017
Figure 18. Experimental waveforms and frequency spectra of phase A current under working condition 4.
Figure 18. Experimental waveforms and frequency spectra of phase A current under working condition 4.
Energies 17 05958 g018
Table 1. The main parameters of the grid-connected PV system.
Table 1. The main parameters of the grid-connected PV system.
ParametersValuesParametersValues
Voc876 VGrid phase voltage E220 V
Isc8.31 AGrid frequency fg50 Hz
Vm700 VDC capacitor Cdc1000 μF
Im7.58 AFilter inductance L6 mH
Pm5.3 kWSwitching frequency fs10 kHz
Table 2. Comparison between simulation and calculation results for the amplitudes of the phase A interharmonic current.
Table 2. Comparison between simulation and calculation results for the amplitudes of the phase A interharmonic current.
Frequency/HzInterharmonic Current Amplitude/AModel Calculation
Error/%
Real-Time Calculation
Error/%
Simulation ValueModel Calculation ValueReal-Time Calculation Value
50.0150.0140.0157.1430
150.0420.0430.0432.3812.381
250.0990.0920.1017.0712.020
350.1390.1290.1377.1941.439
450.1080.0990.1068.3331.852
550.1210.1290.1226.6120.826
650.1560.1630.1584.4871.282
750.1430.1370.1434.1960
850.0960.0970.0951.0421.042
950.0700.0740.0715.7141.429
Disclaimer/Publisher’s Note: The statements, opinions and data contained in all publications are solely those of the individual author(s) and contributor(s) and not of MDPI and/or the editor(s). MDPI and/or the editor(s) disclaim responsibility for any injury to people or property resulting from any ideas, methods, instructions or products referred to in the content.

Share and Cite

MDPI and ACS Style

Mao, M.; Ni, X.; Xu, Z.; Sun, H.; Yin, C. A Comprehensive Analysis of the Influencing Factors of Interharmonics on a Distributed PV Grid-Connected Power Generation System. Energies 2024, 17, 5958. https://doi.org/10.3390/en17235958

AMA Style

Mao M, Ni X, Xu Z, Sun H, Yin C. A Comprehensive Analysis of the Influencing Factors of Interharmonics on a Distributed PV Grid-Connected Power Generation System. Energies. 2024; 17(23):5958. https://doi.org/10.3390/en17235958

Chicago/Turabian Style

Mao, Mingxuan, Xiaoyu Ni, Zhao Xu, Haojin Sun, and Chengqi Yin. 2024. "A Comprehensive Analysis of the Influencing Factors of Interharmonics on a Distributed PV Grid-Connected Power Generation System" Energies 17, no. 23: 5958. https://doi.org/10.3390/en17235958

APA Style

Mao, M., Ni, X., Xu, Z., Sun, H., & Yin, C. (2024). A Comprehensive Analysis of the Influencing Factors of Interharmonics on a Distributed PV Grid-Connected Power Generation System. Energies, 17(23), 5958. https://doi.org/10.3390/en17235958

Note that from the first issue of 2016, this journal uses article numbers instead of page numbers. See further details here.

Article Metrics

Back to TopTop