Sign in to use this feature.

Years

Between: -

Subjects

remove_circle_outline
remove_circle_outline
remove_circle_outline
remove_circle_outline
remove_circle_outline
remove_circle_outline
remove_circle_outline
remove_circle_outline
remove_circle_outline

Journals

Article Types

Countries / Regions

Search Results (18)

Search Parameters:
Keywords = injected-absorbed-current method

Order results
Result details
Results per page
Select all
Export citation of selected articles as:
31 pages, 3958 KB  
Article
Optimal Distributed Generation Mix to Enhance Distribution Network Performance: A Deterministic Approach
by Muhammad Ibrahim Bhatti, Frank Fischer, Matthias Kühnbach, Zohaib Hussain Leghari, Touqeer Ahmed Jumani, Zeeshan Anjum Memon and Muhammad I. Masud
Sustainability 2025, 17(13), 5978; https://doi.org/10.3390/su17135978 - 29 Jun 2025
Viewed by 889
Abstract
Distribution systems’ vulnerability to power losses remains high, among other parts of the power system, due to the high currents and lower voltage ratio. Connecting distributed generation (DG) units can reduce power loss and improve the overall performance of the distribution networks if [...] Read more.
Distribution systems’ vulnerability to power losses remains high, among other parts of the power system, due to the high currents and lower voltage ratio. Connecting distributed generation (DG) units can reduce power loss and improve the overall performance of the distribution networks if sized and located correctly. However, existing studies have usually assumed that DGs operate only at the unity power factor (i.e., type-I DGs) and ignored their dynamic capability to control reactive power, which is unrealistic when optimizing DG allocation in power distribution networks. In contrast, optimizing the allocation of DG units injecting reactive power (type-II), injecting both active and reactive powers (type-III), and injecting active power and dynamically adjusting (absorbing or injecting) reactive power (type-IV) is a more likely approach, which remains unexplored in the current literature. Additionally, various metaheuristic optimization techniques are employed in the literature to optimally allocate DGs in distribution networks. However, the no-free-lunch theorem emphasizes employing novel optimization approaches, as no method is best for all optimization problems. This study demonstrates the potential of optimally allocating different DG types simultaneously to improve power distribution network performance using a parameter-free Jaya optimization technique. The primary objective of optimally allocating DG units is minimizing the distribution network’s power losses. The simulation validation of this study is conducted using the IEEE 33-bus test system. The results revealed that optimally allocating a multiunit DG mix instead of a single DG type significantly reduces power losses. The highest reduction of 96.14% in active power loss was obtained by placing three type-II, two type-III, and three type-IV units simultaneously. In contrast, the minimum loss reduction of 87.26% was observed by jointly allocating one unit of the aforementioned three DG types. Full article
Show Figures

Figure 1

10 pages, 1693 KB  
Proceeding Paper
Design and Implementation of Novel Dynamic Voltage Restorer Configuration for Electric Vehicle Charging Applications
by Kesav Sanadhan Saikumar, Thenmozhi Mutharasan, Vijayaraja Loganathan, Dhanasekar Ravikumar, Vishal Thirumalai Nambi and Sudhesh Kumar Ezhilarasan
Eng. Proc. 2025, 87(1), 39; https://doi.org/10.3390/engproc2025087039 - 8 Apr 2025
Viewed by 621
Abstract
Electric vehicles are replacing conventional vehicles in today’s world due to their eco-friendly operation and reduced maintenance. Although EVs offer advantages over conventional vehicles, there is a limited number of charging stations, and numerous power quality issues have emerged at these locations. This [...] Read more.
Electric vehicles are replacing conventional vehicles in today’s world due to their eco-friendly operation and reduced maintenance. Although EVs offer advantages over conventional vehicles, there is a limited number of charging stations, and numerous power quality issues have emerged at these locations. This is due to the voltage, current, or frequencies being abnormal, which leads to sudden voltage drops, voltage swells, long interruptions, and short interruptions occurring at the charging stations. To address issues arising from client-side anomalies, we attach conventional FACTS devices closer to the load end. One such dependable custom power gadget for dealing with voltage sag is the one developed in this article, and it is called an enhanced dynamic voltage restorer (DVR). The proposed device continuously monitors the load voltage waveform and injects (or absorbs) the balance (or surplus) voltage into (or away from) the load voltage whenever a sag occurs. We develop a reference voltage waveform to achieve the aforementioned capabilities. In this paper, the methods of compensation for these problems at charging stations are discussed. Furthermore, the power quality problems are compensated for by the proposed system using an SVPWM controller. Simulation and real-time implementation are carried out, and the results are discussed. The inclusion of SVPWM control significantly improves voltage regulation and reduces THD by 60–70% compared to conventional PWM methods, which achieve only 40–50% reduction. The proposed DVR is designed for single-phase applications, making it suitable for low-voltage distribution systems and sensitive industrial loads. The proposed model provides a rapid response time (<10 ms), and the efficiency of the proposed DVR is found to be 92%, which is greater than that of conventional designs (86%). Full article
(This article belongs to the Proceedings of The 5th International Electronic Conference on Applied Sciences)
Show Figures

Figure 1

19 pages, 12359 KB  
Article
A Thermosensitive and Degradable Chitin-Based Hydrogel as a Brucellosis Vaccine Adjuvant
by Ruibao Ju, Yanjing Lu, Zhiwen Jiang, Jinhua Chi, Shuo Wang, Wanshun Liu, Yanbo Yin and Baoqin Han
Polymers 2024, 16(19), 2815; https://doi.org/10.3390/polym16192815 - 4 Oct 2024
Cited by 1 | Viewed by 1956
Abstract
Brucellosis is a zoonotic infectious disease that has long endangered the development of animal husbandry and human health. Currently, vaccination stands as the most efficacious method for preventing and managing brucellosis. Alum, as the most commonly used adjuvant for the brucellosis vaccine, has [...] Read more.
Brucellosis is a zoonotic infectious disease that has long endangered the development of animal husbandry and human health. Currently, vaccination stands as the most efficacious method for preventing and managing brucellosis. Alum, as the most commonly used adjuvant for the brucellosis vaccine, has obvious disadvantages, such as the formation of granulomas and its non-degradability. Therefore, the aims of this study were to prepare an absorbable, injectable, and biocompatible hydroxypropyl chitin (HPCT) thermosensitive hydrogel and to evaluate its immunization efficacy as an adjuvant for Brucella antigens. Specifically, etherification modification of marine natural polysaccharide chitin was carried out to obtain a hydroxypropyl chitin. Rheological studies demonstrated the reversible temperature sensitivity of HPCT hydrogel. Notably, 5 mg/mL of bovine serum albumin can be loaded in HPCT hydrogels and released continuously for more than one week. Furthermore, the L929 cytotoxicity test and in vivo degradation test in rats proved that an HPCT hydrogel had good cytocompatibility and histocompatibility and can be degraded and absorbed in vivo. In mouse functional experiments, as adjuvants for Brucella antigens, an HPCT hydrogel showed better specific antibody expression levels and cytokine (Interleukin-4, Interferon-γ) expression levels than alum. Thus, we believe that HPCT hydrogels hold much promise in the development of adjuvants. Full article
(This article belongs to the Section Biobased and Biodegradable Polymers)
Show Figures

Figure 1

11 pages, 669 KB  
Article
Pharmacokinetic Pattern of Menbutone in Calves after Single Intravenous and Intramuscular Administration
by Raquel Diez, Jose M. Rodriguez, Cristina Lopez, Raul de la Puente, Matilde Sierra, M. Jose Diez, Nelida Fernandez, Juan J. Garcia and Ana M. Sahagun
Animals 2024, 14(17), 2540; https://doi.org/10.3390/ani14172540 - 31 Aug 2024
Viewed by 2242
Abstract
Menbutone is a choleretic agent currently used in Europe to treat digestive disorders in livestock and dogs. Pharmacokinetic parameters were established in 4-month Holstein calves after intravenous (IV) and intramuscular (IM) administration. The drug was administered to 12 animals (10 mg/kg) for both [...] Read more.
Menbutone is a choleretic agent currently used in Europe to treat digestive disorders in livestock and dogs. Pharmacokinetic parameters were established in 4-month Holstein calves after intravenous (IV) and intramuscular (IM) administration. The drug was administered to 12 animals (10 mg/kg) for both IV and IM routes following a crossover design. Plasma samples were collected at various time points over 24 h and analyzed by reverse-phase high-performance liquid chromatography with a photodiode-array detector, following a method validated according to European Medicines Agency guidelines. Pharmacokinetic parameters were calculated using compartmental and non-compartmental methods. Menbutone followed a two-compartment open model after IV injection, with a total clearance (Cl) of 71.9 ± 13.5 mL/h/kg, an elimination half-life (t½β) of 4.53 ± 2.45 h, and a volume of distribution at steady-state (Vss) of 310.4 ± 106.4 mL/kg. Non-compartmental elimination half-life (t½λ) was 4.2 ± 1.1 h. After IM administration, drug pharmacokinetics was best described by a one-compartment open model. The peak plasma concentration (Cmax) was 15.1 ± 4.3 µg/mL; the time to reach Cmax (tmax), 1.66 ± 0.55 h; and the mean absorption time (MAT), 2.50 ± 1.42 h. Absorption was high, with a fraction of the dose absorbed (F) of 83.5 ± 22.4%. Menbutone was rapidly eliminated from plasma for both routes of administration, with a fast and high IM bioavailability. Full article
(This article belongs to the Section Veterinary Clinical Studies)
Show Figures

Figure 1

21 pages, 9440 KB  
Article
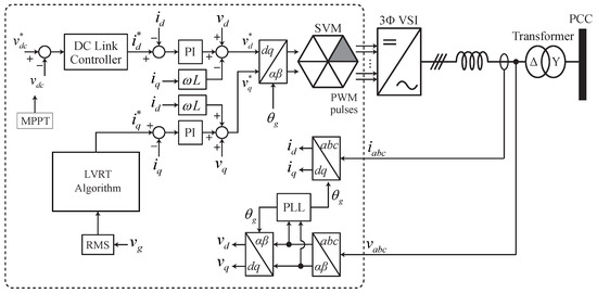
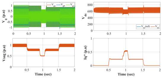
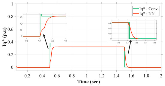
Smart Sag Detection and Reactive Current Injection Control for a PV Microgrid under Voltage Faults
by Muhammad Affan Khan and Jaehong Kim
Energies 2023, 16(19), 6776; https://doi.org/10.3390/en16196776 - 22 Sep 2023
Cited by 8 | Viewed by 2852
Abstract
Low-power photovoltaic distributed generators are increasing rapidly in number by the grids of the modern era, but they also bring up the concern of grid stability. To maintain grid stability, it is essential for the network operators to update the grid codes at [...] Read more.
Low-power photovoltaic distributed generators are increasing rapidly in number by the grids of the modern era, but they also bring up the concern of grid stability. To maintain grid stability, it is essential for the network operators to update the grid codes at regular intervals due to the case of highly penetrated grid-connected photovoltaic systems (GCPVs). Integration of large-scale electrical grids with renewable energy sources, one being photovoltaic systems, faces the challenge of riding through low-voltage (LVRT) phases. As compared to the previous grid codes for power generation, recent advances require distributed generation resources to provide for such capabilities under grid faults. This work contributes to the ongoing investigation of this specified and destabilizing fault condition. Various simulations of a PV microgrid system are carried out with the ability to ride through low-voltage faults, with the help of a DC-chopper circuit to absorb DC-link over-voltage, and the current is also maintained within acceptable limits according to the required standards. The fundamental contribution of this research is a proposed neural network (NN) control framework. This framework effectively detects voltage sags, comprehends their characteristics, and provides support to the system by injecting reactive current in accordance with the demands imposed by designated grid codes. This NN control model has been systematically developed utilizing data gathered from a vast array of testing simulations conducted under different and dynamic conditions. The proposed strategy, on the other hand, is compared with the RMS fault detection method in combination with the conventional LVRT algorithm. The NN control approach showed better results as compared to the conventional methods in terms of accuracy and robustness, especially when confronted with difficult sag situations. Full article
(This article belongs to the Section A1: Smart Grids and Microgrids)
Show Figures

Figure 1

13 pages, 903 KB  
Review
Vitamin B12 in Cats: Nutrition, Metabolism, and Disease
by Gerardo Siani, Beatrice Mercaldo, Maria Chiara Alterisio and Antonio Di Loria
Animals 2023, 13(9), 1474; https://doi.org/10.3390/ani13091474 - 26 Apr 2023
Cited by 8 | Viewed by 13949
Abstract
Cobalamin is a water-soluble molecule that has an important role in cellular metabolism, especially in DNA synthesis, methylation, and mitochondrial metabolism. Cobalamin is bound by intrinsic factor (IF) and absorbed in the ileal tract. The IF in cats is synthesized exclusively by pancreatic [...] Read more.
Cobalamin is a water-soluble molecule that has an important role in cellular metabolism, especially in DNA synthesis, methylation, and mitochondrial metabolism. Cobalamin is bound by intrinsic factor (IF) and absorbed in the ileal tract. The IF in cats is synthesized exclusively by pancreatic tissue. About 75% of the total plasma cobalamin in cats is associated with transcobalamin II, while in this species, transcobalamin I is not present. In cats, the half-life of cobalamin is 11–14 days. Diagnostic biomarkers for B12 status in cats include decreased levels of circulating total cobalamin and increased levels of methylmalonic acid. The reference interval for serum cobalamin concentrations in cats is 290–1500 ng/L, and for the serum methylmalonic acid concentration, it is 139–897 nmol/L. Therapy for hypocobalaminemia mainly depends on the underlying disease. In some cases, subcutaneous or intramuscular injection of 250 μg/cat is empirically administered. In recent years, it has been demonstrated that oral cobalamin supplementation can also be used successfully in dogs and cats as a less invasive alternative to parental administration. This review describes the current knowledge regarding B12 requirements and highlights improvements in diagnostic methods as well as the role of hypocobalaminemia in its associated diseases. Full article
(This article belongs to the Special Issue Animals in 2023)
Show Figures

Figure 1

13 pages, 3567 KB  
Article
Numerical Simulation of a Class I Gas Hydrate Reservoir Depressurized by a Fishbone Well
by Jiayuan He
Processes 2023, 11(3), 771; https://doi.org/10.3390/pr11030771 - 5 Mar 2023
Cited by 10 | Viewed by 2614
Abstract
The results of the second trial production of the gas hydrate reservoir in the Shenhu area of the South China Sea show that the production of a gas hydrate reservoir by horizontal wells can greatly increase the daily gas production, but the current [...] Read more.
The results of the second trial production of the gas hydrate reservoir in the Shenhu area of the South China Sea show that the production of a gas hydrate reservoir by horizontal wells can greatly increase the daily gas production, but the current trial production is still far below the minimum production required for commercial development. Compared with a single horizontal well, a fishbone well has a larger reservoir contact area and is expected to achieve higher productivity in the depressurization development of gas hydrate reservoirs. However, there is still a lack of systematic research on the application of fishbone wells in Class I gas hydrate reservoirs. In this paper, a grid system for gas hydrate reservoirs containing fishbone wells is first established using the PEBI unstructured grid, and fine-grained simulation of reservoirs near the bottom of the wells is achieved by adaptive grid encryption while ensuring computational efficiency. On this basis, Tough + Hydrate software is adopted to simulate the productivity and physical field change of a fishbone well with different branching numbers. The results show that: the higher the number of branches in a fishbone well, the faster the free water production rate, reservoir depressurization, and free gas production rate in the initial stage of depressurization development, and the faster depressurization can effectively promote hydrate dissociation. Compared with a single horizontal well, the cumulative gas production of a six branch fishbone well can increase by 59.3%. Therefore, using multi-branch fishbone depressurization to develop Class I gas hydrate reservoirs can effectively improve productivity and the depressurization effect, but the hydrate dissociation will absorb a lot of heat and lead to a rapid decrease in reservoir temperature and hydrate dissociation rate. At the end of the simulation, the hydrate dissociation rate of all schemes was lower than 50%. In the later stage of depressurization development, the combined development method of heat injection and depressurization is expected to further provide sufficient thermal energy for hydrate dissociation and promote the dissociation of the hydrate. Full article
(This article belongs to the Section Energy Systems)
Show Figures

Figure 1

16 pages, 5701 KB  
Article
Spectral Intensity of Electron Cyclotron Radiation Emerging from the Plasma to the First Wall in ITER
by Pavel V. Minashin and Alexander B. Kukushkin
Symmetry 2023, 15(1), 118; https://doi.org/10.3390/sym15010118 - 31 Dec 2022
Cited by 4 | Viewed by 2887
Abstract
It is predicted that in ITER, due to high values of electron temperature and magnetic field strength, electron cyclotron (EC) radiation emitted by plasma will be a significant source (together with external EC radiation injected for auxiliary plasma heating and non-inductive current drive) [...] Read more.
It is predicted that in ITER, due to high values of electron temperature and magnetic field strength, electron cyclotron (EC) radiation emitted by plasma will be a significant source (together with external EC radiation injected for auxiliary plasma heating and non-inductive current drive) of additional thermal and electromagnetic loads for microwave and optical diagnostics. The spectral distribution of plasma EC radiation is particularly important to consider in millimeter-wave diagnostics, namely for high- and low-magnetic-field side reflectometry, plasma position reflectometry, and collective Thomson scattering diagnostic, because the transmission lines of these diagnostics yield the transport of EC waves emitted by the plasma. The development of semi-analytical methods used to describe the spectral distribution of plasma-generated EC radiation in tokamaks, starting from the work of S. Tamor, is based on the dominance of multiple reflections of this radiation from the first wall in a toroidal axially symmetric vacuum chamber. Here, we present calculations using the CYNEQ code of the spectral intensity of the EC radiation emerging from the plasma to the first wall and port plugs for five scenarios of ITER operation. This code uses the symmetry-based effect of approximate isotropy and homogeneity of radiation intensity in a substantial part of the phase space and has been successfully tested by comparison with first-principles codes. The energy flux density in the range of 30–200 kW/m2 is predicted for wall reflectance in the range of 0.6–0.95. The possible effect of this radiation on in-vessel components and diagnostics is assessed by calculating the surface density of the energy absorbed by various materials of the ITER first wall. Full article
(This article belongs to the Section Physics)
Show Figures

Figure 1

12 pages, 4588 KB  
Communication
Baseline for Split DC Link Design in Three-Phase Three-Level Converters Operating with Unity Power Factor Based on Low-Frequency Partial Voltage Oscillations
by Yarden Siton, Vladimir Yuhimenko, Dmitry Baimel and Alon Kuperman
Machines 2022, 10(9), 722; https://doi.org/10.3390/machines10090722 - 24 Aug 2022
Cited by 9 | Viewed by 3091
Abstract
The study sets a baseline for split DC link capacitance values and voltage set points in three-phase three-level AC/DC (or DC/AC) converters operating with unity power factor. In order to equalize the average values of partial DC link voltages, the controller generates a [...] Read more.
The study sets a baseline for split DC link capacitance values and voltage set points in three-phase three-level AC/DC (or DC/AC) converters operating with unity power factor. In order to equalize the average values of partial DC link voltages, the controller generates a zero-sequence containing DC components only while employing neither dedicated DC link capacitance balancing hardware nor high-order zero-sequence component injection. Such a baseline is required in order to evaluate the effectiveness of different DC link capacitance reduction methods proposed in the literature. Unlike most previous works, utilizing neutral point current based on cumbersome analytical expressions to determine neutral point potential oscillations, the instantaneous power balance-based approach is employed in this paper, resulting in greatly simplified and more intuitive expressions. It is demonstrated that while the total DC link voltage is low-frequency ripple-free under unity power factor balanced AC-side operation, split DC link capacitors absorb triple-fundamental frequency power components with one-sixth load power magnitude. This yields significant opposite phase partial voltage ripples. In such a case, selection of DC link capacitances and voltage set points must take into account the expected values of AC-side phase voltage magnitude and split DC link capacitor voltage and current ratings. Simulation and experimental results validate the proposed methodology by application to a 10 kVA T-type converter prototype. Full article
(This article belongs to the Special Issue Advances in High-Power Converters)
Show Figures

Figure 1

17 pages, 6458 KB  
Article
Quantum Dot-Based White Organic Light-Emitting Diodes Excited by a Blue OLED
by Krishn Das Patel, Fuh-Shyang Juang, Hao-Xuan Wang, Chong-Zhe Jian and Jia-You Chen
Appl. Sci. 2022, 12(13), 6365; https://doi.org/10.3390/app12136365 - 22 Jun 2022
Cited by 9 | Viewed by 4937
Abstract
In this study, white organic light-emitting diodes (OLEDs) consisting of red quantum dots (RQD) and green quantum dots (GQD) were investigated. These are the most exciting new lighting technologies that have grown rapidly in recent years. The white OLED development processes used consisted [...] Read more.
In this study, white organic light-emitting diodes (OLEDs) consisting of red quantum dots (RQD) and green quantum dots (GQD) were investigated. These are the most exciting new lighting technologies that have grown rapidly in recent years. The white OLED development processes used consisted of the following methods: (a) fabrication of a blue single-emitting layer OLED, (b) nanoimprinting into QD photoresists, and (c) green and red QD photoresists as color conversion layers (CCL) excited by blue OLEDs. To fabricate the blue OLED, the HATCN/TAPC pair was selected for the hole injection/transport layer on ITO and TPBi for the electron transport layer. For blue-emitting material, we used a novel polycyclic framework of thermally activated delayed fluorescence (TADF) material, ν-DABNA, which does not utilize any heavy metals and has a sharp and narrow (FWHM 28 nm) electroluminescence spectrum. The device structure was ITO/HATCN (20 nm)/TAPC (30 nm)/MADN: ν-DABNA (40 nm)/TPBi (30 nm)/LiF (0.8 nm)/Al (150 nm) with an emitting area of 1 cm × 1 cm. The current density, luminance, and efficiency of blue OLEDs at 8 V are 87.68 mA/cm2, 963.9 cd/m2, and 1.10 cd/A, respectively. Next, the bottom emission side of the blue OLED was attached to nanoimprinted RQD and GQD photoresists, which were excited by the blue OLED in order to generate an orange and a green color, respectively, and combined with blue light to achieve a nearly white light. In this study, two different excitation architectures were tested: BOLED→GQD→RQD and BOLED→RQD→GQD. The EL spectra showed that the BOLED→GQD→RQD architecture had stronger green emissions than BOLED→RQD→GQD because the blue OLED excited the GQD PR first then RQD PR. Due to the energy gap architectures in BOLED-GQD-RQD, the green QD absorbed part of the blue light emitted from the BOLED, and the remaining blue light penetrated the GQD to reach the RQD. These excited spectra were very close to the white light, which resulted in three peaks emitting at 460, 530, and 620 nm. The original blue CIE coordinates were (0.15, 0.07). After the excitation combination, the CIE coordinates were (0.42, 0.33), which was close to the white light position. Full article
(This article belongs to the Section Optics and Lasers)
Show Figures

Figure 1

11 pages, 4089 KB  
Article
An Organic/Inorganic Nanomaterial and Nanocrystal Quantum Dots-Based Multi-Level Resistive Memory Device
by Sae-Wan Kim, JinBeom Kwon, Jae-Sung Lee, Byoung-Ho Kang, Sang-Won Lee, Dong Geon Jung, Jun-Yeop Lee, Maeum Han, Ok-Geun Kim, Gopalan Saianand and Daewoong Jung
Nanomaterials 2021, 11(11), 3004; https://doi.org/10.3390/nano11113004 - 9 Nov 2021
Cited by 9 | Viewed by 3736
Abstract
A cadmium selenide/zinc sulfide (CdSe/ZnS) quantum dot (QD)-based multi-level memory device with the structure [ITO/PEDOT:PSS/QDs/ZnO/Al:Al2O3/QDs/Al] was fabricated via a spin-coating method used to deposit thin films. Two layers of QD thin films present in the device act as charge [...] Read more.
A cadmium selenide/zinc sulfide (CdSe/ZnS) quantum dot (QD)-based multi-level memory device with the structure [ITO/PEDOT:PSS/QDs/ZnO/Al:Al2O3/QDs/Al] was fabricated via a spin-coating method used to deposit thin films. Two layers of QD thin films present in the device act as charge storage layers to form three distinct states. Zinc oxide (ZnO) and aluminum oxide (Al2O3) were added to prevent leakage. ZnO NPs provide orthogonality between the two QD layers, and a poly(3,4-ethylenedioxythio-phene): poly(styrenesulfonate) (PEDOT:PSS) thin film was formed for effective hole injection from the electrodes. The core/shell structure of the QDs provides the quantum well, which causes the trapping of injected charges. The resistance changes according to the charging and discharging of the QDs’ trap site and, as a result, the current through the device also changes. There are two quantum wells, two current changes, and three stable states. The role of each thin film was confirmed through I–V curve analysis and the fabrication conditions of each thin film were optimized. The synthesized QDs and ZnO nanoparticles were evaluated via X-ray diffraction, transmission electron microscopy, and absorbance and photoluminescence spectroscopy. The measured write voltages of the fabricated device were at 1.8 and 2.4 V, and the erase voltages were −4.05 and −4.6 V. The on/off ratio at 0.5 V was 2.2 × 103. The proposed memory device showed retention characteristics of ≥100 h and maintained the initial write/erase voltage even after 200 iterative operations. Full article
(This article belongs to the Special Issue Nanomaterials for Electron Devices)
Show Figures

Figure 1

23 pages, 8534 KB  
Article
Small-Signal Modeling of Phase-Shifted Full-Bridge Converter Considering the Delay Associated to the Leakage Inductance
by Diego Ochoa, Antonio Lázaro, Pablo Zumel, Marina Sanz, Jorge Rodriguez de Frutos and Andrés Barrado
Energies 2021, 14(21), 7280; https://doi.org/10.3390/en14217280 - 3 Nov 2021
Cited by 5 | Viewed by 6124
Abstract
This paper demonstrates that in the Phase-Shifted Full-Bridge (PSFB) buck-derived converter, there is a random delay associated with the blanking time produced by the leakage inductance. This random delay predicts the additional phase drop that is present in the frequency response of the [...] Read more.
This paper demonstrates that in the Phase-Shifted Full-Bridge (PSFB) buck-derived converter, there is a random delay associated with the blanking time produced by the leakage inductance. This random delay predicts the additional phase drop that is present in the frequency response of the open-loop audio-susceptibility transfer function when the converter shows a significant blanking time. The existing models of the PSFB converter do not contemplate the delay and gain differences associated to voltage drop produced in the leakage inductor of the transformer. The small-signal model proposed in this paper is based on the combination of two types of analysis: the first analysis consists of obtaining a small-signal model using the average modeling technique and the second analysis consists of studying the natural response of the power converter. The dynamic modeling of the Phase-Shifted Full-Bridge converter, including the random delay, has been validated by simulations and experimental test. Full article
Show Figures

Figure 1

15 pages, 785 KB  
Review
Applications of Hyaluronic Acid in Ophthalmology and Contact Lenses
by Wan-Hsin Chang, Pei-Yi Liu, Min-Hsuan Lin, Chien-Ju Lu, Hsuan-Yi Chou, Chih-Yu Nian, Yuan-Ting Jiang and Yuan-Hao Howard Hsu
Molecules 2021, 26(9), 2485; https://doi.org/10.3390/molecules26092485 - 24 Apr 2021
Cited by 100 | Viewed by 15056
Abstract
Hyaluronic acid (HA) is a glycosaminoglycan that was first isolated and identified from the vitreous body of a bull’s eye. HA is ubiquitous in the soft connective tissues of animals and therefore has high tissue compatibility for use in medication. Because of HA’s [...] Read more.
Hyaluronic acid (HA) is a glycosaminoglycan that was first isolated and identified from the vitreous body of a bull’s eye. HA is ubiquitous in the soft connective tissues of animals and therefore has high tissue compatibility for use in medication. Because of HA’s biological safety and water retention properties, it has many ophthalmology-related applications, such as in intravitreal injection, dry eye treatment, and contact lenses. Due to its broad range of applications, the identification and quantification of HA is a critical topic. This review article discusses current methods for analyzing HA. Contact lenses have become a widely used medical device, with HA commonly used as an additive to their production material, surface coating, and multipurpose solution. HA molecules on contact lenses retain moisture and increase the wearer’s comfort. HA absorbed by contact lenses can also gradually release to the anterior segment of the eyes to treat dry eye. This review discusses applications of HA in ophthalmology. Full article
(This article belongs to the Special Issue The Application of Hyaluronic Acid in Drug Delivery)
Show Figures

Figure 1

16 pages, 5053 KB  
Article
Current Compensation in Grid-Connected VSCs using Advanced Fuzzy Logic-based Fluffy-Built SVPWM Switching
by Yuvaraja Teekaraman, Ramya Kuppusamy, Hamid Reza Baghaee, Marko Vukobratović, Zoran Balkić and Srete Nikolovski
Energies 2020, 13(5), 1259; https://doi.org/10.3390/en13051259 - 9 Mar 2020
Cited by 9 | Viewed by 2922
Abstract
A main focus in microgrids is the power quality issue. The used renewable sources fluctuate and this fluctuation has to be suppressed by designing a control variable to nullify the circulating current caused by voltage fluctuations and deviations. The switching losses across power [...] Read more.
A main focus in microgrids is the power quality issue. The used renewable sources fluctuate and this fluctuation has to be suppressed by designing a control variable to nullify the circulating current caused by voltage fluctuations and deviations. The switching losses across power electronic switches, harmonics, and circulating current are the issues that we discuss in this article. The proposed intelligent controller is an interface between a voltage-sourced converter and a utility grid that affords default switching patterns with less switching loss, less current harmonic content, and overcurrent protection, and is capable of handling the nonlinearities and uncertainties in the grid system. The interfaced controller needs to be synchronized to a utility grid to ensure that the grid–lattice network can be fine-tuned in order to inject/absorb the prominent complex reactive energy to/from the utility grid so as to maintain the variable power factor at unity, which, in turn, will improve the system’s overall efficiency for all connected nonlinear loads. The intelligent controller for stabilizing a smart grid is developed by implementing a fuzzy-built advance control configuration to achieve a faster dynamic response and a more suitable direct current link performance. The innovation in this study is the design of fuzzy-based space vector pulse width modulation controller that exploits the hysteresis current control and current compensation in a grid-connected voltage source converter. By using the proposed scheme, a current compensation strategy is proposed along with an advanced modulation controller to utilize the DC link voltage of a voltage source converter. To demonstrate the effectiveness of the proposed control scheme, offline digital time-domain simulations were carried out in MATLAB/Simulink, and the simulated results were verified using the experimental setup to prove the effectiveness, authenticity, and accuracy of the proposed method. Full article
Show Figures

Figure 1

15 pages, 5127 KB  
Article
14C-Cobalamin Absorption from Endogenously Labeled Chicken Eggs Assessed in Humans Using Accelerator Mass Spectrometry
by Marjorie G. Garrod, Heidi A. Rossow, Christopher C. Calvert, Joshua W. Miller, Ralph Green, Bruce A. Buchholz and Lindsay H. Allen
Nutrients 2019, 11(9), 2148; https://doi.org/10.3390/nu11092148 - 8 Sep 2019
Cited by 11 | Viewed by 4934
Abstract
Traditionally, the bioavailability of vitamin B-12 (B12) from in vivo labeled foods was determined by labeling the vitamin with radiocobalt (57Co, 58Co or 60Co). This required use of penetrating radioactivity and sometimes used higher doses of B12 than the [...] Read more.
Traditionally, the bioavailability of vitamin B-12 (B12) from in vivo labeled foods was determined by labeling the vitamin with radiocobalt (57Co, 58Co or 60Co). This required use of penetrating radioactivity and sometimes used higher doses of B12 than the physiological limit of B12 absorption. The aim of this study was to determine the bioavailability and absorbed B12 from chicken eggs endogenously labeled with 14C-B12 using accelerator mass spectrometry (AMS). 14C-B12 was injected intramuscularly into hens to produce eggs enriched in vivo with the 14C labeled vitamin. The eggs, which provided 1.4 to 2.6 μg of B12 (~1.1 kBq) per serving, were scrambled, cooked and fed to 10 human volunteers. Baseline and post-ingestion blood, urine and stool samples were collected over a one-week period and assessed for 14C-B12 content using AMS. Bioavailability ranged from 13.2 to 57.7% (mean 30.2 ± 16.4%). Difference among subjects was explained by dose of B12, with percent bioavailability from 2.6 μg only half that from 1.4 μg. The total amount of B12 absorbed was limited to 0.5–0.8 μg (mean 0.55 ± 0.19 μg B12) and was relatively unaffected by the amount consumed. The use of 14C-B12 offers the only currently available method for quantifying B12 absorption in humans, including food cobalamin absorption. An egg is confirmed as a good source of B12, supplying approximately 20% of the average adult daily requirement (RDA for adults = 2.4 μg/day). Full article
Show Figures

Figure 1

Back to TopTop