Small-Signal Modeling of Phase-Shifted Full-Bridge Converter Considering the Delay Associated to the Leakage Inductance
Abstract
:1. Introduction
- -
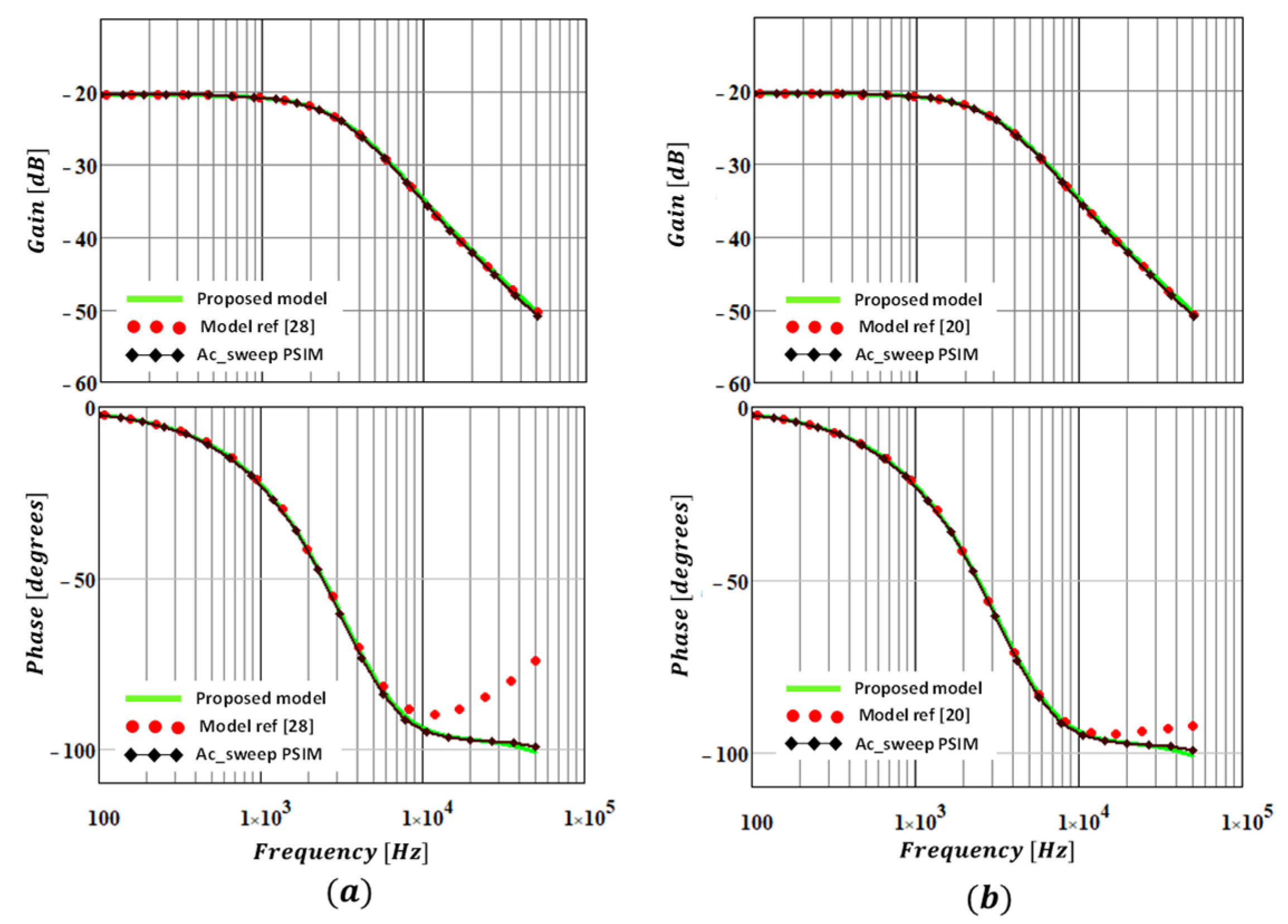
- The model predicts more accurately the gain of the transfer function because the additional switching stage due to the leakage inductance is taken into account. This is especially important when the leakage inductance (referred to the secondary side of the transformer) is comparable to the output filter inductance.
- -
- Additionally, this new model is capable of predicting the additional phase drop that is generated in the frequency response of the open-loop audio-susceptibility transfer function when the blanking time is significant.
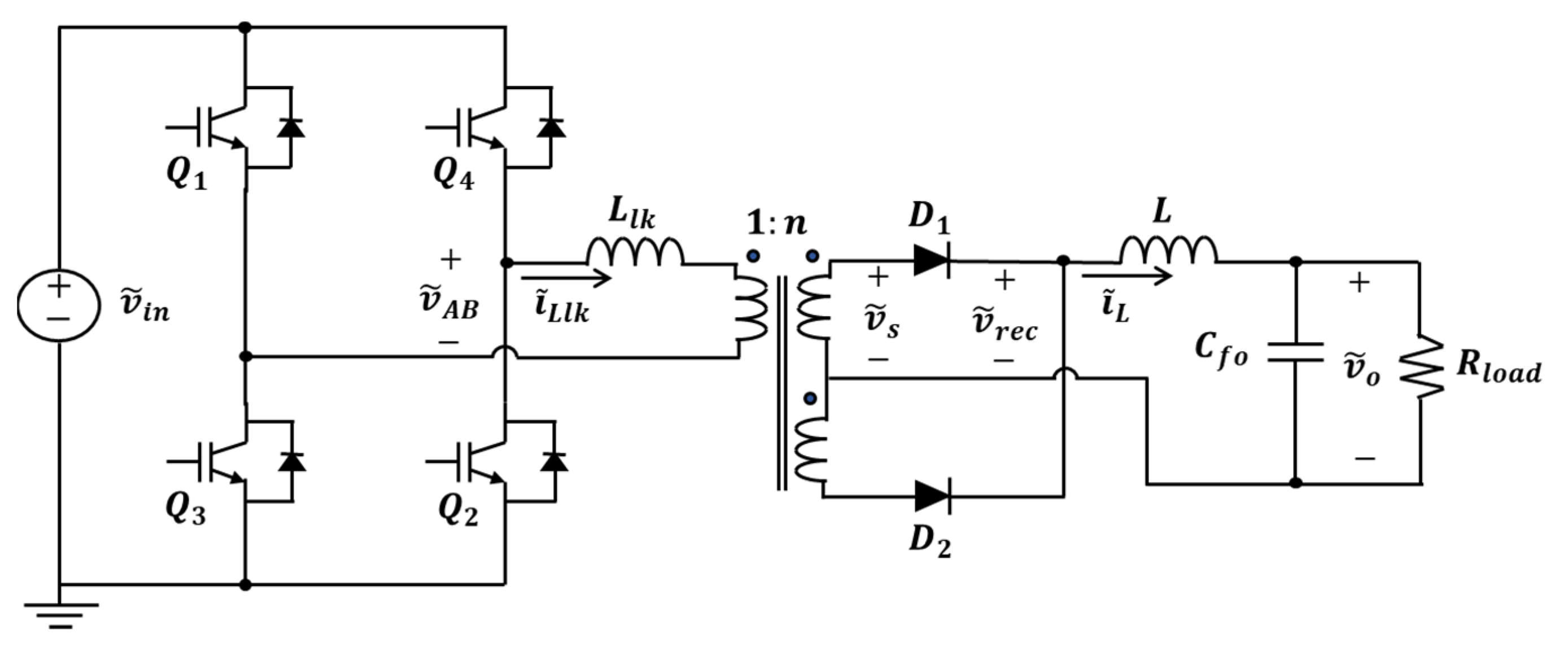
2. Small-Signal Model Based on the Average Modeling Technique
3. Natural Response of a PSFB Converter
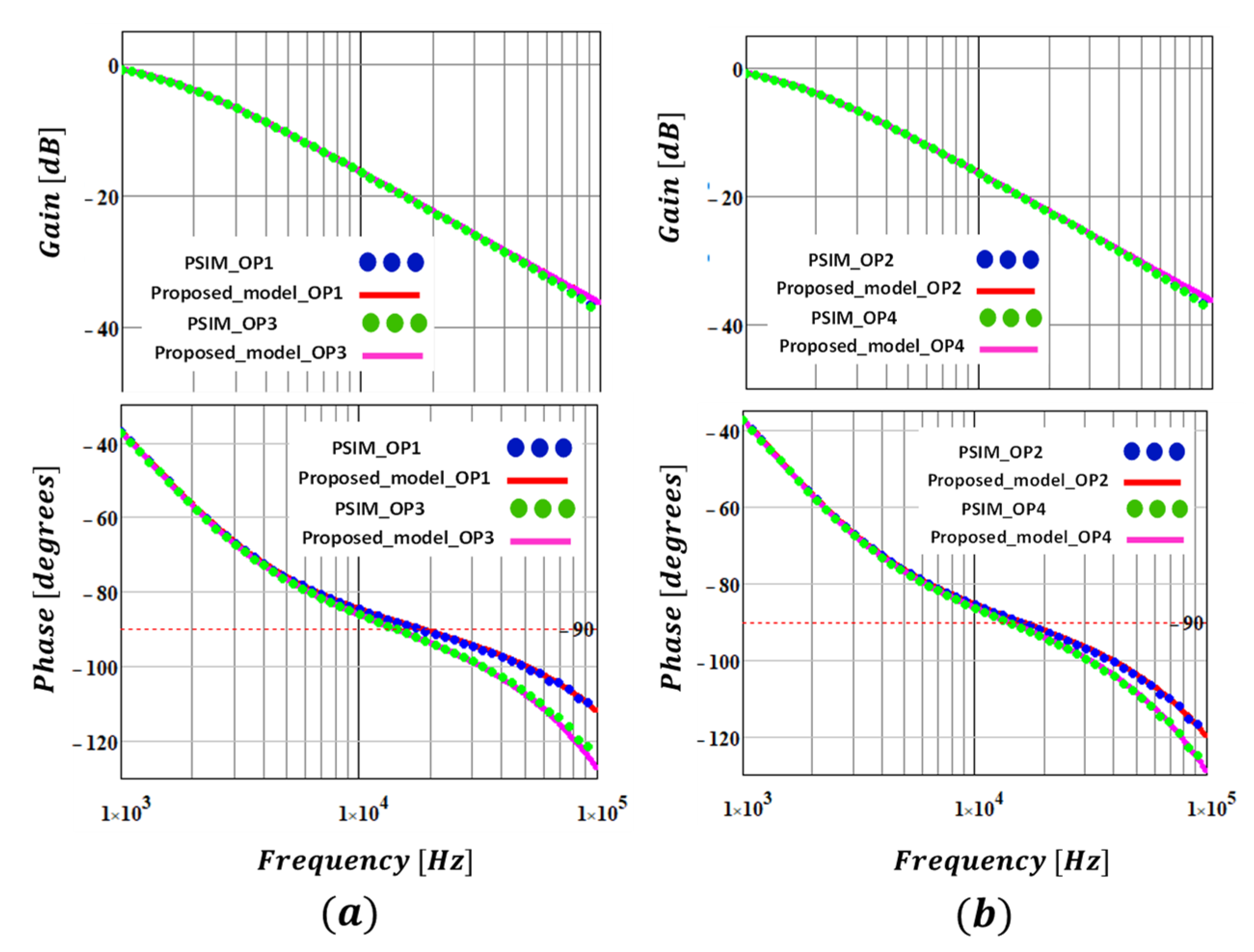
4. Validation of the Small-Signal Model of the PSFB Converter by Simulation
5. Experimental Validation of the Small-Signal Model of the PSFB Converter
5.1. Control to Output Voltage Transfer Function
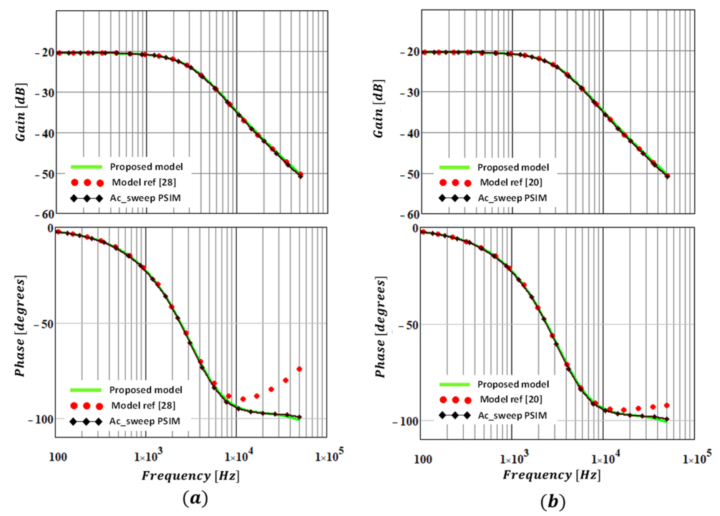
5.2. Open-Loop Audio-Susceptibility Transfer Function
5.3. Open-Loop Input Impedance
5.4. Open-Loop Output Impedance
6. Conclusions
Author Contributions
Funding
Institutional Review Board Statement
Informed Consent Statement
Data Availability Statement
Acknowledgments
Conflicts of Interest
Nomenclature
| Injected-absorbed-current method | |
| Modulator transfer function | |
| Audio-susceptibility transfer function | |
| Control to output voltage transfer function | |
| Output impedance transfer function | |
| Input impedance transfer function | |
| Characteristic coefficients of the injected-absorbed-current method | |
| Impedances | |
| Transformer turns ratio (number of turns of the secondary winding divided by number of turns of the primary winding) | |
| Leakage inductance of the transformer | |
| Output filter inductance | |
| Blanking time interval | |
| Random delay | |
| Peak value of the modulator carrier signal | |
| Constant coefficients of the transfer function | |
| Operating point of the currents and voltages | |
| Switched currents and voltages | |
| Averaged and characteristic value of the currents and voltage | |
| Small-signal values of the currents and voltages |
Appendix A
References
- Zhang, R.; Xu, H.; Wang, Y. A Dynamic Priority Factor Loop for Fast Voltage Equalization Applied to High Power Density DC–DC Converter System. IEEE Trans. Power Electron. 2020, 35, 198–207. [Google Scholar] [CrossRef]
- Lin, R.; Chou, H. MPPT photovoltaic wide load-range ZVS phase-shift full-bridge charger with DC-link current regulation. In Proceedings of the 2012 IEEE Industry Applications Society Annual Meeting, Las Vegas, NV, USA, 7–11 October 2012; pp. 1–8. [Google Scholar] [CrossRef]
- Whitaker, B.; Barkley, A.; Cole, Z.; Passore, B.; Martin, D.; McNutt, T.; Lostetter, A.; Lee, J.; Shiozaki, K. A High-Density, High-Efficiency, Isolated On-Board Vehicle Battery Charger Utilizing Silicon Carbide Power Devices. IEEE Trans. Power Electron. 2014, 29, 2606–2617. [Google Scholar] [CrossRef]
- Lim, C.; Jeong, Y.; Moon, G. Phase-Shifted Full-Bridge DC–DC Converter with High Efficiency and High Power Density Using Center-Tapped Clamp Circuit for Battery Charging in Electric Vehicles. IEEE Trans. Power Electron. 2019, 34, 10945–10959. [Google Scholar] [CrossRef]
- Naradhipa, A.M.; Kim, S.; Yang, D.; Choi, S.; Yeo, I.; Lee, Y. Power Density Optimization of 700kHz GaN-based Auxiliary Power Module for Electric Vehicles. IEEE Trans. Power Electron. 2021, 36, 5610–5621. [Google Scholar] [CrossRef]
- Ochoa, D.; Barrado, A.; Lázaro, A.; Vázquez, R.; Sanz, M. Modeling, Control and Analysis of Input-Series-Output-Parallel-Output-Series architecture with Common-Duty-Ratio and Input Filter. In Proceedings of the IEEE 19th Workshop on Control and Modeling for Power Electronics (COMPEL), Padua, Italy, 25–28 June 2018; pp. 25–28. [Google Scholar]
- Kim, C. Optimal Dead-Time Control Scheme for Extended ZVS Range and Burst-Mode Operation of Phase-Shift Full-Bridge (PSFB) Converter at Very Light Load. IEEE Trans. Power Electron. 2019, 34, 10823–10832. [Google Scholar] [CrossRef]
- Kalpana, R.; Kiran, R. Design and development of current source fed full-bridge DC-DC converter for (60V/50A) telecom power supply. In Proceedings of the 2017 International Conference on Technological Advancements in Power and Energy (TAP Energy), Kollam, India, 21–23 December 2017; pp. 1–6. [Google Scholar] [CrossRef]
- Baek, J.; Kim, C.; Lee, J.; Youn, H.; Moon, G. A Simple SR Gate Driving Circuit with Reduced Gate Driving Loss for Phase-Shifted Full-Bridge Converter. IEEE Trans. Power Electron. 2018, 33, 9310–9317. [Google Scholar] [CrossRef]
- Belkamel, H.; Kim, H.; Choi, S. Interleaved Totem-Pole ZVS Converter Operating in CCM for Single-Stage Bidirectional AC–DC Conversion with High-Frequency Isolation. IEEE Trans. Power Electron. 2021, 36, 3486–3495. [Google Scholar] [CrossRef]
- Gao, S.; Wang, Y.; Liu, Y.; Guan, Y.; Xu, D. A Novel DCM Soft-Switched SEPIC-Based High-Frequency Converter with High Step-Up Capacity. IEEE Trans. Power Electron. 2020, 35, 10444–10454. [Google Scholar] [CrossRef]
- Spro, O.C.; Lefranc, P.; Park, S.; Rivas-Davila, J.M.; Peftitsis, D.; Midtgard, O.; Undeland, T. Optimized Design of Multi-MHz Frequency Isolated Auxiliary Power Supply for Gate Drivers in Medium-Voltage Converters. IEEE Trans. Power Electron. 2020, 35, 9494–9509. [Google Scholar] [CrossRef]
- Wang, Y.; Song, Q.; Zhao, B.; Li, J.; Sun, Q.; Liu, W. Quasi-Square-Wave Modulation of Modular Multilevel High-Frequency DC Converter for Medium-Voltage DC Distribution Application. IEEE Trans. Power Electron. 2018, 33, 7480–7495. [Google Scholar] [CrossRef]
- Jang, Y.; Jovanovic, M.M. A New PWM ZVS Full-Bridge Converter. IEEE Trans. Power Electron. 2007, 22, 987–994. [Google Scholar] [CrossRef] [Green Version]
- Sabate, J.; Vlatkovic, V.; Ridley, R.; Lee, F.; Cho, B. Design considerations for high-voltage high-power full-bridge zero-voltage-switched PWM converter. In Proceedings of the IEEE Applied Power Electronics Conference and Exposition (APEC), Los Angeles, CA, USA, 11–16 March 1990; pp. 275–284. [Google Scholar] [CrossRef]
- Wu, X.; Zhang, J.; Xie, X.; Qian, Z. Analysis and optimal design considerations for an improved full bridge ZVS dc-dc converter with high efficiency. IEEE Trans. Power Electron. 2006, 21, 1225–1234. [Google Scholar] [CrossRef]
- Tran, D.; Vu, H.; Yu, S.; Choi, W. A Novel Soft-Switching Full-Bridge Converter with a Combination of a Secondary Switch and a Nondissipative Snubber. IEEE Trans. Power Electron. 2018, 33, 1440–1452. [Google Scholar] [CrossRef]
- Li, W.; Jiang, Q.; Mei, Y.; Li, C.; Deng, Y.; He, X. Modular Multilevel DC/DC Converters with Phase-Shift Control Scheme for High-Voltage DC-Based Systems. IEEE Trans. Power Electron. 2015, 30, 99–107. [Google Scholar] [CrossRef]
- Guo, Z.; Zhu, Y.; Sha, D. Zero-voltage-switching Asymmetrical PWM Full-bridge DC-DC Converter with Reduced Circulating Current. IEEE Trans. Power Electron. 2021, 68, 3840–3853. [Google Scholar] [CrossRef]
- Vlatkovic, V.; Sabate, J.A.; Ridley, R.B.; Lee, F.C.; Cho, B.H. Small-signal analysis of the phase-shifted PWM converter. IEEE Trans. Power Electron. 1992, 7, 128–135. [Google Scholar] [CrossRef]
- Cao, L. Small Signal Modeling for Phase-shifted PWM Converters with A Current Doubler Rectifier. In Proceedings of the 2007 IEEE Power Electronics Specialists Conference, Orlando, FL, USA, 17–21 June 2007; pp. 423–429. [Google Scholar] [CrossRef]
- Kim, T.; Lee, S.; Choi, W. Design and control of the phase shift full bridge converter for the on-board battery charger of the electric forklift. In Proceedings of the 8th International Conference on Power Electronics—ECCE, Jeju, Korea, 30 May–3 June 2011; pp. 2709–2716. [Google Scholar] [CrossRef]
- Capua, G.D.; Shirsavar, S.A.; Hallworth, M.A.; Femia, N. An enhanced model for small-signal analysis of the phase-shifted full-bridge converter. IEEE Trans. Power Electron. 2015, 30, 1567–1576. [Google Scholar] [CrossRef]
- Pai, K.; Li, Z.; Qin, L. Small-signal model and feedback controller design of constant-voltage and constant-current output control for a phase-shifted full-bridge converter. In Proceedings of the 2017 IEEE 3rd International Future Energy Electronics Conference and ECCE Asia (IFEEC 2017—ECCE Asia), Kaohsiung, Taiwan, 3–7 June 2017; pp. 1800–1805. [Google Scholar] [CrossRef]
- Huang, C.; Chiu, H. A PWM Switch Model of Isolated Battery Charger in Constant-Current Mode. IEEE Trans. Ind. Appl. 2019, 55, 2942–2951. [Google Scholar] [CrossRef]
- Ahmed, M.R.; Wei, X.; Li, Y. Enhanced Models for Current-Mode Controllers of the Phase-Shifted Full Bridge Converter with Current Doubler Rectifier. In Proceedings of the 2019 10th International Conference on Power Electronics and ECCE Asia (ICPE 2019—ECCE Asia), Busan, Korea, 27–30 May 2019; pp. 3271–3278. [Google Scholar]
- Vorperian, V. Simplified analysis of PWM converters using model of PWM switch. Continuous conduction mode. IEEE Trans. Aerosp. Electron. Syst. 1990, 26, 490–496. [Google Scholar] [CrossRef]
- Schutten, M.J.; Torrey, D.A. Improved small-signal analysis for the phase-shifted PWM power converter. IEEE Trans. Power Electron. 2003, 18, 659–669. [Google Scholar] [CrossRef]
- Kislovski, A. General small-signal analysis method for switching regulators. In Proceedings of the 4th Annual International PCI Conference, San Francisco, CA, USA, 29–31 March 1982; pp. 1–15. [Google Scholar]
- Kislovski, A.; Redl, R.; Sokal, N.O. Dynamic Analysis of Switching Mode DC/DC Converters; Van Nostrand Reinhold: New York, NY, USA, 2012. [Google Scholar]
- POWERSYM Inc. PSIM User’s Manual 2020a. Available online: https://www.powersimtech.com/wp-content/uploads/2021/01/PSIM-User-Manual.pdf, (accessed on 10 August 2021).
- AVNET. Microzed Getting Started Guide. Available online: https://www.avnet.com/wps/wcm/connect/onesite/0f5bc224-0117-44b3-a3f4-23bb1f7da3c0/MicroZed_GettingStarted_v1_2.pdf?MOD=AJPERES&CACHEID=ROOTWORKSPACE.Z18_NA5A1I41L0ICD0ABNDMDDG0000-0f5bc224-0117-44b3-a3f4-23bb1f7da3c0-nNnX57 (accessed on 5 April 2020).
- XILINX. Zynq-7000 SoC Technical Reference Manual. Available online: https://www.xilinx.com/support/documentation/user_guides/ug585-Zynq-7000-TRM.pdf (accessed on 20 April 2020).






















| Operating Point | ||||
|---|---|---|---|---|
| Output Characteristic Coefficients | ||
|---|---|---|
| Input Characteristic Coefficients | ||
| Common Parameters for the 3 Operating Points | ||
|---|---|---|
| Different Power Levels | ||
Publisher’s Note: MDPI stays neutral with regard to jurisdictional claims in published maps and institutional affiliations. |
© 2021 by the authors. Licensee MDPI, Basel, Switzerland. This article is an open access article distributed under the terms and conditions of the Creative Commons Attribution (CC BY) license (https://creativecommons.org/licenses/by/4.0/).
Share and Cite
Ochoa, D.; Lázaro, A.; Zumel, P.; Sanz, M.; Rodriguez de Frutos, J.; Barrado, A. Small-Signal Modeling of Phase-Shifted Full-Bridge Converter Considering the Delay Associated to the Leakage Inductance. Energies 2021, 14, 7280. https://doi.org/10.3390/en14217280
Ochoa D, Lázaro A, Zumel P, Sanz M, Rodriguez de Frutos J, Barrado A. Small-Signal Modeling of Phase-Shifted Full-Bridge Converter Considering the Delay Associated to the Leakage Inductance. Energies. 2021; 14(21):7280. https://doi.org/10.3390/en14217280
Chicago/Turabian StyleOchoa, Diego, Antonio Lázaro, Pablo Zumel, Marina Sanz, Jorge Rodriguez de Frutos, and Andrés Barrado. 2021. "Small-Signal Modeling of Phase-Shifted Full-Bridge Converter Considering the Delay Associated to the Leakage Inductance" Energies 14, no. 21: 7280. https://doi.org/10.3390/en14217280
APA StyleOchoa, D., Lázaro, A., Zumel, P., Sanz, M., Rodriguez de Frutos, J., & Barrado, A. (2021). Small-Signal Modeling of Phase-Shifted Full-Bridge Converter Considering the Delay Associated to the Leakage Inductance. Energies, 14(21), 7280. https://doi.org/10.3390/en14217280

