Current Compensation in Grid-Connected VSCs using Advanced Fuzzy Logic-based Fluffy-Built SVPWM Switching
Abstract
1. Introduction
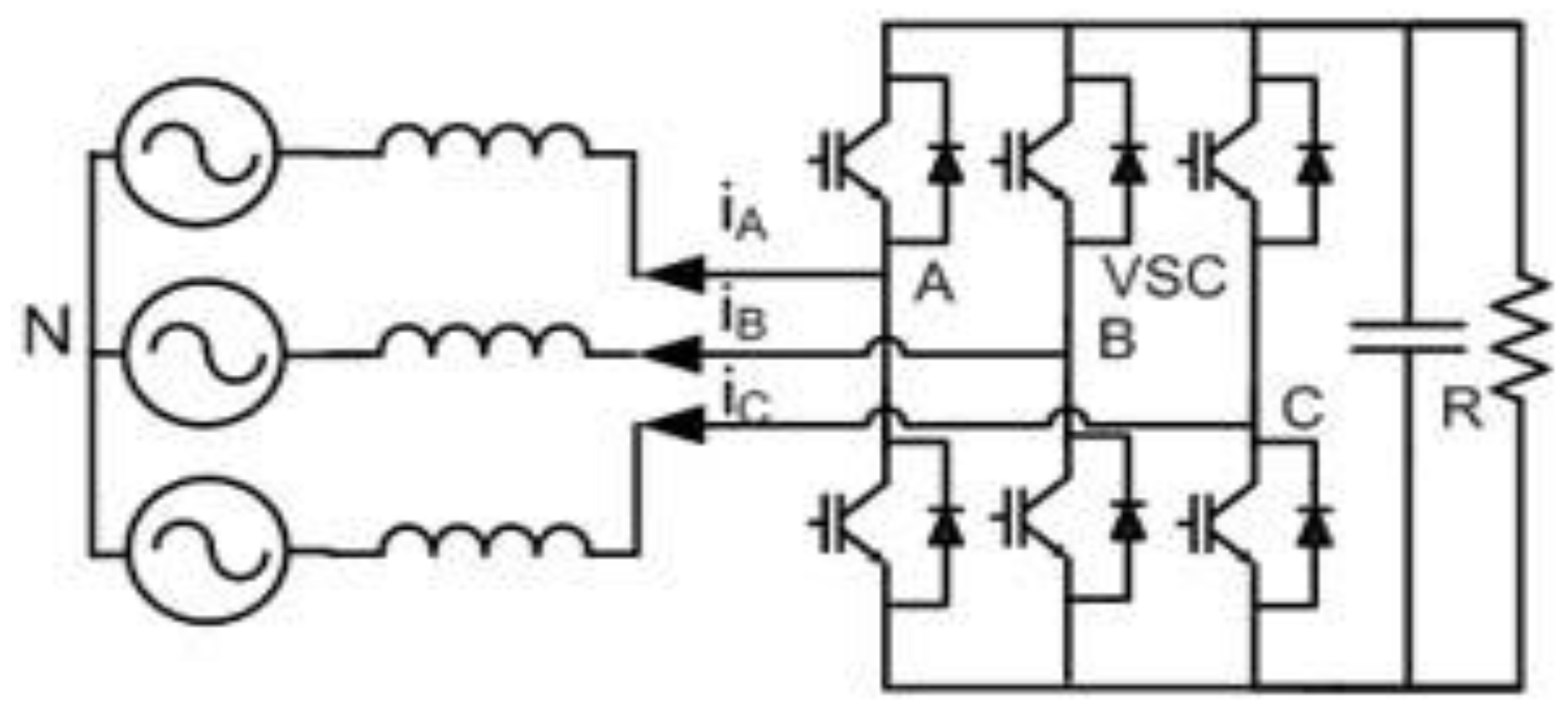
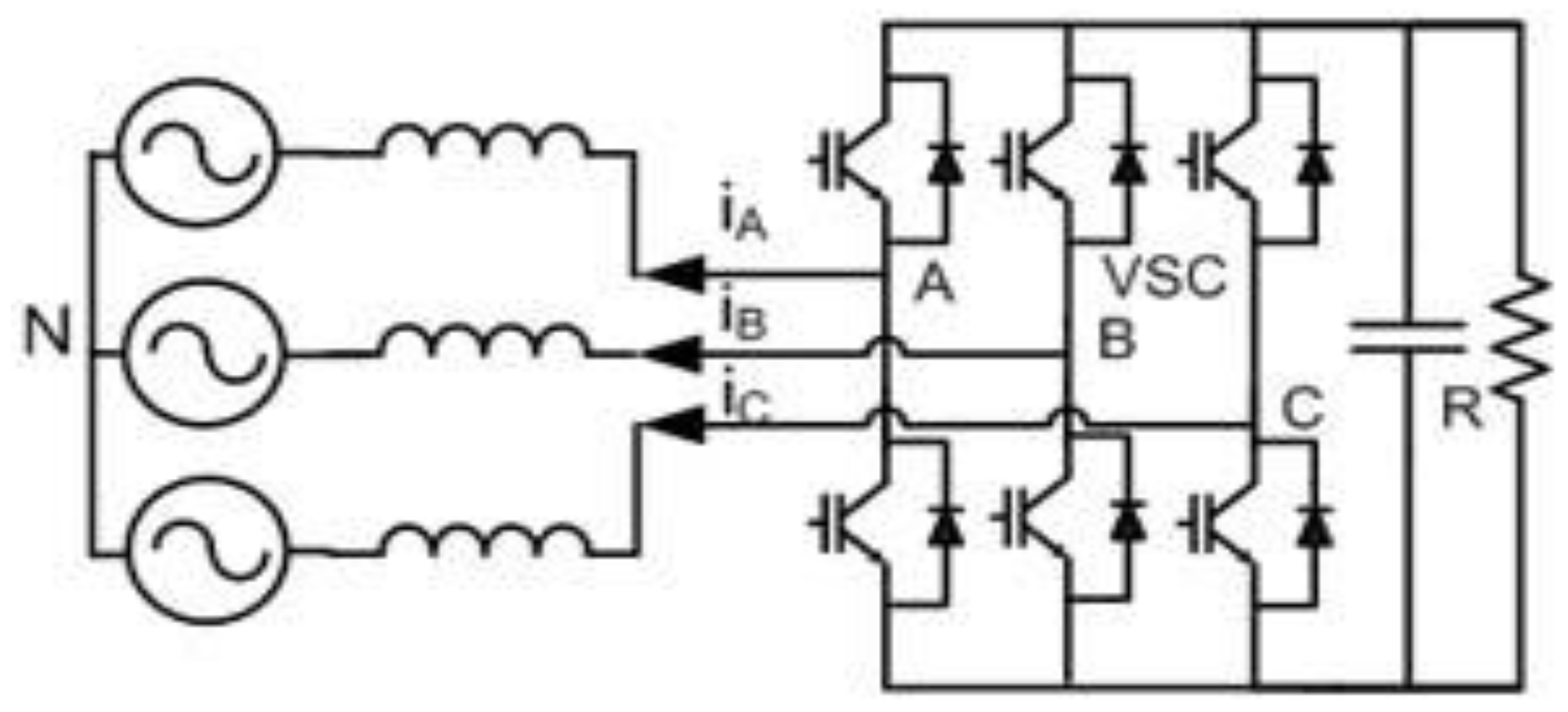
2. Z-Source Voltage Source Converter
3. SVPWM Converter
3.1. Space Vector Representation
3.2. The Calculation of the Duty Cycle in SVPWM
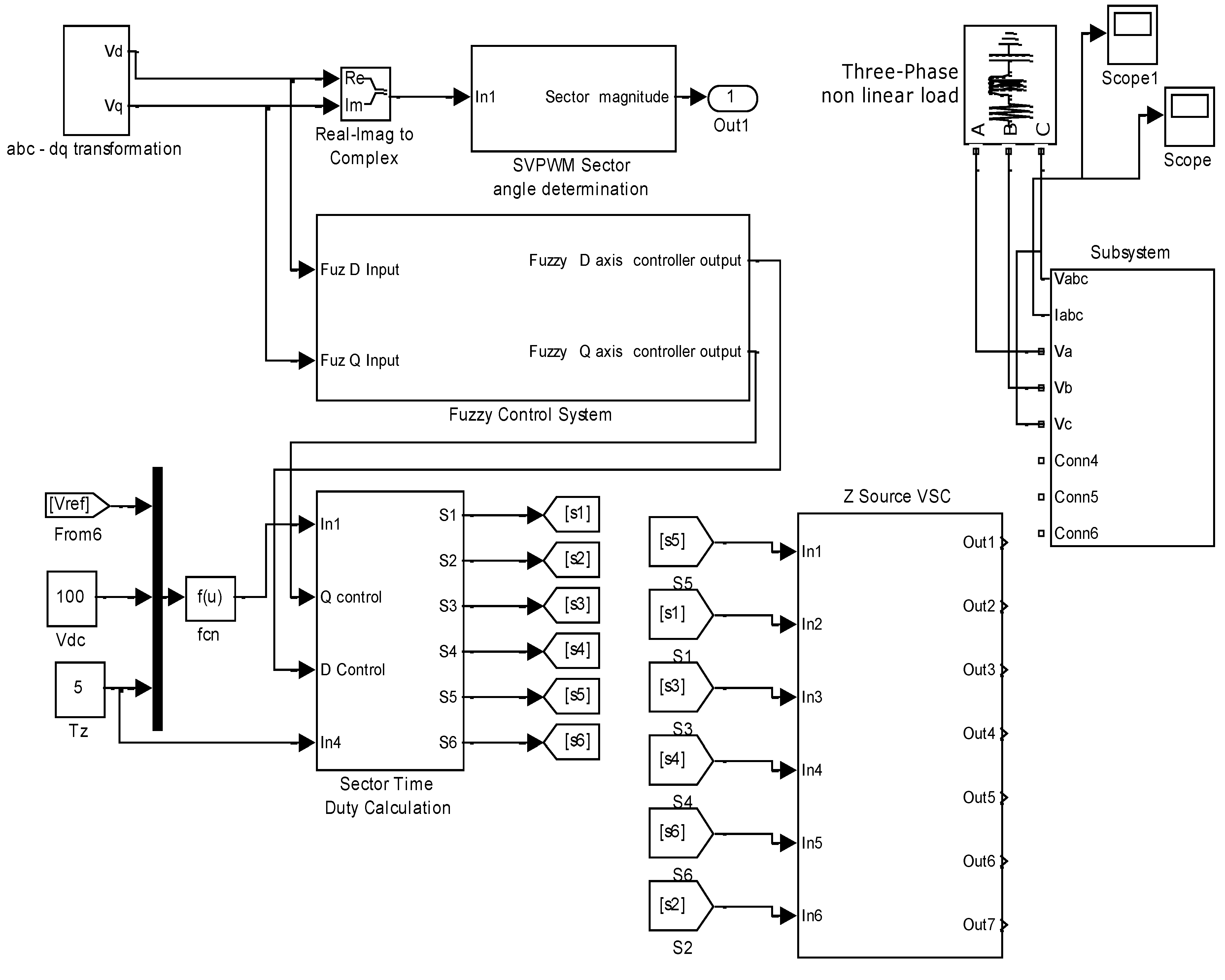
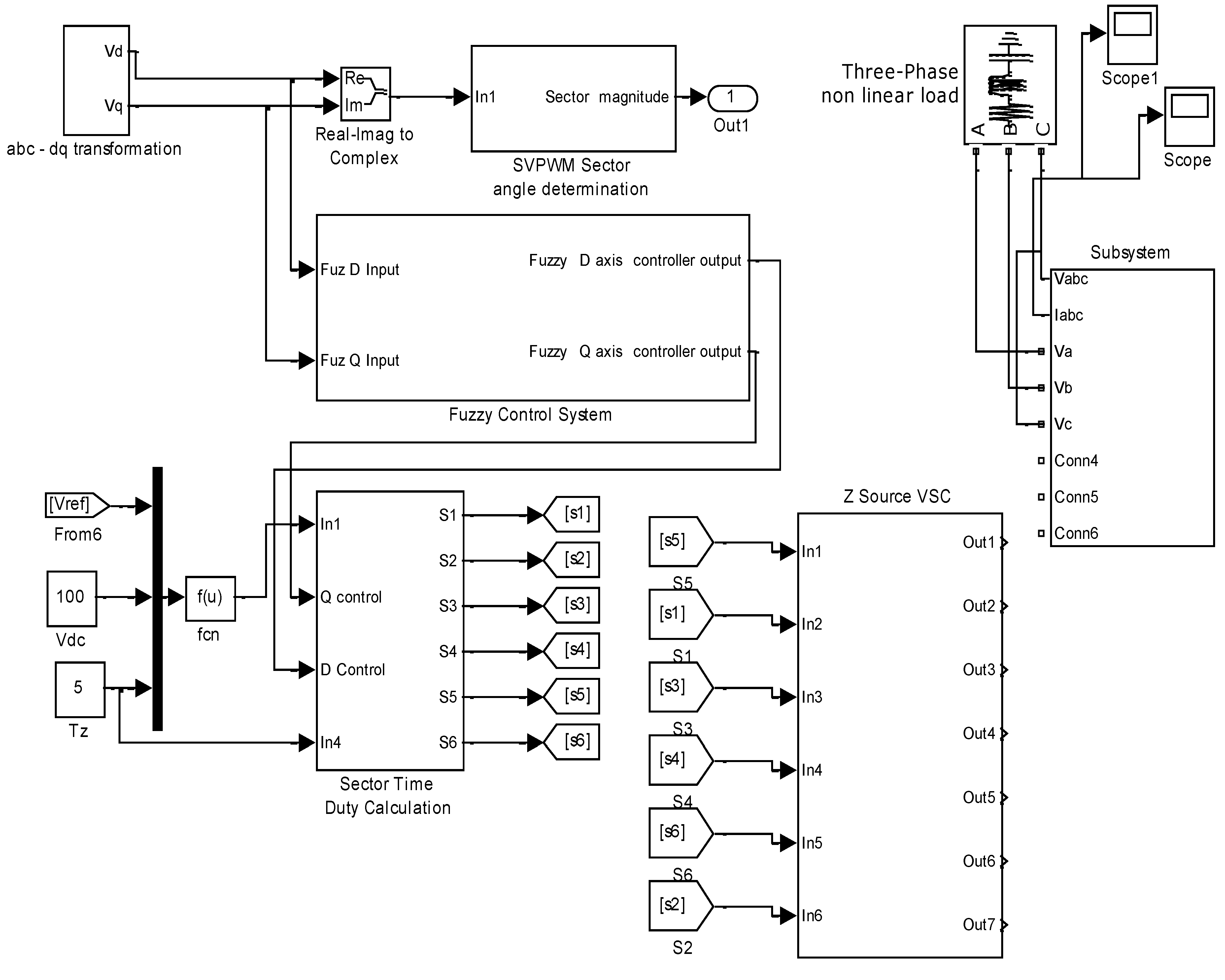
4. SVPWM Fuzzy Controller
5. Fuzzy Controller for Current Error Compensation
6. Simulation Results
THD Analysis
7. Experimental Results
8. Conclusions
Author Contributions
Funding
Conflicts of Interest
References
- Priyadarshi, N.; Padmanaban, S.; Bhaskar, M.S.; Blaabjerg, F.; Sharma, A. Fuzzy SVPWM-based inverter control realisation of grid integrated photovoltaic-wind system with fuzzy particle swarm optimisation maximum power point tracking algorithm for a grid-connected PV/wind power generation system: Hardware implementation. IET Electr. Power Appl. 2018, 12, 962–971. [Google Scholar] [CrossRef]
- Djema, M.A.; Boudour, M.; Agbossou, K.; Cardenas, A.; Doumbia, M.L. Fuzzy Logic Based Reactive Power Management for Autonomous MicroGrid. In Proceedings of the IEEE 27th International Symposium on Industrial Electronics (ISIE), Cairns, Australia, 13–15 June 2018. [Google Scholar]
- Jena, S.; Babu, B.C.; Naik, A.K.; Neeraja, D. Fuzzy Logic Based SVPWM Current Controller for inverter interfaced distributed generation system. In Proceedings of the International Conference on Process Automation Control and Computing, Coimbatore, India, 20–22 July 2011. [Google Scholar]
- Siwakoti, Y.P.; Peng, F.Z.; Blaabjerg, F.; Loh, P.C.; Town, G.E.; Yang, S. Impedance Source Network for Electric Power Conversion—Part II: Review of Control and Modulation Techniques. IEEE Trans. Power Electron. 2015, 30, 1887–1905. [Google Scholar] [CrossRef]
- Yuvaraja, T.; Mani, G. New Gen Algorithm for Detecting Sag and Swell Voltages in Single Phase Inverter System for Micro grid. Automatika 2016, 57, 599–609. [Google Scholar] [CrossRef]
- El-Habrouk, M.; Darwish, M.K.; Mehta, P. Active power filters: A review. IEE Proc. Electr. Power Appl. 2000, 147, 403–413. [Google Scholar] [CrossRef]
- Reyes, M.; Rodriguez, P.; Vazquez, S.; Luna, A.; Teodorescu, R.; Carrasco, J. Enhanced decoupled double synchronous reference frame current controller for unbalanced grid-voltage conditions. IEEE Trans. Power Electron. 2012, 27, 3934–3943. [Google Scholar] [CrossRef]
- Rahmani, S.; Mendalek, N.; Al-Haddad, K. Experimental design of a nonlinear control technique for three-phase shunt active power filter. IEEE Trans. Ind. Electron. 2010, 57, 3364–3375. [Google Scholar] [CrossRef]
- Rao, T.J.M.; Kumar, P.A.; Rao, C.K. Voltage Source converter for the Improvement of Power Quality Using Fuzzy Logic Controller. IJERA Eng. Res. Appl. 2014, 4, 46–50. [Google Scholar]
- Milasi, R.M.; Lynch, A.F.; Li, Y.W. Adaptive Control of a Voltage Source Converter for Power Factor Correction. IEEE Trans. Power Electron. 2013, 28, 4767–4779. [Google Scholar] [CrossRef]
- Lavaei, J.; Tse, D.; Zhang, B. Geometry of Power Flows in Tree Networks. In Proceedings of the IEEE Power and Energy Society General Meeting, San Diego, CA, USA, 22–26 July 2012. [Google Scholar]
- Sortomme, E.; El-Sharkawi, M.A. Optimal power flow for a system of microgrids with controllable loads and battery storage. In Proceedings of the IEEE/PES Power Systems Conference and Exposition, Seattle, WA, USA, 15–18 March 2009; pp. 1–5. [Google Scholar]
- Lu, D.; François, B. Strategic Framework of an Energy Management of a Microgrid with a Photovoltaic-Based Active Generator. In Proceedings of the IEEE Advanced Electromechanical Motion Systems and Electric Drives Joint Symposium, Lille, France, 1–3 July 2009. [Google Scholar]
- Kanchev, H.; Lu, D.; Colas, F.; Lazarov, V.; Francois, B. Energy management and operational planning of a microgrid with a PV-based active generator for smart grid applications. IEEE Trans. Ind. Electron. 2011, 58, 4583–4592. [Google Scholar] [CrossRef]
- Sanseverino, E.R.; Di Silvestre, M.L.; Ippolito, M.G.; de Paola, A.; Lo Re, G. Execution, monitoring and replanning approach for optimal energy management in microgrids. Energy 2011, 36, 3429–3436. [Google Scholar] [CrossRef]
- Di Silvestre, M.L.; Graditi, G.; Ippolito, M.G.; Sanseverino, E.R.; Zizzo, G. Robust Multi-Objective Optimal Dispatch of Distributed Energy Resources in Micro-Grids. In Proceedings of the IEEE Powertech, Trondheim, Norway, 19–23 June 2011; pp. 1–6. [Google Scholar]
- Corso, G.; Di Silvestre, M.L.; Ippolito, M.G.; Sanseverino, E.R.; Zizzo, G. Multi-Objective Long Term Optimal Dispatch of Distributed Energy Resources in Micro-Grids. In Proceedings of the 45th International Universities Power Engineering Conference, Cardiff, UK, 31 August–3 September 2010. [Google Scholar]
- Sanseverino, E.R.; Quang, N.N.; Di Silvestre, M.L.; Guerrero, J.M.; Li, C. Optimal power flow in three-phase islanded microgrids with inverter interfaced units. Electr. Power Syst. Res. 2015, 123, 48–56. [Google Scholar] [CrossRef]
- Kim, B.H.; Baldick, R. Coarse-grained distributed optimal power flow. IEEE Trans. Power Syst. 1997, 12, 932–939. [Google Scholar] [CrossRef]
- Baldick, R.; Kim, B.H.; Chase, C.; Luo, Y. A fast distributed implementation of optimal power flow. IEEE Trans. Power Syst. 1999, 14, 858–864. [Google Scholar] [CrossRef]
- Hug-Glanzmann, G.; Anderson, G. Decentralized optimal power flow control for overlapping areas in power systems. IEEE Trans. Power Syst. 2009, 24, 327–336. [Google Scholar] [CrossRef]
- Bakirtzis, A.; Biskas, P. A decentralized solution to the DC-OPF of interconnected power systems. IEEE Trans. Power Syst. 2003, 18, 1007–1013. [Google Scholar] [CrossRef]
- Biskas, P.; Bakirtzis, A.; Macheras, N.; Pasialis, N. A decentralized implementation of DC optimal power flow on a network of computers. IEEE Trans. Power Syst. 2005, 20, 25–33. [Google Scholar] [CrossRef]
- Tomaso, E. Distributed optimal power flow using ADMM. IEEE Trans. Power Syst. 2014, 29, 2370–2380. [Google Scholar]
- Xu, Y.; Zhang, W.; Liu, W.; Ferrese, F. Multiagent-based reinforcement learning for optimal reactive power dispatch. IEEE Trans. Syst. Man Cybern. C Apps Rev. 2012, 42, 1742–1751. [Google Scholar] [CrossRef]
- Falahati, B.; Kargarian, A.; Fu, Y. Impacts of information and communication failures on optimal power system operation. In Proceedings of the IEEE Innovative Smart Grid Technologies (ISGT), Washington, DC, USA, 24–27 February 2013; pp. 1–6. [Google Scholar]















| S.No | Fuzzy Conditions |
|---|---|
| 1. | If (Current is NB) and (Current Error is NB) then (Compensation_output is V0)(Switching_Seq_O/P is NB). |
| 2. | If (Current is NB) and (Current_Error is NM) then (Compensation_output is V1)(Switching_Seq_O/P is NB). |
| 3. | If (Current is NB) and (Current_Error is NS) then (Compensation_output is V2)(Switching_Seq_O/P is NB). |
| 4. | If (Current is NB) and (Current_Error is Z) then (Compensation_output is V7)(Switching_Seq_O/P is NB). |
| 5. | If (Current is NB) and (Current_Error is PS) then (Compensation_output is V2)(Switching_Seq_O/P is NM). |
| 6. | If (Current is NB) and (Current_Error is PM) then (Compensation_output is V0)(Switching_Seq_O/P is NS). |
| 7. | If (Current is NM) and (Current_Error is NB) then (Compensation_output is V0)(Switching_Seq_O/P is NB). |
| 8. | If (Current is PM) and (Current_Error is Z) then (Switching_Seq_O/P is Z) |
| 9. | If (Current is PM) and (Current_Error is PB) then (Switching_Seq_O/P is PB) |
| Nominal Voltage | 12 V |
|---|---|
| Open Circuit Voltage (Voc) | 22 V |
| Max. Power Volts (Vmp) | 18 V |
| Number of Cells | 36 |
| Power Handling Capacity | 220 W |
| Sl. No. | Harmonic Order | Converter Section Output for the SPWM Controller | Converter Section Output for the SVPWM Controller | Grid Section Output for the SPWM Controller in Islanded Mode | Grid Section Output for the SVPWM Controller in Islanded Mode |
|---|---|---|---|---|---|
| % of Magnitude | % of Magnitude | % of Magnitude | % of Magnitude | ||
| 1 | 1 | 0.8 | 8 × 10−3 | 0.28 | 0.03 |
| 2 | 3 | 0.58 | 4.8 × 10−3 | 0.058 | 0.005 |
| 3 | 5 | 0.2 | 4.8 × 10−3 | 0.154 | 0.015 |
| 4 | 7 | 0.18 | 2 × 10−3 | 0.256 | 0.003 |
| 5 | 11 | 0.1 | 4 × 10−3 | 0.56 | 0.01 |
| 6 | 13 | 0.09 | 2 × 10−3 | 0.11 | 0.004 |
| 7 | 35 | 0.01 | 1 × 10−3 | – | – |
| % of THD | 0.82% | 0.05% | 0.71% | 0.11% | |
| Sl. No | Input Power (KW) | The Grid Section’s Real Power Output with the SPWM Controller in Islanded Mode (KW) | The System’s Efficiency with the SPWM Controller in Islanded Mode (%) | The Grid Section’s Real Power Output with the SVPWM Controller in Islanded Mode (KW) | The System’s Efficiency with the SVPWM Controller in Islanded Mode (%) |
|---|---|---|---|---|---|
| 1 | 0.590 | 0.44 | 74.1% | 0.5 | 85.11% |
| 2 | 1.68 | 1.25 | 74.55% | 1.5 | 89.57% |
| 3 | 2.220 | 1.68 | 75.6% | 2 | 90.1% |
| 4 | 2.486 | 1.89 | 75.91% | 2.25 | 90.5% |
© 2020 by the authors. Licensee MDPI, Basel, Switzerland. This article is an open access article distributed under the terms and conditions of the Creative Commons Attribution (CC BY) license (http://creativecommons.org/licenses/by/4.0/).
Share and Cite
Teekaraman, Y.; Kuppusamy, R.; Baghaee, H.R.; Vukobratović, M.; Balkić, Z.; Nikolovski, S. Current Compensation in Grid-Connected VSCs using Advanced Fuzzy Logic-based Fluffy-Built SVPWM Switching. Energies 2020, 13, 1259. https://doi.org/10.3390/en13051259
Teekaraman Y, Kuppusamy R, Baghaee HR, Vukobratović M, Balkić Z, Nikolovski S. Current Compensation in Grid-Connected VSCs using Advanced Fuzzy Logic-based Fluffy-Built SVPWM Switching. Energies. 2020; 13(5):1259. https://doi.org/10.3390/en13051259
Chicago/Turabian StyleTeekaraman, Yuvaraja, Ramya Kuppusamy, Hamid Reza Baghaee, Marko Vukobratović, Zoran Balkić, and Srete Nikolovski. 2020. "Current Compensation in Grid-Connected VSCs using Advanced Fuzzy Logic-based Fluffy-Built SVPWM Switching" Energies 13, no. 5: 1259. https://doi.org/10.3390/en13051259
APA StyleTeekaraman, Y., Kuppusamy, R., Baghaee, H. R., Vukobratović, M., Balkić, Z., & Nikolovski, S. (2020). Current Compensation in Grid-Connected VSCs using Advanced Fuzzy Logic-based Fluffy-Built SVPWM Switching. Energies, 13(5), 1259. https://doi.org/10.3390/en13051259

