Sign in to use this feature.

Years

Between: -

Subjects

remove_circle_outline
remove_circle_outline
remove_circle_outline
remove_circle_outline
remove_circle_outline
remove_circle_outline
remove_circle_outline
remove_circle_outline
remove_circle_outline

Journals

Article Types

Countries / Regions

remove_circle_outline
remove_circle_outline
remove_circle_outline
remove_circle_outline
remove_circle_outline

Search Results (447)

Search Parameters:
Keywords = freight-transportation modeling

Order results
Result details
Results per page
Select all
Export citation of selected articles as:
18 pages, 3721 KB  
Article
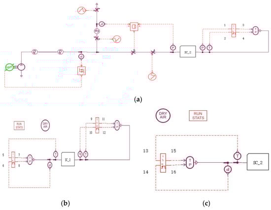
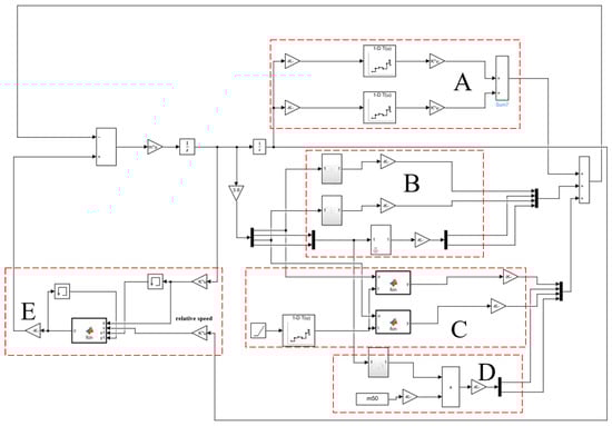
Research on Longitudinal Dynamics of 20,000-Ton Heavy Haul Trains Considering Braking Characteristics
by Bo Zhang, Guoyun Liu, Shun Guo, Zhaorui Chang, Siqi Hu, Xingwen Wu and Wubin Cai
Mathematics 2026, 14(1), 158; https://doi.org/10.3390/math14010158 - 31 Dec 2025
Abstract
With the development of heavy-haul trains towards long formation and large axle load, the longitudinal impulse problem of trains is aggravated not only by improving the transport capacity of railway freight cars, but also by the braking characteristics such as the asymmetry in [...] Read more.
With the development of heavy-haul trains towards long formation and large axle load, the longitudinal impulse problem of trains is aggravated not only by improving the transport capacity of railway freight cars, but also by the braking characteristics such as the asymmetry in brake release, which has a greater impact on the longitudinal impulse of trains, seriously affecting the operation safety of trains. In this paper, a 20,000-ton heavy-haul train is taken as the research object, a train air brake system model is established by the parallel method, and the train longitudinal dynamics model is co-simulated to study the influence of braking characteristics on the longitudinal force of the train. The results indicate that the train is primarily subjected to compressive coupler forces during braking, with the maximum compressive force occurring at car 109. Compared to the maximum compressive coupler force observed under a 50 kPa reduction in brake pipe pressure, the maximum forces under 70 kPa and 100 kPa reductions increased by 16.8% and 36.8%, respectively. The controllable tail system influences the braking of middle and rear cars by supplying a braking source to the last car. When the delay time of the controllable tail system is set to 3 s, braking synchronization can be improved. Furthermore, compared to scenarios without last-car charging, the installation of a last-car charging device reduces the maximum tensile coupler force from 780 kN to 489 kN, representing a 37% decrease. The findings of this study provide theoretical insights for ensuring the safe operation of heavy-haul trains and contribute to enhancing their operational performance. Full article
(This article belongs to the Special Issue Recent Developments in Vehicle System Dynamics)
Show Figures

Figure 1

15 pages, 1164 KB  
Article
Predictive Modeling of Crash Frequency on Mountainous Highways: A Mixed-Effects Approach Applied to a Brazilian Road
by Fernando Lima de Carvalho, Ana Paula Camargo Larocca and Orlando Yesid Esparza Albarracin
Sustainability 2026, 18(1), 395; https://doi.org/10.3390/su18010395 - 31 Dec 2025
Abstract
This study investigates the influence of roadway geometry and environmental conditions on traffic crash frequency along a 57 km mountainous segment of the BR-116/SP (Régis Bittencourt Highway), one of Brazil’s most critical freight and passenger corridors. A Generalized Linear Mixed Model (GLMM) with [...] Read more.
This study investigates the influence of roadway geometry and environmental conditions on traffic crash frequency along a 57 km mountainous segment of the BR-116/SP (Régis Bittencourt Highway), one of Brazil’s most critical freight and passenger corridors. A Generalized Linear Mixed Model (GLMM) with a Negative Binomial distribution was developed using monthly data aggregated by highway segment. Explanatory variables included traffic exposure, geometric design characteristics, and meteorological factors. The results revealed that horizontal curvature and longitudinal grade are key determinants of crash occurrence and that the interaction between these factors substantially amplifies crash risk. Specifically, segments with combined tight curvature (radius < 500 m) and moderate-to-steep grades showed up to a 4.3-fold increase in expected crash frequency compared with straight or flat sections. The model achieved satisfactory fit (RMSE = 1.273) and provided a robust framework for identifying high-risk locations. The findings highlight the importance of geometric consistency and integrated safety management strategies, contributing to sustainable transport management and offering methodological and practical contributions to data-driven road safety policies in Brazil. Full article
Show Figures

Figure 1

27 pages, 2031 KB  
Article
Sustainable Urban Freight Optimization for Isobenefit Cities: Integrating Neural Networks and Graph Theory
by Tarak Barhoumi, Sami Jarboui and Younes Boujelbene
Urban Sci. 2026, 10(1), 10; https://doi.org/10.3390/urbansci10010010 - 26 Dec 2025
Viewed by 82
Abstract
Urban logistics serves as a cornerstone for efficient freight transport and sustainable city development, particularly in contexts challenged by congestion and environmental pressures. This research examines the restructuring of the urban logistics system in Sfax, Tunisia—an expanding industrial and economic center increasingly burdened [...] Read more.
Urban logistics serves as a cornerstone for efficient freight transport and sustainable city development, particularly in contexts challenged by congestion and environmental pressures. This research examines the restructuring of the urban logistics system in Sfax, Tunisia—an expanding industrial and economic center increasingly burdened by traffic congestion. Through a comprehensive analytical framework, the study identifies the primary determinants influencing freight transport operations and develops a phased policy roadmap to enhance logistical efficiency. Neural Network Modeling is employed to evaluate the effects of multiple transport-related variables on logistics performance, while Graph Theory is utilized to represent spatial and functional interconnections, facilitating the visualization of freight flows and supporting evidence-based decision-making. The results emphasize the crucial role of managing truck circulation within Sfax’s urban core. Accordingly, a three-phase reorganization plan is proposed to optimize freight mobility, alleviate congestion, and advance sustainable urban growth. The methodological approach and policy insights offer practical guidance applicable to other metropolitan areas facing similar logistical challenges. Full article
(This article belongs to the Topic Spatial Decision Support Systems for Urban Sustainability)
Show Figures

Figure 1

27 pages, 989 KB  
Article
Developing Data-Driven, Sustainable Construction Material Transportation Logistics
by John Tookey and Kamal Dhawan
Sustainability 2026, 18(1), 263; https://doi.org/10.3390/su18010263 - 26 Dec 2025
Viewed by 284
Abstract
Construction logistics is central to optimising site operations and delivery processes, yet the need to meet dynamic site requirements while minimising transport movements presents a persistent challenge. Transport efficiency can be improved through both strategic and operational interventions at the business-unit level. This [...] Read more.
Construction logistics is central to optimising site operations and delivery processes, yet the need to meet dynamic site requirements while minimising transport movements presents a persistent challenge. Transport efficiency can be improved through both strategic and operational interventions at the business-unit level. This study examines transport-related distribution practices within the plasterboard supply chain in Auckland, New Zealand, and evaluates opportunities to enhance efficiency using established performance metrics. By integrating supply chain management and circular economy principles through spatial analysis and supply chain modelling, the research demonstrates the potential to achieve up to a three-fold improvement in vehicle capacity utilisation. The operational analysis—focused on general-purpose (non-specialist) transport—is grounded in real-world transport data that extends beyond conventional trip-centricity to capture a broader supply chain perspective. This approach addresses a key methodological gap by empirically validating analytical models in a specific operational context. In addition to quantifying efficiency gains, the study identifies context-specific inefficiencies that constrain construction transport performance and proposes sustainable solutions that extend beyond technological fixes. These include strategic organisational measures for improving fleet management, transport contracting and pricing, collaborative planning across supply chain actors, waste management practices, and collaborative logistics through integrated warehousing. By linking technical analysis with business-oriented insights, the research provides proof-of-concept for practical, scalable strategies for improved construction logistics and wider freight transport efficiency grounded in empirical evidence. Full article
Show Figures

Figure 1

26 pages, 9714 KB  
Article
Medium-to-Long-Term Electricity Load Forecasting for Newly Constructed Canals Based on Navigation Traffic Volume Cascade Mapping
by Jing Fu, Li Gong, Xiang Li, Biyun Chen, Min Lai and Ni Wang
Sustainability 2026, 18(1), 109; https://doi.org/10.3390/su18010109 - 22 Dec 2025
Viewed by 154
Abstract
Addressing the data scarcity and complex consumption characteristics in mid-to-long-term electricity load forecasting for new canals, this study proposes a novel model based on navigation traffic volume cascade mapping. A multidimensional feature matrix integrating economic indicators, meteorological factors, and facility constraints is established, [...] Read more.
Addressing the data scarcity and complex consumption characteristics in mid-to-long-term electricity load forecasting for new canals, this study proposes a novel model based on navigation traffic volume cascade mapping. A multidimensional feature matrix integrating economic indicators, meteorological factors, and facility constraints is established, with canal similarity quantified via integrated constraint optimization weighting to derive multisource fusion weights. These enable freight volume prediction through feature migration using comprehensive transportation sharing. The “freight volume–lockage volume–electricity consumption” cascade then applies tonnage-based mapping to capture vessel evolution trends, generating lockage volume forecasts. Core consumption components are predicted through a mechanistic-data hybrid model for ship lock operations and a three-layer “Node–Behavior–Energy” framework for shore power system characterization, integrated with auxiliary consumption to produce the operational mid-to-long-term load forecast. Case analysis of the Pinglu Canal (2027–2050) reveals an overall “rapid-growth-then-stabilization” electricity consumption trend, where shore power’s proportion surges from 24.1% (2027) to 67.8% (2050)—confirming its decarbonization centrality—while lock system consumption declines from 28.6% to 17.2% reflecting efficiency gains from vessel upsizing and strict adherence to navigation intensity constraints.The model provides foundations for green canal energy deployment, proving essential for establishing eco-friendly waterborne logistics. Full article
Show Figures

Figure 1

20 pages, 3229 KB  
Article
Robust Low-Carbon Multimodal Transport Route Optimization for Containers Under Dual Uncertainty: A Proximal Policy Optimization Approach
by Rui Zhang, Cuilian Dai and Yunpeng Li
Electronics 2026, 15(1), 5; https://doi.org/10.3390/electronics15010005 - 19 Dec 2025
Viewed by 197
Abstract
Container multimodal transport faces many uncertainties in practice. To improve operational efficiency and reduce carbon emissions in freight transport, this study develops a multi-objective optimization model for container multimodal routes that incorporates demand and time uncertainties as well as carbon emissions. The proximal [...] Read more.
Container multimodal transport faces many uncertainties in practice. To improve operational efficiency and reduce carbon emissions in freight transport, this study develops a multi-objective optimization model for container multimodal routes that incorporates demand and time uncertainties as well as carbon emissions. The proximal policy optimization (PPO) algorithm identifies robust transport paths facing uncertainty and assesses the model’s sensitivity to price fluctuations and carbon tax rates. Empirical results for the Chongqing–Singapore container route demonstrate the strong applicability of the PPO algorithm. Compared with traditional routing methods, the algorithm yields a lower late-arrival rate and delivers clear advantages in risk avoidance and cost control, thereby effectively reducing carbon emissions in line with carbon-reduction policies and offering practical guidance for logistics firms. The model operates under the assumptions of indivisible cargo and single-visit constraints at nodes, which impose certain limitations. In addition, the current model requires substantial computational resources, which may limit its applicability for smaller companies. With continued optimization, however, the approach advances the industry toward data-driven, intelligent decision-making. Full article
(This article belongs to the Special Issue Advancements in Autonomous Agents and Multi-Agent Systems)
Show Figures

Figure 1

32 pages, 6078 KB  
Article
Optimization of Metro-Based Underground Logistics Network Based on Bi-Level Programming Model: A Case Study of Beijing
by Han Zhang, Yongbo Lv, Feng Jiang and Yanhui Wang
Sustainability 2026, 18(1), 7; https://doi.org/10.3390/su18010007 - 19 Dec 2025
Viewed by 232
Abstract
Characterized by zero-carbon, congestion-free, and high-capacity features, the utilization of metro systems for collaborative passenger-and-freight transport (the metro-based underground logistics system, M-ULS) has been recognized as a favorable alternative to facilitate automated freight transport in future megacities. This article constructs a three-echelon M-ULS [...] Read more.
Characterized by zero-carbon, congestion-free, and high-capacity features, the utilization of metro systems for collaborative passenger-and-freight transport (the metro-based underground logistics system, M-ULS) has been recognized as a favorable alternative to facilitate automated freight transport in future megacities. This article constructs a three-echelon M-ULS network and establishes a multi-objective bilevel programming model, considering the interests of both government investment departments and transport enterprises. The overall goal of the study is to establish a transportation network with the lowest construction cost, lowest operating cost, and highest facility utilization rate, taking into account factors such as population density, transportation conditions, land resources, logistics demand, and metro station location, under given cost parameters and demand conditions. The upper-level model takes government investment as the main body and aims to minimize the total cost, establishing an optimization model for location selection allocation paths with capacity constraints; the lower-level model aims to minimize the generalized cost for freight enterprises by simulating the competition between traditional transportation and the M-ULS mode. In addition, a bi-level programming model solving framework was established, and a multi-stage precise heuristic hybrid algorithm based on adaptive immune clone selection algorithm (AICSA) and improved plant growth simulation algorithm (IPGSA) is designed for the upper-level model. Finally, taking the central urban area of Beijing as an example, four network scales are set up for numerical simulation research to verify the reliability and superiority of the model and algorithm. By analyzing and setting key indicators, an optimal network configuration scheme is proposed, providing a feasible path for cities to improve logistics efficiency and reduce the impact of logistics externalities under limited land resources, further strengthening the strategic role of subway logistics systems in urban sustainable development. Full article
Show Figures

Figure 1

33 pages, 2339 KB  
Article
Transitioning to Hydrogen Trucks in Small Economies: Policy, Infrastructure, and Innovation Dynamics
by Aleksandrs Kotlars, Justina Hudenko, Inguna Jurgelane-Kaldava, Jelena Stankevičienė, Maris Gailis, Igors Kukjans and Agnese Batenko
Sustainability 2025, 17(24), 11272; https://doi.org/10.3390/su172411272 - 16 Dec 2025
Viewed by 185
Abstract
Decarbonizing heavy-duty freight transport is essential for achieving climate neutrality targets. Although internal combustion engine (ICE) trucks currently dominate logistics, they contribute substantially to greenhouse gas emissions. Zero-emission alternatives, such as battery electric vehicles (BEVs) and hydrogen fuel cell vehicles (H2), provide different [...] Read more.
Decarbonizing heavy-duty freight transport is essential for achieving climate neutrality targets. Although internal combustion engine (ICE) trucks currently dominate logistics, they contribute substantially to greenhouse gas emissions. Zero-emission alternatives, such as battery electric vehicles (BEVs) and hydrogen fuel cell vehicles (H2), provide different decarbonization pathways; however, their relative roles remain contested, particularly in small economies. While BEVs benefit from technological maturity and declining costs, hydrogen offers advantages for high-payload, long-haul operations, especially within energy-intensive cold supply chains. The aim of this paper is to examine the gradual transition from ICE trucks to hydrogen-powered vehicles with a specific focus on cold-chain logistics, where reliability and energy intensity are critical. The hypothesis is that applying a system dynamics forecasting approach, incorporating investment costs, infrastructure coverage, government support, and technological progress, can more effectively guide transition planning than traditional linear methods. To address this, the study develops a system dynamics economic model tailored to the structural characteristics of a small economy, using a European case context. Small markets face distinct constraints: limited fleet sizes reduce economies of scale, infrastructure deployment is disproportionately costly, and fiscal capacity to support subsidies is restricted. These conditions increase the risk of technology lock-in and emphasize the need for coordinated, adaptive policy design. The model integrates acquisition and maintenance costs, fuel consumption, infrastructure rollout, subsidy schemes, industrial hydrogen demand, and technology learning rates. It incorporates subsystems for fleet renewal, hydrogen refueling network expansion, operating costs, industrial demand linkages, and attractiveness functions weighted by operator decision preferences. Reinforcing and balancing feedback loops capture the dynamic interactions between fleet adoption and infrastructure availability. Inputs combine fixed baseline parameters with variable policy levers such as subsidies, elasticity values, and hydrogen cost reduction rates. Results indicate that BEVs are structurally more favorable in small economies due to lower entry costs and simpler infrastructure requirements. Hydrogen adoption becomes viable only under scenarios with strong, sustained subsidies, accelerated station deployment, and sufficient cross-sectoral demand. Under favorable conditions, hydrogen can approach cost and attractiveness parity with BEVs. Overall, market forces alone are insufficient to ensure a balanced zero-emission transition in small markets; proactive and continuous government intervention is required for hydrogen to complement rather than remain secondary to BEV uptake. The novelty of this study lies in the development of a system dynamics model specifically designed for small-economy conditions, integrating industrial hydrogen demand, policy elasticity, and infrastructure coverage limitations, factors largely absent from the existing literature. Unlike models focused on large markets or single-sector applications, this approach captures cross-sector synergies, small-scale cost dynamics, and subsidy-driven points, offering a more realistic framework for hydrogen truck deployment in small-country environments. The model highlights key leverage points for policymakers and provides a transferable tool for guiding freight decarbonization strategies in comparable small-market contexts. Full article
Show Figures

Figure 1

23 pages, 3223 KB  
Article
Comprehensive Well-to-Wheel Life Cycle Assessment of Battery Electric Heavy-Duty Trucks Using Real-World Data: A Case Study in Southern California
by Miroslav Penchev, Kent C. Johnson, Arun S. K. Raju and Tahir Cetin Akinci
Vehicles 2025, 7(4), 162; https://doi.org/10.3390/vehicles7040162 - 16 Dec 2025
Viewed by 342
Abstract
This study presents a well-to-wheel life-cycle assessment (WTW-LCA) comparing battery-electric heavy-duty trucks (BEVs) with conventional diesel trucks, utilizing real-world fleet data from Southern California’s Volvo LIGHTS project. Class 7 and Class 8 vehicles were analyzed under ISO 14040/14044 standards, combining measured diesel emissions [...] Read more.
This study presents a well-to-wheel life-cycle assessment (WTW-LCA) comparing battery-electric heavy-duty trucks (BEVs) with conventional diesel trucks, utilizing real-world fleet data from Southern California’s Volvo LIGHTS project. Class 7 and Class 8 vehicles were analyzed under ISO 14040/14044 standards, combining measured diesel emissions from portable emissions measurement systems (PEMSs) with BEV energy use derived from telematics and charging records. Upstream (“well-to-tank”) emissions were estimated using USLCI datasets and the 2020 Southern California Edison (SCE) power mix, with an additional scenario for BEVs powered by on-site solar energy. The analysis combines measured real-world energy consumption data from deployed battery electric trucks with on-road emission measurements from conventional diesel trucks collected by the UCR team. Environmental impacts were characterized using TRACI 2.1 across climate, air quality, toxicity, and fossil fuel depletion impact categories. The results show that BEVs reduce total WTW CO2-equivalent emissions by approximately 75% compared to diesel. At the same time, criteria pollutants (NOx, VOCs, SOx, PM2.5) decline sharply, reflecting the shift in impacts from vehicle exhaust to upstream electricity generation. Comparative analyses indicate BEV impacts range between 8% and 26% of diesel levels across most environmental indicators, with near-zero ozone-depletion effects. The main residual hotspot appears in the human-health cancer category (~35–38%), linked to upstream energy and materials, highlighting the continued need for grid decarbonization. The analysis focuses on operational WTW impacts, excluding vehicle manufacturing, battery production, and end-of-life phases. This use-phase emphasis provides a conservative yet practical basis for short-term fleet transition strategies. By integrating empirical performance data with life-cycle modeling, the study offers actionable insights to guide electrification policies and optimize upstream interventions for sustainable freight transport. These findings provide a quantitative decision-support basis for fleet operators and regulators planning near-term heavy-duty truck electrification in regions with similar grid mixes, and can serve as an empirical building block for future cradle-to-grave and dynamic LCA studies that extend beyond the operational well-to-wheels scope adopted here. Full article
Show Figures

Figure 1

28 pages, 4465 KB  
Article
Analysis and Prediction of Factors Influencing Fatigue Driving in Freight Vehicles Based on Causal Analysis and GBDT Model
by Yi Li, Zhitian Wang and Ying Yang
Sustainability 2025, 17(23), 10687; https://doi.org/10.3390/su172310687 - 28 Nov 2025
Viewed by 295
Abstract
Fatigue driving of freight vehicles is a major threat to transport safety, often causing heavy casualties and property losses. However, existing studies only focus on superficial correlations between fatigue driving and influencing factors, failing to reveal intrinsic causal mechanisms, which limits practical guidance [...] Read more.
Fatigue driving of freight vehicles is a major threat to transport safety, often causing heavy casualties and property losses. However, existing studies only focus on superficial correlations between fatigue driving and influencing factors, failing to reveal intrinsic causal mechanisms, which limits practical guidance for prevention. To address this gap, this study, focusing on safety performance analysis in intelligent transportation systems and machine learning applications for sustainable transport management, uses monitoring data of “two types of passenger vehicles and one type of hazardous materials transport vehicle” in Shanghai. It identifies causal relationships between fatigue driving and 19 key factors (vehicle speed, driving time period, etc.) via a causal inference framework. Results show that 10 factors (including driving during specific periods) positively affect fatigue driving, while 9 factors (including vehicle speed) have negative effects. A Causal-GBDT Hybrid Model is built by weighting causal core factors into XGBoost (1.7.6) and CatBoost (1.2). Results show causal weights raise XGBoost accuracy from 90% to 93% and CatBoost from 89% to 94%. This clarifies fatigue triggers, provides technical support for targeted prevention, and advances machine learning in freight safety risk management. The research results can provide technical support for the development of real-time fatigue warning systems for freight vehicle and traffic safety management policies, contributing to the sustainable improvement of road transport safety. Full article
Show Figures

Figure 1

20 pages, 2602 KB  
Article
Agent-Based Simulation Modeling of Multimodal Transport Flows in Transportation System of Kazakhstan
by Alisher Khussanov, Botagoz Kaldybayeva, Oleksandr Prokhorov, Zhakhongir Khussanov, Doskhan Kenzhebekov, Mukhamediyar Yevadilla and Dauren Janabayev
Logistics 2025, 9(4), 172; https://doi.org/10.3390/logistics9040172 - 28 Nov 2025
Viewed by 656
Abstract
Background: Kazakhstan’s transport system plays a key role in Eurasian logistics due to its position along the Middle Corridor. However, multimodal freight transport remains under-optimized due to infrastructure bottlenecks, uneven cargo flows, and limited digital tools for forecasting and planning. Methods: This study [...] Read more.
Background: Kazakhstan’s transport system plays a key role in Eurasian logistics due to its position along the Middle Corridor. However, multimodal freight transport remains under-optimized due to infrastructure bottlenecks, uneven cargo flows, and limited digital tools for forecasting and planning. Methods: This study presents the development of an agent-based simulation model for analyzing multimodal transportation in Kazakhstan. The model integrates railway, road, and maritime components, simulating cargo flows across export, import, and transit scenarios. Key agents include orders, transport vehicles, logistics hubs, and border checkpoints. The model is implemented in AnyLogic 8.9 and calibrated using a mix of official statistics, industry data, and field estimates. Results: The simulation replicates key logistics processes, identifies congestion points, and evaluates delivery performance under different scenarios. Experiments demonstrate how bottlenecks at terminals and border crossings affect delivery times, vehicle utilization, and hub load. The model allows testing infrastructure development options and scheduling policies. Conclusions: The approach enables a dynamic assessment of logistics efficiency under uncertainty and can support decision-making in transport planning. The novelty lies in the integrated simulation of multimodal freight flows with infrastructure constraints. The model serves as a foundation for digital twin applications and scenario-based planning. Full article
(This article belongs to the Section Artificial Intelligence, Logistics Analytics, and Automation)
Show Figures

Figure 1

20 pages, 1178 KB  
Article
Leveraging AI for Sustainable Freight Transportation: Survey Insights from Moroccan Transport Companies
by Hajar Moumni, Rachid Bannari and Kenza Oufaska
Sustainability 2025, 17(23), 10628; https://doi.org/10.3390/su172310628 - 27 Nov 2025
Viewed by 589
Abstract
The global freight transportation industry has experienced exponential growth, significantly contributing to economic development. However, this expansion has also led to considerable environmental challenges, particularly due to the sector’s dependence on fossil fuels and inefficient logistical practices, resulting in high carbon emissions, air [...] Read more.
The global freight transportation industry has experienced exponential growth, significantly contributing to economic development. However, this expansion has also led to considerable environmental challenges, particularly due to the sector’s dependence on fossil fuels and inefficient logistical practices, resulting in high carbon emissions, air pollution, noise pollution, and resource depletion. The complex problems facing the freight transportation sector are directly impacting several United Nations Sustainable Development Goals (SDGs), particularly SDG 2, SDG 3, SDG 7, SDG 9, SDG 11, SDG 12, and SDG 13. This study addresses these challenges by first examining the direct contribution of sustainable freight transportation to the United Nations Sustainable Development Goals (SDGs). Building on this foundation, the paper explores the transformative potential of artificial intelligence (AI) to enhance sustainability in freight transportation. Focusing on advanced analytics, predictive modeling, and real-time optimization, AI provides opportunities to improve route planning, energy efficiency, and emission reduction, while supporting more resilient and sustainable logistics systems. The paper introduces a holistic framework, integrating AI seamlessly throughout the entire freight logistics process. To contextualize these insights, an empirical survey was conducted among Moroccan freight transportation companies, highlighting current practices, the perceived effectiveness of AI adoption, and the level of confidence in achieving long-term carbon neutrality targets. Finally, the paper introduces a practical framework for integrating AI into freight transportation systems, aligning technological innovation with sustainability goals, and offering actionable guidance for both industry stakeholders and policymakers. Full article
(This article belongs to the Section Sustainable Transportation)
Show Figures

Figure 1

27 pages, 2675 KB  
Article
Strategic Infrastructure Sequencing for Freight Transport Decarbonization Under Declining Demand Using Data from Latvia
by Justina Hudenko, Anna Kuzina, Aleksandrs Kotlars, Inguna Jurgelane-Kaldava, Maris Gailis, Agnese Batenko and Igors Kukjans
Future Transp. 2025, 5(4), 179; https://doi.org/10.3390/futuretransp5040179 - 26 Nov 2025
Viewed by 359
Abstract
This study addresses a critical policy paradox in transport infrastructure planning: the necessity for substantial decarbonization investments amid declining freight demand forecasts in less developed territories. Despite reduced demand, such investments remain justified for advancing sustainability, regulatory compliance, and long-term system resilience. Herein, [...] Read more.
This study addresses a critical policy paradox in transport infrastructure planning: the necessity for substantial decarbonization investments amid declining freight demand forecasts in less developed territories. Despite reduced demand, such investments remain justified for advancing sustainability, regulatory compliance, and long-term system resilience. Herein, an integrated decision support framework is developed that optimizes infrastructure investment sequencing while maximizing private capital participation and ensuring technology–regulation alignment. Using comprehensive freight transport data from Latvia (2012–2023), a scenario tree analysis integrated with S-curve technology adoption models is employed to evaluate optimal infrastructure sequencing strategies for hydrogen fuel cell vehicles (HFCVs) and battery electric vehicles (BEVs). The methodology combines Autoregressive Integrated Moving Average (ARIMA) demand forecasting with total cost of ownership (TCO)-based technology adoption curves and hierarchical modal split modeling. The analysis further identifies distinct market segments and adoption trajectories, demonstrating how strategic infrastructure sequencing can accelerate low- and zero-emission technology uptake across different freight distances and policy scenarios. The results demonstrate that strategic sequencing generates net present value (NPV) savings of approximately EUR 18.2 million (at a 4% discount rate) compared to immediate full-scale deployment while maintaining regulatory compliance timelines. The framework provides policymakers with systematic evidence-based criteria for infrastructure investment timing, contributing to the efficient allocation of scarce public resources in the transition to sustainable freight transport. Full article
Show Figures

Figure 1

14 pages, 2760 KB  
Article
Quantification of CO2 Emission from Liquefied Natural Gas Truck Under Varied Traffic Condition via Portable Measurement Emission System
by Yufei Shi, Hongmei Zhao, Bowen Li, Liangying Luo and Hongdi He
Energies 2025, 18(22), 6002; https://doi.org/10.3390/en18226002 - 16 Nov 2025
Viewed by 358
Abstract
Liquefied natural gas (LNG) container trucks are regarded as clean energy vehicles with the potential to reduce air pollution. However, their CO2 emissions remain relatively high and are not yet well understood. In this study, the actual CO2 emissions of LNG [...] Read more.
Liquefied natural gas (LNG) container trucks are regarded as clean energy vehicles with the potential to reduce air pollution. However, their CO2 emissions remain relatively high and are not yet well understood. In this study, the actual CO2 emissions of LNG container trucks in Shanghai were measured using a portable emissions measurement system (PEMS). This study quantitatively analyzed the relationship between traffic congestion levels and CO2 emissions on elevated roadways, providing new insights into the impact of urban traffic conditions. In addition, distinct emission patterns were revealed under different uphill, downhill, and level road conditions, highlighting the substantial effects of roadway geometry on vehicle carbon emissions. Based on these findings, engine-related factors were identified as the dominant contributors, explaining 74% of the emission variance, while road slope analysis showed that uphill driving increased emissions by 13.41% compared with flat roads, whereas downhill driving reduced them by 76.22%. Finally, an efficient carbon emission prediction model for LNG container trucks was developed using machine learning methods. This study enriches the understanding of carbon emissions from LNG container trucks and provides theoretical support for their future applications in sustainable freight transportation. Full article
(This article belongs to the Special Issue Transportation Energy and Emissions Modeling)
Show Figures

Figure 1

19 pages, 907 KB  
Article
Analysis of the Logistics Impact for the Freight Transportation Sector Using Electric Trucks
by Patrícia Gomes Dallepiane, Leandro Mallmann and Luciane Silva Neves
Energies 2025, 18(21), 5801; https://doi.org/10.3390/en18215801 - 3 Nov 2025
Viewed by 709
Abstract
The transition to sustainable transport in the logistics sector requires innovative strategies, yet companies still face uncertainty regarding the operational, economic, and environmental feasibility of replacing diesel trucks with electric ones. Electric trucks represent a sustainable alternative, contributing to the reduction in pollutant [...] Read more.
The transition to sustainable transport in the logistics sector requires innovative strategies, yet companies still face uncertainty regarding the operational, economic, and environmental feasibility of replacing diesel trucks with electric ones. Electric trucks represent a sustainable alternative, contributing to the reduction in pollutant gas emissions, noise reduction in traffic, and lower operational costs, in addition to building sustainable logistics through recharges from renewable energy sources. Although electric trucks offer sustainability benefits, existing research often lacks analyses based on real-world delivery conditions. In this context, the objective of this paper is to analyze the logistical impact of introducing electric trucks for beverage transportation. This study includes assessments of planned route profiles, economic evaluation during operation, emission mitigation costs, and charging analyses under different pricing models in consumer units. These elements were selected to reflect the actual challenges companies face. The results demonstrate that electric trucks can reduce fuel costs by 83.90% and significantly lower carbon emissions, confirming their viability for last-mile freight transport operations. Therefore, the results demonstrate that the process of replacing diesel trucks with electric ones is a viable alternative for companies due to the savings generated during operation and the reduction in pollutant emissions. Full article
(This article belongs to the Section B: Energy and Environment)
Show Figures

Figure 1

Back to TopTop