Sign in to use this feature.

Years

Between: -

Subjects

remove_circle_outline
remove_circle_outline
remove_circle_outline
remove_circle_outline
remove_circle_outline
remove_circle_outline
remove_circle_outline
remove_circle_outline
remove_circle_outline

Journals

Article Types

Countries / Regions

remove_circle_outline
remove_circle_outline
remove_circle_outline
remove_circle_outline

Search Results (311)

Search Parameters:
Keywords = fiber reinforced polymer (FRP) composites

Order results
Result details
Results per page
Select all
Export citation of selected articles as:
20 pages, 3106 KB  
Article
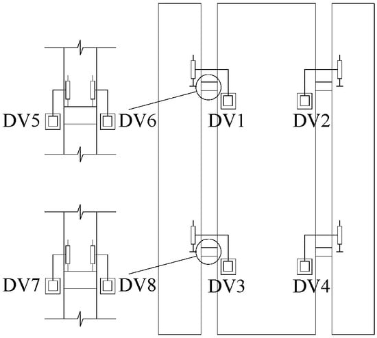
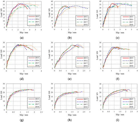
Shear Performance and Load–Slip Model of a Cross-Type FRP Rod Connector for Precast Concrete Sandwich Panels
by Ya Li, Weichen Xue and Jialin Yang
Buildings 2026, 16(1), 139; https://doi.org/10.3390/buildings16010139 - 27 Dec 2025
Viewed by 73
Abstract
A precast concrete sandwich panel (PCSP), consisting of inner and outer wythes, an insulation layer, and connectors, relies heavily on the shear behavior of these connectors, which governs the structural performance of the entire system. Owing to their low thermal conductivity, excellent durability, [...] Read more.
A precast concrete sandwich panel (PCSP), consisting of inner and outer wythes, an insulation layer, and connectors, relies heavily on the shear behavior of these connectors, which governs the structural performance of the entire system. Owing to their low thermal conductivity, excellent durability, and high strength, fiber-reinforced polymer (FRP) connectors offer strong potential for widespread application. This study introduces a novel cross-shaped FRP rod connector designed to provide improved anchorage performance, bidirectional shear resistance, and ease of installation. However, concern remains about the specific influence of embedment depth, outer-wythe thickness, and insulation-layer thickness on its shear performance. Moreover, no calculation model for shear capacity or shear–slip model has been established considering the shear-bending interaction within the connector. To evaluate its shear behavior, six groups of push-out tests were conducted, with key parameters including embedment depth, outer-wythe thickness, and insulation-layer thickness. The specimens exhibited two primary failure modes: connector fracture and concrete anchorage failure. The measured shear capacity per connector ranged from 5.63 kN to 14.19 kN, increasing with longer embedment depths, decreasing with increasing insulation thickness, and showing no clear dependence on outer-wythe thickness. Guided by test results and the Hashin failure criterion for composite materials, analytical formulas to estimate the shear capacity of FRP connectors were developed. The mean ratio of calculated to experimental values is 0.97, with a standard deviation of 0.06, indicating good agreement between the predicted and measured shear capacities. Furthermore, a theoretical shear–slip model was established. The correlation coefficients between the experimental and calculated load–slip curves for all specimens are greater than 0.98, indicating a high consistency in curve shape and variation trend. Full article
(This article belongs to the Special Issue The Latest Research on Building Materials and Structures)
Show Figures

Figure 1

23 pages, 3208 KB  
Review
Artificial Intelligence in the Design and Optimization of Laminated FRP Composites: A Review of Methodologies and Applications
by Alaa Elsisi, Said Abdel-Monsef and Hani Salim
J. Compos. Sci. 2025, 9(12), 654; https://doi.org/10.3390/jcs9120654 - 1 Dec 2025
Viewed by 625
Abstract
The growing adoption of laminated fiber-reinforced polymer (FRP) composites in aerospace, automotive, and civil engineering demands advanced design methodologies capable of navigating their complex anisotropic behavior. While traditional design approaches rely heavily on iterative simulations and classical optimization, recent advances in artificial intelligence [...] Read more.
The growing adoption of laminated fiber-reinforced polymer (FRP) composites in aerospace, automotive, and civil engineering demands advanced design methodologies capable of navigating their complex anisotropic behavior. While traditional design approaches rely heavily on iterative simulations and classical optimization, recent advances in artificial intelligence (AI) offer a transformative alternative. This review systematically examines the expanding role of AI in composite design and optimization—highlighting a critical transition from physics-based modeling to data-driven, intelligent frameworks. This paper emphasizes emerging AI paradigms not yet widely covered in the composite literature, including Explainable AI (XAI) for interpretable decision-making and Large Language Models (LLMs) for automating design synthesis and knowledge retrieval. Key findings demonstrate AI’s capacity to efficiently optimize stacking sequences, ply orientations, and manufacturing parameters while satisfying multi-objective constraints such as weight, stiffness, and damage tolerance. Furthermore, we explore AI’s integration across the composite lifecycle—from surrogate-assisted finite element analysis and uncertainty-aware design allowables to in-service structural health monitoring. By bridging the gap between computational intelligence and industrial practicability, this review underscores AI’s potential not as a supplementary tool, but as a foundational technology poised to redefine next-generation composite engineering. Full article
(This article belongs to the Special Issue Carbon Fiber Composites, 4th Edition)
Show Figures

Figure 1

16 pages, 2274 KB  
Article
Axial Compressive Behavior of FRP Stirrup-Confined UHPC–Steel Tube Hollow Composite Column
by Jin-Ben Gu, Ze-Yu Xie, Fan Yang and Yi Tao
Buildings 2025, 15(23), 4251; https://doi.org/10.3390/buildings15234251 - 25 Nov 2025
Viewed by 350
Abstract
Based on the design concept of double-skin composite columns, this study proposes an enhanced configuration in which the inner steel tube is reinforced with fiber-reinforced polymer (FRP) stirrup-confined ultra-high-performance concrete (UHPC), leading to the development of FRP stirrup-confined UHPC–steel tube (FSCUS) hollow composite [...] Read more.
Based on the design concept of double-skin composite columns, this study proposes an enhanced configuration in which the inner steel tube is reinforced with fiber-reinforced polymer (FRP) stirrup-confined ultra-high-performance concrete (UHPC), leading to the development of FRP stirrup-confined UHPC–steel tube (FSCUS) hollow composite columns. Twelve glass FRP stirrup-confined UHPC–steel tube (GFSCUS) hollow composite column specimens were tested under axial compression. Analysis of load–displacement curves, and of load–strain curves of individual components, was performed. The effects of various parameters, including thickness and outer diameter of the steel tube, configuration and spacing of the GFRP stirrup, and steel fiber content of the UHPC, on the compressive behavior of the GFSCUS hollow composite columns were systematically investigated. The test results indicate that the influence of the thickness and outer diameter of the steel tube on the axial compression behavior is primarily governed by the effectiveness of the composite action between the steel tube and the confined concrete under axial compression load. The spacing and configuration of the FRP stirrup, conversely, determine the efficacy of the confinement provided to the concrete. The incorporation of steel fibers enhances both the peak load and the ductility due to their bridging effect. However, an excessive fiber content can restrict the lateral expansion of the concrete, thereby diminish the confining effect of the hoops and leading to a reduction in load-carrying capacity. Full article
Show Figures

Figure 1

20 pages, 3051 KB  
Article
Flexural Behavior of Steel-FRP Composite Bars (SFCB)-Reinforced Concrete Beams: FEA Incorporating Bond-Slip Effects
by Chaohao Bi, Shuo Xu, Yu Ling, Yicong Zhong, Linbo Hong and Yongjian Cai
Materials 2025, 18(22), 5226; https://doi.org/10.3390/ma18225226 - 18 Nov 2025
Viewed by 354
Abstract
To overcome the corrosion issues of conventional steel reinforcement and the brittleness of fiber-reinforced polymer (FRP) materials, steel-FRP composite bars (SFCBs) offer an innovative solution by combining the ductility of steel with the high strength and corrosion resistance of FRP. However, existing research [...] Read more.
To overcome the corrosion issues of conventional steel reinforcement and the brittleness of fiber-reinforced polymer (FRP) materials, steel-FRP composite bars (SFCBs) offer an innovative solution by combining the ductility of steel with the high strength and corrosion resistance of FRP. However, existing research primarily focuses on experimental investigations, with insufficient numerical simulations of SFCB-reinforced concrete beams, particularly regarding bond-slip effects at the SFCB-concrete interface—a critical mechanism governing composite action and structural performance. This study develops a finite element (FE) model incorporating SFCB-concrete bond-slip effects to analyze the influence of outer FRP layer thickness (0, 3, 5, and 7 mm) on the flexural performance of concrete beams. The FE model demonstrates good predictive accuracy, with errors in ultimate capacity and mid-span displacement within 7% and 8%, respectively. Both cracking and yield loads increase with FRP thickness, while the ultimate load peaks at 5 mm. At 7 mm, concrete crushing occurs before the SFCB reaches its ultimate strength. The ductility index decreases with greater FRP thickness due to increased elastic energy without enhanced plastic energy (fixed steel core area), thereby reducing overall ductility. These findings provide a theoretical basis for optimizing SFCB-reinforced concrete structural design. Full article
(This article belongs to the Special Issue Towards Sustainable Low-Carbon Concrete—Second Edition)
Show Figures

Figure 1

18 pages, 3815 KB  
Article
Progressive Failure Analysis of Laminated Fiber-Reinforced Plastic Composite Plate Structure in the Post-Buckling Region
by Muhammad Ali Sadiq and György Kovács
Appl. Sci. 2025, 15(22), 12237; https://doi.org/10.3390/app152212237 - 18 Nov 2025
Viewed by 388
Abstract
Fiber-Reinforced Polymer (FRP)-laminated composite materials are increasingly recognized as a transformative solution for future structural applications, due to their exceptional properties, such as lightweight, superior fatigue life, corrosion resistance, and ease of manufacturing. These advantages make them highly suitable for innovative applications in [...] Read more.
Fiber-Reinforced Polymer (FRP)-laminated composite materials are increasingly recognized as a transformative solution for future structural applications, due to their exceptional properties, such as lightweight, superior fatigue life, corrosion resistance, and ease of manufacturing. These advantages make them highly suitable for innovative applications in various sectors, including aerospace, automotive, marine, energy and defense. As one of the load-carrying members, the composite laminated plate structures are widely used in aircraft structures, such as the fuselage, wing and tail. These thin-walled structures will buckle under compressive or shear loading, which is a major consideration in the structural design process. Due to their high specific strength, laminated FRP composite structures are gaining increasing attention and are widely used in advanced lightweight structures. However, to fully exploit the large post-buckling reserves of FRP structures, their damage behavior and failure modes must be well understood. In this study, a progressive failure analysis based on ANSYS finite element (FE) simulations has been carried out to predict the nonlinear response and failure characteristics of a laminated composite plate under compressive loading. The FE-based progressive failure analysis utilized shell elements based on the Classical Laminate Plate Theory (CLPT) to calculate the in-plane stresses. The failure model employed the 3D failure criterion LaRC04 for damage detection and the stiffness degradation model for damage propagation in an FRP-laminated composite plate structure. The analysis results are found in close agreement with the published simulation and experimental results. This study has proposed an efficient methodology to accurately predict the post-buckling response, i.e., failure modes and collapse loads of laminated FRP composite constructions under compressive loading. Full article
(This article belongs to the Special Issue Research on Polymer Composite Materials)
Show Figures

Figure 1

19 pages, 4577 KB  
Article
Performance of HSC Continuous Deep Beams with Asymmetric Circular Openings: Hybrid FRP Versus Steel Plate Strengthening
by Mohammed Al-Mahbashi, Hussein Elsanadedy, Aref Abadel, Husain Abbas, Tarek Almusallam and Yousef Al-Salloum
Polymers 2025, 17(22), 3049; https://doi.org/10.3390/polym17223049 - 18 Nov 2025
Cited by 1 | Viewed by 537
Abstract
In recent years, the demand for high-strength concrete (HSC) for buildings has been steadily increasing. Continuous HSC deep beams are frequently employed in various structural applications, including high-rise buildings, bridges, and parking garages, due to their superior load capacity. Some cases require the [...] Read more.
In recent years, the demand for high-strength concrete (HSC) for buildings has been steadily increasing. Continuous HSC deep beams are frequently employed in various structural applications, including high-rise buildings, bridges, and parking garages, due to their superior load capacity. Some cases require the addition of openings after the construction for passing utilities such as drainage and electricity. This study experimentally examines four two-span HSC deep beams: one control solid beam, one beam with circular openings, and two beams that utilized different strengthening schemes. The openings were asymmetrical circular openings, with one positioned in each span. This study sought to regain the full capacity of beams with openings by employing two types of strengthening schemes. The first one used bolted steel plates, while the second was a hybrid scheme that combined bolted steel plates with externally bonded fiber-reinforced polymer (FRP) sheets. Test findings demonstrated that both methods effectively restored the load capacity of the strengthened beams. The strengthened beam with steel plates achieved a load capacity of 125% compared to the solid beam. Likewise, the beam retrofitted with hybrid steel/FRP composites reached 117%. Additionally, the energy dissipation and ductility index of the strengthened beam with steel plates were 32% and 77%, respectively, compared to the strengthened beam with hybrid steel/FRP composites. The findings emphasize the effectiveness of the applied retrofitting techniques in restoring the lost capacity due to the cutting of post-construction openings in deep beams. Full article
Show Figures

Figure 1

23 pages, 4593 KB  
Article
Finite Element and Parametric Study on the Shear Capacity of FRP and Stainless-Steel Bolted Connectors in GFRP–Concrete Composite Beams
by Abdalla Zidan, Hesham Fawzy Shaaban and Ayman El-Zohairy
J. Compos. Sci. 2025, 9(11), 622; https://doi.org/10.3390/jcs9110622 - 10 Nov 2025
Viewed by 970
Abstract
Fiber-reinforced polymer (FRP) composites, particularly glass fiber-reinforced polymer (GFRP), are increasingly utilized in civil engineering due to their high strength-to-weight ratio, corrosion resistance, and environmental sustainability compared to steel. Shear connectors in FRP–concrete hybrid beams are critical for effective load transfer, yet their [...] Read more.
Fiber-reinforced polymer (FRP) composites, particularly glass fiber-reinforced polymer (GFRP), are increasingly utilized in civil engineering due to their high strength-to-weight ratio, corrosion resistance, and environmental sustainability compared to steel. Shear connectors in FRP–concrete hybrid beams are critical for effective load transfer, yet their behavior under static loads remains underexplored. This study aims to investigate the shear strength, stiffness, and failure modes of GFRP, CFRP, AFRP, and stainless-steel shear connectors in FRP–concrete hybrid beams through a comprehensive parametric analysis, addressing gaps in material optimization, bolt configuration, and design guidelines. A validated finite element model in Abaqus was employed to simulate push-out tests based on experimental data. The parameters analyzed included shear connector material (GFRP, CFRP, AFRP, and stainless steel), bolt diameter (16–30 mm), number of bolts (1–6), longitudinal spacing (60–120 mm), embedment length (40–70 mm), and concrete compressive strength (30–70 MPa). Shear load–slip (P-S) curves, ultimate shear load (P), secant stiffness (K1), and failure modes were evaluated. CFRP bolts exhibited the highest shear capacity, 26.50% greater than stainless steel, with failure dominated by flange bearing, like AFRP and stainless steel, while GFRP bolts failed by shear failure of bolt shanks. Shear capacity increased by 90.60%, with bolt diameter from 16 mm to 30 mm, shifting failure from bolt shank to concrete splitting. Multi-bolt configurations reduced per-bolt shear capacity by up to 15.00% due to uneven load distribution. Larger bolt spacing improved per-bolt shear capacity by 9.48% from 60 mm (3d) to 120 mm (6d). However, in beams, larger spacing reduced the total number of bolts, decreasing overall shear resistance and the degree of shear connection. Higher embedment lengths (he/d ≥ 3.0) mitigated pry-out failure, with shear capacity increasing by 33.59% from 40 mm to 70 mm embedment. Increasing concrete strength from 30 MPa to 70 MPa enhanced shear capacity by 22.07%, shifting the failure mode from concrete splitting to bolt shank shear. The study highlights the critical influence of bolt material, diameter, number, spacing, embedment length, and concrete strength on shear behavior. These findings support the development of FRP-specific design models, enhancing the reliability and sustainability of FRP–concrete hybrid systems. Full article
(This article belongs to the Special Issue Polymer Composites and Fibers, 3rd Edition)
Show Figures

Figure 1

29 pages, 11420 KB  
Article
FRESCO: An Open Database for Fiber and Polymer Strengthening of Infilled RC Frame Systems
by Vachan Vanian and Theodoros Rousakis
Fibers 2025, 13(11), 152; https://doi.org/10.3390/fib13110152 - 10 Nov 2025
Viewed by 509
Abstract
This paper presents FRESCO (Fiber REinforced Strengthening COmposite Database), a comprehensive open-source database designed to systematically organize experimental data on infilled RC frame systems that can be strengthened with advanced composite materials, such as Fiber-Reinforced Polymers (FRP), Textile-Reinforced Mortars (TRM), and other fiber-based [...] Read more.
This paper presents FRESCO (Fiber REinforced Strengthening COmposite Database), a comprehensive open-source database designed to systematically organize experimental data on infilled RC frame systems that can be strengthened with advanced composite materials, such as Fiber-Reinforced Polymers (FRP), Textile-Reinforced Mortars (TRM), and other fiber-based solutions. The database employs open source practices while providing high-quality output that is fully compatible with leading commercial software packages such as ANSYS 2022R2. It uses Python3 as the main programming language and FreeCAD v1.0 as the model generation engine, with a systematic 13-section structure that ensures complete documentation of all parameters necessary for numerical modeling and validation of analytical methods. Two types of databases are provided: in comma-separated format (.csv) for common everyday interaction and in JSON format (.json) for easy programmatic access. The database features automated 3D modeling capabilities, converting experimental data into detailed finite element models with solid RC frame geometry, reinforcement details, and infill configurations. Validation through three comprehensive examples demonstrates that numerical models generated from the database closely match experimental results, with response curves that closely match the initial stiffness, the peak loading and the post-peak stiffness degradation phase across different loading conditions. The database focuses on RC frame systems with unreinforced brick infill. Reflecting the term FRESCO, which in Greek (φρέσκο) means “fresh”, the database is designed as a dynamic, evolving resource, with future versions planned to include RC walls and full buildings. Full article
Show Figures

Figure 1

8 pages, 1010 KB  
Proceeding Paper
Evaluation of Innovative and Sustainable Fire Protection Systems for Reinforced Concrete Structures
by Louai Wafa, Ayman Mosallam and Ashraf Abed-Elkhalek Mostafa
Eng. Proc. 2025, 112(1), 62; https://doi.org/10.3390/engproc2025112062 - 4 Nov 2025
Viewed by 329
Abstract
This study presents a comprehensive overview of recent advancements in fire protection technologies for reinforced concrete (RC) structures, with a focus on sustainable and high-performance solutions. As climate change and urban densification continue to shape modern construction, the need for fire-resilient and environmentally [...] Read more.
This study presents a comprehensive overview of recent advancements in fire protection technologies for reinforced concrete (RC) structures, with a focus on sustainable and high-performance solutions. As climate change and urban densification continue to shape modern construction, the need for fire-resilient and environmentally responsible building systems has never been more urgent. This study examines traditional fire protection practices and contrasts them with emerging innovations. Emphasis is placed on their thermal performance, structural integrity post-exposure, and long-term durability. Case studies and laboratory findings highlight the effectiveness of these systems under standard and severe fire scenarios. This paper will present the results of a research study on the assessment of different fire protection systems for RC columns retrofitted with fiber-reinforced polymer (FRP) jacketing. To quantify how insulation can preserve confinement, three commercial fire protection schemes were tested on small-scale CFRP- and GFRP-confined concrete cylinders: (i) a thin high-temperature cloth + blanket (DYMAT™-RS/Dymatherm), (ii) an intumescent epoxy-based coating (DCF-D + FireFree 88), and (iii) cementitious mortar (Sikacrete™ 213F, 15 mm and 30 mm). Specimens were exposed to either 60 min of soaking at 200 °C and 400 °C or to a 30 min and 240 min ASTM E119 standard fire; thermocouples recorded interface temperatures and post-cooling uniaxial compression quantified residual capacity. All systems reduced FRP–interface temperatures by up to 150 °C and preserved 65–90% of the original confinement capacity under moderate fire conditions (400 °C and 30 min ASTM E119) compared to 40–55% for unprotected controls under the same conditions. The results provide practical guidance on selecting insulation types and thicknesses for fire-resilient FRP retrofits. Full article
Show Figures

Figure 1

18 pages, 1481 KB  
Article
Experimental Study on the Axial Compressive Behavior of Concrete-Filled Steel Tube Short Columns Confined by Carbon Fiber-Reinforced Polymer Composites
by Bzhar Muheddin Mohammed and Esra Mete Güneyisi
Appl. Sci. 2025, 15(21), 11728; https://doi.org/10.3390/app152111728 - 3 Nov 2025
Viewed by 748
Abstract
This research presents an experimental investigation on the compressive behavior of fiber reinforced polymer-confined concrete-filled steel tubes (FRP-CFSTs). The study evaluated 72 specimens, including CFST and FRP-CFST columns, with varying numbers of FRP layer (0–3), steel tube thickness (1.8 to 3.8 mm), and [...] Read more.
This research presents an experimental investigation on the compressive behavior of fiber reinforced polymer-confined concrete-filled steel tubes (FRP-CFSTs). The study evaluated 72 specimens, including CFST and FRP-CFST columns, with varying numbers of FRP layer (0–3), steel tube thickness (1.8 to 3.8 mm), and nominal concrete strength (20, 30, 40 MPa). Concrete mixes enhanced with polypropylene fibers and silica fume were used. Material properties for the infill concrete, steel tube yield strength (307 MPa), and CFRP tensile parameters (ultimate strain 2.1%, tensile strength 4900 MPa) were determined. The test specimens were wrapped with CFRP sheets using a wet lay-up process and subjected to axial compression through a 4000-kN capacity machine. The load–deformation behavior until failure, which typically occurred due to FRP rupture from lateral concrete expansion, was recorded. Results revealed that FRP confinement increased the ultimate axial load capacity of CFST columns and enhanced ductility with improvements correlating positively with the number of CFRP layers. Steel tube thickness contributed to an increase in stiffness and load capacity by roughly 15–25%. Concrete mixes incorporating polypropylene fibers and silica fume demonstrated superior performance compared to conventional mixes by reducing brittleness and improving tensile and flexural strengths. These quantitative findings demonstrate the significant influence of FRP confinement and concrete mix design on the enhancing strength, stiffness, and ductility of CFST columns, supported by rigorous experimental characterization and systematic analysis of their composite behavior. Full article
Show Figures

Figure 1

36 pages, 1016 KB  
Review
Fiber-Reinforced Polymer Laminates in Aviation and Structural Engineering: A Synthetic Comparison of Performance Requirements, Design Principles, and Defect Assessment Procedures
by Joana Janeikaitė, Ieva Misiūnaitė and Viktor Gribniak
Materials 2025, 18(21), 4938; https://doi.org/10.3390/ma18214938 - 29 Oct 2025
Viewed by 848
Abstract
Fiber-reinforced polymer (FRP) laminates are widely used in both aviation and structural engineering, yet their implementation reflects fundamentally different paradigms. Aviation represents a fatigue-critical, certification-driven domain, while structural engineering emphasizes long-term durability and environmental resilience. These sectors were selected as conceptual extremes to [...] Read more.
Fiber-reinforced polymer (FRP) laminates are widely used in both aviation and structural engineering, yet their implementation reflects fundamentally different paradigms. Aviation represents a fatigue-critical, certification-driven domain, while structural engineering emphasizes long-term durability and environmental resilience. These sectors were selected as conceptual extremes to explore how contrasting design philosophies, degradation mechanisms, and inspection strategies shape the performance and reliability of laminated FRP composites. Their approaches offer complementary insights: aviation contributes high-fidelity modeling and embedded monitoring, while structural engineering provides scalable inspection strategies and exposure-based degradation logic. Both sectors employ classical laminate theory and finite element modeling, but diverge in modeling depth and regulatory integration. This review synthesizes these contrasts based on 168 literature references, including 141 published between 2020 and 2025, reflecting recent developments in composite design, modeling, and inspection. It contributes to materials engineering by proposing hybrid modeling and inspection frameworks that integrate progressive damage simulation with durability-based design logic. By bridging the modeling precision of aviation with the environmental realism of structural engineering, this review outlines a pathway toward unified, sustainable, and adaptive engineering practices for laminated FRP composites. Full article
Show Figures

Figure 1

30 pages, 5026 KB  
Review
Polymer Versus Cementitious Matrix Composites for Retrofitting Reinforced Concrete Columns—A State-of-the-Art Review
by Hussein Elsanadedy, Aref Abadel, Husain Abbas, Tarek Almusallam and Yousef Al-Salloum
Polymers 2025, 17(21), 2865; https://doi.org/10.3390/polym17212865 - 27 Oct 2025
Viewed by 876
Abstract
Fiber-reinforced polymer (FRP) composites have become a popular solution for upgrading reinforced concrete (RC) structures due to their corrosion resistance, high strength-to-weight ratio, and speed of implementation. However, their organic resin binder has issues, including temperature sensitivity, poor performance in moist conditions, a [...] Read more.
Fiber-reinforced polymer (FRP) composites have become a popular solution for upgrading reinforced concrete (RC) structures due to their corrosion resistance, high strength-to-weight ratio, and speed of implementation. However, their organic resin binder has issues, including temperature sensitivity, poor performance in moist conditions, a high cost, and potential health risks. Additionally, reversing FRP repair can be difficult and may damage the original structure, posing a significant reversibility issue. A promising alternative to FRP is the fiber-reinforced cementitious matrix (FRCM), which replaces the organic resin with an inorganic cementitious mortar. This new class of composite uses a breathable textile instead of the tightly packed fibers in FRP. The present article provides a comprehensive assessment of the two composites (FRP and FRCM) used for the retrofitting of RC compression members, with the purpose of identifying existing knowledge gaps and outlining future research objectives. The materials used in different strengthening approaches using both FRP and FRCM have been identified, and their stress–strain characteristics under tensile load have been outlined. The study also explores techniques of implementation using the two materials. This study presents available studies comparing the utilization of FRCM composites with FRP for the axial retrofitting of RC compression members in both ambient and high-temperature conditions. Full article
(This article belongs to the Section Polymer Applications)
Show Figures

Figure 1

16 pages, 3381 KB  
Article
Strut-and-Tie Modeling of Intraply Hybrid Composite-Strengthened Deep RC Beams
by Ferit Cakir and Muhammed Alperen Ozdemir
Buildings 2025, 15(21), 3810; https://doi.org/10.3390/buildings15213810 - 22 Oct 2025
Viewed by 434
Abstract
This study presents a strut-and-tie modeling (STM) framework for reinforced concrete (RC) deep beams strengthened with intraply hybrid composites (IRCs), integrating comprehensive experimental data from beams with three different span lengths (1.0 m, 1.5 m, and 2.0 m). Although the use of fiber-reinforced [...] Read more.
This study presents a strut-and-tie modeling (STM) framework for reinforced concrete (RC) deep beams strengthened with intraply hybrid composites (IRCs), integrating comprehensive experimental data from beams with three different span lengths (1.0 m, 1.5 m, and 2.0 m). Although the use of fiber-reinforced polymers (FRPs) for shear strengthening of RC members is well established, limited attention has been given to the development of STM formulations specifically adapted for hybrid composite systems. In this research, three distinct IRC configurations—Aramid–Carbon (AC), Glass–Aramid (GA), and Carbon–Glass (CG)—were applied as U-shaped jackets to RC beams without internal transverse reinforcement and tested under four-point bending. All experimental data were derived from the authors’ previous studies, ensuring methodological consistency and providing a robust empirical basis for model calibration. The proposed modified STM incorporates both the axial stiffness and effective strain capacity of IRCs into the tension tie formulation, while also accounting for the enhanced diagonal strut performance arising from composite confinement effects. Parametric evaluations were conducted to investigate the influence of the span-to-depth ratio (a/d), composite configuration, and failure mode on the internal force distribution and STM topology. Comparisons between the STM-predicted shear capacities and experimental results revealed excellent correlation, particularly for deep beams (a/d = 1.0), where IRCs substantially contributed to the shear transfer mechanism through active tensile engagement and confinement. To the best of the authors’ knowledge, this is the first study to formulate and validate a comprehensive STM specifically designed for RC deep beams strengthened with IRCs. The proposed approach provides a unified analytical framework for predicting shear strength and optimizing the design of composite-strengthened RC structures. Full article
(This article belongs to the Section Building Materials, and Repair & Renovation)
Show Figures

Figure 1

14 pages, 3840 KB  
Article
Building Polyacryronitrile Fiber/Epoxy Resin (PANER) Interleaving Film to Strengthen Flexural and Compressive Performances of Laminated CFRP Composites
by Sidra Ashfaq, Jiaxin He, Yanan Lyu, Fei Cheng, Xiang Yuan, Xueling Liang, Shuying Shi, Evgeny Lomakin, Daria Bondarchuk, Rasuljon Tojiyev, Hao Liu, Xiaozhi Hu and Xi Chen
Nanomaterials 2025, 15(20), 1576; https://doi.org/10.3390/nano15201576 - 16 Oct 2025
Viewed by 564
Abstract
Carbon fiber-reinforced polymer (CFRP) composites have excellent mechanical properties, but their performance is hampered by delamination caused by weak interfacial bonding and resin-rich region (RRR). This research has proposed an interleaving film to improve interlaminar structure and mechanical properties by adding polyacrylonitrile (PAN) [...] Read more.
Carbon fiber-reinforced polymer (CFRP) composites have excellent mechanical properties, but their performance is hampered by delamination caused by weak interfacial bonding and resin-rich region (RRR). This research has proposed an interleaving film to improve interlaminar structure and mechanical properties by adding polyacrylonitrile (PAN) fiber into the epoxy interlayer of the CFRP laminates. The PAN fiber/epoxy resin (PANER) interleaving film could be prepared, which was beneficial to hinder crack initiation paths and improve the load transfer. Flexural and compression performance testing results showed optimum performance was obtained when 2 wt.% PAN fiber was added, and an increment of 28.6% was obtained in the flexural strength and 11.7% increment in compressive strength. The damaged energy absorption was improved up to 21.4% and 11.3% for the flexural and compressive properties, respectively. The overall thickness increments in the interlayer with PANER interleaving film were approximately 4–9 μm. X-Ray micro-computed tomography and scanning electron microscopy observations exhibited the potential of PAN fiber in the reduction of RRR, resulting in modes replacement from delamination-dominant failure to crossing-multi-layer failure. In all, PANER interleaving film at the interlayer has been confirmed to be an effective approach to produce a simple reinforcement technology for FRP laminates. Full article
(This article belongs to the Section Nanocomposite Materials)
Show Figures

Figure 1

13 pages, 1556 KB  
Article
Prediction of Plate End Debonding of FRP-Strengthened RC Beams Based on Explainable Machine Learning
by Sheng Zheng and Woubishet Zewdu Taffese
Buildings 2025, 15(19), 3576; https://doi.org/10.3390/buildings15193576 - 4 Oct 2025
Viewed by 656
Abstract
This research explores the phenomenon of plate-end (PE) debonding in reinforced concrete (RC) beams strengthened with fiber-reinforced polymer (FRP) composites. This type of failure represents a key mechanism that undermines the structural performance and efficiency of FRP reinforcement systems. Despite the widespread use [...] Read more.
This research explores the phenomenon of plate-end (PE) debonding in reinforced concrete (RC) beams strengthened with fiber-reinforced polymer (FRP) composites. This type of failure represents a key mechanism that undermines the structural performance and efficiency of FRP reinforcement systems. Despite the widespread use of FRP in structural repair due to its high strength and corrosion resistance, PE debonding—often triggered by shear or inclined cracks—remains a major challenge. Traditional computational models for predicting PE debonding suffer from low accuracy due to the nonlinear relationship between influencing parameters. To address this, the research employs machine learning techniques and SHapley Additive exPlanations (SHAP), to develop more accurate and explainable predictive models. A comprehensive database is constructed using key parameters affecting PE debonding. Machine learning algorithms are trained and evaluated, and their performance is compared with existing normative models. The study also includes parameter importance and sensitivity analyses to enhance model interpretability and guide future design practices in FRP-based structural reinforcement. Full article
(This article belongs to the Special Issue AI-Powered Structural Health Monitoring: Innovations and Applications)
Show Figures

Figure 1

Back to TopTop