Sign in to use this feature.

Years

Between: -

Subjects

remove_circle_outline
remove_circle_outline
remove_circle_outline
remove_circle_outline
remove_circle_outline
remove_circle_outline
remove_circle_outline

Journals

Article Types

Countries / Regions

Search Results (24)

Search Parameters:
Keywords = automatically controlled pressure regulator

Order results
Result details
Results per page
Select all
Export citation of selected articles as:
21 pages, 6015 KB  
Article
Improving the Flexibility of Coal-Fired Power Units by Dynamic Cold-End Optimization
by Yanpeng Zhang, Xinzhen Fang, Zihan Kong, Zijiang Yang, Jinxu Lao, Wei Zheng, Lingkai Zhu and Jiwei Song
Energies 2025, 18(13), 3375; https://doi.org/10.3390/en18133375 - 27 Jun 2025
Viewed by 473
Abstract
Traditional coal-fired power units are required to improve their operational flexibility to accommodate increasing renewable energy. In this paper, an optimized operation approach of the cold-end system is proposed to improve the flexibility of coal-fired power units. The dynamic models of the cold-end [...] Read more.
Traditional coal-fired power units are required to improve their operational flexibility to accommodate increasing renewable energy. In this paper, an optimized operation approach of the cold-end system is proposed to improve the flexibility of coal-fired power units. The dynamic models of the cold-end system of a 330 MW coal-fired power unit are developed. The model validation results show that the error between the simulated results and measured values is <3% at the common load range and <5% at the low load range. The applications of cold-end optimization in the load-variation processes with ±3% Pe/min ramps and actual automatic generation control (AGC) response are then studied. The results show that when the back pressure of the unit is relatively low, the cold-end optimization is more effective in improving the ramp-down rate. On the contrary, when the unit operates with relatively high back pressure, this approach is more suitable for improving the ramp-up rate. Moreover, the AGC response quality is noticeably enhanced, which improves the phenomenon of overshooting and reverse regulation. The comprehensive performance indicator KP increased from 2.27 to 4.63 in the summer scenario, while it increased from 2.08 to 4.34 in the winter scenario. Moreover, the profits under the two scenarios are raised by 39.2% and 42.5%, respectively. The findings of this study are also applicable to supercritical units or other power units with the cold end adopting similar water cooling systems. Future work will incorporate advanced control theories to enhance control robustness, which is critical for the practical implementation of the proposed cold-end optimization approach. Full article
Show Figures

Figure 1

15 pages, 2850 KB  
Article
Study on Reactor Power Control Strategies Based on Mode-C Operation and Control Mode
by Ying Zhang, Zhi Chen, Qing Chu and Jixiang Zhou
Energies 2025, 18(5), 1140; https://doi.org/10.3390/en18051140 - 26 Feb 2025
Viewed by 832
Abstract
At present, the operation control modes of pressurized water reactor (PWR) nuclear power plants in service mainly include Mode-A, Mode-G, and MSHIM. Mode-A is mainly applicable to base load operation and cannot realize load tracking. In the process of Mode-G load tracking, it [...] Read more.
At present, the operation control modes of pressurized water reactor (PWR) nuclear power plants in service mainly include Mode-A, Mode-G, and MSHIM. Mode-A is mainly applicable to base load operation and cannot realize load tracking. In the process of Mode-G load tracking, it is necessary to adjust boron, and it cannot realize load tracking without boron regulation. Although MSHIM implements unregulated boron load tracking, a large number of control rods are inserted into the core during base load operation, which reduces the safety margin and causes certain economic losses. In recent years, China National Nuclear Corporation Limited proposed the Mode-C operation control mode, which attempts to concentrate the advantages of the above operation mode and avoid its disadvantages. When Mode-C is adopted, only one set of control rods is inserted into the reactor core to complete the nuclear power plant control task for the base load and other operations that do not require frequent reactor power regulation. For load tracking and other operations requiring frequent reactor power regulation, control rods are used instead of adjusting soluble boron to control core reactivity. Reactivity compensation and power distribution control in the load-tracking process are completed through control rods. When Mode-C mode is adopted, the reactivity control method under base load and load tracking conditions is different from other mature operating modes. It is impossible to directly adopt the ready-made reactor power control system scheme, which brings challenges to the practical engineering application of Mode-C. To solve the above problems, based on the idea of single-variable automatic control and bivariable automatic control in Mode-C under different load demand conditions, this paper carries out research on the strategy of the reactor power control system and puts forward two specific control schemes. Through the control simulation program based on the one-dimensional core model, the simulation model of the control object and control system is established, and the closed-loop simulation verification of the control strategy is completed. The simulation results show that the designed reactor power control system can realize automatic control of the full power operating range and non-adjustable boron load tracking, reduce the operator’s burden, and meet the expected operation effect of the Mode-C operating mode. Full article
(This article belongs to the Special Issue Optimal Design and Analysis of Advanced Nuclear Reactors)
Show Figures

Figure 1

20 pages, 6981 KB  
Article
Spatial, Vertical, and Temporal Soil Water Content Variability Affected by Low-Pressure Drip Irrigation in Sandy Loam Soil: A Soil Bin Experimental Study
by Mohammod Ali, Md Asrakul Haque, Md Razob Ali, Md Aminur Rahman, Hongbin Jin, Young Yoon Jang and Sun-Ok Chung
Agronomy 2024, 14(12), 2848; https://doi.org/10.3390/agronomy14122848 - 28 Nov 2024
Viewed by 2102
Abstract
Drip irrigation pressure is considered a key parameter for controlling and designing the drip irrigation system in sandy soils. Understanding soil water content (SWC) movements under varying pressures can enhance water use efficiency and support sustainable irrigation strategies for crops in arid regions. [...] Read more.
Drip irrigation pressure is considered a key parameter for controlling and designing the drip irrigation system in sandy soils. Understanding soil water content (SWC) movements under varying pressures can enhance water use efficiency and support sustainable irrigation strategies for crops in arid regions. The objectives of this study were to investigate the effects of irrigation pressure on the spatial, vertical, and temporal variability of SWC in sandy loam soil using surface drip irrigation. Experiments were carried out in a soil bin located in a greenhouse. SWC sensors were placed at depths 10, 20, 30, 40, and 50 cm to monitor SWC variability under low, medium, and high drip irrigation pressures (25, 50, and 75 kPa) at a constant emitter flow rate of 3 L/h. A pressure controller was used to regulate drip irrigation pressure, while microcontrollers communicated with SWC sensors, collected experimental data, and automatically recorded the outputs. At low irrigation pressure, water content began to increase at 0.53 h and saturated at 3.5 h, with both values being significantly lower at medium and high pressures. The results indicated that lower pressures led to significant variability in water movement at shallow depths (10 to 30 cm), becoming uniform at deeper layers but requiring longer irrigation times. Competitively higher pressures showed uniform water distribution and retention statistically throughout the soil profiles with shorter irrigation times. The variation in water distribution resulting in non-uniform coverage across the irrigated area demonstrates how pressure changes affect the flow rate of the emitter. The results provide information maps with soil water data that can be adjusted with irrigation pressure to maximize water use efficiency in sandy loam soils, aiding farmers in better irrigation scheduling for different crops using surface drip irrigation techniques in arid environments. Full article
(This article belongs to the Section Water Use and Irrigation)
Show Figures

Figure 1

20 pages, 4792 KB  
Article
An Energy-Efficient Adaptive Speed-Regulating Method for Pump-Controlled Motor Hydrostatic Drive Powertrains
by Huashuai Wang, Yanbin Zhang, Zhangshun An and Rongsheng Liu
Processes 2024, 12(1), 25; https://doi.org/10.3390/pr12010025 - 21 Dec 2023
Cited by 5 | Viewed by 1491
Abstract
In this paper, a closed hydrostatic drive powertrain (HSDP) composed of an engine, a variable pump, a variable motor, and an energy-efficient adaptive speed-regulating controller (ADC) based on power following is proposed and investigated. The controller can more than guarantee accurate regulation of [...] Read more.
In this paper, a closed hydrostatic drive powertrain (HSDP) composed of an engine, a variable pump, a variable motor, and an energy-efficient adaptive speed-regulating controller (ADC) based on power following is proposed and investigated. The controller can more than guarantee accurate regulation of motor speed through online efficiency estimation based on established loss models of the pump and the motor. It also facilitates the optimal efficiency control of the engine and hydrostatic system through two redundant control freedoms of the HSDP system, making an energy-saving adjustment of the motor speed. At the same time, the controller can prevent engine overload stall and high system pressure by limiting the displacement of the pumps and motors in real time based on the system loads to improve the automatic adaptability of the system to varying loads. Field testing experiments performed by means of a heavy transportation vehicle under different conditions were conducted to verify the efficacy of the proposed controller. The results showed that the average errors of motor speed were 3.3% under empty load conditions and 9.6% under heavy load conditions. In terms of energy saving, comparison tests involving a rule-based controller (RBC) and the ADC were carried out, and the results showed that the energy-saving ratio of the ADC was at least 11.5% and up to 25.8% under empty load conditions and at least 2.8% and up to 9% under heavy load conditions. The ADC controller showed good performance in terms of speed control, load adaptability, and energy saving and a superior advantage due to its simple structure and ease of implementation. Therefore, the proposed controller is an excellent choice for the real-time control of machinery with an HSDP system, especially heavy-duty machinery. Full article
Show Figures

Figure 1

14 pages, 2197 KB  
Article
Voltage-Based Braking Controls for Electric Vehicles Considering Weather Condition and Road Slope
by Jonghoek Kim
Appl. Sci. 2023, 13(24), 13311; https://doi.org/10.3390/app132413311 - 16 Dec 2023
Viewed by 1758
Abstract
This article addresses the braking controls for an electric vehicle with DC motors such that the voltage in the motors is used for controlling the wheel angular velocity. Other papers on the anti-lock braking system (ABS) handled how to derive the braking torque [...] Read more.
This article addresses the braking controls for an electric vehicle with DC motors such that the voltage in the motors is used for controlling the wheel angular velocity. Other papers on the anti-lock braking system (ABS) handled how to derive the braking torque (or braking pressure) for controlling the wheel angular velocity. However, heavy or prolonged braking can cause brake fade or wear. According to EURO 7 regulations, brake fade or wear is not desirable, since the regulations refer to the reduction in particles emitted from brake pads. For avoiding heavy or prolonged braking, this paper does not use a brake unit, such as electro-mechanical brake units or hydraulic brake units, for vehicle stop. Instead, the motor voltage is used for controlling the wheel angular velocity. While a vehicle moves, the goal of this paper is to provide automatic braking controls in real time, so that the vehicle stops safely and smoothly without slippage before colliding with an obstacle. In practice, road conditions can change depending on weather conditions, such as rain or snow. Moreover, road slope can have an effect on the braking distance for the vehicle. Thus, this article introduces automatic braking controls, while considering both road slope and road conditions. This article is unique in presenting automatic braking controls for the smooth stop of electric vehicles with DC motors, while considering both road slope and road conditions. In addition, this article is unique in controlling the motor voltage for controlling the wheel angular velocity, while not requiring any brake units. Full article
(This article belongs to the Section Mechanical Engineering)
Show Figures

Figure 1

26 pages, 16450 KB  
Article
Modelling Soil Water Infiltration and Wetting Patterns in Variable Working-Head Moistube Irrigation
by Yaming Zhai, Wuerkaixi Kurexi, Ce Wang, Chengli Zhu, Zhanyu Zhang and Yi Li
Agronomy 2023, 13(12), 2987; https://doi.org/10.3390/agronomy13122987 - 4 Dec 2023
Cited by 6 | Viewed by 2126
Abstract
Moistube irrigation is an efficient method that accurately irrigates and fertilizes agricultural crops. Investigation into the mechanisms of infiltration behaviors under an adjusted working head (WKH) benefits a timely and artificially regulating moisture condition within root zones, as adapted to evapotranspiration. This study [...] Read more.
Moistube irrigation is an efficient method that accurately irrigates and fertilizes agricultural crops. Investigation into the mechanisms of infiltration behaviors under an adjusted working head (WKH) benefits a timely and artificially regulating moisture condition within root zones, as adapted to evapotranspiration. This study explores the laws of Moistube irrigated soil water movement under constant and adjusted working heads. Lysimeter experiments were conducted to measure Moistube irrigation cumulative infiltration, infiltration rate, and to observe wetting front area and water content distribution using digital image processing and time domain reflectometry, respectively. Treatments of constant heads (0, 1, and 2 m), increasing heads (0 to 1, 0 to 2 and 1 to 2 m) and deceasing heads (1 to 0, 2 to 0 and 2 to 1 m) were designed. The results show that (1) under constant heads, the cumulative infiltration increases linearly over time. The infiltration rate and cumulative infiltration are positively correlated with the pressure head. When WKH is increased or decreased, the infiltration rate and cumulative infiltration curves significantly change, followed by a gradual stabilization. The more the head is increased or decreased, the more evident this tendency will be. (2) When WKH is increased, the wetting front migration rate and the wetted soil moisture content marked increase; when WKH is decreased, the wetting front migration rate sharply decelerates, and the water content of the wetted soil slowly grows. They both tend to equilibrium with time. (3) By regarding the same cumulative infiltration of increased WKH and constant WKH treatments as a similar initial condition, we proposed a cumulative infiltration empirical model for Moistube irrigation under variable working head. Additionally, we treat the Moistube as a clayey porous medium and construct a HYDRUS-2D numerical model to predict the infiltration behaviors under variable WKH. The validity of the two models were well proven, with MRE and NRMSE close to 0 and NSE greater than 0.867, indicating good agreements with the experimental results. This model breaks through the limitation of constant boundary of traditional numerical model and applies variable head boundary to the boundary of the Moistube pipe, which can also effectively simulate the response mechanism of Moistube irrigation to variable WKH. The research results further confirmed the feasibility of manually adjusting the WKH to regulate the discharge of the Moistube pipe and soil moisture state. Based on the HYDRUS-2D numerical model simulation results and the root distribution and water demand of typical facility crops, the selection range of placement depth and the adjustable range of WKH of Moistube irrigation were proposed. The research results provide a theoretical reference for manual adjustment or automatic control of Moistube irrigation WKH to adapt to real-time crop water demand in agricultural production. Full article
(This article belongs to the Section Water Use and Irrigation)
Show Figures

Figure 1

14 pages, 8266 KB  
Article
Design and Analysis of Brake-by-Wire Unit Based on Direct Drive Pump–Valve Cooperative
by Peng Yu, Zhaoyue Sun, Haoli Xu, Yunyun Ren and Cao Tan
Actuators 2023, 12(9), 360; https://doi.org/10.3390/act12090360 - 14 Sep 2023
Cited by 6 | Viewed by 2420
Abstract
Aiming at the requirements of distributed braking and advanced automatic driving, a brake-by-wire unit based on a direct drive pump–valve cooperative is proposed. To realize the wheel cylinder pressure regulation, the hydraulic pump is directly driven by the electromagnetic linear actuator coordinates with [...] Read more.
Aiming at the requirements of distributed braking and advanced automatic driving, a brake-by-wire unit based on a direct drive pump–valve cooperative is proposed. To realize the wheel cylinder pressure regulation, the hydraulic pump is directly driven by the electromagnetic linear actuator coordinates with the active valve. It has the advantages of rapid response and no deterioration of wheel side space and unsprung mass. Firstly, by analyzing the working characteristics and braking performance requirements of the braking unit, the key parameters of the system are matched. Then, in order to ensure the accuracy of the simulation model, the co-simulation model of the brake unit is established based on the Simulink-AMESim co-simulation platform. Then, the influence law of key parameters on the control performance is analyzed. Finally, the experimental platform of the brake unit is established. The accuracy of the co-simulation model and the feasibility of the brake-by-wire unit based on direct drive pump–valve cooperative are verified through the pressure control experiment and ABS simulation, which shows that the braking unit has good dynamic response and steady-state tracking effect. Full article
(This article belongs to the Special Issue Linear Motors and Direct-Drive Technology)
Show Figures

Figure 1

32 pages, 1458 KB  
Article
Design of PIDDα Controller for Robust Performance of Process Plants
by Muhammad Amir Fawwaz, Kishore Bingi, Rosdiazli Ibrahim, P. Arun Mozhi Devan and B. Rajanarayan Prusty
Algorithms 2023, 16(9), 437; https://doi.org/10.3390/a16090437 - 11 Sep 2023
Cited by 16 | Viewed by 2976
Abstract
Managing industrial processes in real-time is challenging due to the nonlinearity and sensitivity of these processes. This unpredictability can cause delays in the regulation of these processes. The PID controller family is commonly used in these situations, but their performance is inadequate in [...] Read more.
Managing industrial processes in real-time is challenging due to the nonlinearity and sensitivity of these processes. This unpredictability can cause delays in the regulation of these processes. The PID controller family is commonly used in these situations, but their performance is inadequate in systems and surroundings with varying set-points, longer dead times, external noises, and disturbances. Therefore, this research has developed a novel controller structure for PIDDα that incorporates the second derivative term from PIDD2 while exclusively using fractional order parameters for the second derivative term. The controllers’ robust performance has been evaluated on four simulation plants: first order, second order with time delay, third-order magnetic levitation systems, and fourth-order automatic voltage regulation systems. The controllers’ performance has also been evaluated on experimental models of pressure and flow processes. The proposed controller exhibits the least overshoot among all the systems tested. The overshoot for the first-order systems is 9.63%, for the third-order magnetic levitation system, it is 12.82%, and for the fourth-order automatic voltage regulation system, it is only 0.19%. In the pressure process plant, the overshoot is only 4.83%. All controllers for the second-order systems have a time delay, while the flow process plant has no overshoot. The proposed controller demonstrates superior settling times in various systems. For first-order systems, the settling time is 14.26 s, while in the pressure process plant, the settling time is 8.9543 s. Similarly, the proposed controllers for the second-order system with a time delay and the flow process plant have the same settling time of 46.0495 s. In addition, the proposed controller results in the lowest rise time for three different systems. The rise time is only 0.0075 s for the third-order magnetic levitation system, while the fourth-order automatic voltage regulation system has a rise time of 0.0232 s. Finally, for the flow process plant, the proposed controller has the least rise time of 25.7819 s. Thus, in all the cases, the proposed controller results in a more robust controller structure that provides the desired performance of a regular PIDD2 controller, offering better dynamic responses, shorter settling times, faster rise times, and reduced overshoot. Based on the analysis, it is evident that PIDDα outperforms both PID and FOPID control techniques due to its ability to produce a more robust control signal. Full article
Show Figures

Figure 1

17 pages, 3167 KB  
Article
Performance Analysis of a 300 MW Coal-Fired Power Unit during the Transient Processes for Peak Shaving
by Chunlai Yang, Xiaoguang Hao, Qijun Zhang, Heng Chen, Zhe Yin and Fei Jin
Energies 2023, 16(9), 3727; https://doi.org/10.3390/en16093727 - 26 Apr 2023
Cited by 8 | Viewed by 3977
Abstract
A simulation model based on Dymola modelling was developed to investigate the dynamic characteristics of automatic generation control (AGC) for variable-load thermal power units in this study. Specifically, a 300 MW unit from a power plant in northern China was used to verify [...] Read more.
A simulation model based on Dymola modelling was developed to investigate the dynamic characteristics of automatic generation control (AGC) for variable-load thermal power units in this study. Specifically, a 300 MW unit from a power plant in northern China was used to verify the model’s validity in steady-state processes and to analyze the behavior of the main thermal parameters under different rates of load changes. The economic performance of the unit under different rates of load changes is also analyzed by combining the economic indexes of “two regulations” in the power grid. Results indicate that as the rate of load changes increases, boiler output, main steam temperature, reheat steam temperature, main steam pressure, and working temperatures of various equipment fluctuate more intensely. Specifically, at a rate of load reduction of 2.0% Pe MW/min, the maximum deviation of the main steam temperature can reach 7.6 °C, with the screen-type superheater experiencing the largest heat exchange. To achieve a balance between safety and economics for the unit, the rate of load raising should not exceed 1.2% Pe MW/min, and the rate of load reduction should not exceed 0.8% Pe MW/min. This paper applies the covariance index and AGC assessment index of the thermal power unit load control system to the established dynamic simulation model to supplement the AGC assessment index in the “two regulations”, and to provide a flexible and reasonable system evaluation result for field operators to refer to, so as to improve the economics of the system on the basis of safety. Full article
(This article belongs to the Special Issue Modeling and Optimization Research of Integrated Energy Power System)
Show Figures

Figure 1

22 pages, 36570 KB  
Article
Supervision and Control System of the Operational Variables of a Cluster in a High-Pressure Gas Injection Plant
by Cristhian Ronceros, José Medina, Juan Vásquez, Pedro León, José Fernández and Estefany Urday
Processes 2023, 11(3), 698; https://doi.org/10.3390/pr11030698 - 26 Feb 2023
Cited by 6 | Viewed by 2993
Abstract
The objective of this research was to develop a technological architecture proposal that allows for the supervision and control of the operational parameters of gas injection (flow, temperature, and pressure) in a cluster of a high-pressure gas injection plant. The proposal provides a [...] Read more.
The objective of this research was to develop a technological architecture proposal that allows for the supervision and control of the operational parameters of gas injection (flow, temperature, and pressure) in a cluster of a high-pressure gas injection plant. The proposal provides a supervision and control system for the HPGIP I high-pressure gas injection plant that includes instrumentation equipment (transmitters and actuators), a remote terminal unit (RTU) as a control device, and the creation of a control logic as the basis for the development of the SCADA GALBA®, through which the operational variables involved in the process of the gas injection plant can be visualized and controlled, allowing the automatic regulation of the flow of gas that enters the deposits. Automatization of the process allows for the elimination of the average error differential that increases from 2 to 5% when the control valve is opened manually. Currently, the MUC-67 and MUC-68 wells that make up cluster 5 require a control valve opening of 20% and 5%, respectively, and this percentage is directly affected by the average valve opening error when performed manually. In addition, there is a savings of around 40 min in the response time by the operators for the adjustment of the opening or closing parameters of the control valve manually. The proposal allows for the different control actions on the variables or parameters of gas injection present in the clump to be carried out from a control room. Full article
(This article belongs to the Special Issue Automation Control Systems & Process Control for Industry 4.0)
Show Figures

Figure 1

14 pages, 7561 KB  
Article
An Adaptive Control Method for the Distribution Valve of a Digital Pump
by Daling Yue, Xiukun Zuo, Zengguang Liu, Yinshui Liu, Liejiang Wei and Yuyang Zhao
Machines 2023, 11(2), 148; https://doi.org/10.3390/machines11020148 - 21 Jan 2023
Cited by 2 | Viewed by 2066
Abstract
Perfect flow distribution is extremely important and essential for digital pumps. However, the fluctuation of motor speed and the change of valve dynamic characteristics cause the flow distribution flaw, which generates the backflow of the oil in the piston chamber and the decrease [...] Read more.
Perfect flow distribution is extremely important and essential for digital pumps. However, the fluctuation of motor speed and the change of valve dynamic characteristics cause the flow distribution flaw, which generates the backflow of the oil in the piston chamber and the decrease in pump volumetric efficiency. Based on the three-dimensional and mathematical modeling of the digital pump, the perfect distribution state of the digital pump is analyzed. Then, the adverse effects of the variations in motor speed and valve dynamic characteristics on the flow distribution of the digital pump were simulated and investigated by the software AMESim. To overcome the aforementioned problems, we proposed an adaptive control method for the flow distribution valve of a digital pump, which was realized by adopting the axis rotation angle and the pressure difference between the inlet and outlet of the flow distribution valve. The results show that the control signal of the flow distribution valve can be regulated automatically along with the motor speed and the valve dynamic characteristics, achieving the ideal flow distribution of the digital pump designed in this paper. The study can be used as a reference for the optimal design and prototype manufacturing of the digital pump. Full article
(This article belongs to the Special Issue Mechatronic Systems: Developments and Applications)
Show Figures

Figure 1

18 pages, 5516 KB  
Article
Design of Gas Turbine Cooling System Based on Improved Jumping Spider Optimization Algorithm
by Tianyi Li, Yanmei Liu and Zhen Chen
Machines 2022, 10(10), 909; https://doi.org/10.3390/machines10100909 - 8 Oct 2022
Cited by 3 | Viewed by 2186
Abstract
The gas turbine cooling system is a complex MIMO system with a strong coupling, nonlinear, time-varying and large disturbance amplitude. In order to automatically control the target flow, target temperature and pipeline pressure, in this paper, the decoupler and regulator of a gas [...] Read more.
The gas turbine cooling system is a complex MIMO system with a strong coupling, nonlinear, time-varying and large disturbance amplitude. In order to automatically control the target flow, target temperature and pipeline pressure, in this paper, the decoupler and regulator of a gas turbine cooling system are designed. Firstly, the working principle of a gas turbine cooling system and the coupling between the controlled variables of the system are analyzed. The decoupler of the system is designed by using the diagonal matrix decoupling method. The transfer function models of the coupling system are built through system identification, and the decoupling matrix of the system is calculated according to the diagonal matrix decoupling method and transfer function models. Then, the engine cooling control system simulation model is constructed and an improved jumping spider optimization algorithm is proposed. The parameters of the controller are optimized by the improved jumping spider optimization algorithm. Finally, the control system simulation is done and compared with the jumping spider optimization algorithm and the particle swarm optimization algorithm. The simulation results show that the improved jumping spider optimization algorithm is more suitable for the multivariable strong coupling nonlinear engine cooling system. For the flow and pressure control, the transient time and overshoot are reduced, and the steady-state error is less than 1%. For the temperature control, the result of the improved jumping spider optimization algorithm is more smooth, without overshoot, and almost does not exceed the set inlet water temperature. The overshoot, steady-state errors and transient time of the system have been improved, which proves the feasibility and significance of the improved jumping spider optimization algorithm by comparing the control performance and optimization time. Full article
(This article belongs to the Special Issue Diagnostics and Optimization of Gas Turbine)
Show Figures

Figure 1

23 pages, 6112 KB  
Article
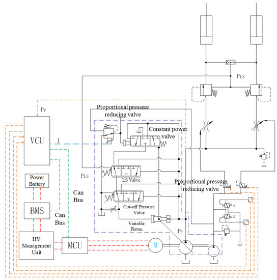
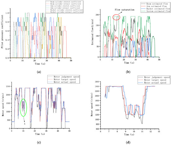
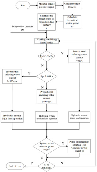
Control Strategy of Speed Segmented Variable Constant Power Powertrain of Electric Construction Machinery
by Zhongshen Li, Yuanzheng Lin, Qihuai Chen, Kai Wu, Tianliang Lin, Haoling Ren and Wen Gong
Appl. Sci. 2022, 12(19), 9734; https://doi.org/10.3390/app12199734 - 27 Sep 2022
Cited by 5 | Viewed by 1867
Abstract
Energy conservation and emission reduction have become a global development consensus. Traditional construction machinery driven by an engine has high energy consumption and poor emission. Electric construction machinery is considered to be one of the main trends in the future due to its [...] Read more.
Energy conservation and emission reduction have become a global development consensus. Traditional construction machinery driven by an engine has high energy consumption and poor emission. Electric construction machinery is considered to be one of the main trends in the future due to its zero emissions by canceling the engine and using the motor-driven hydraulic system. However, most of the existing electric construction machinery works through the motor to simulate the engine without considering the regulation characteristics of the motor. Therefore, although the existing electric construction machinery improves the emission and the energy efficiency of the power system to a certain extent, the control of the motor and hydraulic systems can still be further optimized. The energy efficiency of the whole machine can be maximized. Based on the LUDV system of construction machinery, a control strategy based on motor speed classification and variable constant power can automatically identify the actual working conditions of the electric excavator and adjust the starting pressure of the constant power valve, to change the constant power range of hydraulic pump and achieve the goal of adapting to the working conditions of power system, is proposed. Simulation and experiments are carried out to verify the feasibility of the proposed control strategy. The results show that the speed classification and variable constant power control system can effectively realize the hierarchical regulation of motor speed and provide relatively stable speed input for the hydraulic system. Moreover, the current working condition can be identified through the pump outlet pressure. The adaption of the working conditions can be realized through the proportional reducing valve by adjusting the starting pressure of the variable constant power valve. Full article
Show Figures

Figure 1

16 pages, 22184 KB  
Article
Development of an Automatic Air-Driven 3D-Printed Spinal Posture Corrector
by G. M. Asadullah, Md. Hazrat Ali, Kotaro Hashikura, Md Abdus Samad Kamal and Kou Yamada
Actuators 2022, 11(7), 184; https://doi.org/10.3390/act11070184 - 4 Jul 2022
Cited by 4 | Viewed by 6302
Abstract
Billions of people are using smartphones and computers with poor posture. A careless attitude towards spinal posture could be dangerous for long-term spinal health, leading eventually to curvature of the spine. Ignoring this fact and its treatment at the early stage will significantly [...] Read more.
Billions of people are using smartphones and computers with poor posture. A careless attitude towards spinal posture could be dangerous for long-term spinal health, leading eventually to curvature of the spine. Ignoring this fact and its treatment at the early stage will significantly deteriorate spinal health and force surgical intervention. Instead of developing an automated posture-correcting system, the existing research mostly focused on a posture-monitoring system to inform the users via a human interface, e.g., Bluetooth-based devices. Therefore, this paper proposes a novel posture-correction method to automatically prevent spinal disease by facilitating proper posture habits. Specifically, we develop a fluid-driven wearable posture corrector, whose skeleton can be fabricated simply using a 3D printer, to estimate angular posture deviation using sensors and provide appropriate assistance to correct the posture habit of the user. Mounted sensors provide the degree of postural bending, and a controller regulates the appropriate signals to provide a friendly pulling force as a reminder to the user through a fluid-driven actuator. The skeleton with a fluid-driven tool is designed to mimic the motion of the spinal posture by activating the actuator, which injects (or releases) the fluid into (or from) the skeleton frame and regulates forces to reduce the angular deviation of the skeleton. The 3D-printed skeleton with a flexible rubber tube has been experimentally evaluated to ensure proper actuating mechanism through the adjustment of air pressure. It is found that, by applying air pressure in the range of 0 to 101.4 kPa, the skeleton is pulled back approximately 1 N to 7 N forces, minimizing the angle up to 12.44 with respect to the initial steady stage, which leads to a maximum posture correction of 32.55% angle (θ) of poor posture. From the above experiments, we ensure the functionality of the proposed posture corrector in producing backward forces to correct the posture automatically. Full article
(This article belongs to the Section Actuators for Medical Instruments)
Show Figures

Figure 1

15 pages, 3536 KB  
Article
Study on the Pressure Regulation Method of New Automatic Pressure Regulating Valve in the Electronically Controlled Pneumatic Brake Systems in Commercial Vehicles
by Gangyan Li, Xiaoxu Wei, Zaiyu Wang and Hanwei Bao
Sensors 2022, 22(12), 4599; https://doi.org/10.3390/s22124599 - 17 Jun 2022
Cited by 11 | Viewed by 3187
Abstract
In order to adapt the development of vehicle driving automation technology for driving conditions under different levels of automation and based on the independently invented LF automatic pressure regulating valve (LF-APRV) for electronically controlled pneumatic brake systems (ECPBS), the dynamic PWM coupling pressure [...] Read more.
In order to adapt the development of vehicle driving automation technology for driving conditions under different levels of automation and based on the independently invented LF automatic pressure regulating valve (LF-APRV) for electronically controlled pneumatic brake systems (ECPBS), the dynamic PWM coupling pressure regulation method is proposed. This method realizes pressure regulation by adjusting the duty cycle of the control signal of the LF-APRV at different stages in the pressure regulation cycle. A co-simulation model was established to verify the feasibility of the method, and a test system was built to verify the correctness of the co-simulation model. Through the test, the pressure regulation performance of dynamic PWM coupling pressure regulation method and conventional on/off pressure regulation method was compared. The results show that the new method can improve the stability of pressure regulation, although the response time increases; under the new method, the overshoot of the pressure rising from 0 to 0.5 MPa was reduced by 69%, and the overshoot of the pressure decreasing from 0.5 MPa to 0.2 MPa was basically 0. Finally, tests and simulations showed that the dynamic PWM coupling pressure regulation method can meet the continuous graded braking requirements of vehicles, and the pressure response has good tracking performance on the target pressure. Full article
(This article belongs to the Special Issue Feature Papers in Vehicular Sensing)
Show Figures

Figure 1

Back to TopTop