Sign in to use this feature.

Years

Between: -

Subjects

remove_circle_outline
remove_circle_outline
remove_circle_outline
remove_circle_outline
remove_circle_outline
remove_circle_outline
remove_circle_outline
remove_circle_outline
remove_circle_outline

Journals

Article Types

Countries / Regions

Search Results (50)

Search Parameters:
Keywords = asymmetric electrical responses

Order results
Result details
Results per page
Select all
Export citation of selected articles as:
27 pages, 2961 KB  
Article
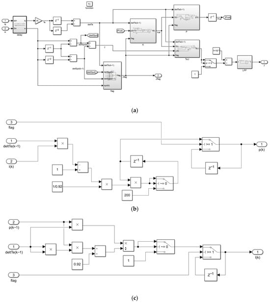
Mechanical Parameter Identification of Permanent Magnet Synchronous Motor Based on Symmetry
by Xing Ming, Xiaoyu Wang, Fucong Liu, Yi Qu, Bingyin Zhou, Shuolin Zhang and Ping Yu
Symmetry 2025, 17(11), 1929; https://doi.org/10.3390/sym17111929 - 11 Nov 2025
Abstract
Permanent Magnet Synchronous Motors (PMSMs) have been widely applied across various electrical systems due to their significant advantages, including high power density, high-efficiency conversion, and easy controllability. However, the issue of ‘parameter asymmetry’ (a mismatch between the controller’s preset parameters and the actual [...] Read more.
Permanent Magnet Synchronous Motors (PMSMs) have been widely applied across various electrical systems due to their significant advantages, including high power density, high-efficiency conversion, and easy controllability. However, the issue of ‘parameter asymmetry’ (a mismatch between the controller’s preset parameters and the actual system parameters) in PMSMs can lead to performance problems, such as delayed speed response and increased overshoot. The destruction of symmetry, including the asymmetric weight distribution between new and old data in the moment-of-inertia identification algorithm and the asymmetry between “measured values and true values” caused by sampling delay, is the core factor limiting the system’s control performance. All these factors significantly affect the accuracy of parameter identification and the system’s stability. To address this, this study focuses on the mechanical parameter identification of PMSMs with the core goal of “symmetric matching between set values and true values”. Firstly, a current-speed dual closed-loop vector control system model is constructed. The PI parameters are tuned to meet the symmetric tracking requirements of “set value-feedback” in the dual loops, and the influence of the PMSM’s moment of inertia on the loop symmetry is analyzed. Secondly, the symmetry defects of traditional algorithms are highlighted, such as the imbalance between “data weight and working condition characteristics” in the least-squares method and the mismatch between “set inertia and true inertia” caused by data saturation. Finally, a Forgetting Factor Recursive Least Squares (FFRLS) scheme is proposed: the timing asymmetry of signals is corrected via a first-order inertial link, a forgetting factor λ is introduced to balance data weights, and a recursive structure is adopted to avoid data saturation. Simulation results show that when λ = 0.92, the identification accuracy reaches +5% with a convergence time of 0.39 s. Moreover, dynamic symmetry can still be maintained under multiple multiples of inertia, thereby improving identification performance and ensuring symmetry in servo control. Full article
(This article belongs to the Special Issue Symmetry in Power System Dynamics and Control)
Show Figures

Figure 1

15 pages, 15245 KB  
Article
Impact of Static Rotor Eccentricity on the NVH Behavior of Electric Permanent Magnet Synchronous Machines
by Julius Müller, Georg Jacobs, Rasim Dalkiz and Stefan Wischmann
Machines 2025, 13(11), 1024; https://doi.org/10.3390/machines13111024 - 6 Nov 2025
Viewed by 144
Abstract
In comparison to internal combustion engines, which usually have low frequency, broadband excitations, in electric vehicles, tonal excitations from the electric drivetrain are noticeable and disturbing. As the acoustic and structural dynamic behavior, often referred to as noise, vibration, and harshness (NVH), strongly [...] Read more.
In comparison to internal combustion engines, which usually have low frequency, broadband excitations, in electric vehicles, tonal excitations from the electric drivetrain are noticeable and disturbing. As the acoustic and structural dynamic behavior, often referred to as noise, vibration, and harshness (NVH), strongly influences customers’ quality perceptions, optimizing it is a key challenge in development. This study investigates the influence of static rotor–stator eccentricity on the NVH behavior of an electric drivetrain using a transient elastic multibody simulation (eMBS) model incorporating non-linear gear meshing, bearing contact, and electromagnetic forces. The analysis identifies the 36th order excitation of the electric machine as the dominant source, leading to a maximum total acceleration level of 152 dB. Two specific excitation directions were found to reduce this amplitude most effectively. However, varying the amount of static eccentricity in these directions resulted in only minor vibration reductions (<1.5 dB). The findings indicate that the symmetric mode shapes of the cylindrical housing govern the response, indicating that addressing the excitability of housing modes by developing asymmetric housing designs could offer a more effective approach for NVH optimizations of electric drivetrains. Full article
(This article belongs to the Special Issue Active Vibration Control System)
Show Figures

Figure 1

13 pages, 699 KB  
Article
Targeted Endogenous Bioelectric Modulation in Autism Spectrum Disorder: Real-World Clinical Outcomes of the REAC BWO Neurodevelopment–Autism Protocol
by Arianna Rinaldi, Hingrid Angélica Benetti Mota, Salvatore Rinaldi and Vania Fontani
J. Clin. Med. 2025, 14(21), 7500; https://doi.org/10.3390/jcm14217500 - 23 Oct 2025
Viewed by 329
Abstract
Background: Autism Spectrum Disorder (ASD) is characterized by atypical brain oscillatory dynamics and altered connectivity, impairing sensory integration, socio-communicative responsiveness, and behavioral regulation. Methods: Radio Electric Asymmetric Conveyer (REAC) technology delivers non-invasive neurobiological modulation through standardized, operator-independent protocols. The Brain Wave Optimization [...] Read more.
Background: Autism Spectrum Disorder (ASD) is characterized by atypical brain oscillatory dynamics and altered connectivity, impairing sensory integration, socio-communicative responsiveness, and behavioral regulation. Methods: Radio Electric Asymmetric Conveyer (REAC) technology delivers non-invasive neurobiological modulation through standardized, operator-independent protocols. The Brain Wave Optimization Neurodevelopment–Autism (BWO ND-A) protocol was designed to address oscillatory patterns frequently altered in ASD, aiming to promote network coherence and multidomain functional improvement. This retrospective pre–post single-arm study evaluated 39 children with ASD (31 males, 8 females; mean age 7.85 ± 2.90 years). All received one Neuro Postural Optimization (NPO) session to prime central nervous system adaptive capacity, followed by BWO ND-A (18 sessions, ~8 min each), administered 3–4 times daily over ~two weeks. The primary outcome was the Autism Treatment Evaluation Checklist (ATEC) total score; secondary outcomes were its four subscales. Results: Mean total ATEC decreased from 67.76 ± 16.11 to 56.25 ± 23.66 (mean change −11.51 ± 14.48; p < 0.0001; Cohen’s dz = 0.78). Clinically meaningful improvement (≥8-point reduction) occurred in 59% of participants. In 10.3% of cases, caregiver ratings indicated an apparent worsening (≥8-point increase). However, no objective deterioration or adverse effects were observed. This pattern was most likely related to a transient phase of functional re-adaptation, during which emerging changes may initially be perceived by caregivers as worsening before stabilizing into improvement. Conclusions: While these findings suggest promising short-term real-world efficacy and safety, the absence of a control group, lack of objective neurophysiological measures, and no long-term follow-up limit causal inference. Future controlled studies with neurophysiological monitoring are needed to confirm the targeted neuromodulatory action and durability of effects. Full article
(This article belongs to the Special Issue Clinical Advances in Autism Management)
Show Figures

Figure 1

18 pages, 3921 KB  
Article
One Innovative Method for Improving the Power Density and Efficiency of Electro-Hydrostatic Actuators
by Zhenfei Ling, Fengqi Zhou, Hao Liu, Bo Yang and Xiaoping Ouyang
Actuators 2025, 14(10), 467; https://doi.org/10.3390/act14100467 - 25 Sep 2025
Viewed by 486
Abstract
Although electro-hydrostatic actuators (EHAs) hold broad application prospects in more-electric aircraft and high-end equipment, they face a difficult trade-off between dynamic response and energy efficiency. To simultaneously enhance the dynamic response and energy efficiency of the EHA, this paper designs an innovative variable [...] Read more.
Although electro-hydrostatic actuators (EHAs) hold broad application prospects in more-electric aircraft and high-end equipment, they face a difficult trade-off between dynamic response and energy efficiency. To simultaneously enhance the dynamic response and energy efficiency of the EHA, this paper designs an innovative variable pump displacement and variable motor speed (VPVM) configuration that utilizes an electro-hydraulic servo valve for active displacement control. To address the flow mismatch problem associated with traditional asymmetric single-rod cylinders without reducing the power density of EHA, this paper also designs an innovative symmetric single-rod cylinder configuration. Based on the above two innovative configurations, this paper further develops a corresponding EHA prototype with a rated power density of 0.72 kW/kg. Simulation and experimental results demonstrate that compared to the traditional EHA with the fixed pump displacement and variable motor speed configuration (FPVM-EHA), the EHA with the proposed VPVM configuration (VPVM-EHA) not only improves energy efficiency and reduces motor heat generation under low-speed and heavy-load conditions, but also achieves a dynamic response close to that of the FPVM-EHA under fast dynamic response conditions. Full article
(This article belongs to the Section Control Systems)
Show Figures

Figure 1

10 pages, 408 KB  
Case Report
Potential Benefits of a Noninvasive Neuromodulation Protocol in Autism Spectrum Disorder with Multiple Comorbidities: A Case Report
by Clarissa Aires de Oliveira, Eugenio Luigi Iorio and Foued Salmen Espíndola
Pediatr. Rep. 2025, 17(5), 92; https://doi.org/10.3390/pediatric17050092 - 12 Sep 2025
Viewed by 718
Abstract
This case report describes a patient (male, 10 years old) with Autism Spectrum Disorder (ASD) and multiple comorbidities, including epilepsy, gastrointestinal and sleep disturbances, and obesity. Whole-exome sequencing (WES) identified two variants of uncertain significance (VUS) in the GRID2 gene. Mutations in this [...] Read more.
This case report describes a patient (male, 10 years old) with Autism Spectrum Disorder (ASD) and multiple comorbidities, including epilepsy, gastrointestinal and sleep disturbances, and obesity. Whole-exome sequencing (WES) identified two variants of uncertain significance (VUS) in the GRID2 gene. Mutations in this gene are associated with spinocerebellar ataxia type 18 (SCA18). However, this finding did not correlate with the clinical presentation of the patient. This study evaluates the effects of Radio Electric Asymmetric Conveyer (REAC) stimulation on the cognitive–behavioral dysfunctions of a child with severe ASD and multiple comorbidities. Two stimulation protocols—Neuro Postural Optimization (NPO) and Neuro Psychophysical Optimization (NPPO)—and REAC were performed sequentially. After five weeks of treatment, a 34.9% reduction in total scores on the Autism Treatment Evaluation Checklist (ATEC) and an 8.2% on the Autism Behavior Checklist (ABC) were observed. Assessment of the severity of ASD symptoms using the Childhood Autism Rating Scale (CARS) tool showed less pronounced improvement. The REAC intervention yielded a reduction in Social Relating impairment and an improvement in Sensory/Cognitive Awareness. Further research in this area should employ extended REAC protocols to replicate and amplify clinical responses among individuals with ASD. Full article
(This article belongs to the Special Issue Mental Health and Psychiatric Disorders of Children and Adolescents)
Show Figures

Figure 1

29 pages, 15997 KB  
Article
Conductivity of Filled Diblock Copolymer Systems: Identifying the Main Influencing Factors
by A. I. Chervanyov
Polymers 2025, 17(11), 1502; https://doi.org/10.3390/polym17111502 - 28 May 2025
Viewed by 399
Abstract
By developing and making use of the multi-scale theoretical approach, we identify the main factors that affect the conductivity of a composite composed of a diblock copolymer (DBC) system and conductive particles. This approach relies on the consistent phase-field model of DBC, Monte-Carlo [...] Read more.
By developing and making use of the multi-scale theoretical approach, we identify the main factors that affect the conductivity of a composite composed of a diblock copolymer (DBC) system and conductive particles. This approach relies on the consistent phase-field model of DBC, Monte-Carlo simulations of the filler localization in DBC, and the resistor network model that mimics the conductive filler network formed in DBC. Based on the described approach, we thoroughly explore the relation among the morphological state of the microphase-separated DBC, localization of fillers in DBC, and the electrical response of the composite. Good agreement with experimental results confirms the accuracy of our theoretical predictions regarding the localization of fillers in the DBC microphases. The main factors affecting the composite conductivity are found to be: (i) affinities of fillers for copolymer blocks; (ii) degree of the segregation of a host DBC system, driven by external stimuli; (iii) geometry of the microphases formed in the microphase-separated DBC; and (iv) interactions between fillers. The conductor-insulator transition in the filler network is found to be caused by the order-disorder transition in the symmetric DBC. The order-order transition between the ordered lamellae and cylindrical microphases of asymmetric DBC causes a spike in the composite conductivity. Full article
Show Figures

Figure 1

19 pages, 8435 KB  
Article
Method for Network-Wide Characteristics in Multi-Terminal DC Distribution Networks During Asymmetric Short-Circuit Faults
by Xinhao Li, Qianmin Li, Hanwei Li, Xinze Zhou and Zhihui Dai
Electronics 2025, 14(6), 1120; https://doi.org/10.3390/electronics14061120 - 12 Mar 2025
Viewed by 703
Abstract
With the widespread integration of distributed energy resources and novel loads, the DC attributes of distribution networks are becoming increasingly pronounced. Multi-terminal flexible DC distribution networks have emerged as a trend for future distribution grids due to lower line losses, better power quality, [...] Read more.
With the widespread integration of distributed energy resources and novel loads, the DC attributes of distribution networks are becoming increasingly pronounced. Multi-terminal flexible DC distribution networks have emerged as a trend for future distribution grids due to lower line losses, better power quality, etc. However, owing to their low damping and inertia, the multi-terminal flexible DC distribution network is vulnerable to DC faults. Analyzing the fault characteristics and calculating the fault current level is of great significance for the design of relay protection systems and the optimization of associated parameters. Throughout the fault process, the discharge paths of multiple converters are mutually coupled, and the fault characteristics are complex, which poses a great challenge to short-circuit calculations. This paper proposes a method for calculating the characteristic quantities of the whole network throughout the asymmetric short-circuit fault in a multi-terminal flexible DC distribution network. During the capacitor discharge stage, an equivalent model of the fault port is established before the control response. During the fault ride-through stage, a transfer matrix that takes into account the electrical constraints on both the AC and DC sides of the converters is proposed by combining the equivalent circuit of fully controlled converters. Finally, a simulation model of a six-terminal flexible DC distribution network is developed in PSCAD/EMTDC, and the simulation results demonstrate that the proposed method expands the calculation range from faulty branch to network-wide characteristic quantities throughout the process of asymmetric short-circuit faults, with the maximum relative error remaining below 5%. Full article
(This article belongs to the Special Issue Efficient and Resilient DC Energy Distribution Systems)
Show Figures

Figure 1

18 pages, 3323 KB  
Article
Curvature-Induced Electrical Properties of Two-Dimensional Electrons on Carbon Nanotube Springs
by Jakkapong Charoenpakdee, Artit Hutem and Sutee Boonchui
Symmetry 2025, 17(3), 316; https://doi.org/10.3390/sym17030316 - 20 Feb 2025
Viewed by 706
Abstract
This study investigates the mechanisms driving current generation, power output, and charge storage in carbon nanotube springs under mechanical strain, addressing the gap between experimental observations and theoretical modeling, particularly in asymmetric electrical responses. Leveraging the Dirac equation in curved spacetime, we analyze [...] Read more.
This study investigates the mechanisms driving current generation, power output, and charge storage in carbon nanotube springs under mechanical strain, addressing the gap between experimental observations and theoretical modeling, particularly in asymmetric electrical responses. Leveraging the Dirac equation in curved spacetime, we analyze how curvature-induced scalar and pseudo-gauge potentials shape two-dimensional electron gases confined to carbon nanotube springs. We incorporate applied mechanical strain by introducing time-dependent variations in the Lamé coefficient and curvature parameters, enabling the analysis of mechanical deformation’s influence on electrical properties. Our model clarifies asymmetric electrical responses during stretching and compression cycles and explains how strain-dependent power outputs arise from the interplay between mechanical deformation and curvature effects. Additionally, we demonstrate mechanisms by which strain influences charge redistribution within the helically coiled structure. We develop a new equivalent circuit model linking mechanical deformation directly to electronic behavior, bridging theoretical physics with practical electromechanical applications. The analysis reveals asymmetric time-dependent currents, enhanced power output during stretching, and strain-dependent charge redistribution. Fourier analysis uncovers dominant frequency components (primary at Ω, harmonic at 2Ω) explaining these asymmetries. Theoretical investigations explain the mechanisms behind the curvature-driven time-dependent current source, the frequency-dependent peak power, the characteristics of open-circuit voltage with strain, and the asymmetric electrical property response under applied strain as the generated current and the charge distribution within the carbon nanotube springs. These findings highlight carbon nanotube springs applied to energy harvesting, wearable electronics, and sensing technologies. Full article
(This article belongs to the Section Physics)
Show Figures

Figure 1

29 pages, 10283 KB  
Article
Multi-Fault-Tolerant Operation of Grid-Interfaced Photovoltaic Inverters Using Twin Delayed Deep Deterministic Policy Gradient Agent
by Shyamal S. Chand, Branislav Hredzak and Maurizio Cirrincione
Energies 2025, 18(1), 44; https://doi.org/10.3390/en18010044 - 26 Dec 2024
Cited by 2 | Viewed by 1259
Abstract
The elevated penetration of renewable energy has seen a significant increase in the integration of inverter-based resources (IBRs) into the electricity network. According to various industrial standards on interconnection and interoperability, IBRs should be able to withstand variability in grid conditions. Positive sequence [...] Read more.
The elevated penetration of renewable energy has seen a significant increase in the integration of inverter-based resources (IBRs) into the electricity network. According to various industrial standards on interconnection and interoperability, IBRs should be able to withstand variability in grid conditions. Positive sequence voltage-oriented control (PSVOC) with a feed-forward decoupling approach is often adopted to ensure closed-loop control of inverters. However, the dynamic response of this control scheme deteriorates during fluctuations in the grid voltage due to the sensitivity of proportional–integral controllers, the presence of the direct- and quadrature-axis voltage terms in the cross-coupling, and predefined saturation limits. As such, a twin delayed deep deterministic policy gradient-based voltage-oriented control (TD3VOC) is formulated and trained to provide effective current control of inverter-based resources under various dynamic conditions of the grid through transfer learning. The actor–critic-based reinforcement learning agent is designed and trained using the model-free Markov decision process through interaction with a grid-connected photovoltaic inverter environment developed in MATLAB/Simulink® 2023b. Using the standard PSVOC method results in inverter input voltage overshoots of up to 2.50 p.u., with post-fault current restoration times of as high as 0.55 s during asymmetrical faults. The designed TD3VOC technique confines the DC link voltage overshoot to 1.05 p.u. and achieves a low current recovery duration of 0.01 s after fault clearance. In the event of a severe symmetric fault, the conventional control method is unable to restore the inverter operation, leading to integral-time absolute errors of 0.60 and 0.32 for the currents of the d and q axes, respectively. The newly proposed agent-based control strategy restricts cumulative errors to 0.03 and 0.09 for the d and q axes, respectively, thus improving inverter regulation. The results indicate the superior performance of the proposed control scheme in maintaining the stability of the inverter DC link bus voltage, reducing post-fault system recovery time, and limiting negative sequence currents during severe asymmetrical and symmetrical grid faults compared with the conventional PSVOC approach. Full article
(This article belongs to the Special Issue Advances in Electrical Power System Quality)
Show Figures

Figure 1

11 pages, 1091 KB  
Article
4D Printing Self-Sensing and Load-Carrying Smart Components
by Yi Qin, Jianxin Qiao, Shuai Chi, Huichun Tian, Zexu Zhang and He Liu
Materials 2024, 17(23), 5903; https://doi.org/10.3390/ma17235903 - 2 Dec 2024
Cited by 1 | Viewed by 1144
Abstract
In the past decade, 4D printing has received attention in the aerospace, automotive, robotics, and biomedical fields due to its lightweight structure and high productivity. Combining stimulus-responsive materials with 3D printing technology, which enables controllable changes in shape and mechanical properties, is a [...] Read more.
In the past decade, 4D printing has received attention in the aerospace, automotive, robotics, and biomedical fields due to its lightweight structure and high productivity. Combining stimulus-responsive materials with 3D printing technology, which enables controllable changes in shape and mechanical properties, is a new technology for building smart bearing structures. A multilayer smart truss structural component with self-sensing function is designed, and an internal stress calibration strategy is established to better adapt to asymmetric loads. A material system consisting of continuous carbon fibers and polylactic acid was constructed, and an isosceles trapezoidal structure was chosen as the basic configuration of the smart component. The self-inductive properties are described by analyzing the relationship between the pressure applied to the specimen and the change in the specimen’s own resistance. Load-carrying capacity is realized by electrically heating the continuous carbon fibers in the component. Thermal deformation calibrates internal stress and enhances the load-carrying ability of the component over 50%. The experimental results demonstrate that the truss structure designed in this paper has strong self-induction, self-driving ability, and asymmetric load adaptation ability at the same time. This verifies that the 4D-printed smart component can be used as a load-carrying element, which broadens the application scope of smart components. Full article
Show Figures

Figure 1

25 pages, 3439 KB  
Article
Research on Multi-Microgrid Electricity–Carbon Collaborative Sharing and Benefit Allocation Based on Emergy Value and Carbon Trading
by Yanhe Yin, Yong Xiao, Zhijie Ruan, Yuxin Lu, Jizhong Zhu, Linying Huang and Jing Lan
Electronics 2024, 13(17), 3394; https://doi.org/10.3390/electronics13173394 - 26 Aug 2024
Cited by 3 | Viewed by 1690
Abstract
In response to climate change, the proportion of renewable energy penetration is increasing daily. However, there is a lack of flexible energy transfer mechanisms. The optimization effect of low-carbon economic dispatch in a single park is limited. In the context of the sharing [...] Read more.
In response to climate change, the proportion of renewable energy penetration is increasing daily. However, there is a lack of flexible energy transfer mechanisms. The optimization effect of low-carbon economic dispatch in a single park is limited. In the context of the sharing economy, this study proposes a research method for multi-park electricity sharing and benefit allocation based on carbon credit trading. Firstly, a framework for multi-park system operation is constructed, and an energy hub model is established for the electrical, cooling, and heating interconnections with various energy conversions. Secondly, a park carbon emission reduction trading model is established based on the carbon credit mechanism, further forming an optimal economic and environmental dispatch strategy for multi-park electricity sharing. Matlab+Gurobi is used for solving. Then, based on asymmetric Nash bargaining, the comprehensive contribution rate of each park is calculated by considering their energy contribution and carbon emission reduction contribution, thereby achieving a fair distribution of cooperation benefits among multiple parks. The results show that the proposed method can effectively reduce the overall operational cost of multiple parks and decrease carbon emissions, and the benefit allocation strategy used is fair and reasonable, effectively motivating the construction of new energy in parks and encouraging active participation in cooperative operations by all parks. Full article
Show Figures

Figure 1

22 pages, 14183 KB  
Article
Microwave Bow-Tie Diodes on Bases of 2D Semiconductor Structures
by Steponas Ašmontas, Maksimas Anbinderis, Aurimas Čerškus, Jonas Gradauskas, Andžej Lučun and Algirdas Sužiedėlis
Crystals 2024, 14(8), 720; https://doi.org/10.3390/cryst14080720 - 11 Aug 2024
Cited by 3 | Viewed by 1067
Abstract
Planar microwave bow-tie diodes on bases of selectively doped semiconductor structures are successfully used in the detection and imaging of electromagnetic radiation in millimeter and submillimeter wavelength ranges. Although the signal formation mechanism in these high-frequency diodes is said to be based on [...] Read more.
Planar microwave bow-tie diodes on bases of selectively doped semiconductor structures are successfully used in the detection and imaging of electromagnetic radiation in millimeter and submillimeter wavelength ranges. Although the signal formation mechanism in these high-frequency diodes is said to be based on charge-carrier heating in a semiconductor in a strong electric field, the nature of the electrical signal across the bow-tie diodes is not yet properly identified. In this research paper, we present a comprehensive study of a series of various planar bow-tie diodes, starting with a simple asymmetrically shaped submicrometer-thick n-GaAs layer and finishing with bow-tie diodes based on selectively doped GaAs/AlGaAs structures of different electrical conductivity. The planar bow-tie diodes were fabricated on two different types of high-resistivity substrates: bulky semi-insulating GaAs substrate and elastic dielectric polyimide film of micrometer thickness. The microwave diodes were investigated using DC and high-frequency probe stations, which allowed us to examine a sufficient number of diodes and collect a large amount of data to perform a statistical analysis of the electrical parameters of these diodes. The use of probe stations made it possible to analyze the properties of the bow-tie diodes and clarify the nature of the detected voltage in the dark and under white-light illumination. The investigation revealed that the properties of various bow-tie diodes are largely determined by the energy states residing in semiconductor bulk, surface, and interfaces. It is most likely that these energy states are responsible for the slow relaxation processes observed in the studied bow-tie diodes. Full article
(This article belongs to the Section Inorganic Crystalline Materials)
Show Figures

Figure 1

22 pages, 7167 KB  
Article
Harmonic Sequence Component Model-Based Small-Signal Stability Analysis in Synchronous Machines during Asymmetrical Faults
by Oscar C. Zevallos, Yandi A. Gallego Landera, Lesyani León Viltre and Jaime Addin Rohten Carrasco
Energies 2024, 17(15), 3634; https://doi.org/10.3390/en17153634 - 24 Jul 2024
Viewed by 1387
Abstract
Power systems are complex and often subject to faults, requiring accurate mathematical models for a thorough analysis. Traditional time-domain models are employed to evaluate the dynamic response of power system elements during transmission system faults. However, only the positive sequence components are considered [...] Read more.
Power systems are complex and often subject to faults, requiring accurate mathematical models for a thorough analysis. Traditional time-domain models are employed to evaluate the dynamic response of power system elements during transmission system faults. However, only the positive sequence components are considered for unbalanced faults, so the small-signal stability analysis is no longer accurate when assuming balanced conditions for asymmetrical faults. The dynamic phasor approach extends traditional models by representing synchronous machines with harmonic sequence components, making it suitable for an unbalanced condition analysis and revealing dynamic couplings not evident in conventional methods. By modeling electrical and mechanical equations with harmonic sequence components, the study implements an eigenvalue sensitivity analysis and participation factor analysis to identify the variable with significant participation in the critical modes and consequently in the dynamic response of synchronous machines during asymmetric faults, thereby control strategies can be proposed to improve system stability. The article validates the dynamic phasor model through simulations of a single-phase short circuit, demonstrating its accuracy and effectiveness in representing the transient and dynamic behavior of synchronous machines, and correctly identifies the harmonic sequence component with significant participation in the critical modes identified by the eigenvalue sensitivity to the rotor angular velocity and rotor angle. Full article
(This article belongs to the Section F: Electrical Engineering)
Show Figures

Figure 1

22 pages, 14186 KB  
Article
An Efficient Pulse Circuit Design for Magnetic Stimulation with Diversified Waveforms and Adjustable Parameters
by Xiao Fang, Tao Zhang, Yaoyao Luo and Shaolong Wang
Sensors 2024, 24(12), 3839; https://doi.org/10.3390/s24123839 - 13 Jun 2024
Cited by 3 | Viewed by 2247
Abstract
As a noninvasive neuromodulation technique, transcranial magnetic stimulation (TMS) has important applications both in the exploration of mental disorder causes and the treatment of mental disorders. During the stimulation, the TMS system generates the intracranial time-varying induced E-field (E-field), which alters the membrane [...] Read more.
As a noninvasive neuromodulation technique, transcranial magnetic stimulation (TMS) has important applications both in the exploration of mental disorder causes and the treatment of mental disorders. During the stimulation, the TMS system generates the intracranial time-varying induced E-field (E-field), which alters the membrane potential of neurons and subsequently exerts neural regulatory effects. The temporal waveform of the induced E-fields is directly related to the stimulation effect. To meet the needs of scientific research on diversified stimulation waveforms and flexible adjustable stimulation parameters, a novel efficient pulse magnetic stimulation circuit (the EPMS circuit) design based on asymmetric cascaded multilevel technology is proposed in this paper. Based on the transient analysis of the discharge circuit, this circuit makes it possible to convert the physical quantity (the intracranial induced E-field) that needs to be measured after magnetic stimulation into easily analyzable electrical signals (the discharge voltage at both ends of the stimulation coil in the TMS circuit). This EPMS circuit can not only realize monophasic and biphasic cosine-shaped intracranial induced E-fields, which are widely used in the market, but also realize three types of new intracranial induced E-field stimulation waveform with optional amplitude and adjustable pulse width, including monophasic near-rectangular, biphasic near-rectangular and monophasic/biphasic ladder-shaped stimulation waveform, which breaks through the limitation of the stimulation waveform of traditional TMS systems. Among the new waveforms produced by the EPMS circuit, further research was conducted on the dynamic response characteristics of neurons under the stimulation of the biphasic four-level waveform (the BFL waveform) with controllable parameters. The relationship between TMS circuit parameters (discharge voltage level and duration) and corresponding neural response characteristics (neuron membrane potential change and neuronal polarizability ratio) was explained from a microscopic perspective. Accordingly, the biological physical quantities (neuronal membrane potential) that are difficult to measure can be transformed into easily analyzable electrical signals (the discharge voltage level and duration). Results showed that compared with monophasic and biphasic cosine induced E-fields with the same energy loss, the neuron polarization ratio is decreased by 54.5% and 87.5%, respectively, under the stimulation of BFL waveform, which could effectively enhance the neuromodulation effect and improve the stimulation selectivity. Full article
(This article belongs to the Section Electronic Sensors)
Show Figures

Figure 1

12 pages, 3365 KB  
Article
Bias-Tunable Quantum Well Infrared Photodetector
by Gyana Biswal, Michael Yakimov, Vadim Tokranov, Kimberly Sablon, Sergey Tulyakov, Vladimir Mitin and Serge Oktyabrsky
Nanomaterials 2024, 14(6), 548; https://doi.org/10.3390/nano14060548 - 20 Mar 2024
Cited by 7 | Viewed by 2908
Abstract
With the rapid advancement of Artificial Intelligence-driven object recognition, the development of cognitive tunable imaging sensors has become a critically important field. In this paper, we demonstrate an infrared (IR) sensor with spectral tunability controlled by the applied bias between the long-wave and [...] Read more.
With the rapid advancement of Artificial Intelligence-driven object recognition, the development of cognitive tunable imaging sensors has become a critically important field. In this paper, we demonstrate an infrared (IR) sensor with spectral tunability controlled by the applied bias between the long-wave and mid-wave IR spectral regions. The sensor is a Quantum Well Infrared Photodetector (QWIP) containing asymmetrically doped double QWs where the external electric field alters the electron population in the wells and hence spectral responsivity. The design rules are obtained by calculating the electronic transition energies for symmetric and antisymmetric double-QW states using a Schrödinger–Poisson solver. The sensor is grown and characterized aiming detection in mid-wave (~5 µm) to long-wave IR (~8 µm) spectral ranges. The structure is grown using molecular beam epitaxy (MBE) and contains 25 periods of coupled double GaAs QWs and Al0.38Ga0.62As barriers. One of the QWs in the pair is modulation-doped to provide asymmetry in potential. The QWIPs are tested with blackbody radiation and FTIR down to 77 K. As a result, the ratio of the responsivities of the two bands at about 5.5 and 8 µm is controlled over an order of magnitude demonstrating tunability between MWIR and LWIR spectral regions. Separate experiments using parameterized image transformations of wideband LWIR imagery are performed to lay the framework for utilizing tunable QWIP sensors in object recognition applications. Full article
(This article belongs to the Special Issue Graphene-Based Optoelectronic and Plasmonic Devices)
Show Figures

Figure 1

Back to TopTop