Next Article in Journal
The Effect of Cell Immobilization by Calcium Alginate on Bacterially Induced Calcium Carbonate Precipitation
Next Article in Special Issue
Tuning of the Carbon-to-Nitrogen Ratio for the Production of l-Arginine by Escherichia coli
Previous Article in Journal
Lactobacillus rhamnosus GR-1 in Fermented Rice Pudding Supplemented with Short Chain Inulin, Long Chain Inulin, and Oat as a Novel Functional Food
Previous Article in Special Issue
Utilization of Volatile Fatty Acids from Microalgae for the Production of High Added Value Compounds
 
 
Font Type:
Arial Georgia Verdana
Font Size:
Aa Aa Aa
Line Spacing:
Column Width:
Background:
Article

Techno-Economic and Life Cycle Assessment of Wastewater Management from Potato Starch Production: Present Status and Alternative Biotreatments

Swedish Centre for Resource Recovery, University of Borås, 501 90 Borås, Sweden
*
Author to whom correspondence should be addressed.
Fermentation 2017, 3(4), 56; https://doi.org/10.3390/fermentation3040056
Submission received: 13 September 2017 / Revised: 13 October 2017 / Accepted: 16 October 2017 / Published: 23 October 2017
(This article belongs to the Special Issue Bioconversion Processes)

Abstract

Potato liquor, a byproduct of potato starch production, is steam-treated to produce protein isolate. The heat treated potato liquor (HTPL), containing significant amounts of organic compounds, still needs to be further treated before it is discarded. Presently, the most common strategy for HTPL management is concentrating it via evaporation before using it as a fertilizer. In this study, this scenario was compared with two biotreatments: (1) fermentation using filamentous fungus R. oryzae to produce a protein-rich biomass, and (2) anaerobic digestion of the HTPL to produce biogas. Technical, economic and environmental analyses were performed via computational simulation to determine potential benefits of the proposed scenarios to a plant discarding 19.64 ton/h of HTPL. Fungal cultivation was found to be the preferred scenario with respect to the economic aspects. This scenario needed only 46% of the investment needed for the evaporation scenario. In terms of the environmental impacts, fungal cultivation yielded the lowest impacts in the acidification, terrestrial eutrophication, freshwater eutrophication, marine eutrophication and freshwater ecotoxicity impact categories. The lowest impact in the climate change category was obtained when using the HTPL for anaerobic digestion.

Graphical Abstract

1. Introduction

Potato is one of the most important food crops in the world, and it accounts for 13.3% of the starch produced in the European Union (EU). The processing of potato to produce starch results in two major byproducts: potato pulp (PP) and potato liquor (PL). PP contains the insoluble polysaccharides cellulose, hemicellulose, pectin and residual starch. Proteins, minerals and trace elements in high concentrations, are the major ingredients of PL [1]. Each metric ton of processed potato yields approximately 200 kg of starch and generates ca 700 kg PL [2] containing 30–41% protein per total solid (TS) [3]. The proteins present in the PL are of good quality, similar to those of whole eggs [3]. Different methods to recover these proteins have been reported. They include thermal coagulation, acid precipitation, salting out, isoelectric precipitation, complexing with carboxymethylcellulose or bentonite, ultrafiltration, expanded bed adsorption and dry separation [3,4,5,6]. However, the only method that is presently being used for industrial recovery of protein from PL is heat coagulation [3,4,5,6,7]. In this method, steam is injected into the liquor at a pH of 5.5 to increase the temperature to 99 °C. This coagulates the proteins, which are then precipitated and collected [8]. However, the proteins obtained by this method lose their functional properties and are mostly used as an additive to cattle feed. Moreover, they have a salty, bitter taste, which prevents them from being used as food additives [3,7,9]. After the proteins have been removed from PL, the residual liquid—called HTPL—is further evaporated at 140 °C to produce potato protein liquor (PPL), containing 40% (w/w) TS [1].
The most common method to manage PPL is to use it as fertilizer. However, most potato processing occurs during the winter. The reduced biological activity in the soil during this period prevents the uptake of the liquor, which forces the potato starch facilities to store large volumes of PPL for several months [9]. Additionally, the use of PPL as fertilizer causes contamination of groundwater and emits a bad odor that can disturb citizens living in neighboring areas [10]. However, as mentioned above, despite the high content of residual proteins in the PPL, they are of poor quality, hence preventing them from being used as a supplement for cattle feed [1].
A few alternative management strategies for PPL have been presented in the literature. The biodegradable nature of the byproduct has stimulated its use in bioprocesses to produce yeast biomass [11], acetate and ethanol [12], enzymes [10] and fungal protein [13]. Additionally, the filamentous zygomycete fungus Rhizopus oryzae has been used to reduce the chemical oxygen demand (COD) of the PPL and produce a protein-rich biomass with a potential application as fish feed [1].
One of the reasons for the growing interest in producing supplements for fish feed is that aquaculture has been growing at about 8% per year since the late 1970s, which is higher than the rate of human population growth. It has been suggested that the reason for this large growth is the widespread knowledge of the importance of fish for a healthy lifestyle, mainly because fish contains ω-3 polyunsaturated fatty acids. Fish feed is a major cost in intensive fish farming [14], and zygomycete fungi can be used as a substitute for fish feed [15]. These are filamentous fungi that contain large amounts of polyunsaturated fatty acids and protein, resulting in an increased content of these components in the fish feed [16]. Ferreira et al. (2016) [17] reported that ascomycete biomass (which has protein and fatty acid compositions comparable to zygomycete) is a good substitute for soybean-based feeds in the diet of animals like poultry, cattle, chicken and fish.
Among the zygomycete strains that have been investigated for fish feed, R. oryzae is a promising microorganism. R. oryzae has been used for many centuries in Asian cuisine to prepare fermented food, such as tempeh. Therefore, it is Generally Regarded As Safe (GRAS), which is a very favorable property when investigating its potential use as animal feed [18]. Due to these arguments, the possibility of using HTPL to cultivate R. oryzae is studied in this work. Alternatively, HTPL can be used in anaerobic digestion (AD) to produce biogas. AD is considered to be a sustainable form of treating industrial waste while simultaneously producing energy in the form of biogas [2]. Production of biogas from waste can have several benefits, including reduction in the costs of waste treatment, contribution to global energy needs using relatively cheap feedstock, and lower environmental impact than conventional types of energy [19].
In the present study, techno-economic and life cycle assessments of the treatment and use of HTPL are performed for three scenarios. The current strategy of PPL production is compared with two alternative scenarios where the HTPL is used for (i) the cultivation of filamentous fungus R. oryzae biomass or (ii) the production of biogas. The data used in the analyses are obtained from experiment, the literature and industrial potato starch production plants.

2. Materials and Methods

2.1. Process Description

This study is based on a typical plant producing potato starch that operates for a period of six months per year. It processes 300,000 metric tons of potato, produces 62,000 metric tons of starch and discards 210,000 m3 of PL per six month period. The pH of the liquor is adjusted to 5.3 before the dissolved proteins are coagulated by injecting steam with a temperature of 140 °C. The HTPL (i.e., the remaining liquid after protein removal) was characterized by Fang et al. (2011) [2].

2.1.1. Concentration of HTPL by Evaporation (Evaporation Scenario)

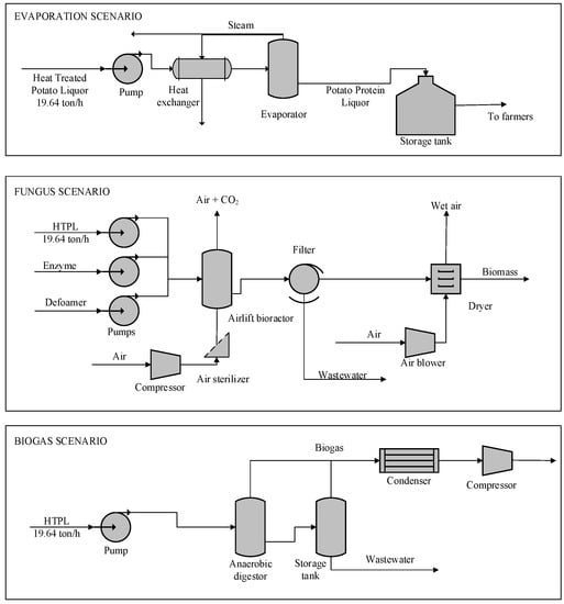
HTPL is evaporated to produce steam that is used at the same facility. After protein coagulation, approximately 84,848 metric tons of HTPL (per six month operational period) containing 3.3% (w/w) TS is sent to a boiler to be concentrated to PPL containing 40% (w/w) TS. The PPL was characterized by Souza Filho et al. (2017) [1]. Evaporation occurs at 122 °C and 2 bar and at a flow rate of 19.64 ton/h of HTPL, producing 18.1 ton/h of steam and 1.5 ton/h of PPL. Part of the steam (15%) is used to preheat the HTPL and the remaining part is used for other operations at the same facility. The process flow diagram (PFD) of this scenario is presented in Figure 1.

2.1.2. Cultivation of Filamentous Fungus in HTPL (Fungus Scenario)

Experimental studies by Souza Filho et al. (2017) [1] indicate that R. oryzae grow best in the PPL waste stream when it is diluted back to 1:9 (i.e., 1 volume of PPL to 9 volumes of water). Therefore, the stream before concentration (i.e., the HTPL stream) is used in this modelling to cultivate R. oryzae under aerobic conditions using an airlift bioreactor. This type of bioreactor uses air, which is sparged in the medium, as the sole source of agitation. The aeration rate used in the reactor was calculated to keep the same gas holdup used by Souza Filho et al. (2017) [1]. The terminal velocity of a spherical bubble (vt) in a bubble column is given by the Stokes’ law:
v t = g · d 2 · ( ρ l ρ g ) 18 · μ l ,
where g is the gravitational acceleration, d is the diameter of the bubble, ρl is the density of the medium, ρg is the density of the bubble and μl is the dynamic viscosity of the medium. The time it takes for a bubble to leave the liquid (Δt) is:
Δ t = H v t ,
where H is the height of the liquid column. During this time the volume of gas injected into the reactor (Vair) is:
V a i r = Q a i r · Δ t ,
where Qair is the air flow rate. The gas holdup (ε), defined as the volume of air divided by the volume of liquid present in the reactor, is:
ε = V a i r V l i q u i d = Q a i r · Δ t V l i q u i d = Q a i r · H v t · V l i q u i d ,
Assuming that the properties of the liquid and gas phases are the same in the experimental work and in the simulation (i.e., vt is constant), and that the gas holdup is the same in experiment and in the simulation, then the air flow rate in the simulated reactor can be calculated from the experimental data using:
Q a i r 2 = Q a i r 1 · H 1 V l i q u i d 1 · V l i q u i d 2 H 2 ,
The subscript 2 represents the properties in the simulated reactor and the subscript 1 the properties in the reactor used in the previous work. The height:diameter ratio of the simulated reactor was kept the same as the one used in the experimental work by Souza Filho et al. (2017) [1].
The proteins present in the HTPL induce the formation of foam [7]. Therefore, 0.2% (v/v of HTPL) defoamer is used in the reactor. Moreover, invertase is added at a proportion of 32.6 U per g of HTPL to assist the hydrolysis of the sucrose in the medium. After cultivation, the broth is sent to filters to separate the fermented broth from the fungal biomass. The broth containing low COD is sent to a wastewater treatment plant. The collected biomass is dried using hot air and used as fish feed. The operational conditions used in this simulation are presented in Table 1.

2.1.3. Anaerobic Digestion of HTPL for Biogas Production (Biogas Scenario)

Fang et al. (2011) [2] have investigated the production of biogas from HTPL using an expanded granular sludge bed (EGSB) reactor. They found that the bioreactor can be operated continuously at a hydraulic retention time of 8 days, removing 87% of the COD in the form of biogas. The specifications that were used to simulate the biogas digester are presented in Table 2. The digestate resulting from the biogas production was kept in a storage tank for 20 h to remove the residual methane dissolved before being sent to a wastewater treatment plant. It was assumed that the biogas that is produced is used directly, without upgrading, in a combined heat and power (CHP) plant in the vicinity of the facility that produces the potato starch. The biogas is compressed to 5 bar before being sent to the gas grid.

2.2. Energy, Equipment, and Economic Analyses

The energy, equipment and economic aspects were studied using Aspen Plus® V9 (Aspentech, Burlington, MA, USA) integrated with Aspen Energy Analyzer. The simulated data was exported to the Aspen Process Economic Analyzer software, where economic assumptions were entered. All economic assumptions used in this study are listed in Table 3. A modified version of the activity coefficient model NRTL (i.e., ELECNRTL) was used in all of the scenarios to include the effect of the electrolytes present in the HTPL. All of the equipment was made of stainless steel or carbon steel. The simulations included the purchase of one back-up pump identical to the original pump for all pumps. No further sterilization of the HTPL was considered in the fungus scenario, since the HTPL passes a heat treatment process in the starch plant. Contamination risks were not considered during the economic evaluation of the Fungus Scenario.
The price of fungal biomass was estimated using the price of fish meal adjusted by a factor based on the digestible protein content of both materials (see Table 3). The biogas price was calculated according to the market price of biogas in Sweden and the low heat value of the produced biogas. The revenue from the steam produced in the evaporation scenario is calculated from the regular steam price (see Table 3), even though it is used in the same plant. Economic calculations using the Aspen Process Economic Analyzer (Aspentech, Burlington, MA, USA) were performed based on the prices from the first quarter of 2015. Capital costs, operating costs, product sales and net present value (NPV) were calculated considering a lifetime of the plant of 20 years.

2.3. Life Cycle Assessment (LCA)

This study uses a Consequential Life Cycle Assessment (CLCA) approach. CLCA assesses the environmental impact of products and yields information regarding the consequences as a result of marginal changes [26]. Therefore, it includes activities that are directly or indirectly affected by a marginal change in the level of output of a product [27]. Within the CLCA approach, system expansion is used to handle coproducts. In this method, the boundaries of the system are expanded to include the environmental impacts of alternative processes that produce the same products or functions as the studied coproducts [28]. The main product in this study is the supply of a treatment service, i.e., the service of treating the HTPL for further use. The coproducts are considered to substitute products that are already available on the market [29]. The products that are substituted are shown in Table 4.

2.3.1. System Boundaries, Functional Unit, and Environmental Impact Categories

The system boundaries for the three scenarios are show in Figure 2. It is assumed that the geographical boundaries for the systems are within Sweden. The functional unit is the treatment of one ton of HTPL residue. It is assumed that the waste material enters the system burden free, i.e., without any environmental impact associated with it. The selected environmental impact categories were global warming potential, acidification, fresh water ecotoxicity, as well as terrestrial, marine and freshwater eutrophication. The life cycle impact assessment (LCIA) methodologies recommended by the International Reference Life Cycle Data System (ILCD) were used [33]. The selection of the impact categories allows comparison of the systems for different environmental burdens and geographical scales (global and regional), in order to be able to identify and avoid solutions that could decrease local impacts but increase global burdens or vice versa [34]. The calculations were done using SimaPro v.8.3 (PRé Sustainability: Amersfoort, The Netherlands).

2.3.2. Basic Assumptions and Data Sources

Fungal Biomass
It was assumed that the fungal biomass is used to replace conventional fish meal in the market [35]. Table 5 shows the values for energy and protein content of the biomass and the fish meal. The substitution rate of the fish meal by the fungal biomass used the same factor previously mentioned for the economic analysis and that is shown in Table 3.
Treatment of Wastewater
The effluent after the fungi cultivation (fungus scenario) or the AD (biogas scenario) requires further treatment. The wastewater treatment was adapted from the process “Wastewater from potato starch production” from EcoInvent Consequential database [31] based on the wastewater composition from Souza Filho et al. (2017) [1] and Fang et al. (2011) [2] for the fungus and biogas scenarios, respectively.
Nutrient Recovery
The PPL in the evaporation scenario is used as organic fertilizer for nitrogen and potassium. It was assumed that this organic fertilizer substitutes—and hence avoids the production of—the mineral fertilizers calcium ammonium nitrate and potassium chloride [30]. The emissions to air and water when using nitrogen for fertilizer on land used data from Tonini, Hamelin [30], which are average values in the literature regarding emissions to air and water from organic residues used as fertilizer [36,37,38].
Transportation of Coproducts
The PPL produced in the evaporation scenario is collected by farmers and transported an average of 100 km. The fungal biomass produced in the fungus scenario was considered to be transported 300 km to be used as feed in aquaculture production in western Sweden, where 10% of the national fish production occurs [39].

3. Results and Discussion

Production of potato starch generates a protein-rich side stream which is exploited by the industry to produce protein isolate. The residual wastewater is given (without charge) to the farmers to be used as fertilizer. This scenario was compared to other scenarios in which the wastewater is used to produce fungal biomass for use as fish feed or to produce biogas.

3.1. Technical Analysis

In the evaporation scenario, 19,641 kg/h of HTPL are pumped to a boiler operating at 2 bar to concentrate the HTPL to PPL, which contains approximately 40% (w/w) solids. The boiler produces 18,126 kg/h of steam which is used to preheat the HTPL before it enters the boiler. Approximately 267 MW·h/day of energy are consumed in this process.
The fungus scenario, involving the production of R. oryzae biomass to be used as fish feed, was evaluated for the same flow rate used for the evaporation scenario (19,641 kg/h of HTPL during six months a year). The cultivation of R. oryzae yielded a biomass production of 2475 kg/day (445 metric tons for an operational period of six months) containing 46.6% crude protein. The energy consumption in this process is 24.5 MW·h/day, which is primarily due to the aeration of the bioreactor (95% of the energy consumed in the scenario is for aeration). A daily volume of 473.8 m3 of wastewater is discarded by the plant. An airlift bioreactor was chosen because of the improved agitation achieved in this design without the use of internal parts (e.g., impellers and baffles) in which the fungus can grow around interfering in the mass transfer [40].
In the biogas scenario, 279.1 Nm3/h of biogas containing 58.8% (v/v) of methane is produced. At this concentration, the biogas contains a low heat value of 5.47 kW·h/Nm3. The biogas production is equivalent to 36.6 MW·h/day, while the energy consumption is 11.9 MW·h/day, i.e., less than half of the energy needed for the fungus scenario. This is because the anaerobic digester uses mechanical agitation to create homogeneous conditions inside the reactor, as opposed to the airlift bioreactor used in the fungus scenario, which uses aeration as the source of agitation. This decreases the energy demand in the biogas scenario. 474.0 m3 of wastewater is generated each day. Compared to the evaporation scenario, which is presently the most common alternative in potato starch plants, both bioprocess scenarios reduce the energy consumption.

3.2. Economic Analysis

Treatment of HTPL to PPL in the evaporation scenario requires an operating cost of €1.7 million per operating period (6 months). No income when using the PPL as fertilizer was accounted for in this scenario, since PPL is given without charge to the farmers for use as fertilizer. The excess steam produced and not used to preheat the HTPL represents an income of €671,414. The capital cost for this scenario is approximately €16.5 million. The evaporation of HTPL, containing as little as 3.3% (w/w) of TS, which is required to obtain the highly-concentrated PPL, demands the highest amount of heat when compared to the other scenarios. A standard vertical vessel was used to estimate the cost of the boiler for direct steam injection. Also, a shell and tube heat exchanger was designed to preheat the HTPL. The equipment, size and construction material used in the simulation, as well as the individual prices, are presented in Table 6.
Production of fungal biomass (fungus scenario) demands much less energy. Only 9.2% of the energy presently used in the evaporation scenario would be required to produce the fungal biomass from HTPL. Cultivating the fungus on the potato starch wastewater has a capital cost of about €7.5 million. The cost of the airlift bioreactor was considered to be the same as the cost of a jacketed vertical tank. A rotary drum filter was used to collect the biomass after fermentation. Drying the biomass was achieved using a direct contact rotary dryer. The compressor used to provide air to the bioreactor was designed to provide an aeration of 0.04 vvm, and was calculated using Equation (4). The costs of the equipment are presented in Table 6. The operational cost of the plant was estimated to be €1.84 million per operating period, and the fungal biomass obtained during this period was sold as fish feed supplement for €282,150.
The biogas scenario has the lowest energy consumption (11.9 MW·h/day). The capital investment for this scenario is about €14.2 million. Operational costs are €1.4 million/period (including sending wastewater to a municipal treatment plant), and €216,785/period would be obtained from selling the biogas. Compared to the fungus scenario, the biogas scenario demands 89% more capital investment and the operational cost is 24% lower. The capital cost, operating cost and product sales for the proposed scenarios are presented in Figure 3. The digestate from the AD still contains nutrients which can be recovered in the form of fertilizer. However, the low concentration of such components in the digestate would require processes that have high energy demands, e.g., evaporation or centrifugation, or the transportation of large volumes of liquid. This would increase the costs associated with biogas scenario. Therefore, the wastewater produced in fungus and biogas scenarios is sent to the municipal wastewater treatment plant.
The NPV diagram after 10, 15 and 20 years is presented in Figure 4. No scenario returns the investment made. Fungal cultivation (fungus scenario) results in a NPV that is less negative than AD (biogas scenario). After 15 years, the NPV of the biogas scenario becomes similar to the NPV of the evaporation scenario and, at the end of the lifetime of the plant, evaporation and fungus scenarios have comparable NPV. This is caused by the large capital cost and low operational cost of the evaporation scenario, opposed to the low capital cost and large operational cost of the fungus scenario. The contrasting characteristics of the scenarios lead to a shift in the NPV during the last five years of the plant’s lifetime. Rajendran et al. [20] estimated that the capital cost for a municipal solid waste (MSW) AD plant is about 40 million USD with operating costs of about 3 million USD per year. The plant was designed to treat 55,000 m3 of MSW and to produce compressed biogas (CBG) for the transport sector. The MSW, which has a high TS content, yields 64 Nm3 of raw biogas per m3 of MSW versus 14.2 Nm3 of raw biogas per m3 of HTPL. This creates a situation where a plant can make a profit from waste treatment. In the case of the HTPL, the dilute nature of the waste stream requires larger equipment and higher energy consumption, and returns lower quantities of biogas, hence making it difficult to operate the treatment processes with a positive economic balance.

3.3. Life Cycle Assessment

Figure 5 shows the environmental impacts of the three scenarios for HTPL treatment and use. The results show that the evaporation scenario has the largest impact in all of the impact categories except freshwater ecotoxicity. This is primarily due to the impacts related to the large amount of heat required for the evaporation of HTPL to PPL, which is part of the process emissions seen in the figure. Due to this heat requirement, the evaporation scenario has a large environmental impact despite the abatement from the avoided production of mineral fertilizer (seen as nutrients recovery in Figure 5).
The fungus scenario has lower impacts than the evaporation scenario in all of the impact categories. It also has a lower impact than the biogas scenario in all of the impact categories except climate change. The lower impact of the biogas scenario on climate change is mainly due to the avoided marginal energy production, which is a result from the biogas firing in a CHP plant. It can also be noted that biogas scenario has lower impacts than the evaporation scenario in all impact categories except freshwater ecotoxicity.
The trends seen in the acidification, terrestrial eutrophication, marine eutrophication and freshwater eutrophication impact categories are the same, with the fungus scenario having the lowest impact and the evaporation scenario the highest. The impact of fungus scenario on freshwater eutrophication is 77% and 55% lower compared to the evaporation and biogas scenarios, respectively (Figure 5). The results show that for the freshwater ecotoxicity category, the fungus scenario has the best performance with impacts that are 48% and 51% lower compared to the evaporation and biogas scenarios, respectively (Figure 5).

3.4. Comparison of the Different Scenarios

The fungus scenario has the lowest impact in five out of the six environmental impact categories that were analyzed. This may indicate that it is the preferred option. However, it must be emphasized that this scenario has a larger impact than the biogas scenario in the climate change category. Since this impact category is considered by the United Nations “the single biggest threat to development” [41], this result may have a central role when selecting the preferred scenario.
The fungus scenario is also the preferred scenario according to the economic analysis, since it has the lowest capital cost and the best NPV during the first fifteen years of operation. In contrast, at the end of the plant’s lifetime, the evaporation scenario becomes economically more viable. However, the difference between the two scenarios is only 1% of the evaporation scenario’s NPV.
The evaporation scenario has the largest impact in five out of the six environmental impact categories, in addition to having the largest capital investment of all scenarios.
Since none of the scenarios was best in all of the analyzed parameters, it is not possible to draw a simple conclusion regarding the preferred scenario. A decision would ultimately be made according to the political, environmental or economic agenda of the decision-makers and identifying the crucial factors can be difficult [42]. The most important contribution of this study is to highlight the trade-offs inherently involved in the decision process.

4. Conclusions

Technical, economic and environmental analyses were performed to determine potential benefits of two proposed scenarios to a plant discarding 19.64 ton/h of HTPL. The two proposed scenarios are to use the HTPL (i) to cultivate filamentous fungus R. oryzae to produce a protein-rich biomass (fungus scenario) and (ii) to produce biogas via AD (biogas scenario). These two scenarios are compared to the most commonly used treatment method, which is concentrating the HTPL before using it as a fertilizer. Both proposed scenarios reduce the capital cost and the energy consumption of the wastewater treatment. Moreover, the current study highlights the environmental benefits of cultivating fungi in the HTPL (fungus scenario), since it has the lowest impact in acidification, freshwater ecotoxicity as well as the terrestrial, freshwater, and marine eutrophication categories. In contrast, the greenhouse gas emissions were higher from fungus scenario compared to biogas scenario, where the residue was anaerobically digested. The results show that the substituted products in the system expansion, such as mineral fertilizers, electricity and heat, substantially reduce the environmental footprints of fungus and biogas Scenarios. This study presents the techno-economic and environmental trade-offs that are necessary to take into account when selecting one of the scenarios in preference to the others.

Acknowledgments

The authors would like to acknowledge the Coordination for the Improvement of Higher Education Personel (CAPES-Brazil), and the Gunnar Ivarsson foundation for financing this work.

Author Contributions

Pedro F Souza Filho, Akram Zamani, and Mohammad J. Taherzadeh conceived and designed the simulation scenarios. Pedro Brancoli and Kim Bolton were responsible for the life cycle analysis. Pedro F Souza Filho and Pedro Brancoli wrote the paper. Kim Bolton, Akram Zamani, and Mohammad J. Taherzadeh reviewed and edited the manuscript.

Conflicts of Interest

The authors declare no conflict of interest.

Abbreviations

ADAnaerobic digestion
CBGCompressed biogas
CHPCombined heat and power
CLCAConsequential life cycle assessment
CODChemical oxygen demand
CSCarbon steel
DMDry matter
EGSBExpanded granular sludge bed
EUEuropean Union
GRASGenerally regarded as safe
HRTHydraulic retention time
HTPLHeat treated potato liquor
LCALife cycle assessment
LCIALife cycle impact assessment
MSWMunicipal solid waste
NPVNet present value
OLROrganic loading rate
PFDProcess flow diagram
PLPotato liquor
PPPotato pulp
PPLPotato protein liquor
SSStainless steel
TSTotal solids
UUnity of enzyme activity
USDUnited States dollar
VFAVolatile fatty acid

References

  1. Souza Filho, P.F.; Zamani, A.; Taherzadeh, M.J. Production of edible fungi from potato protein liquor (PPL) in airlift bioreactor. Fermentation 2017, 3, 12. [Google Scholar] [CrossRef]
  2. Fang, C.; Boe, K.; Angelidaki, I. Biogas production from potato-juice, a by-product from potato-starch processing, in upflow anaerobic sludge blanket (UASB) and expanded granular sludge bed (EGSB) reactors. Bioresour. Technol. 2011, 102, 5734–5741. [Google Scholar] [CrossRef] [PubMed]
  3. Ralet, M.-C.; Guéguen, J. Fractionation of potato proteins: Solubility, thermal coagulation and emulsifying properties. LWT-Food Sci. Technol. 2000, 33, 380–387. [Google Scholar] [CrossRef]
  4. Zhang, D.-Q.; Mu, T.-H.; Sun, H.-N.; Chen, J.-W.; Zhang, M. Comparative study of potato protein concentrates extracted using ammonium sulfate and isoelectric precipitation. Int. J. Food Prop. 2017, 20, 2113–2127. [Google Scholar] [CrossRef]
  5. Waglay, A.; Karboune, S.; Alli, I. Potato protein isolates: Recovery and characterization of their properties. Food Chem. 2014, 142, 373–382. [Google Scholar] [CrossRef] [PubMed]
  6. Strætkvern, K.O.; Schwarz, J.G. Recovery of native potato protein comparing expanded bed adsorption and ultrafiltration. Food Bioprocess Technol. 2012, 5, 1939–1949. [Google Scholar] [CrossRef]
  7. Bárta, J.; Heřmanová, V.; Diviš, J. Effect of low-molecular additives on precipitation of potato fruit juice proteins under different temperature regimes. J. Food Process Eng. 2008, 31, 533–547. [Google Scholar] [CrossRef]
  8. Klingspohn, U.; Bader, J.; Kruse, B.; Kishore, P.V.; Schuegerl, K.; Kracke-Helm, H.A.; Likidis, Z. Utilization of potato pulp from potato starch processing. Process Biochem. 1993, 28, 91–98. [Google Scholar] [CrossRef]
  9. Zwijnenberg, H.J.; Kemperman, A.J.B.; Boerrigter, M.E.; Lotz, M.; Dijksterhuis, J.F.; Poulsen, P.E.; Koops, G.-H. Native protein recovery from potato fruit juice by ultrafiltration. Desalination 2002, 144, 331–334. [Google Scholar] [CrossRef]
  10. Klingspohn, U.; Vijai Papsupuleti, P.; Schügerl, K. Production of enzymes from potato pulp using batch operation of a bioreactor. J. Chem. Technol. Biotechnol. 1993, 58, 19–25. [Google Scholar] [CrossRef]
  11. Lotz, M.; Fröhlich, R.; Matthes, R.; Schügerl, K.; Seekamp, M. Bakers’ yeast cultivation on by-products and wastes of potato and wheat starch production on a laboratory and pilot-plant scale. Process Biochem. 1991, 26, 301–311. [Google Scholar] [CrossRef]
  12. Kumar, P.K.R.; Singh, A.; Schügerl, K. Fed-batch culture for the direct conversion of cellulosic substrates to acetic acid/ethanol by Fusarium oxysporum. Process Biochem. 1991, 26, 209–216. [Google Scholar] [CrossRef]
  13. Schügerl, K.; Rosen, W. Investigation of the use of agricultural byproducts for fungal protein production. Process Biochem. 1997, 32, 705–714. [Google Scholar] [CrossRef]
  14. Olli, J.J.; Krogdahl, Å.; van den Ingh, T.S.; Brattås, L.E. Nutritive value of four soybean products in diets for atlantic salmon (Salmo salar, L.). Acta Agric. Scand. Sect. A 1994, 44, 50–60. [Google Scholar] [CrossRef]
  15. Ferreira, J.A.; Lennartsson, P.R.; Niklasson, C.; Lundin, M.; Edebo, L.; Taherzadeh, M.J. Spent sulphite liquor for cultivation of an edible Rhizopus sp. BioResources 2012, 7, 173–188. [Google Scholar]
  16. Ferreira, J.A.; Lennartsson, P.R.; Taherzadeh, M.J. Production of ethanol and biomass from thin stillage by Neurospora intermedia: A pilot study for process diversification. Eng. Life Sci. 2015, 15, 751–759. [Google Scholar] [CrossRef]
  17. Ferreira, J.A.; Mahboubi, A.; Lennartsson, P.R.; Taherzadeh, M.J. Waste biorefineries using filamentous ascomycetes fungi: Present status and future prospects. Bioresour. Technol. 2016, 215, 334–345. [Google Scholar] [CrossRef] [PubMed]
  18. Ferreira, J.A.; Lennartsson, P.R.; Edebo, L.; Taherzadeh, M.J. Zygomycetes-based biorefinery: Present status and future prospects. Bioresour. Technol. 2013, 135, 523–532. [Google Scholar] [CrossRef] [PubMed]
  19. Mao, C.; Feng, Y.; Wang, X.; Ren, G. Review on research achievements of biogas from anaerobic digestion. Renew. Sustain. Energy Rev. 2015, 45, 540–555. [Google Scholar] [CrossRef]
  20. Rajendran, K.; Kankanala, H.R.; Martinsson, R.; Taherzadeh, M.J. Uncertainty over techno-economic potentials of biogas from municipal solid waste (MSW): A case study on an industrial process. Appl. Energy 2014, 125, 84–92. [Google Scholar] [CrossRef]
  21. Indexmundi. Available online: http://www.indexmundi.com/commodities/?commodity=fish-meal (accessed on 12 September 2017).
  22. Feedipedia. Available online: https://www.feedipedia.org/node/208 (accessed on 12 September 2017).
  23. Invertase on alibaba.com. Available online: https://www.alibaba.com/product-detail/INVERTASE_60590660279.html (accessed on 12 September 2017).
  24. Defoamer for Fermentation on alibaba.com. Available online: https://www.alibaba.com/product-detail/Defoamer-for-Fermentation_1473403819.html (accessed on 12 September 2017).
  25. Joelsson, E.; Dienes, D.; Kovacs, K.; Galbe, M.; Wallberg, O. Combined production of biogas and ethanol at high solids loading from wheat straw impregnated with acetic acid: Experimental study and techno-economic evaluation. Sustain. Chem. Processes 2016, 4, 14. [Google Scholar] [CrossRef]
  26. Ekvall, T.; Weidema, B.P. System boundaries and input data in consequential life cycle inventory analysis. Int. J. Life Cycle Assess. 2004, 9, 161–171. [Google Scholar] [CrossRef]
  27. Brander, M.; Tipper, R.; Hutchison, C.; Davis, G. Technical Paper: Consequential and Attributional Approaches to LCA: A Guide to Policy Makers with Specific Reference to Greenhouse Gas LCA of Biofuels; Ecometrica Press: London, UK, 2009. [Google Scholar]
  28. Ekvall, T.; Finnveden, G. Allocation in ISO 14041—A critical review. J. Clean. Prod. 2001, 9, 197–208. [Google Scholar] [CrossRef]
  29. By-products, Recycling and Waste. Available online: https://consequential-lca.org/clca/by-products-recycling-and-waste/ (accessed on 12 September 2017).
  30. Tonini, D.; Hamelin, L.; Wenzel, H.; Astrup, T. Bioenergy production from perennial energy crops: A consequential LCA of 12 bioenergy scenarios including land use changes. Environ. Sci. Technol. 2012, 46, 13521–13530. [Google Scholar] [CrossRef] [PubMed]
  31. Wernet, G.; Bauer, C.; Steubing, B.; Reinhard, J.; Moreno-Ruiz, E.; Weidema, B. The Ecoinvent database version 3 (part I): Overview and methodology. Int. J. Life Cycle Assess. 2016, 21, 1218–1230. [Google Scholar] [CrossRef]
  32. Fréon, P.; Durand, H.; Avadí, A.; Huaranca, S.; Moreyra, R.O. Life cycle assessment of three peruvian fishmeal plants: Toward a cleaner production. J. Clean. Prod. 2017, 145, 50–63. [Google Scholar] [CrossRef]
  33. European Commission. International Reference Life Cycle Data System (ILCD) Handbook—General Guide for Life Cycle Assessment—Provisions and Action Steps, 1st ed.; Publications Office of the European Union: Ispra, Italy, 2011; ISBN 978-92-79-17451-3. [Google Scholar]
  34. Van der Werf, H.M.G.; Petit, J. Evaluation of the environmental impact of agriculture at the farm level: A comparison and analysis of 12 indicator-based methods. Agric. Ecosyst. Environ. 2002, 93, 131–145. [Google Scholar] [CrossRef]
  35. Edebo, L.B. Zygomycetes for Fish Feed. Patent WO2008/002231, 3 January 2008. [Google Scholar]
  36. De Klein, C.; Novoa, R.S.A.; Ogle, S.; Smith, K.A.; Rochette, P.; Wirth, T.C.; McConkey, B.G.; Mosier, A.; Rypdal, K.; Walsh, M.; et al. N2O emissions from managed soils, and CO2 emissions from lime and urea application. In 2006 IPCC Guidelines for National Greenhouse Gas Inventories; Eggleston, H.S., Buendia, L., Miwa, K., Ngara, T., Tanabe, K., Eds.; IPCC National Greenhouse Gas Inventories Programme: Kanagawa, Japan, 2006; Volume 4, pp. 1–54. ISBN 4-88788-032-4. [Google Scholar]
  37. Hamelin, L.; Jørgensen, U.; Petersen, B.M.; Olesen, J.E.; Wenzel, H. Modelling environmental consequences of direct land use changes from energy crops in a self-sustained and fully renewable energy system in Denmark: Effect of crop types, soil, climate, residues management, initial carbon level and turnover time. In Proceedings of the Quantifying and Managing Land Use Effects of Bioenergy, Campinas, Brazil, 19–21 September 2011. [Google Scholar]
  38. Galloway, J.N.; Dentener, F.J.; Capone, D.G.; Boyer, E.W.; Howarth, R.W.; Seitzinger, S.P.; Asner, G.P.; Cleveland, C.C.; Green, P.A.; Holland, E.A.; et al. Nitrogen cycles: Past, present, and future. Biogeochemistry 2004, 70, 153–226. [Google Scholar] [CrossRef]
  39. Statistiska Centralbyrån. Aquaculture in Sweden in 2014; Statistiska Centralbyrån: Stockholm, Sweden, 2014. [Google Scholar]
  40. Ferreira, J.A.; Lennartsson, P.R.; Taherzadeh, M.J. Airlift bioreactors for fish feed fungal biomass production using edible filamentous fungi. In Proceedings of the FFBiotech Symposium, Villeneuve d’Ascq, France, 15–16 May 2017. [Google Scholar]
  41. United Nations. Goal 13: Sustainable Development Knowledge Platform. Available online: https://sustainabledevelopment.un.org/sdg13 (accessed on 13 October 2017).
  42. Eriksson, O.; Bisaillon, M.; Haraldsson, M.; Sundberg, J. Enhancement of biogas production from food waste and sewage sludge—Environmental and economic life cycle performance. J. Environ. Manag. 2016, 175, 33–39. [Google Scholar] [CrossRef] [PubMed]
Figure 1. Process flow diagram of the three scenarios studied in this work.
Figure 1. Process flow diagram of the three scenarios studied in this work.
Fermentation 03 00056 g001
Figure 2. System boundaries and reference flows for the evaporation, fungus and biogas scenarios. The dotted lines show the avoided products in the system expansion.
Figure 2. System boundaries and reference flows for the evaporation, fungus and biogas scenarios. The dotted lines show the avoided products in the system expansion.
Fermentation 03 00056 g002
Figure 3. Results from the economic evaluation for the different scenarios considered in this study. The period is one year with six operational months.
Figure 3. Results from the economic evaluation for the different scenarios considered in this study. The period is one year with six operational months.
Fermentation 03 00056 g003
Figure 4. Net present value for the different scenarios after 10, 15 and 20 years.
Figure 4. Net present value for the different scenarios after 10, 15 and 20 years.
Fermentation 03 00056 g004
Figure 5. Environmental impacts of the three scenarios studied in this work.
Figure 5. Environmental impacts of the three scenarios studied in this work.
Fermentation 03 00056 g005
Table 1. Technical values used for the Fungus Scenario 1.
Table 1. Technical values used for the Fungus Scenario 1.
TypeAssumption
Reactor typeAirlift
Dilution rate0.1 h−1
Temperature35 °C
Biomass yield4.6 g/L HTPL
Nitrogen content in biomass7.456% (w/w)
1 Data based on [1].
Table 2. Technical values used for simulation of the fungus scenario 1.
Table 2. Technical values used for simulation of the fungus scenario 1.
TypeAssumption
Reactor typeEGSB
Hydraulic retention time (HRT)8 days
Organic loading rate (OLR)3.2 g COD/Lreactor.day
Temperature37 °C
Methane production rate1420 mL CH4/Lreactor.day
Methane concentration58% (v/v)
VFA content in the bioreactor1 mM
Biogas pressure in the distribution pipeline5 bar
1 Data based on [2].
Table 3. Economic evaluation inputs and operational cost.
Table 3. Economic evaluation inputs and operational cost.
TypeAssumption
Annual operating time4368 h (26 weeks)
Depreciation methodStraight line
Working capital 115%/period
Tax rate 133%/period
Interest rate 16%/period
Lifetime of the plant 120 years
Salvage value 120% of initial capital cost
Operator labor20 €/h
Supervisor labor35 €/h
Electricity 10.0775 €/kW·h
Steam 10.01 €/kg
Wastewater treatment 10.001 €/m3
Fish meal 20.929 €/kg
Digestible crude protein content in fish meal 365.6% (DM)
Digestible crude protein content in fungal biomass 444.1% (DM)
Price conversion rate fungal biomass/fish meal0.672
Invertase 52.25 × 10−5 €/U
Defoamer 62.3 €/L
Biogas 733 €/MW·h
Low heat value Biogas (58% CH4)5.47 kW·h/Nm3
1 Data based on [20]; 2 [21]; 3 [22]; 4 [16]; 5 [23]; 6 [24]; 7 [25]. DM: dry matter.
Table 4. Coproducts obtained from the three scenarios studied here and the alternative products that are replaced by the coproducts.
Table 4. Coproducts obtained from the three scenarios studied here and the alternative products that are replaced by the coproducts.
ScenarioCoproductReplaced Product for Coproduct
EvaporationPPLFertilizers 1
FungusFungal biomassFishmeal 2
BiogasElectricityMarginal market for electricity in Sweden 3
HeatBiomass in CHP plant 3
1 Marginal fertilizers: Calcium ammonium nitrate and potassium chloride [30]. Inventory data for fertilizer production retrieved from consequential life cycle assessment (CLCA) EcoInvent database [31]; 2 Data from CLCA EcoInvent database [31]; 3 Inventory data for fishmeal production retrieved from Fréon et al. [32].
Table 5. Biochemical composition of the fungal biomass and the substituted products.
Table 5. Biochemical composition of the fungal biomass and the substituted products.
Biochemical ParameterUnitFish Meal 1Fungal Biomass 2
Gross energyMJ/kg DM20.420.2
Digestible energyMJ/kg DM16.7 316.34
Crude protein% DM70.647.5
1 [22]; 2 [16]; 3 Salmonid digestible energy.
Table 6. Equipment costs for the different scenarios.
Table 6. Equipment costs for the different scenarios.
ScenarioEquipmentCapacity/Size 1MaterialCost (thousand €)
EvaporationHTPL pump6.2 L/sSS8.2
Heat exchanger114 m2SS61.5
Evaporator650 m2CS5450.5
Storage tank7000 m3CS107.8
FungusHTPL pump6.2 L/sSS8.2
Air compressor for fermenter467 m3/hCS153.0
Sterile air filter 467 m3/h22.0
Pump for defoamer4.4 mL/sCS4.1
Pump for enzyme98 mL/sCS4.1
Airlift fermenter200 m3SS1478.5
Biomass filter9.3 m2CS109.0
Biomass dryer9.3 m2CS47.5
Air blower for dryer3095 m3/hCS10.9
BiogasHTPL pump6.2 L/sSS8.2
EGSB digester4800 m3CS3952.2
Storage tank480 m3CS29.7
Water condenser1.6 m2SS10.3
Biogas compressor260 m3/hSS879.9
1 Heat exchangers and filters defined by the surface area. Pumps and compressors defined by the flow rate. 2 Filter material cannot be adjusted in Aspen Process Economic Analyzer.

Share and Cite

MDPI and ACS Style

Souza Filho, P.F.; Brancoli, P.; Bolton, K.; Zamani, A.; Taherzadeh, M.J. Techno-Economic and Life Cycle Assessment of Wastewater Management from Potato Starch Production: Present Status and Alternative Biotreatments. Fermentation 2017, 3, 56. https://doi.org/10.3390/fermentation3040056

AMA Style

Souza Filho PF, Brancoli P, Bolton K, Zamani A, Taherzadeh MJ. Techno-Economic and Life Cycle Assessment of Wastewater Management from Potato Starch Production: Present Status and Alternative Biotreatments. Fermentation. 2017; 3(4):56. https://doi.org/10.3390/fermentation3040056

Chicago/Turabian Style

Souza Filho, Pedro F., Pedro Brancoli, Kim Bolton, Akram Zamani, and Mohammad J. Taherzadeh. 2017. "Techno-Economic and Life Cycle Assessment of Wastewater Management from Potato Starch Production: Present Status and Alternative Biotreatments" Fermentation 3, no. 4: 56. https://doi.org/10.3390/fermentation3040056

APA Style

Souza Filho, P. F., Brancoli, P., Bolton, K., Zamani, A., & Taherzadeh, M. J. (2017). Techno-Economic and Life Cycle Assessment of Wastewater Management from Potato Starch Production: Present Status and Alternative Biotreatments. Fermentation, 3(4), 56. https://doi.org/10.3390/fermentation3040056

Note that from the first issue of 2016, this journal uses article numbers instead of page numbers. See further details here.

Article Metrics

Back to TopTop