Abstract
High-voltage direct current (HVDC) systems, with their advantages of large capacity, long distance, high efficiency, and low loss, are becoming the core support of new power systems. However, in conventional droop control, the fixed droop coefficient causes output power disproportionate to the available capacities among converters, as well as a relatively large deviation of DC voltage in HVDC systems. Therefore, in this paper, a two-objective optimization model for droop control is developed and then it is integrated to a cooperative control, which achieves the co-optimization of voltage deviation and power sharing among multiple converters. In the optimization model, there are two objectives, the minimization of voltage deviation and maximization of the capacity utilization rates of converters. Further, a cooperative control method based on the optimization model is proposed, where information on voltage and power in droop-controlled converters is acquired and the co-optimization of voltage deviation and power sharing is performed to obtain the optimal droop coefficients for these converters, which minimizes voltage deviation, and at the same time, makes power mismatches proportional to their available capacities among converters. Finally, a testbed is built in PSCAD/EMTDC and four cases are designed to verify the proposed method under different settings. The simulation results show that compared with conventional droop control, the voltage deviation is reduced by 71.74% and 67.67% under the cases that a converter is out of service and the three-phase ground fault of a converter occurs. Additionally, when large power fluctuations occur twice, the power mismatches are shared proportionally to their available capacities, which results in the capacity utilization rates of the droop-controlled converters increasing by 24.46% and 18.75%, respectively.
1. Introduction
With the rapid development of cross-regional grid interconnections, the high-voltage direct current (HVDC) system has emerged as a key component of the modern energy internet, owing to its unique advantages in long-distance and high-capacity power transmission [1]. HVDC systems offer several benefits, including independence from external power sources for commutation, compatibility with weak AC systems, high controllability and flexibility, immunity to commutation faults, and enhanced operational reliability [2,3,4]. These features make HVDC an efficient solution for connecting asynchronous AC networks and integrating renewable energy sources such as offshore wind farms [5,6]. In HVDC systems, the application of modular multilevel converters (MMCs) at the receiving end facilitates the implementation of multi-terminal configurations, allowing for decentralized power injection into the AC system. Compared with traditional centralized DC feeding, this approach enhances the utilization of the receiving grid’s transmission capacity and improves feeder reliability. DC voltage droop control, as an adaptive regulation strategy that does not require communication, is widely employed to achieve power sharing and voltage support among multiple converters [7]. It is particularly suitable for controlling multiple MMCs at the receiving end of a hybrid cascade system. Conventional droop control achieves power and voltage regulation through fixed droop coefficients. However, studies have demonstrated that relying solely on empirically tuned fixed coefficients can constrain the operational flexibility of the DC grid [8]. Under DC faults or power fluctuations, such fixed strategies may lead to converter overloads or DC voltage instability, posing challenges to maintaining safe and stable system operation.
Therefore, improving droop control strategies has become a major research focus both domestically and internationally. Wang et al. [9] proposed a voltage droop control strategy based on adaptive reference power. This method compensates for power losses in droop-controlled voltage source converters (VSCs) by adjusting the reference power. Liu et al. [10] introduced a DC voltage restoration strategy, which utilizes the cooperation of multiple converters and dynamic frequency droop coefficients to regulate the support power of the DC grid, ensuring a balance between frequency regulation in the disturbed AC system and voltage stability in the DC grid. Liu et al. [11] proposed a voltage regulation approach based on the joint coordination of centralized optimal control (COC) and adaptive droop control (ADC), which enhances the voltage profile and balances power loading among different VSCs. Sun et al. [12] developed a combined droop control strategy that integrates power/voltage (P/V) and current/voltage (I/V) methods. This strategy enables power redistribution during power disturbances and incorporates excess power reduction mechanisms in the event of converter overload. Ye et al. [13] proposed an improved droop control method, which employs a nonlinear combination of two droop coefficients to reduce system losses and preserve power margins, achieving multi-objective optimal operation across the full voltage range.
However, in the droop control of multiple modular multilevel converters (MMCs), the conflict between voltage and power control—common in conventional multi-terminal DC (MTDC) transmission systems—still arises. Active power distribution and DC voltage control interact through droop coefficients, representing two conflicting control objectives. Optimizing a single droop-controlled converter station alone cannot achieve coordinated operation or global optimization among converters. Beerten and Belmans [14] proposed an optimization algorithm to address the dual objectives of DC voltage regulation and power sharing in VSC-MTDC systems. The algorithm focuses on the selection of droop coefficients and is applicable to both current-based and power-based droop control methods. Gavriluta et al. [15] proposed a decentralized master control layer that combines sag control and DC bus signal control. Wang et al. [16] introduced a hierarchical control concept that integrates an integral voltage controller with an average consensus algorithm at the secondary control level. Lee and Kim [17] developed a dynamic droop control strategy based on deep reinforcement learning, featuring centralized training and distributed execution to improve power quality. Gabl et al. [18] proposed a multi-objective integrated secondary and tertiary control method that minimizes losses, voltage deviations, and frequency deviations in microgrid systems. Zhang et al. [19] presented a combinatorial control strategy for accurate power sharing in MTDC systems, operating in both centralized (hierarchical control) and distributed (autonomous control) modes, to minimize DC grid losses and voltage variations.
In summary, existing works have made a lot of effort related to the optimization and control of HVDC systems, but researchers are still in the process of improving their system performances. For example, how could a trade-off between the suppression of DC voltage deviations and the proportional sharing of power mismatches to available capacities be achieved cooperatively? Therefore, in this paper, the research goal is to minimize voltage deviation and at the same time make power mismatches proportional to their available capacities among converters. To reach this goal, a cooperative control method integrating the two-objective co-optimization model is proposed to obtain the optimal droop coefficients for droop-controlled MMCs. The main contributions of this paper can be summarized as follows.
1. A two-objective optimization model is developed, i.e., the minimization of voltage deviation and maximization of the capacity utilization rates of converters. Here, the maximization of the capacity utilization rates of converters is achieved when power mismatches are shared proportionally to their available capacities under the minimization of voltage deviation, where a coefficient for available capacities is constructed to balance these two objectives.
2. A cooperative control integrating the two-objective optimization model is proposed. First, the information on voltage and power among droop-controlled converters is acquired and the co-optimization of voltage deviation and power sharing is performed, where all information is considered cooperatively and solved by the grey wolf optimization (GWO) to obtain the optimal droop coefficients for these converters.
3. A testbed is established in PSCAD/EMTDC and simulations are carried out under different conditions. Compared to conventional droop control, the DC voltage deviation is reduced significantly by 71.74% and 67.67%, when a converter is out of service and the three-phase ground fault occurs, respectively. Moreover, the capacity utilization rates of the droop-controlled converters increased by 24.46% and 18.75%, respectively.
The remainder of this paper is organized as follows. Section 2 introduces the structure of the HVDC system and the droop control strategies of the MMCs. Section 3 introduces the two objectives and constraints. Section 4 introduces the cooperative control method integrated with the two-objective co-optimization model and its solutions. Section 5 establishes a testbed in PSCAD/EMTDC to verify the validity of the proposed method. Conclusions are given in Section 6.
2. Model of a HVDC System
2.1. Structure of the System
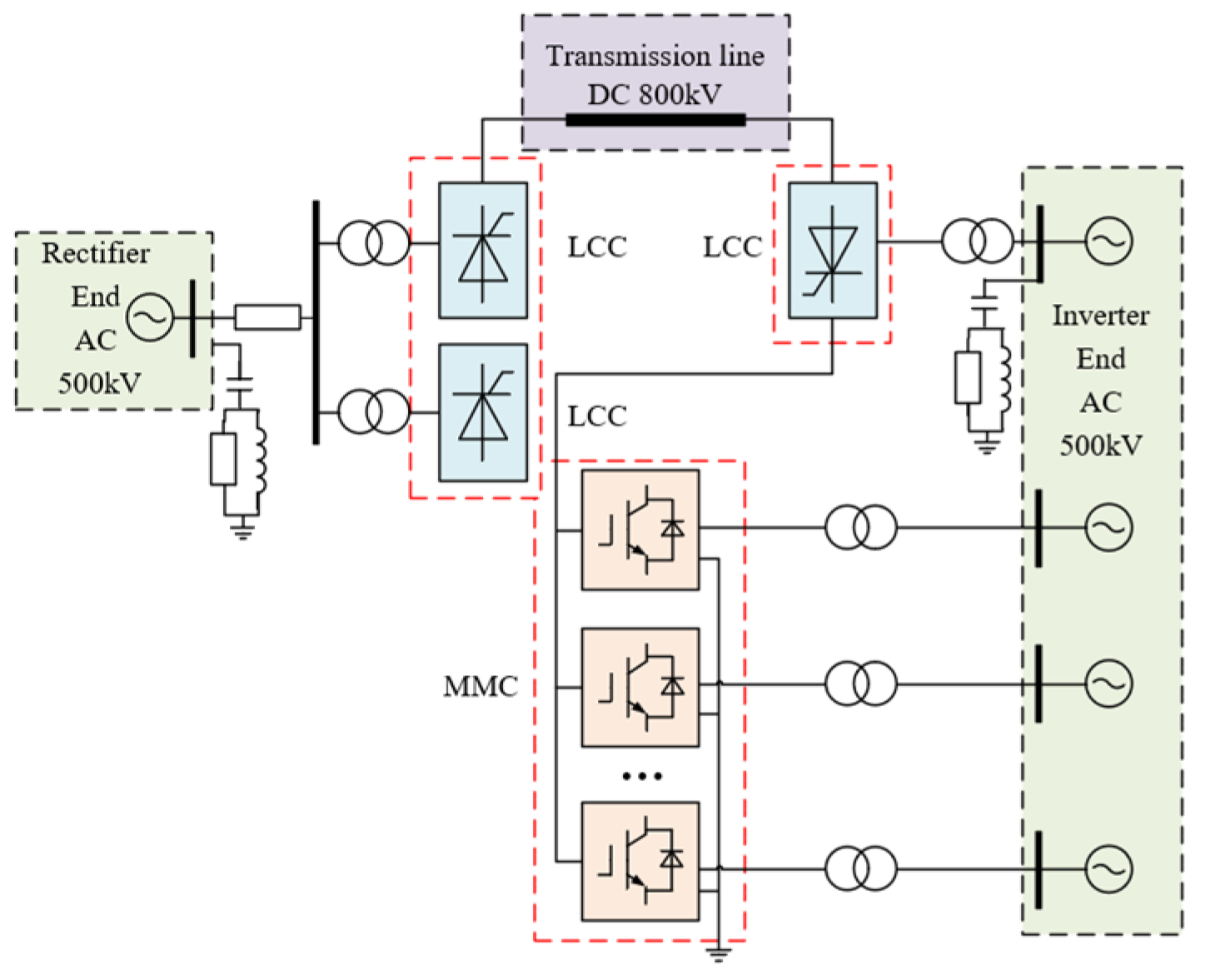
The structure of the high-voltage direct current (HVDC) system is shown in Figure 1. The rectifier-side converter is configured with a line-commutated converter (LCC), while the inverter-side converter features a structure in which an LCC is connected in series with several modular multilevel converters (MMCs). Specifically, the rectifier-side LCC adopts a double 12-pulse configuration, and the inverter-side LCC adopts a single 12-pulse configuration. Each converter can be connected to a different AC bus.
Figure 1.
The structure of an HVDC system.
2.2. Droop Control Strategies for MMCs
The P-V droop control is based on the operating curves of DC voltage and active power to realize its active control towards the stable operating point, which can be well adapted to the scenario of frequent fluctuation of active power. When the system is operating in steady state, the relationship between DC voltage and active power at the converter is
where is the reference value of DC side voltage, is the actual value of DC side voltage, is the reference value of active power, is the actual value of active power, and is the droop coefficient.
Based on Equation (1), the droop coefficient can be expressed as follows:
where denotes the active power deviation of the converter MMC and denotes the DC voltage deviation of the converter MMC .
From Equation (2), it can be seen that if the droop coefficient is chosen to be larger, the DC voltage control performance is better, but it will lead to poorer active power regulation performance; if the droop coefficient is chosen to be smaller, the active power sharing capability is better, but at this time, smaller power fluctuations will cause a larger DC voltage deviation. The size of the droop coefficient will directly affect the accuracy of DC voltage control and power sharing, and the selection of a suitable droop coefficient can effectively improve the performance of the converter. The outer-loop control structure of the droop controller is shown in Figure 2.
Figure 2.
Droop control outer-loop control structure.
3. Two Objectives and Constraints
Considering the operational characteristics and control requirements of HVDC systems, the optimization model proposed in this paper includes two core objectives: the minimization of voltage deviation and maximization of the capacity utilization rates of converters. DC voltage stability is crucial for maintaining system energy transmission and equipment safety, as it directly impacts the power regulation capability of each converter. On the other hand, power mismatch sharing is essential to prevent local overload or power redundancy by coordinating the power distribution among multiple converters, thus enhancing the overall controllability of the system. There is a dynamic coupling between the two: adjustments in power sharing may lead to voltage fluctuations, while voltage control depends on the synergistic correction of power sharing. Therefore, achieving a dynamic trade-off between these two objectives is necessary.
3.1. Objective 1: Voltage Deviation
DC voltage deviation is a critical concern in HVDC systems. A drop in DC voltage directly impacts the turn-off angle margin of the LCC, significantly increasing the risk of phase change failure. This can lead to a sudden rise in DC current and voltage fluctuations at the AC bus. Moreover, DC voltage fluctuations disrupt the power balance between the receiving end converters. If the DC voltage deviates too far from the desired value, the droop-controlled converters may diverge from the intended power reference, affecting the normal operation of the loads. Voltage instability can also trigger sub-synchronous oscillations between the MMC and the AC power grid. Therefore, minimizing DC voltage deviation is a key objective in the optimization model.
The objective function for minimizing voltage deviation is defined as
3.2. Objective 2: Power Mismatch Sharing
In HVDC systems, it is essential not only to control the power variation in the converters at receiving end to ensure that the sum of the deviations between the output power of multiple converters and the reference power is minimized, but also to address the power sharing issue. If the power sharing of the MMCs becomes uncontrolled, leading to a DC voltage drop, the probability of LCC phase change failure significantly increases, and DC blocking may be triggered. When an MMC is withdrawn for maintenance or due to a failure, the remaining converters must redistribute power according to the capacity margin. If the power sharing is uneven, small-capacity MMCs may exceed their limits during peak loads. Additionally, when multiple MMCs are connected in parallel via the DC bus, improper power sharing strategies can lead to low-frequency oscillation issues. Therefore, it is crucial to ensure that the power mismatches are shared proportionally to available capacities of the droop-controlled converters.
Generally, the power margin of a converter is defined as [20]
where is the maximum of the output power of the converter . From the above equation, there are two cases. First, when the actual output power of the converter is greater than and equal to the reference, , the power margin is defined as to avoid overloading. Second, when the actual output power is smaller than the reference, , the power margin is defined as to avoid an over reduction of loads of certain stations.
In this paper, is defined as the power margin coefficient of the MMC , which is expressed as follows:
The maximization of the capacity utilization rates of converters is achieved when power mismatches are shared proportionally to their available capacities. Therefore, the objective function of sharing power mismatches is defined as
In this objective, in Equation (5) is related to the power margin; when the difference between the reference value and the actual value is minimized, the power mismatches are proportionally shared by converters according to their available capacities.
3.3. Constraints
In order to meet the actual conditions of the DC transmission system and the basic conditions of safe and stable operation, the optimization function needs to satisfy the constraints of droop control, capacity constraints of the converter, and stability constraints of DC voltage.
Droop control constraint: the droop control equation of the converter.
Converter capacity constraint: the output power of the converter cannot exceed its maximum capacity during system operation.
DC voltage stability constraint: according to the voltage stability requirements, the DC voltage must not exceed 5% of the voltage reference value .
4. Cooperative Control Method Integrated with the Two-Objective Co-Optimization Model
It is commonly observed that the droop-controlled MMCs work independently without cooperation, which causes output power disproportionate to their available capacities among converters, as well as a relatively large deviation of DC voltage in HVDC systems. If MMCs work collectively to reach a common goal, a better performance will be achieved. So, the cooperative control method seems to be a potential solution, where MMCs exchange information with each other and cooperatively find the global optimal solutions instead of optima for individuals.
In this section, a cooperative control method integrating the two-objective optimization model is proposed. The structure of the cooperative control method is shown in Figure 3, which consists of a central controller and the local controllers of each MMC. The communication and data interaction flow are as follows:
Figure 3.
The structure of the cooperative control method.
- (1)
- Data acquisition and uploading
Each MMC local controller collects the information on DC bus voltage and output power in real time and uploads them to the central controller.
- (2)
- Multi-objective optimization-based cooperative control
When the system detects a fault or the power fluctuation exceeds the threshold, the optimization controller is triggered, and the system calculates the optimal power sharing and the optimal droop coefficient of the system based on the multi-objective optimization model through the GWO algorithm.
- (3)
- Optimization instruction issuance
The central controller sends the calculated optimization commands to each MMC and synchronously updates the current state of the system
4.1. Cooperative Control Method
As is known, cooperative control is a field of study focused on devising strategies that enable multiple systems to work collectively to achieve a common goal [21]. In the droop control of the HVDC system, the control targets of voltage and power conflict with each other, while the stable operation of the DC system requires both good voltage characteristics and the control of power flow. On the premise of ensuring the safe and reliable operation of the system, it is necessary to achieve the coordination and balance of the two types of core electrical quantities through the cooperative control method. The cooperative control method proposed in this paper is inspired by the idea of multi-objective optimization, that is, the active power allocation and DC voltage control problems are compromised through multi-objective optimization to find the optimal droop coefficient, which achieves the co-optimization of voltage deviation and power sharing among multiple converters.
Under multiple droop controllers, the objectives of voltage deviation minimization and capacity utilization rates maximization can be expressed as
Therefore, combining the two objectives, the final expression of the optimization objective function can be written as
and it is convex because quadratic functions are convex [22]. It can be seen that when the power margin of the converter is larger, the power margin coefficient is smaller, and then the role of the power deviation term in the objective function of the converter will be weakened, and the system will put the focus of the control objective of the converter on controlling the deviation of the DC voltage. On the contrary, when the power margin of the converter is smaller, the power margin coefficient is larger, and then the role of the power deviation term in the objective function will be strengthened, and the system will follow the control objective of the converter in power sharing. Adjusting the focus of the control objective of the converter through the power margin coefficient can balance well the two conflicting control objectives of voltage control and power control.
4.2. Solution of Cooperative Control
The multi-objective optimization model is a nonlinear planning problem with constraints, which is solved by using the grey wolf algorithm (GWO), which can obtain and when making the objective function reach the minimum, and then the optimal droop coefficients can be found through the droop control equation.
Mirjalili et al. [23] proposed the grey wolf optimizer (GWO), a swarm intelligence optimization algorithm inspired by the social hierarchy and hunting behavior of grey wolves and mimicking the predatory strategy of wolves in order to achieve an optimal search. In the GWO algorithm, each solution is regarded as a wolf, and the top 3 best wolves (optimal solutions) are defined as , , and . Define the remaining solutions as , which update their positions around , , and .
- Surrounding the prey
Grey wolves encircle their prey during a hunt, expressing the encirclement behavior as
where A and C are the coefficient vectors, D is the current distance between the grey wolf and the prey, is the number of iterations so far, and are the position vectors of the prey and the grey wolf, respectively, and is the update of the position of the grey wolf. The coefficient vectors A and C are calculated as follows:
where is the convergence factor that decreases linearly from 2 to 0 with the number of iterations, and and obey a uniform distribution between [0, 1].
- 2.
- Hunting
In the GWO algorithm, the traveling direction of the whole wolf pack is jointly determined by the optimal three solutions, , , and , and gradually approaches the prey. The mathematical model of the individual grey wolf tracking the location of the prey is described as follows
where , , and denote the distances between , , and other individuals, respectively; , , and represent the current positions of , , and , respectively; , , and are random vectors; and is the current position of the gray wolf.
where , , and are adaptive vectors; , , and are the current position vectors of the three wolves; and is the final position vector of the grey wolf. Equation (18) represents the step length and direction of an individual in the wolf pack toward ,, and , and Equation (19) denotes the final position of the individual.
In actual operation, the real-time optimization model monitors the system’s operational state online. When power fluctuations or failures occur, it collects the voltage and power information for the current time period, compiles it into a cluster, and subsequently determines the optimal droop coefficient based on the optimization model described in the previous section. No optimization is performed when the system is in a stable operating state.
Figure 4 illustrates the optimization control flow of the system. When the system is initially in a stable operating state, the droop coefficients are initialized, and the fixed droop coefficients are applied. Upon detecting a fault or when power fluctuation exceeds the threshold, the cooperative optimization control strategy computes the optimal power sharing and droop coefficients for the system. The optimal droop coefficients are then assigned to the droop controllers, enabling state switching. Once the system recovers from the fault or the output power returns to a stable state, the optimal droop control strategy is withdrawn, and the system reverts to the fixed droop coefficient control strategy.
Figure 4.
Flowchart of system optimized droop control.
4.3. Sensitivity Analysis of GWO Parameters
To demonstrate the robustness of our method, the impacts of the grey wolf optimizer’s (GWO) parameters on our method are investigated, where the parameters, initial population, iteration count, and impedance-search range are considered. The results are shown in Table 1.
Table 1.
Influence of parameters on results.
Observing Table 1, it can be found that the values of voltage deviations under different conditions are similar, as are the values of capacity utilization, which means the parameters of the GWO do not have significant influences on the optimal solutions of our method.
4.4. Stability Analysis of the System
In order to verify the stability of the system control under the droop control mode of the MMC stations, the root trajectory method is selected to determine the stability of the system through rigorous mathematical derivation. The general steps are as follows. Firstly, based on the general structure of the double closed-loop control of the MMC stations, the closed-loop and open-loop transfer functions of the system with drooping control links are obtained. Secondly, taking the droop coefficient as the open-loop gain, the root locus diagram of the system is plotted. Finally, the stability of the system is judged based on the root trajectory graph. If the closed-loop poles of the root trajectory are all located in the left half-plane, then the double closed-loop control system is stable for all of the droop coefficients traversed by the cooperative optimization method.
According to the general structure of the MMC double closed-loop control system, the control block diagram is shown in Figure 5.
Figure 5.
Control block diagram of MMC stations under droop control.
For the dynamic control process of the DC voltage of each MMC, the closed-loop transfer function of the system can be written as
where Udc0 is the initial DC voltage during the control process, Ceq is the equivalent connection capacitance of the MMC, and Gv(s) is the closed-loop transfer function of the voltage outer loop, which can be determined by the following formula:
where U is the actual value of the MMC AC voltage, kpd2 and kid2 are the proportionality coefficient and integration coefficient of the PI controller of the voltage outer loop, and Gc(s) is the closed-loop transfer function of the current inner loop, which can be determined by the following formula:
where kpd and kid are the proportionality coefficient and integration coefficient of the voltage outer loop PI controller, Leq is the equivalent connection reactance of the MMC, including the bridge arm inductance and transformer leakage reactance, and Req is the equivalent connection resistance of the MMC.
Taking the droop coefficient as the open-loop gain, the root trajectory diagram of the system is drawn as shown in Figure 6.
Figure 6.
The root trajectory diagram of the system.
According to Figure 6, the real parts of the system characteristic roots always stay in the left half plane, which means the system remains stable all the time as the droop coefficient changes.
5. Results
To verify the method, four cases are designed, where case 1 focuses on the system performance when the converter MMC1 is out of service, case 2 focuses on the system performance when a three-phase ground fault at a converter occurs, case 3 focuses on the system performance when large load fluctuations occur, and case 4 focuses on the scalability and system performance when MMCs are increased from three to six. A testbed is established in PSCAD/EMTDC and simulations are carried out under different conditions. Simulation results of four cases are compared to a widely used method [24].
5.1. Simulation Model and Parameters
In PSCAD/EMTDC, the DC transmission system as shown in Figure 1 is constructed, with four MMCs used for control at the receiving end. Among them, MMC1, as the main converter, adopts a fixed DC voltage control strategy; MMC2, MMC3, and MMC4 employ the droop control strategy, with steady-state active power reference values set to 300 MW, 400 MW, and 500 MW, respectively. The reference value for the DC voltage is set to 400 kV, and the fixed droop coefficients for all converters are set to 1.5. The simulation parameters of the system are provided in Table 2.
Table 2.
System simulation parameters.
5.2. System Performance Evaluation Index Setting
The DC voltage deviation evaluation index is the maximum deviation of DC voltage during fault or disturbance:
The power sharing evaluation index is the capacity utilization rate of the droop-controlled converters, which is an indictor to describe the quality of mismatched power sharing and is written as follows:
where is the average value of the converter output power duration of the fault or fluctuations. When the power mismatches are proportionally shared by converters according to their available capacities, the capacity utilization rate of converters can reach the maximum.
Obviously, the smaller the maximum deviation of DC voltage and the larger the capacity utilization of the droop-controlled converters, the better the system performance.
5.3. Case 1: The System Performance When the Converter MMC1 Is out of Service
Normally, the active power output from the main converter MMC1 is relatively large, and if the control strategy is not appropriately designed, the sudden withdrawal of the converter from operation may cause fluctuations in the DC line voltage and power. This could also lead to overloading in the converter with a smaller power margin. To verify the effectiveness of the optimized droop control strategy proposed in this paper, the system is set to withdraw MMC1 from service at 2 s and resume operation at the third second. Simulations are conducted using both the conventional fixed-droop control strategy and the synergistic optimized droop control strategy proposed herein, with the simulation results shown in Figure 7.
Figure 7.
System simulation results when MMC1 is out of service. (a) Active power of MMCs under conventional droop control strategy. (b)Active power of MMCs under optimized droop control strategy. (c) The power at the common DC bus for MMCs. (d) DC voltage.
As shown in Figure 7, when MMC1 is out of service, the power mismatches caused by MMC1 are equally shared among the three droop-controlled converters under the conventional droop control strategy. In contrast, the optimized droop control strategy enables the sharing of power in accordance with the available capacities of each converter. Specifically, MMC3 and MMC4, which have a larger power margin, bear more of the unbalanced power, while MMC2, with a smaller power margin, handles a relatively smaller portion of the power mismatches. Additionally, under the conventional droop control strategy, the power at the common DC bus for MMCs (the total active power of MMCs) increases when MMC1 is out of operation, leading to system instability. However, under the optimized droop control strategy, the power at the common DC bus for MMCs remains stable. During the fault period (2~3 s), the data in Figure 7d show that the DC voltage deviation is 51.73 kV under the conventional droop control strategy, while it is only 14.62 kV under the optimized droop control strategy, a reduction of 71.74%. Under the conventional droop control strategy, the DC voltage falls outside the stability range during the fault period, while under the optimized droop control strategy, the DC voltage experiences only minor fluctuations and remains stable.
5.4. Case 2: The System Performance When a Three-Phase Ground Fault at a Converter Occurs
In this paper, the effectiveness of the optimized droop control strategy is verified by applying a three-phase transient fault on the AC side of MMC1. A three-phase ground fault is introduced at 2 s, with a fault duration of 0.1 s. The conventional and optimized droop control strategies are applied, and the simulation results are shown in Figure 8.
Figure 8.
System simulation results when three-phase ground fault occurs in MMC1. (a) Active power of MMCs under conventional droop control strategy. (b) Active power of MMCs under optimized droop control strategy. (c) The power at the common DC bus for MMCs. (d) DC voltage.
From Figure 8, it can be seen that under the conventional droop control strategy, due to the lack of adjustment of the droop coefficient, there is a power jump in MMC1 during fault recovery, which can lead to an overloading of MMC1 and cause power fluctuations at the MMC converging bus. Additionally, the DC voltage falls outside the allowable range during the fault period, destabilizing the system. In contrast, when the optimized droop control strategy is adopted, the power remains stable during the fault recovery period, and the DC voltage stays within the allowable range, ensuring system stability. This stability is achieved through the timely adjustment of the droop coefficient. During the fault period (2~2.5 s), as shown in Figure 8d, it can be calculated that the DC voltage deviation is 42.35 kV with the conventional droop control strategy and 13.69 kV with the optimized droop control strategy, representing a reduction of 67.67%.
5.5. Case 3: The System Performance When Large Load Fluctuations Occur
In order to verify the effectiveness of the optimized droop strategy proposed in this paper under load-side power fluctuations, the output power of MMC1 is set to experience two significant power fluctuations at the second and third seconds, each lasting 0.2 s. The simulation results for both strategies are shown in Figure 9.
Figure 9.
System simulation results when power fluctuation occurs in MMC1. (a) Active power of MMCs under conventional droop control strategy. (b) Active power of MMCs under optimized droop control strategy. (c) The power at the common DC bus for MMCs. (d) DC voltage.
From Figure 9, it can be seen that under the conventional droop control strategy, the converter is unable to achieve stable system state transitions due to the influence of power perturbation. As a result, the output power of each converter and the power at the common DC bus for MMCs experience undesirable fluctuations, and the DC voltage remains insufficiently stable. In contrast, after adopting the optimized droop control strategy, the system can perform stable and rapid state switching, allowing the converter to quickly adapt to power changes, and the DC voltage remains more stable. During the two power fluctuations (2~2.5 s and 3~3.5 s), according to the data in Figure 9a,b, it can be calculated that the capacity utilization rate under the conventional droop control strategy is 0.447 and 0.432, respectively, while the capacity utilization rate under the optimized droop control strategy is 0.556 and 0.523, representing an improvement of 24.46% and 18.75%, respectively. This demonstrates that the optimized droop control strategy proposed in this paper enhances the performance of unbalanced power sharing during power fluctuations.
5.6. Case 4: The Scalability and System Performance When MMCs Are Increased from Three to Six
In order to discuss the scalability and adaptability of the proposed strategy, the number of MMCs is increased from three to six. A three-phase ground fault occurs on MMC1 at 2 s and lasts for 0.1 s. The conventional and optimized droop control strategies are applied, and the simulation results are shown in Figure 10.
Figure 10.
System simulation results when three-phase ground fault occurs in MMC1, with the number of MMCs increased from three to six. (a) Active power of MMCs under conventional droop control strategy. (b) Active power of MMCs under optimized droop control strategy. (c) The power at the common DC bus for MMCs. (d) DC voltage.
From Figure 10, it can be seen that when a three-phase ground fault occurs in MMC1, the optimized droop control strategy proposed in this paper still performs well, especially in controlling the voltage deviation and the smoothness of the output power. During the fault period (2~2.5s), as shown in Figure 10d, it can be calculated that the DC voltage deviation is 10.89 kV with the conventional droop control strategy and 3.56 kV with the optimized droop control strategy, representing a reduction of 67.31%. Therefore, the strategy proposed in this paper is well adapted in the actual DC transmission project.
6. Conclusions
To overcome the drawbacks of conventional droop control, i.e., output power disproportionate to the available capacities among converters, as well as a relatively large deviation of DC voltage in HVDC systems, in this paper, the research goal is to minimize voltage deviation and at the same time make power mismatches proportional to the available capacities among converters. To reach this goal, a cooperative control method integrating the two-objective co-optimization model is proposed to obtain the optimal droop coefficients for droop-controlled MMCs.
A testbed is established in PSCAD/EMTDC and four cases are designed to test the proposed cooperative control method. Simulations are carried out under different conditions and simulation results of four cases are compared to a widely used method [23]. The comparative analysis shows that the DC voltage deviation is reduced significantly by 71.74% and 67.67%, when a converter is out of service and the three-phase ground fault occurs, respectively. Moreover, the capacity utilization rates of the droop-controlled converters increased by 24.46% and 18.75%, respectively.
However, the impacts of renewable energy sources on the system performance are not studied due to the limit space of the paper. So, in future research, the impacts of fluctuations in renewable energy sources on system stability are valuable research interests. Moreover, experiments would be better way to verify the proposed methods.
Author Contributions
Conceptualization, J.L., J.Z. (Jun Zhang) and Q.L.; methodology, J.L., J.Z. (Jun Zhang) and Q.L.; software, J.L. and J.Z. (Jun Zhang); validation, Y.Z., K.W., P.G. and J.Z. (Jun Zhang); resources, J.Z. (Jun Zhang) and J.Z. (Jiankang Zhang); data curation, J.L., J.Z. (Jun Zhang) and J.Z. (Jiankang Zhang); writing—original draft preparation, J.L., J.Z. (Jiankang Zhang), Y.Z., K.W., P.G., J.Z. (Jun Zhang) and Q.L.; writing—review and editing, J.L., J.Z. (Jiankang Zhang), Y.Z., K.W., P.G., J.Z. (Jun Zhang) and Q.L.; visualization, Y.Z. and J.Z. (Jun Zhang); supervision, Q.L. All authors have read and agreed to the published version of the manuscript.
Funding
This research was funded by the Science & Technology Project of the Northwest Branch of State Grid Corporation of China: Research on the stability and cooperative control methods for smart grids with high penetration of renewable energy sources under multi-type DC transmission modes (Grant No. SGNW0000DZJS2400152).
Data Availability Statement
The original contributions presented in this study are included in the article. Further inquiries can be directed to the corresponding author.
Conflicts of Interest
Authors Jinli Lv, Jiankang Zhang, Yuan Zhi, Kangping Wang, Pengjiang Ge were employed by the company Northwest Branch of State Grid Corporation of China. The remaining authors declare that the research was conducted in the absence of any commercial or financial relationships that could be construed as a potential conflict of interest.
Abbreviations
The following abbreviations are used in this manuscript:
| HVDC | High-voltage direct current |
| LCC | Line-commutated converter |
| MMC | Modular multilevel converter |
| GWO | Grey wolf optimizer |
References
- Li, X.; Xu, Z.; Zhang, Z. Application of MMC with embedded energy storage for overvoltage suppression and fault ride-through improvement in series LCC-MMC hybrid HVDC system. J. Mod. Power Syst. Clean Energy 2022, 11, 1001–1013. [Google Scholar] [CrossRef]
- Liu, Z.; Lv, X.; Wu, F.; Li, Z. Multi-mode active inertia support strategy for MMC-HVDC systems considering the constraint of DC voltage fluctuations. IEEE Trans. Power Deliv. 2023, 38, 2767–2781. [Google Scholar] [CrossRef]
- Liu, Z.; Wang, Y.; Lai, J.; Zheng, A. Markov-based stochastic stabilization control for MMC-HVDC systems with inertia supporting under random disturbances. IEEE Trans. Power Syst. 2023, 39, 4077–4089. [Google Scholar] [CrossRef]
- Song, S.; Lei, J.; Ma, W.; Wang, Y. Kalman Filter Based Detection Scheme for DC-Link Voltage Measurement Faults in MMC-HVDC Systems. IEEE Trans. Power Electron. 2024, 40, 4199–4212. [Google Scholar] [CrossRef]
- Shen, H.; Dongye, Z.; Qi, L.; Wang, M.; Zhang, X.; Qiu, P.; Wei, X. Modeling of high-frequency electromagnetic oscillation for DC fault in MMC-HVDC systems. CSEE J. Power Energy Syst. 2022, 9, 1151–1160. [Google Scholar]
- Wang, C.; Xu, J.; Pan, X.; Gong, W.; Zhu, Z.; Xu, S. Impedance modeling and analysis of series-connected modular multilevel converter (MMC) and its comparative study with conventional MMC for HVDC applications. IEEE Trans. Power Deliv. 2021, 37, 3270–3281. [Google Scholar] [CrossRef]
- Hussaini, H.; Yang, T.; Gao, Y.; Wang, C.; Urrutia, M.; Bozhko, S. Optimal droop control design using artificial intelligent techniques for electric power systems of more-electric aircraft. IEEE Trans. Transp. Electrif. 2023, 10, 2192–2206. [Google Scholar] [CrossRef]
- Sekhavatmanesh, H.; Ferrari-Trecate, G.; Mastellone, S. Optimal adaptive droop design via a modified relaxation of the OPF. IEEE Trans. Control Syst. Technol. 2022, 31, 497–510. [Google Scholar] [CrossRef]
- Wang, Y.; Qiu, F.; Liu, G.; Lei, M.; Yang, C.; Wang, C. Adaptive reference power based voltage droop control for VSC-MTDC systems. J. Mod. Power Syst. Clean Energy 2021, 11, 381–388. [Google Scholar] [CrossRef]
- Liu, C.; Liu, H.; Jiang, S.; Zheng, L. Dynamic frequency support and DC voltage regulation approach for VSC-MTDC systems. CSEE J. Power Energy Syst. 2022, 9, 645–658. [Google Scholar]
- Liu, Q.; Wang, Y.; Wang, S.; Liang, D.; Zhao, Q.; Zhao, X. Voltage regulation strategy for DC distribution networks based on coordination of centralized control and adaptive droop control. IEEE Trans. Power Deliv. 2021, 37, 3730–3739. [Google Scholar] [CrossRef]
- Sun, P.; Wang, Y.; Khalid, M.; Blasco-Gimenez, R.; Konstantinou, G. Steady-state power distribution in VSC-based MTDC systems and dc grids under mixed P/V and I/V droop control. Electr. Power Syst. Res. 2023, 214, 108798. [Google Scholar] [CrossRef]
- Ye, Z.; Guo, C.; Liao, J.; Wang, Y. Improved droop control strategy for an MMC-MTDC connected to offshore wind farms with dynamic correction of the actual operating point. Int. J. Electr. Power Energy Syst. 2023, 152, 109277. [Google Scholar] [CrossRef]
- Beerten, J.; Belmans, R. Analysis of power sharing and voltage deviations in droop-controlled DC grids. IEEE Trans. Power Syst. 2013, 28, 4588–4597. [Google Scholar] [CrossRef]
- Gavriluta, C.; Candela, J.I.; Citro, C.; Rocabert, J.; Luna, A.; Rodríguez, P. Decentralized primary control of MTDC networks with energy storage and distributed generation. IEEE Trans. Ind. Appl. 2014, 50, 4122–4131. [Google Scholar] [CrossRef]
- Wang, Z.; He, J.; Xu, Y.; Zhang, F. Distributed control of VSC-MTDC systems considering tradeoff between voltage regulation and power sharing. IEEE Trans. Power Syst. 2019, 35, 1812–1821. [Google Scholar] [CrossRef]
- Lee, W.-G.; Kim, H.-M. Deep Reinforcement Learning-Based Dynamic Droop Control Strategy for Real-Time Optimal Operation and Frequency Regulation. IEEE Trans. Sustain. Energy 2024, 16, 284–294. [Google Scholar] [CrossRef]
- Gabl, O.M.A.; Shaaban, M.F.; Zeineldin, H.H.; Ammar, M.E. A multiobjective secondary control approach for optimal design of DG droop characteristic and control mode for autonomous microgrids. IEEE Syst. J. 2021, 16, 5445–5454. [Google Scholar] [CrossRef]
- Zhang, Y.; Shotorbani, A.M.; Wang, L.; Li, W. A combined hierarchical and autonomous DC grid control for proportional power sharing with minimized voltage variation and transmission loss. IEEE Trans. Power Deliv. 2021, 37, 3213–3224. [Google Scholar] [CrossRef]
- Zhu, R.; Wang, Y.; Li, X.; He, Z.; Ying, D. An adaptive DC voltage droop control strategy for the VSC-MTDC system. Autom. Electr. Power Syst. 2015, 39, 63–68. [Google Scholar]
- Qu, Z.; Wang, J.; Hull, R.A. Cooperative control of dynamical systems with application to autonomous vehicles. IEEE Trans. Autom. Control 2008, 53, 894–911. [Google Scholar] [CrossRef]
- Chmieliński, J.; Gryszka, K.; Wójcik, P. Convex functions and approximate Birkhoff–James orthogonality. Aequationes Math. 2023, 97, 1011–1021. [Google Scholar] [CrossRef]
- Mirjalili, S.; Mirjalili, S.M.; Lewis, A. Grey wolf optimizer. Adv. Eng. Softw. 2014, 69, 46–61. [Google Scholar] [CrossRef]
- Rouzbehi, K.; Miranian, A.; Candela, J.I.; Luna, A.; Rodriguez, P. A generalized voltage droop strategy for control of multiterminal DC grids. IEEE Trans. Ind. Appl. 2014, 51, 607–618. [Google Scholar] [CrossRef]
Disclaimer/Publisher’s Note: The statements, opinions and data contained in all publications are solely those of the individual author(s) and contributor(s) and not of MDPI and/or the editor(s). MDPI and/or the editor(s) disclaim responsibility for any injury to people or property resulting from any ideas, methods, instructions or products referred to in the content. |
© 2025 by the authors. Licensee MDPI, Basel, Switzerland. This article is an open access article distributed under the terms and conditions of the Creative Commons Attribution (CC BY) license (https://creativecommons.org/licenses/by/4.0/).









