Control of Permanent Magnet Synchronous Motors for Track Applications
Abstract
:1. Introduction
2. A PID Controller Allows the Electric Drive to Function as Intended
2.1. Adjusting Controllers by Methods of the Founder of the Theory of Cascade Control C. Kessler
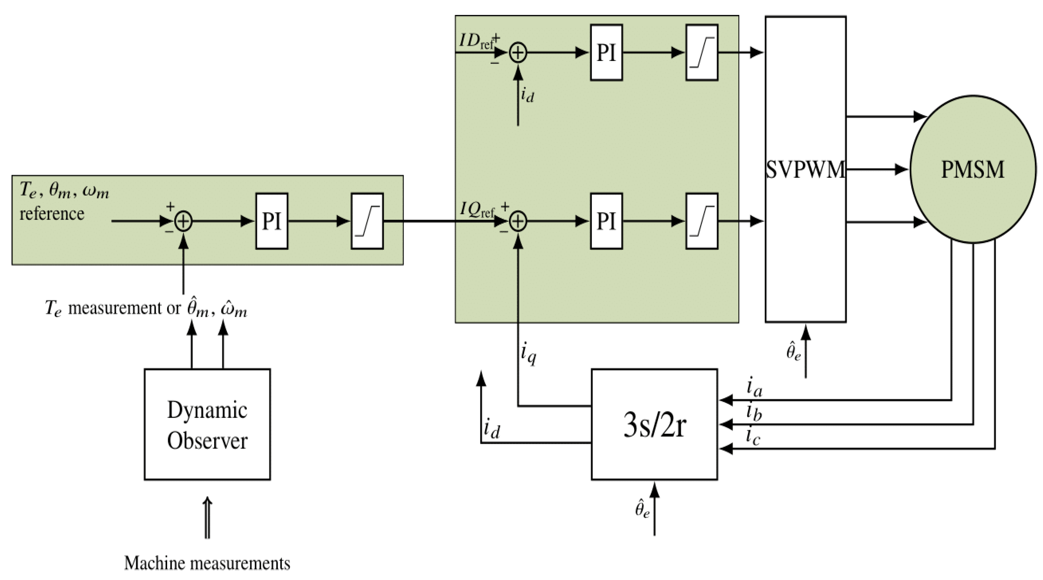
2.2. Torque Transducers and Tension Control
2.3. Parameters
2.4. MPCC Control Model
2.5. Fuzzy Controller
2.6. Adaptive N-N Finite-Time Tracking
3. Literature Review Methods and Discussion
3.1. Techniques in PMSM
3.1.1. PMSM and High-Frequency Square-Waves Voltage Injection Approach
3.1.2. PMSM Large Power Density and Good Efficiency
3.1.3. Operating a PMSM Together in a Fundamental FOC (Field-Oriented Control) Loop
3.1.4. Control Technique Based upon MPDTC (Model Predictive Direct Torque Control) for the Optimization Problem of PMSG (Permanent Magnet Synchronous Generator)
3.1.5. CT-SMC (Cathode Tube- Safety Monitoring Committee) and F-ST-SMO (Fuzzy Super-Twisted Sliding Mode Observer) Controls System
3.1.6. Surface-Mounted PMSM
3.1.7. Modulating FCS-MPC (Finite-Control-Set Model Predictive Control) Approach
3.1.8. Hybrid-Excitation Sustainable HEPM (Hybrid-Excitation Sustainable)
3.2. Fault Diagnosis of PMSM Motor
3.2.1. Model-Based Method for Transmission Fault Detection and Identifications (FDI (Fault Detection and Identification)) for PMSMs
3.2.2. Fault Diagnosis Approach for PMSM Based on Vector Spatial
3.2.3. Fault Diagnosis in Tabulated Comparisons
3.2.4. Torque Assessment Based on Rotor Irregularity
3.3. PMSMs Performances
3.3.1. Potentially Appropriate Asynchronous Motor Replacements
3.3.2. High Dynamic Performance with PMSMs
3.3.3. Innovative Rotor Flux Barriers Reconfigurations for Five-Phase PMASynRM (Permanent Magnet Assisted Synchronous Reluctance Machine) and Performance
3.4. PMSMs Characteristics
3.4.1. Characteristics Analysis of PMSMs
3.4.2. Electrical Characteristics of PMSMs
3.4.3. Comparison of Unidirectional and Bidirectional-Coupled Models
3.4.4. Magnetic Field Density of Back-EMF
3.4.5. Nonsingular Terminating Sliding Control Technique of a PMSM
3.4.6. Downbeat Predictive Control (DB-PC) Method
3.5. Future Trends, Challenges, and Opportunities
4. Conclusions
Funding
Conflicts of Interest
References
- Ali, N.; Alam, W.; Pervaiz, M.; Iqbal, J. Nonlinear adaptive backstepping control of permanent magnet synchronous motor. Rev. Roum. Sci. Tech.-Série Électrotechnique Énergétique 2021, 66, 15–20. [Google Scholar]
- Che, Z.; Yu, H.; Mobayen, S.; Ali, M.; Yang, C.; Bartoszewicz, A. An Improved Extended State Observer-Based Composite Nonlinear Control for Permanent Magnet Synchronous Motor Speed Regulation Systems. Energies 2022, 15, 5699. [Google Scholar] [CrossRef]
- Dai, Y.; Ni, S.; Xu, D.; Zhang, L.; Yan, X.G. Disturbance-observer-based prescribed-performance fuzzy sliding mode control for PMSM in electric vehicles. Eng. Appl. Artif. Intell. 2021, 104, 104361. [Google Scholar] [CrossRef]
- Guo, T.; Sun, Z.; Wang, X.; Li, S.; Zhang, K. A simple current-constrained controller for permanent-magnet synchronous motor. IEEE Trans. Ind. Inform. 2018, 15, 1486–1495. [Google Scholar] [CrossRef]
- Kim, S.K.; Ahn, C.K. Active-damping speed tracking technique for permanent magnet synchronous motors with transient performance boosting mechanism. IEEE Trans. Ind. Inform. 2021, 18, 2171–2179. [Google Scholar] [CrossRef]
- Lan, Y.H.; He, J.L.; Li, P.; She, J.H. Optimal preview repetitive control with application to permanent magnet synchronous motor drive system. J. Frankl. Inst. 2020, 357, 10194–10210. [Google Scholar] [CrossRef]
- Li, T.; Sun, X.; Lei, G.; Yang, Z.; Guo, Y.; Zhu, J. Finite-control-set model predictive control of permanent magnet synchronous motor drive systems—An overview. IEEE/CAA J. Autom. Sin. 2022, 9, 2087–2105. [Google Scholar] [CrossRef]
- Ping, Z.; Ma, Q.; Wang, T.; Huang, Y.; Lu, J.G. Speed tracking control of permanent magnet synchronous motor by a novel two-step internal model control approach. Int. J. Control Autom. Syst. 2018, 16, 2754–2762. [Google Scholar] [CrossRef]
- Ping, Z.; Wang, T.; Huang, Y.; Wang, H.; Lu, J.G.; Li, Y. Internal model control of PMSM position servo system: Theory and experimental results. IEEE Trans. Ind. Inform. 2019, 16, 2202–2211. [Google Scholar] [CrossRef]
- Song, Z.; Yang, J.; Mei, X.; Tao, T.; Xu, M. Deep reinforcement learning for permanent magnet synchronous motor speed control systems. Neural Comput. Appl. 2021, 33, 5409–5418. [Google Scholar] [CrossRef]
- Sun, Z.; Zhang, Y.; Li, S.; Zhang, X. A simplified composite current-constrained control for permanent magnet synchronous motor speed-regulation system with time-varying disturbances. Trans. Inst. Meas. Control 2020, 42, 374–385. [Google Scholar] [CrossRef]
- Tan, L.N.; Pham, T.C. Optimal Tracking Control for PMSM with Partially Unknown Dynamics, Saturation Voltages, Torque, and Voltage Disturbances. IEEE Trans. Ind. Electron. 2021, 69, 3481–3491. [Google Scholar]
- Toso, F.; Carlet, P.G.; Favato, A.; Bolognani, S. On-line continuous control set MPC for PMSM drives current loops at a high sampling rate using qpOASES. In Proceedings of the 2019 IEEE Energy Conversion Congress and Exposition (ECCE), Baltimore, MD, USA, 29 September–3 October 2019; pp. 6615–6620. [Google Scholar] [CrossRef]
- Xue, Z.; Li, L.; Wang, X.; Wang, X. A Sensorless Control Strategy for Permanent Magnet Synchronous Motor at Low Switching Frequency. Electronics 2022, 11, 1957. [Google Scholar] [CrossRef]
- Yu, Y.; Wang, S.; Du, Y.; Viswanathan, V.; Su, R.; Ramakrishna, S.; Gajanayake, C.J.; Gupta, A.K. Application of off-policy integral reinforcement learning for H∞, input-constrained control of permanent magnet synchronous machine. In Proceedings of the 2019 IEEE Applied Power Electronics Conference and Exposition (APEC), Anaheim, CA, USA, 17–21 March 2019; pp. 2570–2576. [Google Scholar] [CrossRef]
- Park, J.H.; Lim, H.S.; Lee, G.H.; Lee, H.H. A Study on the Optimal Control of Voltage Utilization for Improving the Efficiency of PMSM (Permanent Magnet Sychronous Motors). Electronics 2022, 11, 2095. [Google Scholar] [CrossRef]
- Chen, X.; Qin, P.; Chen, Y.; Zhao, J.; Li, W.; Mao, Y.; Zhao, T. Inter-Turn Short Circuit Fault Diagnosis of PMSM (Permanent Magnet Sychronous Motors). Electronics 2022, 11, 1576. [Google Scholar] [CrossRef]
- Skarolek, P.; Lipcak, O.; Lettl, J. Current Collapse Conduction Losses Minimization in GaN (Generative adversarial network) Based PMSM (Permanent Magnet Sychronous Motors) Drive. Electronics 2022, 11, 1503. [Google Scholar] [CrossRef]
- Miao, L.; Lin, F.; Jiang, Y.; Li, Q.; Sun, W. Dynamic Operation Loss Minimization for Permanent Magnet Synchronous Generator Based on Improved Model Predictive Direct Torque Control. Electronics 2022, 11, 1406. [Google Scholar] [CrossRef]
- Li, Z.; Wang, J.; Wang, S.; Feng, S.; Zhu, Y.; Sun, H. Design of Sensorless Speed Control System for Permanent Magnet Linear 678 Synchronous Motor Based on Fuzzy Super-Twisted Sliding Mode Observer. Electronics 2022, 11, 1394. [Google Scholar] [CrossRef]
- Soltani, M.; Nuzzo, S.; Barater, D.; Franceschini, G. A Multi-Objective Design Optimization for a Permanent Magnet Synchronous Machine with Hairpin Winding Intended for Transport Applications. Electronics 2021, 10, 3162. [Google Scholar] [CrossRef]
- Ahmed, A.A.; Bakeer, A.; Alhelou, H.H.; Siano, P.; Mossa, M.A. A New Modulated Finite Control Set-Model Predictive Control of Quasi-Z-Source Inverter for PMSM (Permanent Magnet Sychronous Motors) Drives. Electronics 2021, 10, 2814. [Google Scholar] [CrossRef]
- Nicola, C.-I.; Nicola, M.; Selișteanu, D. Sensorless Control of PMSM (Permanent Magnet Sychronous Motors) Based on Backstepping-PSO (Particle swarm optimization)-Type Controller and ESO (Extended state observer)-Type Observer Using Real-Time Hardware. Electronics 2021, 10, 2080. [Google Scholar] [CrossRef]
- Cinti, L.; Carlucci, M.; Bianchi, N.; Bertoluzzo, M. Electromagnetic and Structural Analysis of Six-Pole Hybrid-Excited Permanent Magnet Motors. Electronics 2021, 10, 2051. [Google Scholar] [CrossRef]
- Purbowaskito, W.; Wu, P.-Y.; Lan, C.-Y. Permanent Magnet Synchronous Motor Driving Mechanical Transmission Fault Detection and Identification: A Model-Based Diagnosis Approach. Electronics 2022, 11, 1356. [Google Scholar] [CrossRef]
- Gao, H.; Guo, J.; Hou, Z.; Zhang, B.; Dong, Y. Fault Diagnosis Method of Six-Phase Permanent Magnet Synchronous Motor Based on Vector Space Decoupling. Electronics 2022, 11, 1229. [Google Scholar] [CrossRef]
- Zou, M.; Yu, J.; Ma, Y.; Zhao, L.; Lin, C. Command filtering-based adaptive fuzzy control for permanent magnet synchronous motors with full-state constraints. Inf. Sci. 2020, 518, 1–12. [Google Scholar] [CrossRef]
- Zhu, P.; Chen, Y.; Li, M. Terminal sliding mode control of permanent magnet synchronous motor based on the reaching law. Proc. Inst. Mech. Eng. Part I J. Syst. Control Eng. 2020, 234, 849–859. [Google Scholar] [CrossRef]
- Pietrzak, P.; Wolkiewicz, M. Online Detection and Classification of PMSM (Permanent Magnet Sychronous Motors) Stator Winding Faults Based on Stator Current Symmetrical Components Analysis and the KNN Algorithm. Electronics 2021, 10, 1786. [Google Scholar] [CrossRef]
- Sarac, V.; Minovski, D.; Janiga, P. Parametric Analysis for Performance Optimization of Line-Start Synchronous Motor with Interior Asymmetric Permanent Magnet Array Rotor Topology. Electronics 2022, 11, 531. [Google Scholar] [CrossRef]
- Hsieh, M.-F.; Ngo, D.-K.; Thao, N.G.M. Flux Intensifying Feature of Permanent Magnet Assisted Synchronous Reluctance Motor with High Torque Density. Electronics 2022, 11, 397. [Google Scholar] [CrossRef]
- Ghorbani, H.; Moradian, M.; Benbouzid, M. On the Optimal Selection of Flux Barrier Reconfiguration for a Five-Phase Permanent Magnet Assisted Synchronous Reluctance Machine for Low-Torque Ripple Application. Electronics 2021, 11, 41. [Google Scholar] [CrossRef]
- Lee, J.-H.; Lee, H.-K.; Lee, Y.-G.; Lee, J.-I.; Jo, S.-T.; Kim, K.-H.; Park, J.-Y.; Choi, J.-Y. Design and Analysis Considering Magnet Usage of Permanent Magnet Synchronous Generator Using Analytical Method. Electronics 2022, 11, 205. [Google Scholar] [CrossRef]
- Su, G.; Wang, P.; Guo, Y.; Cheng, G.; Wang, S.; Zhao, D. Multiparameter Identification of Permanent Magnet Synchronous Motor Based on Model Reference Adaptive System—Simulated Annealing Particle Swarm Optimization Algorithm. Electronics 2022, 11, 159. [Google Scholar] [CrossRef]
- Jia, M.; Hu, J.; Xiao, F.; Yang, Y.; Deng, C. Modeling and Analysis of Electromagnetic Field and Temperature Field of Permanent-Magnet Synchronous Motor for Automobiles. Electronics 2021, 10, 2173. [Google Scholar] [CrossRef]
- Lee, H.-K.; Bang, T.-K.; Lee, J.-I.; Woo, J.-H.; Shin, H.-S.; Yoon, I.-J.; Choi, J.-Y. Analytical Study and Comparison of 672 Electromagnetic Characteristics of 8-Pole 9-Slot and 8-Pole 12-Slot Permanent Magnet Synchronous Machines Considering Rotor 673 Eccentricity. Electronics 2021, 10, 2036. [Google Scholar] [CrossRef]
- Jiang, C.; Wang, Q.; Li, Z.; Zhang, N.; Ding, H. Nonsingular Terminal Sliding Mode Control of PMSM (Permanent Magnet Sychronous Motors) Based on Improved Exponential Reaching Law. Electronics 2021, 10, 1776. [Google Scholar] [CrossRef]
- Abdelrahem, M.; Hackl, C.; Kennel, R. Robust Predictive Control Scheme for Permanent-Magnet Synchronous Generators Based Modern Wind Turbines. Electronics 2021, 10, 1596. [Google Scholar] [CrossRef]
- Mossa, M.A.; Echeikh, H.; Ali, Z.M.; Ahmed, M.; Al-Gahtani, S.F.; Sultan, H.M. Design and Modeling of a Robust Sensorless Control System for a Linear Permanent Magnet Synchronous Motor. Electronics 2021, 10, 966. [Google Scholar] [CrossRef]
- Park, G.; Kim, G.; Gu, B.-G. Sensorless PMSM (Permanent Magnet Sychronous Motors) Drive Inductance Estimation Based on a Data-Driven Approach. Electronics 2021, 10, 791. [Google Scholar] [CrossRef]
- Mishra, I.; Tripathi, R.N.; Singh, V.K.; Hanamoto, T. Step-by-Step Development and Implementation of FS-MPC for a FPGA-Based PMSM (Permanent Magnet Sychronous Motors) Drive System. Electronics 2021, 10, 395. [Google Scholar] [CrossRef]
- Hua, Y.; Zhu, H. Sensorless Control of Bearingless Permanent Magnet Synchronous Motor Based on LS-SVM Inverse System. Electronics 2021, 10, 265. [Google Scholar] [CrossRef]
- Lin, C.; Xing, J.; Zhuang, X. Dead-Time Correction Applied for Extended Flux-Based Sensorless Control of Assisted PMSM (Permanent Magnet Sychronous Motors)s in Electric Vehicles. Electronics 2021, 10, 220. [Google Scholar] [CrossRef]
- Kang, L.; Jiang, D.; Xia, C.; Xu, Y.; Sun, K. Research and Analysis of Permanent Magnet Transmission System Controls on Diesel Railway Vehicles. Electronics 2021, 10, 173. [Google Scholar] [CrossRef]
- Alsofyani, I.M.; Bak, Y.; Lee, K.-B. Improved Finite Set-Predictive Torque Control of PMSM (Permanent Magnet Sychronous Motors) Fed by Indirect Matrix Converter with Discrete Space Vector Modulation. Electronics 2020, 9, 2133. [Google Scholar] [CrossRef]
- Wu, S.; Guo, X.; Wang, R.; Liu, Y.; Lin, L.; Lei, Y. Reduction of Electromagnetic Interference for Permanent Magnet Synchronous Motor Using Random PWM (Pulse Width Modulation) Switching Method Based on Four-Switch Three-Phase Inverters. Electronics 2020, 9, 1998. [Google Scholar] [CrossRef]











| PMSM and High-Frequency Square-Waves Voltage Injection Approach. | We provide a new sensorless control strategy for regulating the rotational speed of an interior permanent machine synchronous motor (IPMSM) down to zero rpm via the injection of a high-frequency square-wave signal. In conventional approaches, inverter voltage error can negatively impact rotor position estimate at zero speed, while at low speed, obvious current sampling noise and sluggish identification during magnetic polarity detection might hamper operation. |
| PMSM Large Power Density and Good Efficiency | Thanks to their great efficiency and power density, permanent magnet synchronous motors (PMSMs) are finding more and more applications in the aerospace industry. Motors with a high electromagnetic load and a lightweight frame have been developed to boost power density. When designing motors, only lightweight constructions are employed for the rotor since the saturation performance of iron-core material prevents the use of large magnetic loads. |
| Operating a PMSM Together in a Fundamental FOC (Field-Oriented Control) Loop | Field-oriented control (FOC).is a common method used for PMSMs’ regulation. Some high-performance uses also necessitate rotor position data, which can be obtained via a resolver, for example. Permanent magnet synchronous motors (PMSMs) have their FOC utilized in the development and clarification of a motive system [27]. A resolver sensor is used to determine the system’s location. Through both virtual and physical testing, we can prove that the speed controller, which is part of the drive system, operates as intended. |
| Model Predictive Direct Torque Control (MPDTC)-Informed Control Method for PMSG Optimization (permanent magnet synchronous generator). | Direct torque control (DTC) of PMSG using a Vienna rectifier, however, has not been extensively addressed. To regulate torque and flux while keeping DC-link voltage steady, a switching vector Look-Up Table (LUT) was developed, which defined a DTC based on a PMSG [28]. The LUT itself is very dependent on an offline optimization technique during its construction, which is why the DTC must rely on it for performance. |
| Surface-Mounted PMSM | The sinusoidal back electromotive force of a three-phase external permanent magnet synchronous motor (PMSM) is realized by the Surface Mount PMSM block. The motor’s torque or speed can be adjusted by adjusting the current through the block, which is controlled by the three-phase input voltages. |
| Using a Modulated FCS-MPC (Finite-Control-Set Model Predictive Control) Strategy | The present timestamp is used by continuous control set model predictive control (CCS-MPC) to compare the expected output from time stamps 1 to Np (the prediction horizon) with the reference value, which is derived from the plant’s dynamic mathematical model. It is possible to determine the optimal input of future Nc (control horizon) at any given time by first constructing the cost function and then solving the minimal problem. As PWM modulation is required in the converter’s intended use, the first set of the control sequence is implemented on the converter. |
| Model-Based Method For Transmission Fault Detection And Identifications (FDI (Fault Detection and Identification)) For PMSMs | A PMSM state-space model and an approximation transmission model are used to build regression models for parameter estimation in the proposed framework (RLS) algorithm. The FDI is completed by using a thresholding technique on the residual current spectrum to evaluate the magnitude of the fault characteristic frequency. The trials compare two types of mechanical transmission under three distinct failure scenarios. |
| Fault Diagnosis Approach For PMSM Based On Vector Spatial | The stator inter-turn short-circuit fault is one of the most dangerous forms of faults that can occur in PMSMs and put the integrity of PMSM drive systems at risk. There is a method for diagnosing inter-turn short-circuit faults in PMSMs using a finite-control-set model predictive control (FCS-MPC) strategy based on the length of the space vectors. |
| Torque Assessment Based On Rotor Irregularity | When an induction machine has a dynamic rotor problem, such as broken bars or eccentricity, the electromagnetic field around the rotor and, by extension, the magnetomotive force, changes rapidly. Motor current amplitude and phase are modulated as a result of fluctuations in the electromagnetic field. The angular frequency of the spinning electromagnetic field is not constant, but rather, it oscillates around that frequency. |
| Potentially Appropriate Asynchronous Motor Replacements | Squirrel cage induction motors and wound rotor induction motors are two subsets of the broader asynchronous (induction) motor class. |
| High Dynamic Performance with PMSMs | It helps to think of synchronous motors as being comparable to brushless DC motors in terms of their design and operator to grasp the basic principles involved. Synchronous motors have a more consistent output torque because their coils are not driven by a regulated series of DC pulses, but by numerous phase currents. |
| Innovative Rotor Flux Barriers Reconfigurations for Five-Phase PMASynRM (permanent magnet-assisted synchronous reluctance machine) | To supply and regulate electrical machines, multiphase drive systems can be implemented, even though a three-phase system is the most common. This is because advances in power electronics devices have rendered the necessity of having a restricted number of phases irrelevant. PMASynRM’s ability to use a five-phase system as the driving system is an attractive feature. |
Disclaimer/Publisher’s Note: The statements, opinions and data contained in all publications are solely those of the individual author(s) and contributor(s) and not of MDPI and/or the editor(s). MDPI and/or the editor(s) disclaim responsibility for any injury to people or property resulting from any ideas, methods, instructions or products referred to in the content. |
© 2023 by the author. Licensee MDPI, Basel, Switzerland. This article is an open access article distributed under the terms and conditions of the Creative Commons Attribution (CC BY) license (https://creativecommons.org/licenses/by/4.0/).
Share and Cite
Mercorelli, P. Control of Permanent Magnet Synchronous Motors for Track Applications. Electronics 2023, 12, 3285. https://doi.org/10.3390/electronics12153285
Mercorelli P. Control of Permanent Magnet Synchronous Motors for Track Applications. Electronics. 2023; 12(15):3285. https://doi.org/10.3390/electronics12153285
Chicago/Turabian StyleMercorelli, Paolo. 2023. "Control of Permanent Magnet Synchronous Motors for Track Applications" Electronics 12, no. 15: 3285. https://doi.org/10.3390/electronics12153285
APA StyleMercorelli, P. (2023). Control of Permanent Magnet Synchronous Motors for Track Applications. Electronics, 12(15), 3285. https://doi.org/10.3390/electronics12153285
