Compact High-Scanning Rate Frequency Scanning Antenna Based on Composite Right/Left-Handed Transmission Line
Abstract
1. Introduction
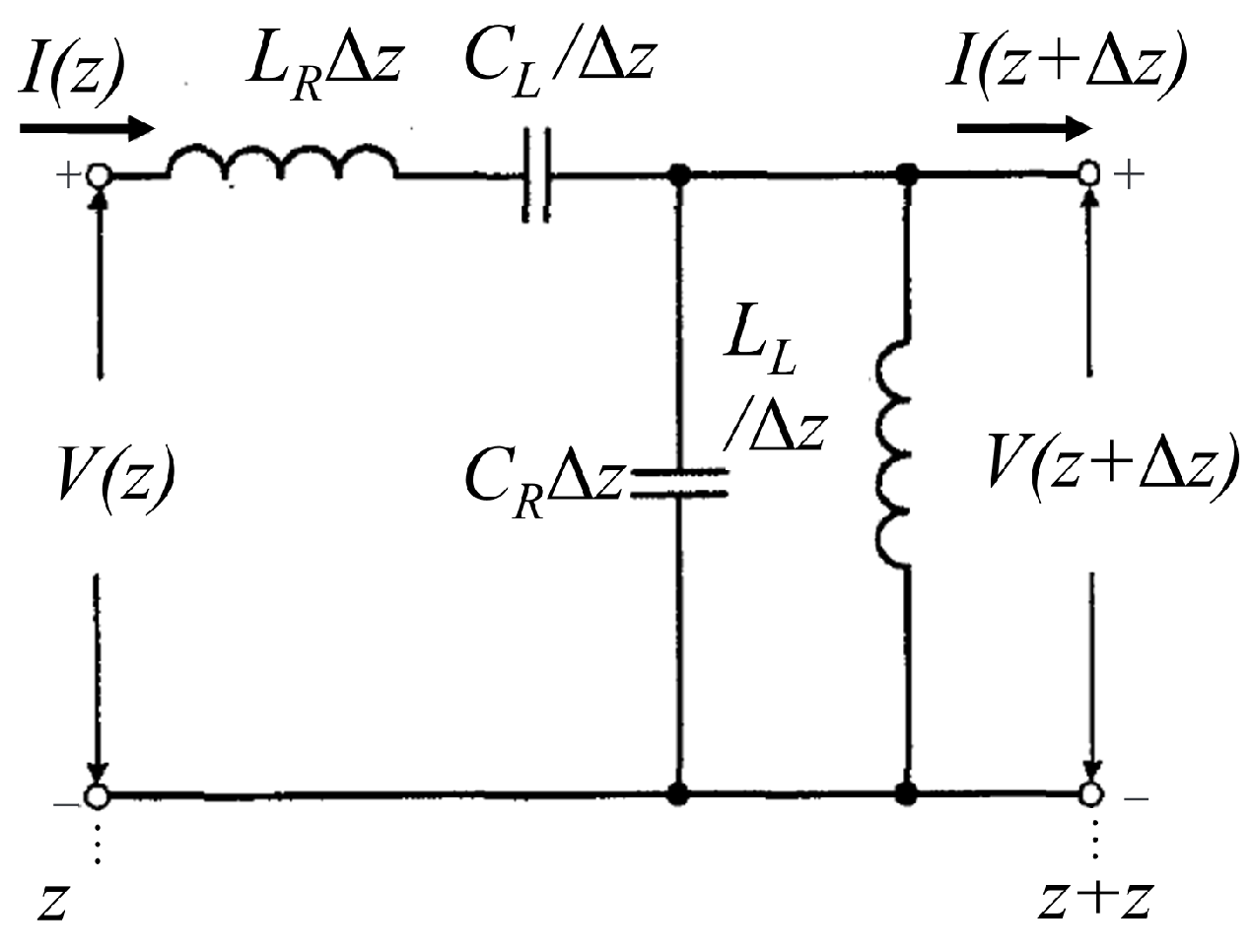
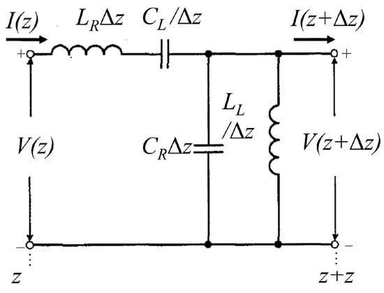
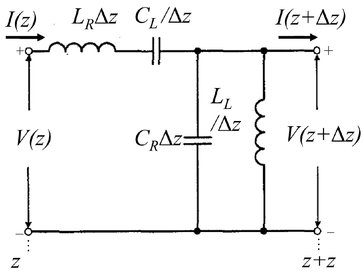
2. Theory and Design
3. Simulation Results
4. Experiments
5. Conclusions
Author Contributions
Funding
Data Availability Statement
Conflicts of Interest
References
- Yan, N.; Ma, K.; Zhang, H.; Jian, Z. A Novel Substrate Integrated Suspended Line Wideband Leaky-Wave Antenna. IEEE Antennas Wirel. Propag. Lett. 2017, 16, 2642–2645. [Google Scholar] [CrossRef]
- Zheng, D.; Lyu, Y.-L.; Wu, K. Transversely Slotted SIW Leaky-Wave Antenna Featuring Rapid Beam-Scanning for Millimeter-Wave Applications. IEEE Trans. Antennas Propag. 2020, 68, 4172–4185. [Google Scholar] [CrossRef]
- Zheng, D.; Wu, K. Multifunctional Filtering Leaky-Wave Antenna Exhibiting Simultaneous Rapid Beam-Scanning and Frequency-Selective Characteristics Based on Radiative Bandpass Filter Concept. IEEE Trans. Antennas Propag. 2020, 68, 5842–5854. [Google Scholar] [CrossRef]
- Caloz, C.; Sanada, A.; Itoh, T. A novel composite right-/left-handed coupled-line directional coupler with arbitrary coupling level and broad bandwidth. IEEE Trans. Microw. Theory Tech. 2004, 52, 980–992. [Google Scholar] [CrossRef]
- Lin, X.Q.; Ma, H.F.; Bao, D.; Cui, T.J. Design and Analysis of Super-Wide Bandpass Filters Using a Novel Compact Meta-Structure. IEEE Trans. Microw. Theory Tech. 2007, 55, 747–753. [Google Scholar] [CrossRef]
- Mao, S.-G.; Chueh, Y.-Z. Broadband composite right/left-handed coplanar waveguide power splitters with arbitrary phase responses and balun and antenna applications. IEEE Trans. Antennas Propag. 2006, 54, 243–250. [Google Scholar] [CrossRef]
- Hirota, A.; Tahara, Y.; Yoneda, N. A Compact Forward Coupler Using Coupled Composite Right/Left-Handed Transmission Lines. IEEE Trans. Microw. Theory Tech. 2009, 57, 3127–3133. [Google Scholar] [CrossRef]
- Lee, J.-Y.; Kim, D.-J.; Park, B.-C.; Lee, J.-H. High order bandpass filter using the first negative resonant mode of composite right/left-handed transmission line. In Proceedings of the 2008 IEEE Antennas and Propagation Society International Symposium, San Diego, CA, USA, 5–11 July 2008; pp. 1–4. [Google Scholar] [CrossRef]
- Buell, K.; Mosallaei, H.; Sarabandi, K. A substrate for small patch antennas providing tunable miniaturization factors. IEEE Trans. Microw. Theory Tech. 2006, 54, 135–146. [Google Scholar] [CrossRef]
- Ji, J.; Kim, G.; Seong, W. A Compact Multiband Antenna Based on CRLH-TL ZOR for Wireless Mobile System. Microwave and Optical Technology Letters. 2009. Available online: https://www.semanticscholar.org/paper/A-compact-multiband-antenna-based-on-CRLH%E2%80%90TL-ZOR-Ji-Kim/9490cb043a8af5988d6ce6960898450ede24c31f (accessed on 21 December 2024).
- Ryu, Y.; Park, J.; Lee, J.; Tae, H. Multiband antenna using +1, −1, and 0 resonant mode of DGS dual composite right/left handed transmission line. Micro Opt. Tech Lett. 2009, 51, 2485–2488. [Google Scholar] [CrossRef]
- Jin, C.; Alphones, A.; Ong, L.C. Broadband leaky-wave antenna based on composite right/left handed substrate integrated waveguide. Electron. Lett. 2010, 46, 1584–1585. [Google Scholar] [CrossRef]
- Jin, C.; Alphones, A. Leaky-Wave Radiation Behavior From a Double Periodic Composite Right/Left-Handed Substrate Integrated Waveguide. IEEE Trans. Antennas Propag. 2012, 60, 1727–1735. [Google Scholar] [CrossRef]
- Lyu, Y.-L.; Liu, X.-X.; Wang, P.-Y.; Erni, D.; Wu, Q.; Wang, C.; Kim, N.-Y.; Meng, F.-Y. Leaky-Wave Antennas Based on Noncutoff Substrate Integrated Waveguide Supporting Beam Scanning From Backward to Forward. IEEE Trans. Antennas Propag. 2016, 64, 2155–2164. [Google Scholar] [CrossRef]
- Alibakhshikenari, M.; Virdee, B.S.; Khalily, M.; Shukla, P.; See, C.H.; Abd-Alhameed, R.; Falcone, F.; Limiti, E. Beam-scanning leaky-wave antenna based on CRLH-metamaterial for millimetre-wave applications. IET Microw. Antennas Propag. 2019, 13, 1129–1133. [Google Scholar] [CrossRef]
- Sarkar, A.; Adhikary, M.; Sharma, A.; Biswas, A.; Akhtar, M.J.; Hu, Z. Composite right/left-handed based compact and high gain leaky-wave antenna using complementary spiral resonator on HMSIW for Ku band applications. IET Microw. Antennas Propag. 2018, 12, 1310–1315. [Google Scholar] [CrossRef]
- Karmokar, D.K.; Chen, S.-L.; Bird, T.S.; Guo, Y.J. Single-Layer Multi-Via Loaded CRLH Leaky-Wave Antennas for Wide-Angle Beam Scanning With Consistent Gain. IEEE Antennas Wirel. Propag. Lett. 2019, 18, 313–317. [Google Scholar] [CrossRef]
- Chen, S.-L.; Karmokar, D.K.; Li, Z.; Qin, P.-Y.; Ziolkowski, R.W.; Guo, Y.J. Continuous Beam Scanning at a Fixed Frequency With a Composite Right-/Left-Handed Leaky-Wave Antenna Operating Over a Wide Frequency Band. IEEE Trans. Antennas Propag. 2019, 67, 7272–7284. [Google Scholar] [CrossRef]
- Sarkar, A.; Pham, D.A.; Lim, S. Tunable Higher Order Mode-Based Dual-Beam CRLH Microstrip Leaky-Wave Antenna for V-Band Backward–Broadside–Forward Radiation Coverage. IEEE Trans. Antennas Propag. 2020, 68, 6912–6922. [Google Scholar] [CrossRef]
- Karmokar, D.K.; Guo, Y.J.; Chen, S.-L.; Bird, T.S. Composite Right/Left-Handed Leaky-Wave Antennas for Wide-Angle Beam Scanning With Flexibly Chosen Frequency Range. IEEE Trans. Antennas Propag. 2020, 68, 100–110. [Google Scholar] [CrossRef]
- Yang, W.; Peng, Z.; Ren, J.; Gao, J.; Zhai, G. Composite Right/Left-Handed Leaky-Wave Antenna With High Scanning Rate. IEEE Antennas Wirel. Propag. Lett. 2022, 21, 2522–2526. [Google Scholar] [CrossRef]
- Eleftheriades, G.V.; Iyer, A.K.; Kremer, P.C. Planar negative refractive index media using periodically L-C loaded transmission lines. IEEE Trans. Microw. Theory Techn. 2002, 50, 2702–2712. [Google Scholar]
- Pozar, D.M. Microwave Engineering; Wiley: New York, NY, USA, 2005. [Google Scholar]
- Kuchment, P.A. Floquet Theory for Partial Differential Equations; Birkhäuser: Basel, Switzerland, 2012; Volume 60. [Google Scholar]
- Zhou, W.; Liu, J.; Long, Y. Investigation of Shorting Vias for Suppressing the Open Stopband in an SIW Periodic Leaky-Wave Structure. IEEE Trans. Microw. Theory Tech. 2018, 66, 2936–2945. [Google Scholar] [CrossRef]
- Ma, D.; Zhong, J.; Shen, S.; Dubey, A.; Zhang, C.; Zhang, Q.; Murch, R. Single-Shot Frequency-Diverse Near-Field Imaging Using High-Scanning-Rate Leaky-Wave Antenna. IEEE Trans. Microw. Theory Tech. 2021, 69, 3399–3412. [Google Scholar] [CrossRef]
- Guan, D.-F.; Zhang, Q.; You, P.; Yang, Z.-B.; Zhou, Y.; Yong, S.-W. Scanning Rate Enhancement of Leaky-Wave Antennas Using Slow-Wave Substrate Integrated Waveguide Structure. IEEE Trans. Antennas Propag. 2018, 66, 3747–3751. [Google Scholar] [CrossRef]
- Zhang, G.; Zhang, Q.; Ge, S.; Chen, Y.; Murch, R.D. High Scanning-Rate Leaky-Wave Antenna Using Complementary Microstrip-Slot Stubs. IEEE Trans. Antennas Propag. 2019, 67, 2913–2922. [Google Scholar] [CrossRef]
- Xie, D.; Zhu, L. Microstrip Leaky-Wave Antennas With Nonuniform Periodical Loading of Shorting Pins for Enhanced Frequency Sensitivity. IEEE Trans. Antennas Propag. 2018, 66, 3337–3345. [Google Scholar] [CrossRef]
- Garcia-Vigueras, M.; Gomez-Tornero, J.L.; Goussetis, G.; Weily, A.R.; Guo, Y.J. Enhancing Frequency-Scanning Response of Leaky-Wave Antennas Using High-Impedance Surfaces. IEEE Antennas Wirel. Propag. Lett. 2011, 10, 7–10. [Google Scholar] [CrossRef]
















| L | W | L1 | W1 | LS2 |
|---|---|---|---|---|
| 192 | 45 | 3.07 | 2.71 | 1.19 |
| L2 | W2 | L3 | W3 | WS2 |
| 13.69 | 1.42 | 1.96 | 0.75 | 0.57 |
| L4 | W4 | LS1 | WS1 | g |
| 11.26 | 0.67 | 3.93 | 0.658 | 0.1 |
| Reference | Bandwidth 1 | Scanning Range (Deg) | Scanning Rate | Gain (dBi) | Length (λ0) 2 | Unit Type |
|---|---|---|---|---|---|---|
| [2] | 34–36 GHz (5.7%) | +17°~+58° | 7.2 | 7.2~12.1 | 9.4 | SIW, |
| [3] | 30.4–31.8 GHz (4.5%) | +18°~+60° | 9.3 | 2.7~12.1 | 11.6 | SIW, Quasi-uniform |
| [15] | 57–62 GHz (8.4%) | −35°~34.5° | 8.27 | 4.3~7.8 | 3.43 | CRLH-TL |
| [16] | 13.5–17.8 GHz (27.48%) | −66°~+20° | 3.13 | 12.5–16 | 4.85 | CRLH-TL |
| [20] | 5.1–6.11 GHz (18.3%) | −56°~+51° | 5.85 | 7.6–12.3 | 4.62 | CRLH-TL |
| [21] | 9.2–9.93 GHz (6.6%) | −65°~+65° | 19.7 | 6–9 | 4.92 | CRLH-TL |
| [25] | 13.2–15.6 GHz (16.1%) | −61°~+42° | 6.4 | 9.5–13 | 11.12 | SIW, Period |
| [26] | 10–10.5 GHz (4.87%) | −40°~+30° | 14.3 | 4–5 | 11.6 | SIW, Period |
| [27] | 13.5–13.9 GHz (3%) | 2°~+37° | 11.7 | 9.2–13.3 | 8.83 | SIW, Period |
| [28] | 2.4–2.6 GHz (8%) | 8°~35° | 3.4 | 5–7 | 2.65 | Microstrip, Period |
| [29] | 3.43–3.7 GHz (7.6%) | 40°~76.5° | 4.8 | 10–15.5 | 4.6 | Microstrip, Uniform |
| [30] | 11–16 GHz (37%) | 5°~67° | 1.7 | 1.8–12.2 | 9.2 | Waveguide, Quasi-uniform |
| This work | 5.65–6.5(14%) | −67.5°~+35.5° | 7.35 | 10–12.3 | 3.84 | CRLH-TL |
Disclaimer/Publisher’s Note: The statements, opinions and data contained in all publications are solely those of the individual author(s) and contributor(s) and not of MDPI and/or the editor(s). MDPI and/or the editor(s) disclaim responsibility for any injury to people or property resulting from any ideas, methods, instructions or products referred to in the content. |
© 2025 by the authors. Licensee MDPI, Basel, Switzerland. This article is an open access article distributed under the terms and conditions of the Creative Commons Attribution (CC BY) license (https://creativecommons.org/licenses/by/4.0/).
Share and Cite
He, Z.; Song, K.; Yao, J.; Zhou, Y. Compact High-Scanning Rate Frequency Scanning Antenna Based on Composite Right/Left-Handed Transmission Line. J. Low Power Electron. Appl. 2025, 15, 18. https://doi.org/10.3390/jlpea15020018
He Z, Song K, Yao J, Zhou Y. Compact High-Scanning Rate Frequency Scanning Antenna Based on Composite Right/Left-Handed Transmission Line. Journal of Low Power Electronics and Applications. 2025; 15(2):18. https://doi.org/10.3390/jlpea15020018
Chicago/Turabian StyleHe, Zongrui, Kaijun Song, Jia Yao, and Yedi Zhou. 2025. "Compact High-Scanning Rate Frequency Scanning Antenna Based on Composite Right/Left-Handed Transmission Line" Journal of Low Power Electronics and Applications 15, no. 2: 18. https://doi.org/10.3390/jlpea15020018
APA StyleHe, Z., Song, K., Yao, J., & Zhou, Y. (2025). Compact High-Scanning Rate Frequency Scanning Antenna Based on Composite Right/Left-Handed Transmission Line. Journal of Low Power Electronics and Applications, 15(2), 18. https://doi.org/10.3390/jlpea15020018

