Evolution of the HVDC Link Connecting Offshore Wind Farms to Onshore Power Systems
Abstract
1. Introduction
1.1. Development of Horizontal Wind Power Plants
1.2. DC Grids Requirements
2. HVAC vs. HVDC
3. HVDC Offshore Technologies Comparison
3.1. Line Commutated Converters
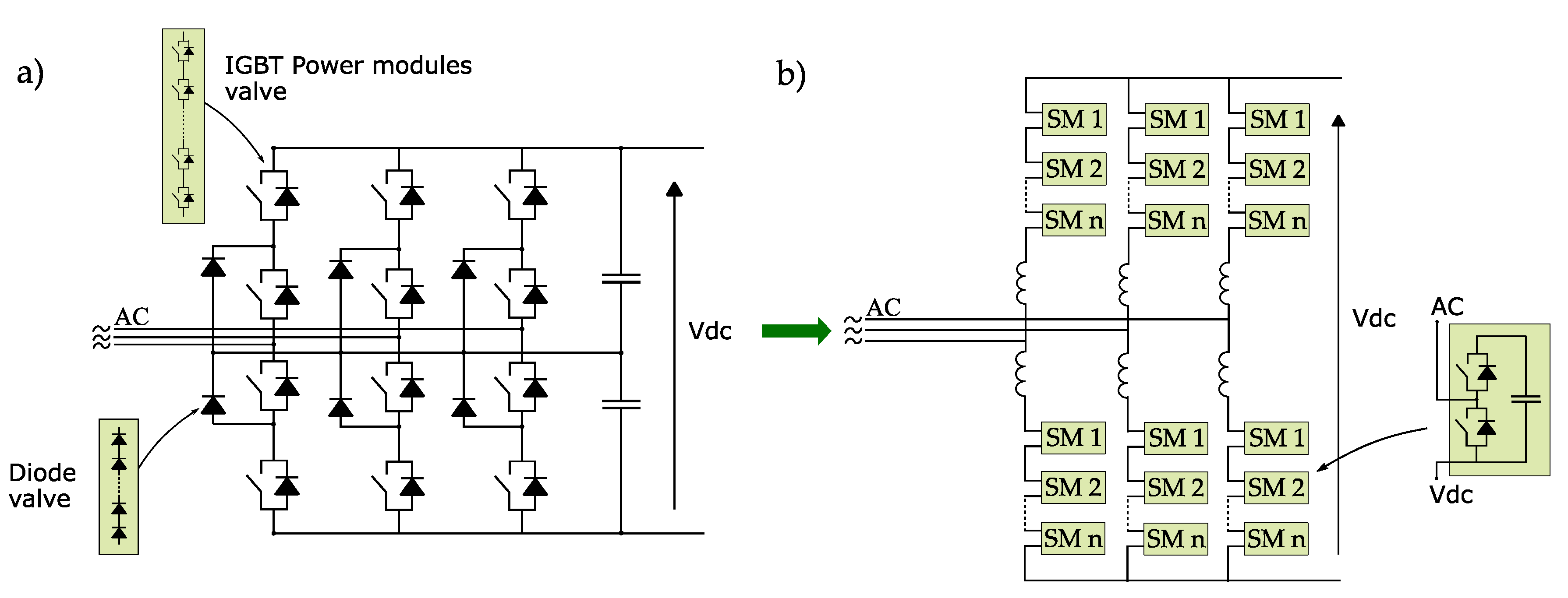
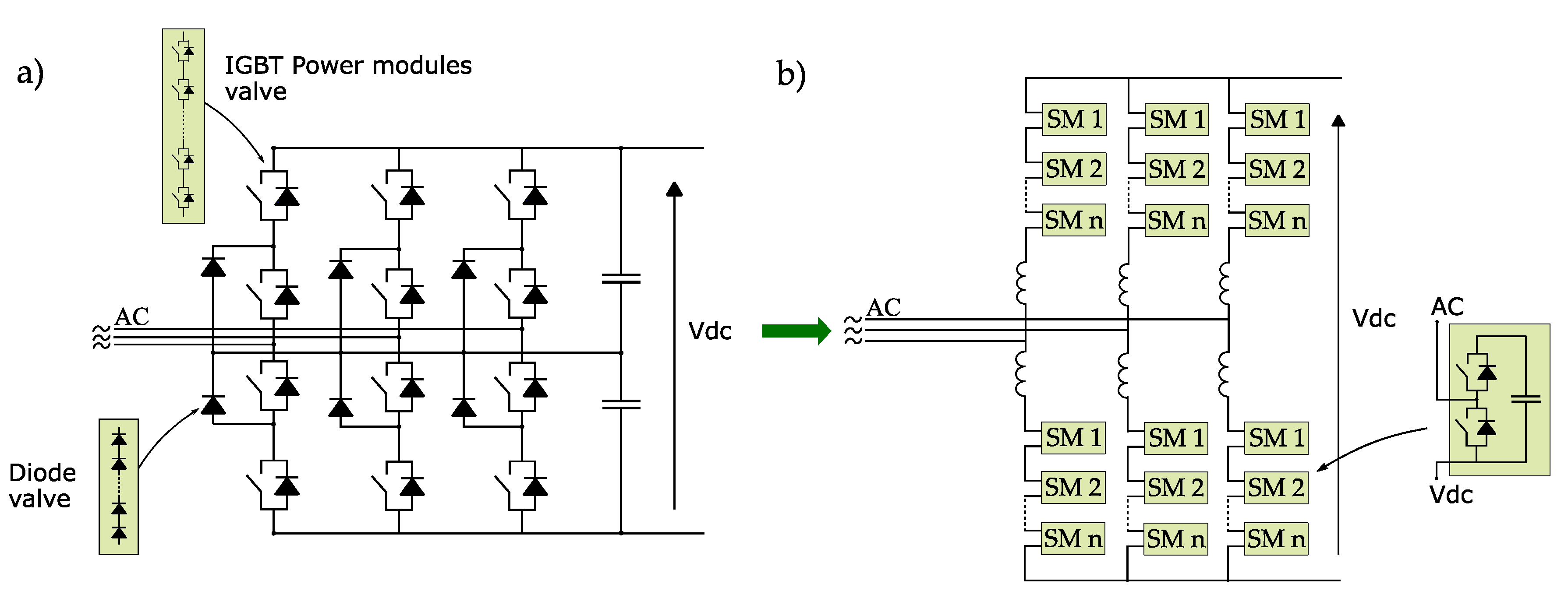
3.2. Voltage Source Converters
3.3. HVDC Diode Rectifier Unit
3.4. Hybrid LCC/VSC Schemes
3.5. Costs Comparison
4. More Offshore WPP—Emergence of a Super Grid
5. Conclusions
Author Contributions
Funding
Conflicts of Interest
References
- Bahrman, M.P.; Johnson, B.K. The ABCs of HVDC Transmission Technologies. IEEE Power Energy Mag. 2007, 5, 32–44. [Google Scholar] [CrossRef]
- Jovcic, D.; van Hertem, D.; Linden, K.; Taisne, J.; Grieshaber, W. Feasibility of DC Transmission Networks. In Proceedings of the 2011 2nd IEEE PES International Conference and Exhibition on Innovative Smart Grid Technologies, Manchester, UK, 5–7 December 2011; pp. 1–8. [Google Scholar] [CrossRef]
- Bresesti, P.; Kling, W.L.; Hendriks, R.L.; Vailati, R. HVDC Connection of Offshore Wind Farms to the Transmission System. IEEE Trans. Energy Convers. 2007, 22, 37–43. [Google Scholar] [CrossRef]
- Shao, S.J.; Agelidis, V.G. Review of DC System Technologies for Large Scale Integration of Wind Energy Systems with Electricity Grids. Energies 2010, 3, 1303–1319. [Google Scholar] [CrossRef]
- Brenna, M.; Foiadelli, F.; Longo, M.; Zaninelli, D. Improvement of Wind Energy Production through HVDC Systems. Energies 2017, 10, 157. [Google Scholar] [CrossRef]
- Intelligence, W.B. The European Offshore Wind Industry—Key Trends and Statistics 2016. Available online: https://winrope-Annual-Offshore-Statistics-2016.pdf (accessed on 10 April 2020).
- Pineda, I. The European offshore wind industry key 2017 trends and statistics. Wind Eur. 2017, 31. [Google Scholar] [CrossRef]
- Selot, F.; Fraile, D.; Brindley, G.; Walsh, C. Offshore Wind in Europe: Key trends and statistics 2018. Refocus 2018, 1–37. [Google Scholar] [CrossRef]
- Renewables—Fuels & Technologies; IEA. Available online: https://www.iea.org/fuels-and-technologies/renewables (accessed on 10 April 2020).
- IEA Online Data Services. Renewables Information. Available online: https://www.iea.org/fuels-and-technologies/electricity (accessed on 10 April 2020).
- Kutt, F.; Michna, M.; Kostro, G. Multiple reference frame theory in the synchronous generator model considering harmonic distortions caused by nonuniform pole shoe saturation. IEEE Trans. Energy Convers. 2020, 35, 166–173. [Google Scholar] [CrossRef]
- Barker, C.D.; Davidson, C.C.; Trainer, D.R.; Whitehouse, R.S. Requirements of DC-DC converters to facilitate large DC grids. In Proceedings of the 44th International Conference on Large High Voltage Electric Systems, Paris, France, 26–31 August 2012. [Google Scholar]
- Komusanac, I.; Fraile, D.; Brindley, G. Wind Energy in Europe in 2018. Trends and Statistics; WindEurope: Brussels, Belgium, 2019. [Google Scholar]
- Purta, M.; Marciniak Tomasz, T.; Rozenbaum, K. Report: “Developing offshore wind power in Poland”; McKinsey & Company: Warszawa, Poland, 2016. [Google Scholar]
- The European Offshore Wind Industry—Key Trends and Statistics 2017. 2018. Available online: https://winindustry-key-trends-statistics-2017/ (accessed on 10 April 2020).
- Maneiro, J.; Ryndzionek, R.; Lagier, T.; Dworakowski, P.; Buttay, C. Design of a SiC based Triple Active Bridge cell for a multi-megawatt DC-DC converter. In Proceedings of the 2017 19th European Conference on Power Electronics and Applications (EPE’17 ECCE Europe), Warsaw, Poland, 11–14 September 2017; pp. P.1–P.10. [Google Scholar] [CrossRef]
- Mahmoudi, H.; Aleenejad, M.; Ahmadi, R. Modulated Model Predictive Control of Modular Multilevel Converters in VSC-HVDC Systems. IEEE Trans. Power Deliv. 2018, 33, 2115–2124. [Google Scholar] [CrossRef]
- Meah, K.; Ula, S. Comparative evaluation of HVDC and HVAC transmission systems. In Proceedings of the 2007 IEEE Power Engineering Society General Meeting, Tampa, FL, USA, 24–28 June 2007. [Google Scholar] [CrossRef]
- Zhang, Y.; Ravishankar, J.; Fletcher, J.; Li, R.; Han, M. Review of modular multilevel converter based multi-terminal HVDC systems for offshore wind power transmission. Renew. Sustain. Energy Rev. 2016, 61, 572–586. [Google Scholar] [CrossRef]
- List of HVDC Projects. 2019. Available online: https://ipfs.io/ipfs/QmXoyo6uco/wiki/List_of_HVDC_projects.html (accessed on 10 April 2020).
- Paez, J.D.; Frey, D.; Maneiro, J.; Bacha, S.; Dworakowski, P. Overview of DC-DC Converters dedicated to HVDC Grids. IEEE Trans. Power Deliv. 2019, 34, 119–128. [Google Scholar] [CrossRef]
- Xiang, X.; Zhang, X.; Chaffey, G.P.; Green, T.C. An Isolated Resonant Mode Modular Converter With Flexible Modulation and Variety of Configurations for MVDC Application. IEEE Trans. Power Deliv. 2018, 33, 508–519. [Google Scholar] [CrossRef]
- HVDC Technology for Offshore Wind Is Maturing. 2018. Available online: https://new.abb.com/news/detail/8270/hvdc-technology-for-offshore-wind-is-maturingl (accessed on 10 April 2020).
- Liu, R. Long-Distance DC Electrical Power Transmission. IEEE Electr. Insul. Mag. 2013, 29, 37–46. [Google Scholar] [CrossRef]
- Liu, R. Progress of Long-Distance DC Electrical Power Transmission. In Proceedings of the 2017 1st International Conference on Electrical Materials and Power Equipment (ICEMPE), Xi’an, China, 14–17 May 2017; pp. 93–96. [Google Scholar] [CrossRef]
- Ahmed, K.; Jovcic, D. High Voltage Direct Current Transmission: Converters, Systems and DC Grids; Wiley: Hoboken, NJ, USA, 2015; p. 438. [Google Scholar] [CrossRef]
- Blasco-Gimenez, R.; Anó-Villalba, S.; Rodriguez-D’Derlée, J.; Bernal-Perez, S.; Morant, F. Diode-Based HVdc Link for the Connection of Large Offshore Wind Farms. IEEE Trans. Energy Convers. 2011, 26, 615–626. [Google Scholar] [CrossRef]
- Akhmatov, V.; Callavik, M.; Franck, C.M.; Rye, S.E.; Ahndorf, T.; Bucher, M.K.; Müller, H.; Schettler, F.; Wiget, R. Technical Guidelines and Prestandardization Work for First HVDC Grids. IEEE Trans. Power Deliv. 2014, 29, 327–335. [Google Scholar] [CrossRef]
- Kouro, S.; Malinowski, M.; Gopakumar, K.; Pou, J.; Franquelo, L.G.; Wu, B.; Rodriguez, J.; Perez, M.A.; Leon, J.I. Recent advances and industrial applications of multilevel converters. IEEE Trans. Ind. Electron. 2010, 57, 2553–2580. [Google Scholar] [CrossRef]
- Alassi, A.; Bañales, S.; Ellabban, O.; Adam, G.; MacIver, C. HVDC Transmission: Technology Review, Market Trends and Future Outlook. Renew. Sustain. Energy Rev. 2019, 112, 530–554. [Google Scholar] [CrossRef]
- Pierri, E.; Binder, O.; Hemdan, N.G.; Kurrat, M. Challenges and opportunities for a European HVDC grid. Renew. Sustain. Energy Rev. 2017, 70, 427–456. [Google Scholar] [CrossRef]
- Martinez-Rodrigo, F.; Ramirez, D.; Rey-Boue, A.; de Pablo, S.; Herrero-de Lucas, L. Modular Multilevel Converters: Control and Applications. Energies 2017, 10, 1709. [Google Scholar] [CrossRef]
- Asplund, G.; Eriksson, K.; Svensson, K. DC Transmission based on Voltage Source Converters. In Proceedings of the CIGRE SC14 Colloquium, Johannesburg, South Africa, 29–30 September 1997; pp. 1–7. [Google Scholar]
- Keshavarz, S. Design and Evaluation of an Active Rectifier for a 4.1 MW Off-Shore Wind Turbine. 2011. Available online: http://studentarbeten.chalmers.se (accessed on 10 April 2020).
- Dambone Sessa, S.; Chiarelli, A.; Benato, R. Availability Analysis of HVDC-VSC Systems: A Review. Energies 2019, 12, 2703. [Google Scholar] [CrossRef]
- Zhang, Z.; Xu, Z.; Xue, Y.; Tang, G. DC-Side Harmonic Currents Calculation and DC-Loop Resonance Analysis for an LCC-MMC Hybrid HVDC Transmission System. IEEE Trans. Power Deliv. 2015, 30, 642–651. [Google Scholar] [CrossRef]
- Fu, Y.; Wang, C.; Tian, W.; Shahidehpour, M. Integration of Large-Scale Offshore Wind Energy via VSC-HVDC in Day-Ahead Scheduling. IEEE Trans. Sustain. Energy 2016, 7, 535–545. [Google Scholar] [CrossRef]
- Morawiec, M. The adaptive backstepping control of permanent magnet synchronous motor supplied by current source inverter. IEEE Trans. Ind. Inform. 2013, 9, 1047–1055. [Google Scholar] [CrossRef]
- Morawiec, M.; Lewicki, A. Power electronic transformer based on cascaded H-bridge converter. Bull. Pol. Acad. Sci. Tech. Sci. 2017, 65, 675–683. [Google Scholar] [CrossRef]
- Dworakowski, P.; Wilk, A.; Michna, M.; Lefebvre, B.; Sixdenier, F.; Mermet-Guyennet, M. Effective Permeability of Multi Air Gap Ferrite Core 3-Phase Medium Frequency Transformer in Isolated DC-DC Converters. Energies 2020, 13, 1352. [Google Scholar] [CrossRef]
- Marquardt, R.; Lesnicar, A. A new modular voltage source inverter topology. In Proceedings of the European Conference on Power Electronics and Applications (EPE2003), Toulouse, France, 2–4 September 2003; pp. 1–10. [Google Scholar]
- Abildgaard, E.N.; Molinas, M. Modelling and Control of the Modular Multilevel Converter (MMC); Energy Procedia; Elsevier Ltd.: Amsterdam, The Netherlands, 2012. [Google Scholar] [CrossRef]
- Jones, P.S.; Davidson, C.C. Calculation of power losses for MMC-based VSC HVDC stations. In Proceedings of the 2013 15th European Conference on Power Electronics and Applications (EPE), Lille, France, 2–6 September 2013. [Google Scholar] [CrossRef]
- Mayordomo, J.G.; Beites, L.F.; Yang, X.; Xu, W. A Detailed Procedure for Harmonic Analysis of Three-Phase Diode Rectifiers Under Discontinuous Conduction Mode and Nonideal Conditions. IEEE Trans. Power Deliv. 2018, 33, 741–751. [Google Scholar] [CrossRef]
- Kuhn, O.; Menke, P.; Rainer, Z.; Timo, C.; Brogn, P.; Thisted, J.; Goldenbaum, N. 2nd Generation DC Grid Access for Offshore Wind Farms: “HVDC in an AC Fashion”. 2016. Available online: http://www.ptd.siemens.de/CIGRE2016{_}B3-110{_}2nd{_}generation{_}DC{_}GridAccess.pdf (accessed on 10 April 2020).
- Seman, S.; Tuan Trinh, N.; Zurowski, R.; Kreplin, S. Modeling of the Diode-Rectifier Based HVDC Transmission Solution for Large Offshore Wind Power Plants Grid Access. In Proceedings of the International Workshop on Large-Scale Integration of Wind Power into Power Systems as well as on Transmission Networks for Offshore Wind Power Plants, Vienna, Austria, 15–17 November 2016. [Google Scholar]
- Yu, L.; Li, R.; Xu, L. Distributed PLL-Based Control of Offshore Wind Turbines Connected With Diode-Rectifier-Based HVDC Systems. IEEE Trans. Power Deliv. 2018, 33, 1328–1336. [Google Scholar] [CrossRef]
- Manikam, V.R.; Cheong, K.Y. Die Attach Materials for High Temperature Applications: A Review. IEEE Trans. Compon. Packag. Manuf. Technol. 2011, 1, 457–478. [Google Scholar] [CrossRef]
- Yang, Y.; Davari, P.; Zare, F.; Blaabjerg, F. Enhanced Phase-Shifted Current Control for Harmonic Cancellation in Three-Phase Multiple Adjustable Speed Drive Systems Yongheng. IEEE Trans. Power Deliv. 2017, 32, 996–1004. [Google Scholar] [CrossRef]
- Añó-Villalba, S.; Bernal-Perez, S.; Pena, R.; Vidal-Albalate, R.; Belenguer, E.; Aparicio, N.; Blasco-Gimenez, R. 24-Pulse Rectifier for Harmonic Management in HVDC Diode Rectifier Wind Power Plants. In Proceedings of the 12th IET International Conference on AC and DC Power Transmission (ACDC 2016), Beijing, China, 28–29 May 2016; pp. 1–6. [Google Scholar] [CrossRef]
- Sleszynski, W.; Cichowski, A.; Mysiak, P. Current Harmonic Controller in Multiple Reference Frames for Series Active Power Filter Integrated with 18-Pulse Diode Rectifier. Bull. Pol. Acad. Sci. Tech. Sci. 2018, 66, 699–704. [Google Scholar] [CrossRef]
- Mysiak, P.; Sleszynski, W.; Cichowski, A. Experimental Test Results of the 150 kVA 18-Pulse Diode Rectifier with Series Active Power Filter. In Proceedings of the 2016 10th International Conference on Compatibility, Power Electronics and Power Engineering (CPE-POWERENG), Bydgoszcz, Poland, 29 June–1 July 2016; pp. 380–383. [Google Scholar] [CrossRef]
- Strzelecki, R.; Mysiak, P. A Robust 18-Pulse Diode Rectifier with Coupled Reactors. Bull. Polish Acad. Sci. Tech. Sci. 2011, 59, 541–550. [Google Scholar] [CrossRef]
- Chiniforoosh, S.; Atighechi, H.; Davoudi, A.; Jatskevich, J.; Yazdani, A.; Filizadeh, S.; Saeedifard, M.; Martinez, J.A.; Sood, V.; Strunz, K.; et al. Dynamic Average Modeling of Front-End Diode Rectifier Loads Considering Discontinuous Conduction Mode and Unbalanced Operation. IEEE Trans. Power Deliv. 2012, 27, 421–429. [Google Scholar] [CrossRef]
- Kirby, N.M.; Xu, L.; Luckett, M.; Siepmann, W. HVDC Transmission for Large Offshore Wind Farms. Power Eng. J. 2002, 16, 135–141. [Google Scholar] [CrossRef]
- Blecharz, K.; Wachowiak, D.; Krzemiski, Z. A novel speed observer for doubly-fed induction generator. In Proceedings of the 2017 19th European Conference on Power Electronics and Applications (EPE’17 ECCE Europe), Warsaw, Poland, 11–14 September 2017. [Google Scholar] [CrossRef]
- Amber, L.; Haddad, K. Hybrid Si IGBT-SiC Schottky Diode Modules for Medium to High Power Applications. In Proceedings of the 2017 IEEE Applied Power Electronics Conference and Exposition (APEC), Tampa, FL, USA, 26–30 March 2017; pp. 3027–3032. [Google Scholar] [CrossRef]
- Chang, Y.; Cai, X. Hybrid Topology of a Diode-Rectifier-Based HVDC System for Offshore Wind Farms. IEEE J. Emerg. Sel. Top. Power Electron. 2019, 7, 2116–2128. [Google Scholar] [CrossRef]
- Torres-Olguin, R.E.; Molinas, M.; Undeland, T. Hybrid HVDC connection of large offshore wind farms to the AC grid. In Proceedings of the 2012 IEEE International Symposium on Industrial Electronics, Hangzhou, China, 28–31 May 2012; pp. 1591–1597. [Google Scholar] [CrossRef]
- Zhang, X.; Wu, Z.; Hu, M.; Li, X.; Lv, G. Coordinated Control Strategies of VSC-HVDC-Based Wind Power Systems for Low Voltage Ride Through. Energies 2015, 8, 7224–7242. [Google Scholar] [CrossRef]
- Lebre, J.; Portugal, P.; Watanabe, E. Hybrid HVDC (H2VDC) System Using Current and Voltage Source Converters. Energies 2018, 11, 1323. [Google Scholar] [CrossRef]
- Veilleux, E.; Lehn, P.W. Interconnection of direct-drive wind turbines using a series-connected dc grid. IEEE Trans. Sustain. Energy 2014, 5, 139–147. [Google Scholar] [CrossRef]
- Nguyen, T.H.; Lee, D.; Kim, C. A Series-Connected Topology of a Diode Rectifier and a Voltage-Source Converter for an HVDC Transmission System. IEEE Trans. Power Electron. 2014, 29, 1579–1584. [Google Scholar] [CrossRef]
- Nguyen, T.H.; Lee, D.C. Control of offshore wind farms based on HVDC. In Proceedings of the 2012 IEEE Energy Conversion Congress and Exposition (ECCE), Raleigh, NC, USA, 15–20 September 2012; pp. 3113–3118. [Google Scholar] [CrossRef]
- Nguyen, T.H.; Lee, D.C.; Kim, C.K. A cost-effective converter system for HVDC links integrated with offshore wind farms. In Proceedings of the IECON 2013—39th Annual Conference of the IEEE Industrial Electronics Society, Vienna, Austria, 10–13 November 2013; pp. 7978–7983. [Google Scholar] [CrossRef]
- De Prada Gil, M.; Domínguez-García, J.L.; Díaz-González, F.; Aragüés-Peñalba, M.; Gomis-Bellmunt, O. Feasibility Analysis of Offshore Wind Power Plants with DC Collection Grid. Renew. Energy 2015, 78, 467–477. [Google Scholar] [CrossRef]
- Entsoe. European Network of Transmission System Operators for DSR. Eur. Electr. Grid Initiat. Roadmap 2018, 18, 20. [Google Scholar]
- Rogelj, J.; Den Elzen, M.; Höhne, N.; Fransen, T.; Fekete, H.; Winkler, H.; Schaeffer, R.; Sha, F.; Riahi, K.; Meinshausen, M. Paris Agreement climate proposals need a boost to keep warming well below 2 °C. Nature 2016, 534, 631–639. [Google Scholar] [CrossRef]
- Chen, C.; Luo, F.; Kang, Y. A Review of SiC Power Module Packaging: Layout, Material System and Integration. CPSS Trans. Power Electron. Appl. 2017, 2, 170–186. [Google Scholar] [CrossRef]
- Rodriguez, P.; Rouzbehi, K. Multi-terminal DC grids: Challenges and prospects. J. Mod. Power Syst. Clean Energy 2017, 5, 515–523. [Google Scholar] [CrossRef]
- Hwang, S.; Song, S.; Jang, G.; Yoon, M. An Operation Strategy of the Hybrid Multi-Terminal HVDC for Contingency. Energies 2019, 12, 2042. [Google Scholar] [CrossRef]
- Hertem, D.V.A.N.; Gomis-Bellmunt, O.; Liang, J.U.N. HVDC Grids: For Offshore and Supergrid of The Future; John Wiley & Sons Inc.: Hoboken, NJ, USA, 2016; p. 528. [Google Scholar] [CrossRef]
- Fernández-Guillamón, A.; Das, K.; Cutululis, N.A.; Molina-García, Á. Offshore Wind Power Integration into Future Power Systems: Overview and Trends. J. Mar. Sci. Eng. 2019, 7, 399. [Google Scholar] [CrossRef]
- Schuster, M.; Walther, T. Valuation of combined wind power plant and hydrogen storage: A decision tree approach. In Proceedings of the 2017 14th International Conference on the European Energy Market (EEM), Dresden, Germany, 6–9 June 2017. [Google Scholar] [CrossRef]
- Wulf, C.; Linßen, J.; Zapp, P. Review of Power-To-Gas Projects in Europe; Energy Procedia; Elsevier Ltd.: Amsterdam, The Netherlands, 2018; Volume 155, pp. 367–378. [Google Scholar] [CrossRef]
- Offshoreenergystorage. Renewable Energy Storage. 2019. Available online: https://www.offshoreenergystorage.com/ (accessed on 10 April 2020).













| Parameter | Classification | Range |
|---|---|---|
| Low | Pdc < 50 MW | |
| Transferred DC Power | Medium | 50 MW < Pdc < 500 MW |
| High | 500 MW < Pdc | |
| Low | 1 < Ratio < 1.5 | |
| Transformation Ratio | Medium | 1.5 < Ratio < 5 |
| Vdc-high/Vdc-low | High | 5 < Ratio |
| HV side DC Voltage | Medium | Vdc < 100 kV |
| High | 100 kV < Vdc |
| Name | Link | Total km | Voltage (kV) | Power (MW) | Year |
|---|---|---|---|---|---|
| Baltic Cable | Germany–Sweden | 262 | 450 | 600 | 1994 |
| SwePol | Poland–Sweden | 245 | 450 | 600 | 2000 |
| Italy-Greece | Italy–Greece | 310 | 400 | 500 | 2001 |
| NorNed | Netherlands–Norway | 580 | 450 | 700 | 2008 |
| BritNed | UK–Netherlands | 245 | 450 | 1000 | 2010 |
| NordBalt | Sweden–Lithuania | 450 | 300 | 700 | 2015 |
| DolWin2 | Germany–Germany | 135 | 320 | 900 | 2016 |
| Western HVDC Link | UK–UK | 422 | 600 | 2200 | 2017 |
| ElecLink | France–UK | 70 | 320 | 1000 | 2019 |
| Caithness Moray HVDC | France–UK | 70 | 320 | 1000 | 2019 |
| NORD.LINK | Norway–Germany | 623 | 525 | 1400 | 2020 |
| NSN Link | Norway–England | 730 | 515 | 1400 | 2020 |
| Name | Power [MW] | AC / DC Voltage [kV] | DC Submarine/Underground Cable [km] | Year |
|---|---|---|---|---|
| BorWin1 | 400 | 170/150 | 2 × 75/2 × 125 | 2009 |
| SylWin1 | 864 | -/320 | 2 × 159/2 × 45 | 2014 |
| DolWin2 | 916 | 155/320 | 2 × 45/2 × 90 | 2015 |
| BorWin2 | 800 | 380/300 | 2 × 125/2 × 75 | 2015 |
| HelWin2 | 690 | -/320 | 2 × 45/2 × 85 | 2015 |
| Nordsee Ost | 422 | 155/250 | 2 × 57/2 × 20 | 2015 |
| DolWin3 | 690 | 170/320 | 2 × 45/2 × 85 | 2017 |
| BorWin3 | 900 | 380/320 | 2 × 130/2 × 30 | 2019 |
© 2020 by the authors. Licensee MDPI, Basel, Switzerland. This article is an open access article distributed under the terms and conditions of the Creative Commons Attribution (CC BY) license (http://creativecommons.org/licenses/by/4.0/).
Share and Cite
Ryndzionek, R.; Sienkiewicz, Ł. Evolution of the HVDC Link Connecting Offshore Wind Farms to Onshore Power Systems. Energies 2020, 13, 1914. https://doi.org/10.3390/en13081914
Ryndzionek R, Sienkiewicz Ł. Evolution of the HVDC Link Connecting Offshore Wind Farms to Onshore Power Systems. Energies. 2020; 13(8):1914. https://doi.org/10.3390/en13081914
Chicago/Turabian StyleRyndzionek, Roland, and Łukasz Sienkiewicz. 2020. "Evolution of the HVDC Link Connecting Offshore Wind Farms to Onshore Power Systems" Energies 13, no. 8: 1914. https://doi.org/10.3390/en13081914
APA StyleRyndzionek, R., & Sienkiewicz, Ł. (2020). Evolution of the HVDC Link Connecting Offshore Wind Farms to Onshore Power Systems. Energies, 13(8), 1914. https://doi.org/10.3390/en13081914

