Applications of Triple Active Bridge Converter for Future Grid and Integrated Energy Systems
Abstract
1. Introduction
2. Characteristics of the TAB Converter
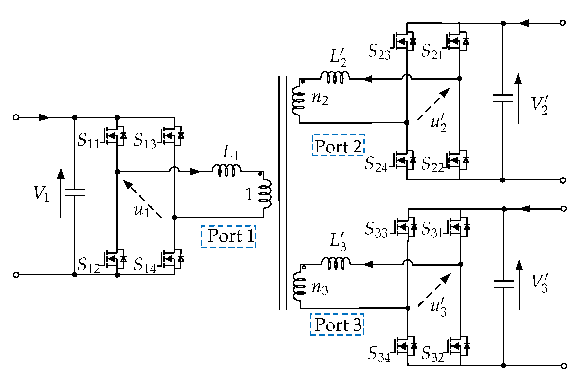
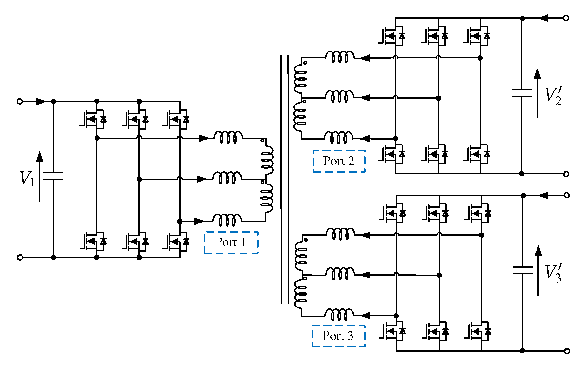
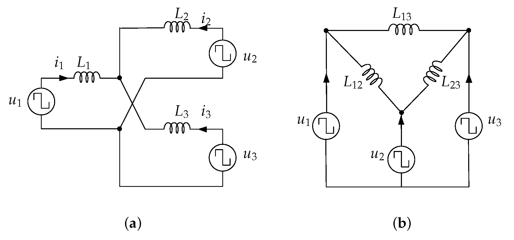
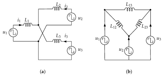
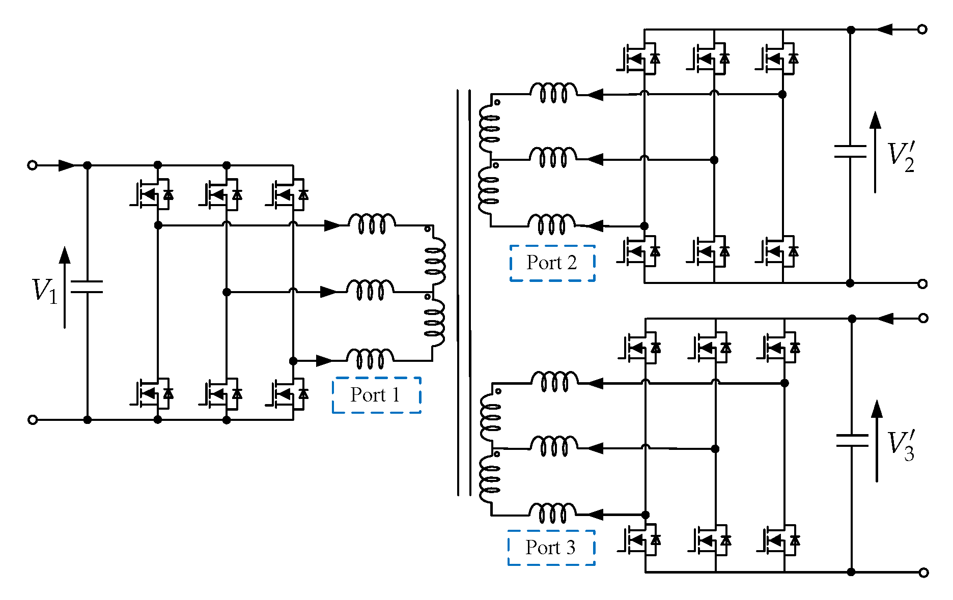
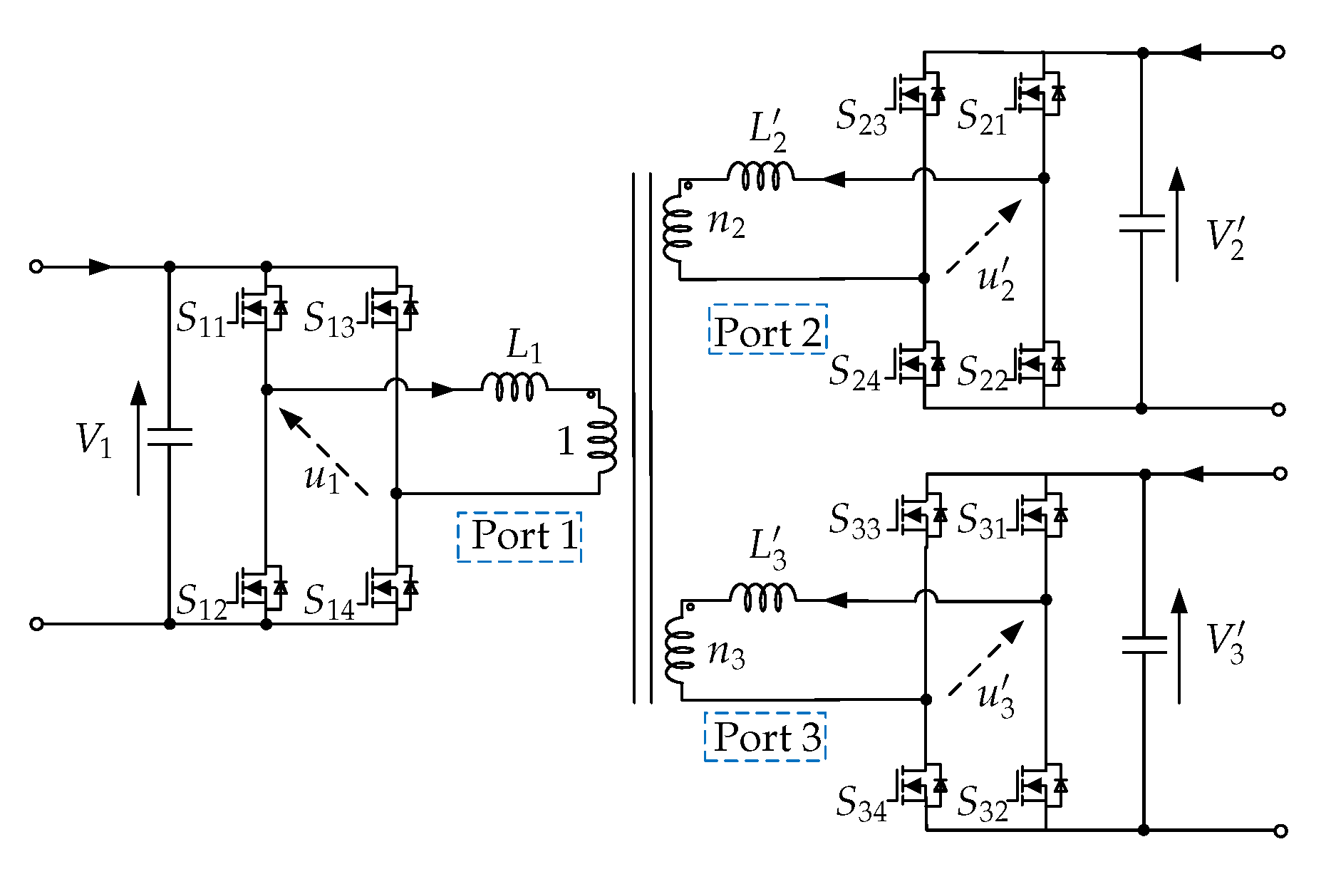
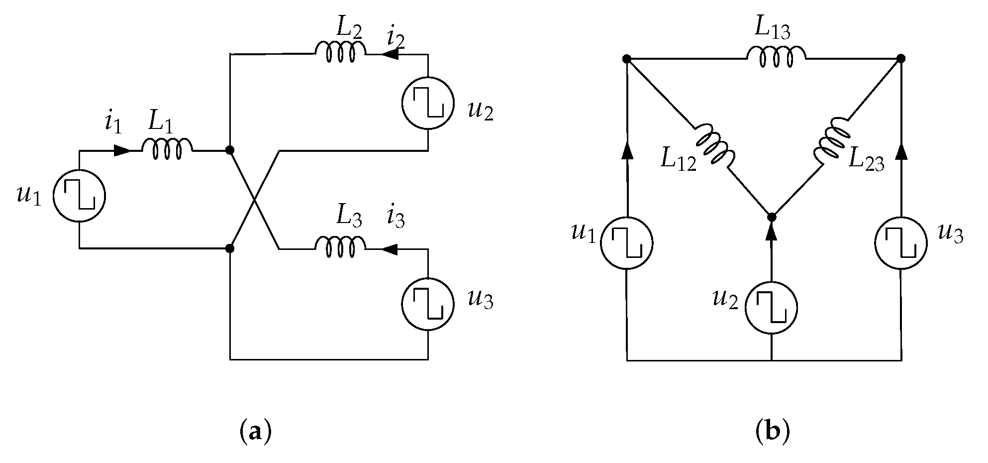
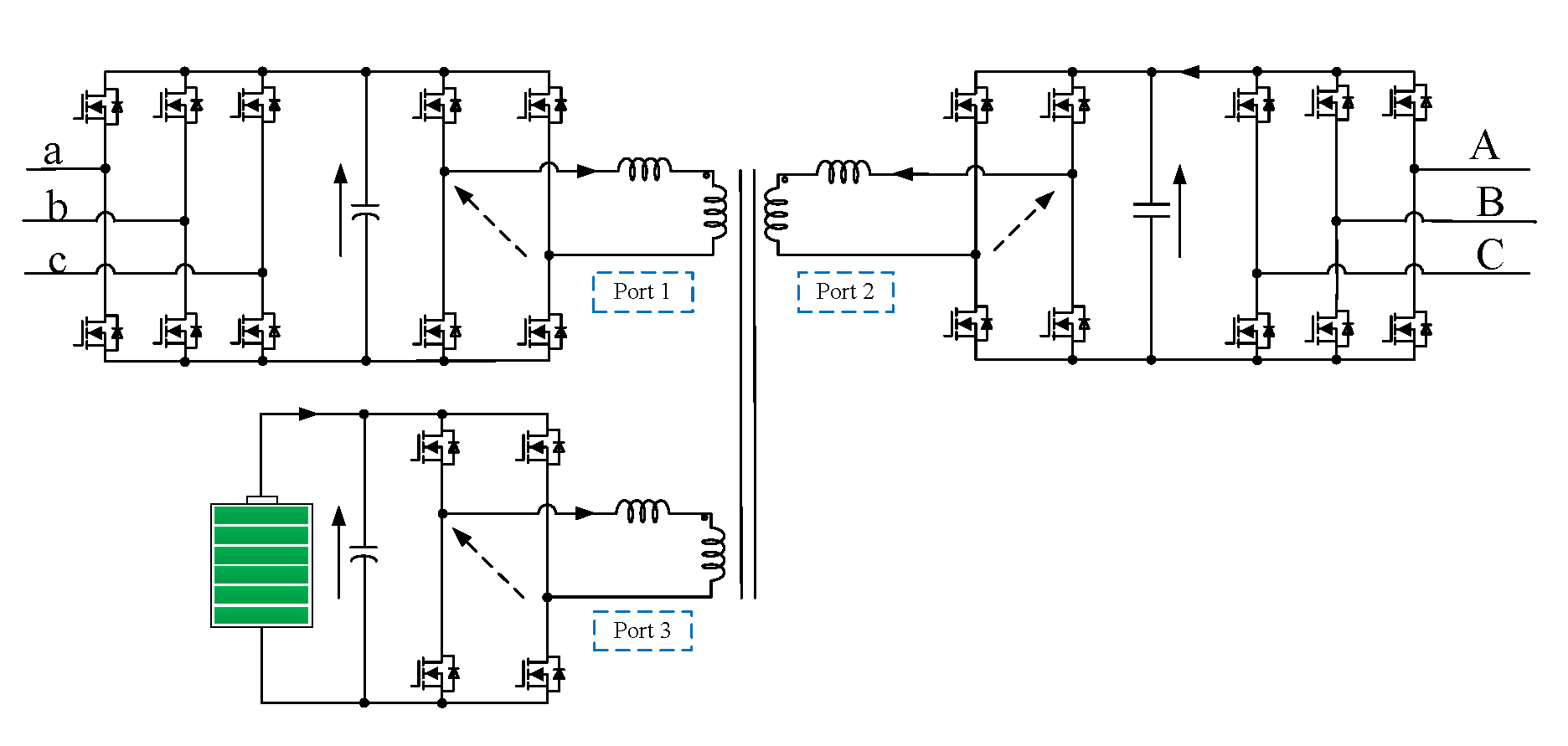
2.1. Configuration and Model
2.2. Power Transmission and Control Methods
2.3. Operation Mode and Characteristics
3. Current Applications of TAB Converter
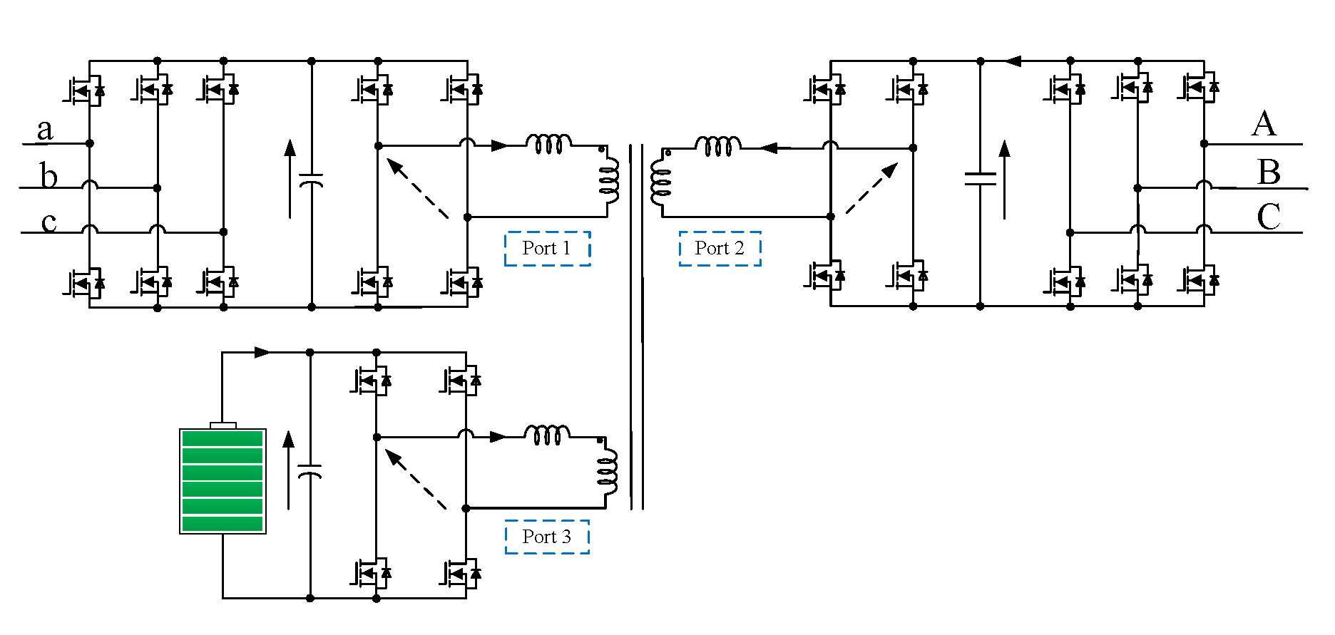
3.1. Microgrids
3.2. Connection of Medium Voltage Grid and Low Voltage Grid
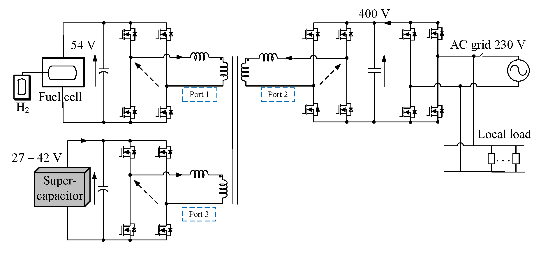
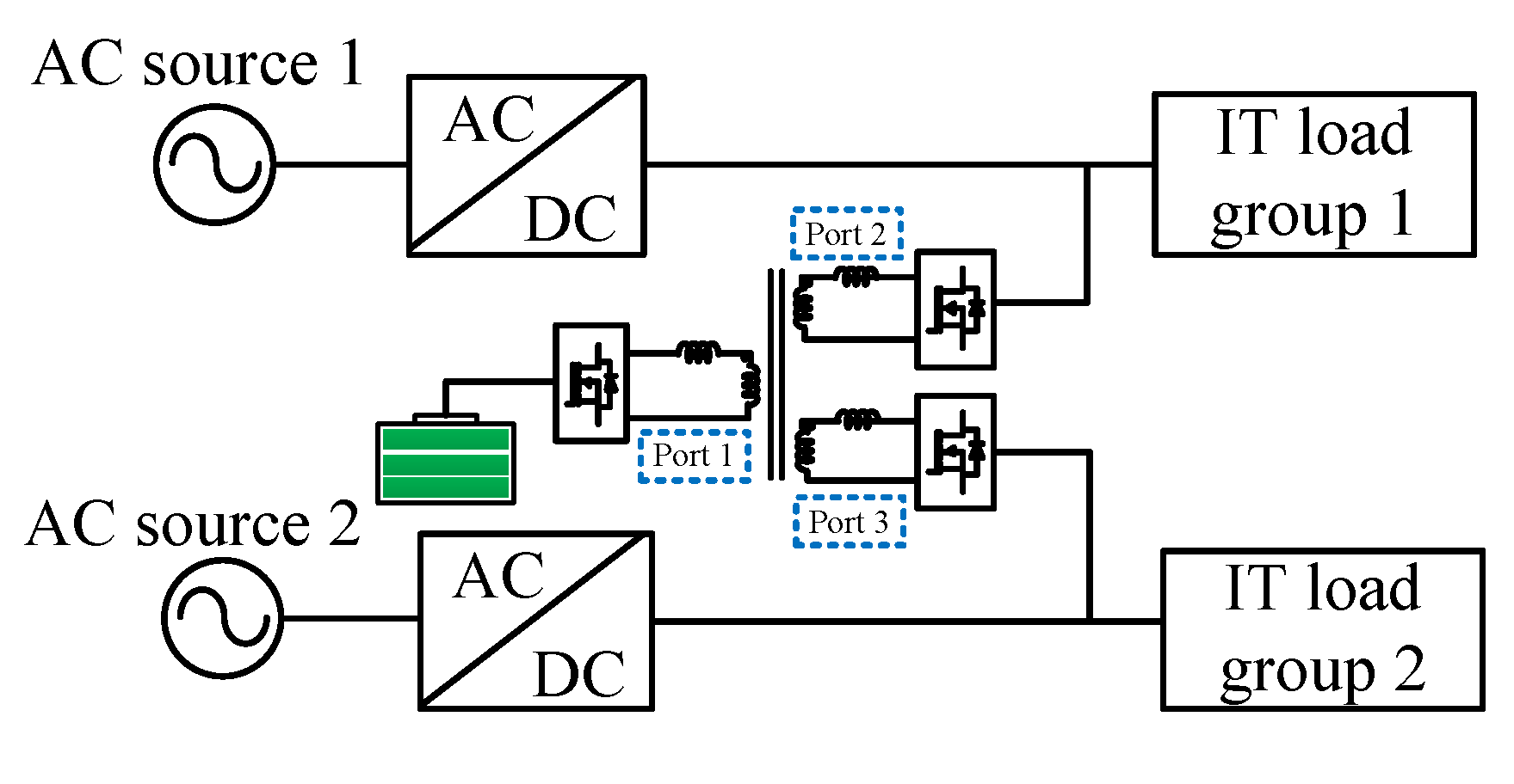
3.3. Uninterrupted Power Supply Systems
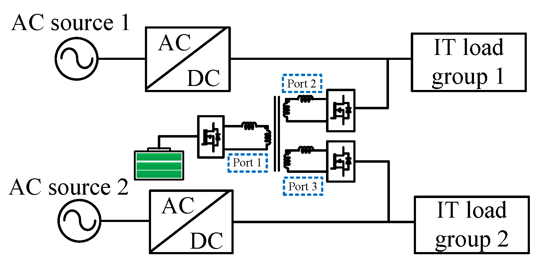
3.4. Power Distribution for Data Center
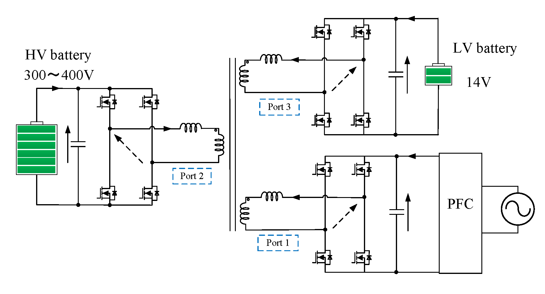
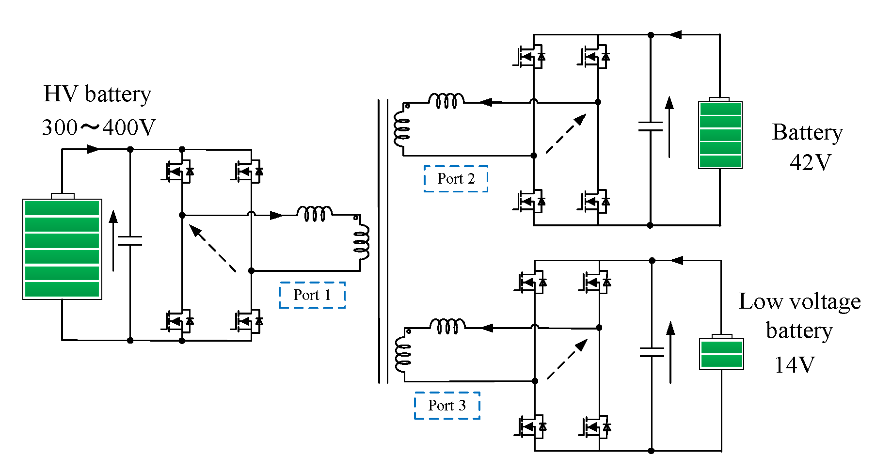
3.5. Electric Vehicles
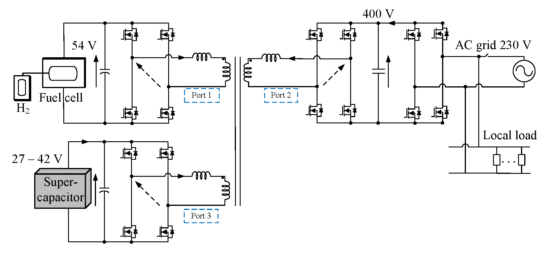
3.6. More Electric Aircraft
4. Future Applications with Battery
4.1. Autonomous Underwater Vehicles
4.2. All-Electric Ships
5. Future Applications for Controlling Power Flow
6. Summary and Discussion
7. Conclusions
Author Contributions
Funding
Conflicts of Interest
Abbreviations
| MDPI | Multidisciplinary Digital Publishing Institute |
| DOAJ | Directory of open access journals |
| TLA | Three letter acronym |
| LD | linear dichroism |
References
- Chan, C.C. The State of the Art of Electric, Hybrid, and Fuel Cell Vehicles. Proc. IEEE 2007, 95, 704–718. [Google Scholar] [CrossRef]
- Huang, A.Q.; Crow, M.L.; Heydt, G.T.; Zheng, J.P.; Dale, S.J. The Future Renewable Electric Energy Delivery and Management (FREEDM) System: The Energy Internet. Proc. IEEE 2011, 9, 133–148. [Google Scholar] [CrossRef]
- Blaabjerg, F.; Teodorescu, R.; Liserre, M.; Timbus, A.V. Overview of Control and Grid Synchronization for Distributed Power Generation Systems. IEEE Trans. Ind. Electron. 2006, 53, 1398–1409. [Google Scholar] [CrossRef]
- Kim, J.; Yu, C.J.; Khammuang, M.; Lui, J.; Almujahid, A.; Daim, T. Forecasting Battery Electric Vehicles. In Proceedings of the 2017 IEEE Technology & Engineering Management Conference (TEMSCON), Santa Clara, CA, USA, 8–10 June 2017. [Google Scholar]
- Yilmaz, M.; Krein, P.T. Review of the Impact of Vehicle-to-Grid Technologies on Distribution Systems and Utility Interfaces. IEEE Trans. Power Electron. 2013, 28, 5673–5689. [Google Scholar] [CrossRef]
- Longo, M.; Yaïci, W.; Foiadelli, F. Electric Vehicle Charge with Residential’s Roof Solar Photovoltaic System: A Case Study in Ottawa. In Proceedings of the 2017 IEEE 6th International Conference on Renewable Energy Research and Applications (ICRERA), San Diego, CA, USA, 5–8 November 2017; pp. 121–125. [Google Scholar]
- Sharaf, O.Z.; Orhan, M.F. An overview of fuel cell technology: Fundamentals and applications. Renew. Sustain. Energy Rev. 2014, 32, 810–853. [Google Scholar] [CrossRef]
- He, H.; Zhang, Y.; Wan, F. Control strategies design for a fuel cell hybrid electric vehicle. In Proceedings of the IEEE Vehicle Power and Propulsion Conference, Harbin, China, 3–5 September 2008; pp. 1–6. [Google Scholar]
- US Department of Energy. The Department of Energy Hydrogen and Fuel Cells Program Plan; An integrated strategic plan for the research, development, and demonstration of hydrogen and fuel cell technologies; US Department of Energy: Washington, DC, USA, 2011.
- Gao, W. Performance comparison of a fuel cell-battery hybrid powertrain and a fuel cell-ultracapacitor hybrid powertrain. In Proceedings of the Power Electronics in Transportation (IEEE Cat. No.04TH8756), Novi, MI, USA, 21–22 October 2004; pp. 143–150. [Google Scholar]
- Shivarama Krishna, K.; Sathish Kumar, K. A review on hybrid renewable energy systems. Renew. Sustain. Energy Rev. 2015, 52, 907–916. [Google Scholar] [CrossRef]
- Planas, E.; Andreu, J.; Gárate, J.I.; De Alegría, I.M.; Ibarra, E. AC and DC Technology in Microgrids: A Review. Renew. Sustain. Energy Rev. 2015, 43, 726–749. [Google Scholar] [CrossRef]
- Wunder, B.; Ott, L.; Szpek, M.; Boeke, U.; Weis, R. Energy efficient dc-grids for commercial buildings. In Proceedings of the Telecommunications Energy Conference (INTELEC), Vancouver, BC, Canada, 28 September–2 October 2014; pp. 1–8. [Google Scholar]
- Boeke, U.; Wei, R.; Mauder, A.; Hamilton, L.; Ott, L. Efficiency Advantages of ±380 v dc Grids in Comparison with 230 v/400 v ac Grids. Available online: http://dcgrid.tue.nl/files/DCC_G_D6_1_Public_summary_V1_0.pdf (accessed on 27 February 2020).
- Inoue, S.; Akagi, H. A Bidirectional Isolated DC–DC Converter as a Core Circuit of the Next-Generation Medium-Voltage Power Conversion System. IEEE Trans. Power Electron. 2007, 22, 535–542. [Google Scholar] [CrossRef]
- Zhao, B.; Song, Q.; Liu, W.; Sun, Y. Overview of Dual-Active-Bridge Isolated Bidirectional DC–DC Converter for High-Frequency-Link Power-Conversion System. IEEE Trans. Power Electron. 2014, 29, 4091–4106. [Google Scholar] [CrossRef]
- Duarte, J.L.; Hendrix, M.; Simoes, M.G. Three-Port Bidirectional Converter for Hybrid Fuel Cell Systems. IEEE Trans. Power Electron. 2007, 22, 480–487. [Google Scholar] [CrossRef]
- Chowdhury, S.; Chowdhury, S.P.; Crossley, P. Microgrids and Active Distribution Networks, 1st ed.; IET: London, UK, 2009. [Google Scholar]
- Prabhala, V.A.; Baddipadiga, B.P.; Fajri, P.; Ferdowsi, M. An Overview of Direct Current Distribution System Architectures & Benefits. Energies 2018, 11, 2463. [Google Scholar]
- Kado, Y.; Shichijo, D.; Deguchi, I.; Iwama, N.; Kasashima, R.; Wada, K. Power flow control of three-way isolated DC/DC converter for Y-configuration power router. In Proceedings of the 2015 IEEE 2nd International Future Energy Electronics Conference (IFEEC), Taipei, Taiwan, 1–4 November 2015; pp. 1–5. [Google Scholar]
- Pham, V.-L.; Wada, K. Normalization Design of Inductances in Triple Active Bridge Converter for Household Renewable Energy System. IEEJ J. Ind. Appl. 2020, 9, 3. [Google Scholar]
- Pham, V.-L.; Wada, K. Design of Series Inductances in Triple Active Bridge Converter Using Normalization Procedure for Integrated EV and PV System. In Proceedings of the 2019 10th International Conference on Power Electronics and ECCE Asia (ICPE 2019—ECCE Asia), Busan, Korea, 27–30 May 2019. [Google Scholar]
- Kado, Y.; Shichijo, D.; Wada, K.; Iwatsuki, K. Multiport power router and its impact on future smart grids. Radio Sci. 2016, 51, 1234–1246. [Google Scholar] [CrossRef]
- Nishimoto, K.; Kado, Y.; Wada, K. Implementation of Decoupling Power Flow Control System in Triple Active Bridge Converter Rate 400 V, 10 kW, and 20 kHz. IEEJ J. Ind. Appl. 2018, 7, 410–415. [Google Scholar]
- Nakagawa, S.; Arai, J.; Kasashima, R.; Nishimoto, K.; Kado, Y.; Wada, K. Dynamic performance of triple-active bridge converter rated at 400 V, 10 kW, and 20 kHz. In Proceedings of the IEEE International Future Energy Electronics Conference and ECCE Asia, Kaohsiung, Taiwan, 3–7 June 2017; pp. 1090–1094. [Google Scholar]
- Neubert, M.; Gorodnichev, A.; Gottschlich, J.; De Doncker, R.W. Performance analysis of a triple-active bridge converter for interconnection of future dc-grids. In Proceedings of the 2016 IEEE Energy Conversion Congress and Exposition (ECCE), Milwaukee, WI, USA, 18–22 September 2016; pp. 1–8. [Google Scholar]
- Neubert, M.; Van Hoek, H.; Gottschlich, J.; De Doncker, R.W. Soft-switching operation strategy for three-phase multiport-active bridge DC-DC converters. In Proceedings of the IEEE 12th International Conference on Power Electronics and Drive Systems (PEDS), Honolulu, Hawaii, USA, 12–15 December 2017; pp. 1207–1213. [Google Scholar]
- Gottschlich, J.; Weiler, P.; Neubert, M.; De Doncker, R.W. Delta-sigma modulated voltage and current measurement for medium-voltage DC applications. In Proceedings of the 2017 19th European Conference on Power Electronics and Applications (EPE’17 ECCE Europe), Warsaw, Poland, 11–14 September 2017; pp. 1–9. [Google Scholar]
- Neubert, M.; Engel, S.P.; Gottschlich, J.; De Doncker, R.W. Dynamic power control of three-phase multiport active bridge DC-DC converters for interconnection of future DC-grids. In Proceedings of the IEEE 12th International Conference on Power Electronics and Drive Systems (PEDS), Honolulu, HI, USA, 12–15 December 2017; pp. 639–646. [Google Scholar]
- Engelmann, G.; Sewergin, A.; Neubert, M.; De Doncker, R.W. Design Challenges of SiC Devices for Low- and Medium-Voltage DC-DC Converters. In Proceedings of the 2018 International Power Electronics Conference (IPEC-Niigata 2018-ECCE Asia), Niigata, Japan, 20–24 May 2018; pp. 3979–3984. [Google Scholar]
- Zhao, C.; Kolar, J.W. A novel three-phase three-port UPS employing a single high-frequency isolation transformer. In Proceedings of the 2004 IEEE 35th Annual Power Electronics Specialists Conference (IEEE Cat. No.04CH37551), Aachen, Germany, 20–25 June 2004; pp. 4135–4141. [Google Scholar]
- Ahmed Adam, A.H.; Hou, S.; Chen, J. Analysis, Design, and Performance of Isolated Three-Port UPS Converter for High-Power Applications. In Proceedings of the 2019 IEEE International Conference on Environment and Electrical Engineering and 2019 IEEE Industrial and Commercial Power Systems Europe (EEEIC / I&CPS Europe), Genova, Italy, 10–14 June 2019; pp. 1–7. [Google Scholar]
- Tao, H.; Duarte, J.L.; Hendrix, M.A.M. Line-Interactive UPS Using a Fuel Cell as the Primary Source. IEEE Trans. Ind. Electron. 2008, 55, 3012–3021. [Google Scholar]
- Yu, Y.; Masumoto, K.; Wada, K.; Kado, Y. A DC Power Distribution System in a Data Center Using a Triple Active Bridge DC-DC Converter. IEEJ J. Ind. Appl. 2018, 7, 202–209. [Google Scholar] [CrossRef]
- Yu, Y.; Masumoto, K.; Wada, K.; Kado, Y. Power Flow Control of a Triple Active Bridge DC-DC Converter Using GaN Power Devices for a Low-Voltage DC Power Distribution System. In Proceedings of the 2017 IEEE 3rd International Future Energy Electronics Conference and ECCE Asia (IFEEC 2017—ECCE Asia), Kaohsiung, Taiwan, 3–7 June 2017; pp. 772–777. [Google Scholar]
- Kim, S.Y.; Song, H.; Nam, K. Idling Port Isolation Control of Three-Port Bidirectional Converter for EVs. IEEE Trans. Power Electron. 2012, 27, 2495–2506. [Google Scholar] [CrossRef]
- Kim, S.Y.; Jeong, I.; Nam, K.; Song, H.S. Three-Port Full Bridge Converter Application as a Combined Charger for PHEVs. In Proceedings of the 2009 IEEE Vehicle Power and Propulsion Conference, Dearborn, MI, USA, 7–10 September 2009; pp. 461–465. [Google Scholar]
- Ling, Z.; Wang, H.; Yan, K.; Gan, J. Optimal Isolation Control of Three-Port Active Converters as a Combined Charger for Electric Vehicles. Energies 2016, 9, 715. [Google Scholar] [CrossRef]
- Nguyen, D.D.; Fujita, G.; Ta, M.C. New Soft-Switching Strategy for Three-Port Converter to be Applied in EV Application. In Proceedings of the 2017 IEEE 3rd International Future Energy Electronics Conference and ECCE Asia, Kaohsiung, Taiwan, 3–7 June 2017. [Google Scholar]
- Zhao, C.; Round, S.D.; Kolar, J.W. An Isolated Three-Port Bidirectional DC-DC Converter with Decoupled Power Flow Management. IEEE Trans. Power Electron. 2008, 23, 2443–2453. [Google Scholar] [CrossRef]
- Tao, H.; Duarte, J.L.; Hendrix, M.A.M. High-Power Three-Port Three-Phase Bidirectional DC-DC Converter. In Proceedings of the IEEE Industry Applications Annual Meeting, New Orleans, LA, USA, 23–27 Septemper 2007; pp. 2022–2029. [Google Scholar]
- Tao, H.; Kotsopoulos, A.; Duarte, J.L.; Hendrix, M.A. Transformer-Coupled Multiport ZVS Bidirectional DC-DC Converter with Wide Input Range. IEEE Trans. Power Electron. 2008, 23, 771–781. [Google Scholar] [CrossRef]
- Mura, F.; De Doncker, R. Design aspects of a medium-voltage direct current (MVDC) grid for a university campus. In Proceedings of the 8th International Conference on Power Electronics—ECCE Asia, Jeju, Korea, 30 May–3 June 2011; pp. 2359–2366. [Google Scholar]
- Priebe, J.; Wehbring, N.; Moser, A. Design of Medium Voltage DC Grids– Impact of Power Flow Control on Grid Structure. In Proceedings of the 2018 53rd International Universities Power Engineering Conference (UPEC), Glasgow, Scotland, 4–7 September 2018; pp. 1–6. [Google Scholar]
- Stieneker, M.; Mortimer, B.J.; Hinz, A.; Müller-Hellmann, A.; De Doncker, R.W. MVDC Distribution Grids for Electric Vehicle Fast-Charging Infrastructure. In Proceedings of the 2018 International Power Electronics Conference (IPEC-Niigata 2018-ECCE Asia), Niigata, Japan, 20–24 May 2018; pp. 598–606. [Google Scholar]
- Tran, Y.; Dujic, D. A multiport medium voltage isolated DC-DC converter. In Proceedings of the IECON 2016—42nd Annual Conference of the IEEE Industrial Electronics Society, Florence, Italy, 23–26 October 2016; pp. 6983–6988. [Google Scholar]
- Ilango, S.; Viju Nair, R.; Chattopadhyay, R.; Bhattacharya, S. Photovoltaic and Energy Storage Grid Integration with Fully Modular Architecture using Triple Port Active Bridges and Cascaded H-Bridge Inverter. In Proceedings of the IECON 2018—44th Annual Conf. of the IEEE Industrial Electronics Society, Washington, DC, USA, 21–23 October 2018; pp. 1400–1405. [Google Scholar]
- Schäfer, J.; Bortis, D.; Kolar, J.W. Multi-port multi-cell DC/DC converter topology for electric vehicle’s power distribution networks. In Proceedings of the 2017 IEEE 18th Workshop on Control and Modeling for Power Electronics (COMPEL), Stanford, CA, USA, 9–12 July 2017; pp. 1–9. [Google Scholar]
- Michon, M.M.J.A.; Duarte, J.L.; Hendrix, M.; Simoes, M.G. A three-port bi-directional converter for hybrid fuel cell systems. In Proceedings of the 2004 IEEE 35th Annual Power Electronics Specialists Conference, Aachen, Germany, 20–25 June 2004; pp. 4736–4742. [Google Scholar]
- Tao, H.; Duarte, J.L.; Hendrix, M.A.M. Three-Port Triple-Half-Bridge Bidirectional Converter with Zero-Voltage Switching. IEEE Trans. Power Electron. 2008, 23, 782–792. [Google Scholar]
- Wiboonrat, M. An empirical study on data center system failure diagnosis. In Proceedings of the 3rd International Conference on Internet Monitoring and Protection, Bucharest, Romania, 29 June–5 July 2008. [Google Scholar]
- Yu, Y.; Wada, K. Simulation Study of Power Management for a Highly Reliable Distribution System using a Triple Active Bridge Converter in a DC Microgrid. Energies 2018, 11, 3178. [Google Scholar] [CrossRef]
- Yilmaz, M.; Krein, P.T. Review of battery charger topologies, charging power levels, and infrastructure for plug-in electric and hybrid vehicles. IEEE Trans. Power Electron. 2013, 28, 2151–2169. [Google Scholar] [CrossRef]
- Sarlioglu, B.; Morris, C.T. More Electric Aircraft: Review, Challenges, and Opportunities for Commercial Transport Aircraft. IEEE Trans. Transp. Electrif. 2015, 1, 54–64. [Google Scholar] [CrossRef]
- Wheeler, P.W.; Clare, J.C.; Trentin, A.; Bozhko, S. An overview of the more electrical aircraft. J. Aerosp. Eng. 2012, 227, 578–585. [Google Scholar] [CrossRef]
- Roboam, X.; Langlois, O.; Piquet, H.; Morin, B.; Turpin, C. Hybrid power generation system for aircraft electrical emergency network. IET Electr. Syst. Transp. 2011, 1, 148–155. [Google Scholar] [CrossRef]
- Wu, S.; Li, Y. Fuel cell applications on more electrical aircraft. In Proceedings of the 17th International Conference on Electrical Machines and Systems (ICEMS), Hangzhou, China, 24–25 October 2014; pp. 198–201. [Google Scholar]
- Giuliani, F.; Buticchi, G.; Liserre, M.; Dehnonte, N.; Cova, P.; Pignoloni, N. GaN-based triple active bridge for avionic application. In Proceedings of the 2017 IEEE 26th International Symposium on Industrial Electronics (ISIE), Edinburgh, Edinburgh, Scotland, 19–21 June 2017; pp. 1856–1860. [Google Scholar]
- Li, J.; Zhou, S.; Han, Y. Review of structures ans control of battery- supercapacitor hybrid energy storage system for electric vehicles. In Advances in Battery Manufacturing, Service, and Management Systems; Wiley-IEEE Press: Hoboken, NJ, USA, 2017; pp. 303–318. [Google Scholar]
- Pham, V.L.; Duong, V.T.; Choi, W. A Low Cost and Fast Cell-to-Cell Balancing Circuit for Lithium-Ion Battery Strings. Electronics 2020, 9, 248. [Google Scholar] [CrossRef]
- Pham, V.L.; Khan, A.B.; Nguyen, T.-T.; Choi, W. A Low Cost, Small Ripple, and Fast Balancing Circuit for Lithium-Ion Battery String. In Proceedings of the IEEE Transportation Electrification Conference and Expo Asia-Pacific, ITEC 2016, Busan, Korea, 1–4 June 2016; pp. 861–865. [Google Scholar]
- Pham, V.L.; Nguyen, T.T.; Tran, D.H.; Vu, V.B.; Choi, W. A New Cell-to-Cell Fast Balancing Circuit for Lithium-Ion Battery in Electric Vehicles and Energy Storage System. In Proceedings of the IEEE 8th International Power Electronic and Motion Control Conference (IPEMC-ECCE Asia), Hefei, China, 22–25 May 2016; pp. 2461–2465. [Google Scholar]
- Bradley, A.M.; Feezor, M.D.; Singh, H.; Sorrell, F.Y. Power systems for autonomous underwater vehicles. IEEE J. Ocean. Eng. 2001, 26, 526–538. [Google Scholar] [CrossRef]
- Hyakudome, T.; Nakatani, T.; Yoshida, H.; Tani, T.; Ito, H.; Sugihara, K. Development of fuel cell system for long cruising lange Autonomous Underwater Vehicle. In Proceedings of the 2016 IEEE/OES Autonomous Underwater Vehicles (AUV), Tokyo, Japan, 6–9 November 2016; pp. 165–170. [Google Scholar]
- Albarghot, M.M.; Iqbal, M.T.; Pope, K.; Rolland, L. Sizing and dynamic modeling of a power system for the MUN explorer autonomous underwater vehicle using a fuel cell and batteries. J. Energy 2019, 2019, 4531497. [Google Scholar] [CrossRef]
- Thongam, J.S.; Tarbouchi, M.; Okou, A.F.; Bouchard, D.; Beguenane, R. All-electric ships—A review of the present state of the art. In Proceedings of the 2013 Eighth International Conference and Exhibition on Ecological Vehicles and Renewable Energies (EVER), Monte Carlo, Monaco, 27–30 March 2013; pp. 1–8. [Google Scholar]
- Seenumani, G.; Sun, J.; Peng, H. Real-Time Power Management of Integrated Power Systems in All Electric Ships Leveraging Multi Time Scale Property. IEEE Trans. Control Syst. Technol. 2012, 20, 232–240. [Google Scholar] [CrossRef]
- Tessarolo, A.; Castellan, S.; Menis, R.; Sulligoi, G. Electric generation technologies for all-electric ships with Medium-Voltage DC power distribution systems. In Proceedings of the 2013 IEEE Electric Ship Technologies Symposium (ESTS), Arlington, VA, USA, 22–24 April 2013; pp. 275–281. [Google Scholar]
- Kim, K.; Park, K.; Ahn, J.; Roh, G.; Chun, K. A study on applicability of Battery Energy Storage System (BESS) for electric propulsion ships. In Proceedings of the 2016 IEEE Transportation Electrification Conference and Expo, Asia-Pacific (ITEC Asia-Pacific), Busan, Korea, 1–4 June 2016; pp. 203–207. [Google Scholar]
- Morimoto, H.; Ando, M.; Mochinaga, Y.; Kato, T. Development of railway static power conditioner used at substation for shinkansen. In Proceedings of the Power Conversion Conference-Osaka 2002 (Cat. No.02TH8579), Osaka, Japan, 2–5 April 2002; pp. 1108–1111. [Google Scholar]
- Uzuka, T.; Hase, S.; Mochinaga, Y.; Takeda, M.; Miyashita, T.; Ueda, T. A static voltage fluctuation compensator for AC electric railway. In Proceedings of the 2004 IEEE 35th Annual Power Electronics Specialists Conference (IEEE Cat. No.04CH37551), Aachen, Germany, 20–25 June 2004; pp. 1869–1873. [Google Scholar]
- Uzuka, T.; Ikedo, S.; Ueda, K.; Mochinaga, Y.; Funahashi, S.; Ide, K. Voltage fluctuation compensator for Shinkansen. Electr. Eng. Jpn. 2008, 162, 25–33. [Google Scholar] [CrossRef]























| Part | Application | Meaning of the | Challenges | Operation Modes | Suggest/Note | ||
|---|---|---|---|---|---|---|---|
| TAB Converter | Normal | Abnormal | Do Not Use | ||||
| III.A | DC-bus microgrid (Figure 10) | Reducing the components and cost; centralizing control in each household; | Variation voltage from variation connection to each house hold system; | 1-1; 1-2; 3-1; | 1-3; 1-6; 2-2; 2-3; | 1-4; 1-5; 1-6; 2-1; 3-2; 3-3; | By combining two ideas, the TAB can develop the future micro grid system. |
| Autonomous microgrid (Figure 11) | Easy to be extended or maintained any time; | Still large number of converter complex control of the system level; | All | N/A | No | ||
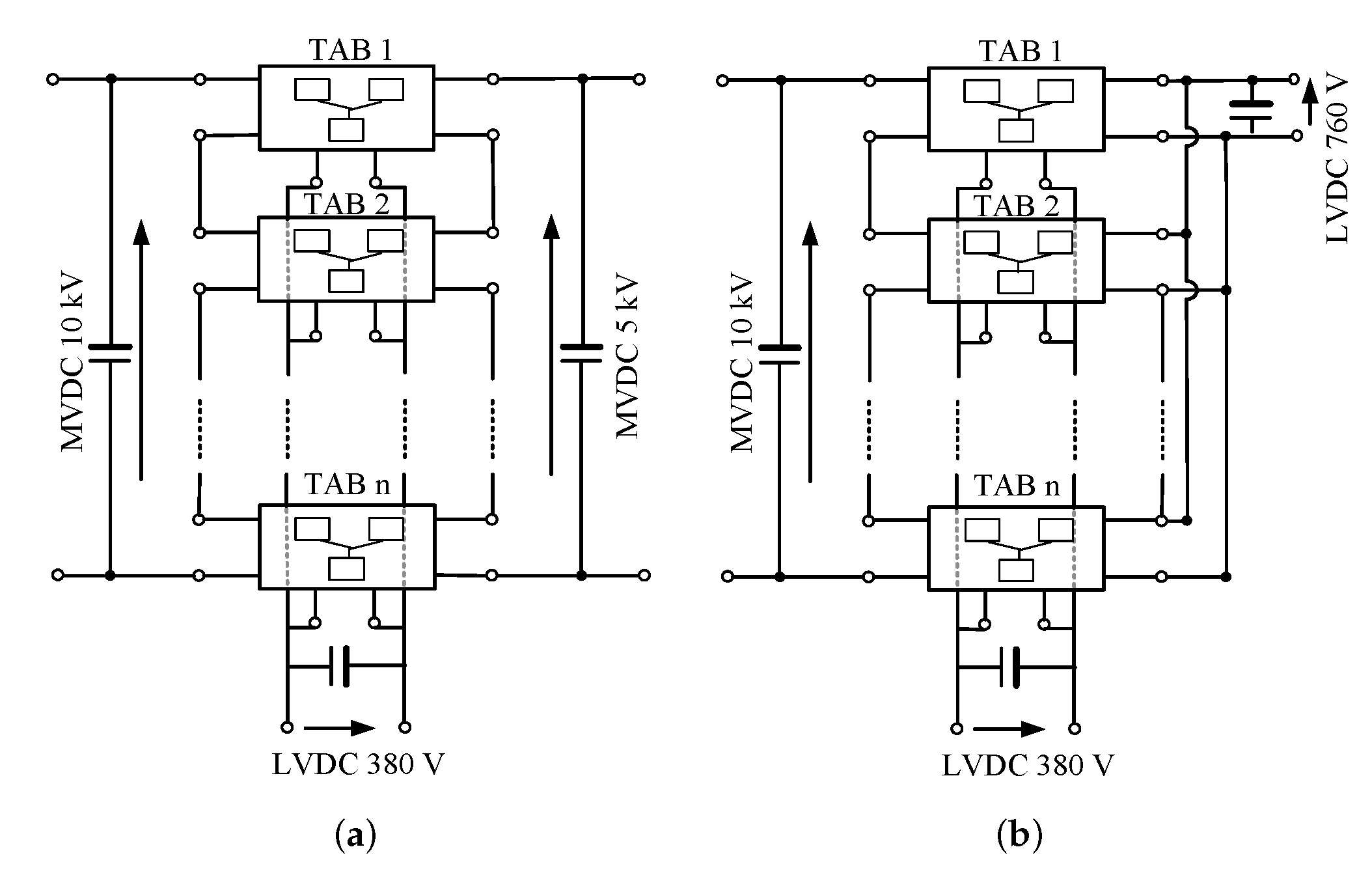
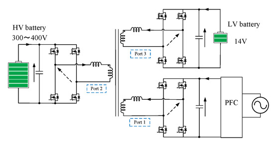
| III.B | Connection of MVDC and LVDC grid (Figure 12) | Connecting three voltage systems by only one converter with central control; | High voltage (5 kV) high power (150 kW) design and measurement (transformer, inductor, voltage, and current) | 1-1; 1-2; 3-1; | Remain modes | No | N/A |
| III.C | UPS with AC source (Figure 14) | Improving safety and reliability; flexible operation modes; | Performance of AC grid; | 1-1; | Remain modes; | No; | N/A |
| UPS system using fuel cell (Figure 15) | Fast transient response strategy; | 1-1; | 1-2; 1-3; 2-2; 3-1; | 1-4; 1-5; 1-6; 2-1; 2-3; 3-2; 3-3; | N/A | ||
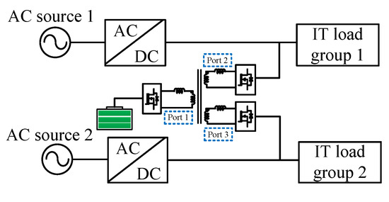
| III.D | Data center 1 (Figure 16) | Reducing the components, cost, and size; balancing two loads; | Stability and accuracy of the system; | No | All | No | Break time of data center has high cost as millions dollar an hour; |
| Data center 2 (Figure 17) | Balancing three loads, increasing reliability of the system from 96.00% to 97.53%; | No | All | No | |||
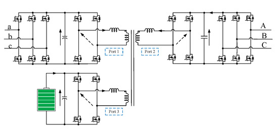
| III.E | EVs 1 (Figure 18) | Reduce the components, cost, and size of the system; | Virtually isolating the AC charger side; | 1-1; 1-3; 1-5; 3-3; | 1-4; 2-1; 2-2; | 1-2; 1-6; 2-3; 3-1; 3-2; | N/A |
| EVs 2 (Figure 19) | Optimal transmission power of each element; | 1-1; 1-2; 1-6; 3-1; | 1-3; 1-4; 1-5; 2-1; 2-2; | No | N/A | ||
| III.F | More Electric Aircraft (Figure 20) | Improving the reliability of the system; | High current and power design; | All | No | No | Increase voltage of the system to reduce operating current; |
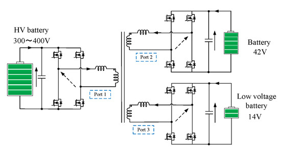
| IV.A | AUV [proposed] (Figure 21) | Central power control by only one converter; | High efficiency and high power density; | 1-4; 1-5; 1-6; | 1-2; 2-1; 2-3; 3-2; | 1-1; 1-3; 2-2; 3-1; 3-3; | N/A |
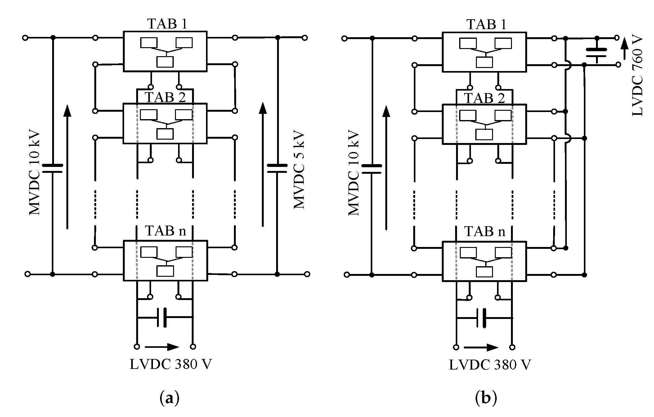
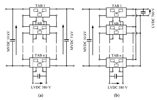
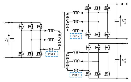
| IV.B | AES [proposed] (Figure 22) | DC grid for ship to maximize the advantages; central power control by only one converter; | High voltage (1–8 kV) and high power 500 kW-MW design and measurement; | 1-1; 1-2; 1-4; 1-5; 2-1; 3-1; | 1-3; 1-6; 2-2; 2-3; 3-2; 3-3 | No | Connecting many TAB converter in module for very high power and voltage application; |
| V | Power supply for train [proposed] (Figure 23) | Reducing the component, size and cost; | Very high voltage (160 kV) and very high power (20 MW) design and measurement; | 1-1; 1-2; 3-1; | remain modes | No | |
© 2020 by the authors. Licensee MDPI, Basel, Switzerland. This article is an open access article distributed under the terms and conditions of the Creative Commons Attribution (CC BY) license (http://creativecommons.org/licenses/by/4.0/).
Share and Cite
Pham, V.-L.; Wada, K. Applications of Triple Active Bridge Converter for Future Grid and Integrated Energy Systems. Energies 2020, 13, 1577. https://doi.org/10.3390/en13071577
Pham V-L, Wada K. Applications of Triple Active Bridge Converter for Future Grid and Integrated Energy Systems. Energies. 2020; 13(7):1577. https://doi.org/10.3390/en13071577
Chicago/Turabian StylePham, Van-Long, and Keiji Wada. 2020. "Applications of Triple Active Bridge Converter for Future Grid and Integrated Energy Systems" Energies 13, no. 7: 1577. https://doi.org/10.3390/en13071577
APA StylePham, V.-L., & Wada, K. (2020). Applications of Triple Active Bridge Converter for Future Grid and Integrated Energy Systems. Energies, 13(7), 1577. https://doi.org/10.3390/en13071577

