Design of Smart Steering Wheel for Unobtrusive Health and Drowsiness Monitoring
Abstract
1. Introduction
Motivation and Aim
2. Materials and Methods
2.1. Electronic Hardware Design
2.1.1. ECG Sensor
2.1.2. PPG and Pulse Oximeter Sensor
2.1.3. IMU Sensor
2.1.4. Wireless Communication Module
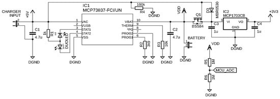
2.1.5. Power Management
2.2. Data Acquisition
3. Results and Discussion
3.1. Measurement of ECG Signal
3.2. Measurement of PPG Signal
3.3. Measurement of IMU Data
3.4. Testing of the SSW in the Car
4. Conclusions
Author Contributions
Funding
Institutional Review Board Statement
Informed Consent Statement
Data Availability Statement
Conflicts of Interest
References
- Kopp, W. How Western diet and lifestyle drive the pandemic of obesity and civilization diseases. Diabetes Metab. Syndr. Obes. Targers Ther. 2019, 12, 2221–2236. [Google Scholar] [CrossRef] [PubMed]
- Chrousos, G.P. Stress and disorders of the stress system. Nat. Rev. Endocrinol. 2009, 5, 374–381. [Google Scholar] [CrossRef]
- Forouzanfar, M.H.; Afshin, A.; Alexander, L.T.; Biryukov, S.; Brauer, M.; Cercy, K.; Charlson, F.J.; Cohen, A.J.; Dandona, L.; Estep, K.; et al. Global, regional, and national comparative risk assessment of 79 behavioural, environmental and occupational, and metabolic risks or clusters of risks, 1990–2015: A systematic analysis for the Global Burden of Disease Study 2015. Lancet 2016, 388, 1659–1724. [Google Scholar] [CrossRef]
- Timmis, A.; Townsend, N.; Gale, C.; Grobbee, R.; Maniadakis, N.; Flather, M.; Wilkins, E.; Wright, L.; Vos, R.; Bax, J.; et al. European Society of Cardiology: Cardiovascular disease statistics 2017. Eur. Heart J. 2018, 39, 508–579. [Google Scholar] [CrossRef]
- Leatherdale, S.T. An examination of the co-occurrence of modifiable risk factors associated with chronic disease among youth in the COMPASS study. Cancer Causes Control 2015, 26, 519–528. [Google Scholar] [CrossRef]
- Lucan, S.C. Concerning limitations of food-environment research: A narrative review and commentary framed around obesity and diet-related diseases in youth. J. Acad. Nutr. Diet. 2015, 115, 205–212. [Google Scholar] [CrossRef]
- Li, Y.; Lawley, M.A.; Siscovick, D.S.; Zhang, D.; Pagán, J.A. Agent-based modeling of chronic diseases: A narrative review and future research directions. Prev. Chronic Dis. 2016, 13, E69. [Google Scholar] [CrossRef]
- Schork, N.J. Personalized medicine: Time for one-person trials. Nature 2015, 520, 609–611. [Google Scholar] [CrossRef]
- Yetisen, A.K.; Martinez-Hurtado, J.L.; Ünal, B.; Khademhosseini, A.; Butt, H. Wearables in medicine. Adv. Mater. 2018, 30, e1706910. [Google Scholar] [CrossRef]
- Dunn, J.; Runge, R.; Snyder, M. Wearables and the medical revolution. Pers. Med. 2018, 15, 429–448. [Google Scholar] [CrossRef] [PubMed]
- Chen, M.; Ma, Y.; Song, J.; Lai, C.F.; Hu, B. Smart clothing: Connecting human with clouds and big data for sustainable health monitoring. Mob. Netw. Appl. 2016, 21, 825–845. [Google Scholar] [CrossRef]
- Chan, M.; Estève, D.; Fourniols, J.Y.; Escriba, C.; Campo, E. Smart wearable systems: Current status and future challenges. Artif. Intell. Med. 2012, 56, 137–156. [Google Scholar] [CrossRef] [PubMed]
- Athavale, Y.; Krishnan, S. Biosignal monitoring using wearables: Observations and opportunities. Biomed. Signal Process. Control 2017, 38, 22–33. [Google Scholar] [CrossRef]
- Šarkan, B.; Kuranc, A.; Kučera, L. Calculations of exhaust emissions produced by vehicle with petrol engine in urban area. IOP Conf. Ser. Mater. Sci. Eng. 2019, 710, 012023. [Google Scholar] [CrossRef]
- European Transport Safety Council. The Role of Driver Fatigue in Commercial Road Transport Crashes; European Transport Safety Council: Brussels, Belgium, 2001. [Google Scholar]
- Sahayadhas, A.; Sundaraj, K.; Murugappan, M. Drowsiness detection during different times of day using multiple features. Australas. Phys. Eng. Sci. Med. 2013, 36, 243–250. [Google Scholar] [CrossRef] [PubMed]
- Awais, M.; Badruddin, N.; Drieberg, M. A hybrid approach to detect driver drowsiness utilizing physiological signals to improve system performance and wearability. Sensors 2017, 17, 1991. [Google Scholar] [CrossRef]
- Lee, H.; Lee, J.; Shin, M. Using wearable ECG/PPG sensors for driver drowsiness detection based on distinguishable pattern of recurrence plots. Electronics 2019, 8, 192. [Google Scholar] [CrossRef]
- Leonhardt, S.; Leicht, L.; Teichmann, D. Unobtrusive vital sign monitoring in automotive environments—A review. Sensors 2018, 18, 3080. [Google Scholar] [CrossRef]
- Chowdhury, A.; Shankaran, R.; Kavakli, M.; Haque, M.M. Sensor Applications and physiological features in drivers’ drowsiness detection: A review. IEEE Sens. J. 2018, 18, 3055–3067. [Google Scholar] [CrossRef]
- Choi, Y.; Han, S.I.; Kong, S.H.; Ko, H. Driver status monitoring systems for smart vehicles using physiological sensors: A safety enhancement system from automobile manufacturers. IEEE Signal Process. Mag. 2016, 33, 22–34. [Google Scholar] [CrossRef]
- Wang, J.; Warnecke, J.M.; Haghi, M.; Deserno, T.M. Unobtrusive health monitoring in private spaces: The smart vehicle. Sensors 2020, 20, 2442. [Google Scholar] [CrossRef]
- González-Ortega, D.; Díaz-Pernas, F.J.; Martínez-Zarzuela, M.; Antón-Rodríguez, M. A physiological sensor-based android application synchronized with a driving simulator for driver monitoring. Sensors 2019, 19, 399. [Google Scholar] [CrossRef] [PubMed]
- Lawoyin, S.; Fei, D.Y.; Bai, O. Accelerometer-based steering-wheel movement monitoring for drowsy-driving detection. Proc. Inst. Mech. Eng. Part D J. Automob. Eng. 2014, 229, 163–173. [Google Scholar] [CrossRef]
- Li, Z.; Chen, L.; Peng, J.; Wu, Y. Automatic detection of driver fatigue using driving operation information for transportation safety. Sensors 2017, 17, 1212. [Google Scholar] [CrossRef]
- Mortazavi, A.; Eskandarian, A.; Sayed, R.A. Effect of drowsiness on driving performance variables of commercial vehicle drivers. Int. J. Automot. Technol. 2009, 10, 391–404. [Google Scholar] [CrossRef]
- Arefnezhad, S.; Samiee, S.; Eichberger, A.; Nahvi, A. Driver drowsiness detection based on steering wheel data applying adaptive neuro-fuzzy feature selection. Sensors 2019, 19, 943. [Google Scholar] [CrossRef]
- Wilkins, E.; Wilson, L.; Wickramasinghe, K.; Bhatnagar, P. European Cardiovascular Disease Statistics 2017; European Heart Network: Brussels, Belgium, 2017. [Google Scholar]
- Claes, N.; van Laethem, C.; Goethals, M.; Goethals, P.; Mairesse, G.; Schwagten, B.; Nuyens, D.; Schrooten, W.; Vijgen, J. Prevalence of atrial fibrillation in adults participating in a large-scale voluntary screening programme in Belgium. Acta Cardiol. 2012, 67, 273–278. [Google Scholar] [CrossRef] [PubMed]
- Himmelreich, J.C.L.; Karregat, E.P.M.; Lucassen, W.A.M.; van Weert, H.C.P.M.; de Groot, J.R.; Louis Handoko, M.; Nijveldt, R.; Harskamp, R.E. Diagnostic accuracy of a smartphone-operated, single-lead electrocardiography device for detection of rhythm and conduction abnormalities in primary care. Ann. Fam. Med. 2019, 17, 403–411. [Google Scholar] [CrossRef]
- Haverkamp, H.T.; Fosse, S.O.; Schuster, P. Accuracy and usability of single-lead ECG from smartphones—A clinical study. Indian Pacing Electrophysiol. J. 2019, 19, 145–149. [Google Scholar] [CrossRef] [PubMed]
- Gropler, M.R.F.; Dalal, A.S.; Van Hare, G.F.; Silva, J.N.A. Can smartphone wireless ECGs be used to accurately assess ECG intervals in pediatrics? A comparison of mobile health monitoring to standard 12-lead ECG. PLoS ONE 2018, 13, e0204403. [Google Scholar] [CrossRef]
- Duarte, R.; Stainthorpe, A.; Greenhalgh, J.; Richardson, M.; Nevitt, S.; Mahon, J.; Kotas, E.; Boland, A.; Thom, H.; Marshall, T.; et al. Lead-I ECG for detecting atrial fibrillation in patients with an irregular pulse using single time point testing: A systematic review and economic evaluation. Health Technol. Assess. 2020, 24, 1–164. [Google Scholar] [CrossRef]
- White, R.D.; Flaker, G. Smartphone-based arrhythmia detection: Should we encourage patients to use the ECG in their pocket? J. Atr. Fibrillation 2017, 9, 1605. [Google Scholar] [CrossRef]
- Koltowski, L.; Balsam, P.; Glowczynska, R.; Peller, M.; Maksym, J.; Blicharz, L.; Niedziela, M.; Maciejewski, K.; Opolski, G.; Grabowski, M. Comparison of Kardia Mobile (one lead ECGs records) with 12-lead ECGs in 100 consecutive patients with various cardiovascular disorders. Europace 2017, 19, iii353. [Google Scholar] [CrossRef]
- Winter, B.B.; Winter, B.B. Driven-right-leg circuit design. IEEE Trans. Biomed. Eng. 1983, 1, 62–66. [Google Scholar] [CrossRef] [PubMed]
- Babusiak, B.; Borik, S.; Smondrk, M. Two-electrode ECG for ambulatory monitoring with minimal hardware complexity. Sensors 2020, 20, 2386. [Google Scholar] [CrossRef] [PubMed]
- Chi, Y.M.; Jung, T.P.; Cauwenberghs, G. Dry-contact and noncontact biopotential electrodes: Methodological review. IEEE Rev. Biomed. Eng. 2010, 3, 106–119. [Google Scholar] [CrossRef] [PubMed]
- Meziane, N.; Webster, J.G.; Attari, M.; Nimunkar, A.J. Dry electrodes for electrocardiography. Physiol. Meas. 2013, 34, R47–R69. [Google Scholar] [CrossRef]
- Wood, D.E.; Ewins, D.J.; Balachandran, W. Comparative analysis of power-line interference between two- or three-electrode biopotential amplifiers. Med. Biol. Eng. Comput. 1995, 33, 63–68. [Google Scholar] [CrossRef] [PubMed]
- Acharya, V. Improving Common-Mode Rejection Using the Right-Leg Drive Amplifier; Texas Instruments Incorporated: Dalas, TX, USA, 2011. [Google Scholar]
- Spinelli, E.M.; Mayosky, M.A. Two-electrode biopotential measurements: Power line interference analysis. IEEE Trans. Biomed. Eng. 2005, 52, 1436–1442. [Google Scholar] [CrossRef]
- Spinelli, E.M.; Pallàs-Areny, R.; Mayosky, M.A. AC-coupled front-end for biopotential measurements. IEEE Trans. Biomed. Eng. 2003, 50, 391–395. [Google Scholar] [CrossRef] [PubMed]
- Das, S.; Pal, S.; Mitra, M. Real time heart rate detection from PPG signal in noisy environment. In Proceedings of the 2016 International Conference on Intelligent Control, Power and Instrumentation, ICICPI 2016, Kolkata, India, 21–23 October 2016. [Google Scholar]
- Wei, C.; Sheng, L.; Lihua, G.; Yuquan, C.; Min, P. Study on conditioning and feature extraction algorithm of photoplethysmography signal for physiological parameters detection. In Proceedings of the 4th International Congress on Image and Signal Processing, CISP 2011, Shanghai, China, 15–17 October 2011. [Google Scholar]
- Huotari, M.; Roning, J.; Maatta, K. Infrared and red PPG signals analysis of the healthy subjects and clinical patients. In Proceedings of the Biennial Baltic Electronics Conference, BEC, Tallinn, Estonia, 3–5 October 2016. [Google Scholar]
- Kavya, R.; Nayana, N.; Karangale, K.B.; Madhura, H.; Sheela, S.J. Photoplethysmography—A modern approach and applications. In Proceedings of the 2020 International Conference for Emerging Technology, INCET 2020, Belgaum, India, 5–7 June 2020. [Google Scholar]
- Yang, D.; Zhu, J.; Zhu, P. SpO2 and heart rate measurement with wearable watch based on PPG. In Proceedings of the 2015 IET International Conference on Biomedical Image and Signal Processing, Beijing, China, 19 November 2015. [Google Scholar]
- Mohan, P.M.; Nagarajan, V.; Nisha, A.A. A frame work to estimate heart rate and arterial oxygen saturation (Spo2). In Proceedings of the 2017 IEEE International Conference on Communication and Signal Processing, ICCSP 2017, Melmaruvathur, India, 6–8 April 2017. [Google Scholar]
- Longmore, S.K.; Lui, G.Y.; Naik, G.; Breen, P.P.; Jalaludin, B.; Gargiulo, G.D. A comparison of reflective photoplethysmography for detection of heart rate, blood oxygen saturation, and respiration rate at various anatomical locations. Sensors 2019, 19, 1874. [Google Scholar] [CrossRef]
- Postolache, O.A.; Silva Girão, P.M.B.; Sinha, P.; Anand, A.; Postolache, G. Health status and air quality parameters monitoring based on mobile technology and WPAN. Int. J. Adv. Media Commun. 2009, 3, 139. [Google Scholar] [CrossRef]
- Takahashi, I.; Takaishi, T.; Yokoyama, K. Overcoming drowsiness by inducing cardiorespiratory phase synchronization. IEEE Trans. Intell. Transp. Syst. 2014, 15, 982–991. [Google Scholar] [CrossRef]
- Lawoyin, S.; Liu, X.; Fei, D.Y.; Bai, O. Detection methods for a low-cost accelerometer-based approach for driver drowsiness detection. In Proceedings of the IEEE International Conference on Systems, Man and Cybernetics, San Diego, CA, USA, 5–8 October 2014. [Google Scholar]
- Samiee, S.; Azadi, S.; Kazemi, R.; Nahvi, A.; Eichberger, A. Data fusion to develop a driver drowsiness detection system with robustness to signal loss. Sensors 2014, 14, 17832–17847. [Google Scholar] [CrossRef] [PubMed]
- Aljaafreh, A.; Alshabatat, N.; Najim Al-Din, M.S. Driving style recognition using fuzzy logic. In Proceedings of the 2012 IEEE International Conference on Vehicular Electronics and Safety, ICVES 2012, Istanbul, Turkey, 24–27 July 2012. [Google Scholar]
- Babušiak, B.; Borik, S. Bluetooth communication for battery powered medical devices. J. Electr. Eng. 2016, 67, 65–68. [Google Scholar] [CrossRef][Green Version]
- Babusiak, B.; Gala, M. Software tool for processing and analysis of ECG signal. In Proceedings of the International Federation of Medical and Biological Engineering, Paphos, Cyprus, 31 March–2 April 2016. [Google Scholar]
- Liu, C.; Zhang, X.; Zhao, L.; Liu, F.; Chen, X.; Yao, Y.; Li, J. Signal quality assessment and lightweight qrs detection for wearable ECG smartvest system. IEEE Internet Things J. 2019, 6, 1363–1374. [Google Scholar] [CrossRef]
- Hayn, D.; Jammerbund, B.; Schreier, G. QRS detection based ECG quality assessment. Physiol. Meas. 2012, 33, 1449–1461. [Google Scholar] [CrossRef] [PubMed]
- Kasbekar, R.S.; Mendelson, Y. Evaluation of key design parameters for mitigating motion artefact in the mobile reflectance PPG signal to improve estimation of arterial oxygenation. Physiol. Meas. 2018, 39, 075008. [Google Scholar] [CrossRef]
- Petterson, M.T.; Begnoche, V.L.; Graybeal, J.M. The effect of motion on pulse oximetry and its clinical significance. Anesth. Analg. 2007, 105, S78–S84. [Google Scholar] [CrossRef]
- Zhang, Y.; Song, S.; Vullings, R.; Biswas, D.; Simões-Capela, N.; Van Helleputte, N.; Van Hoof, C.; Groenendaal, W. Motion artifact reduction for wrist-worn photoplethysmograph sensors based on different wavelengths. Sensors 2019, 19, 673. [Google Scholar] [CrossRef]


















| Parameter/Feature | Value |
|---|---|
| Resolution | 16 bits |
| Maximal Sampling Rate | 8 kSPS |
| Power Supply (Analog) | 2.7 V to 5.25 V |
| Power Supply (Digital) | 1.7 V to 3.6 V |
| Communication Interface | SPI |
| Power Consumption (Typ) | 335 μW |
| Input Bias Current | 1 nA |
| CMRR | −95 dB |
| SNR | 92 dB |
| Parameter/Feature | Value |
|---|---|
| Resolution | 18 bits |
| Sampling Rate | 200 SPS |
| LEDs Current | 50 mA |
| LED Pulse Width | 411 μs |
| Power Supply | 3.3 V |
| Communication Interface | I2C |
| Mode | Channels | Sampling Rate [SPS] | Bits/Sample |
|---|---|---|---|
| ECG | 1 | 125 or 500 | 16 |
| PPG | 2 | 200 | 18 |
| IMU | 6 | 125 | 16 |
| COMBO | 4 | 125 | mix |
Publisher’s Note: MDPI stays neutral with regard to jurisdictional claims in published maps and institutional affiliations. |
© 2021 by the authors. Licensee MDPI, Basel, Switzerland. This article is an open access article distributed under the terms and conditions of the Creative Commons Attribution (CC BY) license (https://creativecommons.org/licenses/by/4.0/).
Share and Cite
Babusiak, B.; Hajducik, A.; Medvecky, S.; Lukac, M.; Klarak, J. Design of Smart Steering Wheel for Unobtrusive Health and Drowsiness Monitoring. Sensors 2021, 21, 5285. https://doi.org/10.3390/s21165285
Babusiak B, Hajducik A, Medvecky S, Lukac M, Klarak J. Design of Smart Steering Wheel for Unobtrusive Health and Drowsiness Monitoring. Sensors. 2021; 21(16):5285. https://doi.org/10.3390/s21165285
Chicago/Turabian StyleBabusiak, Branko, Adrian Hajducik, Stefan Medvecky, Michal Lukac, and Jaromir Klarak. 2021. "Design of Smart Steering Wheel for Unobtrusive Health and Drowsiness Monitoring" Sensors 21, no. 16: 5285. https://doi.org/10.3390/s21165285
APA StyleBabusiak, B., Hajducik, A., Medvecky, S., Lukac, M., & Klarak, J. (2021). Design of Smart Steering Wheel for Unobtrusive Health and Drowsiness Monitoring. Sensors, 21(16), 5285. https://doi.org/10.3390/s21165285

