Sign in to use this feature.

Years

Between: -

Subjects

remove_circle_outline
remove_circle_outline
remove_circle_outline
remove_circle_outline
remove_circle_outline

Journals

Article Types

Countries / Regions

Search Results (15)

Search Parameters:
Keywords = tapped inductor

Order results
Result details
Results per page
Select all
Export citation of selected articles as:
13 pages, 8034 KB  
Article
Temperature-Adaptive Excitation Technology for Acoustic Logging Monopole Transducers
by Kai Zhang, Xinyan Wang, Baohai Tan and Yuanda Su
Sensors 2026, 26(4), 1089; https://doi.org/10.3390/s26041089 - 7 Feb 2026
Viewed by 415
Abstract
Acoustic logging tools, deployed thousands of meters underground to detect geological structures and evaluate reservoir fluids, are essential for oil and gas exploration and development. These tools generate acoustic signals through piezoelectric ceramic transducers. The material properties of piezoelectric ceramics are significantly affected [...] Read more.
Acoustic logging tools, deployed thousands of meters underground to detect geological structures and evaluate reservoir fluids, are essential for oil and gas exploration and development. These tools generate acoustic signals through piezoelectric ceramic transducers. The material properties of piezoelectric ceramics are significantly affected by the high-temperature downhole environment, leading to a failure in impedance matching between the transducer and its excitation circuit. This results in a substantial degradation of the tool’s performance. This paper experimentally obtains the electrical parameters and excitation energy of commonly used monopole transducers at different temperatures. Based on this data, the optimal matching inductance values at various temperatures are calculated. A temperature-adaptive transducer excitation circuit is then designed and implemented. This circuit can adjust the excitation frequency according to the measured temperature to compensate for resonant frequency drift and select the optimal inductor tap via a programmable multiplexer. Experimental results demonstrate that this circuit significantly enhances the transducer’s excitation energy at high temperatures. This technology is expected to markedly improve the operational stability of acoustic logging tools and facilitate the exploration and development of deep and ultra-deep oil and gas resources. Full article
(This article belongs to the Section Physical Sensors)
Show Figures

Figure 1

21 pages, 5910 KB  
Article
Applying Structure Exchange to Battery Charging to Enhance Light-Load Efficiency
by Kuo-Ing Hwu, Pei-Ching Tseng and Jenn-Jong Shieh
Energies 2025, 18(11), 2699; https://doi.org/10.3390/en18112699 - 23 May 2025
Cited by 1 | Viewed by 959
Abstract
A full-bridge DC–DC converter with structure exchange is proposed to simulate battery charging based on an electronic load. The full-bridge phase-shift converter (FBPSC) uses an external resonant inductor and phase-shift control on the primary side to realize zero voltage switching (ZVS) above medium [...] Read more.
A full-bridge DC–DC converter with structure exchange is proposed to simulate battery charging based on an electronic load. The full-bridge phase-shift converter (FBPSC) uses an external resonant inductor and phase-shift control on the primary side to realize zero voltage switching (ZVS) above medium load. However, the energy of the resonant inductor is not enough to carry away the energy of the parasitic capacitance on the switch at light load, leading to the inability of ZVS as well as the circulating current problem due to the long duration of the primary-side circulating current. Consequently, in order to conquer such problems mentioned above, the structure exchange, with only the control strategy changed from the phase-shift control to the two-transistor forward control, is presented to increase the light-load efficiency remarkably. Furthermore, the number of inductors is reduced by using the center-tap structure on the secondary side compared to the current-doubler structure. In addition, the synchronous rectifier on the secondary side is used to further improve the overall efficiency of the converter. Full article
(This article belongs to the Special Issue Energy, Electrical and Power Engineering: 4th Edition)
Show Figures

Figure 1

13 pages, 7535 KB  
Article
Analysis, Design and Effectuation of a Tapped Inductor Current Converter with Fractional Output for Current Source Systems
by Jie Mei, Ka Wai Eric Cheng and Teke Hua
Energies 2024, 17(9), 2204; https://doi.org/10.3390/en17092204 - 3 May 2024
Viewed by 1578
Abstract
This article proposes a new connection method of tapped inductors that works in the current source, which enables the current-mode power converter circuit to have a new topological relationship. Usually, in a switched-inductor circuit, a stable output multiple is obtained through the connection [...] Read more.
This article proposes a new connection method of tapped inductors that works in the current source, which enables the current-mode power converter circuit to have a new topological relationship. Usually, in a switched-inductor circuit, a stable output multiple is obtained through the connection of the inductor and the switching devices. This is because the tapped point on the inductor varies, and the magnetomotive force (mmf) of inductance is adjusted. Thereby, the output current is controlled by the states of switching devices within a certain range. This optimized circuit structure can adjust the output current according to load changes in practical applications without changing the input power supply. The proposed method has been verified for its feasibility through detailed analysis and hardware work. The principal analysis based on the flux linkage and the PSIM simulation confirms that the theoretical circuit can be implemented. Finally, a hardware circuit is built to obtain real and feasible conclusions, and it is verified that the circuit can achieve a stable output and variable current within a specific range. The proposed work presents an alternative power conversion methodology using the active switching of mmf, and it is a stable and simple power conversion technique. Full article
(This article belongs to the Section F3: Power Electronics)
Show Figures

Figure 1

20 pages, 2543 KB  
Article
A Center-Tapped Transformer Based Multifunctional Single-Phase Converter with Wide DC-Bus Control
by Arinze Stephen Obi, Si-Heon Lee, Hyun-Sam Jung and Jae-Jung Jung
Sensors 2023, 23(4), 2227; https://doi.org/10.3390/s23042227 - 16 Feb 2023
Cited by 3 | Viewed by 4199
Abstract
Alongside the rapid increase in distributed power generation and load, the demand for highly efficient and reliable power converters is increasing. This has resulted in the rise of grid interfaced renewable energy sources (RES), rapid deployment of battery energy storage systems (BESS) coupled [...] Read more.
Alongside the rapid increase in distributed power generation and load, the demand for highly efficient and reliable power converters is increasing. This has resulted in the rise of grid interfaced renewable energy sources (RES), rapid deployment of battery energy storage systems (BESS) coupled with energy managment systems (EMS), and DC based grid. This paper presents a center-tapped transformer-based single-stage single-phase full-bridge (FB) bidirectional AC-DC converter and its control strategy to improve controllability and reliability in applications such as DC distribution, PV/BESS grid interfacing, vehicle to grid (V2G), and so on. In contrast to conventional galvanically isolated topologies, a single-phase center-tapped transformer is introduced. It links and galvanically isolates the converters and the grid and provides its leakage inductance as the needed inductor required for current control (depending on the design). Furthermore, it reduces the number of conventionally required power conversion stages by employing a wide DC-bus voltage control strategy, resulting in a single converter that undergoes a single power conversion. Additionally, the voltage level can be increased to further enhance the output quality by cascading multiple converters (Multi-Level). The structure, operation, and basic control scheme are discussed in detail. Verification through a 220 Vrms, 1.8 kVA, and 45∼100 VDC simulation and small-scale experimental prototype (60∼100 VDC voltage) for practical validation of the topology is also presented. Full article
(This article belongs to the Special Issue Advanced Sensing and Control Technologies in Power Electronics)
Show Figures

Figure 1

17 pages, 7732 KB  
Article
A Three-Port Power Electronic Transformer Based on Magnetic Integration
by Zhixian Liao, Yingzong Jiao, Zhiwen Suo, Binbin Li, Xiaodong Zhao, Linjie Han and Dianguo Xu
Appl. Sci. 2022, 12(22), 11607; https://doi.org/10.3390/app122211607 - 15 Nov 2022
Cited by 3 | Viewed by 2744
Abstract
This paper proposes a three-port power electronic transformer (PET) based on magnetic integration, where the modular multilevel converter (MMC) arm inductors and high-frequency transformer are integrated; thus, the low-voltage DC (LVDC) port can be directly obtained. Such a magnetic integration structure has advantages [...] Read more.
This paper proposes a three-port power electronic transformer (PET) based on magnetic integration, where the modular multilevel converter (MMC) arm inductors and high-frequency transformer are integrated; thus, the low-voltage DC (LVDC) port can be directly obtained. Such a magnetic integration structure has advantages of reduction in magnetic volume and number of active switches, implying a compact structure and reduced cost. Compared with existing PETs, the proposed PET can save more than 60% of magnetic volume and more than 19% of device cost. The proposed PET is suitable for AC/DC hybrid distribution applications with medium-voltage DC (MVDC), medium-voltage AC (MVAC), and LVDC ports, especially for scenarios where moderate amounts of power (100 s of kW) are tapped from an LVDC port. The feasibility of the proposed three-port PET has been verified by simulation and experimental results. Full article
(This article belongs to the Special Issue DC Grids: Recent Advances and Future Trends)
Show Figures

Figure 1

26 pages, 4868 KB  
Article
Exact Feedback Linearization of a Multi-Variable Controller for a Bi-Directional DC-DC Converter as Interface of an Energy Storage System
by Gabriel R. Broday, Luiz A. C. Lopes and Gilney Damm
Energies 2022, 15(21), 7923; https://doi.org/10.3390/en15217923 - 25 Oct 2022
Cited by 4 | Viewed by 2154
Abstract
DC microgrids have shown to be a good approach for better accommodating stochastic renewable energy sources (RES) and for the charging of electric vehicles (EVs) at the distribution level. For this, fast-acting energy storage units (ESSs) are essential. This requires that both the [...] Read more.
DC microgrids have shown to be a good approach for better accommodating stochastic renewable energy sources (RES) and for the charging of electric vehicles (EVs) at the distribution level. For this, fast-acting energy storage units (ESSs) are essential. This requires that both the bi-directional power converter topology and the control scheme present the right set of features. The ESS discussed in this paper consists of a new DC-DC converter based on a tapped inductor (TI) for a higher voltage gain at moderate duty cycles. The direction of the current in its intermediate inductor does not need to be reversed for power flow reversal, leading to a faster action. Moreover, it can employ a multi-state and multi-variable modulation scheme that eliminates the right half-plane (RHP) zero, common in boost-type converters. In order to achieve good dynamic performance across a wide range of operating points, a control scheme based on feedback linearization is developed. This paper presents the modeling of the five-switch DC-DC converter operating in the tri-state buck–boost mode. A systematic approach for deriving control laws for the TI current and output voltage based on exact state feedback linearization is discussed. The performance of the proposed control scheme is verified by simulation for a supercapacitor (SC)-based ESS. It is compared to that of a conventional control scheme for a dual-state buck–boost mode with cascaded PI controllers designed based on small-signal models. The results show that both control schemes work similarly well at the operating point that the conventional control scheme was designed for. However, only the proposed scheme allows the SC-based ESS to control the current injected into the DC microgrid with the voltage of the SC varying between the expected range of rated to half-rated. Full article
(This article belongs to the Special Issue Microgrids and the Integration of Energy Storage Systems)
Show Figures

Figure 1

10 pages, 3388 KB  
Article
On-Chip Voltage-Controlled Oscillator Based on a Center-Tapped Switched Inductor Using GaN-on-SiC HEMT Technology
by Hsuan-Ling Kao
Electronics 2021, 10(23), 2928; https://doi.org/10.3390/electronics10232928 - 25 Nov 2021
Viewed by 3230
Abstract
This study presents a voltage-controlled oscillator (VCO) in a cross-coupled pair configuration using a multi-tapped switched inductor with two switch-loaded transformers in 0.5 µm GaN technology. Two switch-loaded transformers are placed at the inner and outer portions of the multi-tapped inductor. All the [...] Read more.
This study presents a voltage-controlled oscillator (VCO) in a cross-coupled pair configuration using a multi-tapped switched inductor with two switch-loaded transformers in 0.5 µm GaN technology. Two switch-loaded transformers are placed at the inner and outer portions of the multi-tapped inductor. All the switches are turned off to obtain the lowest sub-band. The outer transformer with three pairs of switches is turned on alternately to provide three sub-band modes. A pair of switches at the inner transformer provide a high-frequency band. Two switch-loaded transformers are turned on to provide the highest sub-band. Six modes are selected to provide a wide tuning range. The frequency tuning range (FTR) of the VCO is 27.8% from 3.81 GHz to 8.04 GHz with a varactor voltage from 13 V to 22 V. At a 1 MHz frequency offset from the carrier frequency of 4.27 GHz, the peak phase noise is −119.17 dBc/Hz. At a power supply of 12 V, the output power of the carrier at 4.27 GHz is 20.9 dBm. The figure of merit is −186.93 dB because the VCO exhibits a high output power, low phase noise, and wide FTR. To the best of the author’s knowledge, the FTR in VCOs made of GaN-based high electron mobility transistors is the widest reported thus far. Full article
(This article belongs to the Section Microelectronics)
Show Figures

Figure 1

19 pages, 7464 KB  
Article
Integrated Motor Drive: Mass and Volume Optimization of the Motor with an Integrated Filter Inductor
by Muhammad Raza Khowja, Gaurang Vakil, Chris Gerada, Chintan Patel, Shafiq Odhano and Patrick Wheeler
Energies 2021, 14(15), 4564; https://doi.org/10.3390/en14154564 - 28 Jul 2021
Cited by 5 | Viewed by 3246 | Correction
Abstract
The present trend of aerospace industries is being shifted towards a “More Electric Aircraft” system which needs to be high power dense. For this purpose, the integration technologies have gained massive interest, providing the benefits of reduced losses, weight, volume and cost. In [...] Read more.
The present trend of aerospace industries is being shifted towards a “More Electric Aircraft” system which needs to be high power dense. For this purpose, the integration technologies have gained massive interest, providing the benefits of reduced losses, weight, volume and cost. In this article, the integration concept of a passive filter inductor is presented for a permanent magnet synchronous motor. The integrated motor eliminates the need of an external inductor, thus, eliminates the added inductor losses, mass, volume and cost associated with it. The motor utilizes its’s inherent inductance to use it as a filter inductor instead of implementing a discrete inductor that is commonly placed between inverter and the motor terminals. Optimization study is carried out, where the filter branch windings are tapped, in terms of improving mass and volume and performance parameters such as power losses and torque ripple. From the optimization study, the motor with minimum weight and volume is experimentally validated at the rated conditions, in order to prove the concept feasibility. Total system weight and volume of integrated and traditional motor drives are compared, which gives the minimum weight of 2.26 kg and 3.14 kg respectively, and the minimum volume of 0.54 L and 1.1 L respectively. Full article
Show Figures

Figure 1

20 pages, 9841 KB  
Article
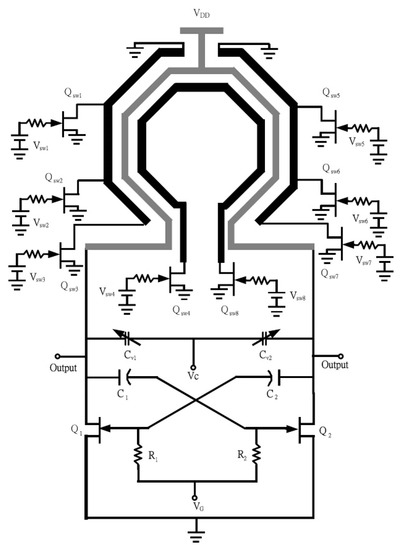
Active Balun with Center-Tapped Inductor and Double-Balanced Gilbert Mixer for GNSS Applications
by Daniel Pietron, Tomasz Borejko and Witold Adam Pleskacz
Electronics 2021, 10(11), 1351; https://doi.org/10.3390/electronics10111351 - 5 Jun 2021
Cited by 4 | Viewed by 5692
Abstract
A new 1.575 GHz active balun with a classic double-balanced Gilbert mixer for global navigation satellite systems is proposed herein. A simple, low-noise amplifier architecture is used with a center-tapped inductor to generate a differential signal equal in amplitude and shifted in phase [...] Read more.
A new 1.575 GHz active balun with a classic double-balanced Gilbert mixer for global navigation satellite systems is proposed herein. A simple, low-noise amplifier architecture is used with a center-tapped inductor to generate a differential signal equal in amplitude and shifted in phase by 180°. The main advantage of the proposed circuit is that the phase shift between the outputs is always equal to 180°, with an accuracy of ±5°, and the gain difference between the balun outputs does not change by more than 1.5 dB. This phase shift and gain difference between the outputs are also preserved for all process corners, as well as temperature and voltage supply variations. In the balun design, a band calibration system based on a switchable capacitor bank is proposed. The balun and mixer were designed with a 110 nm CMOS process, consuming only a 2.24 mA current from a 1.5 V supply. The measured noise figure and conversion gain of the balun and mixer were, respectively, NF = 7.7 dB and GC = 25.8 dB in the band of interest. Full article
(This article belongs to the Special Issue RF/Mm-Wave Circuits Design and Applications)
Show Figures

Figure 1

21 pages, 6074 KB  
Article
Design, Analysis and Implementation of the Tapped-Inductor Boost Current Converter on Current Based System
by Chim Pui Leung and Ka Wai Eric Cheng
Energies 2021, 14(4), 888; https://doi.org/10.3390/en14040888 - 8 Feb 2021
Cited by 3 | Viewed by 4367
Abstract
Power converters play a crucial role in renewable energy systems. Most well-known power conversion topologies are voltage mode, not current mode. Current mode converters are more appropriate for renewable energy systems such as photovoltaic systems since solar panels are typical current sources. The [...] Read more.
Power converters play a crucial role in renewable energy systems. Most well-known power conversion topologies are voltage mode, not current mode. Current mode converters are more appropriate for renewable energy systems such as photovoltaic systems since solar panels are typical current sources. The vast usage of battery as energy storage is also a current sink for constant current mode charging. Utilizing current mode converters should be more straightforward and judicious. In this study, a new topology for the tapped-inductor power conversion circuit family is introduced. The proposed topology has been investigated thoroughly based on theories, simulations and experiments. The boost version is examined as an example to downstate the performance. A detailed comparison with the conventional boost current converter is conducted in this paper. Full article
(This article belongs to the Special Issue Energy Management in the Multi-Source Systems)
Show Figures

Figure 1

19 pages, 7756 KB  
Article
Integrated Magnetics Design for a Full-Bridge Phase-Shifted Converter
by Yu-Chen Liu, Cheng-You Xiao, Chien-Chun Huang, Pei-Chin Chi and Huang-Jen Chiu
Energies 2021, 14(1), 183; https://doi.org/10.3390/en14010183 - 31 Dec 2020
Cited by 5 | Viewed by 5034
Abstract
In this study, an optimization procedure was proposed for the magnetic component of an integrated transformer applied in a center-tap phase-shifted full-bridge converter. To accommodate high power–density 0demand, a transformer and an output inductor were integrated into a magnetic component to reduce the [...] Read more.
In this study, an optimization procedure was proposed for the magnetic component of an integrated transformer applied in a center-tap phase-shifted full-bridge converter. To accommodate high power–density 0demand, a transformer and an output inductor were integrated into a magnetic component to reduce the volume of the magnetic material and the primary and secondary windings of the transformer were wound on the magnetic legs to reduce conduction loss attributable to the alternating-current resistor. With a focus on the integrated transformer applied in a phase-shifted full-bridge converter, circuit operation in each time interval was analyzed, and a design procedure was established for the integrated magnetic component. In addition, the manner in which output inductance was affected by the mutual inductance between the transformer and the output inductor in the integrated transformer during various operation intervals was discussed and, to minimize circuit loss, a design optimization procedure for the magnetic core was proposed. Finally, the integrated transformer was applied in a phase-shifted full-bridge converter to achieve an input voltage of 400 V, an output voltage of 12 V, output power of 1.7 kW, an output frequency of 80 kHz, and a maximum conversion efficiency of 96.7%. Full article
(This article belongs to the Special Issue Energy Storage Systems and Conversion Processes)
Show Figures

Figure 1

15 pages, 4204 KB  
Article
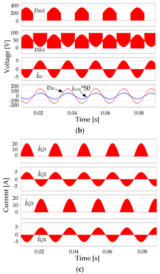
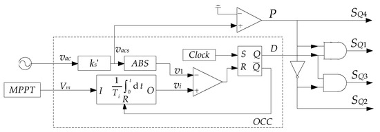
Derivation of OCC Modulator for Grid-Tied Single-Stage Buck-Boost Inverter Operating in the Discontinuous Conduction Mode
by Ben Zhao, Yigeng Huangfu and Alexander Abramovitz
Energies 2020, 13(12), 3168; https://doi.org/10.3390/en13123168 - 18 Jun 2020
Cited by 2 | Viewed by 2433
Abstract
This paper is concerned with the derivation of a one-cycle controller for driving a single-stage buck-boost DC-AC micro-inverter in grid-tied applications. The topology under study is based on a full-bridge switch arrangement with no unfolder circuit. The proposed micro-inverter attains a high gain [...] Read more.
This paper is concerned with the derivation of a one-cycle controller for driving a single-stage buck-boost DC-AC micro-inverter in grid-tied applications. The topology under study is based on a full-bridge switch arrangement with no unfolder circuit. The proposed micro-inverter attains a high gain by applying a multi-winding tapped inductor and, therefore, can operate at grid-level voltage without using a DC-DC step-up stage. To minimize the switching loss, the proposed inverter is operated in the discontinuous conduction mode. The operation principles of the proposed topology in the discontinuous conduction mode are discussed and analyzed. Based on the analysis, the one-cycle control law and modulator circuitry needed to control the proposed micro-inverter are developed. The feasibility of the proposed modulation scheme is verified by simulation. Full article
(This article belongs to the Section A2: Solar Energy and Photovoltaic Systems)
Show Figures

Graphical abstract

21 pages, 3691 KB  
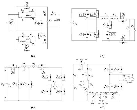
Article
A Family of Single-Stage, Buck-Boost Inverters for Photovoltaic Applications
by Ben Zhao, Alexander Abramovitz, Chang Liu, Yongheng Yang and Yigeng Huangfu
Energies 2020, 13(7), 1675; https://doi.org/10.3390/en13071675 - 3 Apr 2020
Cited by 13 | Viewed by 3781
Abstract
This paper introduces a family of single-stage buck-boost DC/AC inverters for photovoltaic (PV) applications. The high-gain feature was attained by applying a multi-winding tapped inductor, and thus, the proposed topologies can generate a grid-level AC output voltage without using additional high step-up stages. [...] Read more.
This paper introduces a family of single-stage buck-boost DC/AC inverters for photovoltaic (PV) applications. The high-gain feature was attained by applying a multi-winding tapped inductor, and thus, the proposed topologies can generate a grid-level AC output voltage without using additional high step-up stages. The proposed topologies had a low component count and consisted of a single magnetic device and three or four power switches. Moreover, the switches were assembled in a push-pull or half/full-bridge arrangement, which allowed using commercial low-cost driver-integrated circuits. In this paper, the operation principle and comparison of the proposed topologies are presented. The feasibility of the proposed topologies was verified by simulations and experimental tests. Full article
Show Figures

Figure 1

19 pages, 10298 KB  
Article
On the Equivalence of the Switched Inductor and the Tapped Inductor Converters and its Application to Small Signal Modelling
by Jia Yao, Kewei Li, Kaisheng Zheng and Alexander Abramovitz
Energies 2019, 12(24), 4806; https://doi.org/10.3390/en12244806 - 17 Dec 2019
Cited by 2 | Viewed by 4336
Abstract
Switched inductor (SI) converters are popular in applications requiring a steeper conversion ratio. However, these converters operate a twin inductor switching cell, which complicates the small-signal modeling. This paper proposes an expeditious small-signal analysis method to model the SI converters. The offered modeling [...] Read more.
Switched inductor (SI) converters are popular in applications requiring a steeper conversion ratio. However, these converters operate a twin inductor switching cell, which complicates the small-signal modeling. This paper proposes an expeditious small-signal analysis method to model the SI converters. The offered modeling approach is hinged on the analogy existing between the SI converters and certain Tapped Inductor (TI) converters. It is suggested here that by virtue of the analogy of the SI converters and TI converters the small-signal model of the SI converter is identical to that of its ideal TI counterpart. Hence, the recently developed Tapped Inductor Switcher (TIS) methodology can be applied to the modeling of the SI converters as well. As an example, the small-signal model of the Switched Inductor Buck converter is obtained. Theoretical analysis was confirmed by simulation and experimental results. In addition, several other SI converters and their TI counterparts are identified. Full article
Show Figures

Graphical abstract

12 pages, 2921 KB  
Article
Non-Equal Voltage Cell Balancing for Battery and Super-Capacitor Source Package Management System Using Tapped Inductor Techniques
by Xiaolin Wang, Ka Wai Eric Cheng and Yat Chi Fong
Energies 2018, 11(5), 1037; https://doi.org/10.3390/en11051037 - 24 Apr 2018
Cited by 18 | Viewed by 6511
Abstract
The battery management system (BMS) is the key development for energy storage systems, and battery balancing is an important subsystem of the BMS. However, with rapid development of supercapacitors, future energy storage cells are not constrained by one type, while different types of [...] Read more.
The battery management system (BMS) is the key development for energy storage systems, and battery balancing is an important subsystem of the BMS. However, with rapid development of supercapacitors, future energy storage cells are not constrained by one type, while different types of cells may form a source package (SP). Furthermore, the introduction of second-life batteries from retired electric vehicles promotes the demand of effective balancing systems for SPs with hybrid cells, as well as the requirement that balancing should be extended to any preset ratio rather than 1:1. This paper proposes a novel tapped inductor balancing circuit that allows any ratio of voltage balancing for hybrid energy storage cells. The analysis of the circuit, simulation and experiment results are presented to demonstrate its effectiveness in handling hybrid source balancing. Full article
(This article belongs to the Special Issue Power Electronics for Energy Storage)
Show Figures

Figure 1

Back to TopTop