Sign in to use this feature.

Years

Between: -

Subjects

remove_circle_outline
remove_circle_outline
remove_circle_outline
remove_circle_outline
remove_circle_outline
remove_circle_outline
remove_circle_outline
remove_circle_outline
remove_circle_outline

Journals

remove_circle_outline
remove_circle_outline
remove_circle_outline
remove_circle_outline

Article Types

Countries / Regions

remove_circle_outline
remove_circle_outline
remove_circle_outline
remove_circle_outline
remove_circle_outline

Search Results (1,045)

Search Parameters:
Keywords = state estimation of power system

Order results
Result details
Results per page
Select all
Export citation of selected articles as:
18 pages, 10308 KB  
Article
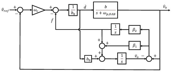
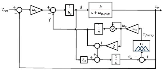
Fuzzy-Adaptive ESO Control for Dual Active Bridge Converters
by Ju-Hyeong Seo and Sung-Jin Choi
Sensors 2026, 26(1), 48; https://doi.org/10.3390/s26010048 - 20 Dec 2025
Viewed by 52
Abstract
In converter-dominated direct-current microgrids, severe load transients can cause large voltage deviations on the common direct-current bus. To mitigate this, an energy storage system is typically employed, and an isolated bidirectional dual active bridge converter is commonly used as the power interface. Therefore, [...] Read more.
In converter-dominated direct-current microgrids, severe load transients can cause large voltage deviations on the common direct-current bus. To mitigate this, an energy storage system is typically employed, and an isolated bidirectional dual active bridge converter is commonly used as the power interface. Therefore, the controller must ensure robust transient performance under step-load conditions. This paper proposes an active disturbance rejection control framework that adaptively adjusts the bandwidth of an extended state observer using fuzzy logic. The proposed observer increases its bandwidth during transients—based on the estimation error—to accelerate disturbance compensation, while decreasing the bandwidth near steady state to suppress noise amplification. This adaptive tuning alleviates the fixed-bandwidth trade-off between transient speed and noise sensitivity in ESO-based regulation. Hardware experiments under load-step conditions validate the method: for a load increase, the peak voltage undershoot and settling time are reduced by 22% and 48.9% relative to a proportional–integral controller, and by 20% and 36.1% relative to a fixed-bandwidth observer. For a load decrease, the peak overshoot and settling time are reduced by 27.9% and 49.5% compared with the proportional–integral controller, and by 20.5% and 25% compared with the fixed-bandwidth observer. Full article
(This article belongs to the Section Intelligent Sensors)
Show Figures

Figure 1

23 pages, 733 KB  
Article
Robust Learning-Based Detection with Cost Control and Byzantine Mitigation
by Chen Zhong, M. Cenk Gursoy and Senem Velipasalar
Sensors 2026, 26(1), 5; https://doi.org/10.3390/s26010005 - 19 Dec 2025
Viewed by 84
Abstract
To address the state estimation and detection problem in the presence of noisy sensor observations, probing costs, and communication noise, we in this paper propose a soft actor-critic (SAC) deep reinforcement learning (DRL) framework for dynamically scheduling sensors and sequentially probing the state [...] Read more.
To address the state estimation and detection problem in the presence of noisy sensor observations, probing costs, and communication noise, we in this paper propose a soft actor-critic (SAC) deep reinforcement learning (DRL) framework for dynamically scheduling sensors and sequentially probing the state of a stochastic system. Moreover, considering Byzantine attacks, we design a generative adversarial network (GAN)-based framework to identify the Byzantine sensors. The GAN-based Byzantine detector and SAC-DRL-based agent are developed to operate in coordination to detect the state of the system reliably and fast while incurring small sensing cost. To evaluate the proposed framework, we measure the performance in terms of detection accuracy, stopping time, and the total probing cost needed for detection. Via simulation results, we analyze the performances and demonstrate that soft actor–critic algorithms are flexible and effective in action selection in imperfectly known environments due to the maximum entropy strategy and they can achieve stable performance levels in challenging test cases (e.g., involving jamming attacks, imperfectly known noise power levels, and high sensing cost scenarios). We also provide comparisons between the performances of the proposed soft actor–critic and conventional actor–critic algorithms as well as fixed scheduling strategies. Finally, we analyze the impact of Byzantine attacks and identify the reliability and accuracy improvements achieved by the GAN-based approach when combined with the SAC-DRL-based decision-making agent. Full article
(This article belongs to the Special Issue Anomaly Detection and Fault Diagnosis in Sensor Networks)
Show Figures

Figure 1

28 pages, 27052 KB  
Article
Energy Harvesting Devices for Extending the Lifespan of Lithium-Polymer Batteries: Insights for Electric Vehicles
by David Gutiérrez-Rosales, Omar Jiménez-Ramírez, Daniel Aguilar-Torres, Juan Carlos Paredes-Rojas, Eliel Carvajal-Quiroz and Rubén Vázquez-Medina
World Electr. Veh. J. 2025, 16(12), 682; https://doi.org/10.3390/wevj16120682 - 18 Dec 2025
Viewed by 65
Abstract
This study rigorously evaluated the integration of energy-harvesting systems within electric vehicles to prolong battery service life. A laboratory-scale system was configured utilizing a scale electric vehicle with a 12.6 V lithium-polymer (Li-Po) battery alongside an automated control platform to precisely estimate the [...] Read more.
This study rigorously evaluated the integration of energy-harvesting systems within electric vehicles to prolong battery service life. A laboratory-scale system was configured utilizing a scale electric vehicle with a 12.6 V lithium-polymer (Li-Po) battery alongside an automated control platform to precisely estimate the real-time State of Charge (SoC) through monitoring of current, voltage, and temperature of the vehicle battery under three distinct driving conditions: (A) constant velocity at 30 km/h, (B) variable velocities exhibiting a sawtooth profile, and (C) random speed variations. Wind energy was harvested employing Savonius rotor microturbines, with assessments conducted on efficiency losses and drag coefficients to determine the net power yield for each operational profile, which was found to be marginally positive. Considering the energy consumption of electric vehicles based on 2017 U.S. EPA fuel economy data, the maximal recovered energy corresponded to 0.0833% of auxiliary system demand, while the minimal recovery was 0.0398%. These results substantiated the necessity for continued research into sustainable energy management frameworks for electric vehicles. They emphasized the critical importance of optimizing the incorporation of renewable energy technologies to mitigate the environmental ramifications of the transportation sector. Full article
Show Figures

Graphical abstract

18 pages, 578 KB  
Article
Physics-Constrained Graph Attention Networks for Distribution System State Estimation Under Sparse and Noisy Measurements
by Zijian Hu, Zeyu Zhang, Honghua Xu, Ye Ji and Suyang Zhou
Processes 2025, 13(12), 4055; https://doi.org/10.3390/pr13124055 - 15 Dec 2025
Viewed by 188
Abstract
Accurate state estimation is essential for the real-time operation and control of modern distribution systems characterized by high renewable energy penetration, bidirectional power flows, and volatile loads. Conventional model-driven approaches such as the Weighted Least Squares (WLS) exhibit limited robustness under noisy and [...] Read more.
Accurate state estimation is essential for the real-time operation and control of modern distribution systems characterized by high renewable energy penetration, bidirectional power flows, and volatile loads. Conventional model-driven approaches such as the Weighted Least Squares (WLS) exhibit limited robustness under noisy and sparse measurements, while existing data-driven methods often neglect critical physical constraints inherent to power systems. To address these limitations, this paper proposes a physics-constrained Graph Attention Network (GAT) framework for distribution system state estimation (DSSE) that synergistically integrates data-driven learning with physical domain knowledge. The proposed method comprises three key components: (1) a Gaussian Mixture Model (GMM)-based data augmentation strategy that captures the stochastic characteristics of loads and distributed generation to generate synthetic samples consistent with actual operating distributions; (2) a GAT-based feature extractor with topology-aware admittance matrix embedding that effectively learns spatial dependencies and structural relationships among network nodes; and (3) a physics-constrained loss function that incorporates nodal power and voltage limit penalties to enforce operational feasibility. Comprehensive evaluations on the real-world 141-bus test system demonstrate that the proposed method achieves mean absolute error (MAE) reductions of 52.4% and 45.5% for voltage magnitude and angle estimation, respectively, compared to conventional Graph Convolutional Network (GCN)-based approaches. These results validate the superior accuracy, robustness, and adaptability of the proposed framework under challenging measurement conditions. Full article
Show Figures

Figure 1

27 pages, 391 KB  
Article
Analysis of λ-Hölder Stability of Economic Equilibria and Dynamical Systems with Nonsmooth Structures
by Anna V. Aleshina, Andrey L. Bulgakov, Yanliang Xin and Igor Y. Panarin
Mathematics 2025, 13(24), 3993; https://doi.org/10.3390/math13243993 - 15 Dec 2025
Viewed by 201
Abstract
This paper develops a mathematical approach to the analysis of the stability of economic equilibria in nonsmooth models. The λ-Hölder apparatus of subdifferentials is used, which extends the class of systems under study beyond traditional smooth optimization and linear approximations. Stability conditions [...] Read more.
This paper develops a mathematical approach to the analysis of the stability of economic equilibria in nonsmooth models. The λ-Hölder apparatus of subdifferentials is used, which extends the class of systems under study beyond traditional smooth optimization and linear approximations. Stability conditions are obtained for solutions to intertemporal choice problems and capital accumulation models in the presence of nonsmooth dependencies, threshold effects, and discontinuities in elasticities. For λ-Hölder production and utility functions, estimates of the sensitivity of equilibria to parameters are obtained, and indicators of the convergence rate of trajectories to the stationary state are derived for λ>1. The methodology is tested on a multisectoral model of economic growth with technological shocks and stochastic disturbances in capital dynamics. Numerical experiments confirm the theoretical results: a power-law dependence of equilibrium sensitivity on the magnitude of parametric disturbances is revealed, as well as consistency between the analytical λ-Hölder convergence rate and the results of numerical integration. Stochastic disturbances of small variance do not violate stability. The results obtained provide a rigorous mathematical foundation for the analysis of complex economic systems with nonsmooth structures, which are increasingly used in macroeconomics, decision theory, and regulation models. Full article
(This article belongs to the Section E5: Financial Mathematics)
20 pages, 1052 KB  
Article
Distributed State Estimation for Bilinear Power System Models Based on Weighted Least Absolute Value
by Shijie Gao, Zhihua Deng, Yunzhe Zhang and Pan Wang
Appl. Sci. 2025, 15(24), 13129; https://doi.org/10.3390/app152413129 - 13 Dec 2025
Viewed by 193
Abstract
Accurate, scalable, and outlier-robust state estimation (SE) is critical for large AC power systems with mixed SCADA and PMU measurements. This paper proposes D-BSE-L1, a distributed robust state estimator for the bilinear AC model. The method combines the bilinear state estimation framework with [...] Read more.
Accurate, scalable, and outlier-robust state estimation (SE) is critical for large AC power systems with mixed SCADA and PMU measurements. This paper proposes D-BSE-L1, a distributed robust state estimator for the bilinear AC model. The method combines the bilinear state estimation framework with a convex weighted least absolute value (WLAV) loss so that all area subproblems become convex linear or quadratic programs coordinated by ADMM, and a cache-enabled Cholesky factorization is used to accelerate the third-stage linear solves. Simulations on the IEEE 14-, 118-, and 1062-bus systems show that D-BSE-L1 achieves estimation accuracy comparable to its centralized bilinear counterpart. Under severe bad-data conditions, its advantage over weighted least squares with the largest normalized residual test (WLS + LNRT) is pronounced: with 10% 1.5× bad data, the voltage magnitude and angle MAEs are about 62% and 54% of those of WLS + LNRT, and with 5% 5× bad data, they further drop to roughly 43% and 51%, while requiring only about one-tenth of the CPU time. On the 1062-bus system, D-BSE-L1 maintains the MAE of the centralized estimator but reduces runtime from 2.46 s to 0.72 s, providing a scalable, hyperparameter-free, and robust solution for partitioned state estimation in large-scale power grids. Full article
(This article belongs to the Special Issue Applied Machine Learning in Industry 4.0)
Show Figures

Figure 1

20 pages, 1581 KB  
Article
An Improved Variable Step-Size Normalized Subband Adaptive Filtering Algorithm for Signal Clipping Distortion
by Jiapeng Duan and Bo Zhang
Signals 2025, 6(4), 74; https://doi.org/10.3390/signals6040074 - 12 Dec 2025
Viewed by 214
Abstract
The safe and stable operation of power systems and other dynamic systems relies on accurate perception of their dynamic processes. Voltage, current, and other measurement signals carry critical information about the system’s state. However, under conditions such as equipment damage, aging, and non-ideal [...] Read more.
The safe and stable operation of power systems and other dynamic systems relies on accurate perception of their dynamic processes. Voltage, current, and other measurement signals carry critical information about the system’s state. However, under conditions such as equipment damage, aging, and non-ideal operational conditions of devices under test, over-range phenomena may occur, leading to biased estimation issues in adaptive filters. To address this problem, this paper proposes a variable-parameter subband adaptive filtering algorithm with signal clipping distortion awareness. The algorithm first uses the Expectation-Maximization (EM) process to achieve high-fidelity restoration of damaged signals. Then, by integrating an intelligent steady-state detector and a dual-mode control mechanism, the adaptive filter can adjust key parameters such as step-size, forgetting factor, and regularization parameter based on state perception results. Finally, theoretical analysis proves the unbiased nature of the proposed method. Validation using real-world data from a high-penetration renewable energy power system shows that the algorithm achieves fast tracking during transient events and provides high-precision estimation during steady-state operation, offering an effective solution for real-time, high-accuracy processing of dynamic measurement data in power systems. Full article
Show Figures

Figure 1

18 pages, 5045 KB  
Article
Quantifying Overload Risk: A Parametric Comparison of IEC 60076-7 and IEEE C57.91 Standards for Power Transformers
by Lukasz Staszewski and Waldemar Rebizant
Energies 2025, 18(24), 6469; https://doi.org/10.3390/en18246469 - 10 Dec 2025
Viewed by 247
Abstract
Modern power grids face increasing stress from volatile, high-dynamics loads, such as Electric Vehicle (EV) charging clusters and intermittent renewable energy sources. Accurate transformer thermal monitoring via the International Electrotechnical Commission (IEC) 60076-7 and the Institute of Electrical and Electronics Engineers (IEEE) C57.91 [...] Read more.
Modern power grids face increasing stress from volatile, high-dynamics loads, such as Electric Vehicle (EV) charging clusters and intermittent renewable energy sources. Accurate transformer thermal monitoring via the International Electrotechnical Commission (IEC) 60076-7 and the Institute of Electrical and Electronics Engineers (IEEE) C57.91 standards is crucial, yet their methodologies differ significantly. This study develops a comprehensive MATLAB simulation framework to quantify these differences. The analysis compares physical thermal models across multi-stage cooling—Oil Natural Air Natural (ONAN), Oil Natural Air Forced (ONAF), and Oil Forced Air Forced (OFAF)—and insulation aging models. It is demonstrated that divergence in transformer life estimation stems primarily from the physical thermal models. A ‘reversal of conservatism’ is identified, where ‘conservative’ is defined as predicting higher hot-spot temperatures and enforcing a larger safety margin. Results prove that while the IEC model is thermally more conservative during cooling failures (static mode), the IEEE model is consistently more conservative during normal active cooling. Additionally, 2D “heat maps” are presented to define safe operational zones, and the catastrophic impact of cooling system failures is quantified. These findings provide a quantitative outline for managing transformer state under increasingly demanding loading schemes. Full article
(This article belongs to the Section J: Thermal Management)
Show Figures

Figure 1

55 pages, 15873 KB  
Article
Optimal µ-PMU Placement and Voltage Estimation in Distribution Networks: Evaluation Through Multiple Case Studies
by Asjad Ali, Noor Izzri Abdul Wahab, Mohammad Lutfi Othman, Rizwan A. Farade, Husam S. Samkari and Mohammed F. Allehyani
Sustainability 2025, 17(24), 11036; https://doi.org/10.3390/su172411036 - 9 Dec 2025
Viewed by 416
Abstract
This study optimizes the placement of μ-PMUs using the BPSO and BGWO algorithms for the IEEE 33-bus and 69-bus systems, with a focus on minimizing deployment costs while ensuring robust system observability. Three case studies are analysed: Case 1 (normal conditions), Case 2 [...] Read more.
This study optimizes the placement of μ-PMUs using the BPSO and BGWO algorithms for the IEEE 33-bus and 69-bus systems, with a focus on minimizing deployment costs while ensuring robust system observability. Three case studies are analysed: Case 1 (normal conditions), Case 2 (single μ-PMU outage), and Case 3 (Zero Injection Buses, ZIBs). In Case 1, both algorithms identified 24 μ-PMUs as the optimal placement for the IEEE 69-bus system, achieving the minimum PMUs required for full observability. For Case 2, redundancy requirements increased the μ-PMU count to 24 μ-PMUs for the IEEE 33-bus system and 51 μ-PMUs for the IEEE 69-bus system, ensuring full observability even under a single μ-PMU failure. Case 3, leveraging Zero Injection Buses (ZIBs), reduced the μ-PMU count to 20 μ-PMUs for both BPSO and BGWO, optimizing the system configuration while maintaining observability. A trade-off analysis was performed to examine the trade-off between redundancy and PMU count, showing that increasing the number of μ-PMUs improves system resilience. Voltage and current channels were measured from the optimized placements to ensure accurate voltage measurement in all case studies. Subsequently, the Weighted Least Squares algorithm was applied for voltage estimation, serving as a peripheral to the main objective of the optimal μ-PMU placement. Voltage estimation was conducted under three noise levels: 0.01 STD for basic analysis and 0.02 and 0.04 STD to observe the impact of varying measurement noise. The results highlight that higher μ-PMU placements improve voltage estimation accuracy, particularly under higher noise levels. Statistical analysis confirms that BGWO outperforms BPSO in terms of computational efficiency, stability, and convergence, especially in large-scale systems. By enhancing grid monitoring and state estimation, this research directly contributes to the development of more resilient and efficient power networks, which is a fundamental prerequisite for integrating renewable energy sources and advancing overall power system sustainability. This research emphasizes the balance between cost and reliability in μ-PMU placement and provides a comprehensive methodology for state estimation in modern power systems. Full article
Show Figures

Figure 1

21 pages, 4006 KB  
Article
Probabilistic Power Flow Analysis of Wind-Integrated Power Systems Considering Frequency Risk Under Typhoon Disasters
by Aonan Hu and Libao Shi
Energies 2025, 18(24), 6430; https://doi.org/10.3390/en18246430 - 9 Dec 2025
Viewed by 197
Abstract
Extreme disasters such as typhoons pose severe frequency stability challenges to modern power systems with a high penetration of new energy sources. Traditional probabilistic power flow (PPF) methods, which assume constant frequency, are insufficient for accurately capturing these risks. This paper proposes a [...] Read more.
Extreme disasters such as typhoons pose severe frequency stability challenges to modern power systems with a high penetration of new energy sources. Traditional probabilistic power flow (PPF) methods, which assume constant frequency, are insufficient for accurately capturing these risks. This paper proposes a PPF assessment method for wind-integrated power systems that considers system frequency characteristics under typhoon disasters. First, a probability model of wind power output uncertainty under typhoon disasters is constructed based on the hybrid adaptive kernel density estimation (HAKDE) method. Next, the frequency response characteristics are explicitly introduced, with the steady-state frequency deviation Δf utilized as the state variable for the PPF solution, and an extended cumulant method PPF model is thus established. This model can concurrently determine the probability distributions and statistical characteristics of nodal voltages, branch power flows, and the steady-state frequency of the system. Case studies on a modified IEEE 39-bus system demonstrate that the proposed method effectively quantifies frequency violation probabilities that are overlooked by traditional models. Full article
(This article belongs to the Special Issue Digital Modeling, Operation and Control of Sustainable Energy Systems)
Show Figures

Figure 1

20 pages, 1253 KB  
Article
DR-RQL: A Sustainable Demand Response-Based Learning System for Energy Scheduling and Battery Health Estimation
by Kailian Deng, Hongtao Zhang, Zihao Cui, Zhongyi Zha, Shuyi Gao, Shuai Yan, Yicun Hua, Xiaojie Liu, Shaoxuan Xu, Fang Wei, Genlong Chen and Xiaoyan Liu
Sustainability 2025, 17(24), 10970; https://doi.org/10.3390/su172410970 - 8 Dec 2025
Viewed by 176
Abstract
Given the uncertainty from renewable production, local loads and battery operating states in microgrid, it is vital to develop an efficient energy management scheme to improve system economics and enhance grid reliability. In this paper, we consider a renewable integrated microgrid scenario including [...] Read more.
Given the uncertainty from renewable production, local loads and battery operating states in microgrid, it is vital to develop an efficient energy management scheme to improve system economics and enhance grid reliability. In this paper, we consider a renewable integrated microgrid scenario including an energy storage system (ESS), bidirectional energy flow from/to conventional power grid and ESS health estimation. We develop a novel demand response-based scheme for microgrid energy management with a long short-term memory (LSTM) network and reinforcement learning (RL), aiming to improve the system operating profit from energy-trading and reduce the battery health cost from energy-scheduling. Specifically, to overcome the uncertainty from future, we utilize LSTM to forecast the unknown demand and electricity price. To obtain the desired ESS control scheme, we apply RL to learn an optimal energy-scheduling strategy. To improve the critical performance of the RL paradigm, we propose a random greedy strategy to encourage exploration. Numerical results show that our proposed algorithm outperforms the baselines by improve the system operating profit by 8.27% and 17.31% while ensuring ESS operating safety. By integrating energy efficiency with sustainable energy management practices, our scheme contributes to long-term environmental and economic resilience. Full article
Show Figures

Figure 1

17 pages, 1399 KB  
Article
Quality Performance Criterion Model for Distributed Automated Control Systems Based on Markov Processes for Smart Grid
by Waldemar Wojcik, Ainur Ormanbekova, Muratkali Jamanbayev, Maria Yukhymchuk and Vladyslav Lesko
Appl. Sci. 2025, 15(24), 12917; https://doi.org/10.3390/app152412917 - 8 Dec 2025
Viewed by 106
Abstract
This paper addresses the problem of decision-making support for the modernization of distributed automated control systems (ACS) in power engineering by proposing an integral quality criterion that combines similarity-driven Markov process modeling with geometric programming. The methodology transforms the transition rate matrix of [...] Read more.
This paper addresses the problem of decision-making support for the modernization of distributed automated control systems (ACS) in power engineering by proposing an integral quality criterion that combines similarity-driven Markov process modeling with geometric programming. The methodology transforms the transition rate matrix of a continuous-time Markov chain (CTMC) into a matrix polynomial, enabling the derivation of normalized similarity indices and the development of a criterion-based model to quantify relative variations in system quality without requiring global optimization. The proposed approach yields a generalized criterion model that facilitates the ranking of modernization alternatives and the evaluation of the sensitivity of optimal decisions to parameter variations. The practical implementation is demonstrated through updated state transition graphs, quality functions, and UML-based architectures of diagnostic-ready evaluation modules. The scientific contribution of this work lies in the integration of similarity-based Markov modeling with the mathematical framework of geometric programming into a unified criterion model for the quantitative assessment of functional readiness under multistate conditions and probabilistic failures. The methodology enables the comparison of modernization scenarios using a unified integral indicator, assessment of sensitivity to structural and parametric changes, and seamless integration of quality evaluation into SCADA/Smart Grid environments as part of real-time diagnostics. The accuracy of the assessment depends on the adequacy of transition rate identification and the validity of the Markovian assumption. Future extensions include the real-time estimation of transition rates from event streams, generalization to semi-Markov processes, and multicriteria optimization considering cost, risk, and readiness. Full article
Show Figures

Figure 1

23 pages, 9482 KB  
Article
A Hybrid End-to-End Dual Path Convolutional Residual LSTM Model for Battery SOH Estimation
by Azadeh Gholaminejad, Arta Mohammad-Alikhani and Babak Nahid-Mobarakeh
Batteries 2025, 11(12), 449; https://doi.org/10.3390/batteries11120449 - 6 Dec 2025
Viewed by 316
Abstract
Accurate estimation of battery state of health is essential for ensuring safety, supporting fault diagnosis, and optimizing the lifetime of electric vehicles. This study proposes a compact dual-path architecture that combines Convolutional Neural Networks with Convolutional Long Short-Term Memory (ConvLSTM) units to jointly [...] Read more.
Accurate estimation of battery state of health is essential for ensuring safety, supporting fault diagnosis, and optimizing the lifetime of electric vehicles. This study proposes a compact dual-path architecture that combines Convolutional Neural Networks with Convolutional Long Short-Term Memory (ConvLSTM) units to jointly extract spatial and temporal degradation features from charge-cycle voltage and current measurements. Residual and inter-path connections enhance gradient flow and feature fusion, while a three-channel preprocessing strategy aligns cycle lengths and isolates padded regions, improving learning stability. Operating end-to-end, the model eliminates the need for handcrafted features and does not rely on discharge data or temperature measurements, enabling practical deployment in minimally instrumented environments. The model is evaluated on the NASA battery aging dataset under two scenarios: Same-Battery Evaluation and Leave-One-Battery-Out Cross-Battery Generalization. It achieves average RMSE values of 1.26% and 2.14%, converging within 816 and 395 epochs, respectively. An ablation study demonstrates that the dual-path design, ConvLSTM units, residual shortcuts, inter-path exchange, and preprocessing pipeline each contribute to accuracy, stability, and reduced training cost. With only 4913 parameters, the architecture remains robust to variations in initial capacity, cutoff voltage, and degradation behavior. Edge deployment on an NVIDIA Jetson AGX Orin confirms real-time feasibility, achieving 2.24 ms latency, 8.24 MB memory usage, and 12.9 W active power, supporting use in resource-constrained battery management systems. Full article
Show Figures

Figure 1

25 pages, 2764 KB  
Article
Integrated Quality Inspection and Production Run Optimization for Imperfect Production Systems with Zero-Inflated Non-Homogeneous Poisson Deterioration
by Chih-Chiang Fang and Ming-Nan Chen
Mathematics 2025, 13(24), 3901; https://doi.org/10.3390/math13243901 - 5 Dec 2025
Viewed by 175
Abstract
This study develops an integrated quality inspection and production optimization framework for an imperfect production system, where system deterioration follows a zero-inflated non-homogeneous Poisson process (ZI-NHPP) characterized by a power-law intensity function. Parameters are estimated from historical data using the Expectation-Maximization (EM) algorithm, [...] Read more.
This study develops an integrated quality inspection and production optimization framework for an imperfect production system, where system deterioration follows a zero-inflated non-homogeneous Poisson process (ZI-NHPP) characterized by a power-law intensity function. Parameters are estimated from historical data using the Expectation-Maximization (EM) algorithm, with a zero-inflation parameter π modeling scenario where the system remains defect-free. Operating in either an in-control or out-of-control state, the system produces products with Weibull hazard rates, exhibiting higher failure rates in the out-of-control state. The proposed model integrates system status, defect rates, employee efficiency, and market demand to jointly optimize the number of conforming items inspected and the production run length, thereby minimizing total costs—including production, inspection, correction, inventory, and warranty expenses. Numerical analyses, supported by sensitivity studies, validate the effectiveness of this integrated approach in achieving cost-efficient quality control. This framework enhances quality assurance and production management, offering practical insights for manufacturing across diverse industries. Full article
(This article belongs to the Section C: Mathematical Analysis)
Show Figures

Figure 1

31 pages, 7350 KB  
Article
Broadband Wave Energy Harvesting with a Nonlinear 3DOF Magnetic Spring-Based PTO: Design, Testing and Sustainable Design Considerations
by Raju Ahamed, Ian Howard and Kristoffer McKee
Sustainability 2025, 17(23), 10870; https://doi.org/10.3390/su172310870 - 4 Dec 2025
Viewed by 208
Abstract
Ocean waves constitute a vast renewable resource, yet most linear generator-based wave energy converters (WECs) rely on single-degree-of-freedom (SDOF) linear oscillators that exhibit narrow resonance bandwidths and utilise sliding components prone to wear. To address these limitations, this paper presents a nonlinear three-degree-of-freedom [...] Read more.
Ocean waves constitute a vast renewable resource, yet most linear generator-based wave energy converters (WECs) rely on single-degree-of-freedom (SDOF) linear oscillators that exhibit narrow resonance bandwidths and utilise sliding components prone to wear. To address these limitations, this paper presents a nonlinear three-degree-of-freedom (3DOF) magnetic spring power-take-off (PTO) system for broadband wave energy harvesting. The device comprises three axially levitated NdFeB permanent magnets, each coupled to an independent copper coil, forming a compact, friction-free generator column. A coupled electromechanical state-space model was developed and experimentally validated on a laboratory-scale test rig. The 3DOF PTO exhibited three distinct resonance modes at approximately 35, 48, and 69 rad s−1, enabling multi-mode energy capture across a broad frequency range. Under identical excitation (6.5 N amplitude and 3.13 Hz excitation force), the 3DOF configuration achieved a 114.5% increase in RMS voltage compared with the SDOF design and a 44.10% improvement over the 2DOF benchmark, confirming the effectiveness of the coupled resonance mechanism. The levitated magnetic architecture eliminates mechanical contact and lubrication, reducing wear and maintenance while improving long-term reliability in marine environments. A preliminary life-cycle assessment estimated a cradle-to-gate carbon intensity of 40–80 g CO2-eq kWh−1, significantly lower than that of conventional hydraulic PTOs, owing to reduced steel use and recyclable magnet assemblies. The proposed 3DOF magnetic spring PTO thus offers a sustainable, low-maintenance, and high-efficiency solution for next-generation ocean-energy converters. Full article
Show Figures

Figure 1

Back to TopTop