Sign in to use this feature.

Years

Between: -

Subjects

remove_circle_outline
remove_circle_outline
remove_circle_outline
remove_circle_outline
remove_circle_outline
remove_circle_outline
remove_circle_outline
remove_circle_outline
remove_circle_outline

Journals

Article Types

Countries / Regions

Search Results (75)

Search Parameters:
Keywords = oxygen enriched combustion

Order results
Result details
Results per page
Select all
Export citation of selected articles as:
17 pages, 9733 KB  
Article
Effect of Zr Content on the Ignition Conditions and Flame Propagation of Ti100−xZrx Alloys
by Xiaohui Zha, Qiwei Ran, Kaikai Feng, Yang Wang, Yuchen Yang, Xinyun Zeng and Cheng Zhang
Metals 2025, 15(11), 1182; https://doi.org/10.3390/met15111182 (registering DOI) - 24 Oct 2025
Viewed by 66
Abstract
Zr is a common element in titanium alloys to enhance their mechanical properties; however, its role in combustion remains unknown. This study aimed to elucidate the effects of Zr on the ignition conditions and flame propagation of Ti100−xZrx alloys [...] Read more.
Zr is a common element in titanium alloys to enhance their mechanical properties; however, its role in combustion remains unknown. This study aimed to elucidate the effects of Zr on the ignition conditions and flame propagation of Ti100−xZrx alloys via promoted ignition-combustion (PIC) tests. Results indicated that increasing Zr content (from 30 at% to 70 at%) decreased the critical oxygen pressure, ignition temperature, and burning velocity of Ti100−xZrx alloys. The reduction in ignition conditions was attributed to a decrease in ignition activation energy (from 108.37 kJ/mol to 94.26 kJ/mol) and an increase in combustion heat (from 986.34 kJ/mol to 1049.84 kJ/mol) with Zr addition. Additionally, microstructural analysis indicated that the suppression of flame propagation was attributed to Zr promoting the formation of a dense oxide layer. This hindered oxygen diffusion, thereby suppressing the heat release of oxidation reactions in the oxide zone and the peritectic reaction in the melting zone. These findings provided new insights into optimizing the composition of burn-resistant titanium alloys to inhibit combustion kinetics. Full article
Show Figures

Graphical abstract

30 pages, 5215 KB  
Article
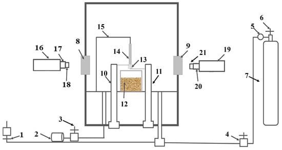
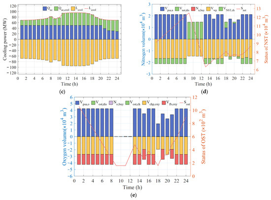
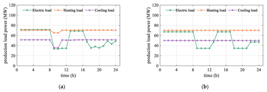
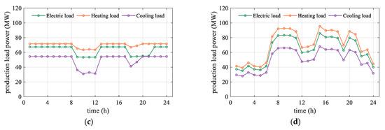
Decarbonization of Lithium Battery Plant: A Planning Methodology Considering Manufacturing Chain Flexibilities
by Anlan Chen, Yue Qiu, Ruonan Li, Wennan Zhuang, Zhizhen Li, Peng Xia, Bo Yuan, Gang Lu, Yingxiang Wang and Suyang Zhou
Processes 2025, 13(10), 3360; https://doi.org/10.3390/pr13103360 - 20 Oct 2025
Viewed by 208
Abstract
The rising penetration of electric vehicles is driving huge demand for lithium batteries, making low-carbon manufacturing a critical objective. This goal is challenged by insufficient production scheduling flexibility and the neglect of carbon-reduction technologies. To address these challenges, this paper develops a low-carbon [...] Read more.
The rising penetration of electric vehicles is driving huge demand for lithium batteries, making low-carbon manufacturing a critical objective. This goal is challenged by insufficient production scheduling flexibility and the neglect of carbon-reduction technologies. To address these challenges, this paper develops a low-carbon planning methodology for lithium battery plant energy systems by leveraging manufacturing chain flexibilities. First, a lithium battery energy–carbon material modeling approach is developed that accounts for process production delays and intermediate product storage to capture schedulable process energy consumption patterns. A nitrogen–oxygen coupling production framework is introduced to facilitate oxygen-enriched combustion technology application, while energy recovery pathways are incorporated given the high energy consumption of the formation stage. Subsequently, a process scheduling-driven planning model for lithium battery industrial integrated energy systems (IIES) is developed. Finally, the planning model is validated through four contrasting case studies and systematically evaluated using multi-criteria decision analysis (MCDA). The results demonstrate three principal conclusions: (1) incorporating process scheduling effectively enhances process energy flexibility and reduces total system costs by 19.4%, with MCDA closeness coefficient improving from 0.257 to 0.665; (2) oxygen-enriched combustion increases maximum combustion and carbon capture (CCS) rates from 90% to 95%, reducing carbon tax to 40.5% of the baseline; (3) energy recovery on the basis of process scheduling further reduces costs and carbon emissions, with battery recovery achieving an additional 30.2% cost reduction compared to 24.1% for heat recovery, and MCDA identifies this integrated approach as the optimal solution with a closeness coefficient of 0.919. Full article
Show Figures

Figure 1

14 pages, 1792 KB  
Article
Study of CH4–H2 Gas Combustion in Air Enriched with Oxygen Through Ozone Injection
by Lucian Mihaescu, Elena Pop, Ionel Pisa, Dorel Stoica and Rodica Manuela Grigoriu
Energies 2025, 18(19), 5236; https://doi.org/10.3390/en18195236 - 2 Oct 2025
Viewed by 385
Abstract
This study investigates the combustion behavior of H2–CH4 mixtures with oxygen-enriched air, achieved through injecting ozone (O3) into the air intake of the burner fan. The motivation for this approach lies in the high reactivity of hydrogen compared [...] Read more.
This study investigates the combustion behavior of H2–CH4 mixtures with oxygen-enriched air, achieved through injecting ozone (O3) into the air intake of the burner fan. The motivation for this approach lies in the high reactivity of hydrogen compared to methane, with the aim of promoting a more favorable oxidizing environment for overall combustion. The research combines theoretical analysis with experimental validation using a diffusion-type burner operating at a fuel flow rate of 1.2 Nm3/h. For this flow rate, the ozone injection led to an equivalent O2 concentration of approximately 21.7%. At this enrichment level, flame temperature was calculated to increase by 70–90 °C. The burner was specifically designed for the diffusion combustion of H2–CH4 mixtures and features three fuel injection nozzles, each surrounded by five air inlets. Experiments employed premixed H2-CH4 gas cylinders (Linde) with hydrogen concentrations of 20% and 30%, respectively. The results confirmed slight combustion intensification due to elevated oxygen concentration, with no issues related to flame stability or pulsations observed. Core flame temperature and flue gas emissions, including CO2, were measured. The results support the further development of this combustion technology by increasing the allowable oxygen concentration limit. Full article
Show Figures

Figure 1

14 pages, 3887 KB  
Article
Comparative Study on the Combustion Behavior and Mechanisms of Ti150 and TC11 Alloys in Oxygen-Enriched Environments
by Xiaohui Zha, Kaikai Feng, Yang Wang, Yuchen Yang, Xin-Yun Zeng and Cheng Zhang
Materials 2025, 18(19), 4446; https://doi.org/10.3390/ma18194446 - 23 Sep 2025
Viewed by 312
Abstract
Ti150 has potential applications in aeroengine components. However, the lack of research on its flame resistance, combustion behavior, and mechanisms makes it difficult to assess the risk of “titanium fire” and leaves fire protection design without theoretical support. This study aimed to determine [...] Read more.
Ti150 has potential applications in aeroengine components. However, the lack of research on its flame resistance, combustion behavior, and mechanisms makes it difficult to assess the risk of “titanium fire” and leaves fire protection design without theoretical support. This study aimed to determine the combustion resistance of Ti150 and elucidate its combustion behavior and mechanisms to address these issues. Through comparative Promoted Ignition-Combustion (PIC) tests between Ti150 and TC11 alloys, microstructural characterization, and thermodynamic/kinetic analyses, the following conclusions were drawn. Ti150 alloy exhibited a higher critical oxygen pressure and a higher ignition temperature but a significantly faster burning velocity, compared with TC11 alloy. The relationship between pressure and ignition temperature was in good agreement with the modified Frank-Kamenetskii ignition model. The ignition activation energy of Ti150 alloy was determined to be 118.41 kJ/mol, which was approximately 21% higher than that of TC11 alloy (97.72 kJ/mol). Moreover, post-combustion microstructural observations of Ti150 alloy revealed a higher oxygen content in the melting zone and an enrichment of Zr at the solid–liquid interface, both of which contribute to the higher burning velocity of Ti150 alloy compared with TC11 alloy. Full article
(This article belongs to the Section Metals and Alloys)
Show Figures

Graphical abstract

15 pages, 3899 KB  
Article
Experimental and Kinetic Study of Laminar Burning Velocities for NH3/CH4/O2/NO/CO2 Premixed Flames
by Zuochao Yu, Yong He, Junjie Jiang, Wubin Weng, Siyu Liu, Shixing Wang and Zhihua Wang
Energies 2025, 18(18), 4853; https://doi.org/10.3390/en18184853 - 12 Sep 2025
Viewed by 502
Abstract
Ammonia, as a promising carbon-neutral fuel, has attracted growing attention for blended combustion applications from academia to industry. Low-NOx-combustion strategies such as staged combustion, oxygen-enriched combustion, and exhaust gas recirculation may lead to ammonia combustion in CO2-rich and NO-rich [...] Read more.
Ammonia, as a promising carbon-neutral fuel, has attracted growing attention for blended combustion applications from academia to industry. Low-NOx-combustion strategies such as staged combustion, oxygen-enriched combustion, and exhaust gas recirculation may lead to ammonia combustion in CO2-rich and NO-rich environments. In this work, the laminar burning velocities (SL) in NH3/CH4/O2/NO/CO2 flames with various ammonia blended ratios under atmospheric pressure were investigated using the heat flux method. The addition of NO to the oxidizer significantly enhances SL, with the enhancement factor ξ proportional to the NO fraction in the oxidizer and strongly dependent on the fuel composition. Chemical effects rather than thermal-diffusion effects dominate the enhancement of SL. Kinetic analysis shows that NO actively participates in the reaction network during the early flame stage, promoting the formation of key radicals such as H and OH through pathways like NH2 + NO = NNH + OH and NNH = N2 + H, thereby accelerating chain-branching and sustaining flame propagation. Full article
Show Figures

Figure 1

18 pages, 5739 KB  
Article
Numerical Simulation Study of Blast Furnace Mixed Blown Pulverized Coal and Hydrochar
by Xiaojun Ning, Zheng Ren, Guangze Kan, Haibin Zhang, Junyi Wu and Guangwei Wang
Sustainability 2025, 17(18), 8122; https://doi.org/10.3390/su17188122 - 9 Sep 2025
Viewed by 499
Abstract
In order to alleviate the energy crisis and respond to the “dual carbon strategy”, a new energy substance is needed to replace pulverized coal as the new blast furnace blowing fuel. Hydrochar is a clean and renewable carbon resource with high calorific value, [...] Read more.
In order to alleviate the energy crisis and respond to the “dual carbon strategy”, a new energy substance is needed to replace pulverized coal as the new blast furnace blowing fuel. Hydrochar is a clean and renewable carbon resource with high calorific value, good transportation and storage properties, and low ash content. Numerical simulation is used to study the combustion process of co-blown pulverized coal and hydrochar inside the cyclone zone. In this study, a three-dimensional physical model was constructed based on the actual dimensions of the direct-blowing pipe, tuyere, coal gun, and swirl zone of a large blast furnace in China. Numerical simulation methods were used to study the combustion process of coal powder and hydrothermal carbon co-injected into the swirl zone, and to investigate changes in the swirl zone of the tuyere under different conditions. The results show that increasing the proportion of hydrochar in the blended coal is conducive to improving the combustion rate of the blended coal, the temperature inside the gyratory zone increases significantly with the increase in the oxygen enrichment rate, and the high temperature zone is gradually enlarged. For every 1% increase in the oxygen enrichment rate, the maximum temperature of the centerline of the coal plume increases by 28 K, and the burnout rate increases by 1.12%; the increase in the blast temperature makes the combustion of pulverized coal slightly advance and promotes the increase in the internal temperature of the gyratory zone. The change of the blast temperature to 1559 K is more obvious, and the increase in the blast temperature after it is greater than 1559 K is not significant for the improvement of the burnout rate and the temperature of the gyratory area, and it will increase the cost; the lower the proportion of the small particle size is, the bigger the high temperature area of the gyratory area is, and the higher the temperature of the centerline of the coal strand is. If the content of the volatile matter remains unchanged, the increase in the ratio of the hydrochar has little influence on the temperature field of the gyratory area and the temperature of the centerline of the coal strand. The temperature difference is kept at 20 K. With the increase in the hydrochar ratio, the overall burnout rate of pulverized coal gradually increases. Therefore, hydrochar can replace bituminous coal as blast furnace blowing fuel to a certain extent, which can reduce costs and carbon emissions. Full article
Show Figures

Figure 1

22 pages, 6611 KB  
Article
Study on Flow and Heat Transfer Characteristics of Reheating Furnaces Under Oxygen-Enriched Conditions
by Maolong Zhao, Xuanxuan Li and Xianzhong Hu
Processes 2025, 13(8), 2454; https://doi.org/10.3390/pr13082454 - 3 Aug 2025
Cited by 1 | Viewed by 959
Abstract
A computational fluid dynamics (CFD) numerical simulation methodology was implemented to model transient heating processes in steel industry reheating furnaces, targeting combustion efficiency optimization and carbon emission reduction. The effects of oxygen concentration (O2%) and different fuel types on the flow [...] Read more.
A computational fluid dynamics (CFD) numerical simulation methodology was implemented to model transient heating processes in steel industry reheating furnaces, targeting combustion efficiency optimization and carbon emission reduction. The effects of oxygen concentration (O2%) and different fuel types on the flow and heat transfer characteristics were investigated under both oxygen-enriched combustion and MILD oxy-fuel combustion. The results indicate that MILD oxy-fuel combustion promotes flue gas entrainment via high-velocity oxygen jets, leading to a substantial improvement in the uniformity of the furnace temperature field. The effect is most obvious at O2% = 31%. MILD oxy-fuel combustion significantly reduces NOx emissions, achieving levels that are one to two orders of magnitude lower than those under oxygen-enriched combustion. Under MILD conditions, the oxygen mass fraction in flue gas remains below 0.001 when O2% ≤ 81%, indicating effective dilution. In contrast, oxygen-enriched combustion leads to a sharp rise in flame temperature with an increasing oxygen concentration, resulting in a significant increase in NOx emissions. Elevating the oxygen concentration enhances both thermal efficiency and the energy-saving rate for both combustion modes; however, the rate of improvement diminishes when O2% exceeds 51%. Based on these findings, MILD oxy-fuel combustion using mixed gas or natural gas is recommended for reheating furnaces operating at O2% = 51–71%, while coke oven gas is not. Full article
Show Figures

Figure 1

14 pages, 3849 KB  
Article
Alkaline Earth Carbonate Engineered Pt Electronic States for High-Efficiency Propylene Oxidation at Low Temperatures
by Xuequan Sun, Yishu Lv, Yuan Shu, Yanglong Guo and Pengfei Zhang
Catalysts 2025, 15(8), 696; https://doi.org/10.3390/catal15080696 - 22 Jul 2025
Viewed by 642
Abstract
Alkaline earth elements have emerged as crucial electronic modifiers for regulating active sites in catalytic systems, yet the influence of metal–support interactions (MSIs) between alkaline earth compounds and active metals remains insufficiently understood. This study systematically investigated Pt nanoparticles supported on alkaline earth [...] Read more.
Alkaline earth elements have emerged as crucial electronic modifiers for regulating active sites in catalytic systems, yet the influence of metal–support interactions (MSIs) between alkaline earth compounds and active metals remains insufficiently understood. This study systematically investigated Pt nanoparticles supported on alkaline earth carbonates (Pt/MCO3, M = Mg, Ca, Ba) for low-temperature propylene combustion. The Pt/BaCO3 catalyst exhibited outstanding performance, achieving complete propylene conversion at 192 °C, significantly lower than Pt/MgCO3 (247 °C) and Pt/CaCO3 (282 °C). The enhanced activity stemmed from distinct MSI effects among the supports, with Pt/BaCO3 showing the poorest electron enrichment and lowest propylene adsorption energy. Through kinetic analyses, 18O2 isotope labeling, and comprehensive characterization, the reaction was confirmed to follow the Mars–van Krevelen (MvK) mechanism. Pt/BaCO3 achieves an optimal balance between propylene and oxygen adsorption, a critical factor underlying its superior activity. Full article
(This article belongs to the Section Catalytic Materials)
Show Figures

Graphical abstract

17 pages, 2031 KB  
Article
Geochemical Characteristics and Paleoenvironmental Significance of the Xishanyao Formation Coal from the Xiheishan Mining Area, Zhundong Coalfield, Xinjiang, China
by Yongjie Hou, Kaixuan Zhang, Xiangcheng Jin, Yongjia Xu, Xiaotao Xu and Xiaoyun Yan
Minerals 2025, 15(7), 686; https://doi.org/10.3390/min15070686 - 27 Jun 2025
Viewed by 399
Abstract
The eastern Junggar Basin in Xinjiang, China is a key coal-bearing region dominated by the Middle Jurassic Xishanyao Formation. Despite its significance as a major coal resource base, detailed paleoenvironmental reconstructions of its coal seams remain limited. This study investigates the B1 [...] Read more.
The eastern Junggar Basin in Xinjiang, China is a key coal-bearing region dominated by the Middle Jurassic Xishanyao Formation. Despite its significance as a major coal resource base, detailed paleoenvironmental reconstructions of its coal seams remain limited. This study investigates the B1, B2, B3, and B5 coal seams of the Xishanyao Formation using X-ray fluorescence spectroscopy (XRF) and inductively coupled plasma mass spectrometry (ICP-MS) to assess geochemical indicators of the depositional environment during coal formation. The results show that the coal samples are characterized by high inertinite content and low vitrinite reflectance, indicative of low-rank coal. Slight enrichment of strontium (Sr) was observed in the B1, B2, and B5 seams, while cobalt (Co) showed minor enrichment in B3. Redox-sensitive elemental ratios (Ni/Co, V/Cr, and Mo) suggest that the peat-forming environment ranged from oxidizing to dysoxic conditions, with relatively high oxygen availability and strong hydrodynamic activity. A vertical trend of increasing paleosalinity and a shift from warm–humid to dry–hot paleoclimatic conditions was identified from the lower (B1) to upper (B5) coal seams. Additionally, the estimated atmospheric oxygen concentration during the Middle Jurassic was approximately 28.4%, well above the threshold for wildfire combustion. These findings provide new insights into the paleoenvironmental evolution of the Xishanyao Formation and offer a valuable geochemical framework for coal exploration and the assessment of coal-associated mineral resources in the eastern Junggar Basin. Full article
Show Figures

Figure 1

29 pages, 4263 KB  
Article
Modeling the Thermodynamics of Oxygen-Enriched Combustion in a GE LM6000 Gas Turbine Using CH4/NH3 and CH4/H2
by Laith Mustafa, Rafał Ślefarski, Radosław Jankowski, Mohammad Alnajideen and Sven Eckart
Energies 2025, 18(12), 3221; https://doi.org/10.3390/en18123221 - 19 Jun 2025
Cited by 1 | Viewed by 1371
Abstract
Gas turbines are widely used in power generation due to their reliability, flexibility, and high efficiency. As the energy sector transitions towards low-carbon alternatives, hydrogen and ammonia are emerging as promising fuels. This study investigates the thermodynamic and combustion performance of a GE [...] Read more.
Gas turbines are widely used in power generation due to their reliability, flexibility, and high efficiency. As the energy sector transitions towards low-carbon alternatives, hydrogen and ammonia are emerging as promising fuels. This study investigates the thermodynamic and combustion performance of a GE LM6000 gas turbine fueled by methane/hydrogen and methane/ammonia fuel blends under varying levels of oxygen enrichment (21%, 30%, and 40% O2 by volume). Steady-state thermodynamic simulations were conducted using Aspen HYSYS, and combustion modeling was performed using ANSYS Chemkin-Pro, assuming a constant thermal input of 102 MW. Results show that increasing hydrogen content significantly raises flame temperature and burning velocity, whereas ammonia reduces both due to its lower reactivity. Net power output and thermal efficiency improved with higher fuel substitution, peaking at 43.46 MW and 42.7% for 100% NH3. However, NOx emissions increased with higher hydrogen content and oxygen enrichment, while NH3 blends exhibit more complex emission trends. The findings highlight the trade-offs between efficiency and emissions in future low-carbon gas turbine systems. Full article
Show Figures

Figure 1

16 pages, 13161 KB  
Article
Experimental Assessment of the Effects of Gas Composition on Volatile Flames of Coal and Biomass Particles in Oxyfuel Combustion Using Multi-Parameter Optical Diagnostics
by Tao Li, Haowen Chen and Benjamin Böhm
Processes 2025, 13(6), 1817; https://doi.org/10.3390/pr13061817 - 8 Jun 2025
Viewed by 698
Abstract
This experimental study examines the particle-level combustion behavior of high-volatile bituminous coal and walnut shell particles in oxyfuel environments, with a particular focus on the gas-phase ignition characteristics and the structural development of volatile flames. Particles with similar size and shape distributions (a [...] Read more.
This experimental study examines the particle-level combustion behavior of high-volatile bituminous coal and walnut shell particles in oxyfuel environments, with a particular focus on the gas-phase ignition characteristics and the structural development of volatile flames. Particles with similar size and shape distributions (a median diameter of about 126 µm and an aspect ratio of around 1.5) are combusted in hot flows generated using lean, flat flames, where the oxygen mole fraction is systematically varied in both CO2/O2 and N2/O2 atmospheres while maintaining comparable gas temperatures and particle heating rates. The investigation employs a high-speed multi-camera diagnostic system combining laser-induced fluorescence of OH, diffuse backlight-illumination, and Mie scattering to simultaneously measure the particle size, shape, and velocity; the ignition delay time; and the volatile flame dynamics during early-stage volatile combustion. Advanced detection algorithms enable the extraction of these multiple parameters from spatiotemporally synchronized measurements. The results reveal that the ignition delay time decreases with an increasing oxygen mole fraction up to 30 vol%, beyond which point further oxygen enrichment no longer accelerates the ignition, as the process becomes limited by the volatile release rate. In contrast, the reactivity of volatile flames shows continuous enhancement with an increasing oxygen mole fraction, indicating non-premixed flame behavior governed by the diffusion of oxygen toward the particles. The analysis of the flame stand-off distance demonstrates that volatile flames burn closer to the particles at higher oxygen mole fractions, consistent with the expected scaling of O2 diffusion with its partial pressure. Notably, walnut shell and coal particles exhibit remarkably similar ignition delay times, volatile flame sizes, and OH-LIF intensities. The substitution of N2 with CO2 produces minimal differences, suggesting that for 126 µm particles under high-heating-rate conditions, the relatively small variations in the heat capacity and O2 diffusivity between these diluents have negligible effects on the homogeneous combustion phenomena observed. Full article
(This article belongs to the Special Issue Experiments and Diagnostics in Reacting Flows)
Show Figures

Figure 1

22 pages, 2619 KB  
Article
Influence of Fuel Types and Equivalence Ratios on NOx Emissions in Combustion: A Comparative Analysis of Methane, Methanol, Propane, and Hydrogen Blends
by Amr Abbass
Clean Technol. 2025, 7(2), 42; https://doi.org/10.3390/cleantechnol7020042 - 21 May 2025
Cited by 1 | Viewed by 2115
Abstract
This study utilizes a zero-dimensional, constant-pressure, perfectly stirred reactor (PSR) model within the Cantera framework to examine the combustion characteristics of hydrogen, methane, methanol, and propane, both singly and in hydrogen-enriched mixtures. The impact of the equivalence ratio (ϕ = 0.75, 1.0, 1.5), [...] Read more.
This study utilizes a zero-dimensional, constant-pressure, perfectly stirred reactor (PSR) model within the Cantera framework to examine the combustion characteristics of hydrogen, methane, methanol, and propane, both singly and in hydrogen-enriched mixtures. The impact of the equivalence ratio (ϕ = 0.75, 1.0, 1.5), fuel composition, and residence duration on temperature increase, heat release, ignition delay, and emissions (NOx and CO2) is methodically assessed. The simulations are performed under steady-state settings to emulate the ignition and flame propagation processes within pre-chambers and primary combustion zones of internal combustion engines. The results demonstrate that hydrogen significantly improves combustion reactivity, decreasing ignition delay and increasing peak flame temperature, especially at short residence times. The incorporation of hydrogen into hydrocarbon fuels, such as methane and methanol, enhances ignition speed, improves thermal efficiency, and stabilizes lean combustion. Nevertheless, elevated hydrogen concentrations result in increased NOx emissions, particularly at stoichiometric equivalence ratios, due to higher flame temperatures. The examination of fuel mixtures at varying hydrogen concentrations (10–50% by mole) indicates that thermal performance is optimal under stoichiometric settings and diminishes in both fuel-lean and fuel-rich environments. A thermodynamic model was created utilizing classical combustion theory to validate the heat release estimates based on Cantera. The model computes the heat release per unit volume (MJ/m3) by utilizing stoichiometric oxygen demand, nitrogen dilution, fuel mole fraction, and higher heating values (HHVs). The thermodynamic estimates—3.61 MJ/m3 for H2–CH3OH, 3.43 MJ/m3 for H2–CH4, and 3.35 MJ/m3 for H2–C3H8—exhibit strong concordance with the Cantera results (2.82–3.02 MJ), thereby validating the physical consistency of the numerical methodology. This comparison substantiates the Cantera model for the precise simulation of hydrogen-blended combustion, endorsing its use in the design and development of advanced low-emission engines. Full article
Show Figures

Figure 1

14 pages, 4245 KB  
Article
Experimental and Simulation-Based Study on Thermal Runaway Characteristics of 18650 Lithium-Ion Batteries and Thermal Propagation Patterns in Battery Packs
by Yao Yao, Xu Peng, Lei Gao, Haozhe Xing, Xiaohui Xu, Juan Gu, Lu Liu, Songlin Yue, Yanyu Qiu, Youning Wang and Zhi Zhang
Batteries 2025, 11(5), 202; https://doi.org/10.3390/batteries11050202 - 21 May 2025
Viewed by 2652
Abstract
The thermal runaway of lithium-ion batteries is a critical factor influencing their safety. Investigating the thermal runaway characteristics is essential for battery safety design. In this study, the thermal runaway characteristics of 18650 lithium-ion batteries under different SOCs were systematically analyzed by experiment [...] Read more.
The thermal runaway of lithium-ion batteries is a critical factor influencing their safety. Investigating the thermal runaway characteristics is essential for battery safety design. In this study, the thermal runaway characteristics of 18650 lithium-ion batteries under different SOCs were systematically analyzed by experiment and simulation. It was found that at high SOC (100%), the highly lithium state accelerated lattice oxygen release, promoted the formation of LiNiO and intensified electrolytic liquid oxygenation combustion, while at low SOC (20%), the reduction environment dominated, and the metal Ni and residual graphite were significantly enriched. Gas analysis shows that CO2 and H2 account for more than 80%, and their proportion is regulated by SOC. Temperature and pressure monitoring showed that the increase in SOC significantly increased the thermal runaway peak temperature (100% SOC up to 508.4 °C) and pressure (0.531 MPa).The simulation results show that when the battery pack is out of control, the ejection fire and explosion pressure wave are concentrated in the middle and upper region (overpressure up to 0.8 MPa). This study reveals the mechanism by which SOC affects the path of product and gas generation by regulating the oxidation/reduction balance, which lays a theoretical and simulation foundation for the safe design of batteries and the quantitative evaluation of thermal runaway. Full article
Show Figures

Figure 1

44 pages, 15119 KB  
Review
Review of Ammonia Oxy-Combustion Technologies: Fundamental Research and Its Various Applications
by Novianti Dwi, Kurniawati Ischia and Yonmo Sung
Energies 2025, 18(9), 2252; https://doi.org/10.3390/en18092252 - 28 Apr 2025
Cited by 2 | Viewed by 2117
Abstract
The combustion of ammonia with oxygen presents a promising pathway for global energy transformation using carbon dioxide-neutral energy solutions and carbon capture. Ammonia, a carbon-free fuel, offers several benefits, owing to its non-explosive nature, high octane rating, and ease of storage and distribution. [...] Read more.
The combustion of ammonia with oxygen presents a promising pathway for global energy transformation using carbon dioxide-neutral energy solutions and carbon capture. Ammonia, a carbon-free fuel, offers several benefits, owing to its non-explosive nature, high octane rating, and ease of storage and distribution. However, challenges such as low flammability and excessive nitrogen oxide (NOx) emissions must be addressed. This paper explores the recent advances in ammonia oxy-combustion and highlights recent experimental and numerical research on NOx emission traits, combustion, and flame propagation across various applications, including gas furnaces, internal combustion engines, and boilers. Furthermore, this review discusses the diverse approaches to overcoming the challenges of ammonia combustion, including oxygen enrichment, fuel blending, plasma assistance, preheating, multiple injections, and burner design modifications. By summarizing the advancements in ammonia oxy-combustion investigation, this paper aims to provide valuable insights that can serve as reference information for prospective ammonia oxy-combustion research and applications toward the transition to sustainable energy. Full article
(This article belongs to the Section B: Energy and Environment)
Show Figures

Figure 1

17 pages, 5531 KB  
Review
Clean and Efficient Thermochemical Conversion Technologies for Biomass in Green Methanol Production
by Niannian Liu, Zhihong Liu, Yu Wang, Tuo Zhou, Man Zhang and Hairui Yang
Biomass 2025, 5(1), 13; https://doi.org/10.3390/biomass5010013 - 1 Mar 2025
Cited by 4 | Viewed by 1891
Abstract
China has abundant biomass and renewable energy resources suitable for producing green methanol via biomass thermochemical conversion. Given China’s increasing demand for sustainable fuel alternatives and the urgency to reduce carbon emissions, optimizing biomass utilization through gasification is critical. Research has highlighted the [...] Read more.
China has abundant biomass and renewable energy resources suitable for producing green methanol via biomass thermochemical conversion. Given China’s increasing demand for sustainable fuel alternatives and the urgency to reduce carbon emissions, optimizing biomass utilization through gasification is critical. Research has highlighted the potential of integrating biomass gasification with water electrolysis to enhance efficiency in green methanol production, leveraging China’s vast biomass reserves to establish a cleaner energy pathway. Four main biomass gasification technologies—fixed-bed, fluidized-bed, pressurized fluidized-bed, and entrained-flow—have been investigated. Fixed-bed and bubbling fluidized-bed gasification face low gas yield and scaling issues; whereas, circulating fluidized-bed gasification (CFB) offers better gas yield, carbon efficiency, and scalability, though it exhibits high tar and methane in syngas. Pressurized fluidized-bed gasification improves gasification intensity, reaction rate, and equipment footprint, yet stable feedstock delivery under pressure remains challenging. Entrained-flow gasification achieves high carbon conversion and low tar but requires finely crushed biomass, restricted by biomass’ low combustion temperature and fibrous nature. Current industrially promising routes include oxygen-enriched and steam-based CFB gasification with tar cracking, which reduces tar but requires significant energy and investment; oxygen-enriched combustion to produce CO2 for methanol synthesis, though oxygen in flue gas can poison catalysts; and a new high oxygen equivalence ratio CFB gasification technology proposed here, which lowers tar formation and effectively removes oxygen from syngas, thereby enabling efficient green methanol production. Overcoming feedstock challenges, optimizing operating conditions, and controlling tar and catalyst poisoning remain key hurdles for large-scale commercialization. Full article
Show Figures

Figure 1

Back to TopTop