Sign in to use this feature.

Years

Between: -

Subjects

remove_circle_outline
remove_circle_outline
remove_circle_outline
remove_circle_outline
remove_circle_outline
remove_circle_outline
remove_circle_outline
remove_circle_outline

Journals

Article Types

Countries / Regions

Search Results (13)

Search Parameters:
Keywords = outphasing

Order results
Result details
Results per page
Select all
Export citation of selected articles as:
17 pages, 5570 KB  
Article
Analysis and Design of Class-D Outphasing Power Amplifier with Non-Isolating Balun Combiner
by Jiyun Bae, Munsu Jeong, Sangjin Yoo, Ilku Nam and Ockgoo Lee
Electronics 2025, 14(11), 2196; https://doi.org/10.3390/electronics14112196 - 28 May 2025
Viewed by 699
Abstract
This paper presents a class-D outphasing power amplifier (PA) that incorporates a non-isolating balun combiner employing a 180° phase shift. Both isolating and non-isolating outphasing combiners are analyzed for signal restoration and combining efficiency. The proposed non-isolating balun combiner employing the 180° phase [...] Read more.
This paper presents a class-D outphasing power amplifier (PA) that incorporates a non-isolating balun combiner employing a 180° phase shift. Both isolating and non-isolating outphasing combiners are analyzed for signal restoration and combining efficiency. The proposed non-isolating balun combiner employing the 180° phase shift was experimentally evaluated and compared with a commercial isolating Wilkinson combiner. When two constant-envelope signals derived from a 10 MHz long-term evolution (LTE) signal are applied to the inputs of the outphasing combiners, both combiners demonstrate successful signal reconstruction. The measured adjacent channel leakage ratios (ACLRs) are −47 dBc for the Wilkinson combiner and −46 dBc for the proposed balun combiner. At 6 dB power back-off (PBO), the proposed balun combiner achieves a combining efficiency of 85.1%, representing an improvement of nearly 60% over the Wilkinson combiner. With a center frequency of 650 MHz, targeting 5G FR1 applications, a class-D outphasing PA was designed in a 28 nm CMOS process using the measured S-parameter data from both outphasing combiners. Simulation results show that the class-D outphasing PA incorporating the proposed balun combiner achieves a peak drain efficiency (DE) of 82.9% with an output power of 17.7 dBm. At 6 dB PBO, the DE reaches 61%, which is approximately 37% higher than that of the outphasing PA using the Wilkinson combiner. Moreover, the designed outphasing PA supports broadband operation over the 360–860 MHz range. Full article
Show Figures

Figure 1

11 pages, 5158 KB  
Article
An Outphasing Architecture Based on Parallel Radio Frequency–Pulse Width Modulation Method for All-Digital Transmitter
by Xu Wang, Qiang Zhou, Min Wang and Haoyang Fu
Electronics 2024, 13(2), 263; https://doi.org/10.3390/electronics13020263 - 6 Jan 2024
Cited by 3 | Viewed by 1631
Abstract
For the existing outphasing architectures of an all-digital transmitter (ADTx), the required sampling rate of the signal is too high, which increases the difficulty of digital radio frequency pulse width modulation (RF-PWM) processing. In this paper, we present an outphasing architecture based on [...] Read more.
For the existing outphasing architectures of an all-digital transmitter (ADTx), the required sampling rate of the signal is too high, which increases the difficulty of digital radio frequency pulse width modulation (RF-PWM) processing. In this paper, we present an outphasing architecture based on the parallel RF-PWM method for an ADTx. Through polyphase interpolation, two baseband outphasing signals are divided into multiple low-rate signals to process simultaneously. The parallel outphasing signals are modulated and encoded to obtain 1-bit parallel signals, which are, respectively, transmitted to multigigabit transceivers (MGTs) to generate two two-level high-speed pulses with different phases. Finally, a three-level high-speed pulse is synthesized and amplified through the switching power amplifier. Through this parallel scheme, the sampling rate of digital RF-PWM signal processing is effectively reduced. Moreover, to explore a pulse encoding method, the outphasing architecture is combined with a zero-crossing comparison through an angle calculation and quadrant judgment, which simplifies the modulation and encoding process. In addition, the impact of the sub-filter order and the number of parallel paths on system performance is analyzed. The simulation results show that for a 16QAM signal with a baseband bandwidth of 20 MHz and a carrier frequency of 200 MHz, the adjacent channel power ratio (ACPR) is below −45 dBc and the error vector magnitude (EVM) is below 1% in the proposed scheme. Full article
Show Figures

Figure 1

14 pages, 2762 KB  
Article
Development Review of Broadband and Multi-Band Outphasing Power Amplifiers for High-Efficiency Amplification
by Yu Zhang, Chunyu Hu, Xia Liu, Jun Wang, Wenxu Zhong, Ping Tian, Shuai Lin and Weimin Shi
Energies 2024, 17(1), 39; https://doi.org/10.3390/en17010039 - 21 Dec 2023
Cited by 1 | Viewed by 2041
Abstract
Outphasing power amplifiers (OPAs) can be used in wireless information and power transfer systems due to their excellent conversion efficiency. With the rapid advancement of technology, there is a strong demand for OPAs to achieve wideband and multi-band operations to enhance frequency coverage. [...] Read more.
Outphasing power amplifiers (OPAs) can be used in wireless information and power transfer systems due to their excellent conversion efficiency. With the rapid advancement of technology, there is a strong demand for OPAs to achieve wideband and multi-band operations to enhance frequency coverage. This paper provides a comprehensive review of the research progress on the development of broadband and multi-band board-level OPAs. Firstly, the paper introduces the fundamental components of an OPA. Then, the paper delves into a detailed analysis of the load modulation of OPAs. Subsequently, previous works on the circuit topology and design methods for broadband and multi-band OPAs are discussed and compared. The paper highlights various design strategies and their respective advantages and disadvantages. Finally, the paper explores some potential design methods for broadband and multi-band OPAs, discussing emerging technologies and highlighting potential research directions. Full article
Show Figures

Figure 1

20 pages, 2933 KB  
Article
A Comparative Analysis of Doherty and Outphasing MMIC GaN Power Amplifiers for 5G Applications
by Victoria Díez-Acereda, Sunil Lalchand Khemchandani, Javier del Pino and Ayoze Diaz-Carballo
Micromachines 2023, 14(6), 1205; https://doi.org/10.3390/mi14061205 - 7 Jun 2023
Cited by 4 | Viewed by 3072
Abstract
A comparison between a fully integrated Doherty power amplifier (DPA) and outphasing power amplifier (OPA) for fifth Generation (5G) wireless communications is presented in this paper. Both amplifiers are integrated using pHEMT transistors from the OMMIC’s 100 nm GaN-on-Si technology (D01GH). After a [...] Read more.
A comparison between a fully integrated Doherty power amplifier (DPA) and outphasing power amplifier (OPA) for fifth Generation (5G) wireless communications is presented in this paper. Both amplifiers are integrated using pHEMT transistors from the OMMIC’s 100 nm GaN-on-Si technology (D01GH). After a theoretical analysis, the design and layout of both circuits are presented. The DPA uses an asymmetric configuration where the main amplifier is biased in class AB and the auxiliary amplifier is biased in class C, while the OPA uses two amplifiers biased in class B. In the comparative analysis, it has been observed that the OPA presents a better performance in terms of maximum power added efficiency (PAE), while the DPA provides higher linearity and efficiency at 7.5 dB output back-off (OBO). At a 1 dB compression point, the OPA exhibits an output power of 33 dBm with a maximum PAE of 58.3% compared to 44.2% for the DPA for an output power of 35 dBm, and at 7.5 dB OBO, the DPA achieves a PAE of 38.5%, while the OPA achieves 26.1%. The area has been optimized using absorbing adjacent component techniques, resulting in an area of 3.26 mm2 for the DPA and 3.18 mm2 for the OPA. Full article
(This article belongs to the Special Issue Power Semiconductor Devices and Applications)
Show Figures

Figure 1

17 pages, 2024 KB  
Article
Field-Induced Single-Ion Magnet Behavior in Nickel(II) Complexes with Functionalized 2,2′:6′-2″-Terpyridine Derivatives: Preparation and Magneto-Structural Study
by Francisco Ramón Fortea-Pérez, Julia Vallejo, Teresa F. Mastropietro, Giovanni De Munno, Renato Rabelo, Joan Cano and Miguel Julve
Molecules 2023, 28(11), 4423; https://doi.org/10.3390/molecules28114423 - 29 May 2023
Cited by 6 | Viewed by 8681
Abstract
Two mononuclear nickel(II) complexes of the formula [Ni(terpyCOOH)2](ClO4)2∙4H2O (1) and [Ni(terpyepy)2](ClO4)2 MeOH (2) [terpyCOOH = 4′-carboxyl-2,2′:6′,2″-terpyridine and terpyepy = 4′-[(2-pyridin-4-yl)ethynyl]-2,2′:6′,2″-terpyridine] have been prepared and their structures [...] Read more.
Two mononuclear nickel(II) complexes of the formula [Ni(terpyCOOH)2](ClO4)2∙4H2O (1) and [Ni(terpyepy)2](ClO4)2 MeOH (2) [terpyCOOH = 4′-carboxyl-2,2′:6′,2″-terpyridine and terpyepy = 4′-[(2-pyridin-4-yl)ethynyl]-2,2′:6′,2″-terpyridine] have been prepared and their structures determined by single-crystal X-ray diffraction. Complexes 1 and 2 are mononuclear compounds, where the nickel(II) ions are six-coordinate by the six nitrogen atoms from two tridentate terpy moieties. The mean values of the equatorial Ni-N bond distances [2.11(1) and 2.12(1) Å for Ni(1) at 1 and 2, respectively, are somewhat longer than the axial ones [2.008(6) and 2.003(6) Å (1)/2.000(1) and 1.999(1) Å (2)]. The values of the shortest intermolecular nickel–nickel separation are 9.422(1) (1) and 8.901(1) Å (2). Variable-temperature (1.9–200 K) direct current (dc) magnetic susceptibility measurements on polycrystalline samples of 1 and 2 reveal a Curie law behavior in the high-temperature range, which corresponds to magnetically isolated spin triplets, the downturn of the χMT product at lower temperatures being due to zero-field splitting effects (D). Values of D equal to −6.0 (1) and −4.7 cm−1 (2) were obtained through the joint analysis of the magnetic susceptibility data and the field dependence of the magnetization. These results from magnetometry were supported by theoretical calculations. Alternating current (ac) magnetic susceptibility measurements of 1 and 2 in the temperature range 2.0–5.5 K show the occurrence of incipient out-phase signals under applied dc fields, a phenomenon that is characteristic of field-induced Single-Molecule Magnet (SMM) behavior, which herein concerns the 2 mononuclear nickel(II) complexes. This slow relaxation of the magnetization in 1 and 2 has its origin in the axial compression of the octahedral surrounding at their nickel(II) ions that leads to negative values of D. A combination of an Orbach and a direct mechanism accounts for the field-dependent relation phenomena in 1 and 2. Full article
(This article belongs to the Special Issue Nitrogen Ligands)
Show Figures

Figure 1

20 pages, 1939 KB  
Article
Rare Earth Market, Electric Vehicles and Future Mobility Index: A Time-Frequency Analysis with Portfolio Implications
by Inzamam Ul Haq, Paulo Ferreira, Apichit Maneengam and Worakamol Wisetsri
Risks 2022, 10(7), 137; https://doi.org/10.3390/risks10070137 - 6 Jul 2022
Cited by 10 | Viewed by 3535
Abstract
This study investigates the co-movements between the Solactive Electric Vehicle and Future Mobility Index (EVFMI) and multiple rare earth elements (REEs). We applied a TVP-VAR model and bivariate wavelet coherence approach to capture co-movements both in the time and frequency domain considering short-, [...] Read more.
This study investigates the co-movements between the Solactive Electric Vehicle and Future Mobility Index (EVFMI) and multiple rare earth elements (REEs). We applied a TVP-VAR model and bivariate wavelet coherence approach to capture co-movements both in the time and frequency domain considering short-, medium- and long-term investment horizons. Using daily returns from 1 June 2012 to 4 June 2021, the results of the TVP-VAR model show that individual REEs and the EVFMI have strong return connectedness and are heterogenous over time. The bivariate wavelet coherence approach reveals that Dysprosium, Neodymium, Praseodymium and Terbium returns have positive co-movement (in-phase) with the EVFMI in the medium-term and long-term. In contrast, Cerium, Europium, Lanthanum and Yttrium returns have negative co-movements (out-phase) with the EVFMI in the medium-term and long-term. We find strong positive co-movements between the MVIS Global Rare Earth/Strategic Metals Index (MVREMX) and EVFMI at multiple wavelet scales. Following the lead/lag relationship, Cerium, Europium and Lanthanum, Yttrium returns are leading the EVFMI, and Neodymium, Dysprosium, Praseodymium, Terbium and MVREMX returns are lagging to the EVFMI. This study, therefore, suggests heterogenous hedging and diversification properties of REEs over time and investment horizons. Specifically, Cerium, Europium, Lanthanum and Yttrium act as strong hedges in long-term investment horizons and Neodymium, Dysprosium, Praseodymium and Terbium are weak hedges or diversifiers in short-term investment horizons. These results may be of particular interest to investors and relevant to policymakers considering multiple investment horizons. Full article
Show Figures

Figure 1

12 pages, 3652 KB  
Article
Simulation Study of In-Phase and Out-Phase Enhanced Absorption of Graphene Based on Parity–Time Symmetry One-Dimensional Photonic Crystal Structure
by Lingjun Yi and Changhong Li
Crystals 2021, 11(12), 1513; https://doi.org/10.3390/cryst11121513 - 4 Dec 2021
Cited by 5 | Viewed by 2822
Abstract
In the field of modern optical communication systems and photoelectric detection, new components with complex functions and excellent performance are urgently needed. In this paper, a graphene-based parity–time (PT) symmetry structure is proposed, which is achieved by preparing the graphene layer on the [...] Read more.
In the field of modern optical communication systems and photoelectric detection, new components with complex functions and excellent performance are urgently needed. In this paper, a graphene-based parity–time (PT) symmetry structure is proposed, which is achieved by preparing the graphene layer on the top of a PT-symmetry photonic crystal. The transfer matrix method was used to calculate the absorptance of graphene, and a unique amplified absorption effect was found. Meanwhile, the peak value and wavelength position of the absorption can be modulated via the applied electric field. The results show that by adjusting the negative square-wave electric field from −3.5 × 10−5 to −13.5 × 10−5 V/nm (or the positive square-wave electric field from 2 × 10−5 to 11 × 10−5 V/nm), the proposed structure can achieve in-phase (or out-phase) enhanced absorption for the communication wavelength 1550 nm, with the absorption of graphene from 17 to 28 dB (or 30 to 15 dB) corresponding to the square-wave modulation electric field change. The modulable absorption properties of graphene in the structure have potential in optoelectronic devices and optical communication systems. Full article
(This article belongs to the Special Issue Micro and Nano Optics for Advanced Sensing Technology)
Show Figures

Figure 1

16 pages, 20507 KB  
Article
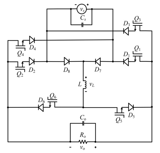
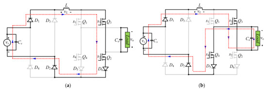
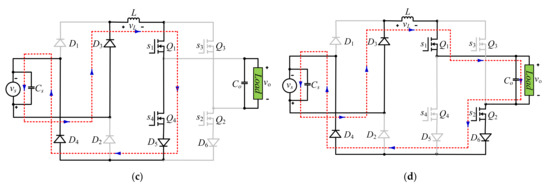
A Bipolar Voltage Gain Boost AC-AC Converter Based on Four Switching Transistors
by Naveed Ashraf, Ghulam Abbas, Nasim Ullah, Sattam Al Otaibi, Ahmed Althobaiti, Muhammad Zubair and Umar Farooq
Appl. Sci. 2021, 11(21), 10254; https://doi.org/10.3390/app112110254 - 1 Nov 2021
Cited by 3 | Viewed by 2150
Abstract
In numerous applications, such as the correction of grid voltage during voltage sag or swell events caused by system faults, it is necessary to ensure the stabilization of the output voltage with in-phase and out-phase features. This feature can also be employed in [...] Read more.
In numerous applications, such as the correction of grid voltage during voltage sag or swell events caused by system faults, it is necessary to ensure the stabilization of the output voltage with in-phase and out-phase features. This feature can also be employed in high-voltage-gain AC to DC conversion. AC voltage control schemes with one-stage conversion are viable approaches in this regard as only voltage regulation is needed. This conversion approach has strong potential for such applications as it is simple to realize. The voltage-correcting compensators are connected in series with the lines. The inputs of the AC voltage controllers employed in the voltage-correcting compensators may be connected to the faulty phase or other healthy phases. The number of AC voltage controllers used in a voltage compensator are one and two if its input power is drawn from the faulty and non-faulty phases, respectively. In the latter case, voltage gains and phase adjustment are major problems. There is no such issue in the first approach, where the voltage-correcting controller is connected to the line where the voltage variation is to be corrected. A high voltage gain more than the unity of both voltage polarities is required if the depth level of the correcting voltage is around 50% or more. The size and cost of a voltage-correcting controller depend on the number of switching transistors, as an isolated DC source with a gate-controlling circuit is a mandatory requirement for the switching operation of each transistor. Therefore, in the suggested research, an AC voltage controller having bipolar voltage gain is realized only with four switching transistors and six diodes, which reduces the overall size and cost significantly. The verification of the suggested topology is ensured by obtaining the simulation and real results from Simulink-based and practical-based platforms, respectively. Full article
Show Figures

Figure 1

17 pages, 9276 KB  
Article
Design of Multi Standard Near Field Communication Outphasing Transmitter with Modulation Wave Shaping
by Žiga Korošak, Nejc Suhadolnik and Anton Pleteršek
Electronics 2021, 10(2), 188; https://doi.org/10.3390/electronics10020188 - 15 Jan 2021
Viewed by 2959
Abstract
The aim of this work is to tackle the problem of modulation wave shaping in the field of near field communication (NFC) radio frequency identification (RFID). For this purpose, a high-efficiency transmitter circuit was developed to comply with the strict requirements of the [...] Read more.
The aim of this work is to tackle the problem of modulation wave shaping in the field of near field communication (NFC) radio frequency identification (RFID). For this purpose, a high-efficiency transmitter circuit was developed to comply with the strict requirements of the newest EMVCo and NFC Forum specifications for pulse shapes. The proposed circuit uses an outphasing modulator that is based on a digital-to-time converter (DTC). The DTC based outphasing modulator supports amplitude shift keying (ASK) modulation, operates at four times the 13.56 MHz carrier frequency and is made fully differential in order to remove the parasitic phase modulation components. The accompanying transmitter logic includes lookup tables with programmable modulation pulse wave shapes. The modulator solution uses a 64-cell tapped current controlled fully differential delay locked loop (DLL), which produces a 360° delay at 54.24 MHz, and a glitch-free multiplexor to select the individual taps. The outphased output from the modulator is mixed to create an RF pulse width modulated (PWM) output, which drives the antenna. Additionally, this implementation is fully compatible with D-class amplifiers enabling high efficiency. A test circuit of the proposed differential multi-standard reader’s transmitter was simulated in 40 nm CMOS technology. Stricter pulse shape requirements were easily satisfied, while achieving an output linearity of 0.2 bits and maximum power consumption under 7.5 mW. Full article
(This article belongs to the Special Issue VLSI Circuits & Systems Design)
Show Figures

Figure 1

16 pages, 7465 KB  
Article
A Fully Integrated Compact Outphasing CMOS Power Amplifier Using a Parallel-Combining Transformer with a Tuning Inductor Method
by Se-Eun Choi, Hyunjin Ahn, Joonhoi Hur, Kwan-Woo Kim, Ilku Nam, Jaehyouk Choi and Ockgoo Lee
Electronics 2020, 9(2), 257; https://doi.org/10.3390/electronics9020257 - 3 Feb 2020
Cited by 4 | Viewed by 4799
Abstract
This work presents a compact on-chip outphasing power amplifier with a parallel-combining transformer (PCT). A series-combining transformer (SCT) and PCT are analyzed as power-combining transformers for outphasing operations. Compared to the SCT, which is typically used for on-chip outphasing combiners, the PCT is [...] Read more.
This work presents a compact on-chip outphasing power amplifier with a parallel-combining transformer (PCT). A series-combining transformer (SCT) and PCT are analyzed as power-combining transformers for outphasing operations. Compared to the SCT, which is typically used for on-chip outphasing combiners, the PCT is much smaller. The outphasing operations of the transformer combiners and class-D switching PAs are also analyzed. A tuning inductor method is proposed to improve the efficiency of class-D power amplifiers (PAs) with power-combining transformers in the out-of-phase mode. The proposed PA was implemented with a standard 0.18 µm CMOS process. The measured maximum drain efficiency is 37.3% with an output power of 22.4 dBm at 1.7 GHz. A measured adjacent channel leakage ratio (ACLR) of less than −30 dBc is obtained for a long-term evolution (LTE) signal with a bandwidth of 10 MHz. Full article
(This article belongs to the Special Issue CMOS Power Amplifier Design and Applications)
Show Figures

Figure 1

19 pages, 3642 KB  
Article
Adapting Techniques to Improve Efficiency in Radio Frequency Power Amplifiers for Visible Light Communications
by Daniel G. Aller, Diego G. Lamar, Juan Rodriguez, Pablo F. Miaja, Valentin Francisco Romero, Jose Mendiolagoitia and Javier Sebastian
Electronics 2020, 9(1), 131; https://doi.org/10.3390/electronics9010131 - 10 Jan 2020
Cited by 6 | Viewed by 4847
Abstract
It is well known that modern wireless communications systems need linear, wide bandwidth, efficient Radio Frequency Power Amplifiers (RFPAs). However, conventional configurations of RFPAs based on Class A, Class B, and Class AB exhibit extremely low efficiencies when they manage signals with a [...] Read more.
It is well known that modern wireless communications systems need linear, wide bandwidth, efficient Radio Frequency Power Amplifiers (RFPAs). However, conventional configurations of RFPAs based on Class A, Class B, and Class AB exhibit extremely low efficiencies when they manage signals with a high Peak-to-Average Power Ratio (PAPR). Traditionally, a number of techniques have been proposed either to achieve linearity in the case of efficient Switching-Mode RFPAs or to improve the efficiency of linear RFPAs. There are two categories in the application of aforementioned techniques. First, techniques based on the use of Switching-Mode DC–DC converters with a very-fast-output response (faster than 1 µs). Second, techniques based on the interaction of several RFPAs. The current expansion of these techniques is mainly due to their application in cellphone networks, but they can also be applied in other promising wireless communications systems such as Visible Light Communication (VLC). The main contribution of this paper is to show how Envelope Tracking (ET), Envelope and Elimination (EER), Outphasing, and Doherty techniques can be helpful in developing more efficient VLC transmitters capable of reaching high bit-rates (higher than 1 Mbps) by using advance modulation schemes. Finally, two examples based on the application of the Outphasing technique and the use of a Linear-Assisted Envelope Amplifier (EA) to VLC are presented and experimentally verified. Full article
(This article belongs to the Special Issue Latest Developments in LED Drivers)
Show Figures

Figure 1

29 pages, 32005 KB  
Review
High Efficiency Power Amplifiers for Modern Mobile Communications: The Load-Modulation Approach
by Chiara Ramella, Anna Piacibello, Roberto Quaglia, Vittorio Camarchia and Marco Pirola
Electronics 2017, 6(4), 96; https://doi.org/10.3390/electronics6040096 - 13 Nov 2017
Cited by 44 | Viewed by 16920
Abstract
Modern mobile communication signals require power amplifiers able to maintain very high efficiency in a wide range of output power levels, which is a major issue for classical power amplifier architectures. Following the load-modulation approach, efficiency enhancement is achieved by dynamically changing the [...] Read more.
Modern mobile communication signals require power amplifiers able to maintain very high efficiency in a wide range of output power levels, which is a major issue for classical power amplifier architectures. Following the load-modulation approach, efficiency enhancement is achieved by dynamically changing the amplifier load impedance as a function of the input power. In this paper, a review of the widely-adopted Doherty power amplifier and of the other load-modulation efficiency enhancement techniques is presented. The main theoretical aspects behind each method are introduced, and the most relevant practical implementations available in recent literature are reported and discussed. Full article
Show Figures

Figure 1

15 pages, 2083 KB  
Article
Associations between Dietary Nutrient Intakes and Hepatic Lipid Contents in NAFLD Patients Quantified by 1H-MRS and Dual-Echo MRI
by Yipeng Cheng, Kewei Zhang, Yang Chen, Yanchuan Li, Yuzheng Li, Kuang Fu and Rennan Feng
Nutrients 2016, 8(9), 527; https://doi.org/10.3390/nu8090527 - 27 Aug 2016
Cited by 43 | Viewed by 6834
Abstract
Dietary habits are crucial in the progression of hepatic lipid accumulation and nonalcoholic fatty liver disease (NAFLD). However, there are limited studies using 1H-magnetic resonance spectroscopy (1H-MRS) and dual-echo in-phase and out-phase magnetic resonance spectroscopy imaging (dual-echo MRI) to assess [...] Read more.
Dietary habits are crucial in the progression of hepatic lipid accumulation and nonalcoholic fatty liver disease (NAFLD). However, there are limited studies using 1H-magnetic resonance spectroscopy (1H-MRS) and dual-echo in-phase and out-phase magnetic resonance spectroscopy imaging (dual-echo MRI) to assess the effects of dietary nutrient intakes on hepatic lipid contents. In the present study, we recruited 36 female adults (NAFLD:control = 19:17) to receive questionnaires and medical examinations, including dietary intakes, anthropometric and biochemical measurements, and 1H-MRS and dual-echo MRI examinations. NAFLD patients were found to consume diets higher in energy, protein, fat, saturated fatty acid (SFA), and polyunsaturated fatty acid (PUFA). Total energy intake was positively associated with hepatic fat fraction (HFF) and intrahepatic lipid (IHL) after adjustment for age and body-mass index (BMI) (HFF: β = 0.24, p = 0.02; IHL: β = 0.38, p = 0.02). Total fat intake was positively associated with HFF and IHL after adjustment for age, BMI and total energy intake (HFF: β = 0.36, p = 0.03; IHL: β = 0.42, p = 0.01). SFA intake was positively associated with HFF and IHL after adjustments (HFF: β = 0.45, p = 0.003; IHL: β = 1.16, p = 0.03). In conclusion, hepatic fat content was associated with high energy, high fat and high SFA intakes, quantified by 1H-MRS and dual-echo MRI in our population. Our findings are useful to provide dietary targets to prevent the hepatic lipid accumulation and NAFLD. Full article
Show Figures

Figure 1

Back to TopTop