Sign in to use this feature.

Years

Between: -

Subjects

remove_circle_outline
remove_circle_outline
remove_circle_outline
remove_circle_outline
remove_circle_outline
remove_circle_outline
remove_circle_outline
remove_circle_outline
remove_circle_outline

Journals

Article Types

Countries / Regions

Search Results (35)

Search Parameters:
Keywords = linear partial shading

Order results
Result details
Results per page
Select all
Export citation of selected articles as:
29 pages, 20184 KB  
Article
Estimation of Canopy Traits and Yield in Maize–Soybean Intercropping Systems Using UAV Multispectral Imagery and Machine Learning
by Li Wang, Shujie Jia, Jinguang Zhao, Canru Liang and Wuping Zhang
Agriculture 2026, 16(4), 487; https://doi.org/10.3390/agriculture16040487 - 22 Feb 2026
Viewed by 165
Abstract
Strip intercropping of maize and soybean is a key practice for improving land productivity and ensuring food and oil security in the hilly regions of the Loess Plateau. However, complex interspecific interactions generate highly heterogeneous canopy structures, making it difficult for traditional linear [...] Read more.
Strip intercropping of maize and soybean is a key practice for improving land productivity and ensuring food and oil security in the hilly regions of the Loess Plateau. However, complex interspecific interactions generate highly heterogeneous canopy structures, making it difficult for traditional linear models to capture yield variability within mixed pixels. Based on a single-season (2025) field experiment, this study developed a UAV multispectral imagery-based yield estimation framework integrating multiple machine-learning algorithms. Shapley additive explanations (SHAP) and partial dependence plots (PDP) were used to interpret the spectral–yield relationships under different spatial configurations. The predictive performance of linear regression and eight nonlinear algorithms was compared using 20 spectral features. Ensemble learning outperformed linear approaches in all intercropping scenarios. In the maize–soybean 3:2 pattern, the GBDT model delivered the highest accuracy (R2 = 0.849; NRMSE = 9.28%), whereas in the 4:2 pattern with stronger shading stress on soybean, the random forest model showed the greatest robustness (R2 = 0.724). Interpretation results indicated that yield in monoculture systems was mainly driven by physiological traits characterized by visible-band indices, while yield in intercropping systems was dominated by structural and stress-response traits represented by near-infrared and soil-adjusted vegetation indices. The generated centimeter-scale yield maps revealed clear strip-like spatial variability driven by interspecific competition. Overall, explainable machine learning combined with UAV multispectral data shows promise for within-season yield estimation in intercropping systems and can support spatially differentiated precision management under the sampled conditions. Full article
(This article belongs to the Section Artificial Intelligence and Digital Agriculture)
Show Figures

Figure 1

34 pages, 23756 KB  
Article
Fuzzy-Partitioned Multi-Agent TD3 for Photovoltaic Maximum Power Point Tracking Under Partial Shading
by Diana Ortiz-Muñoz, David Luviano-Cruz, Luis Asunción Pérez-Domínguez, Alma Guadalupe Rodríguez-Ramírez and Francesco García-Luna
Appl. Sci. 2025, 15(23), 12776; https://doi.org/10.3390/app152312776 - 2 Dec 2025
Viewed by 499
Abstract
Maximum power point tracking (MPPT) under partial shading is a nonconvex, rapidly varying control problem that challenges multi-agent policies deployed on photovoltaic modules. We present Fuzzy–MAT3D, a fuzzy-augmented multi-agent TD3 (Twin-Delayed Deep Deterministic Policy Gradient) controller trained under centralized training/decentralized execution (CTDE). On [...] Read more.
Maximum power point tracking (MPPT) under partial shading is a nonconvex, rapidly varying control problem that challenges multi-agent policies deployed on photovoltaic modules. We present Fuzzy–MAT3D, a fuzzy-augmented multi-agent TD3 (Twin-Delayed Deep Deterministic Policy Gradient) controller trained under centralized training/decentralized execution (CTDE). On the theory side, we prove that differentiable fuzzy partitions of unity endow the actor–critic maps with global Lipschitz regularity, reduce temporal-difference target variance, enlarge the input-to-state stability (ISS) margin, and yield a global Lγ-contraction of fixed-policy evaluation (hence, non-expansive with κ=γ<1). We further state a two-time-scale convergence theorem for CTDE-TD3 with fuzzy features; a PL/last-layer-linear corollary implies point convergence and uniqueness of critics. We bound the projected Bellman residual with the correct contraction factor (for L and L2(ρ) under measure invariance) and quantified the negative bias induced by min{Q1,Q2}; an N-agent extension is provided. Empirically, a balanced common-random-numbers design across seven scenarios and 20 seeds, analyzed by ANOVA and CRN-paired tests, shows that Fuzzy–MAT3D attains the highest mean MPPT efficiency (92.0% ± 4.0%), outperforming MAT3D and Multi-Agent Deep Deterministic Policy Gradient controller (MADDPG). Overall, fuzzy regularization yields higher efficiency, suppresses steady-state oscillations, and stabilizes learning dynamics, supporting the use of structured, physics-compatible features in multi-agent MPPT controllers. At the level of PV plants, such gains under partial shading translate into higher effective capacity factors and smoother renewable generation without additional hardware. Full article
Show Figures

Figure 1

13 pages, 1309 KB  
Article
Climate-Related Heat Stress and Psychological Outcomes in Self-Employed Delivery Workers: Evidence from Brasília, Brazil
by Carlos Manoel Lopes Rodrigues and Lígia Abreu Gomes Cruz
Int. J. Environ. Res. Public Health 2025, 22(11), 1666; https://doi.org/10.3390/ijerph22111666 - 3 Nov 2025
Viewed by 1602
Abstract
This study examines whether daily heat exposure worsens psychological well-being among self-employed motorcycle delivery workers in Brasília, Brazil. Using ecological momentary assessment over 15 consecutive days in August 2025, 45 workers were recruited and 30 (66.7%) completed twice-daily mobile prompts (12:00 and 18:00) [...] Read more.
This study examines whether daily heat exposure worsens psychological well-being among self-employed motorcycle delivery workers in Brasília, Brazil. Using ecological momentary assessment over 15 consecutive days in August 2025, 45 workers were recruited and 30 (66.7%) completed twice-daily mobile prompts (12:00 and 18:00) rating stress, fatigue, mood, and perceived heat (1–5 scales) and reporting kilometers traveled. Environmental data (temperature, relative humidity, barometric pressure) were paired from the INMET Brasília station. Linear regressions with cluster-robust standard errors by participant tested associations. Higher temperature was consistently related to greater strain: each +1 °C was associated with higher stress (β = 0.196, 95% CI 0.179–0.213), higher fatigue (β = 0.289, 95% CI 0.284–0.295), and worse mood (β = 0.149, 95% CI 0.130–0.168). Adding relative humidity yielded small but reliable partial effects (lower stress and better mood, yet higher fatigue) amid strong dry-season collinearity between temperature and humidity. The findings indicate that even modest day-to-day warming corresponds to measurable deterioration in psychological outcomes in a precarious, outdoor, platform-mediated workforce. Policies that expand hydration and shaded rest access, integrate heat indices into alerts, and adapt platform scheduling to reduce peak-heat exposure may mitigate risk. Full article
(This article belongs to the Special Issue Sustainable Work Environment and Occupational Well-Being)
Show Figures

Figure 1

29 pages, 4506 KB  
Article
Adaptive Deep Belief Networks and LightGBM-Based Hybrid Fault Diagnostics for SCADA-Managed PV Systems: A Real-World Case Study
by Karl Kull, Muhammad Amir Khan, Bilal Asad, Muhammad Usman Naseer, Ants Kallaste and Toomas Vaimann
Electronics 2025, 14(18), 3649; https://doi.org/10.3390/electronics14183649 - 15 Sep 2025
Cited by 2 | Viewed by 1599
Abstract
Photovoltaic (PV) systems are increasingly integral to global energy solutions, but their long-term reliability is challenged by various operational faults. In this article, we propose an advanced hybrid diagnostic framework combining a Deep Belief Network (DBN) for feature pattern extraction and a Light [...] Read more.
Photovoltaic (PV) systems are increasingly integral to global energy solutions, but their long-term reliability is challenged by various operational faults. In this article, we propose an advanced hybrid diagnostic framework combining a Deep Belief Network (DBN) for feature pattern extraction and a Light Gradient Boosting Machine (LightGBM) for classification to detect and diagnose PV panel faults. The proposed model is trained and validated on the QASP PV Fault Detection Dataset, a real-time SCADA-based dataset collected from 255 W panels at the Quaid-e-Azam Solar 100 MW Power Plant (QASP), Pakistan’s largest solar facility. The dataset encompasses seven classes: Healthy, Open Circuit, Photovoltaic Ground (PVG), Partial Shading, Busbar, Soiling, and Hotspot Faults. The DBN captures complex non-linear relationships in SCADA parameters such as DC voltage, DC current, irradiance, inverter power, module temperature, and performance ratio, while LightGBM ensures high accuracy in classifying fault types. The proposed model is trained and evaluated on a real-world SCADA-based dataset comprising 139,295 samples, with a 70:30 split for training and testing, ensuring robust generalization across diverse PV fault conditions. Experimental results demonstrate the robustness and generalization capabilities of the proposed hybrid (DBN–LightGBM) model, outperforming conventional machine learning methods and showing an accuracy of 98.21% classification accuracy, 98.0% macro-F1 score, and significantly reduced training time compared to Transformer and CNN-LSTM baselines. This study contributes to a reliable and scalable AI-driven solution for real-time PV fault monitoring, offering practical implications for large-scale solar plant maintenance and operational efficiency. Full article
Show Figures

Figure 1

23 pages, 8512 KB  
Article
The Sustainability of Rosa rugosa Thunb. Under Climate Change Conditions: A Study of Morphological Variability in Urban Areas
by Jelena Čukanović, Sara Đorđević, Djurdja Petrov, Mirjana Ocokoljić, Radenka Kolarov, Milana Čurčić and Mirjana Ljubojević
Horticulturae 2025, 11(6), 684; https://doi.org/10.3390/horticulturae11060684 - 14 Jun 2025
Cited by 1 | Viewed by 1740
Abstract
Urban stressors intensified by climate change affect plants in terms of growth, vitality, and ornamental value. This study examines how different light availability (full sun, partial shade, and shade) affect the development, fruit morphology, and planting suitability of Rosa rugosa Thunb. in urban [...] Read more.
Urban stressors intensified by climate change affect plants in terms of growth, vitality, and ornamental value. This study examines how different light availability (full sun, partial shade, and shade) affect the development, fruit morphology, and planting suitability of Rosa rugosa Thunb. in urban environments. A total of 360 shrub individuals were analyzed in a linear formation along a riverbank in Novi Sad, Serbia, linking climatic parameters with the bioecological characteristics of the investigated plants. Comparison of the groups was performed using the multivariate methods and Principal Component Analysis (PCA). Furthermore, 13 morphological parameters were analyzed on a sample of 100 fruits per group. There were no significant deviations in fruiting patterns, but the fruit parameters, even though showing high yield and favorable fruit size, indicated that light variation affects morphology. These findings confirm the species’ resilience and adaptability to urban environments, capable of withstanding various challenges, including proximity to paved surfaces, heavy traffic, and diverse light conditions. R. rugosa proves to be an ideal choice for urban planting and nature-based solutions that enhance human well-being. Full article
Show Figures

Figure 1

26 pages, 2906 KB  
Article
Street-Scale Urban Air Temperatures Predicted by Simple High-Resolution Cover- and Shade-Weighted Surface Temperature Mosaics in a Variety of Residential Neighborhoods
by Katarina Kubiniec, Kevan B. Moffett and Kyle Blount
Remote Sens. 2025, 17(11), 1932; https://doi.org/10.3390/rs17111932 - 3 Jun 2025
Cited by 3 | Viewed by 2853
Abstract
A simple statistical model capturing the degree to which different patterns of urban development intensify urban heat islands (UHIs) and stress human health would be useful but has remained elusive. Accurately predicting street-level urban air temperatures from land cover and thermal data is [...] Read more.
A simple statistical model capturing the degree to which different patterns of urban development intensify urban heat islands (UHIs) and stress human health would be useful but has remained elusive. Accurately predicting street-level urban air temperatures from land cover and thermal data is difficult due to (1) the coarse scale of common remote sensing data, which do not observe the key environments beneath urban tree canopies, and, (2) conversely, the immense labor of intense, location-specific, ground-based survey campaigns. This work tested whether remotely sensed urban heat merged with land cover heterogeneity and shade/sun fractions, if combined at a sufficiently fine scale so as to be linearly additive, would enable simple and accurate statistical modeling of street-scale urban air temperatures with minimal empirical fitting. We used ground-based thermography of a sample of 12 residential streetscapes in Portland, Oregon, to characterize the land surface temperatures (LSTg) of eleven common urban surface cover types when sun-exposed and in shade. Surfaces were cooler in shade than sun, but with surface-specific differences not explained by greenery nor (im)perviousness. Also, surfaces on streetscapes with more canopy cover, even when sun-exposed at midday, remained significantly cooler than comparable sun-exposed surfaces on streets with less canopy cover, indicating the key significance of partial diurnal shading, not typically accounted for in urban thermal statistical models. We used high-resolution orthoimagery to quantify the area of each surface cover type within each streetscape and computed an area-weighted average surface temperature (Ts), accounting for sun/shade heterogeneity. The data revealed a significant, nearly 1:1 relationship between calculated Ts values and sun-shielded air temperatures (Ta). In contrast, relationships of Ta to tree coverage, impervious area, or the LSTg of dominant surface cover types were all statistically insignificant. These results suggest that statistical models may more reliably bridge the gap between remote sensing urban surface temperatures and reliable predictions of street-scale air temperatures if (1) analysis is at a sufficiently high resolution (e.g., <10 m) to avoid some of the known scale-dependence of urban thermal environments and enable simple weighted linear models, and (2) distinctions between thermal contributions of sunlit and shaded surfaces are included along with the influence of diurnal shading. Such models may provide effective and low-cost predictions of local UHIs and help inform effective street-level approaches to mitigating urban heat. Full article
Show Figures

Figure 1

22 pages, 4401 KB  
Article
A New and Improved Sliding Mode Control Design Based on a Grey Linear Regression Model and Its Application in Pure Sine Wave Inverters for Photovoltaic Energy Conversion Systems
by En-Chih Chang, Yeong-Jeu Sun and Chun-An Cheng
Micromachines 2025, 16(4), 377; https://doi.org/10.3390/mi16040377 - 26 Mar 2025
Cited by 2 | Viewed by 873
Abstract
A new and improved sliding mode control (NISMC) with a grey linear regression model (GLRM) facilitates the development of high-quality pure sine wave inverters in photovoltaic (PV) energy conversion systems. SMCs are resistant to variations in internal parameters and external load disturbances, resulting [...] Read more.
A new and improved sliding mode control (NISMC) with a grey linear regression model (GLRM) facilitates the development of high-quality pure sine wave inverters in photovoltaic (PV) energy conversion systems. SMCs are resistant to variations in internal parameters and external load disturbances, resulting in their popularity in PV power generation. However, SMCs experience a slow convergence time for system states, and they may cause chattering. These limitations can result in subpar transient and steady-state performance of the PV system. Furthermore, partial shading frequently yields a multi-peaked power-voltage curve for solar panels that diminishes power generation. A traditional maximum power point tracking (MPPT) algorithm in such a case misclassifies and fail to locate the global extremes. This paper suggests a GLRM-based NISMC for performing MPPT and generating a high-quality sine wave to overcome the above issues. The NISMC ensures a faster finite system state convergence along with reduced chattering and steady-state errors. The GLRM represents an enhancement of the standard grey model, enabling greater accuracy in predicting global state points. Simulations and experiments validate that the proposed strategy gives better tracking performance of the inverter output voltage during both steady state and transient tests. Under abrupt load changing, the proposed inverter voltage sag is constrained to 10% to 90% of the nominal value and the voltage swell is limited within 10% of the nominal value, complying with the IEEE (Institute of Electrical and Electronics Engineers) 1159-2019 standard. Under rectified loading, the proposed inverter satisfies the IEEE 519-2014 standard to limit the voltage total harmonic distortion (THD) to below 8%. Full article
(This article belongs to the Special Issue Power MEMS for Energy Harvesting)
Show Figures

Figure 1

32 pages, 12059 KB  
Review
A Review of Traditional and Advanced MPPT Approaches for PV Systems Under Uniformly Insolation and Partially Shaded Conditions
by Mustafa Sacid Endiz, Göksel Gökkuş, Atıl Emre Coşgun and Hasan Demir
Appl. Sci. 2025, 15(3), 1031; https://doi.org/10.3390/app15031031 - 21 Jan 2025
Cited by 33 | Viewed by 9436
Abstract
Solar photovoltaic (PV) is a crucial renewable energy source that converts sunlight into electricity using silicon-based semiconductor materials. However, due to the non-linear characteristic behavior of the PV module, the module’s output power varies according to the solar radiation and the ambient temperature. [...] Read more.
Solar photovoltaic (PV) is a crucial renewable energy source that converts sunlight into electricity using silicon-based semiconductor materials. However, due to the non-linear characteristic behavior of the PV module, the module’s output power varies according to the solar radiation and the ambient temperature. To address this challenge, maximum power point tracking (MPPT) techniques are employed to extract the maximum amount of power from the PV modules. This paper offers a comprehensive review of widely used traditional and advanced MPPT approaches in PV systems, along with current developments and future directions in the field. Under uniform insolation, these methods are compared based on their strengths and weaknesses, including sensed parameters, circuitry, tracking speed, implementation complexity, true MPPT, accuracy, and cost. Additionally, MPPT algorithms are evaluated in terms of their performance in reaching maximum power point (MPP) under partial shading condition (PSC). Existing research clearly demonstrates that the advanced techniques exhibit superior efficiency in comparison to traditional methods, although at the cost of increased design complexity and higher expenses. By presenting a detailed review and providing comparison tables of widely used MPPT techniques, this study aims to provide valuable insights for researchers and practitioners in selecting appropriate MPPT approaches for PV applications. Full article
Show Figures

Figure 1

23 pages, 6135 KB  
Article
Assessing Stability in Renewable Microgrid Using a Novel-Optimized Controller for PVBattery Based Micro Grid with Opal-RT-Based Real-Time Validation
by Anshuman Satpathy, Rahimi Bin Baharom, Naeem M. S. Hannon, Niranjan Nayak and Snehamoy Dhar
Energies 2024, 17(20), 5024; https://doi.org/10.3390/en17205024 - 10 Oct 2024
Cited by 4 | Viewed by 1910
Abstract
This paper focuses on the distributed generation (DG) controller of a PV-based microgrid. An independent DG controller (IDGC) is designed for PV applications to improve Maximum-Power Point Tracking (MPPT). The Extreme-Learning Machine (ELM)-based MPPT method exactly estimates the controller’s reference input, such as [...] Read more.
This paper focuses on the distributed generation (DG) controller of a PV-based microgrid. An independent DG controller (IDGC) is designed for PV applications to improve Maximum-Power Point Tracking (MPPT). The Extreme-Learning Machine (ELM)-based MPPT method exactly estimates the controller’s reference input, such as the voltage and current at the MPP. Feedback controls employ linear PI schemes or nonlinear, intricate techniques. Here, the converter controller is an IDGC that is improved by directly measuring the converter duty cycle and PWM index in a single DG PV-based MG. It introduces a fast-learning Extreme-Learning Machine (ELM) using the Moore–Penrose pseudo-inverse technique and online sequential ridge methods for robust control reference (CR) estimation. This approach ensures the stability of the microgrid during PV uncertainties and various operational conditions. The internal DG control approach improves the stability of the microgrid during a three-phase fault at the load bus, partial shading, irradiance changes, islanding operations, and load changes. The model is designed and simulated on the MATLAB/SIMULINK platform, and some of the results are validated on a hardware-in-the-loop (HIL) platform. Full article
(This article belongs to the Topic Advanced Energy Harvesting Technology)
Show Figures

Graphical abstract

26 pages, 6391 KB  
Article
Partial Shading of Photovoltaic Modules with Thin Linear Objects: Modelling in MATLAB Environment and Measurement Experiments
by Janusz Teneta, Wojciech Kreft and Mirosław Janowski
Energies 2024, 17(14), 3546; https://doi.org/10.3390/en17143546 - 19 Jul 2024
Cited by 4 | Viewed by 2128
Abstract
This paper proposes a mathematical model for the shading profiles of a PV module with thin, long linear elements. The model includes the brightness distribution over the entire shading region (umbra, penumbra, and antumbra). A corresponding calculation code in the form of m-files [...] Read more.
This paper proposes a mathematical model for the shading profiles of a PV module with thin, long linear elements. The model includes the brightness distribution over the entire shading region (umbra, penumbra, and antumbra). A corresponding calculation code in the form of m-files has been prepared for the MATLAB environment. The input data for the calculations are the coordinates of the Sun’s position in the sky, the dimensions and spatial orientation of the shading element, and the spatial orientation of the shaded PV module. The correctness of the model was verified by a measurement experiment carried out under actual outdoor weather conditions. Statistical analysis of the comparison between the measurement data from the experiment and the model showed its high accuracy. As part of this research work, it was also checked how shading with thin linear elements affects the current–voltage characteristics of the module. It turned out that even a small linear shading could reduce the power output of the module by more than 6%, with the distribution of this shading across the individual cells of the module being extremely important. Full article
Show Figures

Figure 1

17 pages, 5750 KB  
Article
Development of an MPPT-Based Genetic Algorithm for Photovoltaic Systems versus Classical MPPT Techniques in Scenarios with Partial Shading
by Fernando Marcos de Oliveira, Marcelo Henrique Manzke Brandt, Fabiano Salvadori, José Enrique Eirez Izquierdo, Marco Roberto Cavallari and Oswaldo Hideo Ando Junior
Inventions 2024, 9(3), 64; https://doi.org/10.3390/inventions9030064 - 30 May 2024
Cited by 20 | Viewed by 3678
Abstract
Photovoltaic (PV) systems face challenges in achieving maximum energy extraction due to the non-linear nature of their current versus voltage (IxV) characteristics, which are influenced by temperature and solar irradiation. These factors lead to variations in power generation. The situation becomes [...] Read more.
Photovoltaic (PV) systems face challenges in achieving maximum energy extraction due to the non-linear nature of their current versus voltage (IxV) characteristics, which are influenced by temperature and solar irradiation. These factors lead to variations in power generation. The situation becomes even more complex under partial shading conditions, causing distortion in the characteristic curve and creating discrepancies between local and global maximum power points. Achieving the highest output is crucial to enhancing energy efficiency in such systems. However, conventional maximum power point tracking (MPPT) techniques often struggle to locate the global maximum point required to extract the maximum power from the PV system. This study employs genetic algorithms (GAs) to address this issue. The system can efficiently search for the global maximum point using genetic algorithms, maximizing power extraction from the PV arrangements. The proposed approach is compared with the traditional Perturb and Observe (P&O) method through simulations, demonstrating its superior effectiveness in achieving optimal power generation. Full article
(This article belongs to the Special Issue Recent Advances and Challenges in Emerging Power Systems: 2nd Edition)
Show Figures

Figure 1

26 pages, 11301 KB  
Article
Fast Tracking of Maximum Power in a Shaded Photovoltaic System Using Ali Baba and the Forty Thieves (AFT) Algorithm
by Khalil Ur Rehman, Injila Sajid, Shiue-Der Lu, Shafiq Ahmad, Hwa-Dong Liu, Farhad Ilahi Bakhsh, Mohd Tariq, Adil Sarwar and Chang-Hua Lin
Processes 2023, 11(10), 2946; https://doi.org/10.3390/pr11102946 - 10 Oct 2023
Cited by 10 | Viewed by 2102
Abstract
Photovoltaic (PV) generation systems that are partially shaded have a non-linear operating curve that is highly dependent on temperature and irradiance conditions. Shading from surrounding objects like clouds, trees, and buildings creates partial shading conditions (PSC) that can cause hot spot formation on [...] Read more.
Photovoltaic (PV) generation systems that are partially shaded have a non-linear operating curve that is highly dependent on temperature and irradiance conditions. Shading from surrounding objects like clouds, trees, and buildings creates partial shading conditions (PSC) that can cause hot spot formation on PV panels. To prevent this, bypass diodes are installed in parallel across each panel, resulting in a global maximum power point (GMPP) and multiple local maximum power points (LMPPs) on the power-voltage (P-V) curve. Traditional methods for maximum power point tracking (MPPT), such as perturb and observe (P&O) and incremental conductance (INC), converge for LMPPs on the P-V curve, but metaheuristic algorithms can track the GMPP effectively. This paper proposes a new, efficient, and robust GMPP tracking technique based on a nature-inspired algorithm called Ali Baba and the Forty Thieves (AFT). Utilizing the AFT algorithm for MPPT in PV systems has several novel features and advantages, including its adaptability, exploration-exploitation balance, simplicity, efficiency, and innovative approach. These characteristics make AFT a promising choice for enhancing the efficiency of PV systems under varied circumstances. The performance of the proposed method in tracking the GMPP is evaluated using a simulation model under MATLAB/Simulink environment, the achieved simulation results are compared to particle swarm optimization (PSO). The proposed method is also tested in real-time using the Hardware-in-the-loop (HIL) emulator to validate the achieved simulation results. The findings indicate that the proposed AFT-based GMPP tracking method performs better under complex partial irradiance conditions than PSO. Full article
(This article belongs to the Section Energy Systems)
Show Figures

Figure 1

18 pages, 5509 KB  
Article
Comparison of Meta-Heuristic Optimization Algorithms for Global Maximum Power Point Tracking of Partially Shaded Solar Photovoltaic Systems
by Timmidi Nagadurga, Ramesh Devarapalli and Łukasz Knypiński
Algorithms 2023, 16(8), 376; https://doi.org/10.3390/a16080376 - 5 Aug 2023
Cited by 23 | Viewed by 4470
Abstract
Partial shading conditions lead to power mismatches among photovoltaic (PV) panels, resulting in the generation of multiple peak power points on the P-V curve. At this point, conventional MPPT algorithms fail to operate effectively. This research work mainly focuses on the exploration of [...] Read more.
Partial shading conditions lead to power mismatches among photovoltaic (PV) panels, resulting in the generation of multiple peak power points on the P-V curve. At this point, conventional MPPT algorithms fail to operate effectively. This research work mainly focuses on the exploration of performance optimization and harnessing more power during the partial shading environment of solar PV systems with a single-objective non-linear optimization problem subjected to different operations formulated and solved using recent metaheuristic algorithms such as Cat Swarm Optimization (CSO), Grey Wolf Optimization (GWO) and the proposed Chimp Optimization algorithm (ChOA). This research work is implemented on a test system with the help of MATLAB/SIMULINK, and the obtained results are discussed. From the overall results, the metaheuristic methods used by the trackers based on their analysis showed convergence towards the global Maximum Power Point (MPP). Additionally, the proposed ChOA technique shows improved performance over other existing algorithms. Full article
(This article belongs to the Special Issue Metaheuristic Algorithms in Optimal Design of Engineering Problems)
Show Figures

Figure 1

26 pages, 8773 KB  
Article
RETRACTED: Horse Herd Optimized Intelligent Controller for Sustainable PV Interface Grid-Connected System: A Qualitative Approach
by Anupama Ganguly, Pabitra Kumar Biswas, Chiranjit Sain, Ahmad Taher Azar, Ahmed Redha Mahlous and Saim Ahmed
Sustainability 2023, 15(14), 11160; https://doi.org/10.3390/su151411160 - 18 Jul 2023
Cited by 15 | Viewed by 2506 | Retraction
Abstract
The need for energy is always increasing as civilization evolves. Renewable energy sources are crucial for meeting energy demands as conventional fuel resources are slowly running out. Researchers are working to extract the most amount of power possible from renewable resources. Numerous resources [...] Read more.
The need for energy is always increasing as civilization evolves. Renewable energy sources are crucial for meeting energy demands as conventional fuel resources are slowly running out. Researchers are working to extract the most amount of power possible from renewable resources. Numerous resources are in demand, including solar, wind, biomass, tidal, and geothermal resources. Solar energy outperformed all the aforementioned resources in terms of efficiency, cleanliness, and pollution freeness. Intermittency, however, is the resource’s main shortcoming. Maximum power point tracking algorithm (MPPT) integration is required for the system to achieve continuous optimum power by overcoming the feature of intermittency. However, generating electrical energy from solar energy has presented a significant problem in ensuring the output power’s quality within a reasonable range. Total harmonic distortion (THD), a phenomenon, may have an impact on the power quality. Depending on the properties of the load, variables like power factor, voltage sag/swell, frequency, and unbalancing may occur. The quality of power and its criterion exhibits a non-linear connection. The article’s primary objective is to analyze the PV interface grid-linked system’s qualitative and quantitative performance. With respect to varying solar irradiation conditions, partial shading conditions, and solar power quality within the acceptable dimension, a novel intelligent multiple-objective horse herd optimization (HHO)-based adaptive fractional order PID (HHO-AFOPID) controller is used to achieve this goal. Adaptive fractional order PID (AFOPID), conventional FOPID, and PID controllers were used to evaluate the performance of the suggested controller, which was then validated using a commercially available PV panel in MATLAB/Simulink by varying the productivity of non-conventional resources, the inverter’s level of uncertainty, and the potential at the grid’s end. In order to realize the features of the system, sensitivity examination is also carried out for solar energy’s sensitive parameters. The stability analysis of the proposed control topology is also carried out in terms of the integral absolute error (IAE) and integral time absolute error (ITAE). The examination of the sensitivity of variations in solar radiation in kilowatt per square meter per day is based on the total net present cost (TNPC) and levelized cost of energy (LCOE), as optimal dimension and energy cost are both aspects of priority. The suggested control methodology is an approach for the qualitative and quantitative performance analysis of a PV interface grid-oriented system. Full article
Show Figures

Figure 1

21 pages, 12136 KB  
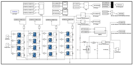
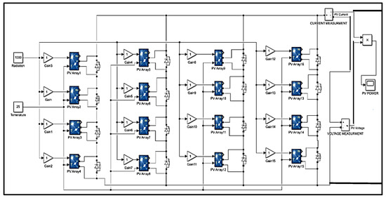
Article
Design Simulation and Performance Evaluation of a Standalone Photovoltaic System for a Health Care Facility in Malaysia
by Amaal Habeeb, Hashim Hizam, Mohammad Lutfi Othman, Noor Izzri Abdul Wahab and Wesam Rohouma
Energies 2023, 16(14), 5342; https://doi.org/10.3390/en16145342 - 13 Jul 2023
Cited by 5 | Viewed by 3449
Abstract
Standalone photovoltaic (PV) systems are crucial for providing reliable, cost-effective, and sustainable energy to remote or off-grid locations with limited or no access to the traditional electrical grid. In this context, the sizing of a standalone PV system for a remote health clinic [...] Read more.
Standalone photovoltaic (PV) systems are crucial for providing reliable, cost-effective, and sustainable energy to remote or off-grid locations with limited or no access to the traditional electrical grid. In this context, the sizing of a standalone PV system for a remote health clinic involves determining the clinic’s power requirements and matching them with an appropriate PV system’s capacity. Maximum power point tracking (MPPT) is a critical aspect of standalone PV systems, as it optimizes the PV system’s power output by adjusting the PV array’s operating point to the maximum power point (MPP) of the PV module. However, the non-linear behavior of PV systems due to exposure to changing climate conditions and partial shading can hide some faults, making traditional protection devices incapable of detecting them. Therefore, the design of an optimal simulation model of a properly sized standalone PV system is important for simulating and collecting the necessary data to diagnose faults. In this study, a standalone PV system for a hypothetical clinic in Malaysia is proposed, and it is sized based on peak sun hours. Its simulation model is built using MATLAB/Simulink (R2018b). The proposed simulation system’s performance was evaluated considering the proper design of the PV system’s boost converter within the changing conditions, and its ability to harvest maximum power points is considered a criterion for evaluating the performance. Various scenarios of uniform irradiance, uniform temperatures, shading effects, and sequential partial shading scenarios were implemented to evaluate the proposed simulation model. Results show that the proposed simulation model is suited to simulating different tests as it can harvest maximum power in all test scenarios. Full article
(This article belongs to the Section A1: Smart Grids and Microgrids)
Show Figures

Figure 1

Back to TopTop