Development of an MPPT-Based Genetic Algorithm for Photovoltaic Systems versus Classical MPPT Techniques in Scenarios with Partial Shading
Abstract
1. Introduction
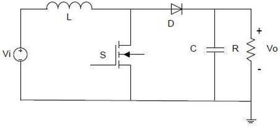
2. Power Converters and MPPT Algorithms
2.1. Perturbation and Observation (P&O)
2.2. Genetic Algorithm (GA)
2.2.1. Representation or Encoding
2.2.2. Fitness of Individuals
2.2.3. Selection Methods
2.2.4. Genetic Reproduction
2.2.5. Mutation
2.2.6. Evolution Parameters
3. PV System Model
4. Results
4.1. Case Study 1
4.2. Case Study 2
4.3. Case Study 3
5. Discussion
6. Conclusions
Author Contributions
Funding
Data Availability Statement
Conflicts of Interest
References
- Rani, P.; Parkash, V.; Sharma, N.K. Technological aspects, utilization and impact on power system for distributed generation: A comprehensive survey. Renew. Sust. Energ. Rev. 2024, 192, 114257. [Google Scholar] [CrossRef]
- Sadeghi, D.; Ahmadi, S.E.; Amiri, N.; Satinder; Marzband, M.; Abusorrah, A.; Rawa, M. Designing, optimizing and comparing distributed generation technologies as a substitute system for reducing life cycle costs, CO2 emissions, and power losses in residential buildings. Energy 2022, 253, 123947. [Google Scholar] [CrossRef]
- Heideier, R.; Bajay, S.V.; Jannuzzi, G.M.; Gomes, R.D.M.; Guanais, L.; Ribeiro, I.; Paccola, A. Impacts of photovoltaic distributed generation and energy efficiency measures on the electricity market of three representative Brazilian distribution utilities. Energy Sustain. Dev. 2020, 54, 60–71. [Google Scholar] [CrossRef]
- Santos, A.Q.O.; da Silva, A.R.; Ledesma, J.J.G.; de Almeida, A.B.; Cavallari, M.R.; Junior, O.H.A. Electricity Market in Brazil: A Critical Review on the Ongoing Reform. Energies 2021, 14, 2873. [Google Scholar] [CrossRef]
- Basher, M.K. Design and Development of Advanced Photovoltaic (PV) Glass-Based Materials for Net Zero Energy Buildings (NZEB); Edith Cowan University: Joondalup, Australia, 2023. [Google Scholar] [CrossRef]
- Lyden, S.; Haque, M.E. Maximum Power Point Tracking techniques for photovoltaic systems: A comprehensive review and comparative analysis. Renew. Sust. Energ. Rev. 2015, 52, 1504–1518. [Google Scholar] [CrossRef]
- Sarvi, M.; Azadian, A. A comprehensive review and classified comparison of MPPT algorithms in PV systems. Energy Syst. 2022, 13, 281–320. [Google Scholar] [CrossRef]
- Mansoor, M.; Mirza, A.F.; Ling, Q. Harris hawk optimization-based MPPT control for PV systems under partial shading conditions. J. Clean. Prod. 2020, 274, 122857. [Google Scholar] [CrossRef]
- Mohapatra, A.; Nayak, B.; Das, P.; Mohanty, K.B. A review on MPPT techniques of PV system under partial shading condition. Renew. Sust. Energ. Rev. 2017, 80, 854–867. [Google Scholar] [CrossRef]
- Perraki, V.; Kounavis, P. Effect of temperature and radiation on the parameters of photovoltaic modules. J. Renew. Sustain. Energy 2016, 8, 013102. [Google Scholar] [CrossRef]
- Appelbaum, J.; Maor, T. Dependence of PV Module Temperature on Incident Time-Dependent Solar Spectrum. Appl. Sci. 2020, 10, 914. [Google Scholar] [CrossRef]
- Liu, Z.; Guo, Z.; Chen, Q.; Song, C.; Shang, W.; Yuan, M.; Zhang, H. A review of data-driven smart building-integrated photovoltaic systems: Challenges and objectives. Energy 2023, 263 Pt E, 126082. [Google Scholar] [CrossRef]
- Alami, A.H.; Rabaia, M.K.H.; Sayed, E.T.; Ramadan, M.; Abdelkareem, M.A.; Alasad, S.; Olabi, A.G. Management of potential challenges of PV technology proliferation. Sustain. Energy Technol. Assess. 2022, 51, 101942. [Google Scholar] [CrossRef]
- Trzmiel, G.; Głuchy, D.; Kurz, D. The impact of shading on the exploitation of photovoltaic installations. Renew. Energy 2020, 153, 480–498. [Google Scholar] [CrossRef]
- Moçambique, N.E.M.; Ottoboni, K.d.A.; Fuzato, G.H.F.; Bastos, R.F.; Gonçalves, A.F.Q.; Pozzebon, G.G.; de Aguiar, C.R.; Machado, R.Q. Tracking Algorithms and Voltage Controllers Used to Obtain the Maximum Power Point of PV Arrays. J. Control Autom. Electr. Syst. 2015, 26, 661–674. [Google Scholar] [CrossRef]
- Derbeli, M.; Napole, C.; Barambones, O.; Sanchez, J.; Calvo, I.; Fernández-Bustamante, P. Maximum Power Point Tracking Techniques for Photovoltaic Panel: A Review and Experimental Applications. Energies 2021, 14, 7806. [Google Scholar] [CrossRef]
- Devarakonda, A.K.; Karuppiah, N.; Selvaraj, T.; Balachandran, P.K.; Shanmugasundaram, R.; Senjyu, T. A Comparative Analysis of Maximum Power Point Techniques for Solar Photovoltaic Systems. Energies 2022, 15, 8776. [Google Scholar] [CrossRef]
- Kamarzaman, N.A.; Tan, C.W. A comprehensive review of maximum power point tracking algorithms for photovoltaic systems. Renew. Sust. Energ. Rev. 2014, 37, 585–598. [Google Scholar] [CrossRef]
- André, S.; Silva, F.; Pinto, S.; Miguens, P. Novel Incremental Conductance Feedback Method with Integral Compensator for Maximum Power Point Tracking: A Comparison Using Hardware in the Loop. Appl. Sci. 2023, 13, 4082. [Google Scholar] [CrossRef]
- Çakmak, F.; Aydoğmuş, Z.; Tür, M.R. Analysis of Open Circuit Voltage MPPT Method with Analytical Analysis with Perturb and Observe (P&O) MPPT Method in PV Systems. Electr. Power Compon. Syst. 2023, 52, 1528–1542. [Google Scholar] [CrossRef]
- van der Meer, D.; Wang, G.C.; Munkhammar, J. An alternative optimal strategy for stochastic model predictive control of a residential battery energy management system with solar photovoltaic. Appl. Energy 2021, 283, 116289. [Google Scholar] [CrossRef]
- Abdolrasol, M.G.M.; Hussain, S.M.S.; Ustun, T.S.; Sarker, M.R.; Hannan, M.A.; Mohamed, R.; Ali, J.A.; Mekhilef, S.; Milad, A. Artificial Neural Networks Based Optimization Techniques: A Review. Electronics 2021, 10, 2689. [Google Scholar] [CrossRef]
- Dhaouadi, G.; Djamel, O.; Youcef, S.; Bouden, A. Fuzzy logic Controller Based MPPT For a Photovoltaic System. In Proceedings of the IEEE 1st International Maghreb Meeting of the Conference on Sciences and Techniques of Automatic Control and Computer Engineering MI-STA 2021, Tripoli, Libya, 25–27 May 2021; pp. 204–208. [Google Scholar] [CrossRef]
- Bollipo, R.B.; Mikkili, S.; Bonthagorla, P.K. Hybrid, optimal, intelligent and classical PV MPPT techniques: A review. CSEE J. Power Energy Syst. 2021, 7, 9–33. [Google Scholar] [CrossRef]
- Wang, Q.; Yao, W.; Fang, J.; Ai, X.; Wen, J.; Yang, X.; Xie, H.; Huang, X. Dynamic modeling and small signal stability analysis of distributed photovoltaic grid-connected system with large scale of panel level DC optimizers. Appl. Energy 2020, 259, 114132. [Google Scholar] [CrossRef]
- Watanabe, R.B.; Ando Junior, O.H.; Leandro, P.G.M.; Salvadori, F.; Beck, M.F.; Pereira, K.; Brandt, M.H.M.; de Oliveira, F.M. Implementation of the bio-inspired metaheuristic firefly algorithm (FA) applied to maximum power point tracking of photovoltaic systems. Energies 2022, 15, 5338. [Google Scholar] [CrossRef]
- Silva, J.L.d.S.; Moreira, H.S.; dos Reis, M.V.G.; Barros, T.A.d.S.; Villalva, M.G. Theoretical and behavioral analysis of power optimizers for grid-connected photovoltaic systems. Energy Rep. 2022, 8, 10154–10167. [Google Scholar] [CrossRef]
- Farh, H.M.H.; Othman, M.F.; Eltamaly, A.M.; Al-Saud, M.S. Maximum Power Extraction from a Partially Shaded PV System Using an Interleaved Boost Converter. Energies 2018, 11, 2543. [Google Scholar] [CrossRef]
- Osmani, K.; Haddad, A.; Lemenand, T.; Castanier, B.; Ramadan, M. An investigation on maximum power extraction algorithms from PV systems with corresponding DC-DC converters. Energy 2021, 224, 120092. [Google Scholar] [CrossRef]
- Megantoro, P.; Nugroho, Y.D.; Anggara, F.; Pakha, A.; Pramudita, B.A. The Implementation of Genetic Algorithm to MPPT Technique in a DC/DC Buck Converter under Partial Shading Condition. In Proceedings of the 2018 3rd International Conference on Information Technology, Information System and Electrical Engineering (ICITISEE), Yogyakarta, Indonesia, 13–14 November 2018; pp. 308–312. [Google Scholar] [CrossRef]
- Daraban, S.; Petreus, D.; Morel, C. A novel global MPPT based on genetic algorithms for photovoltaic systems under the influence of partial shading. In Proceedings of the IECON 2013—39th Annual Conference of the IEEE Industrial Electronics Society, Vienna, Austria, 10–13 November 2013; pp. 1490–1495. [Google Scholar] [CrossRef]
- Moosavi, S.K.R.; Mansoor, M.; Zafar, M.H.; Khan, N.M.; Mirza, A.F.; Akhtar, N. Highly efficient maximum power point tracking control technique for PV system under dynamic operating conditions. Energy Rep. 2022, 8, 13529–13543. [Google Scholar] [CrossRef]
- Radhika, S.; Margaret, V. A Review on DC-DC Converters with Photovoltaic System in DC Micro Grid. J. Phys. Conf. Ser. 2021, 1804, 012155. [Google Scholar] [CrossRef]
- Nasr Esfahani, F.; Darwish, A.; Williams, B.W. Power Converter Topologies for Grid-Tied Solar Photovoltaic (PV) Powered Electric Vehicles (EVs)—A Comprehensive Review. Energies 2022, 15, 4648. [Google Scholar] [CrossRef]
- Sutikno, T.; Purnama, H.S.; Widodo, N.S.; Padmanaban, S.; Sahid, M.R. A review on non-isolated low-power DC–DC converter topologies with high output gain for solar photovoltaic system applications. Clean Energy 2022, 6, 557–572. [Google Scholar] [CrossRef]
- Verbytskyi, I.; Lukianov, M.; Nassereddine, K.; Pakhaliuk, B.; Husev, O.; Strzelecki, R.M. Power Converter Solutions for Industrial PV Applications—A Review. Energies 2022, 15, 3295. [Google Scholar] [CrossRef]
- Murtaza, A.F.; Sher, H.A.; Khan, F.U.; Nasir, A.; Spertino, F. Efficient MPP Tracking of Photovoltaic (PV) Array Through Modified Boost Converter With Simple SMC Voltage Regulator. IEEE Trans. Sustain. Energy 2022, 13, 1790–1801. [Google Scholar] [CrossRef]
- Ciftci, D.; Akyildiz, A.; Ergun, B.E.; Gulbahce, M.O. A Comparative Study for Interleaved Boost Converter with Coupled/Uncoupled Inductors. In Proceedings of the 14th International Conference on Electrical and Electronics Engineering (ELECO), Bursa, Turkiye, 30 November–2 December 2023; pp. 1–5. [Google Scholar] [CrossRef]
- Rashid, M.H. DC–DC Converters. In Power Electronics: Devices, Circuits, and Applications; Pearson Education Limited: London, UK, 2014; pp. 234–305. ISBN 978-0-273-76908-8. [Google Scholar]
- Pires, V.F.; Roque, A.; Sousa, D.M.; Margato, E. Management of an Electric Vehicle Charging System Supported by RES and Storage Systems. In Proceedings of the International Symposium on Power Electronics, Electrical Drives, Automation and Motion (SPEEDAM 2018), Amalfi, Italy, 20–22 June 2018; p. 395. [Google Scholar] [CrossRef]
- Saravanan, S.; Babu, N.R. Maximum power point tracking algorithms for photovoltaic system—A review. Renew. Sust. Energ. Rev. 2016, 57, 192–204. [Google Scholar] [CrossRef]
- Jalil, M.F.; Khatoon, S.; Nasiruddin, I.; Bansal, R.C. Review of PV array modelling, configuration and MPPT techniques. Int. J. Model. Simul. 2022, 42, 533–550. [Google Scholar] [CrossRef]
- Tobón, A.; Peláez-Restrepo, J.; Montano, J.; Durango, M.; Herrera, J.; Ibeas, A. MPPT of a Photovoltaic Panels Array with Partial Shading Using the IPSM with Implementation Both in Simulation as in Hardware. Energies 2020, 13, 815. [Google Scholar] [CrossRef]
- dos Santos, C.C.C.; Moraes, C.F.; da Costa, J.P.; Stein, C.M.O.; Carati, E.G.; Cardoso, R. Photovoltaic Boost Converter Control Operating in the MPPT and LPPT Modes. In Proceedings of the IEEE 15th Brazilian Power Electronics Conference and 5th IEEE Southern Power Electronics Conference (COBEP/SPEC 2019), Santos, SP, Brazil, 1–4 December 2019; pp. 1–6. [Google Scholar] [CrossRef]
- Oh, S.H.; Yoon, Y.T.; Kim, S.W. Online reconfiguration scheme of self-sufficient distribution network based on a reinforcement learning approach. Appl. Energy 2020, 280, 115900. [Google Scholar] [CrossRef]
- Sarkar, D.; Gunturi, S.K. Machine Learning Enabled Steady-State Security Predictor as Deployed for Distribution Feeder Reconfiguration. J. Electr. Eng. Technol. 2021, 16, 1197–1206. [Google Scholar] [CrossRef]
- Franco, R.A.P.; Filho, G.L.; Vieira, F.H.T. Firefly Algorithm Applied to the Estimation of the Parameters of a Photovoltaic Panel Model. In Advances in Nature-Inspired Computing and Applications; Shandilya, S., Shandilya, S., Nagar, A., Eds.; EAI/Springer Innovations in Communication and Computing; Springer: Cham, Switzerland, 2019; pp. 101–134. [Google Scholar] [CrossRef]
- Filho, G.L.; Corrêa, H.P.; Vieira, F.H.T. Distributed Reactive Power Injection-Based Approach for Minimization of Losses in Electrical Networks Considering Heuristic Algorithms and Voltage Deviation. Energies 2023, 16, 6761. [Google Scholar] [CrossRef]
- Garza-Fabre, M.; Rodriguez-Tello, E.; Toscano-Pulido, G. Constraint-handling through multi-objective optimization: The hydrophobic-polar model for protein structure prediction. Comput. Oper. Res. 2015, 53, 128–153. [Google Scholar] [CrossRef]
- Wong, R.; Chang, W.-L. Fast quantum algorithm for protein structure prediction in hydrophobic-hydrophilic model. J. Parallel Distrib. Comput. 2022, 164, 178–190. [Google Scholar] [CrossRef]
- Goldberg, D.E. Genetic Algorithms in Search, Optimization, and Machine Learning, 1st ed.; Addion Wesley Professional: Boston, MA, USA, 1989; pp. 1–412. ISBN 978-0201157673. [Google Scholar]
- Shejul, K.; Harikrishnan, R. Energy consumption optimization of chiller plants with the Genetic Algorithm based GWO and JAYA Algorithm in the dynamic pricing Demand Response. Results Eng. 2024, 22, 102193. [Google Scholar] [CrossRef]
- Barman, D.; Sarkar, R.; Chowdhury, N. A cooperative co-evolutionary genetic algorithm for query recommendation. Multimed. Tools Appl. 2024, 83, 11461–11491. [Google Scholar] [CrossRef]
- Pereira, C.S.; Dias, D.M.; Pacheco, M.A.C.; Vellasco, M.M.B.R.; da Cruz, A.V.A.; Hollmann, E.H. Quantum-Inspired Genetic Programming Algorithm for the Crude Oil Scheduling of a Real-World Refinery. IEEE Syst. J. 2020, 14, 3926–3937. [Google Scholar] [CrossRef]
- Muhamediyeva, D.T.; Safarova, L.U. Genetic algorithm for complex optimization of power system mode. AIP Conf. Proc. 2024, 3154, 020042. [Google Scholar] [CrossRef]
- Pereira, J.; Mendes, J.; Júnior, J.S.S.; Viegas, C.; Paulo, J.R. A Review of Genetic Algorithm Approaches for Wildfire Spread Prediction Calibration. Mathematics 2022, 10, 300. [Google Scholar] [CrossRef]
- da Luz, C.M.A.; Vicente, E.M.; Tofoli, F.L. Experimental evaluation of global maximum power point techniques under partial shading conditions. Sol. Energy 2020, 196, 49–73. [Google Scholar] [CrossRef]
- Kim, S.; Hoang, V.Q.; Bark, C.W. Silicon-Based Technologies for Flexible Photovoltaic (PV) Devices: From Basic Mechanism to Manufacturing Technologies. Nanomaterials 2021, 11, 2944. [Google Scholar] [CrossRef]
- Ramanujam, J.; Bishop, D.M.; Todorov, T.K.; Gunawan, O.; Rath, J.; Nekovei, R.; Artegiani, E.; Romeo, A. Flexible CIGS, CdTe and a-Si:H based thin film solar cells: A review. Prog. Mater. Sci. 2020, 110, 100619. [Google Scholar] [CrossRef]
- Kim, S.; Quy, H.V.; Bark, C.W. Photovoltaic technologies for flexible solar cells: Beyond silicon. Mater. Today Energy 2021, 19, 100583. [Google Scholar] [CrossRef]
- Pastrana, L.M.; Izquierdo, J.E.E.; García, D.C.; Ando Junior, O.H.; Oide, M.Y.T.; Hamanaka, V.N.; Cavallari, M.R.; Fonseca, F.J. Organic Thin-Films by Wet-Processes for Flexible Bulk-Heterojunction Organic Solar Cells. In Proceedings of the International Conference on Electrical, Computer and Energy Technologies (ICECET 2021), Cape Town, South Africa, 9–10 December 2021; pp. 1–6. [Google Scholar] [CrossRef]
- Aghaei, M.; Fairbrother, A.; Gok, A.; Ahmad, S.; Kazim, S.; Lobato, K.; Oreski, G.; Reinders, A.; Schmitz, J.; Theelen, M.; et al. Review of degradation and failure phenomena in photovoltaic modules. Renew. Sust. Energ. Rev. 2022, 159, 112160. [Google Scholar] [CrossRef]
- Kettle, J.; Aghaei, M.; Ahmad, S.; Fairbrother, A.; Irvine, S.; Jacobsson, T.J.; Kazim, S.; Kazukauskas, V.; Lamb, D.; Lobato, K. Review of technology specific degradation in crystalline silicon, cadmium telluride, copper indium gallium selenide, dye sensitised, organic and perovskite solar cells in photovoltaic modules: Understanding how reliability improvements in mature technologies can enhance emerging technologies. Prog. Photovolt. Res. Appl. 2022, 30, 1365–1392. [Google Scholar] [CrossRef]
- Anderson, M.A.; Larson, B.W.; Ratcliff, E.L. A Multi-modal Approach to Understanding Degradation of Organic Photovoltaic Materials. ACS Appl. Mater. Interfaces 2021, 13, 44641–44655. [Google Scholar] [CrossRef]
- Ando Junior, O.H.; Bretas, A.S.; Leborgne, R.C. Methodology for Calculation and Management for Indicators of Power Quality Energy. IEEE Lat. Am. Trans. 2015, 13, 2217–2224. [Google Scholar] [CrossRef]
- Serrano Ardila, V.M.; Maciel, J.N.; Ledesma, J.J.G.; Ando Junior, O.H. Fuzzy Time Series Methods Applied to (In)Direct Short-Term Photovoltaic Power Forecasting. Energies 2022, 15, 845. [Google Scholar] [CrossRef]
- Maciel, J.N.; Javier Giménez Ledesma, J.; Hideo Ando Junior, O. Forecasting Solar Power Output Generation: A Systematic Review with the Proknow-C. IEEE Lat. Am. Trans. 2021, 19, 612–624. [Google Scholar] [CrossRef]
- Crepaldi, J.; Amoroso, M.M.; Ando, O.H. Analysis of the Topologies of Power Filters Applied in Distributed Generation Units—Review. IEEE Lat. Am. Trans. 2018, 16, 1892–1897. [Google Scholar] [CrossRef]
- Maciel, J.N.; Ledesma, J.J.G.; Ando Junior, O.H. Hybrid prediction method of solar irradiance applied to short-term photovoltaic energy generation. Renew. Sustain. Energy Rev. 2024, 192, 114185. [Google Scholar] [CrossRef]













| Parameter | Average Value |
|---|---|
| Maximum Power | 259.44 W |
| Open Circuit Voltage (VOC) | 38.6 V |
| Voltage at Maximum Power Point | 31.6 V |
| Temperature Coefficient in VOC | −0.356%/°C |
| Number of Cells per Module | 60 |
| Short Circuit Current (ISC) | 8.93 A |
| Current at Maximum Power Point | 8.21 A |
| Temperature Coefficient in ISC | 0.102%/°C |
| Case Number | HPP (W) | Power (W) | Efficiency (%) | ||
|---|---|---|---|---|---|
| P&O | GA | P&O | GA | ||
| 1 | 778.19 | 774.60 | 767.40 | 99.54 | 98.61 |
| 2 | 512.29 | 436.4 | 508.80 | 85.19 | 99.32 |
| 3 | 477.55 | 244.60 | 477.20 | 51.22 | 99.93 |
Disclaimer/Publisher’s Note: The statements, opinions and data contained in all publications are solely those of the individual author(s) and contributor(s) and not of MDPI and/or the editor(s). MDPI and/or the editor(s) disclaim responsibility for any injury to people or property resulting from any ideas, methods, instructions or products referred to in the content. |
© 2024 by the authors. Licensee MDPI, Basel, Switzerland. This article is an open access article distributed under the terms and conditions of the Creative Commons Attribution (CC BY) license (https://creativecommons.org/licenses/by/4.0/).
Share and Cite
de Oliveira, F.M.; Brandt, M.H.M.; Salvadori, F.; Izquierdo, J.E.E.; Cavallari, M.R.; Ando Junior, O.H. Development of an MPPT-Based Genetic Algorithm for Photovoltaic Systems versus Classical MPPT Techniques in Scenarios with Partial Shading. Inventions 2024, 9, 64. https://doi.org/10.3390/inventions9030064
de Oliveira FM, Brandt MHM, Salvadori F, Izquierdo JEE, Cavallari MR, Ando Junior OH. Development of an MPPT-Based Genetic Algorithm for Photovoltaic Systems versus Classical MPPT Techniques in Scenarios with Partial Shading. Inventions. 2024; 9(3):64. https://doi.org/10.3390/inventions9030064
Chicago/Turabian Stylede Oliveira, Fernando Marcos, Marcelo Henrique Manzke Brandt, Fabiano Salvadori, José Enrique Eirez Izquierdo, Marco Roberto Cavallari, and Oswaldo Hideo Ando Junior. 2024. "Development of an MPPT-Based Genetic Algorithm for Photovoltaic Systems versus Classical MPPT Techniques in Scenarios with Partial Shading" Inventions 9, no. 3: 64. https://doi.org/10.3390/inventions9030064
APA Stylede Oliveira, F. M., Brandt, M. H. M., Salvadori, F., Izquierdo, J. E. E., Cavallari, M. R., & Ando Junior, O. H. (2024). Development of an MPPT-Based Genetic Algorithm for Photovoltaic Systems versus Classical MPPT Techniques in Scenarios with Partial Shading. Inventions, 9(3), 64. https://doi.org/10.3390/inventions9030064

