Sign in to use this feature.

Years

Between: -

Subjects

remove_circle_outline
remove_circle_outline
remove_circle_outline
remove_circle_outline
remove_circle_outline
remove_circle_outline
remove_circle_outline
remove_circle_outline
remove_circle_outline

Journals

remove_circle_outline
remove_circle_outline
remove_circle_outline
remove_circle_outline
remove_circle_outline
remove_circle_outline
remove_circle_outline

Article Types

Countries / Regions

remove_circle_outline
remove_circle_outline
remove_circle_outline
remove_circle_outline
remove_circle_outline
remove_circle_outline
remove_circle_outline
remove_circle_outline

Search Results (3,673)

Search Parameters:
Keywords = grid energy storage

Order results
Result details
Results per page
Select all
Export citation of selected articles as:
19 pages, 2443 KB  
Article
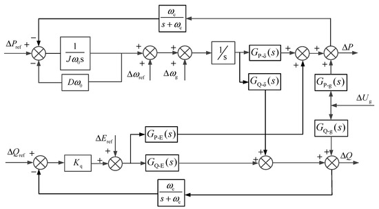
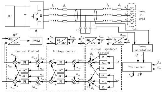
Grid-Connected Active Support and Oscillation Suppression Strategy of Energy Storage System Based on Virtual Synchronous Generator
by Zhuan Zhao, Jinming Yao, Shuhuai Shi, Di Wang, Duo Xu and Jingxian Zhang
Electronics 2026, 15(2), 323; https://doi.org/10.3390/electronics15020323 (registering DOI) - 11 Jan 2026
Abstract
This paper addresses stability issues, including voltage fluctuation, a frequency offset, and broadband oscillation resulting from the high penetration of renewable energy in a photovoltaic high-permeability distribution network. This paper proposes an active support control strategy which is energy storage grid-connected based on [...] Read more.
This paper addresses stability issues, including voltage fluctuation, a frequency offset, and broadband oscillation resulting from the high penetration of renewable energy in a photovoltaic high-permeability distribution network. This paper proposes an active support control strategy which is energy storage grid-connected based on a virtual synchronous generator (VSG). This strategy endows the energy storage system with virtual inertia and a damping capacity by simulating the rotor motion equation and excitation regulation characteristics of the synchronous generator, and effectively enhances the system’s ability to suppress power disturbances. The small-signal model of the VSG system is established, and the influence mechanism of the virtual inertia and damping coefficient on the system stability is revealed. A delay compensator in series with a current feedback path is proposed. Combined with the damping optimization of the LCL filter, the instability risk caused by high-frequency resonance and a control delay is significantly suppressed. The novelty lies in the specific configuration of the compensator within the grid–current feedback loop and its coordinated design with VSG parameters, which differs from traditional capacitive–current feedback compensation methods. The experimental results obtained from a semi-physical simulation platform demonstrate that the proposed control strategy can effectively suppress voltage fluctuations, suppress broadband oscillations, and improve the dynamic response performance and fault ride-through capability of the system under typical disturbance scenarios such as sudden illumination changes, load switching, and grid faults. It provides a feasible technical path for the stable operation of the distribution network with a high proportion of new energy access. Full article
(This article belongs to the Special Issue Innovations in Intelligent Microgrid Operation and Control)
13 pages, 648 KB  
Article
Wind Energy Curtailment: Historical Case Study
by Rodrigo Soto-Valle and Jonathan Usuba
Energies 2026, 19(2), 334; https://doi.org/10.3390/en19020334 - 9 Jan 2026
Abstract
Currently, renewable energy projects are growing, and one of the critical unforeseen consequences that has emerged is curtailment. This study focuses on characterizing a full dataset of real operational curtailed electricity from wind energy projects in one-hour time steps, obtained through Supervisory Control [...] Read more.
Currently, renewable energy projects are growing, and one of the critical unforeseen consequences that has emerged is curtailment. This study focuses on characterizing a full dataset of real operational curtailed electricity from wind energy projects in one-hour time steps, obtained through Supervisory Control and Data Acquisition over the years 2022 and 2025 of operation in Chile. The case study is based on the national electrical system of Chile, and the analysis incorporates both curtailment patterns and more significant features. These results can ultimately be used as an input source for annexed projects, such as energy storage systems or green hydrogen production. The total installed capacity increased from 3.0 GW to 5.0 GW during this period, representing a 66% expansion, while energy generation increased by only 22%. Curtailed energy increased from 7% to 13% of total potential output, equivalent to approximately 3.4 TWh of unused clean energy. Location analysis reveals that around 60% of generation and curtailment occur in northern Chile, where grid congestion is most pronounced. Monthly trends show a pattern that combines a linear upward increase associated with growth in installed capacity and a cyclical seasonal component driven by resource variability. These findings highlight that curtailment has become a structural limitation for renewable integration, primarily due to insufficient transmission expansion and system flexibility. Full article
Show Figures

Figure 1

29 pages, 1499 KB  
Article
An Interoperable User-Centred Digital Twin Framework for Sustainable Energy System Management
by Aleeza Adeel, Mark Apperley and Timothy Gordon Walmsley
Energies 2026, 19(2), 333; https://doi.org/10.3390/en19020333 - 9 Jan 2026
Viewed by 25
Abstract
This paper presents an Interoperable User-Centred Digital Twin (I-UCDT) framework for sustainable energy system management, addressing the growing complexity of energy generation, storage, demand, and grid interaction across industrial and community-scale systems. The proposed framework provides a unified environment for the visual representation [...] Read more.
This paper presents an Interoperable User-Centred Digital Twin (I-UCDT) framework for sustainable energy system management, addressing the growing complexity of energy generation, storage, demand, and grid interaction across industrial and community-scale systems. The proposed framework provides a unified environment for the visual representation and management of interconnected energy components, supporting informed decision-making among diverse stakeholder groups. The I-UCDT framework adopts a modular plug-and-play architecture based on the Functional Mock-up Interface (FMI) standard, enabling scalable and interoperable integration of heterogeneous energy models from platforms such as Modelica, MATLAB/Simulink, and EnergyPlus. A standardised data layer processes and structures raw model inputs, while an interactive visualisation layer translates complex energy flows into intuitive, user-accessible insights. By applying human–computer interaction principles, the framework reduces cognitive load and enables users with varying technical backgrounds to explore supply–demand balancing, decarbonisation pathways, and optimisation strategies. It supports the full lifecycle of energy system design, planning, and operation, offering flexibility for both industrial and community-scale applications. A case study demonstrates the framework’s potential to enhance transparency, usability, and energy efficiency. Overall, this work advances digital twin research for energy systems by combining technical interoperability with explicitly formalised user-centred design characteristics (C1–C10) to promote flexible and sustainable energy system management. Full article
Show Figures

Figure 1

20 pages, 2586 KB  
Article
Design and Multi-Mode Operational Analysis of a Hybrid Wind Energy Storage System Integrated with CVT and Electromechanical Flywheel
by Tao Liu, Sung-Ki Lyu, Zhen Qin, Dongseok Oh and Yu-Ting Wu
Machines 2026, 14(1), 81; https://doi.org/10.3390/machines14010081 - 9 Jan 2026
Viewed by 27
Abstract
To address the lack of inertia in full-power converter wind turbines and the inability of existing mechanical speed regulation technologies to achieve power smoothing without converters, this paper proposes a novel hybrid wind energy storage system integrating a Continuously Variable Transmission (CVT) and [...] Read more.
To address the lack of inertia in full-power converter wind turbines and the inability of existing mechanical speed regulation technologies to achieve power smoothing without converters, this paper proposes a novel hybrid wind energy storage system integrating a Continuously Variable Transmission (CVT) and an electromechanical flywheel. This system establishes a cascaded topology featuring “CVT-based source-side speed regulation and electromechanical flywheel-based terminal power stabilization.” By utilizing the CVT for speed decoupling and introducing the flywheel via a planetary differential branch, the system retains physical inertia by eliminating large-capacity converters and overcomes the bottleneck of traditional mechanical transmissions, which struggle to balance constant frequency with stable power output. Simulation results demonstrate that the proposed system reduces the active power fluctuation range by 47.60% compared to the raw wind power capture. Moreover, the required capacity of the auxiliary motor is only about 15% of the rated power, reducing the reliance on power electronic converters by approximately 85% compared to full-power converter systems. Furthermore, during a grid voltage dip of 0.6 p.u., the system restricts rotor speed fluctuations to within 0.5%, significantly enhancing Low Voltage Ride-Through (LVRT) capability. Full article
(This article belongs to the Section Electromechanical Energy Conversion Systems)
Show Figures

Figure 1

28 pages, 4808 KB  
Article
Hybrid Renewable Systems Integrating Hydrogen, Battery Storage and Smart Market Platforms for Decarbonized Energy Futures
by Antun Barac, Mario Holik, Kristijan Ćurić and Marinko Stojkov
Energies 2026, 19(2), 331; https://doi.org/10.3390/en19020331 - 9 Jan 2026
Viewed by 33
Abstract
Rapid decarbonization and decentralization of power systems are driving the integration of renewable generation, energy storage and digital technologies into unified energy ecosystems. In this context, photovoltaic (PV) systems combined with battery and hydrogen storage and blockchain-based platforms represent a promising pathway toward [...] Read more.
Rapid decarbonization and decentralization of power systems are driving the integration of renewable generation, energy storage and digital technologies into unified energy ecosystems. In this context, photovoltaic (PV) systems combined with battery and hydrogen storage and blockchain-based platforms represent a promising pathway toward sustainable and transparent energy management. This study evaluates the techno-economic performance and operational feasibility of integrated PV systems combining battery and hydrogen storage with a blockchain-based peer-to-peer (P2P) energy trading platform. A simulation framework was developed for two representative consumer profiles: a scientific–educational institution and a residential household. Technical, economic and environmental indicators were assessed for PV systems integrated with battery and hydrogen storage. The results indicate substantial reductions in grid electricity demand and CO2 emissions for both profiles, with hydrogen integration providing additional peak-load stabilization under current cost constraints. Blockchain functionality was validated through smart contracts and a decentralized application, confirming the feasibility of P2P energy exchange without central intermediaries. Grid electricity consumption is reduced by up to approximately 45–50% for residential users and 35–40% for institutional buildings, accompanied by CO2 emission reductions of up to 70% and 38%, respectively, while hydrogen integration enables significant peak-load reduction. Overall, the results demonstrate the synergistic potential of integrating PV generation, battery and hydrogen storage and blockchain-based trading to enhance energy independence, reduce emissions and improve system resilience, providing a comprehensive basis for future pilot implementations and market optimization strategies. Full article
(This article belongs to the Special Issue Energy Management and Life Cycle Assessment for Sustainable Energy)
Show Figures

Figure 1

22 pages, 2247 KB  
Article
A Multi-Time-Scale Coordinated Scheduling Model for Multi-Energy Complementary Power Generation System Integrated with High Proportion of New Energy Including Electricity-to-Hydrogen System
by Fuxia Wu, Yu Cui, Hongjie He, Qiantao Huo and Jinming Yao
Electronics 2026, 15(2), 294; https://doi.org/10.3390/electronics15020294 - 9 Jan 2026
Viewed by 23
Abstract
It has become an urgent problem to deal with the uncertain influence caused by the high proportion of new energy connected to the grid and improve the consumption level of new energy in the background of the new power system. Based on the [...] Read more.
It has become an urgent problem to deal with the uncertain influence caused by the high proportion of new energy connected to the grid and improve the consumption level of new energy in the background of the new power system. Based on the constantly updated predicted information of wind power, photovoltaic power, and load power, a multi-time-scale coordinated scheduling model for a multi-energy complementary power generation system integrated with a high proportion of new energy, including an electricity-to-hydrogen system, is proposed. The complex nonlinear factors in the operation cost of thermal power and pumped storage power generation were converted into a mixed integer linear model for solving the problem. The results show that the participation of the pumped storage units in the power grid dispatching can effectively alleviate the peak regulation and reserve pressure of the thermal power units. The electricity-to-hydrogen system has the advantages of fast power response and a wide adjustment range. Pumped storage plant, together with the electricity-to-hydrogen system, enhances the flexible adjustment ability of the power grid on the power side and the load side, respectively. The coordinated dispatch of the two can take into account the safety and economy of the power grid operation, maintain the power balance of the high-proportion new energy power generation system, and effectively reduce green power abandonment and improve the consumption level of clean energy. Full article
(This article belongs to the Special Issue Planning, Scheduling and Control of Grids with Renewables)
Show Figures

Figure 1

42 pages, 824 KB  
Article
Leveraging the DAO for Edge-to-Cloud Data Sharing and Availability
by Adnan Imeri, Uwe Roth, Michail Alexandros Kourtis, Andreas Oikonomakis, Achilleas Economopoulos, Lorenzo Fogli, Antonella Cadeddu, Alessandro Bianchini, Daniel Iglesias and Wouter Tavernier
Future Internet 2026, 18(1), 37; https://doi.org/10.3390/fi18010037 - 8 Jan 2026
Viewed by 142
Abstract
Reliable data availability and transparent governance are fundamental requirements for distributed edge-to-cloud systems that must operate across multiple administrative domains. Conventional cloud-centric architectures centralize control and storage, creating bottlenecks and limiting autonomous collaboration at the network edge. This paper introduces a decentralized governance [...] Read more.
Reliable data availability and transparent governance are fundamental requirements for distributed edge-to-cloud systems that must operate across multiple administrative domains. Conventional cloud-centric architectures centralize control and storage, creating bottlenecks and limiting autonomous collaboration at the network edge. This paper introduces a decentralized governance and service-management framework that leverages Decentralized Autonomous Organizations (DAOs) and Decentralized Applications (DApps) to to govern and orchestrate verifiable, tamper-resistant, and continuously accessible data exchange between heterogeneous edge and cloud components. By embedding blockchain-based smart contracts within swarm-enabled edge infrastructures, the approach enables automated decision-making, auditable coordination, and fault-tolerant data sharing without relying on trusted intermediaries. The proposed OASEES framework demonstrates how DAO-driven orchestration can enhance data availability and accountability in real-world scenarios, including energy grid balancing, structural safety monitoring, and predictive maintenance of wind turbines. Results highlight that decentralized governance mechanisms enhance transparency, resilience, and trust, offering a scalable foundation for next-generation edge-to-cloud data ecosystems. Full article
Show Figures

Figure 1

28 pages, 6116 KB  
Article
A Hybrid Energy Storage System and the Contribution to Energy Production Costs and Affordable Backup in the Event of a Supply Interruption—Technical and Financial Analysis
by Carlos Felgueiras, Alexandre Magalhães, Celso Xavier, Filipe Pereira, António Ferreira da Silva, Nídia Caetano, Florinda F. Martins, Paulo Silva, José Machado and Adriano A. Santos
Energies 2026, 19(2), 306; https://doi.org/10.3390/en19020306 - 7 Jan 2026
Viewed by 112
Abstract
Alternative energies are essential for meeting the global demand for environmentally friendly energy, especially as the use of fossil fuels is being reduced. In recent years, largely due to diminishing fossil fuel reserves, Portugal has been actively promoting investment in renewable energies to [...] Read more.
Alternative energies are essential for meeting the global demand for environmentally friendly energy, especially as the use of fossil fuels is being reduced. In recent years, largely due to diminishing fossil fuel reserves, Portugal has been actively promoting investment in renewable energies to reduce its reliance on energy imports and fossil fuels. However, despite the country’s high daily sunshine hours and utilization of wind and hydropower, energy production remains unstable due to climate variability. Climate instability leads to fluctuations in the energy supplied to the grid and can even partially withstand blackouts such as the one that occurred on 28 April 2025 on the Iberian Peninsula. To address this problem, energy storage systems are crucial to guarantee the stability of the supply during periods of low production or in situations such as the one mentioned above. This paper analyzes the feasibility of implementing an energy storage system to increase the profitability of a wind farm located in Alto Douro, Portugal. The study begins with a demand analysis, followed by simulations of the system’s performance in terms of profitability based on efficiency and power. Based on these assumptions, a modular lithium battery storage system with high efficiency and rapid charge/discharge capabilities was selected. This battery, with less autonomy but high capacity, is more profitable, since a 5% increase in efficiency results in high profits (€84,838) and curtailment (€70,962) using batteries with lower autonomy, i.e., 2 h (power rating of 5 MW combined with 10 MWh energy storage). Therefore, two scenarios (A and B) were considered, with one more optimistic (A) in which the priority is to discharge the batteries whenever possible. In the more realistic scenario (B), it is assumed that the batteries are fully charged before discharge. On the other hand, in the event of a blackout, it enables faster commissioning of the surrounding water installations, because solar and battery energy have no inertia, which facilitates the back start protocol. Full article
(This article belongs to the Special Issue Development and Efficient Utilization of Renewable and Clean Energy)
Show Figures

Figure 1

68 pages, 2705 KB  
Systematic Review
A Systematic Review of Computational and Data-Driven Approaches for Energy-Efficient Battery Management in Electrified Vehicles
by Milos Poliak, Damian Frej, Piotr Łagowski and Justyna Jaśkiewicz
Appl. Sci. 2026, 16(2), 618; https://doi.org/10.3390/app16020618 - 7 Jan 2026
Viewed by 85
Abstract
The dynamic growth of the electrified vehicle (xEV) market, including both electric and hybrid vehicles, has increased the demand for advanced Battery Management Systems (BMS). From an energy-systems perspective, xEV batteries act as distributed energy storage units that strongly interact with power grids, [...] Read more.
The dynamic growth of the electrified vehicle (xEV) market, including both electric and hybrid vehicles, has increased the demand for advanced Battery Management Systems (BMS). From an energy-systems perspective, xEV batteries act as distributed energy storage units that strongly interact with power grids, renewable generation, and charging infrastructure, making their efficient control a key element of low-carbon energy systems. Traditional BMS methods face challenges in accurately estimating key battery states and parameters, especially under dynamic operating conditions. This review systematically analyzes the progress in applying artificial intelligence, machine learning, and other advanced computational and data-driven algorithms to improve the performance of xEV battery management with a particular focus on energy efficiency, safe utilization of stored electrochemical energy, and the interaction between vehicles and the power system. The literature analysis covers key research trends from 2020 to 2025. This review covers a wide range of applications, including State of Charge (SOC) estimation, State of Health (SOH) prediction, and thermal management. We examine the use of various methods, such as deep learning, neural networks, genetic algorithms, regression, and also filtering algorithms, to solve these complex problems. This review also classifies the research by geographical distribution and document types, providing insight into the global landscape of this rapidly evolving field. By explicitly linking BMS functions with energy-system indicators such as charging load profiles, peak-load reduction, self-consumption of photovoltaic generation, and lifetime-aware energy use, this synthesis of contemporary research serves as a valuable resource for scientists and engineers who wish to understand the latest achievements and future directions in data-driven battery management and its role in modern energy systems. Full article
Show Figures

Figure 1

19 pages, 3965 KB  
Article
Assessing the Sustainability and Thermo-Economic Performance of Solar Power Technologies: Photovoltaic Power Plant and Linear Fresnel Reflector Coupled with an Organic Rankine System
by Erdal Yıldırım and Mehmet Azmi Aktacir
Processes 2026, 14(2), 204; https://doi.org/10.3390/pr14020204 - 7 Jan 2026
Viewed by 93
Abstract
In this study, the technical, economic, and environmental performances of a Linear Fresnel Reflector (LFR) integrated with an Organic Rankine Cycle (ORC), designed with a non-storage approach, and a monocrystalline photovoltaic (PV) system were comparatively evaluated in meeting a building’s 10 kW electricity [...] Read more.
In this study, the technical, economic, and environmental performances of a Linear Fresnel Reflector (LFR) integrated with an Organic Rankine Cycle (ORC), designed with a non-storage approach, and a monocrystalline photovoltaic (PV) system were comparatively evaluated in meeting a building’s 10 kW electricity demand. Solar-based electricity generation systems play a critical role in reducing carbon emissions and increasing energy self-sufficiency in buildings, yet small-scale, storage-free LFR-ORC applications remain relatively underexplored compared to PV systems. The optimal areas for both systems were determined using the P1P2 methodology. The electricity generation of the LFR-ORC system was calculated based on experimentally measured thermal power output and ORC efficiency, while the production of the PV system was determined using panel area, efficiency, and measured solar irradiation data. System performance was assessed through self-consumption and self-sufficiency ratios, and the economic analysis included life cycle savings (LCS), payback period, and levelized cost of electricity (LCOE). The results indicate that the PV system is more advantageous economically, with an optimal payback of 4.93 years and lower LCOE of 0.053 €/kWh when the economically optimal panel area is considered. On the other hand, the LFR-ORC system exhibits up to 35% lower life-cycle CO2 emissions compared to grid electricity under grid-connected operation (15.86 tons CO2-eq for the standalone LFR-ORC system versus 50.57 tons CO2-eq for PV over 25-year lifetime), thus providing superiority in terms of environmental sustainability. In this context, the study presents an engineering-based approach for the technical, economic, and environmental assessment of small-scale, non-storage solar energy systems in line with the United Nations Sustainable Development Goals (SDG 7: Affordable and Clean Energy and SDG 13: Climate Action) and contributes to the existing literature. Full article
Show Figures

Figure 1

18 pages, 2151 KB  
Article
A Communication-Free Cooperative Fault Recovery Control Method for DNs Based on Staged Active Power Injection of ES
by Bin Yang, Ning Wei, Yuhang Guo, Jince Ge and Liyuan Zhao
Energies 2026, 19(1), 285; https://doi.org/10.3390/en19010285 - 5 Jan 2026
Viewed by 153
Abstract
To address the reclosing failures in the distribution networks (DNs) with high penetration of distributed energy resources (DERs), this paper proposes a communication-free cooperative fault recovery control method based on staged active power injection of an energy storage (ES) system. First, during the [...] Read more.
To address the reclosing failures in the distribution networks (DNs) with high penetration of distributed energy resources (DERs), this paper proposes a communication-free cooperative fault recovery control method based on staged active power injection of an energy storage (ES) system. First, during the initial phase of a fault, a back-electromotive force (b-EMF) suppression arc extinction control strategy was designed for the ES converter, promoting fault arc extinction. Subsequently, the ES switches to grid-forming (GFM) control, providing active power injection to the network following the circuit breaker (CB) tripping. A time-limited variable power control of ES converter is also designed to establish voltage characteristics for fault state detection. And a fault state criterion based on voltage relative entropy is designed, helping reliable reclosing. Simulation results demonstrate that the proposed method achieves coordination solely through local measurements without the need for real-time communication between ES and CB, and can shorten the recovery time of transient faults to hundreds of milliseconds. Full article
Show Figures

Figure 1

18 pages, 3115 KB  
Article
A Novel Reactive Power Decoupling Strategy for VSG Inverter Systems Using Adaptive Dynamic Virtual Impedance
by Wei Luo, Chenwei Zhang, Weizhong Chen, Bin Zhang and Zhenyu Lv
Electronics 2026, 15(1), 241; https://doi.org/10.3390/electronics15010241 - 5 Jan 2026
Viewed by 123
Abstract
Virtual synchronous machine (VSG) technology provides a robust framework for integrating electric vehicle energy storage into modern microgrids. Nonetheless, conventional VSG control often suffers from intense interaction between active and reactive power flows, which can trigger persistent steady-state errors, power fluctuations, and potential [...] Read more.
Virtual synchronous machine (VSG) technology provides a robust framework for integrating electric vehicle energy storage into modern microgrids. Nonetheless, conventional VSG control often suffers from intense interaction between active and reactive power flows, which can trigger persistent steady-state errors, power fluctuations, and potential system collapse. This research addresses these challenges by developing a 5th-order electromagnetic dynamic model tailored for a two-stage cascaded bridge inverter. By synthesizing a 3rd-order power regulation loop with a 2nd-order output stage, the proposed model captures stability boundaries across an extensive parameter spectrum. Unlike traditional 3rd-order “quasi-steady-state” approaches—which overlook essential dynamics under weak-damping or low-inertia conditions—this study utilizes the 5th-order model to derive an adaptive dynamic virtual impedance decoupling technique. This strategy facilitates real-time compensation of the cross-coupling between active and reactive channels, significantly boosting the inverter’s damping ratio. Quantitative analysis confirms that this approach curtails overshoot by 85.6% and accelerates the stabilization process by 42%, markedly enhancing the overall dynamic performance of the grid-connected system. Full article
(This article belongs to the Special Issue Intelligent Control Strategies for Power Electronics)
Show Figures

Figure 1

22 pages, 1436 KB  
Article
Optimal Scheduling of Wind–Solar Power Generation and Coalbed Methane Well Pumping Systems
by Ying Gao, Jun Wang, Jiaojiao Yu, Youwu Li, Yue Zhang, Bin Liu, Xiaoyong Gao and Chaodong Tan
Processes 2026, 14(1), 176; https://doi.org/10.3390/pr14010176 - 5 Jan 2026
Viewed by 123
Abstract
With the integrated development of new energy and oil and gas production, introducing wind–solar–storage microgrids in coalbed methane well screw pump discharge systems enhances the renewable energy proportion while promoting green development. However, the cyclical, volatile, and random characteristics of wind and photovoltaic [...] Read more.
With the integrated development of new energy and oil and gas production, introducing wind–solar–storage microgrids in coalbed methane well screw pump discharge systems enhances the renewable energy proportion while promoting green development. However, the cyclical, volatile, and random characteristics of wind and photovoltaic generation create scheduling challenges, with insufficient green power consumption reducing renewable energy utilization efficiency and increasing grid dependence. This study establishes an operation scheduling optimization model for coalbed methane well screw pump discharge systems under wind–solar–storage microgrids, minimizing daily operation costs with screw pump rotational speed as decision variables. The model incorporates power constraints of generation units and production constraints of screw pumps, solved using particle swarm optimization. Results demonstrate that energy storage batteries effectively smooth wind and photovoltaic fluctuations, enhance regulation capabilities, and improve green power utilization while reducing grid purchases and system operation costs. At different coalbed methane extraction stages, the model optimally adjusts screw pump rotational speed according to renewable generation, ensuring high pump efficiency while minimizing operation costs, enhancing green power consumption capacity, and meeting daily drainage requirements. Full article
(This article belongs to the Special Issue Coalbed Methane Development Process)
Show Figures

Figure 1

25 pages, 1497 KB  
Article
Optimization Models for Distributed Energy Systems Under CO2 Constraints: Sizing, Operating, and Regulating Power Provision
by Azusa Miyazaki, Miku Muraoka and Takashi Ikegami
Energies 2026, 19(1), 265; https://doi.org/10.3390/en19010265 - 4 Jan 2026
Viewed by 137
Abstract
The increasing penetration of variable renewable energy sources has intensified the need for ancillary services to maintain grid stability, and demand-side flexibility, particularly through distributed energy systems (DESs), is expected to play an important role. This study proposes a two-stage optimization framework for [...] Read more.
The increasing penetration of variable renewable energy sources has intensified the need for ancillary services to maintain grid stability, and demand-side flexibility, particularly through distributed energy systems (DESs), is expected to play an important role. This study proposes a two-stage optimization framework for DESs under CO2 constraints that enables gas engines and battery energy storage systems (BESS) to provide regulating power equivalent to Load Frequency Control (LFC). The framework consists of an Equipment Sizing Optimization Model (ESM) and an Equipment Operation Optimization Model (EOM), both formulated as mixed-integer linear programming (MILP) models. The ESM determines equipment capacities using simplified operational representations, where partial-load efficiencies are approximated through linear programming (LP)-based constraints. The EOM incorporates detailed operational characteristics, including start-up/shutdown states and partial-load efficiencies, to perform daily scheduling. Information obtained from the ESM, such as the CO2 emissions, the equipment capacities, and the BESS state of charge, is passed to the EOM to maintain consistency. A case study shows that providing regulating power reduces total system cost and that CO2 reduction constraints alter the equipment mix. These findings demonstrate that the proposed framework offers a practical and computationally efficient approach for designing and operating DESs under CO2 constraints. Full article
(This article belongs to the Special Issue Distributed Energy Systems: Progress, Challenges, and Prospects)
Show Figures

Figure 1

22 pages, 3221 KB  
Article
System Value Assessment and Heterogeneous Cost Allocation of Long-Duration Energy Storage Systems: A Public Asset Perspective
by Hao Wang, Yue Han, Zhongchun Li, Jingyu Li and Ruyue Han
Appl. Sci. 2026, 16(1), 489; https://doi.org/10.3390/app16010489 - 3 Jan 2026
Viewed by 145
Abstract
Long-duration energy storage (LDES) can deliver system-wide flexibility and decarbonization benefits, yet investment is often hindered because these benefits are diffuse and not fully monetized under conventional market structures. A public-asset-oriented valuation and cost-allocation framework is proposed for LDES. First, LDES externality benefits [...] Read more.
Long-duration energy storage (LDES) can deliver system-wide flexibility and decarbonization benefits, yet investment is often hindered because these benefits are diffuse and not fully monetized under conventional market structures. A public-asset-oriented valuation and cost-allocation framework is proposed for LDES. First, LDES externality benefits are quantified through a system-level optimization-based simulation on a stylized aggregated regional network, with key indicators including thermal generation cost, carbon penalty, renewable curtailment cost, involuntary load shedding, and end-user electricity expenditures. Second, LDES investment costs are allocated among thermal generators, renewable operators, grid entities, and end users via a benefit-based Nash bargaining mechanism. In the case study, introducing LDES reduces thermal generation cost by 3.92%, carbon penalties by 5.59%, and renewable curtailment expenditures by 7.07%, while eliminating load shedding. The resulting cost shares are 46.9% (renewables), 28.7% (end users), 22.4% (thermal generation), and 0.5% (grid entity), consistent with stakeholder-specific benefit distributions. Sensitivity analyses across storage capacity and placement further show diminishing marginal returns beyond near-optimal sizing and systematic shifts in cost responsibility as benefit patterns change. Overall, this framework offers a scalable, economically efficient, and equitable strategy for cost redistribution, supporting accelerated LDES adoption in future low-carbon power systems. Full article
(This article belongs to the Special Issue New Insights into Power Systems, 2nd Edition)
Show Figures

Figure 1

Back to TopTop