Sign in to use this feature.

Years

Between: -

Subjects

remove_circle_outline
remove_circle_outline
remove_circle_outline
remove_circle_outline
remove_circle_outline
remove_circle_outline
remove_circle_outline
remove_circle_outline
remove_circle_outline

Journals

remove_circle_outline
remove_circle_outline
remove_circle_outline
remove_circle_outline
remove_circle_outline
remove_circle_outline
remove_circle_outline
remove_circle_outline
remove_circle_outline
remove_circle_outline
remove_circle_outline
remove_circle_outline
remove_circle_outline
remove_circle_outline
remove_circle_outline

Article Types

Countries / Regions

remove_circle_outline
remove_circle_outline
remove_circle_outline
remove_circle_outline
remove_circle_outline
remove_circle_outline

Search Results (1,460)

Search Parameters:
Keywords = core damage

Order results
Result details
Results per page
Select all
Export citation of selected articles as:
12 pages, 300 KB  
Article
Medicalized Death and the Reification of Spiritual Bonds: Contemporary Korean Funeral Rites
by Jinil Choi and Jina Choi
Religions 2026, 17(3), 353; https://doi.org/10.3390/rel17030353 - 12 Mar 2026
Abstract
As a critical review and theoretical reflection, this study explores the transformation of funeral rites in contemporary Korean society and analyzes how ‘Filial Piety,’ a core Confucian value, has been reshaped by the mechanisms of medicalization and capitalism. Traditionally, in the Confucian worldview, [...] Read more.
As a critical review and theoretical reflection, this study explores the transformation of funeral rites in contemporary Korean society and analyzes how ‘Filial Piety,’ a core Confucian value, has been reshaped by the mechanisms of medicalization and capitalism. Traditionally, in the Confucian worldview, death was not a biological termination but a religious process of advancing toward immortality through descendants’ ‘remembrance and representation.’ This paper identifies ‘cultural hybridity,’ where contemporary Korean funerals combine various religious traditions such as Christianity and Buddhism with secular forms, as positive evidence that the aspiration for spiritual bonds still persists. On the other hand, it establishes that the primary cause of damaging the public significance of death is not this mixture of rituals but ‘funeral capitalism’ based on market logic and medicalization. The study criticizes the fact that capitalist secularity has replaced the practice of Filial Piety with ‘reified consumption,’ thereby excluding those lacking economic means from the process of death. Conclusively, this study suggests the restoration of ‘spiritual publicness’ based on non-material continuing bonds and communal mourning, rather than material display. Full article
(This article belongs to the Section Religions and Health/Psychology/Social Sciences)
19 pages, 14023 KB  
Article
Revealing the Selenium-Mediated Regulatory Mechanisms of P. stratiotes in Response to Nanoplastics Stress from Multiple Perspectives of Transcriptomics, Metabolomics, and Plant Physiology
by Sixi Zhu, Zhipeng Ban, Haobin Yang, Junwei Zhang and Wenhui Lu
Toxics 2026, 14(3), 244; https://doi.org/10.3390/toxics14030244 - 11 Mar 2026
Abstract
As emerging pollutants, nanoplastics (NPs) are profoundly threatening aquatic ecosystems. However, the systematic response mechanisms of aquatic floating macrophytes to NP stress and the mitigation strategies of nanoselenium (Se) remain poorly understood. This study used P. stratiotes, a dominant species in freshwater [...] Read more.
As emerging pollutants, nanoplastics (NPs) are profoundly threatening aquatic ecosystems. However, the systematic response mechanisms of aquatic floating macrophytes to NP stress and the mitigation strategies of nanoselenium (Se) remain poorly understood. This study used P. stratiotes, a dominant species in freshwater ecological restoration, as the research object. By intervening in NP stress via foliar application of Se, the study systematically deciphered the plant’s response and mitigation mechanisms to NPs pollution through integrating physiological and biochemical analyses, ultrastructural observation of cells, and transcriptomic and metabolomic multi-omics techniques. The results showed that NP stress significantly reduced photosynthetic pigment concentration and inhibited photosystem function in Pistia stratiotes L., disrupted energy metabolism homeostasis, and simultaneously induced an outburst of reactive oxygen species (ROS). It activated non-enzymatic antioxidant substances such as flavonoids and glutathione (GSH), as well as enzymatic defense systems including catalase (CAT) and peroxidase (POD), promoting the reprogramming of the plant’s metabolic strategy from growth priority to defense dominance. At the transcriptomic level, NP stress significantly altered the gene expression profile, with core pathways enriched in photosynthesis antenna proteins and phenylpropanoid biosynthesis. Metabolomic analysis revealed significant differences in metabolites, with markedly upregulated contents of defense-related metabolites such as lipids and terpenoids. The intervention of NPs-Se effectively restored photosynthetic pigment contents and enzyme activities, alleviated cell membrane damage by repairing the photosynthetic apparatus, optimizing ribosome-mediated protein synthesis pathways, and strengthening the antioxidant defense network. Meanwhile, it regulated the expression of specific genes and the accumulation of core differential metabolites, reconstructed the balance between energy supply and defense investment, enabling the plant to achieve more efficient adaptive regulation. Multi-omics correlation analysis further confirmed that the responses of P. stratiotes to NPs and NPs-Se exhibited characteristics of coordinated regulation, highlighting the modular regulatory patterns of nano-stress responses. In conclusion, Se can effectively alleviate the stress damage of nanoplastics to P. stratiotes through multi-dimensional regulation, providing a key experimental basis and theoretical support for the ecological restoration of NP-polluted water bodies and ecological risk assessment. Full article
(This article belongs to the Special Issue Environmental Behavior and Migration Mechanism of Microplastics)
Show Figures

Figure 1

19 pages, 3596 KB  
Article
Experimental Study on Mechanical Properties of Double-Stage Yield Buckling Restrained Braces
by Yangyang Zhang, Runyu Cheng and Wenlong Shi
Buildings 2026, 16(6), 1106; https://doi.org/10.3390/buildings16061106 - 11 Mar 2026
Abstract
With the growing demand for seismic resilience in urban building structures, the development of high-performance energy-dissipation components has become critical for enhancing structural safety and mitigating earthquake-induced damage. Traditional buckling restrained braces (BRBs) are typically designed to remain elastic under frequent earthquakes, limiting [...] Read more.
With the growing demand for seismic resilience in urban building structures, the development of high-performance energy-dissipation components has become critical for enhancing structural safety and mitigating earthquake-induced damage. Traditional buckling restrained braces (BRBs) are typically designed to remain elastic under frequent earthquakes, limiting their ability to dissipate early seismic energy input. To address this limitation, a novel friction-damped double-stage yield buckling restrained brace (FD-DYBRB) is proposed by integrating friction dampers (FDs) with a conventional BRB. The mechanical performance of both the traditional BRB and the proposed FD-DYBRB was investigated through cyclic loading tests. Additionally, to evaluate the performance differences among various configurations, a cross-shaped double-stage yield BRB was also tested for comparison. The experimental results demonstrate that the proposed FD-DYBRB design is highly effective, exhibiting plump hysteretic curves and distinct double-stage yielding characteristics. Specifically, the FD-DYBRB possesses an initial stiffness ranging from 249.38 kN/mm to 250.31 kN/mm, which is comparable to traditional BRBs. Under small displacements, its equivalent damping ratio increases by approximately 7% for every 50 kN increase in friction force, achieving continuous early-stage energy dissipation. Furthermore, the proposed brace realizes full-process energy dissipation by maintaining stable average tensile and compressive capacities of 87.08 kN and 84.50 kN, respectively, even after the core plate fractures. Compared to the traditional BRB, the maximum dissipated energy of the FD-DYBRB increases by 23.55% to 54.75%, and its maximum equivalent damping ratio exceeds that of the cross-shaped DYBRB by 5%. These findings offer a reliable technical solution for improving the seismic performance of high-rise and long-span buildings, ultimately helping to mitigate structural damage and protect life and property during seismic events. Full article
Show Figures

Figure 1

22 pages, 2867 KB  
Article
SDR-Net: A Stage-Wise Degradation-Aware Restoration Network for Robust License Plate Recognition in Complex Port Environments
by Hyungseok Kim, Sungan Yoon and Jeongho Cho
Mathematics 2026, 14(6), 934; https://doi.org/10.3390/math14060934 - 10 Mar 2026
Abstract
Port areas are core hubs for national logistics and high-risk security zones that require constant vehicle access control. However, ensuring the reliability of automatic license plate recognition (ALPR) systems in port environments is severely challenged by complex image degradations, such as dense haze, [...] Read more.
Port areas are core hubs for national logistics and high-risk security zones that require constant vehicle access control. However, ensuring the reliability of automatic license plate recognition (ALPR) systems in port environments is severely challenged by complex image degradations, such as dense haze, low light, and motion blur. In this study, we propose a stage-wise degradation-aware restoration network (SDR-Net), which effectively addresses harsh port conditions by sequentially restoring photometric and structural degradations. Particularly, SDR-Net first secures visual cues lost to haze and low light through a photometric restoration module involving a dark-channel-prior-based dehazing and adaptive brightness adjustment. Next, a structural restoration module based on a generative adversarial network featuring edge-guided structural feature blocks and edge-aware refinement blocks is employed to precisely reconstruct character strokes and outlines damaged by motion blur, stably restoring license plate legibility even under complex degradation conditions. Experiments across various intensities of complex degradation demonstrate that SDR-Net maintains high character recognition accuracies of over 97.35% under mild motion blur and low-concentration haze conditions, indicating its superiority over state-of-the-art models. Notably, the performance gap between SDR-Net and comparison models widened as the degradation intensity increased, and SDR-Net achieved the highest multiscale structural similarity index scores across all intervals. Full article
(This article belongs to the Section E1: Mathematics and Computer Science)
Show Figures

Figure 1

21 pages, 6238 KB  
Article
Mechanical Performance and Microstructure Evolution of High-Ferrite Portland Cement Concrete Under the Coupled Abrasion and Freeze–Thaw Cycling Conditions
by Xingdong Lv, Yun Dong and Zeyu Fan
Materials 2026, 19(5), 1044; https://doi.org/10.3390/ma19051044 - 9 Mar 2026
Viewed by 144
Abstract
This study investigates the performance and microstructure evolution of high-ferrite Portland cement (HFC) concrete under the coupled action of abrasion and freeze–thaw cycles (CAA-FTC). The 3D surface morphology of deteriorated concrete was studied; abrasion depth and volume loss evolution data were collected, while [...] Read more.
This study investigates the performance and microstructure evolution of high-ferrite Portland cement (HFC) concrete under the coupled action of abrasion and freeze–thaw cycles (CAA-FTC). The 3D surface morphology of deteriorated concrete was studied; abrasion depth and volume loss evolution data were collected, while analyzing the abrasion depth fractal dimension. The characteristics of hydration products were determined using mercury intrusion porosimetry and 29Si nuclear magnetic resonance method. The ITZ’s micromechanical properties and thickness were investigated via nanoindentation and SEM-EDS. The results show that under the CAA-FTC conditions, concrete deterioration is significantly exacerbated, leading to increased abrasion depth and volume loss compared to single-factor abrasion. A significant inverse relationship between the abrasion depth fractal dimension and abrasion resistance was revealed. Under CAA-FTC conditions, CG1 and CD1 exhibit increased total porosity with enlarged large pore proportions and reduced medium pores, whereas HFC1 outperforms HFC2-based concrete, showing 8.2–26.4% higher abrasion resistance and 6.5–12.0% greater nanoindentation elastic modulus in the ITZ. Regarding the deterioration factors’ influence weight, abrasion time exhibits a deterioration weight 4.8 times to 10.0 times greater than freeze–thaw cycling, making the former a dominant factor and the latter a secondary contributor. Mechanistically, freeze–thaw cycles reduce the average molecular chain length of C-S-H gel, increase harmful pores and total porosity, and degrade the ITZ’s microstructure, while abrasion causes surface-to-core physical damage and freeze–thaw cycling induces core-to-surface expansive damage. This interaction results in surface scaling, mortar spalling, and structural loosening, significantly reducing physical and mechanical properties of the concrete under study. Full article
(This article belongs to the Special Issue Eco-Friendly and Sustainable Concrete: Progress and Prospects)
Show Figures

Figure 1

18 pages, 2480 KB  
Article
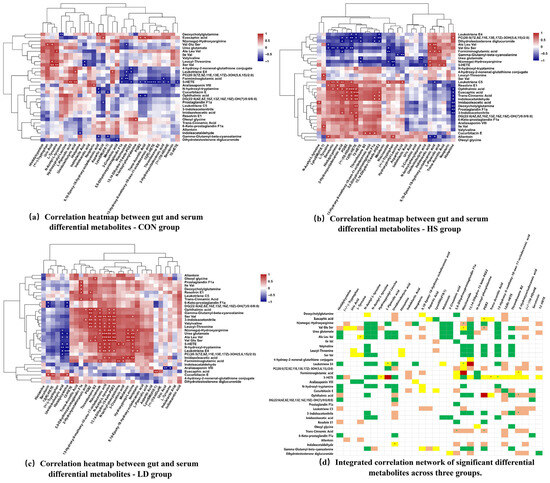
Modulating Gut–System Axis Metabolic Disorders: Multi-Omics Reveals the Mechanism of Mung Bean Polyphenols in Alleviating Heat Stress-Induced Damage
by Ying Li, Shu Zhang, Tianxin Fu, Yuchao Feng and Changyuan Wang
Foods 2026, 15(5), 902; https://doi.org/10.3390/foods15050902 - 5 Mar 2026
Viewed by 200
Abstract
Heat stress-induced systemic metabolic disorder serves as the core pathological basis of organismal damage. Although mung bean polyphenols (MBPs) had been preliminarily validated in cellular heat-stress models for their intestinal tissue-protective potential, whether they can alleviate heat-stress injury in vivo by remodeling the [...] Read more.
Heat stress-induced systemic metabolic disorder serves as the core pathological basis of organismal damage. Although mung bean polyphenols (MBPs) had been preliminarily validated in cellular heat-stress models for their intestinal tissue-protective potential, whether they can alleviate heat-stress injury in vivo by remodeling the metabolic crosstalk network between the gut and systemic circulation remains mechanistically unclear. In this study, we innovatively employed an integrated multi-omics approach combining physiological phenotype, gut metabolome, and serum metabolome analyses based on a Balb/c heat stress (41 °C) mouse model, systematically constructing the metabolic phenotype regulatory network of MBPs. The results demonstrated that MBPs not only significantly improved oxidative stress (elevating GSH-Px and T-AOC, reducing MDA), immune-inflammation (down-regulating IL-1β and TNF-α), and stress hormone (lowering cortisol) phenotypes, but also specifically reversed the disturbances in intestinal and serum metabolic profiles induced by heat stress, particularly restoring key pro-inflammatory mediators such as Leukotriene E4 and 5-HETE. Arachidonic acid metabolism, tryptophan metabolism, histidine metabolism, and Fc epsilon RI signaling pathway constituted the core network of heat-stress metabolic disorder and MBP regulation. Furthermore, the study revealed that alterations in hub metabolites—Indolelactic Acid, Trans-Cinnamic Acid, Leukotriene E4, 5-HETE, and N(omega)-Hydroxyarginine—were significantly correlated with phenotypic improvements. This confirms that mung bean polyphenols dynamically dismantle the “pro-inflammatory-oxidative stress” pathological coupling by constructing a novel protective axis centered on the indole metabolism–melatonin–endogenous antioxidant system and successfully established a novel protective axis driven by gut-derived beneficial metabolites that promotes systemic antioxidant function, thereby elucidating the systemic mechanism underlying the alleviation of heat-stress injury at the metabolic network level. Full article
Show Figures

Figure 1

23 pages, 2715 KB  
Review
Gel Microspheres as Multifunctional Carriers for Photodynamic Therapy: Advancing Hepatocellular Carcinoma Treatment
by Shijie Fan, Qiuting Ye, Jieling Lao, Xuanzhuang Wu, Pan Wu and Yongxiang Zhao
Gels 2026, 12(3), 214; https://doi.org/10.3390/gels12030214 - 5 Mar 2026
Viewed by 228
Abstract
Conventional hepatocellular carcinoma (HCC) treatments suffer from insufficient efficacy and severe toxic side effects. This review addresses these issues by focusing on gel microsphere-mediated photodynamic therapy (PDT) as a novel strategy. It outlines the core properties, classifications, and stimulus-responsive mechanisms of gel microspheres, [...] Read more.
Conventional hepatocellular carcinoma (HCC) treatments suffer from insufficient efficacy and severe toxic side effects. This review addresses these issues by focusing on gel microsphere-mediated photodynamic therapy (PDT) as a novel strategy. It outlines the core properties, classifications, and stimulus-responsive mechanisms of gel microspheres, as well as their structure-function compatibility with photosensitizers. The work highlights how gel microspheres enable targeted delivery, tumor microenvironment-responsive release, and synergistic effects with chemotherapy, radiotherapy, and immunotherapy to enhance therapeutic efficacy while reducing off-target damage. Additionally, it discusses current challenges including material parameter controllability and clinical translation hurdles, providing insights for the development of precise and personalized HCC treatments. Full article
(This article belongs to the Section Gel Applications)
Show Figures

Figure 1

18 pages, 3778 KB  
Article
Unraveling the Molecular Mechanisms Linking Cigarette Smoke Exposure to Skin Damage
by Ziyi Tan, Yuping Wei, Shengan Zhang, Jianping Song and Wei Zhu
Int. J. Mol. Sci. 2026, 27(5), 2392; https://doi.org/10.3390/ijms27052392 - 4 Mar 2026
Viewed by 173
Abstract
CS is an environmental pollutant everywhere, but we still do not fully know how it hurts our skin. This study integrates LC-MS, network toxicology, molecular docking, and experimental validation in order to understand how CS causes skin involvement at the molecular level. By [...] Read more.
CS is an environmental pollutant everywhere, but we still do not fully know how it hurts our skin. This study integrates LC-MS, network toxicology, molecular docking, and experimental validation in order to understand how CS causes skin involvement at the molecular level. By searching a database, constructing a PPI network and analyzing GO/KEGG, we found 57 candidate targets related to CS-induced skin damage. We found that STAT3, AKT1, TP53, CASP3 and IL-6 play the core roles, and PI3K-Akt, p53, JAK-STAT and apoptosis pathways may be crucial. Molecular docking analysis confirmed strong interactions between components of CS and these key targets. In vitro validation using HaCaT cells showed that CS exposure decreased expressions of STAT3 and AKT, but increased p53, CASP3 and IL-6. The inhibition of PI3K-AKT- and JAK-STAT-related responses, coupled with the initiation of p53-driven apoptosis, led to the observed cytotoxicity, functional impairment, oxidative stress and inflammation, which induced and aggravated skin damage. These findings provide a new perspective on the harmful effects of CS on the skin, providing both a theoretical basis for strengthening regulatory measures to limit exposure and opening new avenues for exploring relevant prevention strategies. Full article
(This article belongs to the Section Molecular Toxicology)
Show Figures

Figure 1

23 pages, 6550 KB  
Article
Road Marking Distress Detection and Assessment Based on UAV Imagery
by Yunfan Nie, Wangjie Wu, Jinhuan Shan, Hongxin Peng, Feiyang Guo, Yaohan Liu and Jingjing Xiao
Materials 2026, 19(5), 992; https://doi.org/10.3390/ma19050992 - 4 Mar 2026
Viewed by 183
Abstract
With the continuous advancement of autonomous driving technology, lane marking-based environment perception has become a critical component of autonomous vehicle systems. However, long-term vehicle loads cause road markings to deteriorate and fade, significantly compromising driving safety. Traditional road marking quality inspection methods are [...] Read more.
With the continuous advancement of autonomous driving technology, lane marking-based environment perception has become a critical component of autonomous vehicle systems. However, long-term vehicle loads cause road markings to deteriorate and fade, significantly compromising driving safety. Traditional road marking quality inspection methods are inefficient and struggle to achieve high-performance, convenient detection. To address these challenges, this paper proposes an integrated framework for road marking detection and evaluation using Unmanned Aerial Vehicle (UAV) imagery. The framework comprises three core modules: lightweight data acquisition, efficient marking extraction, and accurate distress assessment. First, optimized UAV flight parameters enable low-cost, highly flexible, and safe data collection. Second, the YOLOv8-MEB model, combined with instance segmentation screening and local image optimization, achieves lane segmentation precision and recall above 90% with FPS exceeding 60. Furthermore, a standard marking template library is constructed, and a RANSAC-based template matching method with affine transformation is employed to restore intact marking shapes. A contour correction strategy is introduced to mitigate errors induced by construction inaccuracies. The proposed framework supports nine common types of road markings and yields approximately 10% error in distress ratio calculation under non-severe damage conditions, providing a practical technical reference for intelligent road maintenance. Full article
Show Figures

Graphical abstract

39 pages, 4207 KB  
Systematic Review
Management Protocol for Ballistic and Other High-Energy Avulsive Facial Injuries—An Update for the 21st Century
by Thomas Pepper, Michele H. Kim, Dane McMillan, Sarah Cantrell, Angel Scialdone, Angelina Nasthas, Ralph Erdmann, Paul N. Manson and David B. Powers
Craniomaxillofac. Trauma Reconstr. 2026, 19(1), 14; https://doi.org/10.3390/cmtr19010014 - 3 Mar 2026
Viewed by 211
Abstract
High-energy ballistic and avulsive injuries to the face represent some of the most complex challenges in modern reconstructive surgery. Since Robertson and Manson’s 1999 management protocol, extensive military experience and technological advancements have transformed the treatment principles while preserving the core tenets of [...] Read more.
High-energy ballistic and avulsive injuries to the face represent some of the most complex challenges in modern reconstructive surgery. Since Robertson and Manson’s 1999 management protocol, extensive military experience and technological advancements have transformed the treatment principles while preserving the core tenets of staged care. This updated review synthesizes evidence from 36 studies published since 2000, encompassing over two decades of global experience in both military and civilian trauma. Advances in damage-control resuscitation, wound decontamination, and early skeletal stabilization have improved survival and functional outcomes. Modern imaging—particularly intraoperative CT and navigation—enables the precise verification of the reduction and removal of retained fragments, while virtual surgical planning and patient-specific implants allow the accurate restoration of facial buttresses. Early vascularized tissue transfer has reduced contracture and infection rates. Adjuncts such as hyperbaric oxygen therapy, permissive hypotension, and advanced hemostatic agents further optimize recovery. The updated four-phase protocol—resuscitation, reconstitution, reconstruction, and rehabilitation—emphasizes early definitive repair, multidisciplinary collaboration, and the integration of digital planning. These refinements extend Robertson and Manson’s foundational principles into the era of precision surgery, achieving superior aesthetic and functional outcomes for patients with devastating facial injuries. Full article
(This article belongs to the Special Issue Advances in Facial Trauma Surgery)
Show Figures

Figure 1

30 pages, 2924 KB  
Article
Acute Depletion of Cited2 in Embryonic Stem Cells Disrupts Gene Networks Controlling Self-Renewal, Homeostasis, and Early Cell Fate Commitment
by Leonardo Mendes-Silva, Sara M. Brigida, Marlene Trindade, João M. A. Santos, Lucas Rougier, Rui Machado, Ana Luísa Escapa, Agapios Sachinidis, Jessica L. MacDonald and José Bragança
Cells 2026, 15(5), 450; https://doi.org/10.3390/cells15050450 - 3 Mar 2026
Viewed by 308
Abstract
Cited2 is a transcriptional regulator essential for embryonic development and cellular homeostasis. Studies in vertebrate models highlight its critical roles in heart, placental, neural tube, and hematopoietic development. In humans, CITED2 variants are associated with congenital heart disease. Functionally, Cited2 interacts with the [...] Read more.
Cited2 is a transcriptional regulator essential for embryonic development and cellular homeostasis. Studies in vertebrate models highlight its critical roles in heart, placental, neural tube, and hematopoietic development. In humans, CITED2 variants are associated with congenital heart disease. Functionally, Cited2 interacts with the transcriptional co-regulators p300/CBP and modulates the activity of multiple transcription factors. In embryonic stem cells (ESC), Cited2 supports pluripotency, self-renewal, and differentiation potential. Here, we performed comparative transcriptomic analysis after acute Cited2 depletion in mouse ESC to define its role in maintaining self-renewal, lineage competence, and cell survival. Loss of Cited2 rapidly destabilized the pluripotency network and induced aberrant activation of developmental gene programs. Nodal/Activin pathway targets, including key regulators of mesoderm, cardiac, and neural development, were markedly downregulated, consistent with Cited2-null embryonic phenotypes. Cited2 depletion also altered the expression of genes involved in DNA damage response, immune signaling, and apoptosis, correlating with the increased γH2AX accumulation and decreased cell viability at least in part involving p53. Comparison with p300-, CBP-, and Cited2-depletion datasets revealed only partial overlap between affected gene sets. These results position Cited2 as a core regulator preserving ESC identity, genomic stability, and proper lineage engagement during early differentiation. Full article
Show Figures

Figure 1

19 pages, 7524 KB  
Article
Integrating Network Toxicology, Machine Learning, and Molecular Dynamics to Explore the Molecular Network of Triclosan-Induced Acute Myocardial Infarction
by Qi Zhang, Siwei Zou, Ziyao Yang, Jingbo Cao, Yajuan Fu, Chenjie Feng, Yue Sun and Anning Yang
Int. J. Mol. Sci. 2026, 27(5), 2343; https://doi.org/10.3390/ijms27052343 - 2 Mar 2026
Viewed by 253
Abstract
Triclosan (TCS) exposure is linked to increased acute myocardial infarction (AMI) risk, but underlying mechanisms remain unclear. Here, we integrated network toxicology, machine learning, molecular simulations, and in vitro assays to delineate this pathway. Differential expression analysis and weighted gene co-expression network analysis [...] Read more.
Triclosan (TCS) exposure is linked to increased acute myocardial infarction (AMI) risk, but underlying mechanisms remain unclear. Here, we integrated network toxicology, machine learning, molecular simulations, and in vitro assays to delineate this pathway. Differential expression analysis and weighted gene co-expression network analysis (WGCNA) identified 37 candidate genes, which were refined via machine learning to 8 core regulators (including PTGS2). Molecular docking and molecular dynamics (MD) simulations confirmed high-affinity, stable binding of TCS to PTGS2. In cardiomyocytes, TCS upregulated PTGS2 and the injury marker cTnI, an effect reversed by the PTGS2 inhibitor celecoxib. These findings establish PTGS2 as a critical mediator of TCS-induced cardiomyocyte injury, providing a potential therapeutic target for TCS-associated cardiovascular damage. Full article
(This article belongs to the Section Molecular Toxicology)
Show Figures

Figure 1

14 pages, 888 KB  
Review
TSPY-like 2, Beyond the Histone Chaperone Role
by Emanuele Bonenti, Miriana Cardano, Giacomo Buscemi and Laura Zannini
Biomolecules 2026, 16(3), 378; https://doi.org/10.3390/biom16030378 - 2 Mar 2026
Viewed by 169
Abstract
Chromatin is a dynamic cellular structure basically constituted by nucleosomes, which consist of a DNA sequence wrapped around an octameric histones core. Histone synthesis and transport, nucleosome formation and proper chromatin assembly is an ordered and stepwise process guided by histone chaperones. Several [...] Read more.
Chromatin is a dynamic cellular structure basically constituted by nucleosomes, which consist of a DNA sequence wrapped around an octameric histones core. Histone synthesis and transport, nucleosome formation and proper chromatin assembly is an ordered and stepwise process guided by histone chaperones. Several families of histone chaperones have been identified and one of them is the nucleosome assembly protein (NAP) superfamily. Members of this family have been involved not only in chromatin constitution and regulation but also in several other cellular processes, such as nucleocytoplasmic shuttling, DNA replication, transcription and cell-cycle regulation. Testis specific protein Y-like 2 (TSPYL2) is a peculiar member of the NAP superfamily of histone chaperone. This protein has been initially isolated as a nuclear antigen in patients affected by discoid lupus erythematosus and as a TGF-β target. Its ability to bind histones has been demonstrated. In addition, TSPYL2 has been reported to regulate transcription, cell-cycle progression and the DNA-damage response, independently of its role in chromatin organization. In accordance with its multiple functions, defects in TSPYL2 have been associated with different diseases, mainly cancer and neurodevelopmental abnormalities. In this review we summarize and discuss the multiple cellular functions of TSPYL2, pointing out new and unexpected aspects like a sex-related activity and their relationship with different diseases. Full article
(This article belongs to the Section Molecular Biology)
Show Figures

Figure 1

20 pages, 3325 KB  
Review
Intelligent Monitoring and Early Warning Diagnosis Technology for Ethylene Cracking Furnace Tubes: A Review of Current Status and Future Prospects
by Jia-Kuan Ren, Xiu-Qing Xu, Zhi-Hong Li, Peng Wang, Guang-Li Zhang, Li-Juan Zhu, Zhen-Quan Bai and Fang-Wei Luo
Processes 2026, 14(5), 811; https://doi.org/10.3390/pr14050811 - 2 Mar 2026
Viewed by 185
Abstract
As the “flagship” unit of the petrochemical industry, the operational status of ethylene cracking furnaces directly impacts the stability and efficiency of the entire production chain. During long-term operation under extreme temperatures and complex reaction environments, cracking furnace tubes face core bottlenecks primarily [...] Read more.
As the “flagship” unit of the petrochemical industry, the operational status of ethylene cracking furnaces directly impacts the stability and efficiency of the entire production chain. During long-term operation under extreme temperatures and complex reaction environments, cracking furnace tubes face core bottlenecks primarily related to thermal and coking effects, such as coke deposition, tube metal overheating, and associated creep damage, which restrict the long-term, safe, and efficient operation of the unit. This paper systematically reviews the key technologies for condition monitoring of cracking furnace tubes, providing an in-depth analysis of various monitoring methods—from traditional infrared thermometry and acoustic emission to emerging optical fiber sensing—covering their working principles, application status, and inherent limitations. Furthermore, it elaborates on the evolution from mechanism-based “white-box” models to data-driven “black-box” models, and further to “gray-box” intelligent diagnostic models that integrate expert knowledge. Industrial application cases of integrated monitoring and diagnostic systems are also introduced. Finally, the paper critically addresses the current severe challenges in data fusion, model generalization, real-time performance, and cost-effectiveness, while outlining future development trends toward digital twins, cross-modal fusion, edge intelligence, and self-evolving systems. The aim is to provide valuable references for technological innovation and engineering applications in this field. Full article
Show Figures

Figure 1

19 pages, 20273 KB  
Review
Immunopathogenesis of Severe Fever with Thrombocytopenia Syndrome: Core Driving Role of Cytokine Storm
by Yuan Ding, Quanman Hu, Yan Hu, Yanyan Yang, Jundong Chen, Fei Zhao, Saiwei Lu, Li Zhang, Shuaiyin Chen and Guangcai Duan
Curr. Issues Mol. Biol. 2026, 48(3), 263; https://doi.org/10.3390/cimb48030263 - 1 Mar 2026
Viewed by 233
Abstract
Severe fever with thrombocytopenia syndrome (SFTS) is a newly discovered tick-borne disease caused by SFTS virus (SFTSV) infection. Patients present with high fever, thrombocytopenia, and multiple organ dysfunction, with a high mortality rate and a lack of specific treatment, all of which indicate [...] Read more.
Severe fever with thrombocytopenia syndrome (SFTS) is a newly discovered tick-borne disease caused by SFTS virus (SFTSV) infection. Patients present with high fever, thrombocytopenia, and multiple organ dysfunction, with a high mortality rate and a lack of specific treatment, all of which indicate that research on the deterioration mechanism and treatment of this disease is urgent. Currently, multiple studies have indicated that cytokine storm is one of the core factors contributing to the deterioration of the disease. SFTSV inhibits the host’s type I interferon response through its non-structural protein NSs, thereby promoting immune evasion and viral replication. Extensive viral stimulation leads to dysfunction and abnormal polarization of immune cells (including monocytes, macrophages, dendritic cells, T cells, and B cells), triggering the massive release of pro-inflammatory factors(such as interleukin-6 (IL-6), tumor necrosis factor-alpha (TNF-α), and interleukin-1 beta (IL-1β)), anti-inflammatory factors (such as interleukin-10 (IL-10)), and chemokines(such as interferon-gamma inducible protein 10 (IP-10), monocyte chemoattractant protein-1 (MCP-1), and interleukin-8 (IL-8)). This cytokine storm exacerbates the imbalance between pro-inflammatory and anti-inflammatory factors, as well as immune paralysis, leading to vascular endothelial damage, microthrombosis, and ultimately, multi-organ failure, which determines the clinical outcome. Simultaneously, specific cytokines and immune cell phenotypes can serve as biomarkers for disease severity and prognosis. In terms of treatment, this article further summarizes the intervention strategies targeting the aforementioned immune links, including intravenous immunoglobulin (IVIG), tocilizumab (targeting the IL-6 receptor), inhibitors of Janus kinase (JAK) and nuclear factor-kappa B (NF-κB) signaling pathways, interferon, neutralizing antibodies, and other immunotherapy methods. By analyzing the dynamic changes and mechanisms of cytokine storm in the course of SFTS, and summarizing current potential immunotherapy methods, this article aims to provide a theoretical framework for the future treatment of SFTS. Full article
(This article belongs to the Special Issue Molecular Research on Virus-Related Infectious Disease)
Show Figures

Figure 1

Back to TopTop