Sign in to use this feature.

Years

Between: -

Subjects

remove_circle_outline
remove_circle_outline
remove_circle_outline
remove_circle_outline
remove_circle_outline
remove_circle_outline
remove_circle_outline
remove_circle_outline
remove_circle_outline

Journals

Article Types

Countries / Regions

Search Results (70)

Search Parameters:
Keywords = buck/boost conversion

Order results
Result details
Results per page
Select all
Export citation of selected articles as:
24 pages, 5112 KB  
Article
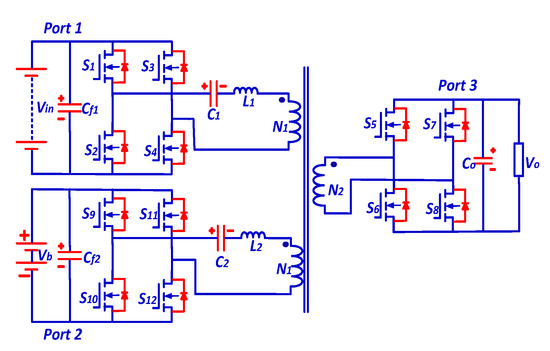
Power Management for V2G and V2H Operation Modes in Single-Phase PV/BES/EV Hybrid Energy System
by Chayakarn Saeseiw, Kosit Pongpri, Tanakorn Kaewchum, Sakda Somkun and Piyadanai Pachanapan
World Electr. Veh. J. 2025, 16(10), 580; https://doi.org/10.3390/wevj16100580 - 14 Oct 2025
Viewed by 264
Abstract
A multi-port conversion system that connects photovoltaic (PV) arrays, battery energy storage (BES), and an electric vehicle (EV) to a single-phase grid offers a flexible solution for smart homes. By integrating Vehicle-to-Grid (V2G) and Vehicle-to-Home (V2H) technologies, the system supports bidirectional energy flow, [...] Read more.
A multi-port conversion system that connects photovoltaic (PV) arrays, battery energy storage (BES), and an electric vehicle (EV) to a single-phase grid offers a flexible solution for smart homes. By integrating Vehicle-to-Grid (V2G) and Vehicle-to-Home (V2H) technologies, the system supports bidirectional energy flow, optimizing usage, improving grid stability, and supplying backup power. The proposed four-port converter consists of an interleaved bidirectional DC-DC converter for high-voltage BES, a bidirectional buck–boost DC-DC converter for EV charging and discharging, a DC-DC boost converter with MPPT for PV, and a grid-tied inverter. Its non-isolated structure ensures high efficiency, compact design, and fewer switches, making it suitable for residential applications. A state-of-charge (SoC)-based power management strategy coordinates operation among PV, BES, and EV in both on-grid and off-grid modes. It reduces reliance on EV energy when supporting V2G and V2H, while SoC balancing between BES and EV extends lifetime and lowers current stress. A 7.5 kVA system was simulated in MATLAB/Simulink to validate feasibility. Two scenarios were studied: PV, BES, and EV with V2G supporting the grid and PV, BES, and EV with V2H providing backup power in off-grid mode. Tests under PV fluctuations and load variations confirmed the effectiveness of the proposed design. The system exhibited a fast transient response of 0.05 s during grid-support operation and maintained stable voltage and frequency in off-grid mode despite PV and load fluctuations. Its protection scheme disconnected overloads within 0.01 s, while harmonic distortions in both cases remained modest and complied with EN50610 standards. Full article
Show Figures

Graphical abstract

20 pages, 2758 KB  
Article
Development of DC-Powered LED Lamp Driver Circuit for Outdoor Emergency Lighting Applications
by Chun-An Cheng, Chien-Hsuan Chang, Hung-Liang Cheng, En-Chih Chang, Hong-Jun Huang, Jie-Heng Du, Hsiang-Lin Chang and Pei-Ying Ye
Appl. Sci. 2025, 15(19), 10522; https://doi.org/10.3390/app151910522 - 28 Sep 2025
Viewed by 361
Abstract
In the event of power outages caused by natural disasters, accidents, or other emergencies, outdoor emergency lighting systems play a critical role in providing illumination to maintain spatial orientation, facilitate evacuation procedures, and help individuals avoid hazardous areas or locate safe shelters. Compared [...] Read more.
In the event of power outages caused by natural disasters, accidents, or other emergencies, outdoor emergency lighting systems play a critical role in providing illumination to maintain spatial orientation, facilitate evacuation procedures, and help individuals avoid hazardous areas or locate safe shelters. Compared to traditional lighting technologies, LED-based outdoor emergency lighting offers several advantages, including compact size, long operational lifespan, low energy consumption, high safety, resistance to breakage, and the absence of chemical residue or pollution. These characteristics align with contemporary trends in environmental sustainability and energy efficiency. This study proposes a novel LED driver circuit architecture for outdoor emergency lighting applications. The primary circuit topology is based on an improved buck-boost converter integrated with a flyback converter, forming a hybrid buck-boost-flyback configuration. The proposed circuit is capable of recycling the energy stored in the transformer’s leakage inductance, thereby enhancing overall power conversion efficiency. A 12 W (20 V/0.6 A) prototype LED driver circuit was designed and implemented to validate the performance of the proposed system. Experimental measurements, including waveform analysis and efficiency evaluation, demonstrate that the driver circuit achieves a high efficiency exceeding 91%. These results confirm the practical feasibility and effectiveness of the proposed electronic driver for LED-based outdoor emergency lighting applications. Full article
(This article belongs to the Special Issue Recent Advances and Applications Related to Light-Emitting Diodes)
Show Figures

Figure 1

21 pages, 6919 KB  
Article
Symmetric Optimization Strategy Based on Triple-Phase Shift for Dual-Active Bridge Converters with Low RMS Current and Full ZVS over Ultra-Wide Voltage and Load Ranges
by Longfei Cui, Yiming Zhang, Xuhong Wang and Dong Zhang
Electronics 2025, 14(15), 3031; https://doi.org/10.3390/electronics14153031 - 30 Jul 2025
Viewed by 674
Abstract
Dual-active bridge (DAB) converters have emerged as a preferred topology in electric vehicle charging and energy storage applications, owing to their structurally symmetric configuration and intrinsic galvanic isolation capabilities. However, conventional triple-phase shift (TPS) control strategies face significant challenges in maintaining high efficiency [...] Read more.
Dual-active bridge (DAB) converters have emerged as a preferred topology in electric vehicle charging and energy storage applications, owing to their structurally symmetric configuration and intrinsic galvanic isolation capabilities. However, conventional triple-phase shift (TPS) control strategies face significant challenges in maintaining high efficiency across ultra-wide output voltage and load ranges. To exploit the inherent structural symmetry of the DAB topology, a symmetric optimization strategy based on triple-phase shift (SOS-TPS) is proposed. The method specifically targets the forward buck operating mode, where an optimization framework is established to minimize the root mean square (RMS) current of the inductor, thereby addressing both switching and conduction losses. The formulation explicitly incorporates zero-voltage switching (ZVS) constraints and operating mode conditions. By employing the Karush–Kuhn–Tucker (KKT) conditions in conjunction with the Lagrange multiplier method (LMM), the refined control trajectories corresponding to various power levels are analytically derived, enabling efficient modulation across the entire operating range. In the medium-power region, full-switch ZVS is inherently satisfied. In the low-power operation, full-switch ZVS is achieved by introducing a modulation factor λ, and a selection principle for λ is established. For high-power operation, the strategy transitions to a conventional single-phase shift (SPS) modulation. Furthermore, by exploiting the inherent symmetry of the DAB topology, the proposed method reveals the symmetric property of modulation control. The modulation strategy for the forward boost mode can be efficiently derived through a duty cycle and voltage gain mapping, eliminating the need for re-derivation. To validate the effectiveness of the proposed SOS-TPS strategy, a 2.3 kW experimental prototype was developed. The measured results demonstrate that the method ensures ZVS for all switches under the full load range, supports ultra-wide voltage conversion capability, substantially suppresses RMS current, and achieves a maximum efficiency of 97.3%. Full article
(This article belongs to the Special Issue Advanced Control Techniques for Power Converter and Drives)
Show Figures

Figure 1

29 pages, 6105 KB  
Review
A Review of Control Strategies for Four-Switch Buck–Boost Converters
by Guanzheng Lin, Yan Li and Zhaoyun Zhang
World Electr. Veh. J. 2025, 16(6), 315; https://doi.org/10.3390/wevj16060315 - 5 Jun 2025
Viewed by 4357
Abstract
In order to meet the demand for high-voltage architectures of 400 V and 800 V in electric vehicle systems, high-power DC-DC converters have become a key focus of research. The Four-Switch Buck–Boost converter has gained widespread application due to its wide voltage conversion [...] Read more.
In order to meet the demand for high-voltage architectures of 400 V and 800 V in electric vehicle systems, high-power DC-DC converters have become a key focus of research. The Four-Switch Buck–Boost converter has gained widespread application due to its wide voltage conversion range, consistent input and output polarity, and the capability of bidirectional power transfer. This paper focuses on the energy conversion requirements in high-voltage scenarios for electric vehicles, analyzing the working principle of this converter and typical control strategies. It summarizes the issues encountered under different control strategies and presents improvements. Hard-switching multi-mode control strategies aim to improve control algorithms and logic to mitigate large duty cycle variations and voltage gain discontinuities caused by dead zones. For control strategies based on controlling the inductor current to achieve soft-switching, the discussion mainly focuses on optimizing the implementation of soft-switching, reducing overall system losses, and improving the computation speed. Finally, the paper summarizes FSBB control strategies and outlines future directions, providing theoretical support for high-voltage fast charging and onboard power supplies in electric vehicles. Full article
(This article belongs to the Special Issue Power Electronics for Electric Vehicles)
Show Figures

Figure 1

30 pages, 707 KB  
Review
Review of Converter Circuits with Power Factor Correction
by Angel Quiroga, Jhon Bayona and Helbert Espitia
Technologies 2025, 13(6), 221; https://doi.org/10.3390/technologies13060221 - 28 May 2025
Cited by 2 | Viewed by 2495
Abstract
This article reviews converter circuits with power factor correction considering issues that arise in implementing such circuits. The Preferred Reporting Items for Systematic Reviews and Meta-Analyses (PRISMA) procedure are employed for the review. Six topologies with power factor correction were considered including boost, [...] Read more.
This article reviews converter circuits with power factor correction considering issues that arise in implementing such circuits. The Preferred Reporting Items for Systematic Reviews and Meta-Analyses (PRISMA) procedure are employed for the review. Six topologies with power factor correction were considered including boost, buck, buck-boost, Cük, dual boost, and totem pole bridgeless. The main findings highlight various implementation alternatives for these converters, taking into account complexity, performance, control strategies, and applications. Additionally, the review identified studies based on simulation and hardware implementation. Several alternatives exist for research to improve energy conversion circuits using conventional techniques such as PI controllers or novel controllers using artificial intelligence techniques such as neural networks. Finally, it should be noted that converter circuits with power factor correction are crucial for developing various electrical and electronic devices in domestic and industrial applications. Full article
(This article belongs to the Collection Electrical Technologies)
Show Figures

Graphical abstract

25 pages, 4440 KB  
Article
PWM–PFM Hybrid Control of Three-Port LLC Resonant Converter for DC Microgrids
by Yi Zhang, Xiangjie Liu, Jiamian Wang, Baojiang Wu, Feilong Liu and Junfeng Xie
Energies 2025, 18(10), 2615; https://doi.org/10.3390/en18102615 - 19 May 2025
Viewed by 815
Abstract
This article proposes a high-efficiency isolated three-port resonant converter for DC microgrids, combining a dual active bridge (DAB)–LLC topology with hybrid Pulse Width Modulat-Pulse Frequency Modulation (PWM-PFM) phase shift control. Specifically, the integration of a dual active bridge and LLC resonant structure with [...] Read more.
This article proposes a high-efficiency isolated three-port resonant converter for DC microgrids, combining a dual active bridge (DAB)–LLC topology with hybrid Pulse Width Modulat-Pulse Frequency Modulation (PWM-PFM) phase shift control. Specifically, the integration of a dual active bridge and LLC resonant structure with interleaved buck/boost stages eliminates cascaded conversion losses. Energy flows bidirectionally between ports via zero-voltage switching, achieving a 97.2% efficiency across 150–300 V input ranges, which is a 15% improvement over conventional cascaded designs. Also, an improved PWM-PFM shift control scheme dynamically allocates power between ports without altering switching frequency. By decoupling power regulation and leveraging resonant tank optimization, this strategy reduces control complexity while maintaining a ±2.5% voltage ripple under 20% load transients. Additionally, a switch-controlled capacitor network and frequency tuning enable resonant parameter adjustment, achieving a 1:2 voltage gain range without auxiliary circuits. It reduces cost penalties compared to dual-transformer solutions, making the topology viable for heterogeneous DC microgrids. Based on a detailed theoretical analysis, simulation and experimental results verify the effectiveness of the proposed concept. Full article
(This article belongs to the Section F3: Power Electronics)
Show Figures

Figure 1

18 pages, 5862 KB  
Article
Evaluation of Indoor Power Performance of Emerging Photovoltaic Technology for IoT Device Application
by Yerassyl Olzhabay, Ikenna Henry Idu, Muhammad Najwan Hamidi, Dahaman Ishak, Arjuna Marzuki, Annie Ng and Ikechi A. Ukaegbu
Energies 2025, 18(5), 1118; https://doi.org/10.3390/en18051118 - 25 Feb 2025
Viewed by 1126
Abstract
The rapid rise in the power conversion efficiency (PCE) of perovskite solar cells (PSCs) has opened the door for diverse potential applications in powering indoor Internet of Things (IoT) devices. An energy harvesting system (EHS) powered by a PSC module with a backup [...] Read more.
The rapid rise in the power conversion efficiency (PCE) of perovskite solar cells (PSCs) has opened the door for diverse potential applications in powering indoor Internet of Things (IoT) devices. An energy harvesting system (EHS) powered by a PSC module with a backup Li-ion battery, which stores excess power at moments of high irradiances and delivers the stored power to drive the load during operation scenarios with low irradiances, has been designed. A DC-DC boost converter is engaged to match the voltage of the PSC and Li-ion battery, and maximum power point tracking (MPPT) is achieved by a perturb and observe (P&O) algorithm, which perturbs the photovoltaic (PV) system by adjusting its operating voltage and observing the difference in the output power of the PSC. Furthermore, the charging and discharging rate of the battery storage is controlled by a DC-DC buck–boost bidirectional converter with the incorporation of a proportional–integral (PI) controller. The bidirectional DC-DC converter operates in a dual mode, achieved through the anti-parallel connection of a conventional buck and boost converter. The proposed EHS utilizes DC-DC converters, MPPT algorithms, and PI control schemes. Three different case scenarios are modeled to investigate the system’s behavior under varying irradiances of 200 W/m2, 100 W/m2, and 50 W/m2. For all three cases with different irradiances, MPPT achieves tracking efficiencies of more than 95%. The laboratory-fabricated PSC operated at MPP can produce an output power ranging from 21.37 mW (50 W/m2) to 90.15 mW (200 W/m2). The range of the converter’s output power is between 5.117 mW and 63.78 mW. This power range can sufficiently meet the demands of modern low-energy IoT devices. Moreover, fully charged and fully discharged battery scenarios were simulated to study the performance of the system. Finally, the IoT load profile was simulated to confirm the potential of the proposed energy harvesting system in self-sustainable IoT applications. Upon review of the current literature, there are limited studies demonstrating a combination of EHS with PSCs as an indoor power source for IoT applications, along with a bidirectional DC-DC buck–boost converter to manage battery charging and discharging. The evaluation of the system performance presented in this work provides important guidance for the development and optimization of new-generation PV technologies like PSCs for practical indoor applications. Full article
(This article belongs to the Special Issue Recent Advances in Solar Cells and Photovoltaics)
Show Figures

Figure 1

22 pages, 1267 KB  
Article
A Hybrid Optimization Strategy for Minimizing Conversion Losses in Semi-Series-Resonant Dual-Active-Bridge Converter
by Shengzhi Zhou, Jianheng Huang, Jiahua Tang and Jihong Wang
Symmetry 2024, 16(11), 1547; https://doi.org/10.3390/sym16111547 - 19 Nov 2024
Viewed by 1438
Abstract
To enhance the performance of resonant DC–DC converters, particularly under low-load conditions, a semi-series-resonant dual-active-bridge (Semi-SRDAB) converter with a hybrid optimization strategy is proposed. This strategy aims to reduce conduction-related losses and is designed for applications requiring a wide voltage range. The proposed [...] Read more.
To enhance the performance of resonant DC–DC converters, particularly under low-load conditions, a semi-series-resonant dual-active-bridge (Semi-SRDAB) converter with a hybrid optimization strategy is proposed. This strategy aims to reduce conduction-related losses and is designed for applications requiring a wide voltage range. The proposed Semi-SRDAB converter comprises a full-bridge inverter on the primary side and a hybrid-output bridge rectifier on the secondary side. It adopts phase-shift modulation combined with frequency modulation for power control. The hybrid optimization strategy for the Semi-SRDAB converter is investigated, beginning with the deduction of resonant current minimization using phasor analysis. Based on these analysis results, zero reactive power operation and soft-switching operation are achieved for both buck and boost modes. Successful validation has been demonstrated through experimental testing on a 300 W laboratory prototype. Enhanced conversion performance is confirmed by comparing the results with those from previous works. Full article
(This article belongs to the Section Engineering and Materials)
Show Figures

Figure 1

25 pages, 12723 KB  
Article
A Dynamic Simulation of a Piezoelectric Energy-Harvesting System Integrated with a Closed-Loop Voltage Source Converter for Sustainable Power Generation
by Ahmed K. Ali, Ali Abdulwahhab Abdulrazzaq and Ali H. Mohsin
Processes 2024, 12(10), 2198; https://doi.org/10.3390/pr12102198 - 10 Oct 2024
Cited by 1 | Viewed by 3738
Abstract
Numerous recent studies address the concept of energy harvesting from natural wind excitation vibration to piezoelectric surfaces, aerodynamic losses, and electromagnetic dampers. All these techniques require a connection to an energy-management circuit. However, the simulation model for energy conversion and management dedicated to [...] Read more.
Numerous recent studies address the concept of energy harvesting from natural wind excitation vibration to piezoelectric surfaces, aerodynamic losses, and electromagnetic dampers. All these techniques require a connection to an energy-management circuit. However, the simulation model for energy conversion and management dedicated to this task has not yet been described. This paper presents a model-based simulation for an energy conversion system using piezoelectric energy-harvester system (PEHS) technology. A controlled pulse width modulation (PWM) rectifier, a closed-loop buck-boost converter, and a piezoelectric transducer comprise a dynamic mathematical model of a PEHS. The control blocks of the closed-loop buck-boost converter use the perturbation and observation (P&O) algorithm based on maximum power point tracking (MPPT), which adapts the operational voltage of the piezoelectric source to deliver the maximum power to load. A simulation program is employed to perform mathematical analysis on various wind vibration scenarios, piezoelectric sources without PWM converters, and piezoelectric vibration sources connected to a closed-loop P&O converter. The crucial results of this paper demonstrated that the proposed dynamic PEHS model effectively fed low-power electronic loads by directly adjusting the output voltage level to the set voltage, even under different vibration severity levels. As a result, the proposed PEHS dynamic model serves as a guideline for researchers in the development of self-powered sensors, which contributes to understanding sustainable energy alternatives. Full article
Show Figures

Figure 1

8 pages, 1440 KB  
Proceeding Paper
Robust & Optimal Predictive Current Control for Bi-Directional DC-DC Converter in Distributed Energy Storage Systems
by Haris Sheh Zad, Abasin Ulasyar, Adil Zohaib, Muhammad Irfan, Zeeshan Yaqoob and Samid Ali Haider
Eng. Proc. 2024, 75(1), 26; https://doi.org/10.3390/engproc2024075026 - 25 Sep 2024
Cited by 1 | Viewed by 1043
Abstract
This article proposes the development of an optimal and robust control approach for the voltage regulation of a bi-directional DC-DC converter for its integration in battery energy storage and electric vehicle charging station applications. The objective of the proposed controller is to enhance [...] Read more.
This article proposes the development of an optimal and robust control approach for the voltage regulation of a bi-directional DC-DC converter for its integration in battery energy storage and electric vehicle charging station applications. The objective of the proposed controller is to enhance the robustness and disturbance rejection capability of the bidirectional buck-boost converter. The inner current control loop adopts the optimal model predictive control (MPC) scheme while the outer voltage control loop has been developed utilizing the robust sliding mode control (SMC) approach. The results of the proposed robust & optimal control approach show better voltage conversion capabilities with improved transient response and steady-state characteristics in the presence of variations in load and disturbances. Full article
Show Figures

Figure 1

10 pages, 3980 KB  
Article
A Method for Improving Radio Frequency Rectification Efficiency in Low-Resistance Loads
by Zhongkui Jiang, Rufan Liu, Yang Yang and Huacheng Zhu
Electronics 2024, 13(13), 2496; https://doi.org/10.3390/electronics13132496 - 26 Jun 2024
Viewed by 1828
Abstract
Present radio frequency (RF) rectifiers usually suffer from poor power conversion efficiency (PCE) at low-resistance loads, and the currently proposed DC-DC converter cannot solve this problem well. Aiming at this above problem, we propose a novel DC-DC converter for rectifiers, which consists of [...] Read more.
Present radio frequency (RF) rectifiers usually suffer from poor power conversion efficiency (PCE) at low-resistance loads, and the currently proposed DC-DC converter cannot solve this problem well. Aiming at this above problem, we propose a novel DC-DC converter for rectifiers, which consists of a Boost–Buck circuit and a Buck circuit cascaded together to maintain high PCE at both high and low load resistance; the converter can also operate over a wide range of input powers. The proposed converter, along with a 2.45 GHz rectifier, was fabricated to verify its performance. With the converter, the load range of the rectifier when the overall PCE is over 50% was extended from 250 Ω–1250 Ω to 5 Ω–3000 Ω. The highest overall PCE reached up to 61% and the overall PCE at a small load of 5 Ω increased from 1.1% to 54%. The proposed converter can be used in wireless power transmission (WPT). Full article
(This article belongs to the Section Power Electronics)
Show Figures

Figure 1

24 pages, 14249 KB  
Article
An Input-Series Output-Parallel DC–DC Converter Based on Fuzzy PID Three-Loop Control Strategy
by Chunxue Wen, Shuhui Li, Peng Wang and Jianlin Li
Electronics 2024, 13(12), 2342; https://doi.org/10.3390/electronics13122342 - 15 Jun 2024
Cited by 3 | Viewed by 1627
Abstract
In order to achieve high and low voltage isolation transformation in DC transmission and distribution networks, a multi module input-series output-parallel (ISOP) system consisting of a buck/boost converter and a CLLLC resonant converter as submodules was studied. This system can ensure that the [...] Read more.
In order to achieve high and low voltage isolation transformation in DC transmission and distribution networks, a multi module input-series output-parallel (ISOP) system consisting of a buck/boost converter and a CLLLC resonant converter as submodules was studied. This system can ensure that the CLLLC converter operates in the optimal state during frequency changes, achieves a soft switching function, and maintains a high conversion efficiency. This article establishes a mathematical model of a cascaded converter, analyzes its gain characteristics, and proposes a fuzzy PID three-loop control strategy to achieve good input voltage and output current sharing in the ISOP system. A simulation model is built on the MATLAB(R2023a)/Simulink platform to verify the effectiveness and superiority of the proposed control strategy. Finally, by building a prototype platform, the feasibility of the ISOP system and the effectiveness of fuzzy PID three-loop control were verified through experiments. Full article
(This article belongs to the Topic Power Electronics Converters)
Show Figures

Figure 1

19 pages, 6482 KB  
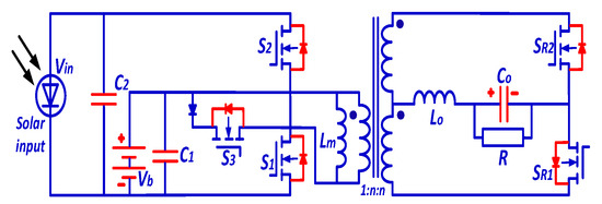
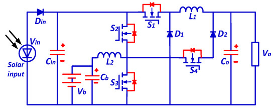
Article
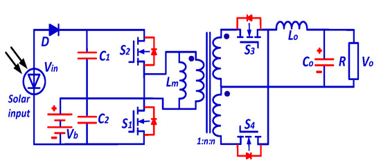
A Three-Port DC-DC Converter with Partial Power Regulation for a Photovoltaic Generator Integrated with Energy Storage
by Donghui Ye and Sergio Martinez
Electronics 2024, 13(12), 2304; https://doi.org/10.3390/electronics13122304 - 12 Jun 2024
Cited by 7 | Viewed by 2556
Abstract
A novel integrated DC-DC converter is proposed for the first stage of two-stage grid connected photovoltaic (PV) systems with energy storage systems. The proposed three-port converter (TPC) consists of a buck–boost converter, interposed between the battery storage system and the DC-AC inverter, in [...] Read more.
A novel integrated DC-DC converter is proposed for the first stage of two-stage grid connected photovoltaic (PV) systems with energy storage systems. The proposed three-port converter (TPC) consists of a buck–boost converter, interposed between the battery storage system and the DC-AC inverter, in series with PV modules. The buck–boost converter in the proposed TPC is utilized for maximum power point tracking by regulating two power switches. The output power of the proposed converter is regulated by controlling the DC-AC converter. During the battery-charging mode, partial power regulation is employed with a direct power flow path (the series-connection of the PV panel, the battery and the output). As resistances in this path are almost negligible, the power conversion efficiency is higher than existing topologies. During battery-discharging mode, the power conversion is processed through a buck–boost converter with only two active power switches and one inductor. With fewer components, higher power conversion efficiency is also achieved. The circuit operation and analysis are presented in detail. To illustrate the simplicity of the converter control, the performance of the converter is tested with a straightforward maximum power point tracking on a PV system with battery cells. Simulation and experimental tests are carried out to demonstrate circuit operation and power conversion efficiency. Full article
(This article belongs to the Special Issue Optimal Integration of Energy Storage and Conversion in Smart Grids)
Show Figures

Figure 1

27 pages, 12794 KB  
Article
An EV SRM Drive and Its Interconnected Operations Integrated into Grid, Microgrid, and Vehicle
by Wei-Kai Gu, Chen-Wei Yang and Chang-Ming Liaw
Appl. Sci. 2024, 14(7), 3032; https://doi.org/10.3390/app14073032 - 4 Apr 2024
Cited by 5 | Viewed by 1866
Abstract
This paper presents an electric vehicle (EV) switched reluctance motor (SRM) drive with incorporated operation capabilities integrated into the utility grid, the microgrid, and another EV. The motor drive DC-link voltage is established from the battery through an interleaved boost/buck converter with fault [...] Read more.
This paper presents an electric vehicle (EV) switched reluctance motor (SRM) drive with incorporated operation capabilities integrated into the utility grid, the microgrid, and another EV. The motor drive DC-link voltage is established from the battery through an interleaved boost/buck converter with fault tolerance. The varied DC-link voltage can improve driving performance and reduce battery energy consumption over a wide speed range. Through a well-designed current control scheme, speed control scheme, and dynamic commutation tuning scheme, the established SRM drive possesses good performance in the motor driving mode. During deceleration, the regenerative braking energy can be effectively recovered to the battery. When the EV is in idle mode, the grid-to-vehicle (G2V) charging operation can be conducted through the bidirectional switch mode rectifier (SMR) and CLLC resonant converter. Satisfactory charging performance with good line drawn power quality and galvanic isolation is preserved. Conversely, the vehicle-to-grid (V2G) discharging operation can be performed. The EV can make movable energy storage device applications. Finally, the interconnected operations of the developed EV SRM drive to vehicle and microgrid are presented. Through vehicle-to-vehicle (V2V) operation, it can supply energy to the nearby EV when the battery is exhausted and needs roadside assistance. In addition, microgrid-to-vehicle (M2V) and vehicle-to-microgrid (V2M) operations can also be conductible. The EV battery can be charged from the microgrid. Conversely, it can also provide energy support to the microgrid. Full article
Show Figures

Figure 1

37 pages, 15103 KB  
Review
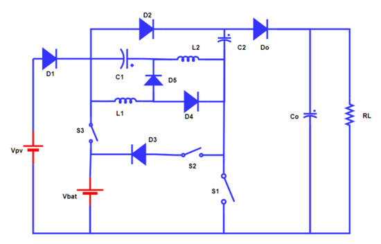
Systematic Review of Bidirectional, Multiport Converter Structures and Their Derivatives: A Case Study of Bidirectional Dual Input Dual Output Converters
by Ali Jawad Alrubaie, Mahmood Swadi, Mohamed Salem, Anna Richelli, Ali Bughneda and Mohamad Kamarol
Energies 2024, 17(7), 1575; https://doi.org/10.3390/en17071575 - 26 Mar 2024
Cited by 10 | Viewed by 2834
Abstract
This study thoroughly compares multiple single bidirectional and multiport converters (MPCs), highlighting the significant role of MPCs in multi-input and multi-output (MIMO) systems. MPCs offer a more efficient and cost-effective solution than multiple single converters, especially in applications involving photovoltaic (PV), electric vehicles [...] Read more.
This study thoroughly compares multiple single bidirectional and multiport converters (MPCs), highlighting the significant role of MPCs in multi-input and multi-output (MIMO) systems. MPCs offer a more efficient and cost-effective solution than multiple single converters, especially in applications involving photovoltaic (PV), electric vehicles (EVs) with storage systems, and power grids. This research emphasizes the importance of multi-input converters (MICs) in integrating diverse voltage sources. It notes the rising popularity of multi-output DC-DC converters in portable electronics, owing to their reduced component count, lower costs, and compact design. This paper emphasizes comparisons based on diverse aspects and applications, shedding light on recent developments in basic bidirectional converters. Additionally, it delves into the advancements in MPC topologies, focusing on efficiency, reliability, and modularity improvements. These advancements are crucial for harnessing cost reduction, simplicity, and compactness. Furthermore, this paper introduces an innovative multiport DC-DC converter tailored for integrating and managing renewable sources. This new converter design enhances PV system and battery storage performance by reducing power conversion steps, using fewer components, and improving voltage-boosting capabilities. Its unique bidirectional buck-boost structure allows for versatile connections between sources and loads with varying voltage and power requirements. The performance of this novel converter is evaluated through MATLAB/Simulink simulations under different scenarios. Experimental studies further validate its effectiveness, marking a significant contribution to power conversion and management in integrating renewable sources such as DC microgrids. Full article
(This article belongs to the Section F: Electrical Engineering)
Show Figures

Figure 1

Back to TopTop