Power Management for V2G and V2H Operation Modes in Single-Phase PV/BES/EV Hybrid Energy System
Abstract
1. Introduction
- 1.
- Design of a novel four-port topology tailored for PV/BES/EV hybrid systems with V2G and V2H functionalities, to support both on-grid and off-grid operations.
- 2.
- Development of a coordinated control strategy that ensures stable bidirectional power flow and fast dynamic response. Also, SoC-based power management can help to reduce battery degradation by reducing DoD and charge/discharge current stress.
- 3.
- Comprehensive performance evaluation through small time-step simulations, demonstrating the performance benefits of the proposed four-port converter in various operating modes.
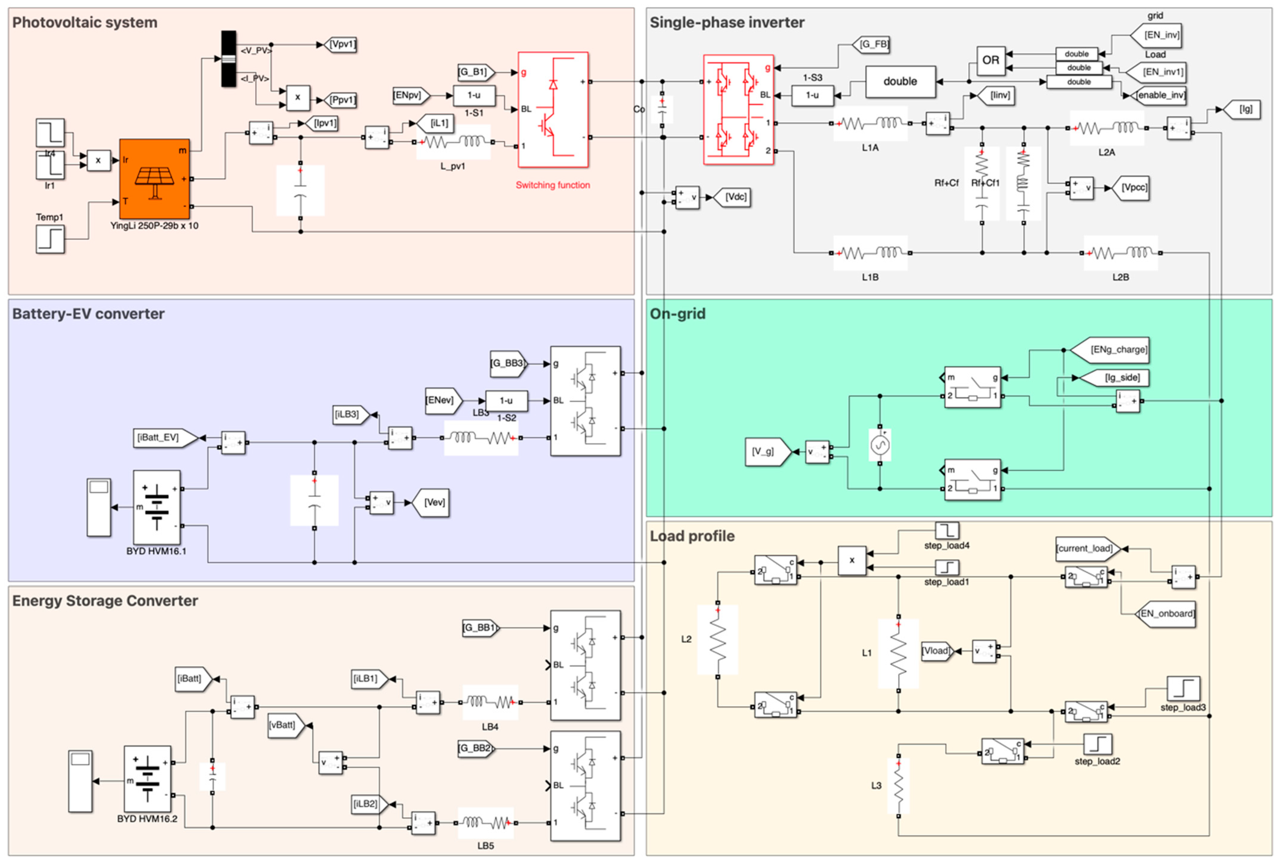
2. Multi-Port Conversion System
2.1. Interleaved Bidirectional DC-DC Converter for High-Voltage BES
2.2. Buck–Boost Bidirectional DC-DC Converter for EV
2.3. DC-DC Boost Converter with MPPT for PV
2.4. Grid-Tied Full Bridge DC-AC Inverter
3. Power Management for V2G and V2H Operation Modes
- 50% > SoC_EV: The system does not allow the EV to discharge power, while the V2G or V2H function is disabled, preserving the EV’s battery for other uses.
- 50% ≤ SoC_EV < 70%: The EV provides a baseline discharge current, The EV contributes a minimal amount of energy back to the system, helping stabilize the grid or meet load demands without draining its battery too quickly.
- 70% ≤ SoC_EV < 90%: The EV discharges at a higher rate with , offering more support to the grid and load.
- 90% ≤ SoC_EV ≤ 100%: The EV provides maximum support with . This mode aims to utilize the high SoC for supporting grid and load efficiently.
3.1. On-Grid Operation with V2G
3.2. Off-Grid Operation with V2H
- If the , the BES and EV assist the power injection to the local load, based on the power-sharing ratio in Table 1. In contrast, BES and EV absorb the surplus power from the PV generation, if and BES are not yet fully charged.
- When and BES are fully charged, the PV is then disconnected to prevent excessive power generation which may increase the system voltage and frequency. Hence, BES and EV assist energy supply with power sharing among them. The PV will resume generating power after the BES’s SoC decreases below the specific value, such as 50%.
- When the BES and EV hit their lower SoC limits, only the PV system supplies power to load.
4. Test System
- 1.
- The interleaved DC-DC bidirectional converter has a capacity of 7 kW. The nominal battery voltage is 300 V, and the DC bus voltage is 500 V. The capacitance of BES side is 150 μF and the capacitance of DC bus is 2000 μF. Each inductance is 2 mH. The PI parameters of voltage control loop are = 13.6435 and = 0.0888, while the current control loop consists of = 0.3760 and = 0.0313. The switching frequency is 20 kHz.
- 2.
- The power rating of the buck–boost DC-DC bidirectional converter is 7 kW. The nominal EV voltage is 400 V. The capacitance of EV side is 390 μF and the inductance is 3 mH. The PI parameters of the current control loop are = 0.9219 and = 0.0768. The switching frequency is 20 kHz.
- 3.
- The capacity of the DC-DC boost converter is 6 kW. The nominal PV voltage is 400 V. At the PV side, the capacitance is 50 μF and the inductance is 2 mH. The PI parameters of voltage control loop are = 1.3329 and = 0.0178, while the current control loop consists of = 0.1633 and = 0.0136. The switching frequency is 20 kHz.
- 4.
- The grid-tied DC-AC full-bridge inverter has a rated capacity of 7.5 kW. The LC filter consists of 1 mH and 20 μF, the PI parameters of voltage control loop are = 0.3732 and = 0.0223, while the current control loop consists of = 0.6732 and = 0.0235. The switching frequency is 20 kHz. Moreover, the PI parameters of the PLL are= 0.4082 and = 0.0011, and the low pass filter time constant, , is 0.0032 s.
5. Case Studies
- The BES and EV absorb the surplus PV power in the system when the load demand is less than the PV generation.
- When the load fluctuates but the inverter continues to supply power, the system must maintain reliability and stability.
- If the inverter’s power supply capacity is insufficient to supply the load demand, the multi-port converter will instantly disconnect.
6. Simulation Results
6.1. Case 1: On-Grid and Islanding Operations with V2G
6.2. Case 2: Off-Grid Operation with V2H
7. Discussion
8. Conclusions
- (1)
- The absence of a detailed battery aging model to quantitatively confirm the extended battery life due to SoC-based power sharing.
- (2)
- The analysis is based on MATLAB/Simulink simulations, and the absence of experimental validation restricts the verification of practical performance under real operating conditions.
- (3)
- The present work does not explicitly address the definition of standardized thresholds for islanding detection and voltage/frequency protection schemes, which may influence the reliability of transitions between grid-connected and islanded operation during unplanned islanding transition.
Author Contributions
Funding
Data Availability Statement
Acknowledgments
Conflicts of Interest
Nomenclature
| Abbreviations | |
| BES | Battery Energy Storage |
| DoD | Depth of Discharge |
| EV | Electric Vehicle |
| IC | Incremental Conductance (MPPT technique) |
| MPPT | Maximum Power Point Tracking |
| P&O | Perturb and Observe (MPPT technique) |
| PI | Proportional-Integral Controller |
| PLL | Phase Locked Loop |
| PWM | Pulse Width Modulation |
| PV | Photovoltaic |
| SoC | State of Charge |
| V2G | Vehicle-to-Grid |
| V2H | Vehicle-to-Home |
| Symbols | |
| Battery capacitance | |
| DC bus capacitance | |
| EV side capacitance | |
| PV side capacitance | |
| Duty ratio of PMW signal | |
| Reference battery current | |
| Reference EV current | |
| Inductor current for PV boost converter | |
| Reference inductor current for grid-tied inverter | |
| Proportional gain of power-sharing ratio | |
| Power contribution from the BES | |
| DC link power delivered by BES and EV | |
| Power contribution from the EV | |
| Excess power flowing back to the grid | |
| Inverter’s power | |
| Inverter’s rated capacity | |
| Load demand | |
| Power from PV | |
| Switches in 2-phase interleaved bidirectional DC-DC converter | |
| Switches in buck–boost bidirectional DC-DC converter for EV | |
| Switch in DC-DC boost converter for PV | |
| Switches in grid-tied full-bridge DC-AC inverter | |
| BES voltage | |
| DC link voltage | |
| Reference DC link voltage | |
| EV voltage | |
| Voltage at the point of common coupling | |
| PV voltage reference | |
References
- International Energy Agency (IEA). World Energy Outlook 2024; IEA: Paris, France, 2024; Available online: https://www.iea.org/reports/world-energy-outlook-2024 (accessed on 14 May 2025).
- International Energy Agency (IEA). Global EV Outlook 2025; IEA: Paris, France, 2025; Available online: https://www.iea.org/reports/global-ev-outlook-2025 (accessed on 28 September 2025).
- Xu, N.Z.; Chung, C.Y. Reliability Evaluation of Distribution Systems Including Vehicle-to-Home and Vehicle-to-Grid. IEEE Trans. Power Syst. 2016, 31, 759–768. [Google Scholar] [CrossRef]
- Sora, J.; Serban, I.; Petreus, D. Enhancing Microgrid Operation through Electric Vehicle Integration: A Survey. IEEE Access 2024, 12, 64897–64912. [Google Scholar] [CrossRef]
- Lu, W. Home Energy Management Combining a Welfare Calculation and Vehicle-to-House Technique for Grid Stability. Appl. Comput. Eng. 2024, 42, 208–219. [Google Scholar] [CrossRef]
- Jiang, W.; Fahimi, B. Multiport Power Electronic Interface—Concept, Modeling, and Design. IEEE Trans. Power Electron. 2011, 26, 1890–1900. [Google Scholar] [CrossRef]
- Bhattacharjee, A.K.; Kutkut, N.; Batarseh, I. Review of Multiport Converters for Solar and Energy Storage Integration. IEEE Trans. Power Electron. 2019, 34, 1431–1445. [Google Scholar] [CrossRef]
- Panchanathan, S.; Vishnuram, P.; Rajamanickam, N.; Bajaj, M.; Blazek, V.; Prokop, L.; Misak, S. A Comprehensive Review of the Bidirectional Converter Topologies for the Vehicle-to-Grid System. Energies 2023, 16, 2503. [Google Scholar] [CrossRef]
- Tasnim, M.N.; Riana, J.M.K.; Shams, T.; Shahjalal, M.; Subhani, N.; Ahmed, M.R.; Iqbal, A. A Critical Review on Contemporary Power Electronics Interface Topologies to Vehicle-to-Grid Technology: Prospects, Challenges, and Directions. IET Power Electron. 2024, 17, 157–181. [Google Scholar] [CrossRef]
- Acharige, S.S.G.; Haque, M.E.; Arif, M.T.; Hosseinzadeh, N.; Saha, S. A Solar PV Based Smart EV Charging System with V2G Operation for Grid Support. In Proceedings of the 2021 31st Australasian Universities Power Engineering Conference (AUPEC), Perth, Australia, 26–30 September 2021; pp. 1–6. [Google Scholar] [CrossRef]
- Nikhare, Y.; Kumar, J.; Samanta, S. A Smart Three-Port Converter for Interconnecting Grid, EV, and Solar-PV for Enhancing System Performance. In Proceedings of the 2023 IEEE Energy Conversion Congress and Exposition (ECCE), Nashville, TN, USA, 29 October–2 November 2023; pp. 39–46. [Google Scholar] [CrossRef]
- Lai, C.-M.; Pan, M.-H.; Chen, Z.-M. A Multi-Port Power Converter with High Voltage Gain. In Proceedings of the 2024 6th International Conference on Electrical, Control and Instrumentation Engineering (ICECIE), Pattaya, Thailand, 19–21 January 2024; pp. 1–6. [Google Scholar] [CrossRef]
- Savrun, M.M.; Inci, M.; Büyük, M. Design and Analysis of a High Energy Efficient Multi-Port DC–DC Converter Interface for Fuel Cell/Battery Electric Vehicle-to-Home (V2H) System. J. Energy Storage 2022, 45, 103755. [Google Scholar] [CrossRef]
- Firdous, Z.; Mekhilef, S.; Mubin, M.B.; Siddique, M.D.; Elsanabary, A.; Ab Aziz, N.F.; Seyedmahmoudian, M.; Stojcevski, A. Multiport Converters Based EV Charging: Architectures, Challenges, Performance Analysis and Emerging Trends. In Proceedings of the 2023 IEEE International Conference on Energy Technologies for Future Grids (ETFG), Wollongong, NSW, Australia, 3–6 December 2023. [Google Scholar]
- Khan, O.; Hredzak, B.; Fletcher, J.E. A Reconfigurable Multiport Converter for Integrated PV/EV/Battery Systems. IEEE Open J. Power Electron. 2025, 6, 811–829. [Google Scholar] [CrossRef]
- Lenka, R.K.; Panda, A.K.; Patel, R.; Guerrero, J.M. PV Integrated Multifunctional Off-Board EV Charger with Improved Grid Power Quality. IEEE Trans. Ind. Appl. 2022, 58, 5520–5532. [Google Scholar] [CrossRef]
- Chaitanya, M.K.; Vinayak, A.S.; Pavan, B.J.G.; Lakshmi, N.N.; Sandeep, K. A Review of Bidirectional DC–DC and DC–AC Converters for V2G and G2V Applications. In Proceedings of the 2023 International Conference on Power, Instrumentation, Energy and Control (PIECON), Chennai, India, 10–12 February 2023. [Google Scholar]
- Narayanaswamy, J.; Mandava, S. Non-Isolated Multiport Converter for Renewable Energy Sources: A Comprehensive Review. Energies 2023, 16, 1834. [Google Scholar] [CrossRef]
- Oliveira, C.F.; Afonso, J.L.; Monteiro, V. Fault Analysis of a Non-Isolated Three-Level DC–DC Converter Integrated in a Bipolar DC Power Grid. In Proceedings of the Sustainable Energy for Smart Cities, Cham, Switzerland, 16–18 November 2022. [Google Scholar]
- Feretti, P.H.; Tofoli, F.L.; Ribeiro, E.R. Family of Non-Isolated High Step-Up DC–DC Converters Based on the Multi-State Switching Cell. IEEE J. Emerg. Sel. Top. Power Electron. 2022, 10, 5882–5893. [Google Scholar] [CrossRef]
- Anosh, A.; Saji, D.; Jexy, A.; PG, J.; Athikkal, S. Improved Gain Non-Isolated Type DC–DC Converter. In Proceedings of the 2024 1st International Conference on Trends in Engineering Systems and Technologies (ICTEST), Kollam, India, 11–13 April 2024. [Google Scholar]
- Collath, N.; Tepe, B.; Englberger, S.; Hepp, J.; Schmitt, J.; Jossen, A.; Hesse, H.C. Aging Aware Operation of Lithium-Ion Battery Energy Storage Systems: A Review. J. Energy Storage 2022, 55, 105634. [Google Scholar] [CrossRef]
- Terkes, M.; Demirci, A.; Gokalp, E. A Comprehensive Review of the Aging Mechanism and Degradation Costs of Fresh and Second-Life Batteries Based on Analytical and Deterministic Methods. Energy Storage 2024, 6, e661. [Google Scholar] [CrossRef]
- Khalid, M.; Panigrahi, B.K. SoC-Based Decentralized Power Management in Multi-BESS-PV for EV Charging Applications. In Proceedings of the 2022 IEEE Global Conference on Computing, Power and Communication Technologies (GlobConPT), New Delhi, India, 23–25 September 2022. [Google Scholar]
- Wibisono, A.; Facta, M.; Setiawan, I. An Average Current Control Method in Multiphase Interleaved Bidirectional DC–DC Converter Connected on DC Microgrids. In Proceedings of the 2021 12th International Renewable Engineering Conference (IREC), Amman, Jordan, 14–15 April 2021. [Google Scholar]
- Prasatsap, U.; Nernchad, N.; Termritthikun, C.; Srita, S.; Kaewchum, T.; Somkun, S. Comparison of Control Configurations and MPPT Algorithms for Single-Phase Grid-Connected Photovoltaic Inverter. Adv. Electr. Comput. Eng. 2023, 23, 55–66. [Google Scholar] [CrossRef]
- Somkun, S.; Chunkag, V. Unified Unbalanced Synchronous Reference Frame Current Control for Single-Phase Grid-Connected Voltage-Source Converters. IEEE Trans. Ind. Electron. 2016, 63, 5425–5436. [Google Scholar] [CrossRef]
- Srita, S.; Somkun, S.; Kaewchum, T.; Rakwichian, W.; Zacharias, P.; Kamnarn, U.; Thongpron, J.; Amorndechaphon, D.; Phattanasak, M. Modeling, Simulation and Development of Grid-Connected Voltage Source Converter with Selective Harmonic Mitigation: HiL and Experimental Validations. Energies 2022, 15, 2535. [Google Scholar] [CrossRef]
- Preitl, S.; Precup, R.-E. An Extension of Tuning Relations after Symmetrical Optimum Method for PI and PID Controllers. Automatica 1999, 35, 1731–1736. [Google Scholar] [CrossRef]
- Åström, K.J.; Hägglund, T. PID Controllers, 2nd ed.; ISA: Research Triangle Park, NC, USA, 1995. [Google Scholar]
- EN 50160; Voltage Characteristics of Electricity Supplied by Public Distribution Networks. European Committee for Electrotechnical Standardization: Brussels, Belgium, 2022.












| SoC of EV | Status | Power-Sharing Ratio (EV:BES) | m |
|---|---|---|---|
| No discharge | 0:1 | 0 | |
| Low | 1:1 | 1 | |
| Medium | 2:1 | 2 | |
| High | 3:1 | 3 |
| Time | Events |
|---|---|
| 0.1 s | EV’s battery is connected to the system and prepared for operating in power sharing with BES’s battery. |
| 0.105 s | The grid is connected to the system, and the DC-AC inverter performs in grid-following mode. Since there is no load, the inverter operates at maximum capability to offer grid support. |
| 0.35 s | The load demand steps up to 6.4 kW, which is less than the inverter’s rated capacity, resulting in a surplus of power available for export to the grid. |
| 0.4 s | PV begins to gradually provide power until it reaches 3.5 kW. |
| 0.6 s | The load demand is increased to 12.9 kW, which exceeds the inverter’s rated capacity, requiring assistance from the grid in delivering the remaining power to the loads. |
| 0.8 s | PV power drops by 50%, and the load demand is stepped down to 6.4 kW, resulting in surplus power export to the grid. |
| 1 s | Apply the planned islanding by isolating the converter from the main grid. Therefore, the DC-AC inverter switches to grid-forming mode to fulfill the load demand of about 6.4 kW. |
| Time | Events |
|---|---|
| 0.35 s | The load demand of about 2.16 kW is connected to the system, but PV has yet to provide power. As a result, BES and EV share power to supply load demand and regulate DC bus voltage. |
| 0.4 s | The PV power gradually increases to 4.8 kW causing BES and EV to lower the amount of power supplied to the load. |
| 0.42 s | PV generates more power than the load demand, allowing BES and EV to begin absorbing this excessive power in order to maintain power balancing. |
| 0.6 s | The demand rises to 6.4 kW, which exceeds PV power. Hence, BES and EV share the additional power to meet the remaining demand. |
| 0.9 s | PV generation drops rapidly to 2.5 kW, while the load demand is stepped up to exceed the inverter’s rated capacity (>7.5 kW). The load is immediately disconnected, and PV power is then used to charge EV and BES batteries. |
| Order | Voltage (% HDv) | Current (% HDi) | ||
|---|---|---|---|---|
| On Grid | Off Grid | On Grid | Off Grid | |
| 2 | 0.0017 | 0.0149 | 0.0208 | 0.0182 |
| 3 | 0.0006 | 0.0691 | 0.0243 | 0.0660 |
| 4 | 0.0004 | 0.0032 | 0.0148 | 0.0073 |
| 5 | 0.0002 | 0.0272 | 0.0190 | 0.0320 |
| 6 | 0.0001 | 0.0212 | 0.0771 | 0.0246 |
| 7 | 0.0001 | 0.0176 | 0.0273 | 0.0202 |
| 8 | 0.0001 | 0.0321 | 0.0062 | 0.0384 |
| 9 | 0.0000 | 0.0192 | 0.1693 | 0.0196 |
| 10 | 0.0000 | 0.0379 | 0.0670 | 0.0469 |
| 11 | 0.0000 | 0.0145 | 0.1684 | 0.0208 |
| % THD | 0.0019 | 0.1828 | 0.4707 | 0.2444 |
| Feature/Metric | PV-Integrated Multifunctional Off-Board EV Charger [16] | Proposed Four-Port Converter (This Work) |
|---|---|---|
| System scale | 3-phase 12.6 kVA, laboratory prototype | 1-phase 7.5 kVA, high resolution simulation model |
| Architecture | Transformer-based seven-level cascade H bridge bidirectional DC-AC converter, buck–boost bidirectional DC–DC converters (BES, EV), diode replaces PV boost stage; galvanic isolation included | Non-isolated dedicated four-port: no galvanic isolation; a simple H bridge bidirectional DC-AC converter, interleaved bidirectional DC-DC converter (BES), buck–boost bidirectional DC-DC converter (EV), boost PV converter |
| Efficiency | 93–95% measured in hardware | Higher efficiency due to fewer conversion stages, no isolation transformer, employing interleaved architecture |
| Dynamic response | Seamless transition between grid-connected and standalone modes; validated experimentally | Fast transition time (0.03–0.05 s), seamless planned islanding transition |
| Power Quality | Harmonic mitigation, reactive power support, unity power factor (UPF) operation | THD voltage < 8%, compliance with EN50610 [31] |
| Battery management | Stationary BES used to reduce EV deep cycling; no explicit SoC-based strategy | SoC-based power sharing between BES and EV reduces DoD and current stress, extending battery lifetime |
| Hardware complexity | High: adaptive notch filter (ANF) and multilevel control | Moderate; simultaneous four-port operation; SoC-based power sharing |
| Safety | Galvanic isolation provides inherent protection, between grid and proposed EV charger | Non-isolated; efficiency and compactness prioritized, with additional fault detection, grounding protections are required |
Disclaimer/Publisher’s Note: The statements, opinions and data contained in all publications are solely those of the individual author(s) and contributor(s) and not of MDPI and/or the editor(s). MDPI and/or the editor(s) disclaim responsibility for any injury to people or property resulting from any ideas, methods, instructions or products referred to in the content. |
© 2025 by the authors. Published by MDPI on behalf of the World Electric Vehicle Association. Licensee MDPI, Basel, Switzerland. This article is an open access article distributed under the terms and conditions of the Creative Commons Attribution (CC BY) license (https://creativecommons.org/licenses/by/4.0/).
Share and Cite
Saeseiw, C.; Pongpri, K.; Kaewchum, T.; Somkun, S.; Pachanapan, P. Power Management for V2G and V2H Operation Modes in Single-Phase PV/BES/EV Hybrid Energy System. World Electr. Veh. J. 2025, 16, 580. https://doi.org/10.3390/wevj16100580
Saeseiw C, Pongpri K, Kaewchum T, Somkun S, Pachanapan P. Power Management for V2G and V2H Operation Modes in Single-Phase PV/BES/EV Hybrid Energy System. World Electric Vehicle Journal. 2025; 16(10):580. https://doi.org/10.3390/wevj16100580
Chicago/Turabian StyleSaeseiw, Chayakarn, Kosit Pongpri, Tanakorn Kaewchum, Sakda Somkun, and Piyadanai Pachanapan. 2025. "Power Management for V2G and V2H Operation Modes in Single-Phase PV/BES/EV Hybrid Energy System" World Electric Vehicle Journal 16, no. 10: 580. https://doi.org/10.3390/wevj16100580
APA StyleSaeseiw, C., Pongpri, K., Kaewchum, T., Somkun, S., & Pachanapan, P. (2025). Power Management for V2G and V2H Operation Modes in Single-Phase PV/BES/EV Hybrid Energy System. World Electric Vehicle Journal, 16(10), 580. https://doi.org/10.3390/wevj16100580

