A Hybrid Optimization Strategy for Minimizing Conversion Losses in Semi-Series-Resonant Dual-Active-Bridge Converter
Abstract
1. Introduction
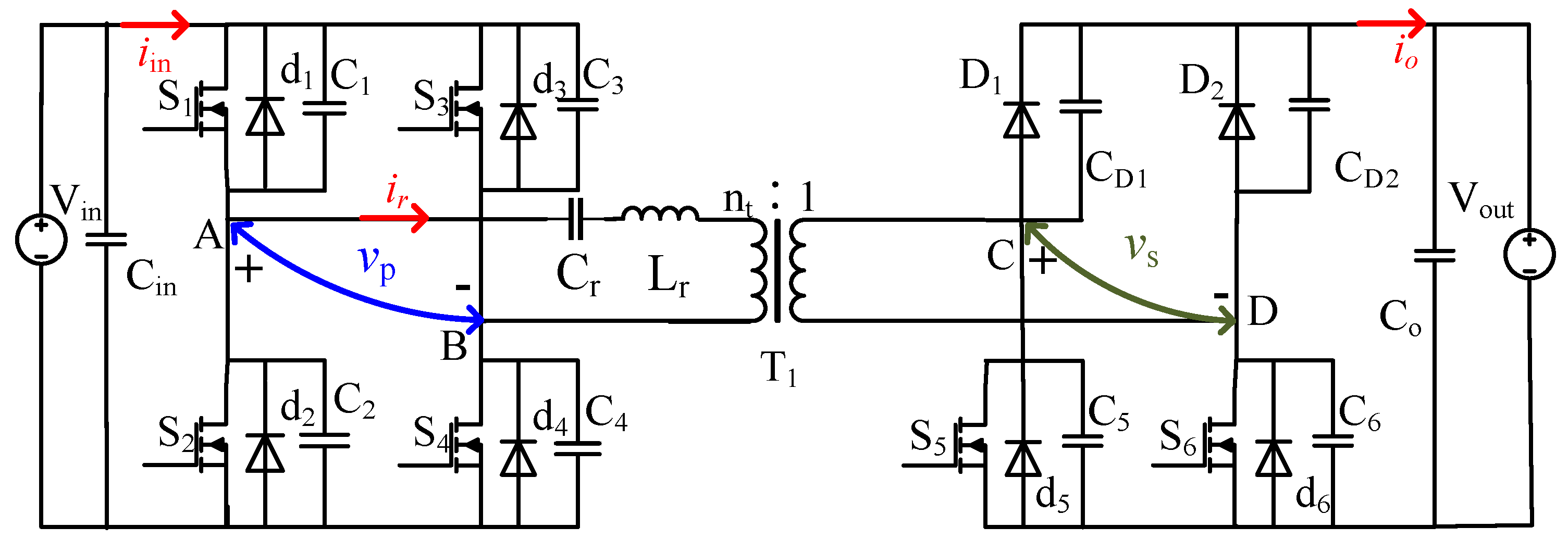
2. Operating Principle of Semi-SRDAB Converter
3. Steady-State Analysis of Semi-SRDAB Converter
4. Hybrid Optimization Strategy of Semi-SRDAB Converter
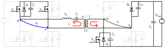
4.1. Resonant Current Optimization with Phasor Analysis
4.2. Reactive Power Minimization
4.3. Switching Behavior Evaluation
4.4. Loss Analysis
5. Design Procedure and Experimental Verification
5.1. Design Procedure
| Parameters | |
|---|---|
| Input voltage | 80 V∼120 V |
| Fixed output voltage | 96 V |
| Turn ratio of transformer | 1.05:1 |
| Voltage gain M | 0.83∼1.25 |
| Rated switching frequency | 50 kHz |
| Rated power | 300 W |
5.2. Experimental Verification
| Components | Implementations |
|---|---|
| Control broad | Altera EP4CE115F23I7N, FPGA |
| MOSFETs () | IPP320N20N, 200 V, = 32 m |
| Diode () | MBR40250, 250 V, = 0.86 V |
| Actual | 70 H, RM14 |
| Actual | 57 nF, MKP |
| HF transformer | Actual turns ratio 21:20, ETD49, N97 |
6. Conclusions
Author Contributions
Funding
Data Availability Statement
Conflicts of Interest
References
- Affam, A.; Buswig, Y.M.; Othman, A.K.B.H.; Julai, N.B.; Qays, O. A Review of Multiple Input DC-DC Converter Topologies Linked with Hybrid Electric Vehicles and Renewable Energy Systems. Renew. Sustain. Energy Rev. 2021, 135, 110186. [Google Scholar] [CrossRef]
- Liu, C.; Liu, C.; Cai, G.; Ying, H.; Zhang, Z.; Shan, R.; Pei, Z.; Song, X. An Isolated Modular Multilevel Converter (I-M2C) Topology Based on High-Frequency Link (HFL) Concept. IEEE Trans. Power Electron. 2020, 35, 1576–1588. [Google Scholar] [CrossRef]
- Wu, J.; Li, X.; Zhou, S.; Hu, S.; Chen, H. Constant-current, constant-voltage operation of a dual-bridge resonant converter: Modulation, design and experimental results. Appl. Sci. 2021, 11, 12143. [Google Scholar] [CrossRef]
- Li, Y.; Hu, J.; Chen, F.; Li, Z.; He, Z.; Mai, R. Dual-Phase-Shift Control Scheme with Current-Stress and Efficiency Optimization for Wireless Power Transfer Systems. IEEE Trans. Circuits Syst. I Regul. 2018, 65, 3110–3121. [Google Scholar] [CrossRef]
- Mousavi-Aghdam, S.R.; Dastgiri, A.; Hoseinpour, M. An improved voltage gain bidirectional DC/DC converter based on voltage multiplier cell for electric vehicle application. Int. J. Model. Simul. 2024, 68, 1353–1357. [Google Scholar] [CrossRef]
- Zhang, J.; Liu, J.; Yang, J.; Zhao, N.; Wang, Y.; Zheng, T.Q. An LLC-LC type bidirectional control strategy for an LLC resonant converter in power electronic traction transformer. IEEE Trans. Ind. Electron. 2018, 65, 8595–8604. [Google Scholar] [CrossRef]
- Wei, Y.; Luo, Q.; Mantooth, A. Hybrid control strategy for LLC converter with reduced switching frequency range and circulating current for hold-up time operation. IEEE Trans. Power Electron. 2021, 36, 8600–8606. [Google Scholar] [CrossRef]
- Zhang, J.; Zhang, F.; Xie, X.; Jiao, D.; Qian, Z. A novel ZVS DC/DC converter for high power applications. IEEE Trans. Power Electron. 2004, 19, 420–429. [Google Scholar] [CrossRef]
- Kulasekaran, S.; Ayyanar, R. Analysis, design, and experimental results of the semidual-active-bridge converter. IEEE Trans. Power Electron. 2015, 29, 5136–5147. [Google Scholar] [CrossRef]
- Sha, D.; Zhang, J.; Sun, T. Multi-mode control strategy for SiC MOSFETs based semi dual active bridge dc-dc converter. IEEE Trans. Power Electron. 2019, 34, 5476–5486. [Google Scholar] [CrossRef]
- Rodriguez-Rodriguez, J.R.; Salgado-Herrera, N.M.; Torres-Jimenez, J.; Gonzalez-Cabrera, N.; Granados-Lieberman, D.; Valtierra-Rodriguez, M. Small-signal Model for Dual-active-bridge Converter Considering Total Elimination of Reactive Current. J. Mod. Power Syst. Clean Energy 2020, 9, 450–458. [Google Scholar] [CrossRef]
- Li, Y.; Wang, R.; Zhong, L.; Mao, L.; Sun, C.; Li, X.; Hu, S. Analysis and Design of a High-Frequency Isolated Dual-Transformer DC-DC Resonant Converter. Electronics 2022, 12, 103–121. [Google Scholar] [CrossRef]
- Wang, R.; Li, Y.; Sun, C.; Hu, S.; Li, X.; Chen, W.; Lv, G. Analysis and Verification of a Half-Dual Bridge Resonant Converter with Voltage Match Modulation. Electronics 2022, 11, 2675. [Google Scholar] [CrossRef]
- Hu, S.; Li, X. Performance evaluation of a semi-dual-bridge resonant DC/DC converter with secondary phase-shifted control. IEEE Trans. Power Electron. 2017, 32, 7727–7738. [Google Scholar] [CrossRef]
- Shi, Z.; Tang, Y.; Guo, Y.; Li, X.; Sun, H. Optimal Design Method of LLC Half-bridge Resonant Converter Considering Backflow Power Analysis. IEEE Trans. Ind. Electron. 2021, 69, 3599–3608. [Google Scholar] [CrossRef]
- Wu, H.; Chen, L.; Xing, Y. Secondary-side phase-shift-controlled dualtransformer-based asymmetrical dual-bridge converter with wide voltage gain. IEEE Trans. Power Electron. 2015, 30, 5381–5392. [Google Scholar] [CrossRef]
- Zhou, S.; Li, X.; Zhong, Z.; Zhuang, X. Wide ZVS operation of a semi dualbridge resonant converter under variable-frequency-phase-shift control. IET Power Electron. 2020, 13, 1746–1755. [Google Scholar] [CrossRef]
- Sha, D.; Zhang, J.; Xu, Y. Improved boundary operation of voltage-fed semi-DAB with ZVS achievement and nonactive power reduction. IEEE Trans. Ind. Electron. 2018, 64, 6179–6189. [Google Scholar] [CrossRef]
- Zhou, S.-Z.; Li, X.; Wang, H.; Huang, P. Modulation of a semi dual-active-bridge resonant converter with soft-switching and zero backflow power. IET Power Electron. 2022, 15, 515–530. [Google Scholar] [CrossRef]
- Lu, M.; Li, X.; Chen, G. A hybrid control of a semi-dual-active-bridge dcdc converter with minimum current stressr. IEEE Trans. Power Electron. 2020, 35, 3085–3096. [Google Scholar] [CrossRef]
- Chan, Y.; Wong, C.; Loo, K. Dual-mode modulation scheme with seamless transition for a tunable immittance-based DAB converter featuring high-efficiency performance over whole output power range. IEEE Trans. Power Electron. 2020, 31, 3776–3786. [Google Scholar] [CrossRef]
- Yaqoob, M.; Loo, K.H.; Lai, Y.M. Fully soft-switched dual- active-bridge seriesresonant converter with switched-impedance-based power control. IEEE Trans. Power Electron. 2018, 33, 9267–9281. [Google Scholar] [CrossRef]
- Erickson, R.W.; Maksimovic, D. Fundamentals of Power Electronics; Springer: Boston, MA, USA, 2001; Available online: http://link.springer.com/10.1007/b100747 (accessed on 31 January 2001).






















| Load Level | PSM ( = 50 kHz) | Hybrid Optimization Strategy () | |||||||
|---|---|---|---|---|---|---|---|---|---|
| (°) | (A) | (W) | (%) | () | (A) | (W) | (%) | ||
| 100% | theor. | 74.35 | 4.25 | - | - | 50.0 | 4.06 | - | - |
| exp. | 78.4 | 4.4 | 18.69 | 93.77% | 50.5 | 4.2 | 14.73 | 95.09% | |
| 75% | theor. | 55.86 | 3.17 | - | - | 52.29 | 2.42 | - | - |
| exp. | 58.1 | 3.5 | 15.17 | 93.26% | 53.8 | 2.8 | 11.91 | 94.71% | |
| 50% | theor. | 11.89 | 3.03 | - | - | 59.46 | 2.23 | - | - |
| exp. | 7.6 | 3.3 | 11.18 | 92.55% | 62.63 | 2.4 | 8.67 | 94.21% | |
| 25% | theor. | −27.38 | 3.91 | - | - | 84.12 | 1.13 | - | - |
| exp. | −33.2 | 4.08 | 7.98 | 89.36% | 89.27 | 1.3 | 4.47 | 94.04% | |
| Load Percentage | 25% | 50% | 75% | 100% |
|---|---|---|---|---|
| Conduction loss | ||||
| Gate loss | ||||
| Switching loss | ||||
| Resonant core loss | ||||
| Transformer core loss | ||||
| Totoal Loss |
| Proposed Modulation | [15] | [16] | [18] | [11] | [21] | [18] | |
|---|---|---|---|---|---|---|---|
| Voltage gain | Wide | Narrow | Narrow | Narrow | Wide | Narrow | Wide |
| Control variables | 3 | 2 | 1 | 2 | 3 | 2 | 3 |
| Computational complexity | Low | Low | Medium | Medium | Medium | Medium | Medium |
| Analytical solution | Yes | No | No | Yes | No | Yes | No |
| Current level | Low | High | High | Medium | Medium | Medium | Medium |
| Reactive Power | No | Yes | No | Yes | Yes | No | Yes |
| Soft-switching range | Full | Narrow | Narrow | Medium | Wide | Wide | Full |
| Conduction loss | Low | High | High | Medium | Medium | Medium | Medium |
| Switching loss | Low | Medium | High | Medium | Medium | Medium | Medium |
| Core loss | Low | Medium | High | Medium | Medium | Medium | Low |
| Efficiency | High | Medium | Medium | Medium | Medium | Medium | High |
Disclaimer/Publisher’s Note: The statements, opinions and data contained in all publications are solely those of the individual author(s) and contributor(s) and not of MDPI and/or the editor(s). MDPI and/or the editor(s) disclaim responsibility for any injury to people or property resulting from any ideas, methods, instructions or products referred to in the content. |
© 2024 by the authors. Licensee MDPI, Basel, Switzerland. This article is an open access article distributed under the terms and conditions of the Creative Commons Attribution (CC BY) license (https://creativecommons.org/licenses/by/4.0/).
Share and Cite
Zhou, S.; Huang, J.; Tang, J.; Wang, J. A Hybrid Optimization Strategy for Minimizing Conversion Losses in Semi-Series-Resonant Dual-Active-Bridge Converter. Symmetry 2024, 16, 1547. https://doi.org/10.3390/sym16111547
Zhou S, Huang J, Tang J, Wang J. A Hybrid Optimization Strategy for Minimizing Conversion Losses in Semi-Series-Resonant Dual-Active-Bridge Converter. Symmetry. 2024; 16(11):1547. https://doi.org/10.3390/sym16111547
Chicago/Turabian StyleZhou, Shengzhi, Jianheng Huang, Jiahua Tang, and Jihong Wang. 2024. "A Hybrid Optimization Strategy for Minimizing Conversion Losses in Semi-Series-Resonant Dual-Active-Bridge Converter" Symmetry 16, no. 11: 1547. https://doi.org/10.3390/sym16111547
APA StyleZhou, S., Huang, J., Tang, J., & Wang, J. (2024). A Hybrid Optimization Strategy for Minimizing Conversion Losses in Semi-Series-Resonant Dual-Active-Bridge Converter. Symmetry, 16(11), 1547. https://doi.org/10.3390/sym16111547

