Sign in to use this feature.

Years

Between: -

Subjects

remove_circle_outline
remove_circle_outline
remove_circle_outline
remove_circle_outline
remove_circle_outline
remove_circle_outline
remove_circle_outline
remove_circle_outline
remove_circle_outline

Journals

remove_circle_outline
remove_circle_outline
remove_circle_outline
remove_circle_outline

Article Types

Countries / Regions

remove_circle_outline
remove_circle_outline
remove_circle_outline

Search Results (189)

Search Parameters:
Keywords = IPOS

Order results
Result details
Results per page
Select all
Export citation of selected articles as:
20 pages, 2409 KB  
Article
Quantifying the Geological Premium in Carbon Footprints of Microtunneling: An EN 15804-Based Case Study in Hard Gravel Formations
by Wen-Sheng Ou
Buildings 2026, 16(7), 1413; https://doi.org/10.3390/buildings16071413 - 2 Apr 2026
Viewed by 209
Abstract
Although trenchless technology is widely recognized for its low-carbon potential, existing assessment models often overlook the significant impact of regional geological variations on energy consumption. Based on the EN 15804 standard and the Input–Process–Output (IPO) model, this study establishes a high-resolution carbon emission [...] Read more.
Although trenchless technology is widely recognized for its low-carbon potential, existing assessment models often overlook the significant impact of regional geological variations on energy consumption. Based on the EN 15804 standard and the Input–Process–Output (IPO) model, this study establishes a high-resolution carbon emission assessment framework focusing on the “Upfront Carbon” stages (Modules A1–A5) of public works. An empirical study was conducted on a sewage microtunneling project in Hualien, Taiwan, characterized by a deep burial depth of 12 m and challenging gravel formations (SPT N-value > 50). Life Cycle Assessment (LCA) principles were adopted to quantify the carbon footprint and benchmark the results against international guidelines from the UK (PJA) and Japan (JSWA). The Life Cycle Inventory (LCI) reveals a unit emission intensity of 349 kgCO2e/m, significantly higher than international benchmarks. Critical findings indicate that this discrepancy is primarily driven by environmental variables—specifically, geological resistance and grid emission factors. Crucially, the sensitivity analysis demonstrates that the physical resistance of the hard gravel layer increased machinery energy intensity by 18.7% compared to baseline soil conditions. This study officially defines this phenomenon as the “Geological Premium.” Additionally, carbon efficiency was found to be profoundly influenced by the regional grid emission factor (Taiwan: 0.495 vs. UK: 0.193 kgCO2/kWh). This research establishes a localized empirical database and validates the necessity of expanding assessment boundaries to include auxiliary works in geologically complex regions. The developed framework provides a scalable solution for optimizing embodied carbon in urban infrastructure, offering policymakers a robust scientific basis for implementing precise “Green Public Procurement” and carbon budgeting strategies. Full article
(This article belongs to the Section Building Structures)
Show Figures

Figure 1

21 pages, 4622 KB  
Article
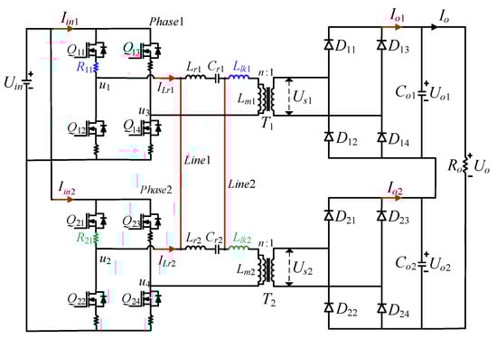
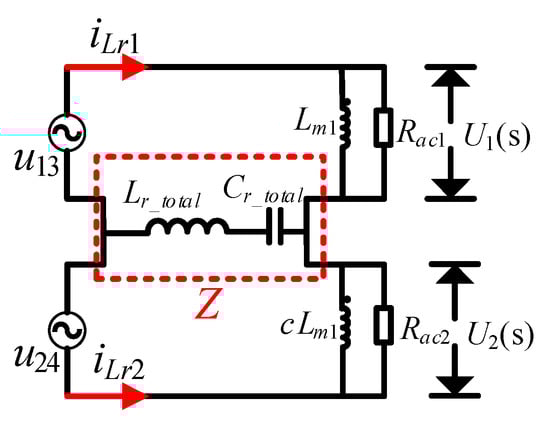
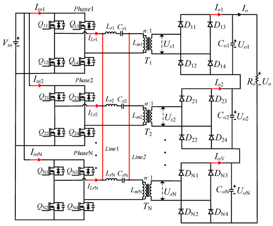
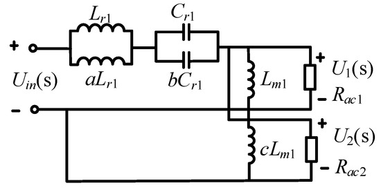
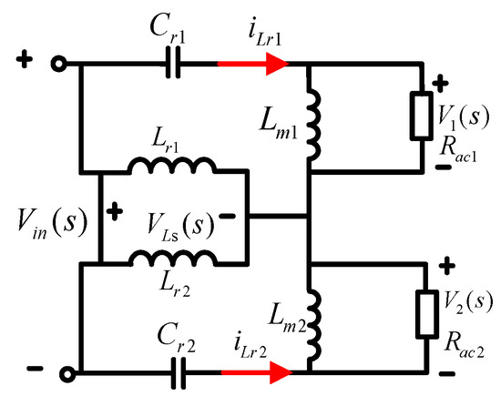
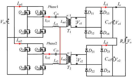
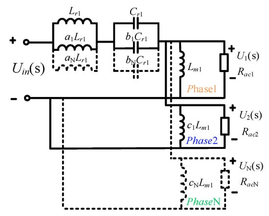
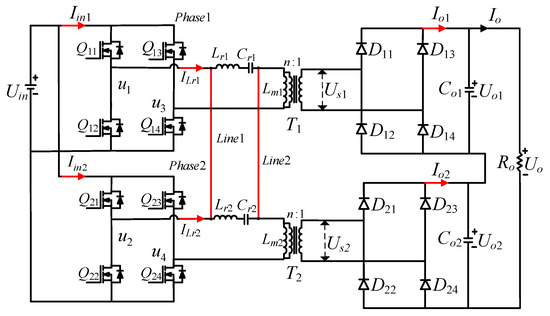
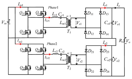
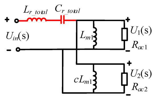
A Mutual Inductance–Capacitance IPOS-Type Self-Balancing LLC Resonant Converter
by Jin Li, Ao Liu and Weiyi Tang
Energies 2026, 19(7), 1731; https://doi.org/10.3390/en19071731 - 1 Apr 2026
Viewed by 281
Abstract
In low-voltage-input, high-voltage-output applications, the input-parallel output-series (IPOS) LLC resonant converter experiences voltage and current imbalances due to parameter mismatches in resonant tank components. To address this issue, a self-balancing IPOS LLC resonant converter based on a shared inductance–capacitance (shared L-C) network is [...] Read more.
In low-voltage-input, high-voltage-output applications, the input-parallel output-series (IPOS) LLC resonant converter experiences voltage and current imbalances due to parameter mismatches in resonant tank components. To address this issue, a self-balancing IPOS LLC resonant converter based on a shared inductance–capacitance (shared L-C) network is proposed. This topology achieves passive voltage and current self-equalization with an interconnection network of resonant inductors and capacitors between modules that does not need additional active components or complex control strategies. An analytical model based on the fundamental harmonic approximation (FHA) is developed to quantitatively assess the balancing performance, and a comparison is made with traditional structures and IPOS structures with only shared inductance. A 1.25 kW two-phase LLC resonant converter prototype is built for experimental validation. The results demonstrate that the balancing errors of the traditional structure and the shared inductance structure reach up to 25.43% and 17.63%, respectively, whereas the proposed structure significantly reduces the balancing error to only 0.43%. This study confirms that this structure provides a simple and reliable solution for voltage and current equalization in high-gain DC–DC conversion systems. Full article
(This article belongs to the Section F3: Power Electronics)
Show Figures

Figure 1

42 pages, 1720 KB  
Review
Understanding Team Collaboration in MMOGs: A Systematic Review and Bibliometric Mapping
by Xiaoxue Gong, Lili Nurliyana Abdullah, Azrul Hazri Jantan, Noris Mohd Norowi, Rian Farta Wijaya, Zulham Sitorus, Zulfahmi Syahputra and Khairul
Computers 2026, 15(2), 134; https://doi.org/10.3390/computers15020134 - 20 Feb 2026
Viewed by 708
Abstract
In massively multiplayer online games (MMOGs), complex social environments exist in which cooperation is central not only to playing the game but also to experiencing it as an individual player. The growth of multiplayer games that emphasise cooperative activities in computer-based environments has [...] Read more.
In massively multiplayer online games (MMOGs), complex social environments exist in which cooperation is central not only to playing the game but also to experiencing it as an individual player. The growth of multiplayer games that emphasise cooperative activities in computer-based environments has sparked academic interest in collaboration and its role in the field, engaging scholars from domains such as human–computer interaction and digital entertainment. This paper presents a systematic literature review (SLR) and bibliometric analysis of 70 peer-reviewed journal papers published between 2015 and 2024. This data is derived from the Web of Science and Scopus databases. This literature review contributes to the understanding of collaborative factors in MMOGs, which include task interdependence, communication, trust, leadership, and player behaviour. The review is in the field using bibliometrics. To present the findings, we construct an input–process–output (IPO) model that links game features (inputs) and interaction dynamics (processes) to team performance and player experience (outputs) in MMOGs. This review maps the field’s dominant factors (task interdependence, communication, trust, leadership, and player behaviour), pinpoints methodological priorities, and sets a concrete agenda for future research on team collaboration in MMOGs. Full article
Show Figures

Figure 1

17 pages, 1572 KB  
Article
Stability Study of a New Compounded Medicine for the Treatment of Oral Mucositis
by Mariana Neto, Susana Pinto, Ermelinda M.P.J. Garrido, Isabel F. Almeida and Jorge Garrido
Appl. Sci. 2026, 16(3), 1491; https://doi.org/10.3390/app16031491 - 2 Feb 2026
Viewed by 405
Abstract
Oral mucositis is an inflammatory and ulcerative disease that affects patients undergoing cancer treatment, namely chemotherapy and radiotherapy, significantly compromising their quality of life. Despite its high incidence and clinical impact, current therapeutic options remain limited, reinforcing the need for new treatment approaches. [...] Read more.
Oral mucositis is an inflammatory and ulcerative disease that affects patients undergoing cancer treatment, namely chemotherapy and radiotherapy, significantly compromising their quality of life. Despite its high incidence and clinical impact, current therapeutic options remain limited, reinforcing the need for new treatment approaches. In this context, the Instituto Português de Oncologia do Porto FG, EPE (IPO-Porto) developed an innovative mouthwash containing dexamethasone sodium phosphate (DSP), ascorbic acid, and sodium hyaluronate. In this work the physicochemical stability of this formulation was evaluated to ensure its quality and safety as compounded medicine. Exploratory studies were performed under accelerated aging conditions (40 ± 2 °C), followed by stability studies under real-time conditions (20 ± 2 °C) and refrigeration conditions (4 ± 2 °C), as well as in-use stability studies simulating daily patient handling. At each sampling time, physicochemical characterization was carried out (pH, color, odor, and precipitate formation) as well as the DSP quantification using high-performance liquid chromatography. The acceptable range of 90.0–110.0%, compared to the initial concentration of DSP, was used as the primary stability criterion. Results showed that the formulation remained stable at high temperatures (40 °C), on short exposures times (≤6 h), and for 30 days at 4 °C in closed amber glass bottles. In-use stability studies performed during the 7 days after opening (considering three daily applications) showed that the DSP concentration remained above 90%. The results obtained enabled us to establish a definition of storage conditions and beyond-use recommendations, since they showed that the prepared formulation is stable when stored under refrigeration. Further studies are currently being developed with a view to its clinical use as a compounded mouthwash in a hospital setting for the treatment of oral mucositis. Full article
(This article belongs to the Section Chemical and Molecular Sciences)
Show Figures

Graphical abstract

20 pages, 827 KB  
Article
Mood in the Market: Forecasting IPO Activity with Music Sentiment and LSTM
by Qinxu Ding, Chong Guan and Yinghui Yu
FinTech 2026, 5(1), 12; https://doi.org/10.3390/fintech5010012 - 2 Feb 2026
Viewed by 721
Abstract
We examine whether aggregate “music mood” derived from globally popular songs can help forecast primary equity issuance. We build a Friday-anchored weekly panel that merges SEC EDGAR counts of priced Initial Public Offerings (IPOs) with features from the Spotify Daily Top 200 (audio [...] Read more.
We examine whether aggregate “music mood” derived from globally popular songs can help forecast primary equity issuance. We build a Friday-anchored weekly panel that merges SEC EDGAR counts of priced Initial Public Offerings (IPOs) with features from the Spotify Daily Top 200 (audio descriptors such as valence, energy, danceability, tempo, loudness, etc.) and Genius-scraped lyrics. We extract lyric sentiment by tokenizing Genius-scraped lyrics and aggregating lexicon-based affect scores (valence and arousal) into popularity-weighted weekly indices. To address sparsity and regime shifts in issuance, we train a leakage-safe Long Short-Term Memory (LSTM) network on a smoothed target—the forward 4-week sum of IPOs—and obtain next-week forecasts by dividing the predicted sum by 4. On a chronological holdout, a single LSTM with look-back K = 8 outperforms strong baselines—reducing MAE by 13.9%, RMSE by 15.9%, and mean Poisson deviance by 27.6% relative to the best baseline in each metric. Furthermore, we adopt SHapley Additive exPlanations (SHAP) to explain our LSTM model, showing that IPO persistence remains the dominant driver, but music and lyrics covariates contribute incremental and robust signal. These results suggest that aggregate music sentiment contains economically meaningful information about near-term IPO activity. Full article
Show Figures

Graphical abstract

11 pages, 317 KB  
Article
Modeling the Private-to-Public Transition: IPOs, Direct Listings and De-SPAC Mergers
by Vasilios Margaris and Georgios Angelidis
J. Risk Financial Manag. 2026, 19(1), 84; https://doi.org/10.3390/jrfm19010084 - 21 Jan 2026
Viewed by 379
Abstract
We have developed a comprehensive mathematical framework that delineates the complete transition of a firm from private to public ownership. This framework explicitly formalizes the endogenous decision to list, pre-listing restructuring, regulatory feasibility constraints, information production, pricing and allocation mechanisms, and post-listing market [...] Read more.
We have developed a comprehensive mathematical framework that delineates the complete transition of a firm from private to public ownership. This framework explicitly formalizes the endogenous decision to list, pre-listing restructuring, regulatory feasibility constraints, information production, pricing and allocation mechanisms, and post-listing market dynamics. A unified structure is employed to represent traditional IPOs, direct listings, and de-SPAC mergers. The proposed framework integrates the concepts of information asymmetry, free-float constraints, and market impact with equilibrium offer prices, first-day returns, and post-listing volatility. This integration enables the formulation of testable predictions across a range of listing mechanisms. Full article
(This article belongs to the Section Economics and Finance)
9 pages, 288 KB  
Article
Lung Carcinoids—Time to Change Practices
by Ana Rodrigues, Nuno Coimbra, Inês Lucena Sampaio, Isabel Azevedo, Marta Soares, Carmen Jerónimo and Rui Henrique
Curr. Oncol. 2026, 33(1), 50; https://doi.org/10.3390/curroncol33010050 - 15 Jan 2026
Viewed by 497
Abstract
Background: Lung carcinoids—typical and atypical—are rare neuroendocrine tumors (NETs) representing 1–2% of lung cancers. Despite clinicopathological differences, their clinical management often mirrors lung cancer protocols rather than NET-specific recommendations. Objectives: Portray a 12-year real-world experience with lung carcinoids at a Comprehensive [...] Read more.
Background: Lung carcinoids—typical and atypical—are rare neuroendocrine tumors (NETs) representing 1–2% of lung cancers. Despite clinicopathological differences, their clinical management often mirrors lung cancer protocols rather than NET-specific recommendations. Objectives: Portray a 12-year real-world experience with lung carcinoids at a Comprehensive Cancer Center, identifying gaps in diagnostic work-up, treatment decision-making, and follow-up. Methods: Retrospective observational cohort study of adult patients with histologically confirmed lung carcinoids diagnosed at IPO Porto between January 2013 and December 2024. Demographic, clinical, imaging, and treatment data were collected from electronic patient records. Analyses were descriptive. Results: Among 179 identified cases, 129 met eligibility criteria. Median age was 62 years (range 18–84); 53.6% were women and 53.5% were non-smokers; 84.5% had ECOG-PS 0–1. The most frequent presentation was respiratory symptoms (34.1%), followed by incidental findings (43.4%, of which ~20% were during staging or surveillance of other cancers). Typical carcinoids accounted for 49.6% and atypical for 43.4%. FDG-PET/CT was requested in 70.9% of cases, including many with typical carcinoid, and SSTR-PET/CT in 64.6% (dual PET in 38.8%). Most patients (65.1%) presented with stage I disease; 17.1% were stage IV. Mean time-to-first treatment was 83 days (range 1–259). Surgery was the first treatment option for 78.3% of patients. Conclusions: This real-world series highlights heterogeneity in diagnostic pathways, excessive FDG-PET use in typical carcinoids, and non-standardized follow-up. Dedicated multidisciplinary lung-NET boards and national reference centers are needed to homogenize and streamline patient management. Full article
(This article belongs to the Section Thoracic Oncology)
Show Figures

Figure 1

12 pages, 666 KB  
Article
Has IPO Market Structure Fundamentally Changed? Evidence from Negative Binomial Regression with Structural Breaks
by Michael D. Herley
Int. J. Financial Stud. 2026, 14(1), 6; https://doi.org/10.3390/ijfs14010006 - 5 Jan 2026
Viewed by 917
Abstract
This paper introduces Bai-Perron structural break detection combined with negative binomial regression to model overdispersed U.S. IPO count data. Using monthly data from 1995 to 2024, we identify five breaks that partition IPO activity into six distinct regimes, each with fundamentally different variance [...] Read more.
This paper introduces Bai-Perron structural break detection combined with negative binomial regression to model overdispersed U.S. IPO count data. Using monthly data from 1995 to 2024, we identify five breaks that partition IPO activity into six distinct regimes, each with fundamentally different variance characteristics. We then employ negative binomial regression that incorporates these breaks. IPO data show substantial overdispersion (variance-to-mean ratios: 2.77 to 33.74). The negative binomial model reveals that market uncertainty (as measured by the VIX) and financing costs (as indicated by 10-year Treasury rates) reduce IPO activity, while lagged IPO volume drives activity in the current period. Regime-specific likelihood ratio tests reveal that statistically significant overdispersion first emerges during the 2008 financial crisis, subsides during the post-recession period, and returns with unprecedented intensity after May 2020. An OLS model without the identified structural breaks incorrectly suggests positive interest rate effects. Full article
(This article belongs to the Special Issue Advances in Financial Econometrics)
Show Figures

Graphical abstract

43 pages, 514 KB  
Review
Evaluating Palliative Care Needs in Patients with Advanced Non-Malignant Chronic Conditions: An Umbrella Review of Needs Assessment Tools
by Chrysovalantis Karagkounis, Stephen Connor, Danai Papadatou and Thalia Bellali
Healthcare 2026, 14(1), 46; https://doi.org/10.3390/healthcare14010046 - 24 Dec 2025
Viewed by 1671
Abstract
Background/Objectives: Patients with advanced non-malignant chronic conditions experience illness burdens and palliative care needs comparable to those of oncology patients, yet palliative care is often introduced late. Identifying individuals with potential palliative care needs is complex, and although multiple tools exist, the most [...] Read more.
Background/Objectives: Patients with advanced non-malignant chronic conditions experience illness burdens and palliative care needs comparable to those of oncology patients, yet palliative care is often introduced late. Identifying individuals with potential palliative care needs is complex, and although multiple tools exist, the most appropriate approach for assessing needs in this population remains unclear. This umbrella review aimed to identify and evaluate tools used to systematically assess palliative care in adults with advanced non-malignant chronic conditions, with a specific focus on their content, structure, and psychometric properties. Methods: An umbrella review of systematic reviews was conducted in accordance with the Joanna Briggs Institute (JBI) guidance. Four electronic databases (Cochrane Library, CINAHL, PubMed, and PsycINFO) were searched from inception to 30 June 2025. Eligible systematic reviews were screened, critically appraised, and synthesized narratively. Results: Seven systematic reviews met the inclusion criteria, collectively identifying 35 unique needs-assessment tools. Five tools (SPICT, GSF-PIG, QUICK GUIDE, NECPAL, and P-CaRes) incorporated both general and disease-specific palliative care indicators. At the same time, four (PC-NAT, SPEED, NAT, and IPOS) addressed needs across physical, psychological, social, and spiritual domains. Psychometric data were available for six tools across three reviews. The original NAT and SPICT demonstrated good reliability; however, the Dutch version of the NAT showed poor validity. SPEED and one unnamed palliative care tool showed good reliability, whereas the Surprise Question demonstrated unclear validity. Italian-SPICT and Israeli-NECPAL exhibited strong content validity. Conclusions: Despite limited evidence, the NAT: PD-HF shows particular promise for identifying palliative care needs in patients with heart failure. Tools such as SPICT and NECPAL are widely used and adapted for advanced non-malignant chronic conditions, but further psychometric evaluation is required. Additional studies are needed to clarify the clinical utility of these tools for broader implementation in assessing palliative care needs. Full article
(This article belongs to the Section Palliative Care)
Show Figures

Figure 1

24 pages, 30028 KB  
Article
Temporal and Spatial Changes in Soil Drought and Identification of Remote Correlation Effects
by Weiran Luo, Jianzhong Guo, Ziwei Li, Ning Li, Fei Wang, Hexin Lai, Ruyi Men, Rong Li, Mengting Du, Kai Feng, Yanbin Li, Shengzhi Huang and Qingqing Tian
Agriculture 2025, 15(24), 2603; https://doi.org/10.3390/agriculture15242603 - 16 Dec 2025
Viewed by 580
Abstract
Under the extensive influence of the monsoon climate, droughts in the Yangtze River Basin (YRB) occur frequently and pose a serious threat to grain security. To better understand the evolution and drivers of soil drought, this study employed remote sensing-based soil moisture and [...] Read more.
Under the extensive influence of the monsoon climate, droughts in the Yangtze River Basin (YRB) occur frequently and pose a serious threat to grain security. To better understand the evolution and drivers of soil drought, this study employed remote sensing-based soil moisture and atmospheric circulation data from 2000 to 2022. It assessed the spatiotemporal characteristics of soil drought across the YRB and its sub-basins, identified the main mutation points and types, and quantified the relative contributions of climatic and circulation factors. The results show that: (1) the most severe soil drought month occurred in August 2022 (Standardized Soil Moisture Index SSMI = –1.69), with two major mutation points in May 2011 (“decrease to increase”) and June 2019 (“increase to decrease”); (2) drought mutations were mainly categorized as “interrupted decrease” (9 sub-basins) and “increase to decrease” (1 sub-basin), most occurring after 2010; (3) the year 2022 experienced the most severe annual drought (SSMI = –0.94), with extreme drought covering 39.36% of the basin in August; (4) precipitation (PC) was the dominant climatic factor influencing drought (percentage area of significant coherence PASC = 15.48%), while the Interannual Pacific Oscillation (IPO), Pacific Decadal Oscillation (PDO), and Dipole Mode Index (DMI) all showed significant remote-correlation effects, with mean Shapley additive explanations (SHAP) values of 0.138, 0.111, and 0.090, respectively. This study clarifies the spatiotemporal patterns and drivers of soil drought in the YRB, providing a scientific basis for improved drought monitoring and agricultural risk management. Full article
(This article belongs to the Section Ecosystem, Environment and Climate Change in Agriculture)
Show Figures

Figure 1

13 pages, 603 KB  
Systematic Review
IPOS-Dem Scale in the Assessment of Patients with Dementia in Palliative Care—Potential for Adaptation: A Systematic Review
by Fernanda Quartilho, Joana Brandão Silva, Daniela Cunha, Daniel Canelas, João Rocha Neves, José Paulo Andrade, Marília Dourado and Hugo Ribeiro
J. Dement. Alzheimer's Dis. 2025, 2(4), 47; https://doi.org/10.3390/jdad2040047 - 11 Dec 2025
Viewed by 712
Abstract
Background: Dementia is a chronic, multifactorial syndrome with a high incidence and prevalence worldwide. The clinical assessment of these patients is challenging, imposing several barriers related to the system, the healthcare professional and the patient. While numerous assessment tools exist for dementia, few [...] Read more.
Background: Dementia is a chronic, multifactorial syndrome with a high incidence and prevalence worldwide. The clinical assessment of these patients is challenging, imposing several barriers related to the system, the healthcare professional and the patient. While numerous assessment tools exist for dementia, few are specifically validated or widely used in palliative care. This study evaluates the relevance of using the Integrated Palliative Outcome Scale for Dementia (IPOS-Dem) in Portugal. The primary objective is to synthesize evidence on the implementation and clinical performance of IPOS-Dem in people with dementia receiving palliative care—including feasibility, acceptability, validity, reliability, and clinical applicability—while the secondary objective is to assess the instrument’s relevance and potential for cultural/linguistic adaptation to context. Methods: A systematic review of the literature was carried out, with research in evidence-based medicine databases on the use of the Integrated Palliative Outcome Scale for Dementia (IPOS-Dem) in palliative care, using the terms “dementia”, “alzheimer”, “lewy body”, “cognitive impair”, “outcome”, “IPOS-Dem”, “patient outcome assessment”, “outcome assessment”, “scale”, “palliative care”, and “palliative outcome scale”. Results: The IPOS-Dem was considered to be a useful tool for monitoring patients with dementia while receiving palliative care, allowing for a comprehensive and systematic evaluation of symptoms, as well as involving family members in the care process. It facilitates the identification of previously unknown symptoms and issues, particularly emotional and social concerns. Its use led to an improvement in symptom control and greater family involvement in care. The reduction in missing response rates and the time required to complete the scale with repeated use indicated good adaptation to the scale’s implementation. Difficulties were reported in assessing patients with communication impairments. Some staff also highlighted the need for training in using the scale. The Swiss Easy-Read IPOS-Dem showed significant variation in scores between evaluators, which raises concerns about the reliability and consistency of the scale, indicating that the tool requires further validation. Digital models, although they may present some inconveniences, were suggested as a potential improvement in acceptability. Conclusions: Our review suggests that IPOS-Dem provides initial evidence of feasibility, acceptability, and potential clinical usefulness in dementia palliative care, making its implementation beneficial for the Portuguese population. Translation and adaptation to the Portuguese population and culture will be necessary, but the scale is promising, and we recommend its national use. Full article
Show Figures

Figure 1

24 pages, 9711 KB  
Article
Inter-Basin Teleconnection of the Atlantic Multidecadal Oscillation and Interdecadal Pacific Oscillation in Modulating the Decadal Variation in Winter SST in the South China Sea
by Shiqiang Yao, Mingpan Qiu, Yanyan Wang, Zhaoyun Wang, Guosheng Zhang, Wenjing Dong, Yimin Zhang and Ruili Sun
J. Mar. Sci. Eng. 2025, 13(12), 2355; https://doi.org/10.3390/jmse13122355 - 10 Dec 2025
Cited by 1 | Viewed by 600
Abstract
The South China Sea (SCS) sea surface temperature (SST) plays a crucial modulating effect on the climate of East Asia. While the interannual variability of South China Sea SST has been extensively examined, the decadal-scale linkages and underlying physical mechanisms between South China [...] Read more.
The South China Sea (SCS) sea surface temperature (SST) plays a crucial modulating effect on the climate of East Asia. While the interannual variability of South China Sea SST has been extensively examined, the decadal-scale linkages and underlying physical mechanisms between South China Sea SST and the three major ocean basins (the Atlantic, Pacific, and Indian Oceans) remain inadequately comprehended. To fill the gap, the study investigates the decadal variability of winter SST in the SCS during 1940–2023, utilizing long-term observational datasets and methods such as empirical orthogonal function decomposition, regression analysis, and teleconnections analysis. The first dominant mode of this decadal variability is characterized by basin-warming across the SCS, which is mainly driven by the Atlantic Multidecadal Oscillation (AMO, r = 0.62, p < 0.05). Specifically, the AMO imposes its remote influence on the SCS through three distinct pathways: the tropical Pacific pathway, the North Pacific pathway, and the tropical Indian Ocean pathway. These pathways collectively trigger an anomalous cyclone in the western North Pacific and SCS, and further induce basin-wide SST warming via a positive feedback that includes SST, sea level pressure, cloud cover, and longwave radiation. The second leading mode of SCS winter SST decadal variability displays a north–south dipole pattern, which is positively correlated with the Interdecadal Pacific Oscillation (IPO, r1 = 0.85, p1 < 0.05). Notably, this South China Sea SST dipole–IPO relationship weakened significantly after 1985 (r2 = 0.23, p2 < 0.05), related to the strengthening of the anomalous anticyclone over the SCS and the weakening of the anomalous cyclone over the tropical Indian Ocean. Furthermore, both the AMO and IPO influence the SST in the northern SCS by regulating wind field anomalies in the bifurcation region of the North Equatorial Current. This wind-driven modulation subsequently affects the intensity of Kuroshio intrusion into the SCS. These findings provide a novel mechanistic pathway for interpreting decadal-scale climate variability over East Asia, with implications for improving long-term climate prediction in the region. Full article
(This article belongs to the Section Physical Oceanography)
Show Figures

Figure 1

27 pages, 337 KB  
Article
How Do Venture Capital Firms Manage Their Ego Networks for Sustainable Development?
by Yuge Gao and Yongping Xie
Sustainability 2025, 17(23), 10493; https://doi.org/10.3390/su172310493 - 23 Nov 2025
Viewed by 826
Abstract
In the context of rapidly developing emerging industries, shifting investment hotspots, and a turbulent external environment, investment institutions continuously adjust and manage their ego network strategies to ensure survival and promote sustainable development. The long-term development and competitiveness of venture capital (VC) firms [...] Read more.
In the context of rapidly developing emerging industries, shifting investment hotspots, and a turbulent external environment, investment institutions continuously adjust and manage their ego network strategies to ensure survival and promote sustainable development. The long-term development and competitiveness of venture capital (VC) firms largely depend on their ability to generate excess returns and achieve successful exits, such as IPOs and mergers and acquisitions. This study focuses on venture capital ego networks from a dynamic perspective. From both the node and tie dimensions, it systematically examines the effects of ego network dynamics—growth and diversity—on investment performance. It further explores the underlying mechanisms through network stability and information diffusion. Based on empirical analysis using Wind database data from 2013 to 2022, we find that the growth of VC ego networks has a significant negative effect on investment performance, and this effect works through reduced network stability. In contrast, ego network diversity shows a significant positive effect on investment performance, with project information diffusion playing a mediating role. Based on the above findings, we suggest that venture capital firms should shift their ego network management strategy from blind and simple “rapid expansion” to quality-focused “careful cultivation”. While maintaining the stability of their ego networks, firms should also pay attention to the diversity of relationship configurations, so as to better transform network resources into investment performance and promote the growth and sustainable development of venture capital firms. Full article
(This article belongs to the Collection Sustainability in Financial Industry)
14 pages, 943 KB  
Article
Well-Being, Protein-Bound Toxins, and Dietary Fibre in Patients with Kidney Disease: Have We Been Missing the Obvious?
by Aruni Malaweera, Louis L. Huang and Lawrence P. McMahon
Toxins 2025, 17(11), 548; https://doi.org/10.3390/toxins17110548 - 4 Nov 2025
Cited by 1 | Viewed by 967
Abstract
Aim: To explore the associations between protein-bound uraemic toxins (PBTs), fibre intake and patient-focused outcomes in patients on kidney replacement therapy. Background: Despite removal of small water-soluble uraemic toxins, dialysis patients continue to experience high morbidity and mortality. Recent evidence suggests strong associations [...] Read more.
Aim: To explore the associations between protein-bound uraemic toxins (PBTs), fibre intake and patient-focused outcomes in patients on kidney replacement therapy. Background: Despite removal of small water-soluble uraemic toxins, dialysis patients continue to experience high morbidity and mortality. Recent evidence suggests strong associations between PBTs and poorer patient outcomes and symptom burden. Reducing the generation of PBTs by increasing dietary fibre may be an alternate approach to better patient outcomes. Method: This was a cross-sectional study of haemodialysis (HD), peritoneal dialysis (PD) and kidney transplant patients to determine the associations between uraemic toxins [p-cresyl sulfate (PCS) and indoxyl sulfate (IS)], fibre intake and patient-focused outcomes, incorporating the Integrated Palliative Outcome Scale-Renal (IPOS-renal) and EQ-5D-5L to determine symptom burden and quality of life, while physical capacity was determined using the timed up and go(TUG) test and handgrip strength (HGS). Results: Ninety participants completed the study (n = 30 in each group). There was a correlation between PBTs and the IPOS-renal score, where higher toxin levels were associated with a higher symptom burden. This was the strongest for PCS, where the significance remained after accounting for age and co-morbidities (p < 0.05). Higher PBT levels were also associated with lower HGS (p < 0.05). There was a negative correlation between fibre intake and PBTs, serum PCS (r = −0.36, p < 0.05) and serum IS (r = −0.27, p < 0.05). Lower fibre intake was also associated with a higher symptom burden measured by the IPOS-renal (p < 0.05). Transplant patients consistently performed better, with a reduced symptom burden and improved physical ability compared to dialysis patients. Conclusion: PBTs were associated with symptom burden, and lower physical ability was associated with both PBTs and patient-focused outcomes, and this needs to be further investigated in larger studies. Full article
(This article belongs to the Special Issue The Role of Uremic Toxins in Comorbidities of Chronic Kidney Disease)
Show Figures

Figure 1

18 pages, 1539 KB  
Article
A Model of Output Power Control Method for Fault Ride-Through in a Single-Phase NPC Inverter-Based Power Conditioning System with IPOS DAB Converter and Battery
by Reo Emoto, Hiroaki Yamada and Tomokazu Mishima
Electronics 2025, 14(21), 4291; https://doi.org/10.3390/electronics14214291 - 31 Oct 2025
Viewed by 640
Abstract
Grid-tied inverters must satisfy fault ride-through (FRT) requirements to ensure grid stability during voltage disturbances. However, most existing FRT-related studies have focused on reactive current injection or voltage support functions, with few addressing how the active power reference should be dynamically controlled during [...] Read more.
Grid-tied inverters must satisfy fault ride-through (FRT) requirements to ensure grid stability during voltage disturbances. However, most existing FRT-related studies have focused on reactive current injection or voltage support functions, with few addressing how the active power reference should be dynamically controlled during voltage dips. In addition, few systems enable bidirectional power transfer or provide comprehensive verification under deep voltage dips. To address this issue, this paper proposes an output power control method for FRT in a single-phase neutral-point-clamped (NPC) inverter-based PCS consisting of an input-parallel output-series (IPOS) dual-active-bridge (DAB) converter and a battery. The proposed PCS dynamically reduces the output power reference according to the retained voltage while maintaining the inverter current within the rated limit, thereby ensuring stable operation. Computer simulations were conducted using Altair PSIM to verify the effectiveness of the proposed method. The results confirmed that the PCS satisfied the FRT requirements for all post-fault voltage levels. The injected current returned to its pre-fault value within 20 ms and 90 ms for 20% and 0% voltage dips, respectively, complying with the required recovery times. The proposed control method enhances grid resilience and maintains power quality in single-phase low-voltage distribution systems. Full article
(This article belongs to the Special Issue DC–DC Power Converter Technologies for Energy Storage Integration)
Show Figures

Graphical abstract

Back to TopTop