Sign in to use this feature.

Years

Between: -

Subjects

remove_circle_outline
remove_circle_outline
remove_circle_outline
remove_circle_outline
remove_circle_outline
remove_circle_outline
remove_circle_outline
remove_circle_outline

Journals

Article Types

Countries / Regions

Search Results (20)

Search Parameters:
Keywords = DC OPF

Order results
Result details
Results per page
Select all
Export citation of selected articles as:
30 pages, 3570 KB  
Article
Two-Stage Decoupled Security-Constrained Redispatching for Hybrid AC/DC Grids
by Emanuele Ciapessoni, Diego Cirio and Andrea Pitto
Energies 2026, 19(3), 706; https://doi.org/10.3390/en19030706 - 29 Jan 2026
Viewed by 85
Abstract
Hybrid AC/DC grids with High Voltage Direct Current (HVDC) systems enhance grid resilience and enable efficient long-distance power transfer, asynchronous network interconnection, and seamless integration of offshore renewable energy sources. However, ensuring secure and reliable operation of these complex hybrid systems, particularly under [...] Read more.
Hybrid AC/DC grids with High Voltage Direct Current (HVDC) systems enhance grid resilience and enable efficient long-distance power transfer, asynchronous network interconnection, and seamless integration of offshore renewable energy sources. However, ensuring secure and reliable operation of these complex hybrid systems, particularly under contingency scenarios, presents significant challenges. This paper proposes a novel and computationally efficient two-stage linearized decoupled formulation for security-constrained redispatch in hybrid AC/DC grids. The methodology explicitly addresses N-1 security criterion, incorporating constraints from both the AC and DC subsystems, as well as the DC/AC converters. Simulation results on a test power system demonstrate the effectiveness of the proposed approach in mitigating the impact of both transmission line and generator outages, validating its applicability for enhancing grid resilience. Full article
(This article belongs to the Section F1: Electrical Power System)
Show Figures

Figure 1

28 pages, 3509 KB  
Article
Research on the Optimal Economic Proportion of Medium- and Long-Term Contracts and Spot Trading Under the Market-Oriented Renewable Energy Context
by Yushi Wu, Xia Zhao, Libin Yang, Mengting Wu and Hongwei Yu
Energies 2025, 18(23), 6085; https://doi.org/10.3390/en18236085 - 21 Nov 2025
Viewed by 430
Abstract
Against the backdrop of the full market integration of renewable energy, determining a reasonable proportion between medium- and long-term (MLT) contracts and spot trading has become a core issue in power market reform. Current Chinese policy requires that the share of MLT contracts [...] Read more.
Against the backdrop of the full market integration of renewable energy, determining a reasonable proportion between medium- and long-term (MLT) contracts and spot trading has become a core issue in power market reform. Current Chinese policy requires that the share of MLT contracts should not be less than 90%, which helps ensure system security but may suppress the price discovery function of the spot market and limit renewable energy integration. This paper constructs a three-layer model: the first layer describes spot market clearing through Direct Current Optimal Power Flow (DC-OPF), yielding system energy prices and nodal prices; the second layer models bilateral contract decisions between generators and users based on Nash bargaining, incorporating risk preferences via a mean–variance framework; and the third layer introduces two evaluation indicators—contract penetration rate and economic proportion—and applies outer-layer optimization to search for the optimal contract ratio. Parameters are calibrated using coal prices, wind speed, solar irradiance, and load data, with numerical solutions obtained through Monte Carlo simulation and convex optimization. Results show that increasing the share of spot trading enhances overall system efficiency, primarily because renewable energy has low marginal costs and high supply potential, thereby reducing average market prices and mitigating volatility. Simulations indicate that the optimal contract coverage rate may exceed the current policy lower bound, which would expand spot market space and promote renewable energy integration. Sensitivity analysis further reveals that fuel price fluctuations, renewable output, load structure, and risk preferences all affect the optimal proportion, though the overall conclusions remain robust. Policy implications suggest moderately relaxing the constraints on MLT contract proportions, improving contract design, and combining this with transmission expansion and demand response, in order to establish a more efficient and flexible market structure. Full article
Show Figures

Figure 1

20 pages, 6950 KB  
Article
Offshore Network Development to Foster the Energy Transition
by Enrico Maria Carlini, Corrado Gadaleta, Michela Migliori, Francesca Longobardi, Gianfranco Luongo, Stefano Lauria, Marco Maccioni and Jacopo Dell’Olmo
Energies 2025, 18(2), 386; https://doi.org/10.3390/en18020386 - 17 Jan 2025
Cited by 2 | Viewed by 1230
Abstract
A growing interest in offshore wind energy in the Mediterranean Sea has been recently observed thanks to the potential for scale-up and recent advances in floating technologies and dynamic cables: in the Italian panorama, the offshore wind connection requests to the National Transmission [...] Read more.
A growing interest in offshore wind energy in the Mediterranean Sea has been recently observed thanks to the potential for scale-up and recent advances in floating technologies and dynamic cables: in the Italian panorama, the offshore wind connection requests to the National Transmission Grid (NTG) reached almost 84 GW at the end of September 2024. Starting from a realistic estimate of the offshore wind power plants (OWPPs) to be realized off the southern coasts in a very long-term scenario, this paper presents a novel optimization procedure for meshed AC offshore network configuration, aiming at minimizing the offshore wind generation curtailment based on the DC optimal power flow approximation, assessing the security condition of the whole onshore and offshore networks. The reactive power compensation aspects are also considered in the optimization procedure: the optimal compensation sizing for export cables and collecting stations is evaluated via the AC optimal power flow (OPF) approach, considering a combined voltage profile and minimum short circuit power constraint for the onshore extra-high voltage (EHV) nodes. The simulation results demonstrate that the obtained meshed network configuration and attendant re-active compensation allow most of the offshore wind generation to be evacuated even in the worst-case scenario, i.e., the N1 network, full offshore wind generation output, and summer line rating, testifying to the relevance of the proposed methodology for real applications. Full article
(This article belongs to the Special Issue Emerging Topics in Renewable Energy Research in Smart Grids)
Show Figures

Figure 1

24 pages, 1081 KB  
Review
Surrogate Modeling for Solving OPF: A Review
by Sina Mohammadi, Van-Hai Bui, Wencong Su and Bin Wang
Sustainability 2024, 16(22), 9851; https://doi.org/10.3390/su16229851 - 12 Nov 2024
Cited by 6 | Viewed by 8250
Abstract
The optimal power flow (OPF) problem, characterized by its inherent complexity and strict constraints, has traditionally been approached using analytical techniques. OPF enhances power system sustainability by minimizing operational costs, reducing emissions, and facilitating the integration of renewable energy sources through optimized resource [...] Read more.
The optimal power flow (OPF) problem, characterized by its inherent complexity and strict constraints, has traditionally been approached using analytical techniques. OPF enhances power system sustainability by minimizing operational costs, reducing emissions, and facilitating the integration of renewable energy sources through optimized resource allocation and environmentally aligned constraints. However, the evolving nature of power grids, including the integration of distributed generation (DG), increasing uncertainties, changes in topology, and load variability, demands more frequent OPF solutions from grid operators. While conventional methods remain effective, their efficiency and accuracy degrade as computational demands increase. To address these limitations, there is growing interest in the use of data-driven surrogate models. This paper presents a critical review of such models, discussing their limitations and the solutions proposed in the literature. It introduces both Analytical Surrogate Models (ASMs) and learned surrogate models (LSMs) for OPF, providing a thorough analysis of how they can be applied to solve both DC and AC OPF problems. The review also evaluates the development of LSMs for OPF, from initial implementations addressing specific aspects of the problem to more advanced approaches capable of handling topology changes and contingencies. End-to-end and hybrid LSMs are compared based on their computational efficiency, generalization capabilities, and accuracy, and detailed insights are provided. This study includes an empirical comparison of two ASMs and LSMs applied to the IEEE standard six-bus system, demonstrating the key distinctions between these models for small-scale grids and discussing the scalability of LSMs for more complex systems. This comprehensive review aims to serve as a critical resource for OPF researchers and academics, facilitating progress in energy efficiency and providing guidance on the future direction of OPF solution methodologies. Full article
(This article belongs to the Section Energy Sustainability)
Show Figures

Figure 1

23 pages, 880 KB  
Article
Optimal Reconfiguration of Bipolar DC Networks Using Differential Evolution
by Wesley Peres and Raphael Paulo Braga Poubel
Energies 2024, 17(17), 4316; https://doi.org/10.3390/en17174316 - 28 Aug 2024
Cited by 3 | Viewed by 1244
Abstract
The search for more efficient power grids has led to the concept of microgrids, based on the integration of new-generation technologies and energy storage systems. These devices inherently operate in DC, making DC microgrids a potential solution for improving power system operation. In [...] Read more.
The search for more efficient power grids has led to the concept of microgrids, based on the integration of new-generation technologies and energy storage systems. These devices inherently operate in DC, making DC microgrids a potential solution for improving power system operation. In particular, bipolar DC microgrids offer more flexibility due to their two voltage levels. However, more complex tools, such as optimal power flow (OPF) analysis, are required to analyze these systems. In line with these requirements, this paper proposes an OPF for bipolar DC microgrid reconfiguration aimed at minimizing power losses, considering dispersed generation (DG) and asymmetrical loads. This is a mixed-integer nonlinear optimization problem in which integer variables are associated with the switch statuses, and continuous variables are associated with the nodal voltages in each pole. The problem is formulated based on current injections and is solved by a hybridization of the differential evolution algorithm (to handle the integer variables) and the interior point method-based OPF (to minimize power losses). The results show a reduction in power losses of approximately 48.22% (33-bus microgrid without DG), 2.87% (33-bus microgrid with DG), 50.90% (69-bus microgrid without DG), and 50.50% (69-bus microgrid with DG) compared to the base case. Full article
(This article belongs to the Section A1: Smart Grids and Microgrids)
Show Figures

Figure 1

21 pages, 13679 KB  
Article
Real-Time Testing Optimal Power Flow in Smart-Transformer-Based Meshed Hybrid Microgrids: Design and Validation
by Rafael A. Núñez-Rodríguez, Clodomiro Unsihuay-Vila, Johnny Posada, Omar Pinzón-Ardila, Alexandre Rasi Aoki and Rodrigo Bueno-Otto
Energies 2024, 17(8), 1950; https://doi.org/10.3390/en17081950 - 19 Apr 2024
Cited by 3 | Viewed by 1933
Abstract
The smart transformer (ST) is a multiport and multi-stage converter that allows for the formation of meshed hybrid microgrids (MHMs) by enabling AC-DC ports in medium and low voltage. This type of microgrid has advantages over the performance of conventional hybrid AC-DC microgrids [...] Read more.
The smart transformer (ST) is a multiport and multi-stage converter that allows for the formation of meshed hybrid microgrids (MHMs) by enabling AC-DC ports in medium and low voltage. This type of microgrid has advantages over the performance of conventional hybrid AC-DC microgrids (HMGs); however, the number of degrees of freedom of the ST increases the complexity of the energy management systems (EMSs), which require adequate and accurate modeling of the power flow of the converters and the MG to find the feasible solution of optimal power flow (OPF) problems in the MHM. An ST’s equivalent power flow model is proposed for formulating the MHM OPF problem and developing low-frequency equivalent models integrated with a decoupled hierarchical control architecture under a real-time simulation approach to the ST-based MHM. A simulation model of the MHM in the Simulink® environment of Matlab® 9.12 is developed and implemented under a digital real-time simulation (DRTS) approach on the OPAL-RT® platform. This model allows for determining the accuracy of the developed equivalent models, both low-frequency and power flow, and determining the MHM performance based on optimal day-ahead scheduling. Simulation test results demonstrated the ST equivalent model’s accuracy and the MHM’s accuracy for OPF problems with an optimal day-ahead scheduling horizon based on the model-in-the-loop (MIL) and DRTS approach. Full article
(This article belongs to the Special Issue New Insights into Microgrids and Renewable Energy Systems)
Show Figures

Figure 1

20 pages, 1001 KB  
Article
Assessment of Converter Performance in Hybrid AC-DC Power System under Optimal Power Flow with Minimum Number of DC Link Control Variables
by Chintan Patel, Tanmoy Malakar and S. Sreejith
Energies 2023, 16(15), 5800; https://doi.org/10.3390/en16155800 - 4 Aug 2023
Cited by 5 | Viewed by 1583
Abstract
This paper presents a strategy to evaluate the performances of converter stations under the optimized operating points of hybrid AC-DC power systems with a reduced number of DC link variables. Compared to previous works reported with five DC-side control variables (CVs), the uniqueness [...] Read more.
This paper presents a strategy to evaluate the performances of converter stations under the optimized operating points of hybrid AC-DC power systems with a reduced number of DC link variables. Compared to previous works reported with five DC-side control variables (CVs), the uniqueness of the presented optimal power flow (OPF) formulation lies within the selection of only two DC-side control variables (CVs), such as the inverter voltage and current in the DC link, apart from the conventional AC-side variables. Previous research has mainly been focused on optimizing hybrid power system performance through OPF-based formulations, but has mostly ignored the associated converter performances. Hence, in this study, converter performance, in terms of ripple and harmonics in DC voltage and AC current and the utilization of the converter infrastructure, is evaluated. The minimization of active power loss is taken as an objective function, and the problem is solved for a modified IEEE 30 bus system using a recently developed and very efficient Archimedes optimization algorithm (AOA). Case studies are performed to assess the efficacy of the presented OPF model in power systems, as well as converter performance. Furthermore, the results are extended to assess the applicability of the proposed model to the allocation of photovoltaic (PV)-type distributed generations (DGs) in hybrid AC-DC systems. The average improvement in power loss is found to be around 7.5% compared to the reported results. Furthermore, an approximate 10% improvement in converter power factor and an approximate 50% reduction in ripple factor are achieved. Full article
Show Figures

Figure 1

21 pages, 6158 KB  
Article
Neuro-Fuzzy Based High-Voltage DC Model to Optimize Frequency Stability of an Offshore Wind Farm
by Muhammad Shoaib Bhutta, Tang Xuebang, Muhammad Faheem, Fahad M. Almasoudi, Khaled Saleem S. Alatawi and Huali Guo
Processes 2023, 11(7), 2049; https://doi.org/10.3390/pr11072049 - 9 Jul 2023
Cited by 12 | Viewed by 2469
Abstract
Lack of synchronization between high voltage DC systems linking offshore wind farms and the onshore grid is a natural consequence owing to the stochastic nature of wind energy. The poor synchronization results in increased system disturbances, grid contingencies, power loss, and frequency instability. [...] Read more.
Lack of synchronization between high voltage DC systems linking offshore wind farms and the onshore grid is a natural consequence owing to the stochastic nature of wind energy. The poor synchronization results in increased system disturbances, grid contingencies, power loss, and frequency instability. Emphasizing frequency stability analysis, this research investigates a dynamic coordination control technique for a Double Fed Induction Generator (DFIG) consisting of OWFs integrated with a hybrid multi-terminal HVDC (MTDC) system. Line commutated converters (LCC) and voltage source converters (VSC) are used in the suggested control method in order to ensure frequency stability. The adaptive neuro-fuzzy inference approach is used to accurately predict wind speed in order to further improve frequency stability. The proposed HVDC system can integrate multiple distributed OWFs with the onshore grid system, and the control strategy is designed based on this concept. In order to ensure the transient stability of the HVDC system, the DFIG-based OWF is regulated by a rotor side controller (RSC) and a grid side controller (GSC) at the grid side using a STATCOM. The devised HVDC (MTDC) is simulated in MATLAB/SIMULINK, and the performance is evaluated in terms of different parameters, such as frequency, wind power, rotor and stator side current, torque, speed, and power. Experimental results are compared to a conventional optimal power flow (OPF) model to validate the performance. Full article
(This article belongs to the Special Issue Recent Advances in Sustainable Electrical Energy Technologies)
Show Figures

Figure 1

19 pages, 1504 KB  
Article
Integrated Power and Economic Analysis of Austria’s Renewable Electricity Transformation
by Robert Gaugl, Mark Sommer, Claudia Kettner, Udo Bachhiesl, Thomas Klatzer, Lia Gruber, Michael Böheim, Kurt Kratena and Sonja Wogrin
Energies 2023, 16(5), 2229; https://doi.org/10.3390/en16052229 - 25 Feb 2023
Cited by 9 | Viewed by 3756
Abstract
Austria has set the goal to transform its electricity sector to 100% renewable energy sources by 2030. The transition to highly renewable power systems is not only a technical challenge but also has economic implications due to high investment needs. Furthermore, electricity price [...] Read more.
Austria has set the goal to transform its electricity sector to 100% renewable energy sources by 2030. The transition to highly renewable power systems is not only a technical challenge but also has economic implications due to high investment needs. Furthermore, electricity price and demand are interlaced and influence each other, which requires both technical and economic analyses. In order to provide these comprehensive integrated analyses, we present a novel approach of linking the technical model of the continental European electricity system ATLANTIS with the macroeconomic model DYNK. This allows us, inter alia, to analyze the effects of increasing shares of renewables on wholesale electricity prices and demand, and to perform a sensitivity analysis with respect to CO2 prices. Our results show that increasing CO2 prices greatly affect coal-fired generation abroad, which in turn promotes the role of gas-fired generation, at least until 2030. For Austria, this results in increased national gas-fired generation and electricity exports. Therefore, gas-fired power plants still determine the Austrian market price for electricity in the merit order, which leads to higher electricity prices due to CO2 pricing. In turn, however, higher electricity prices only cause a marginal reduction in the electricity demand in Austria. Full article
(This article belongs to the Special Issue Integrated Energy Systems: Design and Operation Optimization)
Show Figures

Figure 1

19 pages, 447 KB  
Article
A Recursive Conic Approximation for Solving the Optimal Power Flow Problem in Bipolar Direct Current Grids
by Oscar Danilo Montoya, Luis Fernando Grisales-Noreña and Jesús C. Hernández
Energies 2023, 16(4), 1729; https://doi.org/10.3390/en16041729 - 9 Feb 2023
Cited by 8 | Viewed by 2048
Abstract
This paper proposes a recursive conic approximation methodology to deal with the optimal power flow (OPF) problem in unbalanced bipolar DC networks. The OPF problem is formulated through a nonlinear programming (NLP) representation, where the objective function corresponds to the minimization of the [...] Read more.
This paper proposes a recursive conic approximation methodology to deal with the optimal power flow (OPF) problem in unbalanced bipolar DC networks. The OPF problem is formulated through a nonlinear programming (NLP) representation, where the objective function corresponds to the minimization of the expected grid power losses for a particular load scenario. The NLP formulation has a non-convex structure due to the hyperbolic equality constraints that define the current injection/absorption in the constant power terminals as a function of the powers and voltages. To obtain an approximate convex model that represents the OPF problem in bipolar asymmetric distribution networks, the conic relation associated with the product of two positive variables is applied to all nodes with constant power loads. In the case of nodes with dispersed generation, a direct replacement of the voltage variables for their expected operating point is used. An iterative solution procedure is implemented in order to minimize the error introduced by the voltage linearization in the dispersed generation sources. The 21-bus grid is employed for all numerical validations. To validate the effectiveness of the proposed conic model, the power flow problem is solved, considering that the neutral wire is floating and grounded, and obtaining the same numerical results as the traditional power flow methods (successive approximations, triangular-based, and Taylor-based approaches): expected power losses of 95.4237 and 91.2701 kW, respectively. To validate the effectiveness of the proposed convex model for solving the OPF problem, three combinatorial optimization methods are implemented: the sine-cosine algorithm (SCA), the black-hole optimizer (BHO), and the vortex search algorithm (VSA). Numerical results show that the proposed convex model finds the global optimal solution with a value of 22.985 kW, followed by the VSA with a value of 22.986 kW. At the same time, the BHO and SCA are stuck in locally optimal solutions (23.066 and 23.054 kW, respectively). All simulations were carried out in a MATLAB programming environment. Full article
(This article belongs to the Collection Featured Papers in Electrical Power and Energy System)
Show Figures

Figure 1

14 pages, 319 KB  
Article
Recursive Convex Model for Optimal Power Flow Solution in Monopolar DC Networks
by Oscar Danilo Montoya, Farhad Zishan and Diego Armando Giral-Ramírez
Mathematics 2022, 10(19), 3649; https://doi.org/10.3390/math10193649 - 5 Oct 2022
Cited by 12 | Viewed by 1960
Abstract
This paper presents a new optimal power flow (OPF) formulation for monopolar DC networks using a recursive convex representation. The hyperbolic relation between the voltages and power at each constant power terminal (generator or demand) is represented as a linear constraint for the [...] Read more.
This paper presents a new optimal power flow (OPF) formulation for monopolar DC networks using a recursive convex representation. The hyperbolic relation between the voltages and power at each constant power terminal (generator or demand) is represented as a linear constraint for the demand nodes and generators. To reach the solution for the OPF problem a recursive evaluation of the model that determines the voltage variables at the iteration t+1 (vt+1) by using the information of the voltages at the iteration t (vt) is proposed. To finish the recursive solution process of the OPF problem via the convex relaxation, the difference between the voltage magnitudes in two consecutive iterations less than the predefined tolerance is considered as a stopping criterion. The numerical results in the 85-bus grid demonstrate that the proposed recursive convex model can solve the classical power flow problem in monopolar DC networks, and it also solves the OPF problem efficiently with a reduced convergence error when compared with semidefinite programming and combinatorial optimization methods. In addition, the proposed approach can deal with radial and meshed monopolar DC networks without modifications in its formulation. All the numerical implementations were in the MATLAB programming environment and the convex models were solved with the CVX and the Gurobi solver. Full article
(This article belongs to the Special Issue Modeling and Analysis of Complex Networks)
Show Figures

Figure 1

23 pages, 688 KB  
Article
Appraising the Optimal Power Flow and Generation Capacity in Existing Power Grid Topology with Increase in Energy Demand
by Gideon Ude Nnachi, Yskandar Hamam and Coneth Graham Richards
Energies 2022, 15(7), 2522; https://doi.org/10.3390/en15072522 - 30 Mar 2022
Cited by 7 | Viewed by 2953
Abstract
Several socioeconomic factors such as industrialization, population growth, evolution of modern technologies, urbanization and other social activities do heavily influence the increase in energy demand. A thorough understanding of the effects of energy demand to power grid is highly essential for effective planning [...] Read more.
Several socioeconomic factors such as industrialization, population growth, evolution of modern technologies, urbanization and other social activities do heavily influence the increase in energy demand. A thorough understanding of the effects of energy demand to power grid is highly essential for effective planning and operation of a power system network in terms of the available generation and transmission line capacities. This paper presents an optimal power flow (OPF) with the aim to determine the exact nodes through which the network capacities can be increased. The problem is formulated as a Direct Current (DC) OPF model, which is a linearized version of an Alternating Current (AC) OPF model. The DC-OPF model was solved as a single period OPF problem. The model was tested in several case studies using the topology of the IEEE test systems, and the computation speeds of the different cases were compared. The results suggested dual variables of the problem’s constraints as an extra tool for the network designer to see where to increase the network capacities. Full article
Show Figures

Graphical abstract

27 pages, 922 KB  
Article
Optimal Power Dispatch of Distributed Generators in Direct Current Networks Using a Master–Slave Methodology That Combines the Salp Swarm Algorithm and the Successive Approximation Method
by Andrés Alfonso Rosales Muñoz, Luis Fernando Grisales-Noreña, Jhon Montano, Oscar Danilo Montoya and Diego Armando Giral-Ramírez
Electronics 2021, 10(22), 2837; https://doi.org/10.3390/electronics10222837 - 18 Nov 2021
Cited by 12 | Viewed by 2018
Abstract
This paper addresses the Optimal Power Flow (OPF) problem in Direct Current (DC) networks by considering the integration of Distributed Generators (DGs). In order to model said problem, this study employs a mathematical formulation that has, as the objective function, the reduction in [...] Read more.
This paper addresses the Optimal Power Flow (OPF) problem in Direct Current (DC) networks by considering the integration of Distributed Generators (DGs). In order to model said problem, this study employs a mathematical formulation that has, as the objective function, the reduction in power losses associated with energy transport and that considers the set of constraints that compose DC networks in an environment of distributed generation. To solve this mathematical formulation, a master–slave methodology that combines the Salp Swarm Algorithm (SSA) and the Successive Approximations (SA) method was used here. The effectiveness, repeatability, and robustness of the proposed solution methodology was validated using two test systems (the 21- and 69-node systems), five other optimization methods reported in the specialized literature, and three different penetration levels of distributed generation: 20%, 40%, and 60% of the power provided by the slack node in the test systems in an environment with no DGs (base case). All simulations were executed 100 times for each solution methodology in the different test scenarios. The purpose of this was to evaluate the repeatability of the solutions provided by each technique by analyzing their minimum and average power losses and required processing times. The results show that the proposed solution methodology achieved the best trade-off between (minimum and average) power loss reduction and processing time for networks of any size. Full article
Show Figures

Figure 1

4 pages, 146 KB  
Editorial
Integration of AC/DC Microgrids into Power Grids
by Fazel Mohammadi
Sustainability 2020, 12(8), 3313; https://doi.org/10.3390/su12083313 - 19 Apr 2020
Cited by 6 | Viewed by 2705
Abstract
The Special Issue on “Integration of AC/DC Microgrids into Power Grids” is published. A total of six qualified papers are published in this Special Issue. The topics of the papers are the Optimal Power Flow (OPF), control, protection, and the operation of hybrid [...] Read more.
The Special Issue on “Integration of AC/DC Microgrids into Power Grids” is published. A total of six qualified papers are published in this Special Issue. The topics of the papers are the Optimal Power Flow (OPF), control, protection, and the operation of hybrid AC/DC microgrids. Nine researchers participated in this Special Issue. We hope that this Special Issue is helpful for sustainable energy applications. Full article
(This article belongs to the Special Issue Integration of AC/DC Microgrids into Power Grids)
17 pages, 2605 KB  
Article
Multiterminal Medium Voltage DC Distribution Network Hierarchical Control
by Patrobers Simiyu, Ai Xin, Kunyu Wang, George Adwek and Salman Salman
Electronics 2020, 9(3), 506; https://doi.org/10.3390/electronics9030506 - 19 Mar 2020
Cited by 27 | Viewed by 4612
Abstract
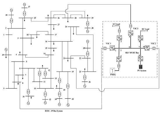
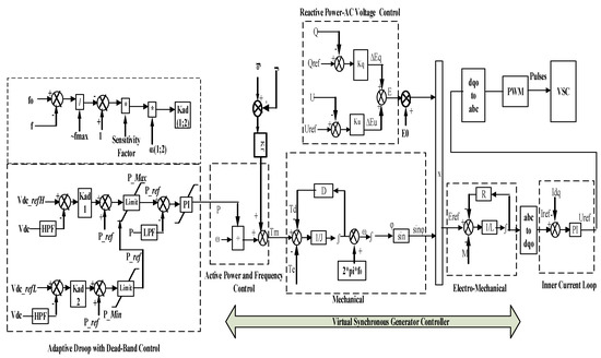
In this research study, a multiterminal voltage source converter (VSC) medium voltage DC (MVDC) distribution network hierarchical control scheme is proposed for renewable energy (RE) integration in a co-simulation environment of MATLAB and PSCAD/EMTDC. A DC optimal power flow (DC OPF) secondary controller [...] Read more.
In this research study, a multiterminal voltage source converter (VSC) medium voltage DC (MVDC) distribution network hierarchical control scheme is proposed for renewable energy (RE) integration in a co-simulation environment of MATLAB and PSCAD/EMTDC. A DC optimal power flow (DC OPF) secondary controller is created in MATLAB. In PSCAD/EMTDC, the main circuit containing the adaptive DC voltage droop with a dead band and virtual synchronous generator (VSG) based primary controller for the VSCs is implemented. The simulation of the MVDC network under the proposed hierarchical control scheme is investigated considering variations in wind and solar photovoltaic (PV) power. The network is also connected to the standard IEEE-39 bus system and the hierarchical scheme tested by assessing the effect of tripping as well as restoration of the REs. The results show that during random variations in active power such as increasing wind and PV power generation, a sudden reduction or tripping of wind and PV power, the primary controller ensures accurate active power sharing amongst the droop-based VSCs as well as regulates DC voltage deviations within the set range of 0.98–1.02 pu with an enhanced dynamic response. The DC OPF secondary control optimizes the system’s losses by 38% regularly giving optimal droop settings to the primary controllers to ensure proper active power balance and DC voltage stability. This study demonstrates that the hierarchical control strategy is effective for RE integration in the MVDC distribution network. Full article
(This article belongs to the Section Power Electronics)
Show Figures

Figure 1

Back to TopTop