Neuro-Fuzzy Based High-Voltage DC Model to Optimize Frequency Stability of an Offshore Wind Farm
Abstract
1. Introduction
Review of Previous Works
- i.
- This research presents a coordination control strategy that combines LCC and VSC with a novel hybrid LCVSV-HVDC system for frequency stability analysis in DFIG based offshore wind farms.
- ii.
- This research focuses on improving the integration of off-shore wind farms using hybrid MT-HVDC for large-scale power transmission over long distances.
- iii.
- An ANFIS based controlling technique is used for forecasting the wind speed and to maximize the power generation.
2. Mathematical Modeling & System Configuration
2.1. Mathematical Model of the WT
2.2. DFIG-Based OWF Model
2.2.1. GSC Controller
2.2.2. RSC Controller
2.3. Modelling f STATCOM
2.4. HVDC Rectifier Model
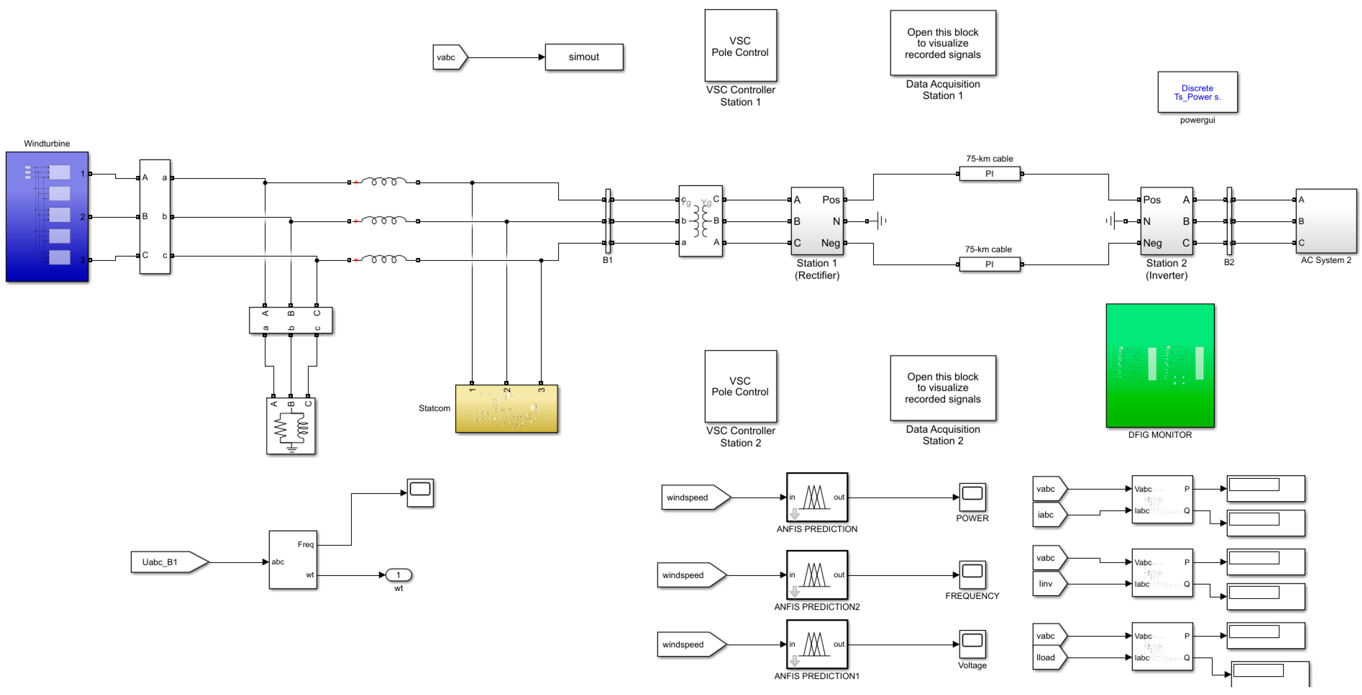
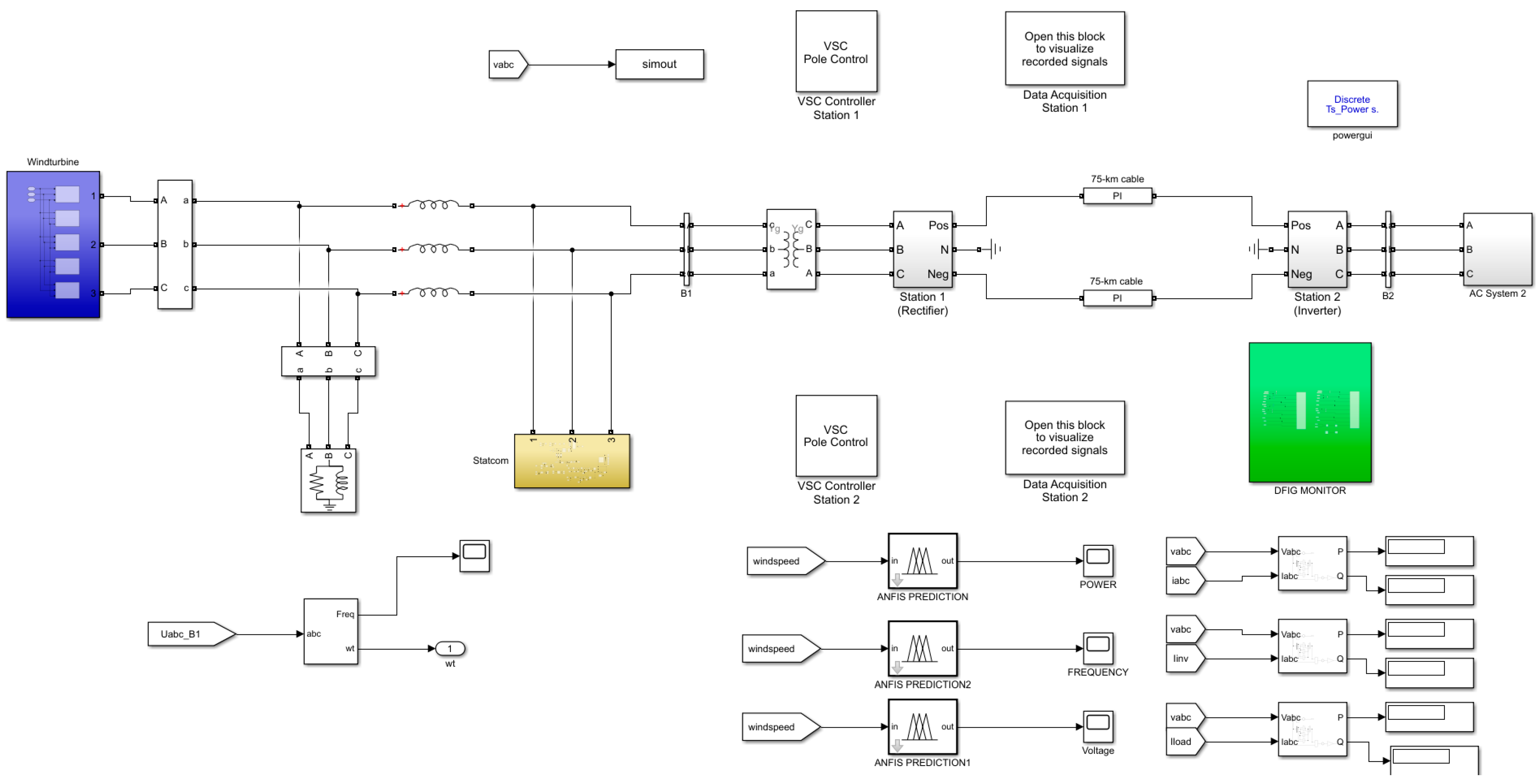
3. Proposed Control Strategy of Hybrid LCVSC-HVDC System
3.1. Inner and External Control Loop
3.2. ANFIS Controller for Wind Speed Forecasting
4. Results and Discussion
4.1. Experimental Details and System Configuration
4.2. Simulation Results
4.3. Comparative Analysis
5. Conclusions
Author Contributions
Funding
Institutional Review Board Statement
Informed Consent Statement
Data Availability Statement
Acknowledgments
Conflicts of Interest
Abbreviations
| DFIG | Double Fed Induction Generator |
| AC | Alternating current |
| DC | Direct current |
| HVAC | High voltage alternating Current |
| HVDC | High voltage direct current |
| LCC | Line-commutated converters |
| VSC | Voltage Source Converters |
| MTDC | Multi-terminal direct current |
| HMTDC | Hybrid multi-terminal direct current |
| RSC | Rotor side controller |
| GSC | Gird side controller |
| OPF | Optimal power flow |
| OWFs | Offshore wind farms |
| GW | Gigawatt |
| MW | Megawatt |
| ANFIS | Adaptive Neuro-Fuzzy Inference System |
| WTs | Wind turbines |
| EFOPF | Enhanced frequency optimal power flow |
| MT-HVDC | Multi terminal high voltage direct current |
| LCVSC | Line-commutated voltage source converters |
References
- Li, C.; Zhan, P.; Wen, J.; Yao, M.; Li, N.; Lee, W.J. Offshore wind farm integration and frequency support control utilizing hybrid multiterminal HVDC transmission. IEEE Trans. Ind. Appl. 2013, 50, 2788–2797. [Google Scholar] [CrossRef]
- Breyer, C.; Khalili, S.; Bogdanov, D.; Ram, M.; Oyewo, A.S.; Aghahosseini, A.; Gulagi, A.; Solomon, A.A.; Keiner, D.; Lopez, G.; et al. On the History and Future of 100% Renewable Energy Systems Research. IEEE Access 2022, 10, 78176–78218. [Google Scholar] [CrossRef]
- Chang, Y.; Zhao, M.; Kocar, I. The impact of DFIG control schemes on the negative-sequence based differential protection. Electr. Power Syst. Res. 2022, 211, 108564. [Google Scholar] [CrossRef]
- Chang, Y.; Mahseredjian, J.; Kocar, I.; Karaagac, U. Analytical characterization of DFIG response to asymmetrical voltage dips for efficient design. Electr. Power Syst. Res. 2022, 211, 108553. [Google Scholar] [CrossRef]
- Musial, W.D. Large-Scale Offshore Wind Power in the United States; National Renewable Energy Laboratory: Golden, CO, USA, 2010. [Google Scholar]
- Chen, Y.; Bhutta, M.S.; Abubakar, M.; Xiao, D.; Almasoudi, F.M.; Naeem, H.; Faheem, M. Evaluation of Machine Learning Models for Smart Grid Parameters: Performance Analysis of ARIMA and Bi-LSTM. Sustainability 2023, 15, 8555. [Google Scholar] [CrossRef]
- Zhou, W.; Li, Q.; Wu, K.; Zhang, L.; Hassan, M.A.S.; Chen, M. Accelerated hierarchical optimization method for emergency energy management of microgrids with energy storage systems. Energy Sci. Eng. 2022, 10, 962–972. [Google Scholar] [CrossRef]
- Chen, W.; Liu, B.; Nazir, M.S.; Abdalla, A.N.; Mohamed, M.A.; Ding, Z.; Bhutta, M.S.; Gul, M. An energy storage assessment: Using frequency modulation approach to capture optimal coordination. Sustainability 2022, 14, 8510. [Google Scholar] [CrossRef]
- Van Eeckhout, B.; Van Hertem, D.; Reza, M.; Srivastava, K.; Belmans, R. Economic comparison of VSC HVDC and HVAC as transmission system for a 300 MW offshore wind farm. Eur. Trans. Electr. Power 2010, 20, 661–671. [Google Scholar] [CrossRef]
- Rahman, S.; Khan, I.; Alkhammash, H.I.; Nadeem, M.F. A comparison review on transmission mode for onshore integration of offshore wind farms: Hvdc or hvac. Electronics 2021, 10, 1489. [Google Scholar] [CrossRef]
- Guo, Y.; Gao, H.; Xing, H.; Wu, Q.; Lin, Z. Decentralized coordinated voltage control for VSC-HVDC connected wind farms based on ADMM. IEEE Trans. Sustain. Energy 2018, 10, 800–810. [Google Scholar] [CrossRef]
- Lu, Z.; Ye, Y.; Qiao, Y. An adaptive frequency regulation method with grid-friendly restoration for VSC-HVDC integrated offshore wind farms. IEEE Trans. Power Syst. 2019, 34, 3582–3593. [Google Scholar] [CrossRef]
- Lee, G.; Moon, S.; Hwang, P. A Frequency–Power Droop Coefficient Determination Method of Mixed Line-Commutated and Voltage-Sourced Converter Multi-Infeed, High-Voltage, Direct Current Systems: An Actual Case Study in Korea. Appl. Sci. 2019, 9, 606. [Google Scholar] [CrossRef]
- Yamashita, K.I.; Tsukamoto, G.; Nishikata, S. Steady-state characteristics of a line-commutated converter-based high-voltage direct current transmission system for series-connected wind power plants. IEEE Trans. Ind. Appl. 2020, 56, 3932–3939. [Google Scholar] [CrossRef]
- Zhan, P.; Li, C.; Wen, J.; Hua, Y.; Yao, M.; Li, N. Research on hybrid multi-terminal high-voltage DC technology for offshore wind farm integration. J. Mod. Power Syst. Clean Energy 2013, 1, 34–41. [Google Scholar] [CrossRef]
- Haleem, N.M.; Rajapakse, A.D.; Gole, A.M.; Fernando, I.T. Investigation of fault ride-through capability of hybrid VSC-LCC multi-terminal HVDC transmission systems. IEEE Trans. Power Deliv. 2018, 34, 241–250. [Google Scholar] [CrossRef]
- Li, M.; Yang, M.; Yu, Y.; Lee, W.J. A wind speed correction method based on modified hidden Markov model for enhancing wind power forecast. IEEE Trans. Ind. Appl. 2021, 58, 656–666. [Google Scholar] [CrossRef]
- Liao, K.; Pang, B.; Yang, J.; He, Z. Compensation Strategy of Wideband Voltage Harmonics for Doubly-Fed Induction Generator. IEEE Trans. Energy Convers. 2023, 38, 674–684. [Google Scholar] [CrossRef]
- Liao, K.; Lu, D.; Wang, M.; Yang, J. A Low-Pass Virtual Filter for Output Power Smoothing of Wind Energy Conversion Systems. IEEE Trans. Ind. Electron. 2022, 69, 12874–12885. [Google Scholar] [CrossRef]
- Liang, J.; Kato, B.; Wang, Y. Constructing simplified models for dynamic analysis of monopile-supported offshore wind turbines. Ocean Eng. 2023, 271, 113785. [Google Scholar] [CrossRef]
- Guo, C.; Hu, J. Fixed-Time Stabilization of High-Order Uncertain Nonlinear Systems: Output Feedback Control Design and Settling Time Analysis. J. Syst. Sci. Complex. 2023. [Google Scholar] [CrossRef]
- Pan, W.; Chang, Y.; Chen, H. Hybrid multi-terminal HVDC system for large scale wind power. In Proceedings of the 2006 IEEE PES Power Systems Conference and Exposition, Atlanta, GA, USA, 29 October–1 November 2006; pp. 755–759. [Google Scholar]
- Chen, X.; Sun, H.; Wen, J.; Lee, W.J.; Yuan, X.; Li, N.; Yao, L. Integrating wind farm to the grid using hybrid multiterminal HVDC technology. IEEE Trans. Ind. Appl. 2010, 47, 965–972. [Google Scholar] [CrossRef]
- Torres-Olguin, R.E.; Molinas, M.; Undeland, T. Offshore wind farm grid integration by VSC technology with LCC-based HVDC transmission. IEEE Trans. Sustain. Energy 2012, 3, 899–907. [Google Scholar] [CrossRef]
- Faheem, M.; Umar, M.; Butt, R.A.; Raza, B.; Ngadi, M.A.; Gungor, V.C. Software defined communication framework for smart grid to meet energy demands in smart cities. In Proceedings of the 2019 7th International Istanbul Smart Grids and Cities Congress and Fair (ICSG), Istanbul, Turkey, 25–26 April 2019; pp. 51–55. [Google Scholar]
- Faheem, M.; Fizza, G.; Ashraf, M.W.; Butt, R.A.; Ngadi, M.A.; Gungor, V.C. Big Data acquired by Internet of Things-enabled industrial multichannel wireless sensors networks for active monitoring and control in the smart grid Industry 4.0. Data Brief 2021, 35, 106854. [Google Scholar] [CrossRef] [PubMed]
- Hassan, M.A.S.; Assad, U.; Farooq, U.; Kabir, A.; Khan, M.Z.; Bukhari, S.S.H.; Jaffri, Z.U.A.; Oláh, J.; Popp, J. Dynamic price-based demand response through linear regression for microgrids with renewable energy resources. Energies 2022, 15, 1385. [Google Scholar] [CrossRef]
- Nazir, M.S.; Abdalla, A.N.; Zhao, H.; Chu, Z.; Nazir, H.M.J.; Bhutta, M.S.; Javed, M.S.; Sanjeevikumar, P. Optimized economic operation of energy storage integration using improved gravitational search algorithm and dual stage optimization. J. Energy Storage 2022, 50, 104591. [Google Scholar] [CrossRef]
- Trevisan, A.S.; Fecteau, M.; Mendonça, Â.; Gagnon, R.; Mahseredjian, J. Analysis of low frequency interactions of DFIG wind turbine systems in series compensated grids. Electr. Power Syst. Res. 2021, 191, 106845. [Google Scholar] [CrossRef]
- Camargo, R.S.; Amorim, A.E.A.; Bueno, E.J.; Encarnaçao, L.F. Novel multilevel STATCOM for power system stability enhancement on DFIG-based wind farms. Electr. Power Syst. Res. 2021, 197, 107316. [Google Scholar] [CrossRef]
- Bhutta, M.S.; Sarfraz, M.; Ivascu, L.; Li, H.; Rasool, G.; ul Abidin Jaffri, Z.; Farooq, U.; Ali Shaikh, J.; Nazir, M.S. Voltage Stability Index Using New Single-Port Equivalent Based on Component Peculiarity and Sensitivity Persistence. Processes 2021, 9, 1849. [Google Scholar] [CrossRef]
- Zhang, Y.; Klabunde, C.; Wolter, M. Study of resonance issues between DFIG-based offshore wind farm and HVDC transmission. Electr. Power Syst. Res. 2021, 190, 106767. [Google Scholar] [CrossRef]
- Liu, H.; Sun, J. Voltage stability and control of offshore wind farms with AC collection and HVDC transmission. IEEE J. Emerg. Sel. Top. Power Electron. 2014, 2, 1181–1189. [Google Scholar]
- Kunjumuhammed, L.P.; Pal, B.C.; Gupta, R.; Dyke, K.J. Stability analysis of a PMSG-based large offshore wind farm connected to a VSC-HVDC. IEEE Trans. Energy Convers. 2017, 32, 1166–1176. [Google Scholar] [CrossRef]
- Zhou, W.; Wang, Y.; Torres-Olguin, R.E.; Chen, Z. Effect of reactive power characteristic of offshore wind power plant on low-frequency stability. IEEE Trans. Energy Convers. 2020, 35, 837–853. [Google Scholar] [CrossRef]
- O’Sullivan, J.; Rogers, A.; Flynn, D.; Smith, P.; Mullane, A.; O’Malley, M. Studying the maximum instantaneous non-synchronous generation in an island system—Frequency stability challenges in Ireland. IEEE Trans. Power Syst. 2014, 29, 2943–2951. [Google Scholar] [CrossRef]
- Chávez, H.; Baldick, R.; Sharma, S. Governor rate-constrained OPF for primary frequency control adequacy. IEEE Trans. Power Syst. 2014, 29, 1473–1480. [Google Scholar] [CrossRef]
- Chvez, H.; Baldick, R.; Matevosyan, J. The joint adequacy of AGC and primary frequency response in single balancing authority systems. IEEE Trans. Sustain. Energy 2015, 6, 959–966. [Google Scholar] [CrossRef]
- Dvorkin, Y.; Henneaux, P.; Kirschen, D.S.; Pandžić, H. Optimizing primary response in preventive security-constrained optimal power flow. IEEE Syst. J. 2016, 12, 414–423. [Google Scholar] [CrossRef]
- Wen, Y.; Li, W.; Huang, G.; Liu, X. Frequency dynamics constrained unit commitment with battery energy storage. IEEE Trans. Power Syst. 2016, 31, 5115–5125. [Google Scholar] [CrossRef]
- Carrasco, F.; Rahmann, C. Effects of inertial response and ramp reserve requirements in the unit commitment. In Proceedings of the 2016 IEEE Power and Energy Society General Meeting (PESGM), Boston, MA, USA, 17–21 July 2016; pp. 1–5. [Google Scholar]
- Junyent-Ferr, A.; Pipelzadeh, Y.; Green, T.C. Blending HVDC-link energy storage and offshore wind turbine inertia for fast frequency response. IEEE Trans. Sustain. Energy 2014, 6, 1059–1066. [Google Scholar] [CrossRef]
- Abu-Elanien, A.E.; Abdel-Khalik, A.S.; Massoud, A.M. Multi-terminal HVDC system with offshore wind farms under anomalous conditions: Stability assessment. IEEE Access 2021, 9, 92661–92675. [Google Scholar] [CrossRef]
- Pinto, R.T.; Aragüés-Peñalba, M.; Gomis-Bellmunt, O.; Sumper, A. Optimal operation of DC networks to support power system outage management. IEEE Trans. Smart Grid 2016, 7, 2953–2961. [Google Scholar] [CrossRef]
- Bernal-Perez, S.; Añó-Villalba, S.; Blasco-Gimenez, R. Stability analysis of multi-terminal HVDC with diode rectifier connected off-shore wind power plants. Int. J. Electr. Power Energy Syst. 2021, 124, 106231. [Google Scholar] [CrossRef]
- Mehrabankhomartash, M.; Saeedifard, M.; Yazdani, A. Adjustable wind farm frequency support through multi-terminal HVDC grids. IEEE Trans. Sustain. Energy 2021, 12, 1461–1472. [Google Scholar] [CrossRef]
- Rekik, A.; Boukettaya, G. A Dynamic Power Management and Dedicated Control Strategy of a Flexible Multi-Terminal HVDC Grids for Offshore Wind Farms. Int. J. Renew. Energy Res. 2021, 11, 247–263. [Google Scholar]
- Yan, S.; Gu, Z.; Park, J.H.; Xie, X. Adaptive memory-event-triggered static output control of T–S fuzzy wind turbine systems. IEEE Trans. Fuzzy Systems 2021, 30, 3894–3904. [Google Scholar] [CrossRef]
- Yan, S.; Gu, Z.; Park, J.H.; Xie, X. Synchronization of delayed fuzzy neural networks with probabilistic communication delay and its application to image encryption. IEEE Trans. Fuzzy Syst. 2022, 31, 930–940. [Google Scholar] [CrossRef]
- Wen, Y.; Chung, C.Y.; Ye, X. Enhancing frequency stability of asynchronous grids interconnected with HVDC links. IEEE Trans. Power Syst. 2018, 33, 1800–1810. [Google Scholar] [CrossRef]
- Huynh, N.T.; Nguyen, T.V.; Nguyen, Q.M. Optimum Design for the Magnification Mechanisms Employing Fuzzy Logic-ANFIS. Comput. Mater. Contin. 2022, 73, 5961–5983. [Google Scholar]
- Nguyen, T.V.; Huynh, N.T.; Vu, N.C.; Kieu, V.N.; Huang, S.C. Optimizing compliant gripper mechanism design by employing an effective bi-algorithm: Fuzzy logic and ANFIS. Microsyst. Technol. 2021, 27, 3389–3412. [Google Scholar] [CrossRef]
- Roungrojkarnranan, V.; Chen, X. Reactive Power Compensation and Energy Storage in Wind Power Plant. Bachelor’s Thesis, Worcester Polytechnic Institute, Worcester, MA, USA, 2012. [Google Scholar]
- Ahmad, R.; Abdul-Hussain, M. Modeling and simulation of wind turbine generator using Matlab-Simulink. J. Al-Rafidain Univ. Coll. Sci. 2017, 40, 282–300. [Google Scholar]
- Dash, P.K.; Nayak, N. Nonlinear control of voltage source converters in AC–DC power system. ISA Trans. 2014, 53, 1268–1285. [Google Scholar] [CrossRef]














| Modeling Parameter | Values |
|---|---|
| Operating Frequency (f) | 50 Hz |
| Speed of the rotor (N) | 1500 |
| Input voltage (Vs) | 415 V |
| Stator Current (Is) | 1760 mA |
| Electromagnetic Torque (Tem) | 12,732 N |
| No of Poles | 2 |
| Rotor Voltage (Vr) | 2070 V |
| Stator Resistance (Rs) | 2.6 × 10−3 Ω |
| Stator Inductance (Ls) | 0.087 × 10−3 H |
| Mutual Inductance (Lm) | 2.5 × 10−3 H |
| Rotor Resistance (Rr) | 2.9 × 10−3 Ω |
| Bus Voltage (Vbus) | 1150 V |
| Switching Frequency (fsw) | 4 × 103 Hz |
| Switching Period (Ts) | 0.25 ms |
Disclaimer/Publisher’s Note: The statements, opinions and data contained in all publications are solely those of the individual author(s) and contributor(s) and not of MDPI and/or the editor(s). MDPI and/or the editor(s) disclaim responsibility for any injury to people or property resulting from any ideas, methods, instructions or products referred to in the content. |
© 2023 by the authors. Licensee MDPI, Basel, Switzerland. This article is an open access article distributed under the terms and conditions of the Creative Commons Attribution (CC BY) license (https://creativecommons.org/licenses/by/4.0/).
Share and Cite
Bhutta, M.S.; Xuebang, T.; Faheem, M.; Almasoudi, F.M.; Alatawi, K.S.S.; Guo, H. Neuro-Fuzzy Based High-Voltage DC Model to Optimize Frequency Stability of an Offshore Wind Farm. Processes 2023, 11, 2049. https://doi.org/10.3390/pr11072049
Bhutta MS, Xuebang T, Faheem M, Almasoudi FM, Alatawi KSS, Guo H. Neuro-Fuzzy Based High-Voltage DC Model to Optimize Frequency Stability of an Offshore Wind Farm. Processes. 2023; 11(7):2049. https://doi.org/10.3390/pr11072049
Chicago/Turabian StyleBhutta, Muhammad Shoaib, Tang Xuebang, Muhammad Faheem, Fahad M. Almasoudi, Khaled Saleem S. Alatawi, and Huali Guo. 2023. "Neuro-Fuzzy Based High-Voltage DC Model to Optimize Frequency Stability of an Offshore Wind Farm" Processes 11, no. 7: 2049. https://doi.org/10.3390/pr11072049
APA StyleBhutta, M. S., Xuebang, T., Faheem, M., Almasoudi, F. M., Alatawi, K. S. S., & Guo, H. (2023). Neuro-Fuzzy Based High-Voltage DC Model to Optimize Frequency Stability of an Offshore Wind Farm. Processes, 11(7), 2049. https://doi.org/10.3390/pr11072049

