High-Performance One-Quadrant DC Drive for Pumping Applications Using Ultra-Sparse Matrix Rectifier
Abstract
1. Introduction
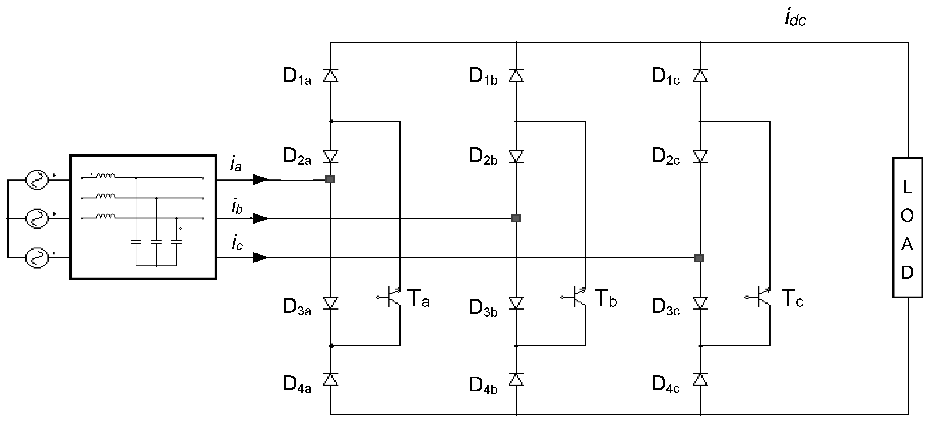
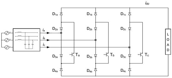
2. Principles of Operation of USMR
2.1. Converter Power Circuit and Switching States
2.2. Transient Model of USMR Converter System
- The three-phase grid voltages are a balanced star-connected system.
- The series inductor Ls of the LC filter has a per-phase equivalent resistance Rs.
- The power diodes and transistors are ideal.
2.3. Computation of USMR Global Output Average Voltage
- Accordingly:
2.4. Computation of Output Average Voltage over a Switching Period
3. Description of the Investigated DC Drive System
3.1. System Block Diagram
- (1)
- Outer closed loop speed control loop using a PI controller, where its output represents the peak desired (reference) value of the AC current to be drawn from the AC supply.
- (2)
- Inner current control loop using three hysteresis ON–OFF current controllers to regulate the AC input currents to the corresponding reference values.
- (3)
- Reference the current generation unit that generates three-phase sinusoidal signals (with unity amplitude) synchronized with the AC supply using a phase-locked loop (PLL).
3.2. Design of Speed Controller
4. Results
4.1. USMR Performance with ON–OFF Hysteresis Current Controllers
4.1.1. Steady-State AC Current Control Mode
4.1.2. Transient AC Current Control Mode
4.1.3. Closed-Loop DC Voltage Control Mode
4.1.4. Closed-Loop Motor Speed Control
4.2. Performance of USMR with Triangular Carrier-Based PWM Modulation
4.2.1. Steady-State AC Current Control Mode
4.2.2. Transient AC Current Control Mode
4.2.3. Closed-Loop DC Voltage Control Mode
4.2.4. Closed-Loop Motor Speed Control
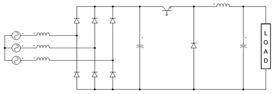
4.3. Comparison with the Conventional Buck Converter Scheme
5. Discussion
6. Conclusions
- The USMR converter power circuit will be built based on IGBT power transistors and fast recovery power diodes.
- During the prototyping and testing phase, the commonly used dSPACE card (DS1104 controller boards) will be utilized for real-time simulation as a powerful HIL tool.
- For the final stage, as a candidate commercial product, the core of the control unit will be based on the ESP32 microcontroller card.
- Hall-effect current and voltage transducers will be needed to measure the AC grid currents, AC phase voltages, and the DC load voltage.
- An integrated protection scheme and automatic shut-down will be included to protect the USMR converter against overcurrent, overvoltage, and different faults.
Funding
Data Availability Statement
Conflicts of Interest
List of Abbreviations
| APF | Active power filter |
| EV | Electric vehicle |
| FFT | Fast Fourier transform |
| DC | Direct current |
| DO | Dandelion optimization |
| FCS-MPC | Finite control set model predictive control |
| BJT | Bipolar junction transistor |
| IGBT | Insulated gate bipolar transistor |
| THD | Total harmonic distortion |
| MOSFET | Metal oxide field effect transistor |
| PF | Power factor |
| PWM | Pulse width modulation |
| PID | Proportional-integral-derivative |
| PI | Proportional-integral |
| SV | Space vector |
| SVM | Space vector modulation |
| MC | Matrix Converter |
| MPC | Model predictive control |
| USMC | Ultra sparse matrix converter |
| USMR | Ultra-sparse matrix rectifier |
| List of Symbols | |
| Reference values of AC supply currents | |
| Instantaneous values of the actual AC supply currents | |
| Peak value of the reference supply current | |
| Average value of the DC link current (USMR output current) | |
| Instantaneous values of the 3-Φ AC supply phase voltages | |
| Instantaneous values of the 3-Φ AC supply line–line voltages | |
| Maximum value of the supply phase voltage | |
| RMS value of the supply phase voltage | |
| Global average value of USMR output voltage | |
| Average DC voltage over the switching period of the PWM | |
| Average DC voltage over the entire sector of 60° | |
| Sa, Sb, Sc | Switching signals of the transistors Ta, Tb, and Tc, respectively |
| Cs | Capacitance of the input LC filter |
| Ls | Inductance of the input LC filter |
| Ra | Armature winding resistance |
| La | Armature winding inductance |
| Rf | Field winding resistance |
| Lf | Field winding inductance |
| J | Motor moment of inertia |
| Motor torque constant | |
| Phase angle between input voltage and current in rad | |
| Electrical angle of the AC supply voltage in rad | |
| dab | Duty cycle of the effective vector along the axis vab |
| dac | Duty cycle of the effective vector along the axis vac |
| Transfer functions of the PI controller | |
| Closed-loop transfer function of the speed control loop | |
| Proportional-term gain of the PI speed controller | |
| Integral-term gain of the PI speed controller | |
| Damping ratio of the desired 2nd-order closed-loop system | |
| Natural frequency of the desired 2nd-order closed-loop system |
References
- Montoya-Acevedo, D.; Gil-González, W.; Montoya, O.D.; Restrepo, C.; González-Castaño, C. Adaptive Speed Control for a DC Motor Using DC/DC Converters: An Inverse Optimal Control Approach. IEEE Access 2024, 12, 154503–154513. [Google Scholar] [CrossRef]
- Çelik, E.; Bal, G.; Öztürk, N.; Bekiroglu, E.; Houssein, E.H.; Ocak, C.; Sharma, G. Improving speed control characteristics of PMDC motor drives using nonlinear PI control. Neural Comput. Appl. 2024, 36, 9113–9124. [Google Scholar] [CrossRef]
- Azab, M. A Review of Recent Trends in High-Efficiency Induction Motor Drives. Vehicles 2025, 7, 15. [Google Scholar] [CrossRef]
- Molina-Santana, E.; Iturralde Carrera, L.A.; Álvarez-Alvarado, J.M.; Aviles, M.; Rodríguez-Resendiz, J. Modeling and Control of a Permanent Magnet DC Motor: A Case Study for a Bidirectional Conveyor Belt’s Application. Eng 2025, 6, 42. [Google Scholar] [CrossRef]
- Rahmatullah, R.; Ak, A.; Serteller, N.F.O. SMC Controller Design for DC Motor Speed Control Applications and Performance Comparison with FLC, PID and PI Controllers. In Intelligent Sustainable Systems; Nagar, A.K., Singh Jat, D., Mishra, D.K., Joshi, A., Eds.; Springer: Singapore, 2023; pp. 607–617. [Google Scholar]
- Afifa, R.; Ali, S.; Pervaiz, M.; Iqbal, J. Adaptive Backstepping Integral Sliding Mode Control of a MIMO Separately Excited DC Motor. Robotics 2023, 12, 105. [Google Scholar] [CrossRef]
- Baidya, D.; Dhopte, S.; Bhattacharjee, M. Sensing System Assisted Novel PID Controller for Efficient Speed Control of DC Motors in Electric Vehicles. IEEE Sens. Lett. 2023, 7, 6000604. [Google Scholar] [CrossRef]
- Manuel, N.L.; İnanç, N.; Lüy, M. Control and Performance Analyses of a DC Motor Using Optimized PIDs and Fuzzy Logic Controller. Results Control Optim. 2023, 13, 100306. [Google Scholar] [CrossRef]
- García-Chávez, R.E.; Silva-Ortigoza, R.; Hernández-Guzmán, V.M.; Marciano-Melchor, M.; Orta-Quintana, A.A.; García-Sánchez, J.R.; Taud, H. A Robust Sliding Mode and PI-Based Tracking Control for the MIMO “DC/DC Buck Converter–Inverter–DC Motor” System. IEEE Access 2023, 11, 119396–119408. [Google Scholar] [CrossRef]
- Velasco-Muñoz, H.; Candelo-Becerra, J.E.; Hoyos, F.E.; Rincón, A. Speed Regulation of a Permanent Magnet DC Motor with Sliding Mode Control Based on Washout Filter. Symmetry 2022, 14, 728. [Google Scholar] [CrossRef]
- Vesović, M.; Jovanović, R.; Trišović, N. Control of a DC motor using feedback linearization and the gray wolf optimization algorithm. Adv. Mech. Eng. 2022, 14, 16878132221085324. [Google Scholar] [CrossRef]
- Kuczmann, M. Review of DC Motor Modeling and Linear Control: Theory with Laboratory Tests. Electronics 2024, 13, 2225. [Google Scholar] [CrossRef]
- Ismail, A.A.A.; Elnady, A. Advanced Drive System for DC Motor Using Multilevel DC/DC Buck Converter Circuit. IEEE Access 2019, 7, 54167–54178. [Google Scholar] [CrossRef]
- Zhang, Y.; Xu, S.; Shong, Y.; Qi, W.; Guo, Q.; Li, X.; Miao, Y.; Kong, L.; Chen, J.; Zhang, B.; et al. Real-Time Global Optimal Energy Management Strategy for Connected Plug-In Hybrid Electric Vehicles Based on Traffic Flow Information. IEEE Trans. Intell. Transp. Syst. 2024, 25, 20032–20042. [Google Scholar] [CrossRef]
- Qi, W.; Lan, P.; Yang, J.; Chen, Y.; Zhang, Y.; Wang, G.; Peng, F.; Hong, J. Multi-U-Style Micro-Channel in Liquid Cooling Plate for Thermal Management of Power Batteries. Appl. Therm. Eng. 2024, 256, 123984. [Google Scholar] [CrossRef]
- IEEE Std. 519-2022 (Revision of IEEE Standard 519-2014); IEEE Standard for Harmonic Control in Electric Power Systems. IEEE: Piscataway, NJ, USA, 2022; pp. 1–31. [CrossRef]
- IEEE Std. 1459-2010; IEEE Standard Definitions for the Measurement of Electric Power Quantities Under Sinusoidal, Non-Sinusoidal, Balanced, or Unbalanced Conditions. IEEE: Piscataway, NJ, USA, 2010; pp. 1–40.
- IEEE Std. 1531-2020 (Revision of IEEE Std 1531-2003); IEEE Guide for the Application and Specification of Harmonic Filters. IEEE: Piscataway, NJ, USA, 2021; pp. 1–71. [CrossRef]
- Li, C.; Hu, J.; Zhao, M. Grid-Voltage Sensorless Predictive Current Control of Three-Phase PWM Rectifier with Fast Dynamic Response and High Accuracy. CPSS Trans. Power Electron. Appl. 2023, 8, 269–277. [Google Scholar] [CrossRef]
- Song, T.; Zhang, Y.; Gao, F.; Zhu, X.; Shan, J.; Kong, Z. Power Model Free Voltage Ripple Suppression Method of Three-Phase PWM Rectifier under Unbalanced Grid. IEEE Trans. Power Electron. 2022, 37, 13799–13807. [Google Scholar] [CrossRef]
- He, H.; Si, T.; Sun, L.; Liu, B.; Li, Z. Linear Active Disturbance Rejection Control for Three-Phase Voltage-Source PWM Rectifier. IEEE Access 2020, 8, 45050–45060. [Google Scholar] [CrossRef]
- Zhang, Y.; Wang, Z.; Jiao, J.; Liu, J. Grid-Voltage Sensorless Model Predictive Control of Three-Phase PWM Rectifier under Unbalanced and Distorted Grid Voltages. IEEE Trans. Power Electron. 2020, 35, 8663–8672. [Google Scholar] [CrossRef]
- Wai, R.-J.; Yang, Y. Design of Backstepping Direct Power Control for Three-Phase PWM Rectifier. IEEE Trans. Ind. Appl. 2019, 55, 3160–3173. [Google Scholar] [CrossRef]
- Pan, Z.; Wang, X.; Hoang, T.T.G.; Wang, Z.; Tian, L. DC-Link Voltage Disturbance Rejection Strategy of PWM Rectifiers Based on Reduced-Order LESO. IEEE Access 2019, 7, 103693–103705. [Google Scholar] [CrossRef]
- Zhang, H.; Zhu, X.; Shi, J.; Tan, L.; Zhang, C.; Hu, K. Study on PWM Rectifier without Grid Voltage Sensor Based on Virtual Flux Delay Compensation Algorithm. IEEE Trans. Power Electron. 2019, 34, 849–862. [Google Scholar] [CrossRef]
- Xiao, X.; Wu, Y.; Su, J.; Zhang, Y.; Zhou, J. An Improved Precise Power Control of Voltage Sensorless-MPC for PWM Rectifiers. IEEE Access 2020, 8, 220058–220068. [Google Scholar] [CrossRef]
- Porkia, H.A.; Adabi, J.; Zare, F. Elimination of Circulating Current in a Parallel PWM Rectifier Using an Interface Circuit. IEEE Trans. Power Electron. 2022, 37, 264–273. [Google Scholar] [CrossRef]
- Guo, J.; Chen, Y.; Wu, W.; Wang, X.; Xie, Z.; Xie, L.; Shuai, Z. Wideband dq-Frame Impedance Modeling of Load-Side Virtual Synchronous Machine and Its Stability Analysis in Comparison with Conventional PWM Rectifier in Weak Grid. IEEE J. Emerg. Sel. Top. Power Electron. 2021, 9, 2440–2451. [Google Scholar] [CrossRef]
- Metidji, R.; Metidji, B.; Mendil, B. Design and Implementation of a Unity Power Factor Fuzzy Battery Charger Using an Ultrasparse Matrix Rectifier. IEEE Trans. Power Electron. 2013, 28, 2269–2276. [Google Scholar] [CrossRef]
- Metidji, B.; Metidji, R. Unity Power Factor Standalone Wind Battery Charger. In Proceedings of the 2016 IEEE International Conference on Renewable Energy Research and Applications (ICRERA), Birmingham, UK, 20–23 November 2016; pp. 826–831. [Google Scholar] [CrossRef]
- Salem, M.; Atia, Y.; Mahgoub, O. Ultra Sparse Matrix Rectifier for Battery Charging Application. In Proceedings of the 2017 International Conference on Advanced Control Circuits Systems (ACCS), Alexandria, Egypt, 5–8 November 2017; pp. 305–310. [Google Scholar] [CrossRef]
- Zaid, S.A.; Albalawi, H. Application of Model Predictive Control to Ultra Sparse Matrix Rectifier. Int. Rev. Electr. Eng. 2018, 13, 357–364. [Google Scholar] [CrossRef]
- Kolar, J.W.; Baumann, M.; Schafmeister, F.; Ertl, H. Novel Three-Phase AC–DC–AC Sparse Matrix Converter—Part I: Derivation, Basic Principle of Operation, Space Vector Modulation, Dimensioning. In Proceedings of the Applied Power Electronics Conference and Exposition, 2002. APEC 2002. Seventeenth Annual IEEE, Dallas, TX, USA, 10–14 March 2002; pp. 777–789. [Google Scholar] [CrossRef]
- Kolar, J.W.; Schafmeister, F.; Round, S.D.; Ertl, H. Novel Three-Phase AC–AC Sparse Matrix Converters. IEEE Trans. Power Electron. 2007, 22, 1649–1661. [Google Scholar] [CrossRef]
- Liu, X.; Wang, P.; Loh, P.C.; Blaabjerg, F. A Compact Three-Phase Single-Input/Dual-Output Matrix Converter. IEEE Trans. Ind. Electron. 2012, 59, 6–16. [Google Scholar] [CrossRef]
- Xia, C.; Li, S.; Yan, Y.; Shi, T. Research on Linear Output Voltage Transfer Ratio for Ultra-Sparse Matrix Converter. IEEE Trans. Power Electron. 2016, 31, 1811–1815. [Google Scholar] [CrossRef]
- Li, S.; Chen, W.; Yan, Y.; Shi, T.; Xia, C. A Multimode Space Vector Overmodulation Strategy for Ultrasparse Matrix Converter with Improved Fundamental Voltage Transfer Ratio. IEEE Trans. Power Electron. 2018, 33, 6782–6793. [Google Scholar] [CrossRef]
- Shi, T.; Wu, L.; Yan, Y.; Xia, C. Harmonic Spectrum of Output Voltage for Space Vector Pulse Width Modulated Ultra Sparse Matrix Converter. Energies 2018, 11, 390. [Google Scholar] [CrossRef]
- Raghuram, M.; Chauhan, A.K.; Singh, S.K. Extended Range of Ultra Sparse Matrix Converter Using Integrated Switched Capacitor Network. IEEE Trans. Ind. Appl. 2019, 55, 5406–5415. [Google Scholar] [CrossRef]
- Siva, V.; Raghuram, M.; Singh, A.; Singh, S.K.; Siwakoti, Y.P. Switching Strategy to Reduce Inductor Current Ripple and Common Mode Voltage in Quasi Z-Source Ultra Sparse Matrix Converter. IEEE J. Emerg. Sel. Top. Ind. Electron. 2023, 4, 1159–1169. [Google Scholar] [CrossRef]
- Shi, T.; Zhang, X.; An, S.; Yan, Y.; Xia, C. Harmonic Suppression Modulation Strategy for Ultra-Sparse Matrix Converter. IET Power Electron. 2016, 9, 589–599. [Google Scholar] [CrossRef]
- Li, S.; Xia, C.; Yan, Y.; Shi, T. Space-Vector Overmodulation Strategy for Ultrasparse Matrix Converter Based on the Maximum Output Voltage Vector. IEEE Trans. Power Electron. 2017, 32, 5388–5397. [Google Scholar] [CrossRef]
- Karaman, E.; Farasat, M.; Trzynadlowski, A.M. Matrix Converter with a Series Z-Source. In Proceedings of the IECON 2012—38th Annual Conference on IEEE Industrial Electronics Society, Montreal, QC, Canada, 25–28 October 2012; pp. 6093–6098. [Google Scholar] [CrossRef]
- Dixon, J.; Tepper, S.; Moran, L. Practical Evaluation of Different Modulation Techniques for Current-Controlled Voltage Source Inverters. IEE Proc.—Electr. Power Appl. 1996, 143, 99–106. [Google Scholar] [CrossRef]
- Buła, D.; Michalak, J.; Zygmanowski, M.; Adrikowski, T.; Jarek, G.; Jeleń, M. Control Strategy of 1 kV Hybrid Active Power Filter for Mining Applications. Energies 2021, 14, 4994. [Google Scholar] [CrossRef]
- Azab, M. Low-Cost Active Power Filter Using Four-Switch Three-Phase Inverter Scheme. Electricity 2025, 6, 16. [Google Scholar] [CrossRef]
- Torabi Jafrodi, S.; Ghanbari, M.; Mahmoudian, M.; Najafi, A.M.G.; Rodrigues, E.; Pouresmaeil, E. A Novel Control Strategy to Active Power Filter with Load Voltage Support Considering Current Harmonic Compensation. Appl. Sci. 2020, 10, 1664. [Google Scholar] [CrossRef]

































| Switching State | Description | Switching Functions | Output DC Voltage |
|---|---|---|---|
| 1 1 0 | Active States | 1 0 0 | |
| 1 0 1 | 0 0 1 | ||
| 0 1 1 | 0 1 0 | ||
| 0 0 1 | Zero States | 0 0 0 | 0 0 0 |
| 0 1 0 | 0 0 0 | ||
| 1 0 0 | 0 0 0 |
| Parameter | Description | Value |
|---|---|---|
| VLL rms | RMS value of line-to-line voltage | 380 V |
| fs | Grid (supply) frequency | 50 Hz |
| 3-Φ LC filter | Input LC filter (low pass filter) | |
| LS | Per-phase input filter inductance | 6 mH |
| CS | Per-phase input filter capacitance | 0.5 μF |
| DC Motor | Separately excited DC motor | |
| Ra | Armature winding resistance | 2 Ω |
| La | Armature winding inductance | 0.005 H |
| Rf | Field winding resistance | 100 Ω |
| Lf | Field winding inductance | 0.02 H |
| J | Moment of inertia | 0.05 kg.m2 |
| B | Friction coefficient | 0.079 N.m s/rad |
| Ts | Simulation time step | 4 μsec |
| Comparison Item | USMR | Buck Chopper | |||
|---|---|---|---|---|---|
| Hysteresis Current Controller | Triangular Carrier PWM | ||||
| Number of Devices | Diodes | 12 | 7 | ||
| Transistors | 3 | 1 | |||
| Isolation and drivers | 3 | 1 | |||
| Passive elements | L | 4 | 4 | ||
| C | 4 | 2 | |||
| Input AC Currents | THD | 1.07% | 2.74% | 79.62% | |
| HF5 | 0.23% | 1.01% | 66.53% | ||
| HF7 | 0.21% | 0.77% | 42.31% | ||
| HF11 | 0.19% | 0.49% | 7.75% | ||
| Input PF | 0.999 | 0.999 | 0.742 | ||
| DC Load Voltage | Peak–peak voltage (ΔVo/VAVG) | 3.68% | 4.65% | 12.22% | |
| 6th harmonic | 1.54% | 1.37% | 0.43% | ||
| Motor Speed | Peak overshoot | 2.28% | 1.86% | 2.22% | |
| Settling time | 0.589 s | 0.59 s | 0.687 s | ||
Disclaimer/Publisher’s Note: The statements, opinions and data contained in all publications are solely those of the individual author(s) and contributor(s) and not of MDPI and/or the editor(s). MDPI and/or the editor(s) disclaim responsibility for any injury to people or property resulting from any ideas, methods, instructions or products referred to in the content. |
© 2025 by the author. Licensee MDPI, Basel, Switzerland. This article is an open access article distributed under the terms and conditions of the Creative Commons Attribution (CC BY) license (https://creativecommons.org/licenses/by/4.0/).
Share and Cite
Azab, M. High-Performance One-Quadrant DC Drive for Pumping Applications Using Ultra-Sparse Matrix Rectifier. Vehicles 2025, 7, 144. https://doi.org/10.3390/vehicles7040144
Azab M. High-Performance One-Quadrant DC Drive for Pumping Applications Using Ultra-Sparse Matrix Rectifier. Vehicles. 2025; 7(4):144. https://doi.org/10.3390/vehicles7040144
Chicago/Turabian StyleAzab, Mohamed. 2025. "High-Performance One-Quadrant DC Drive for Pumping Applications Using Ultra-Sparse Matrix Rectifier" Vehicles 7, no. 4: 144. https://doi.org/10.3390/vehicles7040144
APA StyleAzab, M. (2025). High-Performance One-Quadrant DC Drive for Pumping Applications Using Ultra-Sparse Matrix Rectifier. Vehicles, 7(4), 144. https://doi.org/10.3390/vehicles7040144

