Abstract
Titanium-containing coagulants are a new development in physical and chemical water purification processes. Despite their high efficiency and the absence of the drawbacks that are typical of traditional reagents, the high cost of titanium compounds restrains their extensive implementation. As part of this work, a concept technology for the synthesis of complex titanium-containing reagents using chemical dehydration processes was proposed. It was found that the composition of a complex titanium-containing coagulant consists of a mixture of aluminum sulfate 50–87 wt.%, aluminum chloride 10–40 wt.%, and titanium oxysulfate 2.5–10.0 wt.%. It was ascertained that the optimal content of the modifying additive in titanium compounds is 5.0–7.5 wt.%. The comparison of the coagulation efficiency of traditional aluminum- and iron-containing reagents and freshly synthesized reagents showed that the use of complex titanium-containing coagulants allows us not only to minimize the residual concentrations of various pollutants (phosphates, turbidity, oxidizable organic compounds) but also to reduce the reagent consumption by 20–25%, as well as to intensify the processes of sedimentation and filtration of coagulation sludge. Based on the data set obtained, the prospects for the production and use of complex titanium-containing coagulants for natural and wastewater of different origins are proven.
1. Introduction
Increasing attention is being paid to natural and wastewater purification. The increase in freshwater consumption and, consequently, the volumes of household and industrial wastewater, together with the emergence of new types of pollutants, require a search for new, highly efficient reagents.
Physicochemical water purification and, in particular, coagulation are crucial and are used at the majority of centralized or local water treatment plants. Coagulation is applied to remove a wide range of insoluble impurities from water, such as sand, algae microparticles, and poorly soluble metal compounds (carbonates, sulfides, etc.), as well as to reduce the content of dissolved organic matter, which affects the taste, smell, and color of water.
The traditional coagulants are aluminum and iron salts. Aluminum sulfate is used for local wastewater treatment in the textile, food, paint and varnish, and other industries. Iron salts are efficient in removing poorly soluble compounds of heavy metals from water. Aluminum oxychloride is the most modern and common reagent, widely used in the processes of centralized water treatment and wastewater dephosphatization after the stage of deep biological treatment.
Despite their relatively high efficiency, these reagents are obsolete and are not capable of performing the tasks assigned to them. In addition, aluminum salts are inefficient at low water temperatures (less than 10 °C), operate in a limited pH range, and are also subjected to a strict residual standard for aluminum content. These shortcomings are inherent in all water purification processes using aluminum salts (food, water purification for drinking purposes, sewage treatment, and municipal wastewater purification, etc.).
Iron salts can form highly soluble complexes with organic ligands, and the resulting coagulation sludge is difficult to filter and has a pronounced abrasive effect, which negatively affects water treatment equipment [1,2,3].
Many research teams from different countries agree that titanium-containing reagents represent a new step in the evolution of coagulants [4,5,6,7,8]. Titanium salts are highly efficient in removing a wide range of pollutants and operate in a broad pH range and at low temperatures, and the formed hydrolysis products are less toxic compared to traditional reagents. Titanium salts have demonstrated high efficiency in wastewater treatment processes in the mining (coal mining) industry [9]; in the treatment of surface and seawater before reverse osmosis desalination processes [10,11]; in the pulp and paper and textile industries [12,13]; in water dephosphatization and defluorination processes [14,15]; in additive manufacturing (metallurgical) [16]; and in other areas of natural and wastewater purification [7,8]. Despite their efficiency and the almost complete absence of the disadvantages typical of traditional coagulants, the high cost of titanium salts and the demands from the paint and varnish and food industries for titanium-containing precursors have significantly slowed down the extensive introduction of titanium-containing coagulants.
This situation can be overcome by using complex (composite) coagulants obtained by mixing two or more salts of different metals [17,18,19]. Complex titanium-containing reagents are produced by adding 5–20% of titanium compounds to traditional reagents [19,20,21,22]. The resulting complex reagent will be slightly inferior in its efficiency to pure titanium salts, but its cost will be much lower.
Unfortunately, at present, there is only one prototype technology for the creation of complex titanium-containing coagulants, the resulting product contains up to 38% inert impurities, and its cost is almost two-fold that of aluminum oxychloride [7,8]. Most researchers working with complex titanium-containing coagulants obtain them via the physical mixing of pure salts, which negatively affects both the cost of the reagent and the prospects for its industrial implementation.
The main objective of this work is to present a technology for the synthesis of a complex titanium-containing coagulant from the waste of shale oil production, with the possibility of varying the proportion of the modifying additive of titanium compounds, as well as an evaluation of the efficiency of the obtained reagents in water purification processes.
2. Results and Discussion
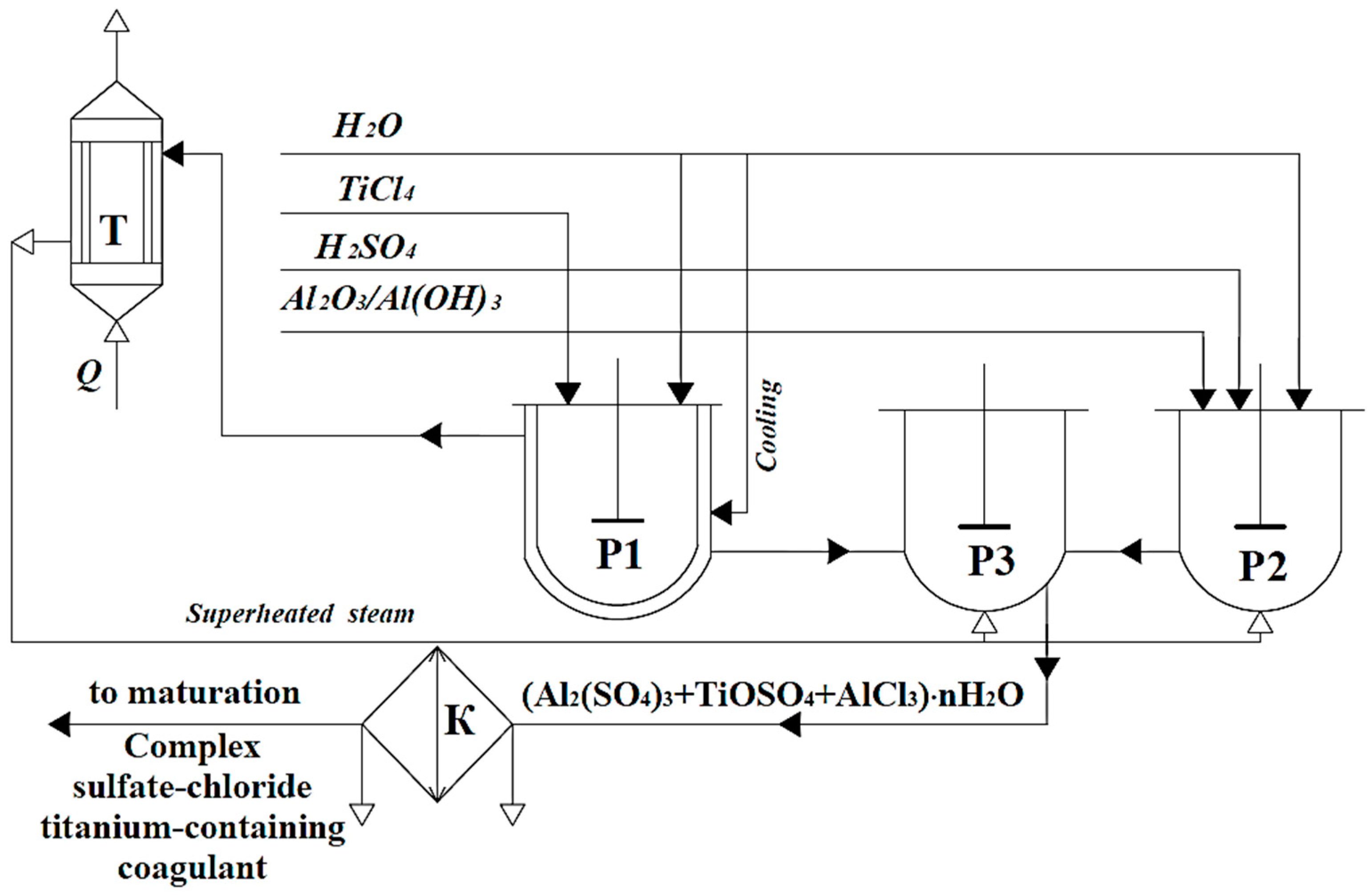
The process flow diagram for the synthesis of a complex titanium-containing coagulant is shown in Figure 1.
Figure 1.
Production diagram for complex titanium-containing coagulant. Q – heat; T—heat exchanger; P1—TiCl4 hydrolysis reactor; P2, P3—neutralizer reactors; K—crystallizer.
The synthesis process is based on two reactions:
- The interaction of 50–80% sulfuric acid and 120% stoichiometric excess of aluminum hydroxide/oxide (reactions (1) and (2)) for 30 min at a temperature of 80–100 °C to form aluminum sulfate (reactor (3)):
2Al(OH)3 + 3H2SO4 → Al2(SO4)3 + 3H2O
Al2O3 + 3 H2SO4 → Al2(SO4)3 + 3H2O
- The hydrolytic decomposition of tetrachloride with the formation of hydrochloric acid (reaction (3), reactor (1)) and a wide range of titanium polyoxychlorides within 10–20 min:
TiCl4 + H2O → 4HCl + Ti(OH)4
Subsequently, the reaction mixtures are combined in reactor (2), and a reaction involving the mutual neutralization of the forming hydrochloric acid and excessive aluminum hydroxide/oxide (reactions (4) and (5)) proceeds with the formation of aluminum chloride (reactor (2)):
Al2O3 + 6HCl → 2 AlCl3 + 3H2O
Al(OH)3 + 3HCl → AlCl3 + 3H2O
Aluminum sulfate, forming in reactions (1) and (2), is most stable as 18-water crystal hydrate, and the moisture for formation can be replenished with any solution from titanium tetrachloride hydrolysis. The resulting mixture spontaneously crystallizes in the process of chemical dehydration, which allows us to avoid the drying process and obtain a solid product with minimal energy costs.
By varying the ratio of titanium tetrachloride/aluminum compounds, it is possible to obtain a complex titanium-containing coagulant with different proportions of the modifying additive of titanium compounds. The phase composition of a solid sample is shown in the diffractogram in Figure 2, and data on the effect of the component ratio on the composition of the final product are presented in Table 1.
Figure 2.
Diffractogram of KTKsulfate-chloride sample.
Table 1.
Composition of samples of complex titanium-containing coagulant at different ratios of compound Al/TiCl4.
As can be seen from the data in Table 1, the main phase in the composition of the complex titanium-containing reagent is aluminum sulfate 50–87.2 wt.%, and the content of aluminum chloride varies in the range of 10–40 wt.%. The proportion of the modifying additive of titanium compounds in the form of partially hydrolyzed titanium oxysulfate varies in the range of 2.5–10.0 wt.%.
The product obtained by the proposed synthesis technology is a mixture of partially hydrolyzed forms of sulfate and aluminum and titanium chlorides, while the key feature of the complex reagent compared to the physical mixing of two salts is the multimetallic and multianionic composition, which significantly increases the treatment efficiency [7,8]. An equally important fact is the reduction in the cost of production due to the use of titanium tetrachloride solutions obtained from cheap raw materials (waste) instead of pure hydrochloric acid.
The presence of two metals and two acid anions (sulfate + chloride) in the composition will have a synergistic effect and intensify the coagulation processes. For further experiments, these samples will be labelled KTK-Al2O3-(2.5–10.0) and KTK-Al(OH)3-(2.5–10.0), where 2.5–10.0 is the content of the modifying additive.
The products obtained at the outlet of the crystallizer are characterized by increased content of unreacted aluminum compounds, while the maturation process is observed in reactions (6)–(10):
Al2(SO4)3 + 2 H2O → 2 Al(OH)SO4 + H2SO4
Al2(SO4)3 + Al(OH)3 → 3 Al(OH)SO4
2 Al2(SO4)3 + Al2O3 + 3H2O→ 6 Al(OH)SO4
2 AlCl3 + H2O → Al(OH)Cl2 + HCl
2 Al2(SO4)3 + Al2O3 + 3 H2O → 6 Al(OH)SO4
2 AlCl3 + Al(OH)3 → 3 Al(OH)Cl2
To evaluate the efficiency of the obtained samples of the complex titanium-containing reagent and to select the optimal content of the modifying additive, water from the surface water supply source was used. The efficiency was evaluated via the turbidity and oxidizability index. The results of the experiment are presented in Table 2.
Table 2.
Influence of proportion of modifying additive on purification efficiency.
The initial pH value was 7.22, the oxidizability (humic acid content, which determines the water color) was 15.6 mg(O)/dm3, and the turbidity was 29 NTU. The most efficient aluminum polyoxychloride in such cases and the main component of complex reagents (Table 1)—aluminum sulfate—were used as comparison samples.
It is evident from the data in Table 2 that the highest purification efficiency (minimum residual concentrations of two marker pollutants) is attained when using KTK with modifying additive content of 5.0–7.5. Coagulant samples with modifying additive content of 2.5 and 10.0% were superior in efficiency to aluminum polyoxychloride, but less efficient than their equivalents. Aluminum sulfate demonstrated the lowest efficiency among all tested coagulants. The KTK samples obtained from aluminum hydroxide were slightly more efficient than their equivalents obtained from aluminum oxide. Based on the results, the KTK-Al2O3-5.0 and KTK-Al(OH)3-5.0 samples were selected for further experiments.
It should be noted that, despite the increased efficiency and the lowest residual concentrations of pollutants, the consumption of the complex reagents was, on average, 20–25% lower compared to traditional reagents. The estimated increase in the cost of complex reagents due to the modifying additive of titanium compounds will be 10–15% of the cost of aluminum sulfate production, which, given the reduced dosage and increased efficiency, will have a pronounced economic effect.
The selection of the optimal volume of modifying additives of titanium compounds is described in detail in the articles [20,21,22,23]. Reducing the content of thiamine compounds below the limits described in these articles significantly reduces the cleaning efficiency, and exceeding this leads to an exponential increase in the cost of the complex reagent.
The increased efficiency of complex titanium-containing coagulants (purpose and mission of titanium-containing additives) in comparison with pure aluminum salts is due to the following phenomena:
- Neutralization coagulation or nucleation (primary micellization) due to the neutralization of positively charged aluminum hydroxocomplexes by negatively charged hydroxocomplexes of titanium compounds (Ti2OCl5OH, TiCl2(OH)2, iso-Ti2O2Cl2(OH)2, Ti2O(OH)6, TiO(OH)2, etc.) [22,23];
- Flocculation caused by the polycondensation and polymerization of the forming titanium salt hydrolysis products (H4TiO4, H2TiO3) [7,8,22,23];
- The adsorption of pollutants on the developed surfaces of the hydrolysis products of the titanium compounds (H4TiO4, H2TiO3, TiO2·2H2O)—meta- and orthotitanic acids, as well as hydrated forms of titanium dioxide, are highly effective sorbents [24,25];
- Data on the surface characteristics of the hydrolysis products of different coagulants in the model (distilled water with pH correction with 1% NaOH to values of 7.1–7.2) confirming the advanced hypotheses are presented in Table 3.
Table 3. Surface characteristics of hydrolysis products of different coagulants.
The next stage of the experiments was the assessment of the coagulation efficiency of the complex titanium-containing reagents in the process of the reagent dephosphatization of wastewater that underwent deep biological treatment. The choice of the study object was primarily due to the increase in phosphorus emissions into the environment and the intensified eutrophication of water bodies directly related to phosphorus. Data on the efficiency of reagent dephosphatization of wastewater are presented in Figure 3.
Figure 3.
Effect of coagulant dose on residual phosphate ion concentration.
The diagram clearly shows that the use of complex titanium-containing coagulants allows us to minimize the residual phosphate ion content to 0.04–0.05 mg/dm3, while the average residual phosphate ion concentration when using traditional aluminum-containing coagulants was, on average, 2.0–2.5 times higher and amounted to 0.11 mg/dm3 and 0.14 mg/dm3 for PAX and ALS, respectively. The consumption of complex reagents required to achieve a residual phosphate ion concentration equivalent to aluminum salts was, on average, 25% lower. Iron compounds were the least effective.
During visual observation in the experiment, it was noted that the sludge forming when using the complex titanium-containing coagulants settled to the bottom more quickly and had a denser structure (Figure 4).
Figure 4.
Appearance of sediment. Complex coagulant (left), PAX (right).
Considering the trend towards the use of mechanical filtration in post-treatment processes, it is advisable to evaluate the effects of different coagulants on the filtration rate of the coagulation sludge. Data on the effect of the type of coagulant used at the optimal dose (Figure 3) on the sedimentation and filtration rate of coagulation sludge are presented in Table 4.
Table 4.
Influence of the type of reagent used on the properties of coagulation sludge.
The data in Table 4 show that the use of complex reagents allows a 25% reduction in the sedimentation time of the coagulation sludge. The filtration rate of the coagulation sludge forming when using a complex titanium-containing coagulant also exceeded that of traditional reagents by more than 20%. These phenomena are primarily associated with the increase in the average size of the particles formed and their higher distribution stability (reduction in the size range). Improvements in the sedimentation and filtration characteristics of the sludge will significantly increase the efficiency of settling tanks and treatment facilities as a whole.
The residual concentrations of aluminum and titanium cations in the case of using complex reagents comply with the standards and do not exceed 0.05 mg/dm3 and 0.02 mg/dm3 for titanium and aluminum cations, respectively. The data obtained are in good agreement with the data previously presented in the articles [7,8,9,10,20,21].
3. Materials and Research Methods
Initial precursors for the synthesis of a complex titanium-containing reagent:
- Titanium tetrachloride obtained by selective chlorination of quartz–leucoxene concentrate (waste from shale oil production) with an admixture of silicon tetrachloride to 0.4 wt.%; the total content of impurities of aluminum chlorides, iron, sodium, calcium, etc., does not exceed 0.1 wt.%;
- Aluminum oxide and hydroxide, special purity grade, Sigma-Aldrich (Taufkirchen, Germany);
- Sulfuric acid, chemically pure, Sigma-Aldrich (Germany).
The following reference samples were used to compare the efficiency of the coagulants:
- Aluminum sulfate (ALS-50), Kemira (Helsinki, Finland);
- Polyoxychloride (PAX-XL-100), Kemira (Helsinki, Finland);
- Iron chloride (PIX-111), Kemira (Helsinki, Finland).
The phase composition of the samples was determined by XRD on a TDM-10 diffractometer Dandong Tongda Science & Technology Co.,Ltd (Dandong, China).
Jar tests were conducted on a laboratory flocculator JLT4 Velp Scientifica (Usmate, Italy), in accordance with the above-described procedures. The speed of the rapid mixing of the coagulant and purified water was 150 rpm, with flocculation at 20 rpm. The sedimentation time was 30 min [16,20,21].
The determination of the suspended solids concentration (turbidity) was carried out using a portable turbidimeter–haze meter, Hanna HI 98 703, HANNA Instruments (Villafranca Padovana, Italy).
Oxidizability was determined by the permanganate method.
pH values were measured using a HQ411d laboratory meter, HACH (Loveland, CO, USA).
The sedimentation rate was determined photometrically using a portable spectrophotometer, DR 6000 HACH (Loveland, CO, USA).
The filtration rate was determined by passing a given volume of liquid through a 15 μm filter for 60 s.
The particle size and their surface charge were determined on an Analysette 22 NanoTec Fritsch (Idar-Oberstein, Germany).
The specific surface area of coagulant hydrolysis products was determined using a Gemini VII 2390t, Micromeritics Instrument Corp. (Georgia, USA).
The following objects were selected to assess the coagulation efficiency:
- Water from the surface intake of the Danube River in Belgrade (Serbia);
- Wastewater that underwent the stage of deep biological treatment (nitrification/denitrification).
4. Conclusions
As part of this work, the fundamental synthesis technology for complex titanium-containing coagulants using the process of chemical dehydration and the possibility of varying the proportion of the modifying additive of titanium compounds is described. It is ascertained that, according to its composition, the complex reagent is a mixture of aluminum sulfate 50–87 wt.%, aluminum chloride 10–40 wt.%, and titanium oxysulfate 2.5–10.0 wt.%.
It was determined that the optimal content of the modifying additive of titanium compounds is 5.0–7.5 wt.%, and this allows us to significantly increase the coagulation efficiency without a major increase in cost.
An assessment of the efficiency of the new reagents in the process of purifying surface water from the Danube River demonstrated that the use of complex titanium-containing coagulants allows the minimization of the residual values of turbidity and oxidizability, while the effective dosage of the complex reagent in comparison with traditional aluminum-containing ones was, on average, 20–25% lower.
It was proven that the process of reagent dephosphatization of wastewater that underwent deep biological treatment using the complex titanium-containing reagents was the most complete, and the residual concentrations of phosphate ions did not exceed 0.05 mg/dm3. The residual concentrations of phosphate ions when using traditional aluminum-containing coagulants were at the level of 0.11–0.14 mg/dm3.
An investigation of the properties of the coagulation sludge obtained using different reagents proved the possibility of a 25% enhancement in the sludge sedimentation and filtration processes when using complex titanium-containing coagulants.
According to the calculation of the reagent costs, the cost of the complex reagent will be, on average, 10–15% higher than the cost of ALS-50 and 30–50% lower than the cost of PAX-XL-100. Given the increased efficiency and reduced effective dose, samples of the complex reagent will be more preferable.
Based on the results obtained in this work, a conclusion can be drawn about the high prospects of complex titanium-containing coagulants obtained using the proposed synthesis technology. The presented work is in line with the UN’s SDG 6, “Clean Water and Sanitation”.
Funding
This research received no external funding.
Data Availability Statement
The original contributions presented in this study are included in the article. Further inquiries can be directed to the corresponding author.
Acknowledgments
The author expresses his deep gratitude to his scientific supervisor, Natalia Kruchinina, Department of Industrial Ecology, Mendeleev University of Chemical Technology of Russia.
Conflicts of Interest
The author declares no conflicts of interest.
References
- Moussas, P.; Tzoupanos, N.; Zouboulis, A. Advances in coagulation/flocculation field: Al- and Fe-based composite coagulation reagents. Desalination Water Treat. 2011, 33, 140–146. [Google Scholar] [CrossRef]
- Han, S.W.; Kang, L.S. Comparison of Al(III) and Fe(III) Coagulants for Improving Coagulation Effectiveness in Water Treatment. J. Korean Soc. Environ. Eng. 2015, 37, 325–331. [Google Scholar] [CrossRef]
- Hidayah, E.N.; Cahyonugroho, O.H.; Novembrianto, R.; Wahyusi, K.N.; Srihari, E. Comparison of Fe-based and Al-based coagulants in the removal of organic and disinfection by-product precursors. CLEAN—Soil. Air Water. 2024, 52, 2300177. [Google Scholar] [CrossRef]
- Xu, J.; Zhao, Y.; Gao, B.; Zhao, Q. Enhanced algae removal by Ti-based coagulant: Comparison with conventional Al- and Fe based coagulants. Environ. Sci. Pollut. Res. 2018, 25, 13147–13158. [Google Scholar] [CrossRef] [PubMed]
- Ahn, C.M.; Joo, J.C.; Kim, J.K.; Yeo, W.S. Evaluation of Titanium Tetrachloride (TiCl4;) as an Alternative Coagulant and Characterization of Recovered TiO2; J. Nanosci. Nanotechnol. 2021, 21, 4067–4072. [Google Scholar] [CrossRef]
- Zhang, N.; Yang, Y.; Fan, L.; Zheng, X.; Wang, J.; Jiang, C.; Xu, S.; Xu, H.; Wang, D. Coagulation effect of polyaluminum-titanium chloride coagulant and the effect of floc aging in fluoride removal: A mechanism analysis. Sep. Purif. Technol. 2023, 325, 124674. [Google Scholar] [CrossRef]
- Gan, Y.; Li, J.; Zhang, L.; Wu, B.; Huang, W.; Li, H.; Zhang, S. Potential of titanium coagulants for water and wastewater treatment: Current status and future perspectives. Chem. Eng. J. 2020, 2020, 126837. [Google Scholar] [CrossRef]
- Thomas, M.; Bąk, J.; Królikowska, J. Efficiency of titanium salts as alternative coagulants in water and wastewater treatment: Short review. Desalination Water Treat. 2020, 208, 261–272. [Google Scholar] [CrossRef]
- Galloux, J.; Chekli, L.; Phuntsho, S.; Tijing, L.D.; Jeong, S.; Zhao, Y.X.; Gao, B.Y.; Park, S.H.; Shon, H.K. Coagulation performance and floc characteristics of polytitanium tetrachloride and titanium tetrachloride compared with ferric chloride for coal mining wastewater treatment. Sep. Purif. Technol. 2015, 152, 94–100. [Google Scholar] [CrossRef]
- Chekli, L.; Corjon, E.; Tabatabai, S.A.A.; Naidu, G.; Tamburic, B.; Park, S.H.; Shon, H.K. Performance of titanium salts compared to conventional FeCl3 for the removal of algal organic matter (AOM) in synthetic seawater: Coagulation performance, organic fraction removal and floc characteristics. J. Environ. Manag. 2017, 201, 28–36. [Google Scholar] [CrossRef] [PubMed]
- Shrestha, G.; Naidu, M.A.; Johir, J.; Kandasamy, S. Vigneswaran, Performance of flocculation titanium salts for seawater reverse osmosis pretreatment. Desalin. Water Treat. 2017, 98, 92–97. [Google Scholar] [CrossRef]
- Nawaz, A.; Ahmed, Z.; Shahbaz, A.; Khan, Z.; Javed, M. Coagulation-flocculation for lignin removal from wastewater—A review. Water Sci. Technol. 2014, 69, 1589–1597. [Google Scholar] [CrossRef] [PubMed]
- Aziz, H.A.; Razak MH, A.; Rahim MZ, A.; Kamar WI, S.W.; Amr, S.S.A.; Hussain, S.; John, V.L. Evaluation and comparison the performance of titanium and zirconium(IV) tetrachloride in textile wastewater treatment. Data Brief. 2018, 18, 920–927. [Google Scholar] [CrossRef] [PubMed]
- Jeon, K.-J.; Ahn, J.-H. Evaluation of titanium tetrachloride and polytitanium tetrachloride to remove phosphorus from wastewater. Sep. Purif. Technol. 2018, 197, 197–201. [Google Scholar] [CrossRef]
- Dubey, S.; Agrawal, M.; Gupta, A.B. Advances in coagulation technique for treatment of fluoride-contaminated water: A critical review. Rev. Chem. Eng. 2019, 35, 109–137. [Google Scholar] [CrossRef]
- Kuzin, E.N. Titanium Coagulants in Water Purification and Water Treatment Processes in Additive Manufacturing. Metall. Mater. Eng. 2024, 30, 25–33. [Google Scholar]
- Tsoutsa, E.K.; Tolkou, A.K.; Kyzas, G.Z.; Katsoyiannis, I.A. New Trends in Composite Coagulants for Water and Wastewater Treatment. Macromol 2024, 4, 509–532. [Google Scholar] [CrossRef]
- Xu, H.; Wei, S.; Li, G.; Guo, B. Advanced removal of phosphorus from urban sewage using chemical precipitation by Fe-Al composite coagulants. Sci. Rep. 2024, 14, 4918. [Google Scholar] [CrossRef]
- Liu, B.; Gao, B.; Guo, K.; Pan, J.; Yue, Q. The interactions between Al (III) and Ti (IV) in the composite coagulant polyaluminum-titanium chloride. Sep. Purif. Technol. 2022, 282, 120148. [Google Scholar] [CrossRef]
- Kuzin, E.; Averina, Y.; Kurbatov, A.; Kruchinina, N.; Boldyrev, V. Titanium-Containing Coagulants in Wastewater Treatment Processes in the Alcohol Industry. Processes 2022, 10, 440. [Google Scholar] [CrossRef]
- Kuzin, E.N.; Kruchinina, N.E.; Gromovykh, P.S.; TyaglovaYa, V. Coagulants in the Processes of Waste Water Treatment in Dairy Complex Industry. Chem. Sustain. Dev. 2020, 28, 388–393. [Google Scholar] [CrossRef]
- Shon, H.; Vigneswaran, S.; Kandasamy, J.; Zareie, M.; Kim, J.; Cho, D.; Kim, J.H. Preparation and characterization of titanium dioxide (TiO2) from sludge produced by TiCl4 flocculation with FeCl3, Al2(SO4)3 and Ca(OH)2 coagulantaids in wastewater. Sep. Sci. Technol. 2009, 44, 1525–1543. [Google Scholar] [CrossRef][Green Version]
- Wang, T.-H.; Navarrete-López, A.M.; Li, S.; Dixon, D.A.; Gole, J.L. Hydrolysis of TiCl4: Initial steps in the production of TiO2. J. Phys. Chem. A 2010, 114, 7561–7570. [Google Scholar] [CrossRef] [PubMed]
- Weisz, A.D.; Rodenas, L.G.; Morando, P.J.; Regazzoni, A.E.; Blesa, M.A. FTIR study of the adsorption of single pollutants and mixtures of pollutants onto titanium dioxide in water: Oxalic and salicylic acids. Catal. Today 2002, 76, 103–112. [Google Scholar] [CrossRef]
- Akhter, P.; Arshad, A.; Saleem, A.; Hussain, M. Recent Development in Non-Metal-Doped Titanium Dioxide Photocatalysts for Different Dyes Degradation and the Study of Their Strategic Factors: A Review. Catalysts 2022, 12, 1331. [Google Scholar] [CrossRef]
Disclaimer/Publisher’s Note: The statements, opinions and data contained in all publications are solely those of the individual author(s) and contributor(s) and not of MDPI and/or the editor(s). MDPI and/or the editor(s) disclaim responsibility for any injury to people or property resulting from any ideas, methods, instructions or products referred to in the content. |
© 2025 by the author. Licensee MDPI, Basel, Switzerland. This article is an open access article distributed under the terms and conditions of the Creative Commons Attribution (CC BY) license (https://creativecommons.org/licenses/by/4.0/).



