Abstract
To assess multi-energy complementarity and commercial development status in thermodynamic energy storage systems, this review systematically examines compressed air energy storage (CAES), compressed CO2 energy storage (CCES), and Carnot battery (CB), focusing on principles, engineering demonstrations, and thermal integration. Their ability to integrate external heat, conduct combined cooling, heating and power (CCHP), or achieve high round-trip efficiency (RTE) through different pathway positions them as critical enablers for achieving net-zero emissions. Over 240 research articles retrieved from Web of Science and other databases, supplemented by publicly available reports published between 2020 and 2025, were systematically analyzed and synthesized. Current technologies demonstrate evolution from single-function storage to multi-energy hubs, with RTEs reaching 75% (CAES/CCES) and 64% (CB). Thermal integration significantly enhances RTEs. The CCES features a 100 MW/1000 MWh demonstration facility, concurrently necessitating accelerated distributed applications with high efficiency (>70%) and energy density (>50 kWh/m3). All three enable grid flexibility (China’s CAES network), industrial decarbonization (CCES carbon–energy depositories), and thermal integration (CB-based CCHP). These systems require >600 °C compressors and AI-optimized thermal management (CAES), high-pressure turbines and carbon–energy coupling (CCES), as well as scenario-specific selection and equipment reliability validation (CB) to achieve the targets of the Paris Agreement.
1. Introduction
The international climate governance framework, as codified in landmark agreements including the Paris Agreement (2015) and Glasgow Climate Pact (2021), establishes stringent mitigation targets to constrain anthropogenic global warming to 1.5 °C relative to pre-industrial baselines. These multilateral accords prescribe comprehensive energy transition roadmaps toward net-zero carbon emissions by the mid-century. Contemporary energy systems remain predominantly fossil fuel-dependent, with the electricity generation sector accounting for approximately 40% of global CO2 emissions, necessitating immediate structural transformation through renewable energy deployment at unprecedented scales. Projections indicate that renewable sources (wind, solar, biomass, and hydropower) will constitute two-thirds of primary energy supply by 2050, while intermittent renewables are expected to generate 90% of global electricity [1,2,3]. This fundamental restructuring of power systems introduces critical challenges to grid reliability and stability, stemming from the inherent variability and non-dispatchable nature of renewable generation. Energy storage technologies have consequently emerged as critical grid-scale solutions to enable renewable energy integration while maintaining power system inertia and flexibility requirements [4,5].
Current energy storage technologies encompass mechanical storage (e.g., pumped hydro energy storage [PHES], flywheel energy storage), thermodynamic storage (e.g., compressed air energy storage [CAES], compressed CO2 energy storage [CCES], Carnot batteries [CBs]), and electrochemical storage (e.g., lithium-ion batteries, flow batteries). PHES and thermodynamic approaches exhibit superior performance for grid-scale, long-duration storage applications [6,7,8,9,10]. While PHES currently represents the predominant installed capacity worldwide, its widespread adoption faces significant limitations, including stringent geographical constraints, extended project implementation periods, and substantial infrastructure costs. Thermodynamic systems utilizing gas compression present distinct advantages by eliminating hydrological dependencies. The modular nature of their fundamental components—compressors, expansion turbines, and pressure vessels—enables flexible deployment across various topographies, particularly demonstrating operational viability in planar regions and industrial complexes [6,7,8,9,10,11].
Thermodynamic energy storage technologies facilitate electrical energy storage and grid dispatch through thermodynamic cycle processes involving gas compression/expansion and thermal energy absorption/release. The operational paradigm involves converting surplus electrical energy into three distinct energy forms—mechanical (pressure), thermal, and cryogenic—during low-demand periods, followed by power generation during peak loads through working fluid expansion or thermal energy conversion. This operation enables both high-efficiency energy transformation and temporal–spatial energy redistribution, establishing these systems as important solutions for modern grid stabilization [11,12,13,14,15].
The review of CAES technologies has been extensively conducted by various research groups. Jankowski et al. [15] systematically evaluated the operational characteristics of critical CAES components, including compressors, expanders, pressure vessels, and thermal storage units. Zhang et al. [7] conducted multidimensional assessments of CAES technologies, examining technical specifications such as technology readiness levels, power capacities, storage volumes, operating pressures, round-trip efficiencies, and capital expenditures. Bazdar et al. [16] analyzed CAES integration potentials in modern power systems, particularly focusing on microgrid applications, distribution networks, and electricity market participation, while also identifying optimization design and scheduling, current technological limitations, and future development directions. Wan et al.’s review [17] revealed that using low-melting-point molten salts for compression heat storage resulted in significant reductions in pressure vessel requirements and consequent CAPEX savings. Burian et al. [18] provided a thorough analysis of both CAES and liquid air energy storage (LAES) systems, elucidating fundamental operating principles, implementation methodologies, key performance parameters, and potential system architectures. Their work emphasized thermal energy storage (TES) optimization strategies for efficiency enhancement and critically examined hybrid system configurations and polygeneration concepts within CAES/LAES frameworks, including preliminary assessments of their integration potential with large-scale power infrastructures.
Recent reviews of CCES technologies have yielded significant insights. Guan et al. [10] systematically reviewed CCES developments from system and storage device perspectives, identifying two key advancement pathways: (1) system integration with external thermal sources to enable combined cooling/heating/power/storage functions, thereby enhancing overall energy efficiency; (2) adoption of organic working fluid–CO2 mixtures to address dry ice formation during low-pressure liquid storage and suboptimal pressure ratios, enabling high–low-pressure liquid storage for increased energy density. Dewevre et al. [5] established a classification framework based on three discriminative features, namely external heat source utilization, CO2 thermodynamic states, and thermal recovery methods, further categorizing systems by heat source integration and storage location (subsurface/surface). Ma et al. [14] demonstrated through comparative analysis that supercritical CCES configurations outperform transcritical and liquid variants in terms of thermodynamic properties and structural simplicity, positioning them as optimal for large-scale applications while emphasizing future needs for compression–expansion ratio optimization and multidisciplinary modeling. Zhang et al. [19] provided parametric analyses of transcritical/supercritical/liquid CO2 systems, quantifying operational parameter impacts on performance enhancement. Hao et al.’s meta-analysis [13] of TE-CES, TC-CES, SC-CES, and hybrid systems highlighted prevailing theoretical research dominance, underscoring urgent requirements for experimental validation and industrial-scale deployment to advance both technological maturation and multi-scenario applications.
Recent reviews of CB technologies consolidate the understanding of key technological developments in this field. Vecchi et al. [6] conducted a tripartite evaluation of CB technology, integrating (i) quantitative technoeconomic benchmarking across system variants, (ii) energy system-scale deployment potential analysis covering electricity/thermal services and retrofit applications, and (iii) emerging commercialization pattern assessments. Their analysis revealed (a) marked technoeconomic variations among technological routes, (b) performance indicator dispersion attributable to empirical data limitations, and (c) disconnects between academic research and industrial development priorities. The study emphasized performance optimization through standardized evaluation protocols and site-specific integration frameworks. Dumont et al. [20] performed a market-informed CB review, cataloging technological pathways including charge/discharge cycles and thermal storage configurations. By establishing an objective evaluation matrix for prototype comparisons, the work proposed scenario-specific technology selection criteria. The research by Frate et al. [21] on thermally integrated pumped thermal electricity storage (TI-PTES) identified configuration–performance relationships, noting high-temperature systems’ thermodynamic superiority versus low-temperature variants’ latent heat utilization advantages, albeit with thermal-to-electrical input ratio constraints limiting scalability. Sharma et al. [22] quantitatively demonstrated PTES competitiveness through round-trip efficiency (RTP) analyses exceeding 60%, highlighting low-grade thermal integration benefits and thermo-economic advantages over PHES. Rabi et al.’s study [23] delineated PTES cycle trade-offs and system integration guidelines. Novotny et al. [24] uniquely mapped CB technology maturation trajectories across kW-MW scales, connecting academic research with commercialization stages from conceptual design to operational deployment.
Liang et al. [11] provided a comprehensive and systematic review of the system structures, gas storage devices, demonstration projects, and cost data for CAES, CCES, and PTES, utilizing literature published prior to October 2023, laying a solid foundation for subsequent research in this field. Their work conclusively demonstrated that the common development goal of these three technologies is to further decrease the cost. To complement and deepen this important perspective, this study incorporates key developments not included in their work. We note that a number of newer demonstration projects, primarily in China, represent further technological advancements with enhanced efficiency, which have not been documented in all previous reviews. Concurrently, we identify thermal integration as another critical dimension for realizing the full potential of CAES, CCES, and CB systems in polygeneration complementarity, a comparative analysis that has not been systematically addressed in any existing reviews for these three technologies. Building upon Liang et al.’s comparative review and all other existing reviews, this study extends the comparative analysis to include the latest literature from Web of Science and other academic databases, along with publicly reported industrial achievements. The focus is specifically on the fundamental principles, demonstration projects, and thermal integration behaviors of CAES, CCES, and CB (primarily PTES). The findings establish critical decision-making frameworks for technology selection and optimization of these three energy storage modalities in integrated energy systems. The remainder of this article is organized as follows: Section 2, Section 3 and Section 4 detail the features of CAES, CCES, and Carnot battery, respectively. A discussion of the descriptions is presented in Section 5. The conclusions end this paper in Section 6.
2. Compressed Air Energy Storage (CAES)
2.1. Principles
The technological foundation of modern compressed air energy storage (CAES) systems traces back to the pioneering work of Swedish industrial firm Stal Laval, who first conceptualized the approach in 1949. Traditional CAES installations incorporate six fundamental subsystems (Figure 1): (i) motor, (ii) compressor, (iii) storage cavern, (iv) fuel combustion chamber, (v) expander, and (vi) generator [9,11,15]. The charge cycle initiates during periods of low electricity demand, where ambient air undergoes progressive pressurization through cascaded compression stages, prior to storage in geologically stable underground formations, including salt caverns or hard rock formations. During discharge operations coinciding with peak load requirements, the pressurized air is released from the storage cavern: it first enters the combustion chamber, where it combusts with fuel to form high-temperature, high-pressure gas, and it then expands through the expander to perform mechanical work, thereby driving the generator to produce electricity [9,11,15].
Figure 1.
Scheme of the classical CAES, where M—motor, C—compressor, E—expander, and G—generator.
Traditional CAES implementations exhibit two fundamental thermodynamic limitations: dependence on fossil fuel combustion in gas turbine cycles and irreversible loss of compression thermal energy, both contributing to constrained system efficiency. This technological constraint has driven the development of advanced adiabatic CAES (AA-CAES) architectures incorporating integrated thermal energy storage (TES) systems [11,15] (Figure 2). The operational paradigm involves distinct thermodynamic management during charge–discharge cycles: (i) During compression phases, the thermal energy generated through air pressurization is systematically recovered via heat exchangers and stored in high-capacity TES media. (ii) During power generation phases, the stored thermal energy is transferred to the expanding air stream through regenerative heating, effectively replacing the conventional combustion process.
Figure 2.
Scheme of adiabatic CAES.
The adiabatic compression process induces substantial temperature elevation due to irreversible energy conversion, where a significant portion of mechanical work transforms into thermal energy, consequently diminishing the system’s work extraction potential during expansion cycles. Thermodynamic principles establish that isothermal compression represents the most efficient operational regime, demanding minimal compression work input while simultaneously maximizing work output during expansion. To approach this ideal condition, researchers have developed an innovative liquid piston-mediated near-isothermal compressed air energy storage system (ICAES) [25], as illustrated in Figure 3.
Figure 3.
Scheme of isothermal CAES, where P—pump and HT—hydraulic turbine.
The ICAES architecture integrates four principal subsystems: (i) pump, (ii) hydraulic turbine–generator, (iii) liquid piston chamber, and (iv) air storage tank. The system operates through two distinct thermodynamic processes: (1) During charging, the liquid piston mechanism facilitates air compression, with the resultant high-pressure gas being stored in air storage tanks. (2) During discharging, the stored high-pressure gas drives the liquid piston in reverse operation, converting hydraulic energy into electrical output through turbine–generator sets. The system’s thermal regulation employs working fluids with exceptional heat capacity (e.g., water or thermal oils) within the liquid piston assembly, where intensive gas–liquid heat transfer maintains near-constant temperature conditions throughout both compression and expansion processes, effectively approximating isothermal operation.
Recognizing the limitations of conventional compressed air energy storage (CAES) technologies—including bulky infrastructure demands, low energy density, and geographical constraints—researchers have developed a modular and scalable liquid air energy storage (LAES) system that operates through air liquefaction [26]. The working principle of LAES is shown in Figure 4: (1) During energy storage, compressed air rejects heat to high-temperature thermal storage devices and then absorbs cryogenic energy from cold storage devices and further achieves liquefaction for tank storage throttling valve expansion. (2) During energy discharge, the liquefied air is pressurized by a pump and then evaporated and heated by cold and hot storage devices. The resulting high-pressure air drives turbines for electricity generation. LAES is also considered one of the CB technologies.
Figure 4.
Scheme of LAES.
Additionally, other developed variants include supercritical compressed air energy storage (SCAES) that compresses air to supercritical states, isobaric adiabatic compressed air energy storage (IACAES) or underwater compressed air energy storage (UWCAES) maintaining stable charge/discharge rates, compressed air energy storage with humidification (CASH) capable of recovering energy from water vapor in humid working fluids, high-temperature thermal energy storage-integrated CAES (HTES-CAES), and pumped hydro-coupled CAES systems [7,15,25,26].
2.2. Thermal Integration
The inherent thermodynamic cycle conversion characteristics of CAES facilitate thermal integration with diverse energy conversion technologies, allowing CAES to couple with geothermal energy, industrial waste heat, solar thermal collector, biomass energy, hydrogen production, fuel cells, organic Rankine cycles (ORCs), seawater desalination, high-temperature thermal energy storage (HTES), and district heating systems. Such integrations enhance system efficiency or establish multi-generation frameworks for combined power, heating, cooling, hydrogen, and water supply [7,9,27]. Table 1 summarizes recent studies on the thermal integration of CAES with other energy systems.
Table 1.
CAES thermal integrated system.
In the table, RTE and ERTE represent the ratios of useful output to input for energy and exergy, respectively, defined as follows:
where E and Ex denote energy and exergy, respectively.
RTE = E_out/E_in,
ERTE = Ex_out/Ex_in
For the majority of this work, RTE specifically refers to the electrical round-trip efficiency, defined as follows:
where E_el represents electrical energy.
RTE = E_el,out/E_el,in
The numerical values cited in the tables of thermal integrated systems are quoted directly from the original references. Unless otherwise specified, no distinction is made regarding the precise definition of RTE values across different sources. For detailed definitions specific to each value, readers are referred to the corresponding primary literature.
Qi et al. [27] proposed a dual organic Rankine cycle-ejector refrigeration cycle (ORC-ERC) system to recover compression heat and partial waste heat from turbine exhaust, achieving an ERTE of 65.85% and a payback period of 2.88 years. Bushehri et al. [28] developed a hybrid multi-generation system integrating CAES, HTES, ORC, and reverse osmosis (RO) technology. This system utilizes ORC and RO to recover waste heat while supplying drinking water and domestic hot water, producing 37.48 MWh of electricity, 19.42 kg/s of drinking water, and 2.67 kg/s of domestic hot water. The RTE and ERTE reached 73.54% and 55.01%, respectively, with a total profit of USD 24.54 million and a payback period of 3.3 years.
Thermal integration significantly broadens CAES application scenarios and improves economic returns. Despite challenges in system optimization and heat exchanger design, the relatively low manufacturing complexity of heat exchange equipment enhances the engineering feasibility of integrated systems. However, current CAES demonstration projects primarily focus on improving electrical round-trip efficiency, with limited emphasis on thermal integration.
2.3. Demonstrations
Table 2 lists selected CAES engineering demonstration projects [11,15,17,39,40,41,42,43,44,45,46,47,48]. The Huntorf plant in Germany (290 MW/2 h) represents the world’s first commercialized conventional CAES project. The Adele project, commissioned in Germany in 2010, pioneered high-temperature compression heat recovery technology at 600 °C, utilizing a thermal storage system to power a 90 MW turbine unit. While achieving a theoretical efficiency of 60–70%, this project failed to attain commercial deployment due to unresolved technical bottlenecks in high-temperature compressors [11,17].
Table 2.
CAES engineering demonstrations.
In 2014, Tsinghua University commissioned the 500 kW TICC-500 demonstration project, validating the feasibility of multistage compression/expansion technology. The Jintan demonstration project, launched in 2021, integrated salt cavern gas storage and thermal oil storage, achieving a system efficiency of 61.2%. However, thermal oil storage at high temperatures is prone to carbonization, while the lower-cost pressurized water medium faces high pressure tolerance requirements. Tsinghua University’s 2016 solar salt thermal storage solution achieved an efficiency of 50.6% under 550 °C operating conditions, offering a novel approach to high-temperature thermal storage [15,17,39].
The research team from the Institute of Engineering Thermophysics, Chinese Academy of Sciences (CAS), has achieved consecutive technological breakthroughs. Their 2013 Langfang 1.5 MW prototype successfully eliminated geological constraints for underground gas storage, followed by the 2016 Bijie 10 MW plant attaining 60.2% system efficiency. The 2022 Zhangjiakou 100 MW class facility further advanced efficiency to 70.5%, culminating in the Feicheng 660 MW demonstration plant, achieving 75% efficiency through supercritical energy storage technology [17,40]. China’s energy sector has witnessed the extensive deployment of compressed air energy storage (CAES) projects, particularly by major power generation conglomerates. Notably, the China Energy Engineering Group (CEEC) plans to commission over 100 CAES facilities nationwide within six years. These facilities will predominantly utilize salt caverns or artificial cavern chambers as air storage reservoirs. Notably, salt caverns represent the most cost-effective solution, with Liang et al.’s cost curve indicating an approximate capital expenditure of 850–1000 USD/kW [11]. Pioneering projects like the Jiuquan (Gansu) and Chaoyang (Liaoning) installations utilizing artificial cavern chambers are investigating hybrid thermal storage configurations employing molten salt and high-pressure aqueous media, achieving >350 °C heat recovery through stratified thermal storage technology. The Jieneng Baoqing 350 MW/1750 MWh demonstration project in Heilongjiang Province, engineered by CEEC, demonstrates enhanced system efficiency of 73.81% via a molten salt-water cascaded heat exchange scheme [17,41].
Current CAES demonstration facilities predominantly utilize geological reservoirs, particularly in China, where salt caverns and artificial cavern chambers constitute primary containment solutions. Supplementary configurations include repurposed mining tunnels, depleted hydrocarbon reservoirs, pressurized steel vessels, subaqueous flexible accumulators, and reinforced thermoplastic composite pipelines. Emerging concepts such as aquifer-based storage reservoirs exhibit significant geothermal synergy potential despite remaining experimentally unvalidated. Future development necessitates site-specific reservoir selection guided by geological compatibility, coupled with advanced engineering strategies to enhance containment integrity, mitigate gas permeability losses, optimize energy density, and reduce capital expenditure. Critical research imperatives for aquifer-based systems include the comprehensive evaluation of CO2 utilization as cushion gas, particularly its thermodynamic interactions with brine solutions and long-term geomechanical stability impacts [4,7,9,11].
Thermal energy storage (TES) serves as a critical enabler for enhancing CAES efficiency, with operational systems classified by thermodynamic properties and temperature regimes. Medium-temperature TES configurations (100–200 °C range) predominantly utilize pressurized water, demonstrating operational stability yet exhibiting inherent limitations in thermal dissipation rates. High-temperature systems (>200 °C) employ thermally resistant media such as synthetic heat transfer fluids and molten salts, achieving reduced thermal losses and enhanced energy density at the expense of increased material degradation risks and elevated maintenance costs. Emerging research prioritizes phase change materials (PCMs), particularly cascaded PCM configurations in packed-bed architectures, which optimize latent heat utilization to enhance thermal exergy recovery [6,9,15,25,26].
Among the projects listed in Table 2, only two facilities—the Wulanchabu Multi-Source Thermal Storage-Integrated CAES (10 MW) Project (with overall heating efficiency exceeding 80%) and the Yungang Abandoned Mine Shaft CAES Facility (supplying heating for 1 million m2 residential areas and refrigeration for 3 million m3 cold storage clusters)—demonstrate heating/cooling cogeneration requirements. This underscores the technical feasibility of deploying hybrid CAES systems with integrated thermal management architectures. Future efforts will prioritize the strategic implementation of CAES systems with heating/cooling cogeneration capabilities.
Current research identifies the following critical domains requiring prioritized investigation to advance compressed air energy storage (CAES) technology toward commercial-scale demonstration [7,9,15,25,26,36,37,38,39]:
- (1)
- Thermal management optimization, including optimizing heat exchanger designs, adopting shared heat exchangers, refining compression heat recovery mechanisms (e.g., multistage molten salt thermal storage optimization and advanced mid-temperature waste heat regeneration), and integrating phase change materials (PCMs) such as Al-Si alloys (melting point: 580 °C) and composite salts, as well as thermochemical storage technologies like MgO/Mg(OH)2.
- (2)
- Critical component innovation, encompassing high-temperature turbomachinery (compressors/expanders) operational under >600 °C conditions via ceramic matrix composites and adaptive sealing architectures, cost-effective metal-clad composite storage vessels as geological reservoir alternatives, advanced liquid piston systems incorporating spray cooling and modified porous media for near-isothermal compression, pressure-flexible containment solutions enabling stable S-CAES operation, advanced cryogenic liquefaction, and cold storage systems for cost-effective LAES applications.
- (3)
- Distributed energy system integration for commercial/industrial behind-the-meter applications via modular CAES platforms (<100 kWe capacity) employing reciprocating/screw compressors, integration with industrial air compression infrastructure.
- (4)
- Deeper grid-scale renewable energy hybridization through seasonal storage solutions combining salt cavern reservoirs with cascaded thermal storage.
- (5)
- Hybrid system energy demonstrations, such as establishing “heat–electricity–gas–cooling–hydrogen–carbon” hybrid energy networks and industrial waste heat/cold utilization (e.g., preheating expander intake air using steel plant waste heat), coupling LNG cold energy with LAES systems.
- (6)
- Digital twin and AI-enabled operational optimization for real-time thermal dispatch strategies and electricity ancillary service.
3. Compressed CO2 Energy Storage (CCES)
3.1. Principles
CAES exhibits low energy density, and LAES or SCAES faces cryogenic constraints (e.g., liquefaction challenges, intricate cold/thermal storage design). CO2 exhibits accessible critical points (7.39 MPa, 31.4 °C vs. air’s 3.77 MPa, −140.5 °C). In energy storage, SCO2 exhibits high density, enabling compact turbomachinery (compressors, turbines) and heat exchangers. Furthermore, compared to air-based systems requiring deep cryogenic cooling (−196 °C), CO2 liquefaction can operate at near-ambient temperatures, reducing energy penalties through pump-driven pressurization instead of multistage compression. Consequently, CCES emerges as high-density, compact energy storage. Although CCES adopts a CAES-like architecture, its closed-loop configuration incorporates an additional low-pressure reservoir. CCES typically operates within 0.1–30 MPa and 220–600 K [4,5,10,13]. CCES is categorized into transcritical, supercritical, and liquid-based systems. CO2-based electrothermal energy storage systems will be discussed separately in the CB section [10,13].
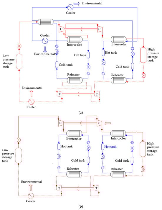
Yang et al. [49] proposed that CCES is classified as transcritical (TCCES) when the turbine outlet pressure remains subcritical, and supercritical (SCCES) otherwise. Zhang et al. [13,50] investigated TCCES and SCCES systems integrated with water thermal storage (as illustrated in Figure 5). During charging, low-pressure CO2 is compressed into high-pressure storage vessels, while discharging involves high-pressure CO2 expansion through turbines into low-pressure reservoirs. The TCCES configuration requires a preheater to vaporize liquid CO2, unlike SCCES systems where the working fluid remains perpetually supercritical. Their analysis revealed that under 1 MW discharge capacity, the TCCES system achieved a 38.52 kg/s mass flow rate with 60% round-trip efficiency and 2.6 kWh/m3 energy density, whereas the SCCES system demonstrated enhanced performance: 6.89 kg/s mass flow rate, 71% cycle efficiency, 71.38% exergy efficiency, and 23 kWh/m3 energy density. SCCES requires over 80% less storage volume [13,50].
Figure 5.
Scheme of (a) TCCES and (b) SCCES, where T—turbine.
To address the challenges of high-pressure storage and limited energy density in T/SCCES, researchers have developed liquid carbon dioxide energy storage (LCES) systems, which leverage low-pressure liquid-phase storage to achieve mass densities exceeding 1000 kg/m3, thereby reducing capital expenditures and enhancing compatibility with renewable energy integration in arid and high-altitude regions. Wang et al. [51] pioneered an LCES configuration integrated with an organic Rankine cycle (ORC), as depicted in Figure 6. During charging, liquid CO2 stored in Tank 2 undergoes pressure reduction via a throttle valve before being transferred to the cool storage unit. CO2 absorbs heat from the cool storage unit while providing cryogenic energy to it, transitioning to a gaseous state at ambient pressure. Subsequently, the gaseous CO2 is compressed by surplus wind power to elevated temperature and pressure conditions. High-pressure CO2 is then cooled in the thermal storage unit approaching its liquefaction temperature, with heat generated during compression being stored for subsequent utilization. Final liquefaction is achieved through condenser cooling, and the resulting liquid CO2 is stored in Tank 1. During discharging, liquid CO2 stored in Tank 1 is pressurized by Pump 1. The pressurized CO2 undergoes heating while transferring cryogenic energy to the thermal storage unit. Subsequent expansion through the turbine delivers work output. Waste heat from the turbine exhaust is recovered to vaporize the organic working fluid in an ORC. Final phase transition to the liquid state is achieved via cooling in the cool storage unit prior to storage in Tank 2. The liquefaction temperature of CO2 is −56 °C, with the system achieving a round-trip efficiency of 56.64% and an energy storage density of 36.12 kWh/m3. Thermal/cold energy storage integration introduces system complexity, while cryogenic pumping losses, finite-time heat transfer irreversibilities, and CO2 sublimation losses reduce LCES’s RTE compared to SCCES.
Figure 6.
Scheme of Wang’s LCES.
Systems employing high-pressure liquid-phase and low-pressure vapor-phase storage are categorized as vapor–liquid systems (VLCCES). Subcritical CCES systems and adsorption-enhanced compressed CO2 energy storage architectures have also been investigated as specialized variants. Geologically dependent classifications further divide CCES into four types based on storage location and thermal management: (1) underground diabatic CCES (UDCCES), (2) underground adiabatic CCES (UACCES), (3) aboveground diabatic CCES (ADCCES), and (4) aboveground adiabatic CCES (AACCES) [5,10,11].
3.2. Thermal Integration
Similarly to CAES, CCES systems inherently support multi-vector energy provision (thermal, cold, electrical, and pressure energy). Integrated thermal management with external heat/cold sources can enhance system efficiency, while synergies with complementary energy units enable adaptability to diverse energy demand scenarios. Thermal integration scenarios encompass solar thermal, ORC, LNG, geothermal reservoirs, industrial waste heat recovery, coal-fired power plants, and combined gas–steam cycles. Furthermore, CCES demonstrates intrinsic compatibility with carbon capture and storage (CCS) infrastructure. Industrial waste heat utilization and carbon taxation mechanisms are accelerating CCES deployment in industrial decarbonization applications [10,52,53,54,55,56,57,58,59,60,61,62,63,64,65,66,67]. Representative CCES integration scenarios reported in recent studies are summarized in Table 3 [10,52,53,54,55,56,57,58,59,60,61,62,63,64,65,66,67]. Wang et al. [63] reported a system combining absorption refrigeration cycles (ARCs), LCES, and waste heat recovery, achieving an RTE of 400.99%. Li et al. [65] demonstrated aquifer-based compressed CO2 storage coupled with geothermal energy, yielding 95.1% system efficiency. Notably, LCES systems have attracted significant research attention due to their superior cold/heat source integration flexibility and lower technical barriers. The development of modular carbon storage and multi-energy cogeneration CCES systems that integrate carbon sequestration technologies is recommended. Future research should prioritize elucidating energy–carbon flux coupling mechanisms, as well as formulating dynamic regulation strategies. Beyond steady-state performance optimization, investigations into variable operating condition simulations and transient response analyses are essential to advance laboratory-scale achievements into engineered solutions for park-level integrated energy stations.
Table 3.
CCES thermal integrated system.
3.3. Demonstrations
Despite growing academic interest in CCES, critical component development (e.g., compressors, turbines) lags behind CAES, primarily due to elevated safety requirements and capital costs associated with high-pressure CO2 [4,5]. Li et al. [4] demonstrated that CAES components exhibit greater technological maturity and inherently safer operational profiles compared to those of CCES. While CCES configurations (100 MW × 5 h) demonstrate superior RTE versus CAES across thermal storage temperatures of 120 °C, 140 °C, and 160 °C, their implementation entails higher capital expenditures (USD 115.4 million for CAES vs. USD 134.5 million for CCES) and extended payback periods (11.86 years vs. 12.57 years at 140 °C thermal storage) due to cost-intensive turbomachinery and cold storage units. Future efforts should focus on accelerating industrial chain development to reduce equipment costs, thereby enhancing CCES competitiveness against CAES.
Table 4 summarizes existing and planned experimental/demonstration projects, predominantly employing VLCCES technologies [10,11,68,69,70,71,72]. Energy Dome S.p.A. in Italy has operationalized an MW-level CCES prototype, with ongoing deployment of a 20 MW/20 MWh system [10]. Collaborative efforts between Xi’an Jiaotong University and Dongfang Electric Corporation established a 10 MW/20 MWh VLCCES hybrid flywheel demonstration in Deyang, Sichuan. This CCES has been replicated at Conch Group and expanded into the world’s largest CO2 energy storage facility in Mulei, Xinjiang [10,68]. The Conch 10 MW/80 MWh CCES project integrates carbon capture from cement production lines for transient CO2 sequestration, achieving dual cost reductions in storage infrastructure while utilizing low-grade waste heat (≥50 °C) to enhance cycle efficiency. Annual coal-equivalent savings exceed 3130 tons, demonstrating scalability for energy-intensive industries (e.g., building materials, steel, electrolytic aluminum) with substantial process heat. Other notable projects include a compressed CO2 storage demonstration by the Institute of Physics and Chemistry (Chinese Academy of Sciences) and Beijing Boruidianneng Power Technology in Gu’an, with plans for a 100 MW/200 MWh facility in Xiangzhou, Hubei, in partnership with Envision Energy; the National Energy Group’s self-developed 40 MW/160 MWh CCES project in Da Qaidam, Haixi, marking China’s first high-altitude CO2 energy storage facility; and adsorption-based CO2 storage pilot validations by Harbin Institute of Technology [10,68]. Detailed technical specifications for thermal and cold storage systems in these projects remain limited in public documentation.
Table 4.
CCES engineering demonstrations.
Current CO2 demonstration projects predominantly employ flexible membrane reservoirs for low-pressure storage (0.1–1 MPa) and pressurized vessels for high-pressure containment. Flexible membrane systems demonstrate comparative costs over underground caverns in CAES configurations despite reduced energy density. Liquid CO2 storage tanks exhibit compact volumetric footprints with capital expenditures within commercially viable thresholds. However, the integration of cryogenic storage subsystems elevates total infrastructure costs [5,10,11].
CO2 storage (>1 MPa) can be implemented via saline aquifer reservoirs; however, their geological dependency and CO2 dissolution kinetics present deployment challenges. Notably, while aqueous dissolution reduces RTE, it enables permanent carbon sequestration, allowing for continuous replenishment from CCUS-captured CO2 streams and offering complementary environmental benefits that warrant comprehensive evaluation. Salt cavern storage requires 8–10 MPa overburden stabilization pressure, rendering low-pressure CO2 storage impractical. Additionally, fixed cavern volumes induce substantial temperature and pressure fluctuations during charging/discharging cycles, adversely impacting turbine operational stability and geological integrity [5,10].
Adsorption-based CO2 energy storage leverages the temperature-dependent adsorption/desorption characteristics of zeolites and similar materials to achieve cyclic CO2 storage/release. Operating typically within 0.1–0.2 MPa, experimental studies report a system gas storage density of 43.46 kg/m3. However, challenges persist in large-scale applications due to the coupling requirements for external thermal/cold sources and constrained charge/discharge rates.
Future research should prioritize the development of subaqueous storage infrastructures and hybrid geological–thermal systems integrating CO2 sequestration. Systematic validation of adsorption-compressed CO2 bulk energy storage feasibility requires multiphase experimentation. While expanding VLCCES architectures, regionally optimized deployment of LCES systems must address low-pressure cryogenic vessel operational constraints, particularly maintaining ≥1 MPa to suppress dry ice formation. Field demonstrations should integrate dynamic technoeconomic modeling, renewable energy dispatch scenarios, and pressure vessel testing. CCES can be advanced through compression ratio optimization (balancing thermal recovery and volumetric costs), cost–benefit analyses, and safety framework development. These strategies aim to achieve high efficiency (>70%), elevated energy density (ESD >50 kWh/m3), and reduced costs, accelerating the scalable deployment of distributed CCES technologies [5,9,10,11,14].
4. Carnot Battery
4.1. Principles
Carnot battery (CB), an emerging large-scale energy storage technology, achieves energy storage and release through efficient bidirectional conversion between electrical and thermal energy. CB is geographically unrestricted while offering advantages such as high RTE, large capacity, long lifespan, and rapid response. As illustrated in Figure 7, the CB operates as follows: during charging, electrical energy is utilized to establish a temperature gradient between two thermal storage units; during discharging, this gradient drives a power cycle for electricity generation. Consequently, the CB’s charging/discharging processes correspond to forward and inverse conversions of electrical-to-thermal energy, respectively, with energy storage achieved via thermal storage units (TES) [6,8,11,12].
Figure 7.
Scheme of the classical CB (primarily PTES).
The term “Carnot battery” encompasses diverse storage technologies, including, but not limited to, pumped thermal energy storage (PTES), the Lamm–Honigmann system (LHS), liquid air energy storage (LAES), systems integrating resistive heating with power cycles, and hybrid configurations. This paper focuses on PTES and electrothermal storage systems. Charging methods in such systems include electric heating, conventional heat pump cycles (HP), and reverse Brayton cycles (Brayton heat pumps), where conventional HP typically refers to reverse ORC systems unless otherwise specified. Discharge cycles primarily involve Brayton cycles, Rankine cycles (typically subcritical), and transcritical Rankine cycles, with working fluids such as water or organic substances for Rankine cycles and CO2 for transcritical cycles. System architectures combine charging/discharging components into the following primary configurations: electric heater–Brayton, electric heater–Rankine, reverse Rankine–Rankine, reverse Brayton–Brayton, reverse Brayton–Rankine, and reverse open Brayton–Rankine systems [6,8,11,12].
4.1.1. Electrically Heated Systems
Electrically heated energy storage systems coupled with Brayton or Rankine cycles for discharge exhibit the following advantages: (1) lower cost and simpler, more compact configurations compared to heat pump-based systems; (2) suitability for high-temperature processes exceeding 1000 °C; and (3) engineering feasibility for integration with existing steam-based Rankine cycles, enabling the retrofitting of coal-fired power plants into storage systems without requiring alternative working fluids. This approach retains the most costly component in CB: the power cycle unit. Two electrical heating architectures exist: static resistive heaters and rotary induction-based systems employing permanent magnet asynchronous motors (eliminating AC/DC converters). Current electrically heated systems are applicable to three scenarios: (1) GW-scale standalone systems capable of geographically independent power storage/supply and integrated steam/heat management; (2) flexibility enhancements for existing thermal cycles through retrofitting fossil fuel power plants or energy-intensive industrial facilities; and (3) repurposing decommissioned fossil fuel power plants into energy storage facilities. Electrically heated systems demonstrate favorable scalability in terms of their power output, though their limitations are constrained by the integrated power cycle. The primary drawback lies in relatively low RTE, attributed to the lower coefficient of performance (COP) of electric heating compared to HP and significant ambient thermal losses at elevated temperatures [12,22,24].
4.1.2. Brayton Cycle Systems
Forward/reverse Brayton cycle CB operates via reversible Brayton cycles between cold and hot thermal storage units, as illustrated in Figure 8. During charging, the working fluid (typically argon or helium) undergoes pressurization-driven compression, transferring thermal energy from the low-temperature (LT) TES to the high-temperature (HT) TES reservoir while consuming net electrical input (compressor work > turbine output). Conversely, discharge leverages the established thermal gradient to drive expansive turbine operations, yielding net power generation (turbine output > compressor work). Studies indicate that helium outperforms argon due to lower pressure losses and superior operational stability. Additionally, working fluids such as air, supercritical CO2, hydrogen (H2), and nitrogen (N2) have been investigated. Research demonstrates that air, when coupled with electric heaters, achieves a higher power output and efficiency compared to argon [6,22,24].
Figure 8.
Scheme of a reverse/forward Brayton CB.
In typical reverse/forward Brayton cycle CB, compressors/turbines constitute the most expensive components, accounting for approximately 80% of the total capital cost. The high cost of compressors/turbines, coupled with the fact that reductions in their efficiency lead to significant declines in Brayton cycle efficiency, has limited the widespread adoption of Brayton-based systems. Typical systems incorporate two compressors and two turbines, each dedicated to specific charging or discharging processes. Alternatively, bidirectional reversible operation for both charging and discharging can be achieved using reciprocating volumetric compressors/turbines; however, this configuration sacrifices efficiency for cost reduction. Brayton cycles generally operate with thermal storage temperatures ranging from 500 °C to over 1000 °C. As previously mentioned, electric heaters can be integrated to reduce compressor load and achieve elevated turbine inlet temperatures [8,12,24].
Brayton cycle CB requires effective temperature profile matching through sensible heat storage, with two mainstream configurations: packed-bed regenerators and dual-tank liquid TES systems. Packed-bed architectures, widely adopted due to their material cost efficiency and broad operational temperature range, predominantly employ solid media such as gravel, magnetite, or limestone. The architectures operate via two modes: indirect coupling with intermediate heat exchangers or direct working fluid permeation through the packed bed. While the latter enhances heat transfer coefficients, it necessitates pressure vessels capable of withstanding pressure differential up to 20–30 bar. Electric heaters can mitigate the high-pressure requirements of high-temperature TES while stabilizing turbine inlet temperatures. Phase change materials (PCMs) also stabilize turbine inlet temperatures and augment energy storage capacity. For dual-tank liquid thermal storage systems in high-temperature applications (300–500 °C), molten salts composed of NaNO3 and KNO3 are typically employed [12,22,73].
4.1.3. Rankine Cycle Systems
A schematic diagram of a typical Rankine cycle CB is illustrated in Figure 9. During charging, the working fluid undergoes subsequent evaporation and compression to achieve elevated temperature and pressure, sequential releasing of sensible and latent heat to the high-temperature TES for condensation, followed by pressure reduction via a throttle valve. During discharging, the condensed fluid is pressurized by a pump, absorbs stored thermal energy from the TES unit to evaporate, drives the expander/turbine to generate work, and finally condenses through the low-temperature TES unit. Typical Rankine CB operates from –30 °C to 400 °C. High-temperature HP can be substituted with resistive heaters [6,22,24].
Figure 9.
Scheme of a reverse/forward Rankin CB.
Subcritical Rankine CB technical framework encompasses steam Rankine cycles and organic Rankine cycles (ORCs). For systems operating above 200 °C, water is predominantly employed, enabling large-scale power outputs (multi-hundred MW scale). Small-scale systems (MW scale, down to KW scale) favor organic working fluids such as R1233zd(E)36. While phase change in working fluids reduces compression power consumption, it compromises heat transfer efficiency. To optimize temperature matching in evaporators/condensers, researchers have proposed solutions including transcritical CO2 cycles, ammonia–steam cascaded cycles, and transcritical CO2/subcritical NH3 cascaded configurations. Limited studies also explore transcritical cycles utilizing fluids like R1234ze(Z), R152A, and R1234ze(E), with R1233zd(E)-based transcritical heat pumps achieving operational temperatures up to 250 °C. Additionally, integrating phase change materials into high-temperature TES units enhances energy storage/release capacity [6,8,11,22].
In standard Rankine CB, the thermodynamic expansion expander and heat pump compressor components are typically operated as independent units. Studies have proposed cost reduction strategies through reversible configurations. Yu et al. developed three HP-ORC-based Rankine CB systems: (1) the basic HP-ORC CB system (B-HP-ORC); (2) the shared heat exchanger HP-ORC system (S-HP-ORC), which integrates the condenser of the HP with the evaporator of the ORC; and (3) the shared dual-function unit HP-ORC system (SD-HP-ORC), where a single reversible unit alternately functions as a compressor in the heat pump cycle and as an expander in the ORC. The results indicate that both B-HP-ORC and S-HP-ORC achieve higher energy and exergy efficiencies compared to SD-HP-ORC, while SD-HP-ORC demonstrates a lower levelized energy storage cost [6,8,24].
A typical Rankine CB system is exclusively equipped with high-temperature TES, utilizing ambient conditions as the low-temperature heat source to balance economic viability with practical applicability. High-temperature storage media commonly employ pressurized water, NaNO3, or NaNO3-KNO3 mixtures. Substituting ambient heat sources with cryogenic alternatives such as liquefied natural gas (LNG) can enhance system efficiency. Low-temperature storage units also predominantly adopt ice-water systems, particularly in transcritical CO2-based Rankine CB configurations. While researchers have proposed innovations for compressors/expanders in Rankine CBs, commercially mature two-phase flow compressors/expanders remain unavailable on the market [6,11,22]. Notably, Kim et al. introduced a transcritical CO2 CB based on isothermal compression/expansion, projecting a 4–15% improvement in RTE compared to conventional isentropic configurations [74].
4.2. Thermal Integration
Compared to CAES and CCES, CB (primarily pumped thermal energy storage (PTES)) demonstrates superior applicability for thermal integration and user-side combined cooling, heating, and power (CCHP) systems. Rankine cycle CB operates at low temperatures and thermal gradients, enabling the efficient integration of external low-grade heat sources and demonstrating great practical viability. Steam Rankine cycle demonstrates exceptional compatibility with existing steam power cycles and CCHP systems. In the HP/ORC (reverse/forward ORC) CB, the reverse ORC HP system enhances efficiency by integrating low-temperature heat sources, with its latent heat characteristics below 200 °C rendering it particularly suitable for integrating steam-based applications in CB. Cascade HP maintains high COP under large temperature differences, but it incurs elevated costs due to system complexity and pinch point challenges. Reverse transcritical CO2 HP achieves high COP in scenarios involving ultralow temperature cold sources and large thermal gradients while enabling precise temperature matching between storage media and cycle profiles, similar to forward transcritical CO2 heat engine [8,11,12,22,24,73].
Table 5 presents selected recent cases of CB thermal integration studies, utilizing heat sources including district heating networks, solar energy (via solar thermal collectors), geothermal reinjection brines, and waste heat [75,76,77,78,79,80,81,82,83,84,85,86,87,88,89,90,91]. Thermal integration enables certain systems to achieve RTEs exceeding 100% or cost reductions. Zhang et al. [75] implemented coal-fired power plant integration with a CB, attaining an efficiency of 59.39–114.67%. Miao et al. [76] enhanced the PTES system’s efficiency by 4.52 times through LNG cold energy utilization, achieving an RTE of 222.4%. Su et al. [77] reported an RTE of 137.16% in a geothermal-assisted PTES while enabling cross-seasonal geothermal energy storage, significantly improving the utilization rates and economic viability of existing geothermal district heating systems through power generation. Niu et al. [78] employed parabolic trough collectors in a CB to achieve a remarkable RTE of 450%. Lin et al. [92] demonstrated that steam-based CB implementation in integrated energy parks reduced operational costs by 28.57% and carbon emissions by 43.49%. CB (primarily PTES) exhibits significant potential in WH recovery, such as data center applications. However, critical challenges remain, including component development, dynamic control optimization, multi-source thermal integration refinement and storage (e.g., buried thermal storage), experimental validation, and industrial-scale demonstration. Future developments should emphasize integrated compression/expansion units and advanced phase change materials to reduce capital costs and enhance operational efficiency [6,22,24,91].
Table 5.
CB thermal integrated system.
4.3. Demonstrations
CB (primarily PTES) exhibits costs ranging between USD 120 and 350/kWh, substantially lower than those of CAES and CCES. While extensive research has been conducted on CB systems across diverse cycle architectures and working fluids, practical implementation remains constrained globally. Numerous CB projects currently exist in conceptual or engineering design phases due to challenges associated with high system pressures and critical component design complexities. Furthermore, technological maturation lags behind CAES, with emerging applications still in nascent development stages and limited adoption [6,11,22,24,73]. Representative CB demonstration projects are summarized in Table 6. Pilot projects based on HP/ORCs remain of a small scale. Resistive heating/steam Rankine CB projects, achieving large capacities (100 MW level), have been extensively deployed worldwide. Notably, numerous CB projects feature CCHP configurations.
Table 6.
CB engineering demonstrations.
The efficiencies of CB engineering demonstrations are lower than others (CAES and CCES). This performance gap may stem from the following factors:
- (1)
- System Configuration Limitations:
Numerous demonstration projects utilize electric heaters coupled with Rankine cycle systems. In such configurations, the electricity-to-heat conversion efficiency attains a maximum of unity (disregarding thermal losses). Therefore, the overall CB efficiency is governed by the thermodynamic efficiency of the heat-to-electricity conversion efficiency. This efficiency is constrained by the Carnot cycle limit, thus exhibiting lower values.
- (2)
- Low TRL and System Complexity:
Multiple demonstration projects operate at prototype validation stages with low technology readiness levels (TRLs). CB systems primarily rely on electricity-to-heat and heat-to-electricity conversion processes for energy storage/release. Compared to CAES, they require the more stringent management of sensible/latent heat storage. The optimization of thermal/cold storage systems presents significant challenges, resulting in substantially higher system integration complexity than gas-compression-based CAES.
Compatibility between high-temperature TES materials (e.g., molten salts) and supercritical CO2 working fluid remains under optimization, leading to heat exchange efficiency losses.
- (3)
- Component Sensitivity:
Studies indicate that CB system efficiency is highly sensitive to variations in compressor and turbine efficiencies. Reduced efficiencies in these components cause significant deterioration in Carnot cycle efficiency.
- (4)
- Equipment Limitations:
Small-scale HP/ORC CB systems employ screw-type units, which demonstrate lower efficiencies than centrifugal compressors/expanders used in CAES projects.
5. Discussion
We systematically retrieved all recent review and research articles from databases including Web of Science, integrated the latest publicly reported industrial achievements, and conducted summative discussions and analyses in conjunction with the preceding content of this paper.
Recent studies have systematically investigated the fields of CAES, CCES, and CB energy storage technologies [5,6,7,8,9,10,12,13,14,15,16,17,18,19,20]. Regarding CAES, investigations have comprehensively assessed component characteristics, system configurations, and grid integration potentials, with particular attention paid to thermal storage optimization. Developments in CCES have been classified according to thermodynamic states and thermal integration approaches, wherein supercritical systems, while remaining predominantly theoretical, have exhibited structural advantages. CB research has established evaluation frameworks for comparing technological variants, revealing performance discrepancies, and underscoring the necessity for standardized assessment protocols. These reviews collectively highlight that transitioning from theoretical modeling to experimental validation constitutes a critical pathway for advancing energy storage applications.
Liang et al. [11] pioneered a comparative analysis of knowledge gaps and developmental trajectories across three energy storage technologies, utilizing literature published prior to October 2023 with methodologies grounded in cost analysis. Building upon Liang et al.’s review and all other reviews, this study extends the comparative examination by incorporating the latest literature from Web of Science and other scholarly databases, alongside publicly reported industrial achievements, particularly focusing on thermal integration and engineering demonstration aspects. Notably, our analytical framework references the current status of cutting-edge demonstration projects while accounting for application scenarios, especially multi-energy complementary systems and thermal integration contexts. Consequently, we deliver a more rigorous scrutiny and comparison of engineering bottlenecks hindering technology commercialization, providing practical guidelines for future demonstration project deployments, particularly in China.
The methodological approach adopted in this research enables review authors and practitioners (particularly those in engineering disciplines) to efficiently and systematically access and benchmark cutting-edge developments within their research domains. This methodology facilitates the production of more structured literature reviews or technical syntheses, thereby enhancing the accuracy of evidence-based judgments or technical decisions.
The comparative analysis and discussion of these three technologies is structured as follows:
(i) CAES has achieved large-scale deployment; however, its air storage system construction costs remain prohibitively high (USD 200–700/kWh). Future research should focus on (1) shared heat exchangers during charging/discharging cycles to reduce hardware complexity [11]; (2) advanced thermal management integrating multistage molten salt thermal storage, medium-temperature heat regeneration, Al-Si alloy/composite salt phase change materials (PCMs), and MgO/Mg(OH)2 thermochemical heat storage to minimize thermal losses; (3) the expansion of gas pressure variation ranges to reduce storage volume through supercritical storage technologies while mitigating operational risks caused by pressure fluctuations in compressors/expanders; (4) the development of high-temperature/pressure/efficiency compressors/expanders (employing ceramic-coated refractory materials); (5) cost-effective metallic/composite aboveground vessels as alternatives to geological caverns [11]; (6) for ICAES, enhanced liquid piston/spray cooling systems; (7) for LAES, breakthroughs in cryogenic liquefaction, cold storage technologies, and operational complexity reduction; (8) miniaturized CAES systems (<100 kWe) adopting piston/screw configurations for commercial/industrial applications; (9) synergistic integration with industrial waste heat (e.g., steel plant recovery) and cryogenic sources (e.g., LNG cold energy coupling with LAES), coupled with hydrogen/fuel cell technologies to establish multi-energy complementary “heat–electricity–gas–cooling–hydrogen” systems; (10) coupling “salt cavern + thermal storage” configurations with renewable energy for seasonal peak-shaving; and (11) digital twin and AI-driven dynamic thermal strategy optimization to enhance regulation accuracy for rapid grid response.
(ii) Compared to CAES, CCES demonstrates superior suitability for distributed scenarios due to enhanced safety, easier liquefaction, and stronger adaptability to small-scale capacities. However, it faces multiple challenges: (1) the physical properties of supercritical/liquid CO2 restrict the development of core components (e.g., turbines) [11]; (2) only VLCCES currently stands as the implemented pathway with operational demonstration projects [10,11], while alternative technological routes either await empirical validation or are undergoing verification processes; (3) high system costs necessitate cost reduction through process innovations (e.g., low-temperature liquefaction optimization) [11]; (4) the load performance, efficiency, and pinch effects of liquid/supercritical systems require experimental verification. Future research must integrate dynamic modeling, renewable energy scenario validation, high-pressure equipment testing, and full-lifecycle environmental assessments. Key pathways include compression ratio optimization (balancing heat recovery and volumetric costs), economic benchmarking, and safety protocol development to advance CCES toward high efficiency (>70%), high energy density (EVR >50 kWh/m3), and cost competitiveness for scalable distributed deployment. Targeted engineering demonstrations should prioritize scenario-specific configurations, such as LCES, multi-energy complementary CCES in industrial parks [11], and CCES coupled with geological sequestration.
(iii) CBs (primarily PTES) store electrical energy by retaining high-temperature heat and low-temperature cold, demonstrating superior applicability to user-side integrated cooling, heating, and power (CHP) systems compared to CAES and CCES, with significantly lower capacity costs. Numerous CBs focus on innovative integrations of existing mature technologies. Numerous operational or planned systems—including TES-based concentrated solar power, solar thermal collectors, geothermal power generation, thermal power peaking, heat pump-based thermal/cold storage, organic Rankine cycle (ORC), and industrial waste heat recovery systems—can be retrofitted into CB configurations. Electrification heating technology, widely adopted in CB for its simplicity and rapid response, suffers from low round-trip efficiency. High-temperature Brayton cycles, operating under extreme conditions (e.g., >500 °C, 20 MPa), impose stringent requirements on turbine manufacturing and maintenance [11], alongside challenges in thermal/cold fluid matching and charge/discharge rate regulation. Steam Rankine cycles exhibit inherent compatibility with existing steam power cycles and CHP systems. The reverse ORC HP system enhances efficiency by integrating low-temperature heat sources, with its latent heat characteristics below 200 °C rendering it particularly suitable for integrating steam-based applications in CB. Cascade HP maintains high COP under large temperature differences but incurs elevated costs due to system complexity and pinch point challenges. Reverse transcritical CO2 heat pumps achieve high COP under large temperature differentials and enable precise temperature curve matching between storage media and thermodynamic cycles, akin to forward transcritical CO2 engine cycles.
CB shows significant potential in waste heat recovery applications (e.g., data centers) [11], yet critical gaps persist in core components, dynamic controls, multi-source thermal integration/storage (e.g., borehole thermal energy storage), and experimental/engineering validation. As a matter of priority, future research should address thermal loss mitigation and system integration optimization. Future efforts must advance integrated compressor-expander units and latent heat materials to reduce capital costs and enhance efficiency, ultimately accelerating the deployment of CBs in scalable, multi-scenario energy systems.
Current engineering demonstration projects exhibit increased power, capacity, etc., compared to previous reviews. Table 7 compares the key parameters of critical CAES, CCES, and CB technology demonstration projects. Where applicable, the results reported by Liang et al. (citation) are included for comparative analysis. It should be noted that for the VSCCES system, only project information was available, with no corresponding key data obtained. Additionally, as described in the preceding section, thermal integration enables the three technologies to achieve maximum round-trip efficiencies (RTEs) of 240.7% (LNG-LAES), 400.99% (LCES-ARC-WH), and 450% (CB–solar), respectively. It should be noted that both LAES and LCES are also inherently classified as CB technologies.
Table 7.
Technical parameters of demonstration projects.
6. Conclusions
This study comprehensively reviews the fundamental principles, engineering demonstrations, and thermal integration of three thermal energy storage technologies: CAES, CCES, and CB (primarily PTES). The following conclusions are drawn:
(1) Current CAES demonstration projects still primarily focus on improving electrical efficiency, with salt cavern gas storage and molten rock thermal storage technologies reducing investment costs. Chinese demonstration projects have adopted advanced technologies such as supercritical systems and molten salt-water cascaded heat exchange, achieving a maximum efficiency of 75%. The ongoing deployment of a hundred CAES power stations across China essentially constructs a “flexibility backbone” for the country’s new power system in geographical space. Thermal integration has driven CAES technology through a strategic transformation from single energy storage to multi-energy integration, upgrading it from a mere power peak-shaving tool to a comprehensive energy-quality hub. Despite facing heat exchange design challenges, its equipment manufacturing simplicity supports its engineering potential to establish “heat–electricity–water–gas–cooling–hydrogen” hubs, endowing it with multiple values including grid/thermal network regulation and industrial raw material supply. Projects in Ulanqab and Datong Yun’gang, utilizing compression heat as “thermodynamic currency”, demonstrate CAES’s complete functionality as regional “cooling–heating–electricity” energy hubs. Thermal integration delivers high round-trip performance (LNG-LAES systems achieve 240.7% RTE, while geothermal-CAES systems reach 122.68% energy efficiency) and ecological synergies (integrated with steel plant waste heat and biomass to reduce carbon intensity). Future efforts should focus on equipment breakthroughs (>600 °C high-temperature compressors, liquid piston/spray cooling technologies, shared heat exchangers); system-level optimization (digital twins and AI thermal management); and transforming thermal integration from a “value-added option” to a “core design element”, catalyzing CAES-centered zero-carbon microgrids to ultimately achieve the TWh-scale flexible regulation capacity required for the Paris Agreement’s temperature control targets.
(2) The capital cost of CCES remains relatively high, with multiple VL-CCES demonstration projects, including a 100 MW/1000 MWh facility under construction in China, while adsorption-based CCES and VSCCES projects utilizing supercritical pipelines and underground oil displacement reservoirs are either being implemented or planned. CCES redefines the role of energy storage within energy–climate coupled systems, transitioning from a mere temporal electricity-shifting mechanism to a critical transition hub connecting renewable energy integration and industrial decarbonization through multi-energy vector synergy (cooling/heat/electricity/pressure energy) and inherent carbon sequestration compatibility. LCES-ARC-WH systems achieve RTE exceeding 400.99%, while CCES systems integrated with geothermal and geological storage demonstrate the potential to transform subsurface formations into “carbon–energy absorbent matrices” (functionally termed “carbon–energy depositories”). CCES simultaneously fulfills three strategic roles: grid flexibility provision, industrial waste heat valorization, and carbon-negative emission conveyance. The thermo-electric–carbon tri-synergistic effect endows CCES systems with significant application value in industrial scenarios such as building material manufacturing and metallurgical processes. Future work necessitates conducting dynamic operation modeling, investigating carbon–energy coupling mechanisms, and performing high-pressure experimentation while overcoming manufacturing bottlenecks (e.g., high-pressure turbines) and reducing costs to enable the commercial deployment of high-efficiency (>70%) and high-density (>50 kWh/m3) distributed energy storage applications. Large-scale CCES deployment will not only redefine energy storage economic metrics but may also establish a virtuous cycle integrating carbon taxation, modular design, and polygeneration, ultimately enabling the transition from low-carbon to negative-carbon regimes and evolving from device-level storage to ecological-scale systems coordinating energy–carbon flow synergies.
(3) CB (primarily PTES) demonstrates lower capacity costs, rendering it particularly suitable for CCHP systems, with evolutionary potential to become a thermodynamic hub for multi-energy flow integration. Extensive experimental studies demonstrate that thermal integration enables the system’s RTE to exceed 100% (CB–solar systems achieve 450% RTE). In China, numerous CB projects are currently being constructed, among which the maximum achieved RTE reaches 64%, with comprehensive energy efficiency exceeding 85%. Through system optimization, the RTE can be further improved to 76%. Existing systems, including peak-shaving thermal power plants, heat pump-based thermal/cold storage, and ORC systems, can be retrofitted with CB as secondary drivers to reduce both capital and operational expenditures. Rankine cycles integrated with low-grade heat sources have attracted significant attention due to their potential for high RTE and configuration flexibility. Future research should focus on scenario-specific CB system selection, along with experimental validation and engineering demonstrations regarding key equipment reliability, efficiency verification, dynamic control strategies, and thermal source integration/storage.
Author Contributions
Conceptualization, S.Z. and Y.L.; methodology, Y.L.; validation, L.Z., H.Q. and J.Z.; formal analysis, J.Z.; investigation, Y.L. and J.Z.; resources, L.Z. and Y.P.; writing—original draft preparation, S.Z.; writing—review and editing, Y.L. and L.Z.; supervision, H.Q.; project administration, Y.P.; funding acquisition, Y.L. All authors have read and agreed to the published version of the manuscript.
Funding
This research was funded by Changzhou Leading Innovative Talents Recruitment and Cultivation Program, grant number CQ20240084.
Data Availability Statement
No new data were created or analyzed in this study.
Acknowledgments
The authors would like to express their sincere gratitude to all participants for their valuable contributions.
Conflicts of Interest
Authors Yuyu Lin, Huijin Qian, Jinrui Zhang and Yulan Peng were employed by the company CECEP City Energy Conservation Co., Ltd. The remaining authors declare that the research was conducted in the absence of any commercial or financial relationships that could be construed as a potential conflict of interest.
References
- van de Ven, D.J.; Mittal, S.; Nikas, A.; Xexakis, G.; Gambhir, A.; Hermwille, L.; Fragkos, P.; Obergassel, W.; Gonzalez-Eguino, M.; Filippidou, F.; et al. Energy and socioeconomic system transformation through a decade of IPCC-assessed scenarios. Nat. Clim. Change 2025, 15, 218–226. [Google Scholar] [CrossRef]
- Aridi, R.; Aridi, M.; Pannier, M.L.; Lemenand, T. Eco-environmental, and social impacts of producing electricity with various renewable energy sources. Energy 2025, 320, 135139. [Google Scholar] [CrossRef]
- Depledge, J.; Saldivia, M.; Peñasco, C. Glass half full or glass half empty?: The 2021 Glasgow Climate Conference. Clim. Policy 2022, 22, 147–157. [Google Scholar] [CrossRef]
- Li, H.; Ding, R.; Su, W.; Lin, X.; Guan, S.; Ye, Q.; Zheng, Z.; Wang, J. A comprehensive performance comparison between compressed air energy storage and compressed carbon dioxide energy storage. Energy Convers. Manag. 2024, 319, 118972. [Google Scholar] [CrossRef]
- Dewevre, F.; Lacroix, C.; Loubar, K.; Poncet, S. Carbon dioxide energy storage systems: Current researches and perspectives. Renew. Energy 2024, 224, 120030. [Google Scholar] [CrossRef]
- Vecchi, A.; Knobloch, K.; Liang, T.; Kildahl, H.; Sciacovelli, A.; Engelbrecht, K.; Li, Y.; Ding, Y. Carnot Battery development: A review on system performance, applications and commercial state-of-the-art. J. Energy Storage 2022, 55, 105782. [Google Scholar] [CrossRef]
- Zhang, X.; Gao, Z.; Zhou, B.; Guo, H.; Xu, Y.; Ding, Y.; Chen, H. Advanced compressed air energy storage systems: Fundamentals and applications. Engineering 2024, 34, 246–269. [Google Scholar] [CrossRef]
- Qiong, Z.; Liang, W.; Yujie, X.; Chen, H. Research progress in pumped heat electricity storage system: A review. Proc. CSEE 2018, 38, 178–185. [Google Scholar]
- Feng, H.; Sheng, J.; Zhang, H. Research progress on the thermal energy storage and utilization of compressed air energy storage system. J. Eng. Therm. Energy Power 2024, 39, 10–19. [Google Scholar]
- Guan, S.; Zhong, S.; Li, H.; Ding, R.; Su, W.; Lin, X.; Tang, Z.; Du, J. Research status and development trend of compressed CO2 energy storage technology. Energy Storage Sci. Technol. 2025, 14, 240–254. [Google Scholar]
- Liang, Y.; Li, P.; Xing, L.; Su, W.; Li, W.; Xu, W. Current status of thermodynamic electricity storage: Principle, structure, storage device and demonstration. J. Energy Storage 2024, 80, 110347. [Google Scholar] [CrossRef]
- Sun, J.; Tao, J.; Hu, Y.; Cao, X.; Yang, Y. Summary of research on power storage technology based on heat pump at home and abroad. Energy Storage Sci. Technol. 2024, 13, 1963–1976. [Google Scholar]
- Hao, J.; Yue, Y.; Zhang, J.; Yang, J.; Li, X.; Song, Y.; Zhang, Z. Research status and development prospect of carbon dioxide energy-storage technology. Energy Storage Sci. Technol. 2022, 11, 3285. [Google Scholar]
- Ma, H.; Tong, Y.; Wang, X.; Wang, H. Advancements and assessment of compressed carbon dioxide energy storage technologies: A comprehensive review. RSC Sustain. 2024, 2, 2731–2750. [Google Scholar] [CrossRef]
- Jankowski, M.; Pałac, A.; Sornek, K.; Goryl, W.; Homa, M.; Filipowicz, M. Status and development perspectives of the compressed air energy storage (CAES) technologies—A literature review. Energies 2024, 17, 2064. [Google Scholar] [CrossRef]
- Bazdar, E.; Sameti, M.; Nasiri, F.; Haghighat, F. Compressed air energy storage in integrated energy systems: A review. Renew. Sustain. Energy Rev. 2022, 167, 112701. [Google Scholar] [CrossRef]
- Wan, M.; Wang, Y.; Li, J.; Lu, Y.; Zhao, T.; Wu, Y. Research progress and prospect of compressed air energy storage technology. IIE 2023, 45, 26–31. [Google Scholar]
- Burian, O.; Dančová, P. Compressed air energy storage (CAES) and liquid air energy storage (LAES) technologies—A comparison review of technology possibilities. Processes 2023, 11, 3061. [Google Scholar] [CrossRef]
- Zhang, J.; Li, X.; Zhang, Z.; Hao, J.; Zheng, P.; Yu, Z.; Yang, J.; Jing, Y.; Yue, Y. Research progress of compressed carbon dioxide energy storage system. Energy Storage Sci. Technol. 2023, 12, 1928–1945. [Google Scholar]
- Dumont, O.; Frate, G.F.; Pillai, A.; Lecompte, S.; De Paepe, M.; Lemort, V. Carnot battery technology: A state-of-the-art review. J. Energy Storage 2020, 32, 101756. [Google Scholar] [CrossRef]
- Frate, G.F.; Ferrari, L.; Desideri, U. Rankine Carnot batteries with the integration of thermal energy sources: A review. Energies 2020, 13, 4766. [Google Scholar] [CrossRef]
- Sharma, S.; Mortazavi, M. Pumped thermal energy storage: A review. Int. J. Heat Mass Transf. 2023, 213, 124286. [Google Scholar] [CrossRef]
- Rabi, A.M.; Radulovic, J.; Buick, J.M. Pumped Thermal Energy Storage Technology (PTES): Review 2023. Thermo 2023, 3, 396–411. [Google Scholar] [CrossRef]
- Novotny, V.; Basta, V.; Smola, P.; Spale, J. Review of carnot battery technology commercial development. Energies 2022, 15, 647. [Google Scholar] [CrossRef]
- Hao, F.; Mu, A.; Lv, Z.; Zhou, H. A comprehensive review of liquid piston compressed air energy storage for sustainable renewable energy integration. J. Energy Storage 2024, 98, 113071. [Google Scholar] [CrossRef]
- Liang, T.; Zhang, T.; Lin, X.; Alessio, T.; Legrand, M.; He, X.; Kildahl, H.; Lu, C.; Chen, H.; Romagnoli, A.; et al. Liquid air energy storage technology: A comprehensive review of research, development and deployment. Prog. Energy 2023, 5, 012002. [Google Scholar] [CrossRef]
- Qi, J.; Liu, Z.; Zhao, Y.; Yin, H.; Zhu, F. Optimizing compressed air energy storage with organic Rankine cycle and ejector refrigeration for sustainable power and cooling provision. Energy 2024, 308, 132949. [Google Scholar] [CrossRef]
- Bushehri, M.; Zolfaghari, S.; Soltani, M.; Nabat, M.; Nathwani, J. A comprehensive study of a green hybrid multi-generation compressed air energy storage (CAES) system for sustainable cities: Energy, exergy, economic, exergoeconomic, and advanced exergy analysis. Sustain. Cities Soc. 2024, 101, 105078. [Google Scholar] [CrossRef]
- Nabat, M.; Yu, H.; Arabkoohsar, A. A comprehensive and comparative study of an innovative constant-pressure compressed air energy storage (CP-CAES) system. Sustain. Cities Soc. 2024, 102, 105163. [Google Scholar] [CrossRef]
- Fu, W.; Sun, W.; Huo, X. Design and thermodynamic investigation of a waste heat-assisted compressed air energy storage system integrating thermal energy storage and organic Rankine cycle. Energy Technol. 2024, 12, 2300838. [Google Scholar] [CrossRef]
- Lu, Y.; Xu, J.; Chen, X.; Tian, Y.; Zhang, H. Design and thermodynamic analysis of an advanced liquid air energy storage system coupled with LNG cold energy, ORCs and natural resources. Energy 2023, 275, 127538. [Google Scholar] [CrossRef]
- Esmaeilion, F.; Soltani, M. Technical and economic assessments of a novel multigeneration system based on desalination and liquid air energy storage. Desalination 2024, 580, 117497. [Google Scholar] [CrossRef]
- Xue, X.; Li, S.; Shi, T.; Xu, G.; Zheng, L.; Chang, S. Performance analysis of a compressed air energy storage incorporated with a biomass power generation system. Appl. Therm. Eng. 2024, 248, 123281. [Google Scholar] [CrossRef]
- Qin, H.; Chen, W.; Zhang, T.; Ma, L.; Xue, X.; Zhang, X. Thermal analysis and parameter optimization of advanced adiabatic compressed air energy storage with parabolic trough solar collector auxiliary reheating. J. Energy Storage 2025, 110, 115104. [Google Scholar] [CrossRef]
- Zheng, Z.; Chen, G.; Xie, N.; Cui, S.; Zhong, S.; Mei, S.; Zhong, G. Thermodynamic performance analysis of a coupled system of solar energy and AA-CAES. J. Phys. Conf. Ser. 2024, 2823, 012007. [Google Scholar] [CrossRef]
- Zhang, K.; Cao, Z.; Deng, J. Design and performance optimization of a novel CAES system integrated with coaxial casing geothermal utilization. Appl. Therm. Eng. 2024, 256, 124111. [Google Scholar] [CrossRef]
- Zhang, Q.; Taleghani, A.; Elsworth, D. Underground energy storage using abandoned oil & gas wells assisted by geothermal. J Energy Storage 2025, 110, 115317. [Google Scholar]
- Barogh, A.; Moghimi, M. Deep neural network optimization of a continuous solar-geothermal-driven plant with integrated thermal and mechanical energy storage: Incorporating bypass mechanism. Energy 2024, 303, 131885. [Google Scholar] [CrossRef]
- Mei, S.; Zhang, T.; Zhang, X.; Wang, Y.; Wang, G.; Lu, Q.; Xue, X. Research and engineering practice of non-supplementary combustion compressed air energy storage: Taking Jintan national demonstration project as an example. Exp. Technol. Manag. 2022, 39, 1–8. [Google Scholar]
- SD Xinhua Net. Available online: http://www.sd.xinhuanet.com/20250314/79db9a1687a54db094260b05255e64d9/c.html (accessed on 14 March 2025).
- CSPPLAZA. Available online: https://www.cspplaza.com/article-27008-1.html (accessed on 19 August 2025).
- ESPLAZA. Available online: https://esplaza.com.cn/article-9404-1.html (accessed on 19 August 2025).
- Wulanchabu Science and Technology Bureau. Available online: https://kjj.wulanchabu.gov.cn/snkjdt/1558657.html (accessed on 19 August 2025).
- Baijiahao. Available online: https://baijiahao.baidu.com/s?id=1677772843099437357&wfr=spider&for=pc (accessed on 19 August 2025).
- iQilu News. Available online: https://sdxw.iqilu.com/share/YS0yMS0xNTYzNzE4NQ==.html (accessed on 19 August 2025).
- Jiangsu State-owned Assets Supervision and Administration Commission. Available online: https://jsgzw.jiangsu.gov.cn/art/2024/4/29/art_61944_11231248.html (accessed on 29 April 2024).
- China Industrial Energy Conservation and Clean Production Association. Available online: http://www.cies.net.cn/news/show-212.html (accessed on 19 August 2025).
- ESPLAZA. Available online: https://www.esplaza.com.cn/article-1980-1.html (accessed on 19 August 2025).
- Li, H.; Liu, C.; He, Q. Research progress of carbon dioxide compressor in energy storage system. Therm. Power Gener. 2023, 52(12), 1–10. [Google Scholar]
- Zhang, X.; Wang, G. Thermodynamic analysis of a novel energy storage system based on compressed CO2 fluid. Int. J. Energy Res. 2017, 41, 1487–1503. [Google Scholar] [CrossRef]
- Wang, M.; Zhao, P.; Wu, Y.; Dai, Y. Performance analysis of a novel energy storage system based on liquid carbon dioxide. Appl. Therm. Eng. 2015, 91, 812–823. [Google Scholar] [CrossRef]
- Ma, X.; Zhang, Z.; Chen, J.; Sun, M. Optimization of low-carbon operation in a combined electrical, thermal, and cooling integrated energy system with liquid carbon dioxide energy storage and green certificate and carbon trading mechanisms. Processes 2025, 13, 372. [Google Scholar] [CrossRef]
- Yin, L.; Ju, Y.; Lin, Q. An integrated solution of energy storage and CO2 reduction: Trans-critical CO2 energy storage system combining carbon capture with LNG cold energy. J. Clean. Prod. 2024, 482, 144228. [Google Scholar] [CrossRef]
- Jiang, H.; Wang, J.; Xu, H.; Yao, Z.; Tian, Y. Thermodynamic performances of a novel multi-mode solar-thermal-assisted liquid carbon dioxide energy storage system. J. Energy Storage 2024, 97, 112843. [Google Scholar] [CrossRef]
- Fu, Y.; Cai, L.; Qi, C.; Zhai, J. Thermodynamic and economic analyses of the biomass gasification Allam cycle integrated with compressed carbon energy storage. Energy 2024, 303, 131984. [Google Scholar] [CrossRef]
- Tang, J.; Li, Q.; Werle, S.; Wang, S.; Yu, H. Development and comprehensive thermo-economic analysis of a novel compressed CO2 energy storage system integrated with high-temperature thermal energy storage. Energy 2024, 303, 131941. [Google Scholar] [CrossRef]
- Zhang, N.; Chen, J.; Liu, B.; Ji, X. Optimized scheduling of integrated energy systems with integrated demand response and liquid carbon dioxide storage. Processes 2024, 12, 292. [Google Scholar] [CrossRef]
- Liu, Z.; Guan, H.; Shao, J.; Jin, X.; Su, W.; Zhang, H.; Li, H.; Sun, D.; Wei, T. Thermodynamic and advanced exergy analysis of a trans-critical CO2 energy storage system integrated with heat supply and solar energy. Energy 2024, 302, 131507. [Google Scholar] [CrossRef]
- Zhang, X.; Zhang, H.; Zhao, H.; Sun, Q.; Zhang, C.; Xin, G. Thermodynamic analysis of ternary coupled system based on combined heating and power unit, steam ejector and compressed carbon dioxide energy storage. J. Energy Storage 2024, 104, 114748. [Google Scholar] [CrossRef]
- Hao, J.; Zheng, P.; Li, Y.; Zhang, Z.; Zhang, J.; Yang, J.; Yue, Y.; Li, X. Study on the operational feasibility domain of combined heat and power generation system based on compressed carbon dioxide energy storage. Energy 2024, 291, 130122. [Google Scholar] [CrossRef]
- Wang, R.; Song, P.; Wei, M.; Tian, R.; Sun, X.; Zhuge, W.; Zhang, Y. Performance evaluation of liquid CO2 battery for SOFC energy system load management. Appl. Energy 2025, 377, 124453. [Google Scholar] [CrossRef]
- Zhang, Y.; Liang, T.; Yang, K. An integrated energy storage system consisting of compressed carbon dioxide energy storage and organic Rankine cycle: Exergoeconomic evaluation and multi-objective optimization. Energy 2022, 247, 123566. [Google Scholar] [CrossRef]
- Wang, Y.; Chen, X.; Xu, J.; Lu, Y. Thermodynamic and economic performance analysis of a liquid carbon dioxide energy storage system coupled with absorption refrigeration cycle. Energy 2025, 319, 135054. [Google Scholar] [CrossRef]
- Gao, C. Performance investigation of solar-assisted supercritical liquid carbon dioxide energy storage systems. J. Energy Storage 2025, 108, 115096. [Google Scholar] [CrossRef]
- Li, Y.; Cui, J.; Yu, H.; Tang, D.; Zhang, G.; Liu, Y. The impacts of geothermal gradients on compressed carbon dioxide energy storage in aquifers. Renew. Energy 2024, 231, 120954. [Google Scholar] [CrossRef]
- Qiao, L.; Pu, W.; Wu, B.; Liu, R.; Song, N. Performance study of a supercritical carbon dioxide energy storage system with non-uniform graded compression heat recovery. Energy 2024, 313, 133876. [Google Scholar] [CrossRef]
- Li, F.; Li, P.; Ding, R.; Su, W.; Ou, S.; Xing, L.; Lin, X. Thermo-economic analysis on trans-critical compressed CO2 energy storage system integrated with the waste heat of liquid-cooled data center. J. Energy Storage 2024, 103, 114292. [Google Scholar] [CrossRef]
- ESPLAZA. Party Building Leads Energy Storage to New Ventures, Joint Efforts Create Future—“Chain Party Building” Joint Activity & Roof-Sealing Ceremony of Huadian-Dongfang Electric Mulei Compressed CO2 Energy Storage Project. Available online: https://esplaza.com.cn/article-10301-1.html (accessed on 21 August 2025).
- Baijiahao. Available online: https://baijiahao.baidu.com/s?id=1783616150823212182 (accessed on 15 August 2025).
- China Electronics Standardization Institute. Available online: https://www.esplaza.com.cn/article-4206-1.html (accessed on 22 July 2025).
- China Government Procurement Network. Available online: http://www.ccgp.gov.cn/cggg/zygg/gkzb/202504/t20250409_24417880.htm (accessed on 3 June 2025).
- People’s Daily Online. Available online: http://jl.people.com.cn/n2/2025/0324/c349771-41173814.html (accessed on 18 May 2025).
- Feng, G.; Li, Y.; Cheng, X.; Hou, B.; Qu, D.; Xu, R.; Zhang, L. Key technologies and current applications of high-temperature Carnot batteries. Therm. Power Gener. 2024, 53, 1–9. [Google Scholar]
- Kim, Y.; Shin, D.; Lee, S.; Favrat, D. Isothermal transcritical CO2 cycles with TES (thermal energy storage) for electricity storage. Energy 2013, 49, 484–501. [Google Scholar] [CrossRef]
- Zhang, X.; Sun, Y.; Zhao, W.; Li, C.; Xu, C.; Sun, H.; Yang, Q.; Tian, X.; Wang, D. The Carnot batteries thermally assisted by the steam extracted from thermal power plants: A thermodynamic analysis and performance evaluation. Energy Convers. Manag. 2023, 297, 117724. [Google Scholar] [CrossRef]
- Miao, Z.; Zhang, M.; Yan, P.; Xiao, M.; Xu, J. Thermodynamic analysis of a low-temperature Carnot battery promoted by the LNG cold energy. J. Energy Storage 2024, 88, 111619. [Google Scholar] [CrossRef]
- Su, Z.; Yang, L.; Song, J.; Jin, X.; Wu, X.; Li, X. Multi-dimensional comparison and multi-objective optimization of geothermal-assisted Carnot battery for photovoltaic load shifting. Energy Convers. Manag. 2023, 289, 117156. [Google Scholar] [CrossRef]
- Niu, J.; Wang, J.; Liu, X.; Dong, L. Optimal integration of solar collectors to Carnot battery system with regenerators. Energy Convers. Manag. 2023, 277, 116625. [Google Scholar] [CrossRef]
- Yin, S.; Bai, C.; Zheng, K.; Zhang, Y.; Yan, X.; Liu, Z. Geothermal energy-assisted pumped thermal energy storage, Configuration mapping. Energy Convers. Manag. 2025, 329, 119660. [Google Scholar] [CrossRef]
- Liang, Z.; Zheng, G.; Wu, G.; Pan, Z.; Hu, Z.; Xu, M.; Chen, H. Thermodynamic performance of organic rankine cycle based pumped thermal energy storage system with different working fluids. Heliyon 2025, 11, e41052. [Google Scholar] [CrossRef]
- Alnaqi, A.; Alsarraf, J.; Al-Rashed, A. Thermodynamic and economic evaluation with multi-objective optimization of a novel thermally integrated pumped thermal energy storage system. Therm. Sci. Eng. Prog. 2025, 58, 103211. [Google Scholar] [CrossRef]
- Li, Y.; Hu, P.; Ni, H. Thermal-economic analysis and optimization of a novel segmented energy storage Carnot battery. Appl. Therm. Eng. 2025, 125713. [Google Scholar] [CrossRef]
- Wu, D.; Ma, B.; Zhang, J.; Chen, Y.; Shen, F.; Chen, X.; Wen, C.; Yang, Y. Working fluid pair selection of thermally integrated pumped thermal electricity storage system for waste heat recovery and energy storage. Appl. Energy 2024, 371, 123693. [Google Scholar] [CrossRef]
- Wang, P.; Li, Q.; Wang, S.; He, C.; Wu, C. Off-design performance evaluation of thermally integrated pumped thermal electricity storage systems with solar energy. Energy Convers. Manag. 2024, 301, 118001. [Google Scholar] [CrossRef]
- Migliari, L.; Petrollese, M.; Cau, G.; Cocco, D. Techno-economic assessment and grid impact of Thermally-Integrated Pumped Thermal Energy Storage (TI-PTES) systems coupled with photovoltaic plants for small-scale applications. J. Energy Storage 2024, 77, 109898. [Google Scholar] [CrossRef]
- Sun, X.; Shi, L.; Zhang, M.; Tian, H.; Hu, P.; Pei, G.; Shu, G. Efficient and flexible thermal-integrated pumped thermal energy storage through composition adjustment. Carbon Neutral. 2024, 3, 11. [Google Scholar] [CrossRef]
- Subires, A.; Rovira, A.; Muñoz, M. Proposal and study of pumped thermal energy storage to improve economic results of concentrated solar power with hybrid Rankine–Brayton propane cycle. Energies 2024, 17, 2005. [Google Scholar] [CrossRef]
- Miao, L.; Liu, M.; Zhang, K.; Yan, J. Design and performance evaluation of thermal energy storage system with hybrid heat sources integrated within a coal-fired power plant. J. Energy Storage 2024, 82, 110611. [Google Scholar] [CrossRef]
- Poletto, C.; Dumont, O.; De Pascale, A.; Lemort, V.; Ottaviano, S.; Thomé, O. Control strategy and performance of a small-size thermally integrated Carnot battery based on a Rankine cycle and combined with district heating. Energy Convers. Manag. 2024, 302, 118111. [Google Scholar] [CrossRef]
- Poletto, C.; De Pascale, A.; Ottaviano, S.; Dumont, O.; Branchini, L. Techno-economic assessment of a Carnot battery thermally integrated with a data center. Appl. Therm. Eng. 2025, 260, 124952. [Google Scholar] [CrossRef]
- Zhang, Y.; Li, M.; Li, J.; Yan, L.; Zhang, J.; Wang, Z.; Tian, H. Feasibility analysis of a Carnot battery energy storage system for waste heat recovery of liquid cooling units in data centers. Energy Storage Sci. Technol. 2024, 13, 3921. [Google Scholar]
- Lin, X.; Sun, P.; Zhong, W.; Wang, J. Thermodynamic analysis and operation investigation of a cross-border integrated energy system based on steam Carnot battery. Appl. Therm. Eng. 2023, 220, 119804. [Google Scholar] [CrossRef]
- Morandin, M.; Mercangöz, M.; Hemrle, J.; Maréchal, F.; Favrat, D. Thermoeconomic design optimization of a thermo-electric energy storage system based on transcritical CO2 cycles. Energy 2013, 58, 571–587. [Google Scholar] [CrossRef]
- F6S Profile, Echogen Storage Systems | Distributed Systems. Available online: https://www.f6s.com/company/echogenstoragesystems (accessed on 22 August 2025).
- Peregrine Turbine Technologies, Technology. Available online: https://www.peregrineturbine.com/technology (accessed on 22 August 2025).
- Karthauser, J. Low-Temperature (80–120 °C) Carnot Battery and Its Potential for the Integrated Energy System, 2nd ed.; DLR: Stuttgart, Germany, 2020. [Google Scholar]
- Novotny, V.; Mach, S.; Rathan, M.; Basta, V.; Spale, J. Modelling and experimental development of a waste heat upgrade integrated ORC Carnot battery with stone dust thermal storage. In Proceedings of the 6th International Seminar on ORC Power Systems, Munich, Germany, 11–13 October 2021; pp. 11–13. [Google Scholar]
- The Engineer. Available online: https://www.theengineer.co.uk/content/news/newcastle-university-connects-first-grid-scale-pumped-heat-energy-storage-system (accessed on 19 July 2025).
- Yunnan Provincial Government. Available online: https://www.yn.gov.cn/ztgg/zdly/zdjsxm/sgxx/202401/t20240101_292802.html (accessed on 19 July 2025).
- Sohu, I.T. Available online: https://it.sohu.com/a/839103948_120093798 (accessed on 10 August 2025).
- China Reports Network. Available online: http://msgc.chinareports.org.cn/index.php/msgc/news/10493.html (accessed on 5 June 2025).
- China Three Gorges Corporation. Available online: https://eps.ctg.com.cn/cms/channel/1ywgg1/240614678.htm (accessed on 28 May 2025).
- WeChat Official Account [Industry Analysis]. Available online: https://mp.weixin.qq.com/s?__biz=MzA3NzE2Mzc4NA==&mid=2650356994&idx=1&sn=d10634ae799add2b8bdbb2652f6ba7b2 (accessed on 15 August 2025).
- Sohu News. Available online: https://news.sohu.com/a/827535494_120253635 (accessed on 3 July 2025).
- China Energy Engineering Corporation. Available online: http://www.ece.tech.ceec.net.cn/art/2025/3/28/art_26827_2515367.html (accessed on 20 June 2025).
- University of Science and Technology of China. Available online: https://icn.ustc.edu.cn/2022/1031/c32651a579265/page.htm (accessed on 10 May 2025).
Disclaimer/Publisher’s Note: The statements, opinions and data contained in all publications are solely those of the individual author(s) and contributor(s) and not of MDPI and/or the editor(s). MDPI and/or the editor(s) disclaim responsibility for any injury to people or property resulting from any ideas, methods, instructions or products referred to in the content. |
© 2025 by the authors. Licensee MDPI, Basel, Switzerland. This article is an open access article distributed under the terms and conditions of the Creative Commons Attribution (CC BY) license (https://creativecommons.org/licenses/by/4.0/).








