Simulation Research on Auxiliary Power Supply System of China Standard EMU
Abstract
:1. Introduction
2. EMU Auxiliary Power Supply System
3. Research on Key Problems of Auxiliary Power Supply System
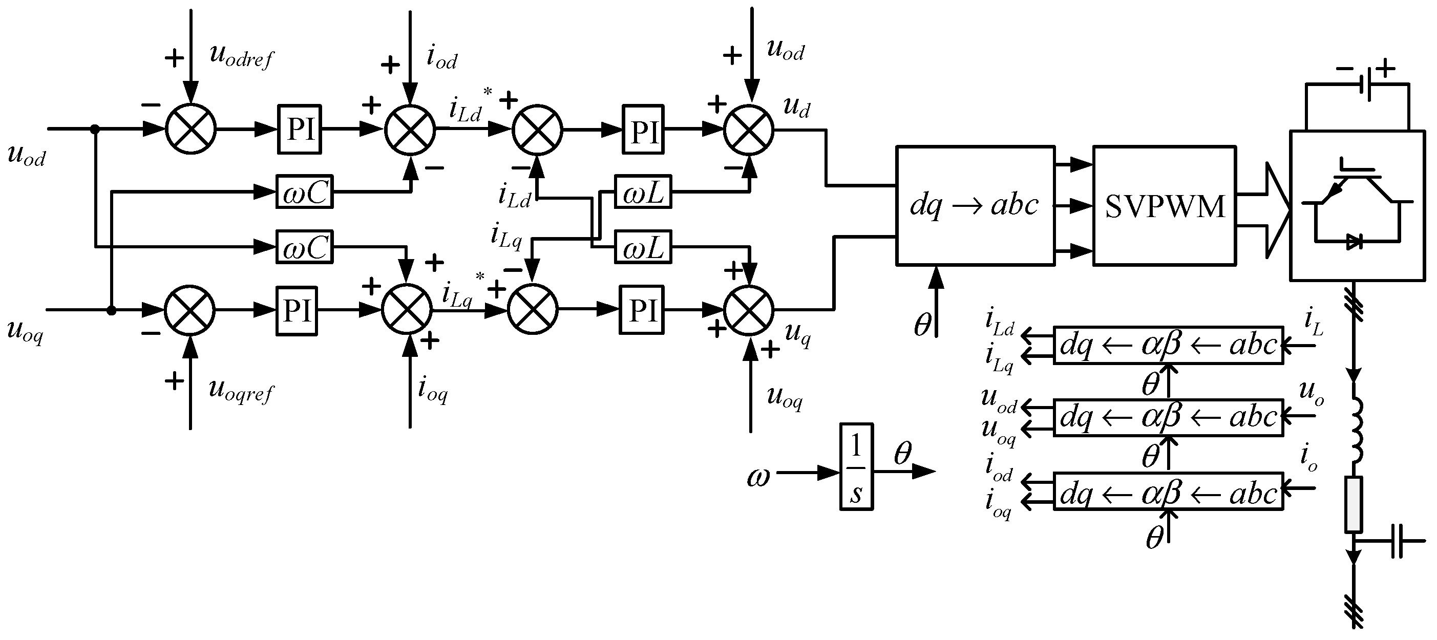
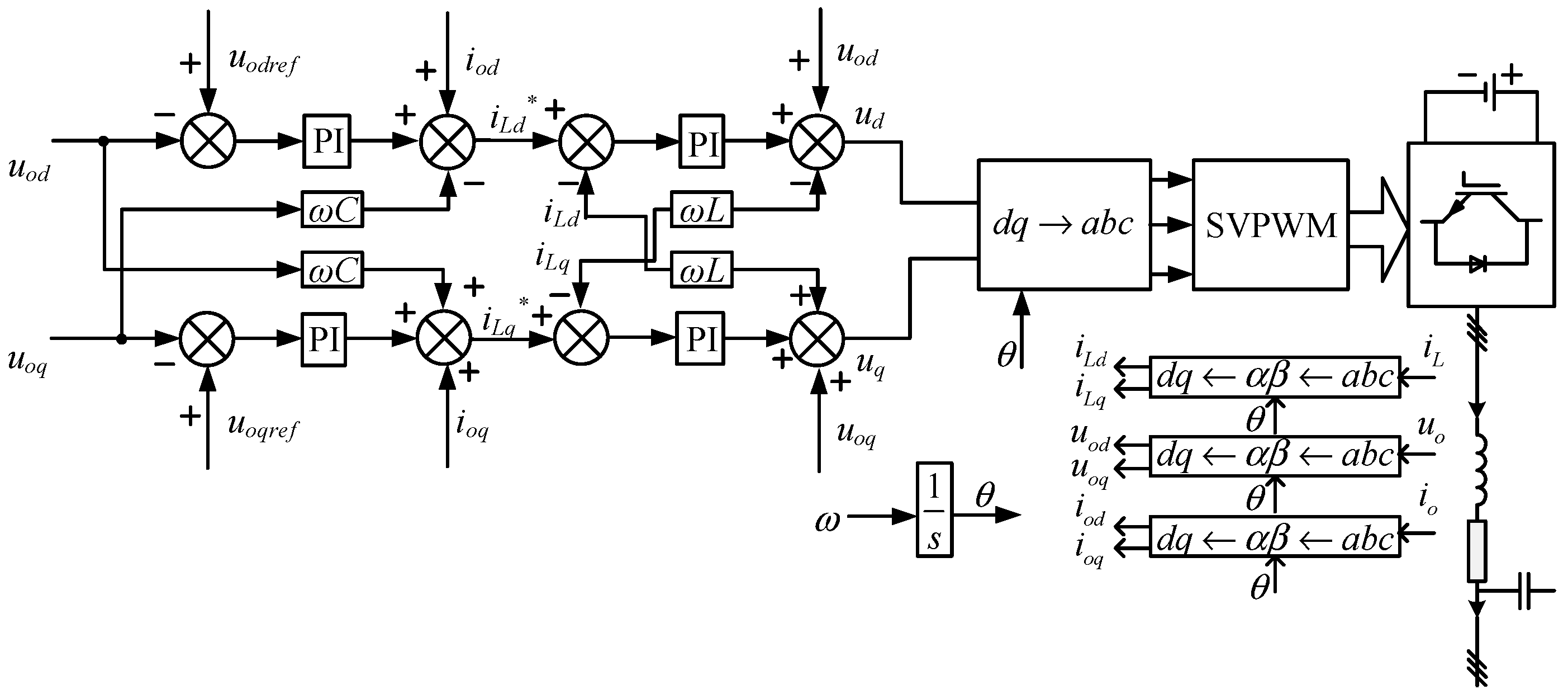
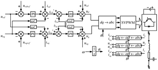
3.1. The Stable Operation of Auxiliary Converter Parallel System
3.2. Battery Pack Constant Current Constant Voltage Charging Design
3.3. Design of Control Unit for Auxiliary Power Supply System
4. Modeling Simulation Analysis and Experimental Verification
4.1. Auxiliary Power Supply System Startup Simulation Analysis
4.2. Simulation Analysis of Auxiliary Power Supply System Stability
4.3. Experimental Verification
5. Conclusions
Author Contributions
Funding
Conflicts of Interest
References
- Li, B.; Xu, H.; Wang, W.; Zhou, B.; Lin, X. The Research on Efficiency of Metro Vehicle Low Voltage Power Supply Under Limit Input Voltage. In Proceedings of the 2018 3rd International Conference on Smart City and Systems Engineering (ICSCSE), Xiamen, China, 29–30 December 2018; pp. 275–278. [Google Scholar] [CrossRef]
- Lee, E.; Youn, C.; Ahn, C. New single phase PLL control method for electric railway converter system. In Proceedings of the 2017 20th International Conference on Electrical Machines and Systems (ICEMS), Sydney, NSW, Australia, 11–14 August 2017; pp. 1–5. [Google Scholar] [CrossRef]
- Zhao, X.; Zhang, L.; Cui, X.; Lin, X. Control algorithm design of auxiliary power unit in high-speed electric multiple unit. In Proceedings of the 2017 9th International Conference on Modelling, Identification and Control (ICMIC), Kunming, China, 10–12 July 2017; pp. 441–446. [Google Scholar] [CrossRef]
- Wu, D.; Xiao, C.; Zhang, H.; Liang, W. Development of auxiliary converter based on 1700V/325A full SiC MOSFET for urban rail transit vehicles. In Proceedings of the 2017 IEEE Transportation Electrification Conference and Expo, Asia-Pacific (ITEC Asia-Pacific), Harbin, China, 7–10 August 2017; pp. 1–6. [Google Scholar] [CrossRef]
- Ocklenburg, M.A.; Döhmen, M.; Wu, X.Q.; Helsper, M. Next generation DC-DC converters for Auxiliary Power Supplies with SiC MOSFETs. In Proceedings of the 2018 IEEE International Conference on Electrical Systems for Aircraft, Railway, Ship Propulsion and Road Vehicles & International Transportation Electrification Conference (ESARS-ITEC), Nottingham, UK, 7–9 November 2018; pp. 1–6. [Google Scholar] [CrossRef]
- Lee, I.S.; Kang, J.Y.; Lee, J.; Lee, S.T. Design Considerations of Auxiliary Power Supply Unit with SiC MOSFET for Lightweight Railway Vehicles. In Proceedings of the 2018 21st International Conference on Electrical Machines and Systems (ICEMS), Jeju, Korea, 7–10 October 2018; pp. 908–915. [Google Scholar] [CrossRef]
- Jiang, W. The HIL simulation modeling for EMU main and auxiliary integrated converter system. In Proceedings of the 2017 7th IEEE International Symposium on Microwave, Antenna, Propagation, and EMC Technologies (MAPE), Xi’an, China, 24–27 October 2017; pp. 447–453. [Google Scholar] [CrossRef]
- Peftitsis, D.; Antivachis, M.; Biela, J. Auxiliary power supply for medium-voltage modular multilevel converters. In Proceedings of the 2015 17th European Conference on Power Electronics and Applications (EPE’15 ECCE-Europe), Geneva, Switzerland, 8–10 September 2015; pp. 1–11. [Google Scholar] [CrossRef]
- Jo, J.M.; Han, Y.J.; Lee, C.Y.; Lee, J.H.; Jeong, H.S. Analysis on the half bridge resonant DC to DC converter for electrical multiple units train set. In Proceedings of the 2013 13th International Conference on Control, Automation and Systems (ICCAS 2013), Gwangju, Korea, 20–23 October 2013; pp. 424–426. [Google Scholar] [CrossRef]
- Kan, D.; Lina, S.; Zhuohui, D.; Yonghuan, L.; Nana, W. Simulation study on temperature rising for the traction convertor of high-speed EMUs. In Proceedings of the 2011 IEEE Power Engineering and Automation Conference, Wuhan, China, 8–9 September 2011; Volume 3, pp. 390–393. [Google Scholar] [CrossRef]
- Huh, S.W.; Jeong, W.S.; Ryu, Y.T.; Choi, E.J.; Jung, N.G.; Kim, J.M. Analysis of failure code of auxiliary power system SIBCOS in 8200 series electric locomotive using signal analyzer. In Proceedings of the 2017 20th International Conference on Electrical Machines and Systems (ICEMS), Sydney, NSW, Australia, 11–14 August 2017; pp. 1–4. [Google Scholar] [CrossRef]
- Meng, T.; Song, Y.; Wang, Z.; Ben, H.; Li, C. Investigation and Implementation of an Input-Series Auxiliary Power Supply Scheme for High-Input-Voltage Low-Power Applications. IEEE Trans. Power Electron. 2017, 33, 437–447. [Google Scholar] [CrossRef]
- Meng, T.; Ben, H.; Song, Y.; Li, C. Analysis and Suppression of the Circulating Current Influence in the Input-Series Auxiliary Power Supply for High-Input-Voltage Applications. IEEE Trans. Power Electron. 2018, 34, 6533–6543. [Google Scholar] [CrossRef]
- Luo, D. EMU Auxiliary Power Supply System Topology and Its Control Strategy; Southwest Jiaotong University: Chengdu, China, 2018. [Google Scholar]
- Liu, P.; Wang, D.; Wang, Y.; Zhang, L.; Zhang, B. Improved droop control of direct paralleled inverters in railway converter applications. In Proceedings of the 2017 9th International Conference on Modelling, Identification and Control (ICMIC), Kunming, China, 10–12 July 2017; pp. 494–499. [Google Scholar] [CrossRef]
- Du, Y.; Zheng, T.Q.; Ran, W.; Hao, R.; You, X.; Liu, Y. Research on uninterrupted power supply technology for auxiliary winding of electric locomotive when passing neutral section. In Proceedings of the 2015 IEEE Applied Power Electronics Conference and Exposition (APEC), Charlotte, NC, USA, 15–19 March 2015; pp. 3089–3093. [Google Scholar] [CrossRef]
- Kong, D.; Liu, X.; Ying, Z.; Sun, W.; Li, G.; Wang, K.; Peng, J.; Zhang, Q. Wide-range high voltage input auxiliary power supply for modular multi-level converters. In Proceedings of the 2017 1st International Conference on Electrical Materials and Power Equipment (ICEMPE), Xi’an, China, 14–17 May 2017; pp. 133–136. [Google Scholar] [CrossRef]
- Huiqing, D.; Lei, W. Study of EMU Auxiliary Inverter Double-Loop Control Strategy with PR Controller in Nonlinear Load Condition. In Proceedings of the 2013 Fourth International Conference on Digital Manufacturing & Automation, Qingdao, China, 29–30 June 2013; pp. 1240–1244. [Google Scholar] [CrossRef]
- Wang, Y.; Liu, W.; Yang, Z.; Ge, X.; Liu, X. Research on design evaluation of high-speed train auxiliary power supply system based on the AHP. In Proceedings of the 2014 IEEE Conference and Expo Transportation Electrification Asia-Pacific (ITEC Asia-Pacific), Beijing, China, 31 August–3 September 2014; pp. 1–4. [Google Scholar] [CrossRef]
- Yao, L.; Meichuan, Y.; Yunfei, W. Simulation Analysis of CRH3 EMU Auxiliary Power Supply System. Mech. Eng. Autom. 2017, 5, 77–79. [Google Scholar] [CrossRef]
- Bella, S.; Chouder, A.; Djerioui, A.; Houari, A.; Machmoum, M.; Benkhoris, M.; Ghedamsi, K. Circulating Currents Control for Parallel Grid-Connected Three-Phase Inverters. In Proceedings of the 2018 International Conference on Electrical Sciences and Technologies in Maghreb (CISTEM), Algiers, Algeria, 28–31 October 2018; pp. 1–5. [Google Scholar] [CrossRef]
- Zhang, L.; Dong, W.; Yang, Y.; Sun, M. Modeling and Simulation of Working Characteristics of Lithium Titanate Batteries for Emergency Power Transmission. Teh. Vjesn. Tech. Gaz. 2019, 26, 263–269. [Google Scholar] [CrossRef]






















| Parameter | Value |
|---|---|
| rated voltage | 103.5 V |
| Maximum voltage | 126 V |
| capacity | 190 Ah |
| set voltage V1 | 117 V |
| Time (s) | Starting Part |
|---|---|
| 0 | Auxiliary converter 1 |
| 0.2 | Auxiliary converter 2 |
| 0.4 | Charger |
| 0.8 | Single-phase inverter |
| Parameter | Value |
|---|---|
| Input DC voltage Vin | 3000 V |
| Auxiliary converter filter inductor/capacitor | 0.35 mH/50 μF |
| Charger one side inductance / capacitance | 2 mH/5000 μF |
| Charger two side inductance / capacitor | 0.5 mH/3000 μF |
| Transformer ratio | 400:116 |
| Switch sampling frequency fs | 10 kHz |
| Auxiliary converter rated power P1 | 200 kW |
| charger rated power P2 | 60 kW |
| Component | Rated Load Valueb (kW) |
|---|---|
| Auxiliary converter | 200 |
| Charger | 60 |
| Single-phase inverter | 3.5 |
| Detection Part | Simulation | Experiment |
|---|---|---|
| Auxiliary converter current at 10% load | 36.5 A | 30.44 A |
| Auxiliary converter current at 60% load | 185.6 A | 178.53 A |
| Auxiliary converter current at 100% load | 302.2 A | 296.77 A |
| Detection Part | Simulation | Experiment |
|---|---|---|
| Input voltage | 3000 V | 3030.3 V |
| Auxiliary converter voltage | 3AC378.6 V | 3AC376.7 V |
| Charger voltage | DC109.8 V | DC108.5 V |
| Single-phase inverter voltage | AC219.2V | AC219.0V |
© 2019 by the authors. Licensee MDPI, Basel, Switzerland. This article is an open access article distributed under the terms and conditions of the Creative Commons Attribution (CC BY) license (http://creativecommons.org/licenses/by/4.0/).
Share and Cite
Zhang, L.; Yun, L.; Sun, M.; Peng, B. Simulation Research on Auxiliary Power Supply System of China Standard EMU. Electronics 2019, 8, 647. https://doi.org/10.3390/electronics8060647
Zhang L, Yun L, Sun M, Peng B. Simulation Research on Auxiliary Power Supply System of China Standard EMU. Electronics. 2019; 8(6):647. https://doi.org/10.3390/electronics8060647
Chicago/Turabian StyleZhang, Liwei, Lansi Yun, Minghe Sun, and Bo Peng. 2019. "Simulation Research on Auxiliary Power Supply System of China Standard EMU" Electronics 8, no. 6: 647. https://doi.org/10.3390/electronics8060647
APA StyleZhang, L., Yun, L., Sun, M., & Peng, B. (2019). Simulation Research on Auxiliary Power Supply System of China Standard EMU. Electronics, 8(6), 647. https://doi.org/10.3390/electronics8060647

