A Hybrid Microenergy Storage System for Power Supply of Forest Wireless Sensor Nodes
Abstract
:1. Introduction
2. Energy Profiles and Electrical Characteristic Analysis
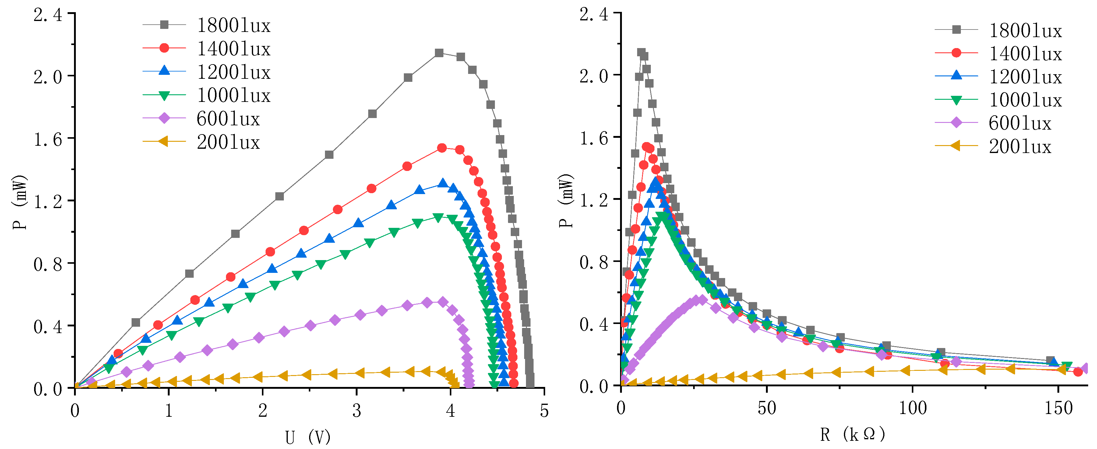
2.1. TEG Module Characteristics
2.2. PV Module Characteristics
2.3. Power Analysis of WSNs
3. Proposed System
3.1. Model Analysis of the HEH System
- Different mechanisms are designed based on the characteristics of the energy being collected. The electromagnetic and piezoelectric energy of the same vibration source is collected using a mechanically combined EH device structure, as described in [17]. There is a severe impedance mismatch between the different mechanisms, requiring different power converters to handle them separately.
- Each EH uses a separate power converter [18]. Due to the large differences between the internal and external impedance, it is necessary to separately process the collected power using different power converters. This allows energy to be collected at the same time, but the mechanism is complex and energy loss is significant.
- The power supply is switched on using an electronic switch [19,20]. When there are two kinds of energy at the same time, based on the priority of the power management circuit, an electronic switch is used to switch between the two energy sources, and only the higher energy is collected. The system has no impedance matching problems, but it cannot achieve simultaneous collection.
3.2. Design of the HEH System
- According to the collection characteristics of the two energy sources, a separate energy conversion system was designed to avoid the internal impedance mismatch problem.
- The main circuit power supply circuit line was selected as the EH (PV) system with high power and stable output. The subcircuit power supply circuit line EH (TEG) system was mainly used to charge the lithium battery and complete the supplementary power supply to the WSNs.
- An electronic multiplexer control was used to switch the on/off of the main/subpower supply circuit line. The selection of the power supply circuit line can be adjusted according to different HEH systems, and the number of subpower supply circuit lines can be increased or decreased as needed. The HEH system’s internal control is shown in Figure 6.
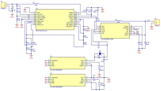
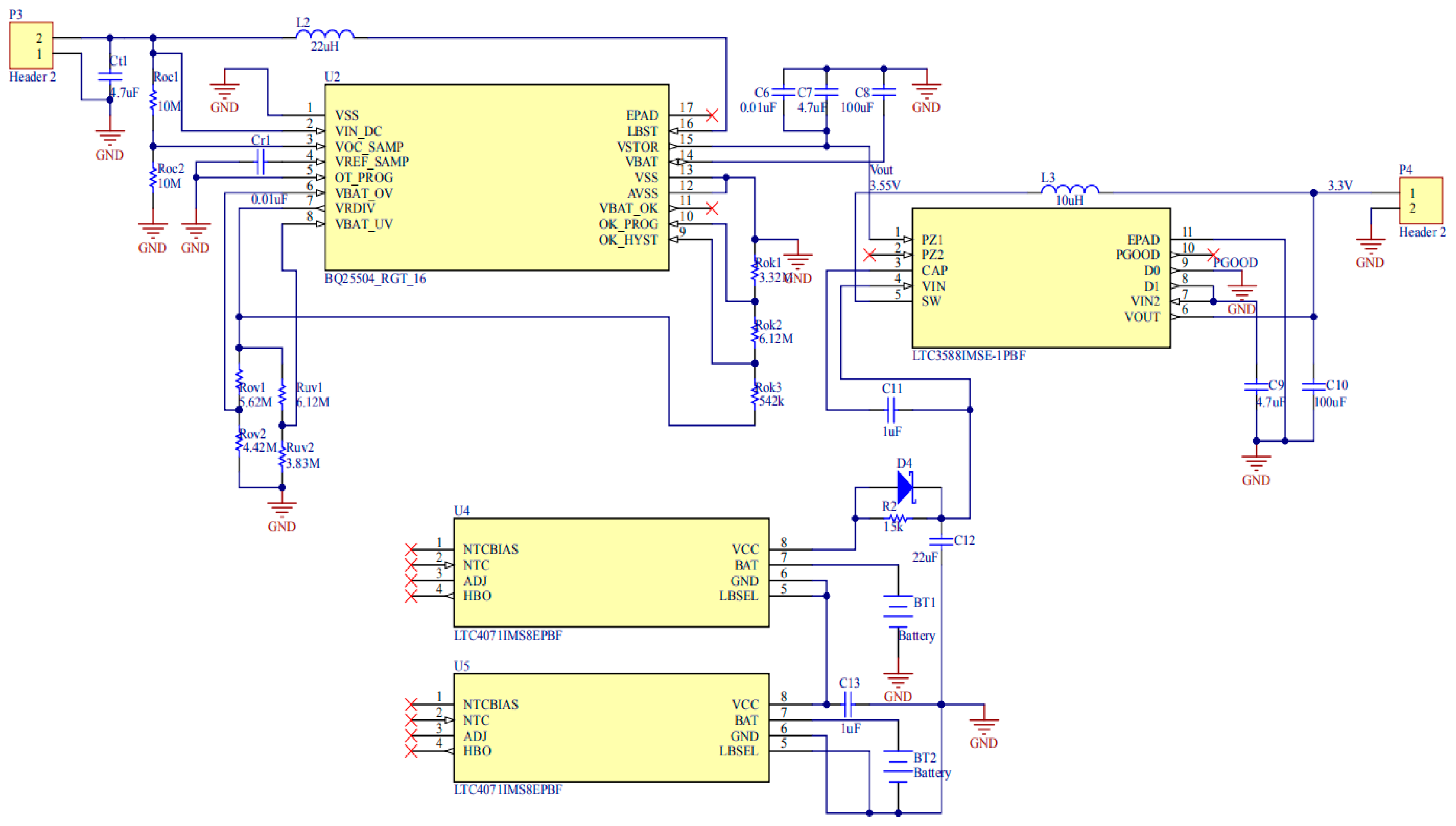
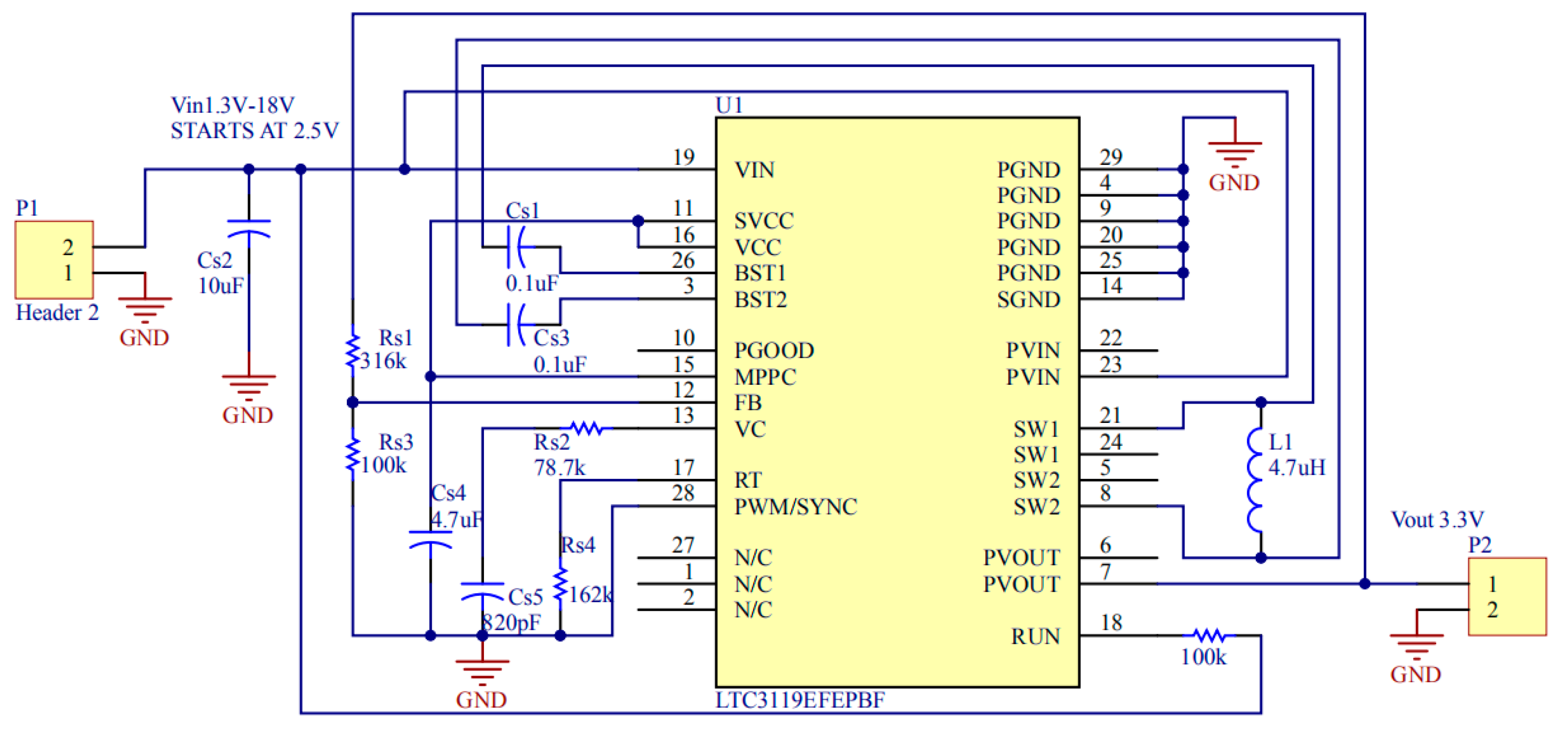
3.2.1. Buck–Boost DC/DC Converter of Photovoltaic Energy
3.2.2. Collection and Storage Circuit of Thermoelectric Energy
3.2.3. Logic Switch Automatic Conversion Circuit
4. Experimental Results
4.1. Test of Thermoelectric and Photovoltaic Energy
4.2. Performance and Power Conversion Efficiency of the HEH System
5. Discussion and Conclusions
- (1)
- A new low-power HEH system was designed with independent power converters that increased the stability of microenergy collection and achieved system functions of simultaneous power collection. The use of an electronic multiplexer circuit avoided impedance mismatch between different energy sources and improved efficiency.
- (2)
- The designed HEH system implemented a self-powered system for WSNs by switching the main/subcircuit lines with logic switching devices. With flexible and self-sustainable features, it can be widely used in environmental microenergy harvesting.
- (3)
- In the forest environment, solar energy and soil-temperature-difference thermoelectric energy have a very low level of electric energy order of magnitude. In this study, two types of environmental microenergy were collected and stored efficiently to solve the power supply problem of WSNs.
- (4)
- The circuit topology was simplified and the MPPT method was used to reduce the HEH system’s power loss. Taking the summation of PV and TEG input power of 1.26 mW (PPV:PTEG was about 3:1) as an example, the power loss accounted for 33.8% of the total input power. As the value of input power increased, the ratio decreased.
Author Contributions
Funding
Acknowledgments
Conflicts of Interest
Appendix A
| Nomenclature | |||
|---|---|---|---|
| open circuit voltage of TEG (V) | nominal saturation current (A) | ||
| loop current of TEG (A) | actual temperature of PV module (°C) | ||
| thermal resistance of TEG (Ω) | nominal temperature of PV module (°C) | ||
| load resistance (Ω) | the band gap energy of the semiconductor | ||
| Seebeck coefficient of TEG (V/K) | sleep current in 1 s of WSN (µA×s) | ||
| temperature difference between the hot port and the cold port (°C) | total current consumption in a transmission period of WSN (µA×s) | ||
| number of thermocouples | idle current of MSP430 of WSN (µA) | ||
| resistivity of the material (Ω×mm) | idle current of CC2500 of WSN (µA) | ||
| height of a single thermocouple leg (mm) | transmission period in 1 s of WSN (s) | ||
| area of a single thermocouple leg (mm) | average current in 1 s of WSN (µA) | ||
| reverse saturation (dark) current of the PV module diode (A) | total execution time for MSP430 and CC2500 of WSN (s) | ||
| output power of TEG (W) | Abbreviations | ||
| maximum output power of TEG (W) | TEG | thermoelectric generator | |
| light-generated current (A) | IoT | Internet of Things | |
| output current of PV module (A) | GPRS | general packet radio service | |
| output voltage of PV module (V) | PV | photovoltaic | |
| series resistance of PV module (Ω) | WSN | wireless sensor node | |
| shunt resistance of PV module (Ω) | RF | radio frequency | |
| temperature of the pn junction (°C) | HEH | hybrid energy harvesting | |
| diode ideality constant | Numerical constants | ||
| number of cells | one electron charge | ||
| diode saturation current of PV module (A) | Boltzmann constant | ||
References
- Sharma, H.; Haque, A.; Jaffery, Z.A. Maximization of wireless sensor network lifetime using solar energy harvesting for smart agriculture monitoring. Ad Hoc Netw. 2019, 94, 14. [Google Scholar] [CrossRef]
- Chammas, M.; Makhoul, A.; Demerjian, J. An efficient data model for energy prediction using wireless sensors. Comput. Electr. Eng. 2019, 76, 249–257. [Google Scholar] [CrossRef]
- Qian, J.G.; Jing, X.J. Wind-driven hybridized triboelectric-electromagnetic nanogenerator and solar cell as a sustainable power unit for self-powered natural disaster monitoring sensor networks. Nano Energy 2018, 52, 78–87. [Google Scholar] [CrossRef]
- Gaikwad, S.; Patil, R.; Khandare, A.; Rai, A. Design wsn node for protection of forest trees against poaching based on zigbee. In Proceedings of the IEEE International Conference on Electronics, Circuits and Systems (ICECS), Monte Carlo, Monaco, 11–14 December 2016. [Google Scholar]
- Wang, N.; Wei, D.; Yang, Y. Establishment of environmental factors monitoring platform based on iot. For. Eng. 2015, 31, 103–111. [Google Scholar]
- Mateu, L.; Moll, F. Appropriate charge control of the storage capacitor in a piezoelectric energy harvesting device for discontinuous load operation. Sens. Actuators A Phys. 2006, 132, 302–310. [Google Scholar] [CrossRef]
- Wei, H.; Wang, S.; Chi, L.; Xing, Z.; Li, Y. Influence of different cooling methods on thermoelectric performance of an engine exhaust gas waste heat recovery system. Appl. Energy 2015, 162, 1251–1258. [Google Scholar]
- Dalola, S.; Ferrari, V.; Guizzetti, M.; Marioli, D.; Sardini, E.; Serpelloni, M.; Taroni, A. Autonomous sensor system with power harvesting for telemetric temperature measurements of pipes. IEEE Trans. Instrum. Meas. 2009, 58, 1471–1478. [Google Scholar] [CrossRef]
- Yongsheng, H.; Daochun, X.; Wenbin, L. Study on forest soil thermoelectric power generation based on the Seebeck effect. J. For. Environ. 2018, 38, 84–90. [Google Scholar]
- Snyman, D.B.; Enslin, J.H.R. In Novel technique for improved power conversion efficiency in systems with battery back-up. In Proceedings of the International Telecommunications Energy Conference, Vancouver, BC, Canada, 30 October–3 November 1994. [Google Scholar]
- Celik, A.N.; Acikgoz, N. Modelling and experimental verification of the operating current of mono-crystalline photovoltaic modules using four- and five-parameter models. Appl. Energy 2007, 84, 1–15. [Google Scholar] [CrossRef]
- Villalva, M.G.; Gazoli, J.R.; Filho, E.R. Comprehensive approach to modeling and simulation of photovoltaic arrays. IEEE Trans. Power Electron. 2009, 24, 1198–1208. [Google Scholar] [CrossRef]
- Aktakka, E.E.; Peterson, R.L.; Najafi, K. In A self-supplied inertial piezoelectric energy harvester with power-managementic. In Proceedings of the Solid-State Circuits Conference Digest of Technical Papers, San Francisco, CA, USA, 20–24 February 2011. [Google Scholar]
- Kwan, T.H.; Wu, X. Power and mass optimization of the hybrid solar panel and thermoelectric generators. Appl. Energy 2016, 165, 297–307. [Google Scholar] [CrossRef]
- Bo, S.; Yanqiu, L. The Wireless Sensor Node Harvesting Energy from Environment. Chin. J. Sens. Actuators 2008, 21, 1586–1589. [Google Scholar]
- Tan, Y.K. Analysis, Design and Implementation of Energy Harvesting Systems for Wireless Sensor Nodes. Ph.D. Thesis, National University of Singapore, Singapore, 2010. [Google Scholar]
- Marin, A.; Tadesse, Y.; Priya, S. Multi-mechanism non-linear vibration harvester combining inductive and magnetostrictive mechanisms. Integr. Ferroelectr. 2013, 148, 27–52. [Google Scholar] [CrossRef]
- Dondi, D.; Bertacchini, A.; Brunelli, D.; Larcher, L.; Benini, L. Modeling and optimization of a solar energy harvester system for self-powered wireless sensor networks. IEEE Trans. Ind. Electron. 2008, 55, 2759–2766. [Google Scholar] [CrossRef]
- Guilar, N.; Chen, A.; Kleeburg, T.; Amirtharajah, R. Integrated solar energy harvesting and storage. IEEE Trans. Very Large Scale Integr. Syst. 2009, 17, 627–637. [Google Scholar] [CrossRef]
- Lhermet, H.; Condemine, C.; Plissonnier, M.; Salot, R.; Rosset, M. Efficient power management circuit: From thermal energy harvesting to above-ic microbattery energy storage. IEEE J. Solid-State Circuits 2008, 43, 246–255. [Google Scholar] [CrossRef]
- Kim, R.Y.; Lai, J.S.; York, B.; Koran, A. Analysis and design of maximum power point tracking scheme for thermoelectric battery energy storage system. IEEE Trans. Ind. Electron. 2009, 56, 3709–3716. [Google Scholar]
- Paing, T.; Shin, J.; Zane, R.; Popovic, Z. Resistor emulation approach to low-power RF energy harvesting. IEEE Trans. Power Electron. 2008, 23, 1494–1501. [Google Scholar] [CrossRef]













| Stage | Mode | Time Executed (µs) | Current Consumption (µA × s) |
|---|---|---|---|
| 1 | Awakened | 450 | 2.287 |
| 2 | Temperature sample | 115 | 3.194 |
| 3 | Message-handling | 317 | 1.382 |
| 4 | PLL calibration | 809 | 8.251 |
| 5 | Rx | 180 | 3.870 |
| 6 | Switch between Rx and Tx | 30 | 0.303 |
| 7 | Tx | 800 | 19.12 |
| 8 | Low power | 70 | 0.294 |
| Total | 2771 | 38.701 |
| Monitoring Time | Average Maximum Temperature (°C) | Average Minimum Temperature (°C) | Average Soil Temperature Difference (°C) | Average Output Power (mW) |
|---|---|---|---|---|
| First quarter (1–3) | −1.356 | −12.967 | 13.739 | 0.325 |
| Second quarter (4–6) | 20.451 | 8.989 | 7.415 | 0.221 |
| Third quarter (7–9) | 25.098 | 16.337 | 10.857 | 0.274 |
| Fourth quarter (10–12) | 2.453 | −7.424 | 13.505 | 0.372 |
© 2019 by the authors. Licensee MDPI, Basel, Switzerland. This article is an open access article distributed under the terms and conditions of the Creative Commons Attribution (CC BY) license (http://creativecommons.org/licenses/by/4.0/).
Share and Cite
Wang, H.; Li, W.; Xu, D.; Kan, J. A Hybrid Microenergy Storage System for Power Supply of Forest Wireless Sensor Nodes. Electronics 2019, 8, 1409. https://doi.org/10.3390/electronics8121409
Wang H, Li W, Xu D, Kan J. A Hybrid Microenergy Storage System for Power Supply of Forest Wireless Sensor Nodes. Electronics. 2019; 8(12):1409. https://doi.org/10.3390/electronics8121409
Chicago/Turabian StyleWang, Huamei, Wenbin Li, Daochun Xu, and Jiangming Kan. 2019. "A Hybrid Microenergy Storage System for Power Supply of Forest Wireless Sensor Nodes" Electronics 8, no. 12: 1409. https://doi.org/10.3390/electronics8121409
APA StyleWang, H., Li, W., Xu, D., & Kan, J. (2019). A Hybrid Microenergy Storage System for Power Supply of Forest Wireless Sensor Nodes. Electronics, 8(12), 1409. https://doi.org/10.3390/electronics8121409

