Abstract
The contact interfaces of a press-pack insulated-gate bipolar transistor (PP-IGBT) module under fluctuating thermal stress will undergo minor friction and mutual sliding during service, which results in damage to the contact surface and a decline in the thermal performance of the contact interface. Therefore, the temperature inside the module will continue to increase, leading to eventual failure. In this work, a life prediction method based on thermal resistance degradation within a PP-IGBT module is established. The junction temperature can be determined via power loss and a resistance-capacitance (RC) thermal network model, and a life prediction model of the PP-IGBT module is developed based on thermal resistance degradation. The method considers the service quality under power cycling conditions and the influence of the self-accelerating effect of damage accumulation at the contact interface of the PP-IGBT module on fatigue life. The experimental results verify that the proposed PP-IGBT module life prediction method can effectively predict service life under power cycling conditions.
1. Introduction
Press-pack insulated-gate bipolar transistor (PP-IGBT) modules, characterized by their high power density and dual-sided cooling, are frequently employed in the power grid field [1,2]. The operational life of PP-IGBT modules is crucial for ensuring the safety of the entire equipment. During service, the power loss of the PP-IGBT module will fluctuate repeatedly with changes in operating conditions, causing the junction temperature to fluctuate as well. The different material layers in the module will undergo different degrees of thermal expansion with increasing temperature. Due to the dissimilar coefficients of thermal expansion (CTEs) among the various materials, the adjacent material layers at the contact interface will undergo minor friction and sliding, causing damage to the contact interface, leading to changes in its thermal behavior and ultimately causing permanent failure [3].
Accurately assessing the service life of PP-IGBT modules not only avoids system failure and reduces system maintenance costs but also helps to improve the design of PP-IGBT modules and increase their service reliability. The following steps are currently used for predicting the lifespan of common bond-wired IGBT modules: First, the power loss is computed in accordance with the operating conditions specific to the IGBT module. Then, the junction temperature is determined through the calculation of power loss. Next, the stress or strain at the critical location of the IGBT module, i.e., the bonded wires, are calculated using the junction temperature. Ultimately, the service life is calculated using life prediction models of the IGBT module, including the strain-based life model, the stress-based life model, and the energy-based life model [4,5]. However, for PP-IGBT modules, the main failure mode is no longer the cracking of bonded wires; therefore, the above life prediction methods are no longer applicable, and it is important to establish a life prediction model for the failure characteristics of PP-IGBT modules.
Fretting wear is the primary cause of failure in a PP-IGBT module. Deng et al. [6] analyzed the fretting damage in a PP-IGBT module using the finite element (FE) method, and the service life was evaluated by combining the Coffin–Mason model and the Basquin model. Ran et al. [7] obtained the fretting damage of each contact surface of a PP-IGBT module via FE simulation. Then, based on Basquin’s law and considering fretting wear, a life prediction model of PP-IGBT modules was established and was subsequently verified via power cycling experiments.
This paper presents an approach to predicting PP-IGBT module service life, based on power cycling experiments. The thermal resistance values after each power cycle are obtained through thermal resistance tests. Considering thermal resistance degradation as the key parameter, the prediction of the PP-IGBT module service life is achieved by combining power loss calculation, an RC thermal network model, and the thermal resistance degradation model.
2. Life Prediction Method Based on PP-IGBT Module Thermal Resistance
Figure 1 presents the proposed method for predicting the life of PP-IGBT modules, which involves the following aspects:
Figure 1.
PP-IGBT module life prediction algorithm.
- (1)
- Calculating the power loss: Power loss is assessed by applying the established power loss model under the specified test conditions.
- (2)
- Calculating the junction temperature: The junction temperature is derived by constructing an RC thermal network model and assessing the power loss obtained in the first step.
- (3)
- Calculate the thermal resistance degradation: Using the thermal resistance degradation model and the junction temperature, the degradation of thermal contact resistance is quantified.
- (4)
- Obtain the degradation curve of thermal resistance: A new junction temperature is calculated following the alteration in thermal resistance. The decrease in thermal resistance is then ascertained and, by repeated calculations, a curve depicting the thermal resistance degradation is generated.
- (5)
- Life prediction: By combining the thermal resistance degradation curve obtained in the previous step with the failure criterion, the number of power cycles during module failure is obtained, that is, the life prediction result of the PP-IGBT module.
2.1. Power Loss Model
There are two factors that account for power loss. The first is the threshold voltage drop and on-resistance in the gate conduction state, which cause the module’s conduction loss; the second is the current–voltage asynchrony during the switching process, which causes switching loss [8,9]. In this work, a direct current (DC) power cycling experiment is used; thus, there is no switching loss, and only the conduction loss caused by the threshold voltage and internal resistance is considered here.
For IGBT chips, in a switching cycle, the average conduction loss Pcon is as follows:
where Vce represents the collector–emitter voltage at both ends; Ic represents the current flowing into the collector; and δ is the duty cycle.
According to the characteristic curve, Vce(t) can be rewritten as follows:
where Vce0 represents the collector–emitter voltage when the input current is zero, and rce is the collector–emitter on-resistance.
By substituting Formula (2) into Formula (1), we obtain the following formula:
All the parameters of the above equation can be determined from the output characteristic curve obtained through the experiment.
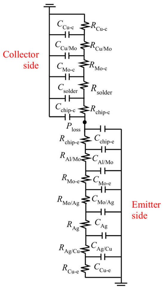
2.2. RC Thermal Network Model
Under service conditions, heat generated by the IGBT chip is transferred mainly in the form of heat conduction inside the module. There are two heat dissipation paths in the PP-IGBT module, located on the collector side and the emitter side, respectively, as shown in Figure 2. On the collector side, the IGBT chip releases heat, which is absorbed by the collector heat sink. On the emitter side, the heat flows in a similar manner, beginning at the IGBT chip and moving towards the emitter heat sink. The positions marked in red in Figure 2 are the contact interfaces between the material layers, which are, from top to bottom, the contact interfaces between collector Cu and collector Mo, IGBT chip and emitter Mo, emitter Mo and Ag, as well as Ag and emitter Cu.
Figure 2.
Schematic diagram of the PP-IGBT module structure.
In this work, the Cauer model is applied to describe the heat transfer characteristics of the PP-IGBT module, which can mirror the actual physical structure and is able to obtain the temperatures of each layer in the PP-IGBT module. Figure 3 shows the established Cauer model. The model consists of five cells on the collector side, matching the four material layers—the collector Cu plate, the collector Mo plate, the solder layer, and the collector-side IGBT chip—as well as one contact interface, namely collector Cu/collector Mo. On the emitter side, the model includes seven cells, which correspond to the four material layers—the emitter-side IGBT chip and Al metallization layer, the emitter Mo plate, the Ag shim plate, and the emitter Cu plate—along with three contact surfaces, specifically the Al metallization/emitter Mo, the emitter Mo/Ag shim plate, and the Ag shim plate/emitter Cu plate.
Figure 3.
Cauer model for the PP-IGBT module.
The Cauer model is constructed using MATLAB R2018b/Simulink.
2.3. Thermal Resistance Degradation Model
In this work, the impact of temperature is considered. The Arrhenius equation can be used to describe the thermal resistance degradation rate, kR, using the average junction temperature, Tj,avg [10], which can be expressed as follows:
where A, Ea, and KB, respectively, are the Arrhenius constant, the activation energy, as well as the Boltzmann constant.
In addition, ΔTj is the difference between the highest and the lowest junction temperatures in a cycle, which plays a crucial role in determining the life of the PP IGBT module; the impact of ΔTj on the degradation rate of Rth,jc also needs to be considered, which can be accounted for by decreasing the energy barrier to be overcome by the degradation reaction, that is, the larger the ΔTj, the smaller the activation energy required for Rth,jc to degrade, as expressed in the following equation:
where Ea0 and X are the coefficients to be determined.
Substituting (5) into (4) yields (6), as follows:
where A, Ea0, and X are the coefficients to be determined based on the experimentally measured Rth,jc degradation curve.
2.4. Life Prediction
By combining the Cauer model and power loss model, the junction temperature curve is calculated; the ΔTj and Tj,avg in one cycle after the junction temperature stabilizes are as follows:
where Tj,max represents the highest junction temperature achieved the moment the power is turned off, and Tj,min denotes the lowest junction temperature reached the moment the power is turned on.
Taking ΔTj and Tj,avg as input parameters, the current Rth,jc is calculated from the thermal resistance degradation model, i.e., Equation (6), and the previous total thermal resistance degradation, ΔRth,jc, is obtained via accumulation. The updated ΔRth,jc is fed back into the Cauer model to calculate the new Tj. As Rth,jc increases, Tj increases, which in turn contributes to the degradation of Rth,jc. The above steps are repeated until ΔRth,jc satisfies the failure criterion, that is, the thermal resistance increases by 10% [11], the loop ends, and the PP-IGBT module failure life Nf is obtained.
3. Power Cycle Experiment
3.1. PP-IGBT Under Test
The sample used in the DC power cycling experiment is a single-chip PP-IGBT module rated at 3300 V/50 A, which consists of a collector Cu plate, a collector Mo plate, a solder layer, an IGBT chip, an emitter Mo plate, an Ag shim, and an emitter Cu plate. The collector Mo plate is connected to the IGBT chip via the solder layer. The emitter Mo plate and Ag gasket are secured to the emitter Cu plate by a plastic frame, and the gate pin is led out on the side. The outer part is sealed with a ceramic shell, and the shell is insulated with nitrogen. In addition, the surface of the emitter side of the IGBT chip is coated with an Al-metallized layer.
3.2. Power Cycling Test Equipment
The power cycle test equipment, as presented in Figure 4, mainly consists of the power supply system, water cooling, drive protection system, and data acquisition system. A special fixture holds the device under test (DUT) in place, which provides stable and continuous rated pressure for the DUT, and the pressure on the chip is approximately 1200 N/cm2 [12]. Moreover, the fixture provides a heat sink for the DUT to be tested on both sides. The main circuit provides the load current for the DUT, the driver circuit supplies a 15 V voltage to the gate of the DUT to keep it on, and the test circuit provides the PP-IGBT module with the testing current required for testing. The water cooling system provides cooling for both sides of the DUT to reduce the temperature. The data acquisition system collects the Vce data.
Figure 4.
Power cycle test equipment. (a) Photo of test equipment. (b) Schematic illustration of power cycling test circuit.
DC power cycling experiments are carried out on the PP-IGBT module; a total of four sets of power cycling experiments are performed. When the main circuit is activated, the DUT is applied with a load current Ic = 50 A, and the water cooling tank supplies 45 °C cooling water to the heat sink. Moreover, a test current of Itest = 100 mA is applied to measure the Vce, and the Tj is obtained via the temperature-sensitive electrical parameters (TSEPs) method [13].
Table 1 shows the test conditions, where the cycle period is set at 4 s, with ton = 2 s and toff = 2 s. Meanwhile, the temperature of the cooling water is maintained at 45 °C. Power cycles of 0, 100,000, 250,000, and 400,000 were carried out for four PP-IGBT modules in the experiment.
Table 1.
Power cycling test conditions.
3.3. Thermal Resistance Test
3.3.1. K Curve Measurement
Set the temperature to 20 °C and heat the DUT. When the DUT reaches the set target value, apply a driving voltage to the gate to turn on the module and, at the same time, pass a test current set at 100 mA to record the Vce at the current temperature, and then adjust the temperature to 50 °C, 80 °C, and 110 °C in order. Repeat the above-mentioned steps, record the Vce at temperatures of 20 °C, 50 °C, 80 °C, and 110 °C, respectively, and then fit the data linearly to obtain the expression Tj = f(Vce). The results are shown in Figure 5. The DUT was supplied with a test current (100 mA) during the off-time of the main circuit. The Vce of the DUT was recorded to obtain the K curve, and Tj was calculated. The Tj,max and ΔTj of the DUT in the initial state were 62.14 °C and 8.56 °C, respectively.
Figure 5.
K curve of four PP-IGBT modules.
3.3.2. Transient Thermal Impedance Curve Acquisition
In order to obtain the thermal resistance and heat capacity parameters of the material layers in the Cauer model, the transient thermal impedance curves of four PP-IGBT modules were measured using the T3Ster test equipment. The experiment commenced with adiabatic heating on the collector side and the activation of the heat sink on the emitter side. Then, the testing current was passed into the main circuit to ensure that the DUT reached thermal equilibrium. The current was then turned off to begin the water cooling process. The Vce of the module under test during the cooling process was measured within 1 μs after switching the equipment off. The junction temperature Tj(t) was obtained via the TSEPs method in the cooling phase. Zth,cooling(t) is the transient thermal impedance that can be determined from Tj and the heating power P during the junction temperature reduction process, as expressed in the following equation:
The transient thermal impedance curves of DUTs on the emitter side are shown in Figure 6.
Figure 6.
Transient thermal impedance curve of DUTs on the emitter side.
The emitter side was heated adiabatically and, subsequently, the heat sink on the collector side was activated and tested. This process enabled the acquisition of transient thermal impedance curves of the DUTs on the collector side.
3.3.3. Structural Function Curves
The thermal impedance transient response curve is processed through a series of mathematical processes to obtain an accurate spectrum of time constants, which are then discretized to form the Foster model [14], which is then transformed into the Cauer model [14]. Finally, the cumulative structure function is obtained by summing the thermal resistance and thermal capacity of each layer of the Cauer model. When the slope of the cumulative structure function curve changes, the heat flow into another substance is indicated; by analyzing the changes in the slope, the cumulative curve can be divided to extract the thermal resistance. Differentiating the cumulative structure function yields the differential structure function. The inflection points at the peaks and troughs of the differential structure function curve serve as the boundaries between the adjacent material layers, or between the adjacent material layers and the contact interface.
As shown in Figure 7, the structure function curves for the emitter side of four the PP-IGBT modules demonstrate that the thermal resistance of the material layers are nearly identical. In contrast, the thermal contact resistance at multiple contact interfaces grows substantially with the rising number of power cycles, which in turn results in a higher total thermal resistance [15].

Figure 7.
Structure function curves on the emitter side. (a) Module-A, initial state; (b) Module-B, 100 k cycles; (c) Module-C, 250 k cycles; (d) Module-D, 400 k cycles.
4. Life Prediction of the PP-IGBT Module
4.1. Power Loss Calculation
Figure 8 shows the output characteristic curve at room temperature obtained from the electrical characteristic test. Fitting the linear segment of the curve in the figure, the intersection point with the horizontal coordinate is the threshold voltage drop Vce0 of 1.786 V, and the collector–emitter resistance rce0 of 2.16 × 10−2 Ω is obtained by the reciprocal of the slope of the line segment. Substituting the obtained parameters into (3) yields the following:
Figure 8.
Output characteristic curve of PP-IGBT module.
Through the above-mentioned formula, power loss can be calculated.
4.2. Determination of the Junction Temperature Resulting from Power Loss
The thermal contact resistance Rth,contact and average thermal capacitance C for each contact interface of the four tested PP-IGBT modules are derived by analyzing the structure function curves, as presented in Table 2. Additionally, Table 3 lists the thermal resistance Rth and thermal capacitance Cth of the material layers, which are obtained through the same structure function division process. By substituting the parameters into the Cauer model established in Section 2.2 and inputting the power losses, the resulting change in junction temperature can be effectively calculated.
Table 2.
Parameters of thermal contact resistance and thermal capacity at contact interfaces.
Table 3.
Parameters of thermal resistance and thermal capacity for material layers.
4.3. Determination of the Emitter Thermal Resistance Degradation Rate in PP-IGBT Modules
With three contact surfaces on the emitter side, the fluctuations in thermal contact resistance play a more critical role in influencing the module’s overall thermal resistance. As a result, the thermal resistance degradation model focuses on the changes in the thermal resistance of the emitter side.
The aggregate thermal resistance Rth,jc on the emitter side is demonstrated in Figure 9, which shows that the Rth,jc has not yet begun to degrade before the 100 k power cycles. After the 250 k power cycles, the Rth,jc increased significantly by 6.26%, which did not reach the failure threshold. When the DUT had undergone the 400 k power cycles, the emitter thermal resistance increased by 20.6%, and the failure threshold of a 10% change in thermal resistance was exceeded [16].
Figure 9.
Emitter-side thermal resistance of DUTs.
The degradation rate can be calculated as follows:
With the thermal resistance degradation data from the emitter side of the DUT, the Rth,jc degradation rate kR(ti) at any moment ti can be calculated via the following equation:
Equation (6) was fitted to the thermal resistance degradation data to obtain the thermal resistance degradation model parameters, and these parameters are presented in Table 4.
Table 4.
Parameters of thermal resistance degradation model.
4.4. PP-IGBT Module Life Prediction Result
Using the proposed PP-IGBT module life prediction method, the variations in Rth,jc of the DUT under the experimental conditions are calculated over time and verified by the experimental results, which are shown in Figure 10. The life results obtained in the experiments are between 250 k cycles and 400 k cycles, and according to the analysis in this paper, the PP-IGBT module’s life is estimated to be around 320 k cycles, which is within the range obtained by the experiment results. Before 250 k cycles, the calculated results of Rth,jc degradation are close to the experimental results. After 250 k cycles, the calculated results of Rth,jc increase but are slightly lower than the experimental results. In addition, the error increases gradually with increasing ageing time. At 400 k cycles, the experimentally obtained Rth,jc results are already much larger than the model predictions.
Figure 10.
Comparison of life prediction results with experimental results.
There may be two reasons for the increasing error after 250 k cycles. On the one hand, the power loss in the life prediction model does not change with the increase in number of cycles, and as the contact interface damage grows, the on-resistance rises, subsequently boosting the power loss, which leads to inaccuracies in the life prediction results. On the other hand, changes in thermal resistance on the collector side are not considered.
5. Conclusions
According to the thermal resistance test results of the PP-IGBT modules, the thermal resistance degradation model is established. In addition, combined with the power loss model and the Cauer model, a PP-IGBT module life prediction method based on thermal resistance degradation is proposed.
The thermal resistance degradation of the emitter is indicated by the amount of thermal contact resistance degradation, the life is predicted based on the amount of thermal resistance degradation, and the accelerating effect of the cumulative changes in contact surface morphology on life is also accounted for. By comparing the results of four sets of power cycling experiments with different cycle numbers, the proposed life prediction method proposed in this paper indicates a lifespan of about 320,000 cycles, which is more aligned with the results of the power cycling experiments between 250,000 cycles and 400,000 cycles. The life prediction method established in this paper relies on computational simulation and small-batch experiments to predict the life of PP-IGBT modules, which is faster and more effective than the actual power cycling tests to evaluate the PP IGBT modules. However, the data of 0, 100,000, 250,000, and 400,000 power cycle tests are limited; to improve the precision of predicting the PP IGBT module’s life, further power cycle tests at around 100,000 cycles are required to determine the thermal resistance change at the onset of PP-IGBT module degradation. In addition, the power cycle test results of about 320,000 cycles also need to be obtained to further confirm the precision of the life prediction model established in this work.
Author Contributions
Methodology, R.Z.; Software, X.W. (Xiang Wang) and Y.L.; Formal Analysis, X.W. (Xiaochen Wang); Data Curation, Z.Y.; Writing—Original Draft Preparation, R.Z.; Writing—Review and Editing, T.A. and X.W. (Xiang Wang); Supervision, J.L. and T.A.; Project Administration, J.L.; Funding Acquisition, T.A. All authors have read and agreed to the published version of the manuscript.
Funding
This research was supported by the National Natural Science Foundation of China (NSFC) No. 12272013, and the Beijing Key Laboratory of Advanced Manufacturing Technology.
Data Availability Statement
Data are contained within the article.
Conflicts of Interest
Authors Jianqiang Li, Zhengqiang Yu, Xiang Wang, Xiaochen Wang, and Yan Li were employed by Beijing Smartchip Microelectronics Technology Co., Ltd. The remaining authors declare that the research was conducted in the absence of any commercial or financial relationships that could be construed as a potential conflict of interest.
References
- Zechun, D.; Stevens, R.; Lanyuan, X. Design and characteristic analysis of novel press-contact IGBT module. Electr. Drive Locomtives 2013, 1, 10–13. [Google Scholar]
- Poller, T.; Basler, T.; Hernes, M.; D’Arco, S.; Lutz, J. Mechanical analysis of press-pack IGBTs. Microelectron. Reliab. 2012, 52, 2397–2402. [Google Scholar] [CrossRef]
- Cova, P.; Nicoletto, G.; Pirondi, A.; Portesine, M.; Pasqualetti, M. Power cycling on press-pack IGBTs: Measurements and thermomechanical simulation. Microelectron. Reliab. 1999, 39, 1165–1170. [Google Scholar] [CrossRef]
- Yang, L.; Agyakwa, P.; Johnson, C. Physics-of-failure lifetime prediction models for wire bond interconnects in power electronic modules. IEEE Trans. Device Mater. Reliab. 2013, 13, 9–17. [Google Scholar] [CrossRef]
- Hanif, A.; Yuechuan, Y.; DeVoto, D.; Khan, F. A comprehensive review toward the state-of-the-art in failure and lifetime predictions of power electronic devices. IEEE Trans. Power Electron. 2018, 34, 4729–4746. [Google Scholar] [CrossRef]
- Deng, E.; Zhang, J.; Zhao, Z.; Chen, J.; Li, J.; Hung, Y. Influence of the clamping force on the power cycling lifetime reliability of press pack IGBT sub-module. J. Eng. 2019, 16, 2435–2439. [Google Scholar] [CrossRef]
- Yao, R.; Duan, Z.; Li, H.; Iannuzzo, F.; Lai, W.; Chen, X. Lifetime prediction for press pack IGBT device by considering fretting wear failure. Microelectron. Reliab. 2023, 145, 114984. [Google Scholar] [CrossRef]
- Ke, M.; Amir, S.; Szymon, B.; Frede, B. Complete loss and thermal model of power semiconductors including device rating information. IEEE Trans. Power Electron. 2015, 30, 2556–2569. [Google Scholar]
- Kristian, B.P.; Kjeld, P. Dynamic modeling method of electro thermo-mechanical degradation in IGBT modules. IEEE Trans. Power Electron. 2016, 31, 975–986. [Google Scholar]
- McPherson, J.W. Reliability Physics and Engineering; Springer: New York, NY, USA, 2010. [Google Scholar]
- Bouarroudj, M.; Khatir, Z.; Ousten, J.P.; Badel, F.; Dupont, L.; Lefebvre, S. Degradation behavior of 600 V–200 A IGBT modules under power cycling and high temperature environment conditions. Microelectron. Reliab. 2007, 47, 1719–1724. [Google Scholar] [CrossRef][Green Version]
- Recommendations Regarding Mechanical Clamping of Press Pack High Power Semiconductors; ABB: Lenzburg, Switzerland, 2016.
- Scheuermann, U.; Ralf, S. Investigations on the VCE (T)-Method to Determine the Junction Temperature by Using the Chip Itself as Sensor; PCIM Europe: Nuremberg, Germany, 2009. [Google Scholar]
- Grieger, F.; Lindemann, A. Thermal Impedance Spectroscopy for Non-Destructive Evaluation of Power Cycling. In Proceedings of the IEEE 6th International Symposium on Power Electronics for Distributed Generation Systems, Aachen, Germany, 22–25 June 2015. [Google Scholar]
- Qin, F.; Zhang, Y.; An, T.; Zhou, R. An Improved Thermal Network Model of Press-Pack IGBT Modules Considering Contact Surface Damage. IEEE Trans. Device Mater. Reliab. 2023, 23, 444–452. [Google Scholar] [CrossRef]
- Smet, V.; Forest, F.; Huselstein, J.; Rashed, A.; Richardeau, F. Evaluation of Vce monitoring as a real-time method to estimate aging of bond wire-IGBT modules stressed by power cycling. IEEE Trans. Ind. Electron. 2013, 60, 2760–2770. [Google Scholar] [CrossRef]
Disclaimer/Publisher’s Note: The statements, opinions and data contained in all publications are solely those of the individual author(s) and contributor(s) and not of MDPI and/or the editor(s). MDPI and/or the editor(s) disclaim responsibility for any injury to people or property resulting from any ideas, methods, instructions or products referred to in the content. |
© 2025 by the authors. Licensee MDPI, Basel, Switzerland. This article is an open access article distributed under the terms and conditions of the Creative Commons Attribution (CC BY) license (https://creativecommons.org/licenses/by/4.0/).