Simplified Modelling Techniques for Dynamic Wireless Power Transfer
Abstract
1. Introduction
2. Dynamic Wireless Charging Switching Circuit
2.1. Full Circuit
2.2. DC/DC Converter
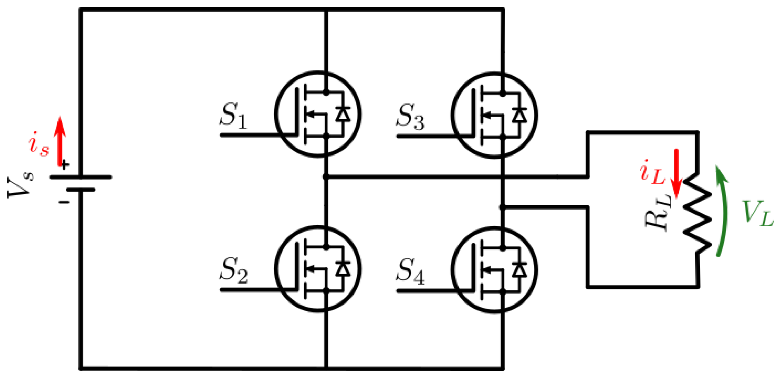
2.3. Inverter
2.4. Dynamic Wireless Power Transfer
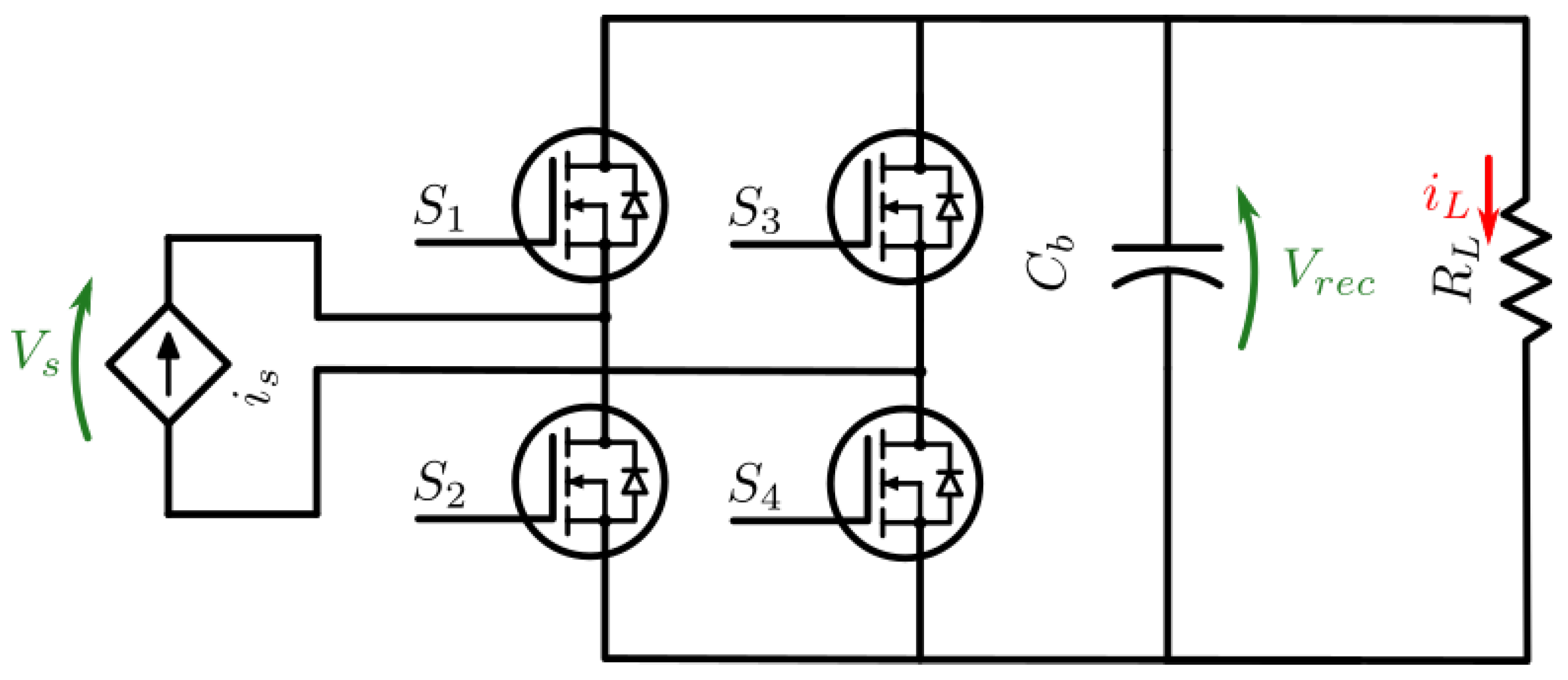
2.5. Semi-Controlled Rectifier
2.6. System Control
2.7. Connection of Subsystems and Additional Requirements
2.7.1. Primary DC/DC Converter
2.7.2. Wireless Power Transfer
2.7.3. Secondary DC/DC Converter
3. Circuit Equations and Equivalent Circuits
3.1. DC/DC Converter
3.1.1. Buck Mode
3.1.2. Buck–Boost Mode
3.1.3. Boost ModeReverse
3.1.4. Buck ModeReverse
3.1.5. Buck–Boost ModeReverse
3.1.6. Boost ModeReverse
3.2. Inverter
3.3. Dynamic Wireless Power Transfer
3.4. Semi-Controlled Rectifier
4. Results and Discussion
4.1. DC/DC Converter
4.2. Wireless Power Transfer
4.3. Dynamic Wireless Power Transfer
4.4. Full System
4.5. Simulation Time
5. Conclusions
6. Future Work
6.1. Inverter/Rectifier Model Improvements
6.2. Multiple-Coil Systems
6.3. Integration into Grid Systems
Author Contributions
Funding
Data Availability Statement
Conflicts of Interest
Appendix A. DC/DC Converter cCode
function y = Buck(u) % Input signals Vs = u (1); % input voltage i1 = u (2); % input current i2 = u (3); % output current (measurement) d = u (4); % duty cycle mode = u (5); % switching frequency vc1 = u (6); % capacitor 1 voltage iL = u (7); % inductor current vc2 = u (8); % capcitor 2 voltage % Circuit parameters L = 0.005; % inductance C1 = 0.0015; % output capacitance C2 = 0.0015; % output capacitance %(iL*.05 + i2*.05) dampens the output using “on” resitance of components switch mode case 1 %Buck dvc1 = (i1-d*iL)/C1; dil = (d*vc1-vc2 - (iL*.05 + i2*.05))/L; dvc2 = (iL-i2)/C2; case 2 %Buck-boost dvc1 = (i1-d*iL)/C1; dil = (d*vc1-vc2*(1-d)-(iL*.05 + i2*.05))/L; dvc2 = ((1-d)*iL-i2)/C2; case 3 %boost dvc1 = (i1-iL)/C1; dil = (vc1-vc2*(1-d)-(iL*.05 + i2*.05))/L; dvc2 = ((1-d)*iL-i2)/C2; case 4 %reverse buck dvc1 = (i1-iL)/C1; dil = (vc1-d*vc2 - (iL*.05 + i2*.05))/L; dvc2 = (d*iL-i2)/C2; case 5 dvc1 = (i1-(1-d)*iL)/C1; dil = (vc1*(1-d)-d*vc2-(iL*.05 + i2*.05))/L; dvc2 = (d*iL-i2)/C2; case 6 dvc1 = (i1-(1-d)*iL)/C1; dil = (vc1*(1-d)-vc2-(iL*.05 + i2*.05))/L; dvc2 = (iL-i2)/C2; otherwise disp(‘error’); dvc1 =0; dil =0; dvc2 =0; end % Output results y = [dvc1 dil dvc2];
Appendix B. WPT Converter Code
function [y,i2est] = fcn(u) %% Define input from mux. (u) mode = u (1); %v2g mode Vin1 = u (2); Vin2 = u (4); RL = u (5); f = u (6); k = abs(u (7)); il1 = u (9); il2 = u (10); % Coil self inductance & resistance L1 = 1.3241e-04; R1 = 1.3e-3; L2 = 1.3241e-04; R2 = 1.3e-3; % Compensation capcitor C1 = 2.6477e-08; C2 = 2.6477e-08; M = k*sqrt(L1*L2); % k=0.1 w = 2*pi*f; Rfet =0.1; sf = 8; RL = RL* 8/pi^2; switch mode case 1 % reverse mode Z1 = RL + R1 + 1j*w*(L1) + 1/(1j*w*C1) + 2*Rfet; Z2 = R2 + 1j*w*(L2) + 1/(1j*w*C2) + 2*Rfet; dil1 = (w*M*il2 - il1*real(Z1))/abs(imag(Z1)/sf); dil2 = (-1.27*Vin1 - w*M*il1 - real(Z2)*il2)/abs(imag(Z2)/sf); otherwise % Forward mode Z1 = R1 + 1j*w*(L1) + 1/(1j*w*C1) + 2*Rfet; Z2 = RL + R2 + 1j*w*(L2) + 1/(1j*w*C2) + 2*Rfet; dil1 = (1.27*Vin1 - il1*real(Z1) - w*M*il2)/abs(imag(Z1)/sf); dil2 = (w*M*il1 - real(Z2)*il2)/abs(imag(Z2)/sf); end % Secondary coil current (i2) estimation at steady state i1 = Vin1/(Z1-w^2*M^2/Z2); i2 = i1*w*M/Z2; i2est = abs(i2); y = [dil1, dil2];
References
- Our World in Data. Emissions by Sector—Our World in Data. Available online: https://ourworldindata.org/emissions-by-sector (accessed on 15 June 2023).
- Kumar, M.; Panda, K.P.; Naayagi, R.T.; Thakur, R.; Panda, G. Comprehensive Review of Electric Vehicle Technology and Its Impacts: Detailed Investigation of Charging Infrastructure, Power Management, and Control Techniques. Appl. Sci. 2023, 13, 8919. [Google Scholar] [CrossRef]
- Dimitriadou, K.; Rigogiannis, N.; Fountoukidis, S.; Kotarela, F.; Kyritsis, A.; Papanikolaou, N. Current trends in electric vehicle charging infrastructure; opportunities and challenges in wireless charging integration. Energies 2023, 16, 2057. [Google Scholar] [CrossRef]
- Machura, P.; Li, Q. A critical review on wireless charging for electric vehicles. Renew. Sustain. Energy Rev. 2019, 104, 209–234. [Google Scholar] [CrossRef]
- Mude, K.N.; Aditya, K. Comprehensive review and analysis of two-element resonant compensation topologies for wireless inductive power transfer systems. Chin. J. Electr. Eng. 2019, 5, 14–31. [Google Scholar] [CrossRef]
- Miller, J.M.; Jones, P.; Li, J.M.; Onar, O.C. ORNL Experience and Challenges Facing Dynamic Wireless Power Charging of EV’s. IEEE Circuits Syst. Mag. 2015, 15, 40–53. [Google Scholar] [CrossRef]
- Mou, X.; Gladwin, D.T.; Zhao, R.; Sun, H. Survey on magnetic resonant coupling wireless power transfer technology for electric vehicle charging. IET Power Electron. 2019, 12, 3005–3020. [Google Scholar] [CrossRef]
- Song, K.; Koh, K.E.; Zhu, C.; Jiang, J.; Wang, C.; Huang, X. A Review of Dynamic Wireless Power Transfer for In-Motion Electric Vehicles. In Wireless Power Transfer; Coca, E., Ed.; IntechOpen: Rijeka, Hrvatska, 2016; Chapter 6. [Google Scholar] [CrossRef]
- Song, B.; Cui, S.; Li, Y.; Zhu, C. A Narrow-Rail Three-Phase Magnetic Coupler With Uniform Output Power for EV Dynamic Wireless Charging. IEEE Trans. Ind. Electron. 2021, 68, 6456–6469. [Google Scholar] [CrossRef]
- Park, C.; Lee, S.; Jeong, S.Y.; Cho, G.H.; Rim, C.T. Uniform Power I-Type Inductive Power Transfer System With DQ-Power Supply Rails for On-Line Electric Vehicles. IEEE Trans. Power Electron. 2015, 30, 6446–6455. [Google Scholar] [CrossRef]
- Song, S.; Zhang, Q.; He, Z.; Li, H.; Zhang, X. Uniform Power Dynamic Wireless Charging System With I-Type Power Supply Rail and DQ-Phase-Receiver Employing Receiver-Side Control. IEEE Trans. Power Electron. 2020, 35, 11205–11212. [Google Scholar] [CrossRef]
- Sallan, J.; Villa, J.L.; Llombart, A.; Sanz, J.F. Optimal Design of ICPT Systems Applied to Electric Vehicle Battery Charge. IEEE Trans. Ind. Electron. 2009, 56, 2140–2149. [Google Scholar] [CrossRef]
- Zhang, X.; Meng, H.; Wei, B.; Wang, S.; Yang, Q. Mutual inductance calculation for coils with misalignment in wireless power transfer. J. Eng. 2019, 2019, 1041–1044. [Google Scholar] [CrossRef]
- Su, Y.P.; Liu, X.; Hui, S.Y.R. Mutual Inductance Calculation of Movable Planar Coils on Parallel Surfaces. IEEE Trans. Power Electron. 2009, 24, 1115–1123. [Google Scholar] [CrossRef]
- Cheng, Y.; Shu, Y. A New Analytical Calculation of the Mutual Inductance of the Coaxial Spiral Rectangular Coils. IEEE Trans. Magn. 2014, 50, 1–6. [Google Scholar] [CrossRef]
- Li, Z.; Zhang, M. Mutual inductance calculation of circular coils arbitrary positioned with magnetic tiles for wireless power transfer system. IET Power Electron. 2020, 13, 3522–3527. [Google Scholar] [CrossRef]
- Zhang, X.; Quan, C.; Li, Z. Mutual Inductance Calculation of Circular Coils for an Arbitrary Position With Electromagnetic Shielding in Wireless Power Transfer Systems. IEEE Trans. Transp. Electrif. 2021, 7, 1196–1204. [Google Scholar] [CrossRef]
- Dehui, W.; Fan, Y.; Chao, H.; Fang, C. Method for the calculation of coupling coefficient between two arbitrary-shaped coils. IET Power Electron. 2019, 12, 3936–3941. [Google Scholar] [CrossRef]
- Nawaz, B. Analytical Calculation of the Coupling Factor for Single and Multi-layered Circular, Square, and Hexagonal Wireless Power Transfer Coils. In Proceedings of the 2020 IEEE Wireless Power Transfer Conference (WPTC), Seoul, Republic of Korea, 15–19 November 2020; pp. 453–459. [Google Scholar] [CrossRef]
- Mendes Duarte, R.; Klaric Felic, G. Analysis of the Coupling Coefficient in Inductive Energy Transfer Systems. Act. Passiv. Electron. Compon. 2014, 2014, 951624. [Google Scholar] [CrossRef]
- Zhang, X.; Yuan, Z.; Yang, Q.; Li, Y.; Zhu, J.; Li, Y. Coil design and efficiency analysis for dynamic wireless charging system for electric vehicles. IEEE Trans. Magn. 2016, 52, 1–4. [Google Scholar] [CrossRef]
- Tavakoli, R.; Pantic, Z. Analysis, design, and demonstration of a 25-kW dynamic wireless charging system for roadway electric vehicles. IEEE J. Emerg. Sel. Top. Power Electron. 2017, 6, 1378–1393. [Google Scholar] [CrossRef]
- Tan, L.; Zhao, W.; Liu, H.; Li, J.; Huang, X. Design and optimization of ground-side power transmitting coil parameters for EV dynamic wireless charging system. IEEE Access 2020, 8, 74595–74604. [Google Scholar] [CrossRef]
- Cui, S.; Wang, Z.; Han, S.; Zhu, C.; Chan, C. Analysis and design of multiphase receiver with reduction of output fluctuation for EV dynamic wireless charging system. IEEE Trans. Power Electron. 2018, 34, 4112–4124. [Google Scholar] [CrossRef]
- Bagchi, A.C.; Kamineni, A.; Zane, R.A.; Carlson, R. Review and Comparative Analysis of Topologies and Control Methods in Dynamic Wireless Charging of Electric Vehicles. IEEE J. Emerg. Sel. Top. Power Electron. 2021, 9, 4947–4962. [Google Scholar] [CrossRef]
- Tan, L.; Zhao, W.; Ju, M.; Liu, H.; Huang, X. Research on an EV dynamic wireless charging control method adapting to speed change. Energies 2019, 12, 2214. [Google Scholar] [CrossRef]
- Jakubiak, K.; Liang, J.; Cipcigan, L. Modelling of inductive wireless charging for electric vehicles. In Proceedings of the 2022 IEEE 16th International Conference on Compatibility, Power Electronics, and Power Engineering (CPE-POWERENG), Birmingham, UK, 29 June–1 July 2022; IEEE: Piscataway, NJ, USA, 2022; pp. 1–7. [Google Scholar]
- Jakubiak, K.; Li, C.; Liang, J.; Cipcigan, L. Control & modelling of wireless charging system for electric vehicles and their application in dynamic scenarios. In Proceedings of the EVI: Charging Ahead (EVI 2023), Glasgow, UK, 14–17 November 2023; IET: London, UK, 2023; Volume 2023, pp. 7–14. [Google Scholar]
- Choi, W.K.; Park, C.W.; Lee, K. Circuit analysis of achievable transmission efficiency in an overcoupled region for wireless power transfer systems. IEEE Syst. J. 2017, 12, 3873–3876. [Google Scholar] [CrossRef]
















| Mode | ||||
|---|---|---|---|---|
| Buck | PWM | 0 | 0 | 0 |
| Buck–Boost | PWM | 0 | PWM | 0 |
| Boost | 1 | 0 | PWM | 0 |
| Reverse Buck | 0 | 0 | 0 | PWM |
| Reverse Buck–Boost | 0 | PWM | 0 | PWM |
| Reverse Boost | 0 | PWM | 0 | 1 |
| Subsystem | Circuit | Frequency | Elapsed Time | Steady State Error |
|---|---|---|---|---|
| DC/DC converter | Switching model | 2 kHz | 3.54 s | 1% |
| Simplified model | N/A | 1.03 s | ||
| DWPT | Switching circuit | 85 kHz | 90.67 s | 2.5% |
| Simplified model | N/A | 5.18 s | ||
| Full circuit | Switching circuit | 85 kHz | 1061.47 s | 6% |
| Simplified model | N/A | 30.97s |
| Variable | Switching Model | Simplified Model |
|---|---|---|
| Voltage (0–0.5 s) | 321.5 (±0.625) | 320.5 |
| Voltage (0.5–1 s) | 477.25 (±0.64) | 477.9 |
| Rise time (circa 0.1 s) | 29 ms | 36.1 ms |
| Rise time (circa 0.55 s) | 27.9 ms | 32.9 ms |
| Current (0–0.5 s) | 15.58 (±0.478) | 15.75 |
| Current (0.5–1 s) | −15.58 (±0.478) | −15.72 |
| Time delay (circa 0.05 s) | 19 ms | 30 ms |
| Time delay (circa 0.55 s) | 12.1 ms | 19.15 ms |
| Voltage (0–0.5 s) | 477.26 (±0.62) | 478 |
| Voltage (0.5–1 s) | 321.49 (±0.623) | 320.68 |
| Time delay (circa 0.55 s) | 29.85 ms | 40 ms |
| Time delay (circa 0.55 s) | 23 ms | 27.5 ms |
| Variable | Switching Model | Simplified Model |
|---|---|---|
| Current (0–25 ms) | 59.63 | 60.10 |
| Current (25–50 ms) | 38.65 | 38.84 |
| Current (50–75 ms) | −32.25 | −31.686 |
| Current (75–100 ms) | −45.34 | −44.52 |
| Parameter | Symbol (s) | Value |
|---|---|---|
| Coil inductance | 132.410 µH | |
| Coil internal resistance | 1.3 m | |
| Compensation capacitance | 26.477 µF | |
| DC/DC converter inductance | 5 mH | |
| DC/DC converter capacitance | 1.5 mF | |
| Inverter frequency | 85 kHz | |
| DC/DC converter frequency | 2 kHz |
| Variable | Figure and Estimated Time | Time Delay |
|---|---|---|
| on delay | Figure 13b, circa 65 ms | 5.468 ms |
| off delay | Figure 13b, circa 110 ms | 6.148 ms |
| off delay | Figure 13c, circa 130 ms | 4.489 ms |
| on delay | Figure 15b, circa 65 ms | 5.427 ms |
| peak delay | Figure 15b, circa 110 ms | 6.165 ms |
| on delay | Figure 14b, circa 65 ms | 5.688 ms |
| off delay | Figure 14b, circa 110 ms | 4.184 ms |
| on delay | Figure 14c, circa 65 ms | 7.529 ms |
| off delay | Figure 14c, circa 110 ms | 1.935 ms |
Disclaimer/Publisher’s Note: The statements, opinions and data contained in all publications are solely those of the individual author(s) and contributor(s) and not of MDPI and/or the editor(s). MDPI and/or the editor(s) disclaim responsibility for any injury to people or property resulting from any ideas, methods, instructions or products referred to in the content. |
© 2024 by the authors. Licensee MDPI, Basel, Switzerland. This article is an open access article distributed under the terms and conditions of the Creative Commons Attribution (CC BY) license (https://creativecommons.org/licenses/by/4.0/).
Share and Cite
Jakubiak, K.; Liang, J.; Cipcigan, L.; Li, C.; Wu, J. Simplified Modelling Techniques for Dynamic Wireless Power Transfer. Electronics 2024, 13, 4300. https://doi.org/10.3390/electronics13214300
Jakubiak K, Liang J, Cipcigan L, Li C, Wu J. Simplified Modelling Techniques for Dynamic Wireless Power Transfer. Electronics. 2024; 13(21):4300. https://doi.org/10.3390/electronics13214300
Chicago/Turabian StyleJakubiak, Krzysztof, Jun Liang, Liana Cipcigan, Chuanyue Li, and Jingzhe Wu. 2024. "Simplified Modelling Techniques for Dynamic Wireless Power Transfer" Electronics 13, no. 21: 4300. https://doi.org/10.3390/electronics13214300
APA StyleJakubiak, K., Liang, J., Cipcigan, L., Li, C., & Wu, J. (2024). Simplified Modelling Techniques for Dynamic Wireless Power Transfer. Electronics, 13(21), 4300. https://doi.org/10.3390/electronics13214300

