Abstract
To achieve the broadband applicability of standard voltage transformers in “dual high” power systems, an equivalent circuit model of the standard voltage transformer is first established. Using the complex magnetic permeability method and utilizing existing core parameters, the excitation impedance values are obtained. Next, based on the equivalent circuit model, the no-load error function of the standard voltage transformer is analyzed, and through simulation, the no-load error response curve of the standard voltage transformer in the frequency range of 20 Hz to 3000 Hz is derived. The simulation results indicate that within the 20 Hz to 700 Hz range, both the no-load ratio error and the no-load angular error meet the accuracy requirements, with the ratio error within ±0.05% and the angular error within 2′. Additionally, the derivation of the error transfer function demonstrates the correlation between the no-load error values and the number of turns and cross-sectional area of the standard voltage transformer. Simulation results, obtained by increasing and decreasing the number of turns and cross-sectional area by 10%, provide valuable insights for the error compensation and structural design of standard voltage transformers.
1. Introduction
With the rapid development of the global economy and industry, energy demand continues to rise, and large-scale renewable energy is being integrated into power grids via power electronic devices. It is projected that by 2050, renewable energy will account for 55% of global electricity generation [1], while in China, this figure is expected to exceed 85% [2]. Meanwhile, the application of flexible AC/DC transmission technology and the re-electrification of the load side are driving the widespread use of power electronic devices in power transmission and on the user end. In summary, the rapid development of renewable energy sources such as wind and solar, along with the transformation of core equipment in the source–grid–load chain toward “power electronics,” is pushing the power system toward a trend of “high renewable energy penetration” and “high power electronics penetration” (referred to as the “dual high” trend) [3].
In the “dual high” power system, the key characteristics of the grid have undergone significant changes, exhibiting multimodal and time-varying features. Besides the power frequency signal, the voltage in the power system also includes transient signals in the low to medium and medium to high frequency ranges, as well as high-frequency transient signals. These signals can arise from various factors such as ferromagnetic resonance and load switching, which generate low to medium frequency signals, while medium to high frequency and high-frequency transients can be caused by events like line reclosing, short-circuit faults, lightning strikes, and gas-insulated substation faults. Additionally, renewable energy units or converters can induce electromagnetic resonance across a wide frequency range, from 0 Hz to several hundred Hz. The traditional standard voltage transformer, which is limited to measuring power frequency voltage signals, is unable to meet the real-time voltage sensing requirements across such a wide range of frequencies and bandwidths [4,5,6,7].
A voltage transformer, in principle, is a type of transformer used to transmit corresponding voltage signals to measurement instruments. In the power market, its primary application is in energy metering, where its accuracy directly affects the fairness and equity of energy transactions. The standard voltage transformer, on the other hand, is used for the calibration and analysis of measured transformers to ensure that errors are controlled within the specified accuracy range [8,9,10].
The standard voltage transformer is one of the most widely used voltage transformers, designed based on the law of electromagnetic induction. Error is a key metric for evaluating its performance, with sources of error related to the excitation characteristics of ferromagnetic materials and the structure of the device. During the repeated magnetization process of ferromagnetic materials under alternating magnetic fields, magnetic domains continuously rotate and interact, leading to hysteresis loss. This hysteresis loss represents the instantaneous power required for the core to establish alternating magnetic flux and overcome domain rotation, which is frequency dependent. When the frequency changes, the variation in hysteresis loss inevitably affects the hysteresis loop, thus altering the excitation characteristics of the core [11,12,13].
Currently, research on standard voltage transformers primarily focuses on the traceability of the devices and error accuracy across different voltage levels. However, studies on the performance of standard voltage transformers under wide frequency ranges remain limited, and there is still a need to enhance and refine experimental testing and calibration within the 20 Hz to 3000 Hz frequency range.
Papers [14,15,16] analyze the high- and low-voltage test circuits and transfer functions of standard voltage transformers, simulate their performance across different voltage levels, and conduct comparative validations of the results. However, these studies do not address the frequency characteristics of standard voltage transformers.
The paper [17,18] presents the equivalent circuit model of the standard voltage transformer, analyzes its excitation impedance, and introduces calculation and measurement methods for the primary and secondary sides, including the resistances and inductances. The no-load error curves at 20 Hz and 50 Hz are obtained through simulation, providing support for the use of standard voltage transformers in low-frequency flexible AC transmission systems. However, further research is still needed to evaluate the applicability of standard voltage transformers across a wider frequency range.
Therefore, research on the broadband characteristics of standard voltage transformers within the 20 Hz to 3000 Hz range has become indispensable.
This paper will use a 10 kV standard voltage transformer as a model, to measure its circuit parameters and analyze the theoretical and actual errors of the transformer in the 20 Hz to 3 kHz range. The corresponding error frequency characteristics will be derived, providing theoretical support for the application of standard voltage transformers in broadband scenarios.
2. Development of an Error Model for Standard Voltage Transformers
In the absence of core magnetic saturation, the main flux and leakage flux in a standard voltage transformer vary sinusoidally with time at the frequency of the source voltage. According to Faraday’s law of electromagnetic induction, the instantaneous value of the induced electromotive force in the winding due to the main flux is:
The effective value of the induced electromotive force is related to the peak value of the main flux by:
Under the assumption that leakage flux and winding resistance drops are negligible, it is considered that and , where represents the effective value of the supply voltage. Given that the mutual transformer structural parameters (,) remain constant, is inversely proportional to the frequency when is constant. Therefore, as the frequency decreases, the core magnetic flux density increases. The rated working magnetic flux density of the core in standard voltage transformers is often greater than 1.0 T, and it may reach saturation as the frequency decreases. To maintain a constant core magnetic flux density, it is necessary to increase the core cross-sectional area or the number of winding turns when the frequency decreases.
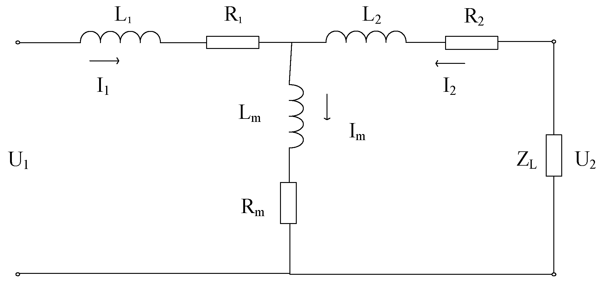
The most commonly used structure for electromagnetic standard voltage transformers is the SF6 gas-insulated type. The core is assembled from laminated silicon steel sheets, followed by winding the secondary and primary windings in sequence. A high-voltage shielding cover is then added, and the high-voltage lead is routed through a post insulator. The primary winding adopts a tower-shaped, single-stage trapezoidal structure. The equivalent circuit model of the standard voltage transformer is shown in Figure 1.
Figure 1.
Equivalent circuit model of standard voltage transformer.
In Figure 1, and are the primary winding leakage inductance and DC resistance, and are the excitation inductance and excitation resistance, and are the secondary winding leakage inductance and DC resistance (converted to the primary side), is the standard voltage transformer load (converted to the primary side), is the primary voltage, and is the secondary voltage (converted to the primary side).
For the standard voltage transformer that has been designed, , , , are constant, includes resistance and inductance, the value of which is only related to the size of the load, and none of the above parameters are affected by frequency. While corresponds to the equivalent resistance of the iron core loss, is a parameter that characterizes the magnetization performance of the iron core, which is affected by the excitation characteristics of the ferromagnetic material; and are not constant but vary with the degree of iron core saturation. For obtaining the wide-frequency equivalent circuit element parameters of the standard voltage transformer, the acquisition of the wide-frequency parameters of the excitation impedance is particularly important [19,20].
3. Frequency Characteristics of Complex Permeability of Ferromagnetic Materials
When analyzing the harmonic characteristics of electromagnetic transformers, the influence of the distribution capacitance is often considered, while ignoring the variation in the excitation impedance with frequency. For the high precision standard voltage transformer with wide frequency, it is necessary to consider the frequency characteristics of the excitation impedance [21,22,23]. The nonlinearity of the excitation impedance is mainly affected by the excitation characteristics of ferromagnetic materials, including two parameters: one is the permeability, representing the ability of ferromagnetic materials to conduct magnetic flux, often used to express the real permeability , which is defined as the magnetic flux density to the ratio of the magnetic field strength , usually extracted from the DC magnetization curve; the other is the core loss angle, representing the AC excitation, due to the influence of ferromagnetic loss; the magnetic induction strength lags behind the magnetic field strength by a phase angle, denoted by . Considering that there is an angular difference between and under AC excitation, and can be expressed by Equations (3) and (4).
is the magnitude of the magnetic field strength; is the magnitude of the magnetic flux density.
The complex permeability of a ferromagnetic material in one cycle can be expressed as:
The real and imaginary parts of the complex permeability are, respectively:
The core loss angle tangent is:
The current electromagnetic transformer core is a laminated structure, whose thickness is much less than the width and length, so only the one-dimensional flow of current is considered [24,25,26]; represents the magnetic field intensity applied in the z-direction, which leads to the following equation:
where is the propagation constant, calculated as:
is the thickness of the silicon steel sheet; is the excitation signal angular frequency; is the core conductivity; is the vacuum permeability; H/m; and is the relative permeability.
Then, the magnetic field strength at the surface of the core is calculated as:
where denotes the magnetic field strength at the surface of the core; the width of the stack is ; and denotes the magnetic flux through a cross-sectional area of . Therefore, the space-averaged magnetic flux density in the z-direction is related to the magnetic flux through the cross-sectional area; i.e.,
is the core stacking factor, . The complex permeability of the core stack is the ratio of the spatially averaged magnetic flux density to the surface magnetic field strength ; i.e.,
is the initial magnetic permeability, where is the thickness of the insulation layer. Where the model relative permeability is close to the initial permeability of the core, is defined as the relative permeability at zero magnetic field strength; i.e.,
According to the simulation model, the relative complex permeability of the silicon steel sheet’s real part , imaginary part , amplitude and the core loss angle by the frequency influence curve, and hysteresis loop measurement of the curve is compared with the curve shown in Figure 2; the simulation model used in the specific parameters is shown in Table 1.
Figure 2.
Frequency response curves for 4 parameters. (a) frequency response curve; (b) frequency response curve; (c) frequency response curve; (d) frequency response curve.
Table 1.
Iron core parameters.
Four situations are analyzed in detail as follows:
- (a)
- frequency response curve;
- (b)
- frequency response curve;
- (c)
- frequency response curve;
- (d)
- frequency response curve.
From the simulation results in Figure 2, the relative complex permeability real part , imaginary part , magnitude , and core loss angle are basically the same as the curve model derived from the hysteresis loop measurements, which verifies the feasibility of calculating the complex permeability of the iron core through the structural parameters, and provides the corresponding parameter support for the subsequent simulation model of the transformer error.
4. No-Load Error Frequency Characterization of Standard Voltage Transformers
The errors in standard voltage transformers include ratio errors and phase errors. The ratio error refers to the discrepancy caused by the difference between the actual transformation ratio and the rated transformation ratio during measurement. Angular difference is between the primary and secondary voltage phases [27,28].
According to the standard voltage transformer equivalent circuit diagram shown in Figure 1, the difference between its secondary voltage and primary voltage can be written as:
Then, the error of the standard voltage transformer is:
According to the definition of transformer error, the equations for the no-load ratio error and angular error are, respectively:
The standard voltage transformer is an electromagnetic voltage ratio standard, typically operated with no load or nearly zero load on the secondary side. Therefore, this paper focuses on discussing the no-load error characteristics of the standard voltage transformer.
In this paper we consider a 10 kV standard voltage transformer as the specimen, with a rated voltage of 10/0.1 kV. The iron core material is a silicon steel sheet B30P105, with a cross-sectional area of S = 50 cm2, an average magnetic path length of 78 cm, and a turns ratio of 9000/90. Firstly, the leakage inductance and DC resistance of the primary winding of the transformer are calculated based on the structural parameters.
When a direct current (DC) flows through the coil, the resulting losses can be considered as DC losses. The corresponding DC resistance is determined by the material and geometric structure of the coil [29,30], and can be calculated using Equation (20).
In the equation, represents the DC resistance of the coil, denotes the resistivity of the conductor, is the length of the primary winding conductor, and represents the cross-sectional area of the conductor.
In practical design, the leakage inductance of the primary winding of a transformer can be estimated using an analytical method, with the calculation equation given by Equation (21):
In the equation, represents the number of turns in the primary winding, denotes the average turn length of the winding, is the height of the winding, , , and represent the insulation thickness between the primary and secondary windings, the thickness of the primary winding, and the thickness of the secondary winding, respectively.
The error equations for the standard voltage transformer are given by Equations (18) and (19). Therefore, by obtaining the parameters of the excitation impedance, we can calculate the ratio error and angular angle error of the standard voltage transformer.
In the calculation of transformer parameters, the value of excitation impedance is related to the real and imaginary parts of the complex magnetic permeability, as shown in Equations (22) and (23).
After calculation, the values of excitation impedance at frequencies ranging from 20 Hz to 3000 Hz are obtained, and the frequency response curve of the excitation impedance is plotted as shown in Figure 3.
Figure 3.
Excitation impedance frequency response curves. (a) frequency response curve; (b) frequency response curve.
As the frequency increases, the eddy current effect enhances, resulting in a decrease in the excitation inductance in the transformer coil. Additionally, at wide frequency ranges, the rate of decrease in the imaginary part of the complex magnetic permeability exceeds the rate of increase in frequency. Consequently, the excitation impedance decreases with the increase in frequency.
According to , , , and , the corresponding equation, brought to Equations (18) and (19), can be calculated in the standard voltage transformer in the 20 Hz to 3000 Hz range, under the ratio of the angle difference; the simulation calculation results are shown in Table 2.
Table 2.
Calculated values of ratio difference and angle difference at 20 Hz to 3000 Hz.
Based on the simulation values, the frequency response curves of the standard voltage transformer ratio difference and angular difference at 20–3000 Hz can be plotted, as shown in Figure 4.
Figure 4.
Error response curve of standard voltage transformer at 20 Hz to 3000 Hz. (a) Ratio difference frequency response curve; (b) angular difference frequency response curve.
According to the national standards, for the 10 kV electromagnetic standard voltage transformer studied in this paper, during normal operation, the ratio difference should be within ±0.05%, and the angular difference should be within 2′.
Based on the analysis of Figure 4, it is evident that when the frequency of the standard voltage transformer is between 20 Hz and 700 Hz, the ratio error remains within ±0.05%, and the angular error is within 2 min, indicating accurate measurement results. At 700 Hz, the ratio error is −0.042%, and the angular error is −1.997′. However, when the frequency exceeds 700 Hz, the ratio and angular errors no longer meet the required accuracy, demonstrating that the standard voltage transformer cannot provide accurate measurements for high-frequency voltages. Additionally, according to the error calculation equation, the design of the standard voltage transformer can be optimized by compensating the number of turns or altering the cross-sectional area to obtain a more favorable error curve.
5. The Impact of Altering Core Parameters on the Frequency Characteristics of No-Load Error
In actual operating conditions, variations in parameters may occur due to differences in manufacturing methods, winding processes, and materials used for standard voltage transformers. Analysis of Equations (18)–(23) reveals that the number of turns and cross-sectional area of the standard voltage transformer can affect the no-load error. To investigate the impact of changing these parameters on the ratio error and angular error, simulations were conducted. The simulation results are presented in Figure 5.
Figure 5.
Frequency response curve of the error corresponding to changing N1 and S. (a) Effect of changing N1 on ratio difference; (b) effect of changing N1 on angular difference; (c) effect of changing the S on ratio difference; (d) effect of changing the S on angular difference.
Based on the simulation results shown in Figure 5, it is observed that reducing the number of turns in the primary winding (N1) decreases both the no-load ratio difference and angular error of the standard voltage transformer within the 20 Hz to 3000 Hz frequency range, with the changes being particularly significant. Increasing the core cross-sectional area (S) also reduces the no-load ratio difference over the same frequency range, while the angular error exhibits minimal variation. However, a reduction in angular error becomes noticeable when the frequency exceeds 1000 Hz. Therefore, in the design of standard voltage transformers, appropriately reducing the number of turns in the primary winding or increasing the core cross-sectional area can enhance the transformer’s performance across a wide frequency range.
6. Conclusions
- The complex permeability can characterize the magnetization of silicon steel sheets in a varying magnetic field. Based on the corresponding equations, the frequency response curves of the real and imaginary parts of the complex permeability, as well as the core loss angle, were plotted. These results are consistent with conclusions drawn from hysteresis loop measurements, providing the necessary parameter support for further research into the frequency characteristics of the excitation impedance of standard voltage transformers.
- The no-load error of a standard voltage transformer is related to the primary leakage reactance and excitation impedance. The primary leakage reactance can be determined based on the structural parameters of the transformer, while the excitation impedance is associated with the complex permeability. By calculating the excitation impedance using the relevant equations and simulating the frequency response curve of the excitation impedance, the process of obtaining the no-load error values for the transformer within the 20–3000 Hz frequency range is facilitated.
- The no-load error of a standard voltage transformer can be divided into ratio error and angular error. Calculation results show that within the frequency range of 20 Hz to 700 Hz, the influence of the ratio error is less than 0.05%, and the influence of the angular error is less than 2′. Based on the error limit values for voltage transformers used in measurement, it can be concluded that by fully considering the effects of core magnetic flux density and frequency during design, the no-load error of standard voltage transformers can meet the requirements of 0.05 class or lower error limits within the 20 Hz to 700 Hz range, but when the frequency exceeds 700 Hz, the error accuracy will not meet the requirements, so in order to realize a standard voltage transformer which can meet the error limit at a wide range of frequencies, further experiments and simulations are required.
- The derivation of the error equation shows the correlation between the no-load error value of the standard voltage transformer and the number of turns of the iron core, as well as the cross-sectional area, and the simulation results show that reducing the number of turns of the primary winding or increasing the cross-sectional area of the iron core will reduce the error value; this conclusion provides a corresponding support for the design of the standard voltage transformer under broadband frequencies, and provides a certain reference for the manufacturers in the design of standard voltage transformers for civilian use; and, at the same time, the influence of the error factors are discussed, and the proposed number of turns and cross-sectional area for the study of other types of voltage transformer errors provide a corresponding value.
Author Contributions
Conceptualization, L.W. and Z.L.; methodology, L.W. and Z.L.; software, L.W. and H.L.; validation, L.W. and H.L.; investigation, L.W. and F.Z.; writing—original draft preparation, L.W.; writing—review and editing, L.W. and F.Z.; project administration, Y.D.; funding acquisition, Y.D. All authors have read and agreed to the published version of the manuscript.
Funding
This work was supported in part by the National Key R&D Program of China (2022YFB2403800) Key Technologies of Multi-Parameter Wide-Area Sensing and Measurement for Massive Electricity Users, and in part by the National Natural Science Foundation of China (52277012).
Data Availability Statement
Data are contained within the article.
Acknowledgments
The authors would like to thank all reviewers for their helpful comments and suggestions regarding this paper.
Conflicts of Interest
Author Heping Lu, Feng Zhou and Yinglong Diao were employed by the company China Electric Power Research Institute. The remaining authors declare that the research was conducted in the absence of any commercial or financial relationships that could be construed as a potential conflict of interest.
References
- Peng, Y.; Feng, L.; Qirong, J.; Hangyin, M. Large-disturbance stability of power systems with high penetration of renewables and inverters: Phenomena, challenges, and perspectives. J. Tsinghua Univ. (Sci. Technol.) 2021, 61, 403–414. [Google Scholar]
- Hu, J.; Yuan, X.; Cheng, S. Multi-time scale transients in power-electricized power systems considering multi-time scale switching control schemes of power electronics apparatus. Proc. CSEE 2019, 39, 5457–5467. [Google Scholar]
- Yuan, X.; Cheng, S.; Hu, J. Multi-time scale voltage and power angle dynamics in power electronics dominated large power systems. Proc. CSEE 2016, 36, 5145–5154. [Google Scholar]
- Xie, X.; He, J.; Mao, H.; Li, H. New issues and classification of power system stability with high shares of renewables and power electronics. Proc. CSEE 2021, 41, 461–475. [Google Scholar]
- Ding, J. Research on Broadband Measurement Performance of Power Transformer. Master’s Thesis, China Electric Power Research Institute, Beijing, China, 2020. [Google Scholar]
- Yao, M.; Liao, S.; Lin, F.; Long, Z.; Liu, R.; Liu, Y. Overview of broadband measurement characteristics of voltage sensing devices. In Proceedings of the 2024 IEEE 7th International Electrical and Energy Conference (CIEEC), Harbin, China, 10–12 May 2024; pp. 3238–3245. [Google Scholar]
- Zhang, Z.; Lu, H.; Li, B.; Ding, L. Research on data-driven self-diagnosis for measurement errors in capacitor voltage Transformers. IEEE Trans. Instrum. Meas. 2024, 73, 3524712. [Google Scholar] [CrossRef]
- Frljić, S.; Trkulja, B.; Drandić, A. Eddy current losses in power voltage transformer open-type cores. COMPEL-Int. J. Comput. Math. Electr. Electron. Eng. 2023, 42, 1039–1051. [Google Scholar] [CrossRef]
- Akhmeev, A.; Voronskaya, E. Measuring installation for the research of errors of measuring current transformers in the extended frequency range 40–2500 Hz. Meas. Tech. 2023, 66, 119–123. [Google Scholar] [CrossRef]
- Zhou, G.; Chen, X.; Zheng, H.; Yin, J.; Peng, C. Wide-frequency range voltage monitoring device for current transformer. J. Phys. Conf. Ser. 2023, 2450, 012004. [Google Scholar] [CrossRef]
- Van Niekerk, D.; Schoombie, B.; Bokoro, P. Design of an experimental approach for characterization and performance analysis of high-frequency transformer core materials. Energies 2023, 16, 3950. [Google Scholar] [CrossRef]
- Stano, E.; Wiak, S. The accuracy of evaluation of the requirements of the standards IEC 61000-3-2 (12) with the application of the wideband current transducer. Sensors 2024, 24, 3693. [Google Scholar] [CrossRef] [PubMed]
- Wu, B.; Zhou, H.; Lu, L. Research on error calibration technology of broadband voltage transformer. Transformer 2023, 60, 28–34. [Google Scholar]
- Li, Z.; Lan, F.; Zhong, Y. Measurement-protection-integrated current sensor based on double-bobbin co-winding Technology. High Volt. Technol. 2022, 48, 4427–4436. [Google Scholar]
- Liu, G.; Qin, Y.; Jang, C. Research on value traceability method of 500 kv standard voltage transformer. Shandong Electr. Power 2021, 48, 39–43. [Google Scholar]
- Ge, Z.; Li, P.; Ren, D. Research on the traceability method of 1000 kV standard voltage transformers. Ind. Meas. 2021, 31, 8–11+14. [Google Scholar]
- Yu, L.; Kai, L.; Jian, L.; Yi, C.; Chun, J. Analysis on measurement error of electromagnetic voltage transformer in frequency domain. Electr. Meas. Instrum. 2016, 53, 50–56. [Google Scholar]
- Li, R.; Li, H.; Bi, J.; Yi, J.; Chen, J.; Jin, Y. Analysis of error characteristics of standard voltage transformers under low frequency conditions. High Volt. Technol. 2023, 49, 3719–3729. [Google Scholar]
- Lei, M.; Jiang, C.; Li, D. Review of high voltage ratio standard devices technology. High Volt. Eng. 2021, 47, 1893–1904. [Google Scholar]
- Wen, X.; Hu, G.; Yang, M. Wideband voltage measurement method of instrument transformer using edge computing. High Volt. Eng. 2022, 48, 1644–1652. [Google Scholar]
- Nasiri-Zarandi, R.; Mirsalim, M. Finite-element analysis of an axial flux hysteresis motor based on a complex permeability concept considering the saturation of the hysteresis loop. IEEE Trans. Ind. Appl. 2015, 52, 1390–1397. [Google Scholar]
- Ma, S.; Geng, H.; Liu, L.; Yang, G.; Pal, B.C. Grid-synchronization stability improvement of large scale wind farm during severe grid fault. IEEE Trans. Power Syst. 2017, 33, 216–226. [Google Scholar] [CrossRef]
- Mitchell, S.D.; Welsh, J.S. The influence of complex permeability on the broadband frequency response of a power transformer. IEEE Trans. Power Deliv. 2009, 25, 803–813. [Google Scholar] [CrossRef]
- Ren, Z.; Li, H.; Chen, X.; Yu, W.; Chen, R. Impedance modeling of self-inductive displacement sensor considering iron core reluctance and flux leakage. IEEE Sens. J. 2022, 22, 8583–8595. [Google Scholar] [CrossRef]
- Kharezy, M.; Eslamian, M.; Thiringer, T. Estimation of the winding losses of medium frequency transformers with litz wire using an equivalent permeability and conductivity method. In Proceedings of the 2020 22nd European Conference on Power Electronics and Applications (EPE’20 ECCE Europe), Lyon, France, 7–11 September 2020; pp. P.1–P.7. [Google Scholar]
- Zhang, C.; Han, Q. Frequency-depended modeling for the core of power transformer based on complex permeability considering interlaminar effects. High Volt. Technol. 2019, 45, 2292–2298. [Google Scholar]
- Lin, Z. High Voltage Instrument Transformers Technical Manual; China Electric Power Press: Beijing, China, 2005. [Google Scholar]
- Zhou, F. Research on Key Technologies of Harmonic Voltage Ratio Standard. Ph.D. Thesis, Huazhong University of Science and Technology, Wuhan, China, 2019. [Google Scholar]
- Zhou, F.; Yin, X.; Jiang, C. Method to determine the errors voltage coefficient of standard voltage instrument transformer with high accuracy. Proc. CSEE 2019, 39, 7421–74828. [Google Scholar]
- Kui, L.; Chenyu, X.; Feng, N.; Zijian, X.; Chaoran, W.; Yi, W. Modeling of residual current transformer considering nonlinear characteristics and design of output conditioning circuit parameters. Proc. CSEE 2022, 42, 3815–3826. [Google Scholar]
Disclaimer/Publisher’s Note: The statements, opinions and data contained in all publications are solely those of the individual author(s) and contributor(s) and not of MDPI and/or the editor(s). MDPI and/or the editor(s) disclaim responsibility for any injury to people or property resulting from any ideas, methods, instructions or products referred to in the content. |
© 2024 by the authors. Licensee MDPI, Basel, Switzerland. This article is an open access article distributed under the terms and conditions of the Creative Commons Attribution (CC BY) license (https://creativecommons.org/licenses/by/4.0/).




