Next Article in Journal
Set Restabilization of Perturbed Boolean Control Networks
Next Article in Special Issue
Hybridization of Learning Techniques and Quantum Mechanism for IIoT Security: Applications, Challenges, and Prospects
Previous Article in Journal
Crowd Panic Behavior Simulation Using Multi-Agent Modeling
 
 
Font Type:
Arial Georgia Verdana
Font Size:
Aa Aa Aa
Line Spacing:
Column Width:
Background:
Review

A Review of Current Differencing Buffered Amplifiers: Performance Metrics and Technological Advances

by
Shekhar Suman Borah
* and
Prabha Sundaravadivel
*
Department of Electrical and Computer Engineering, The University of Texas at Tyler, Tyler, TX 75799, USA
*
Authors to whom correspondence should be addressed.
Electronics 2024, 13(18), 3623; https://doi.org/10.3390/electronics13183623
Submission received: 31 July 2024 / Revised: 4 September 2024 / Accepted: 9 September 2024 / Published: 12 September 2024
(This article belongs to the Special Issue Feature Review Papers in Electronics)

Abstract

Current Differencing Buffered Amplifiers (CDBAs) are a critical class of analog circuit components capable of handling both current and voltage signals with minimal power consumption. Due to their low impedance voltage output, they play a significant role in modern electronics for developing high-performance, high-precision analog and mixed-signal circuits. But, designing and characterizing CDBAs pose several challenges, such as ensuring stability at high frequencies, minimizing noise impact for high-precision applications, and enhancing adaptability. Integrating CDBAs with other analog components to create multifunctional integrated circuits opens many opportunities in the analog signal-processing domain. This paper reviews the evolution and applications of CDBAs in analog signal processing. Various implementation schemes, including those using commercial Current Feedback Amplifiers (CFAs) and novel CMOS configurations, are analyzed for their performance metrics such as supply voltage, power dissipation, input/output impedances, and technology node. Future trends and challenges in advancing CDBA technology towards higher integration and lower-voltage operation are discussed, highlighting potential applications in next-generation electronics.

1. Introduction

The demand for low-power and compact electronic circuits has driven the development of simple, cost-effective microelectronic technologies with fewer components. Simultaneously, there is a need for circuits capable of processing signals rapidly and accurately across a wide range of frequencies. Traditional circuits, such as those found in everyday electronics, have limitations due to their reliance on voltage to represent signals. To overcome these limitations, engineers have been working on simpler circuits that require less power and can handle signals more efficiently by utilizing current flow instead of voltage. These new circuits are akin to the improved versions of conventional circuits, better equipped to handle various signal types while consuming less power [1].
One example of these new circuits is the AD844, a specialized circuit designed for low-power operation and improved signal handling accuracy, particularly at lower frequencies. Engineers have been refining these types of circuits to enhance their ability to process different signal types while reducing power consumption [2,3]. Prior to 1990, engineers began exploring simpler circuits that could operate on current instead of voltage. In 1995, a breakthrough occurred with the development of the third-generation current conveyor, followed by the introduction of the current differencing buffer amplifier (CDBA) in 1999 [4]. The CDBA is a highly versatile circuit capable of handling both current and voltage signals, making it well suited for a wide range of frequencies.
The CDBA is particularly advantageous due to its reduced component count compared to older circuits, making it easier and more cost-effective to implement in applications such as filters and other signal-processing circuits. Researchers have also developed techniques to optimize the CDBA for specific tasks, such as controlling its current consumption, thereby enhancing its efficiency and versatility. These advancements have provided engineers with improved tools for building circuits that can process various signals more efficiently while consuming less power overall [5]. As technology continues to evolve, further innovations in this area can be expected.
Various types of CDBAs have been explored by researchers for different applications in ASP circuits. These include designs using commercially available Current Feedback Amplifiers (CFAs), which are advantageous for continuous-time filters [6]. The performance of a current differencing buffer amplifier, described in [7], which utilizes two CCII and a voltage buffer, is evidently influenced by the effectiveness of the CCII and voltage buffer components. A CDBA designed for low voltage operation was introduced in [8], wherein a combination of a current subtractor (current differencing circuit) and a voltage follower constitutes its fundamental structure. Class AB CDBAs aim to balance current amplitude limitations and power consumption, while designs using NMOS or NPN transistors are explored for potential advantages like reduced terminal resistance and improved frequency response [9]. Each type of CDBA has its own advantages, making them suitable for different applications based on factors like power requirements, operating voltage, frequency response, and linearity. CDBAs stand as versatile active building blocks extensively employed in ASP circuits. They have been instrumental in realizing various types of filters such as biquadratic filters, multifunction filters [10,11,12,13,14], and memristive devices, enabling the creation of both voltage-mode and current-mode filters with features like electronic tunability, low component count, high impedance outputs, and low power consumption [15,16,17,18,19]. Also, CDBAs find application in designing oscillator circuits like quadrature oscillators, voltage-controlled oscillators, and multi-phase oscillators owing to their ability to provide multiple high-impedance output terminals for generating quadrature signals efficiently [20,21,22,23,24]. Their versatility, operating in both voltage and current modes, providing high impedance outputs, and offering electronic tunability, makes them a popular choice for compact and low-power analog circuit design. Also, in biomedical signal processing, CDBAs play a vital role in amplifying and filtering bioelectric signals. They also find significance in active filtering and signal conditioning functions within ASP circuits. CDBAs have been integrated into switched-capacitor circuits for implementing various ASP functions [25,26,27].
Figure 1 demonstrates the various real-world applications of CDBA. CDBAs streamline circuit design and boost performance, making them well suited for the CM and VM filters used in communication systems. They are essential in industrial control for precise PID regulation and provide high accuracy and low noise in instrumentation amplifiers. Also, CDBAs are important in oscillator circuits, active analog filters, and precision rectifiers, facilitating advanced technologies and efficient operation in portable devices. These applications underscore the significant role and versatility of CDBAs in contemporary electronics. In control systems, CDBAs are increasingly utilized in the design of Proportional–Integral–Derivative–Acceleration (PIDA) controllers to handle complex, high-order systems that traditional PID controllers struggle with [28]. The versatility of CDBAs in managing both current and voltage signals and their effectiveness in reducing high-frequency noise make them ideal for these applications. Research has demonstrated the various innovative uses of CDBAs: one study explores their combination with memristors for low-power quadrature oscillations, with PSPICE simulations showing the independent control of frequency and oscillation conditions [29]. Another paper presents a meminductor emulator enhanced with a CDBA, showing a broad frequency range and meminductor functionality in chaotic oscillators [30]. Memristor-free meminductor emulators using CDBAs have also been developed, demonstrating pinched hysteresis up to 2 MHz and validated through adaptive learning tests [31]. Studies have introduced positive lossy series inductor circuits with CDBAs, achieving electronically tunable inductance [32], and a precision full-wave rectifier design using an inverted Z-copy CDBA, suited for high-frequency IC applications [33]. Other innovations include a fractional order meminductor emulator with CDBA and OTAs showing pinched hysteresis loops up to 3 MHz [34], and a simple meminductor emulator with a Voltage Differencing Gain Amplifier (VDGA) and CDBA, operating up to 10 MHz [35]. A lossy parallel R-L inductor simulator with a single CDBA has been applied to a quadrature oscillator circuit, supporting frequencies up to 61 MHz [36]. A low-power logarithmic amplifier utilizing a single CDBA, operating at 0.75 V with minimal power consumption, has been validated through PSPICE simulations for its logarithmic behavior and wide input current range. These advancements underscore the growing importance of CDBAs in enhancing the performance and versatility of electronic circuits and control systems [37].

2. Methodology

The review paper is constructed through a comprehensive literature review methodology. This methodology involved an extensive search and critical analysis of academic and scientific publications from reputable sources. The primary databases explored included “IEEE Xplore”, “Scopus”, and “Google Scholar”, complemented by insights from journals like “IEEE Transactions on Circuits and Systems”, “Radioengineering”, and “Microelectronics Journal”. The search strategy incorporated keywords such as “Current Differencing Buffered Amplifiers (CDBAs)”, “current-mode circuits”, “analog signal processing”, “memristor-based circuits”, and “low-voltage low-power designs” to identify pertinent publications.
The review initiated by surveying journal articles, conference papers and technical reports spanning from 1968 to 2023. Through a comprehensive and rigorous screening process that prioritized relevance, innovation, and citation impact, a total of 69 publications were identified and selected for an in-depth evaluation. The methodology emphasized the categorization of publications based on the evolution of CDBA architectures, their performance metrics, and their applications in various analog signal-processing tasks. This categorization allowed for a clear identification of trends and technological advancements, including the shift towards low-power and low-voltage designs and the integration of CDBAs in advanced applications like memristive circuits and high-frequency filters.
This systematic review provides a holistic understanding of the state-of-the-art in CDBA technology, offering insights into performance improvements, emerging applications, and the ongoing development of CDBA-based circuits. The findings from this literature review will serve as a foundation for future research, highlighting potential areas for innovation in analog circuit design and application.

3. Block Diagram: Current Differencing Buffered Amplifier

The circuit symbol for a CDBA and its corresponding equivalent circuit are illustrated in Figure 2a,b, respectively [38]. The current and voltage characteristics of the CDBA are defined by the equation given in Equation (1). Based on the characteristic equation, the terminals p and n serve as the CM input terminals, z is a CM output terminal, and w is a VM output terminal. Ideally, the input impedance at the terminals p and n is zero, while the output impedance at the terminals w and z is zero and infinite, respectively. According to Equation (1), the difference between the input currents (Ip and In) is converted into the output voltage Vw through the impedance connected externally to the z terminal.
V p = V n = 0 ;   I z = I p I n ;   V w = V z

4. Various Methods of Realizing CDBA

4.1. CDBA with Two AD844 CFAs

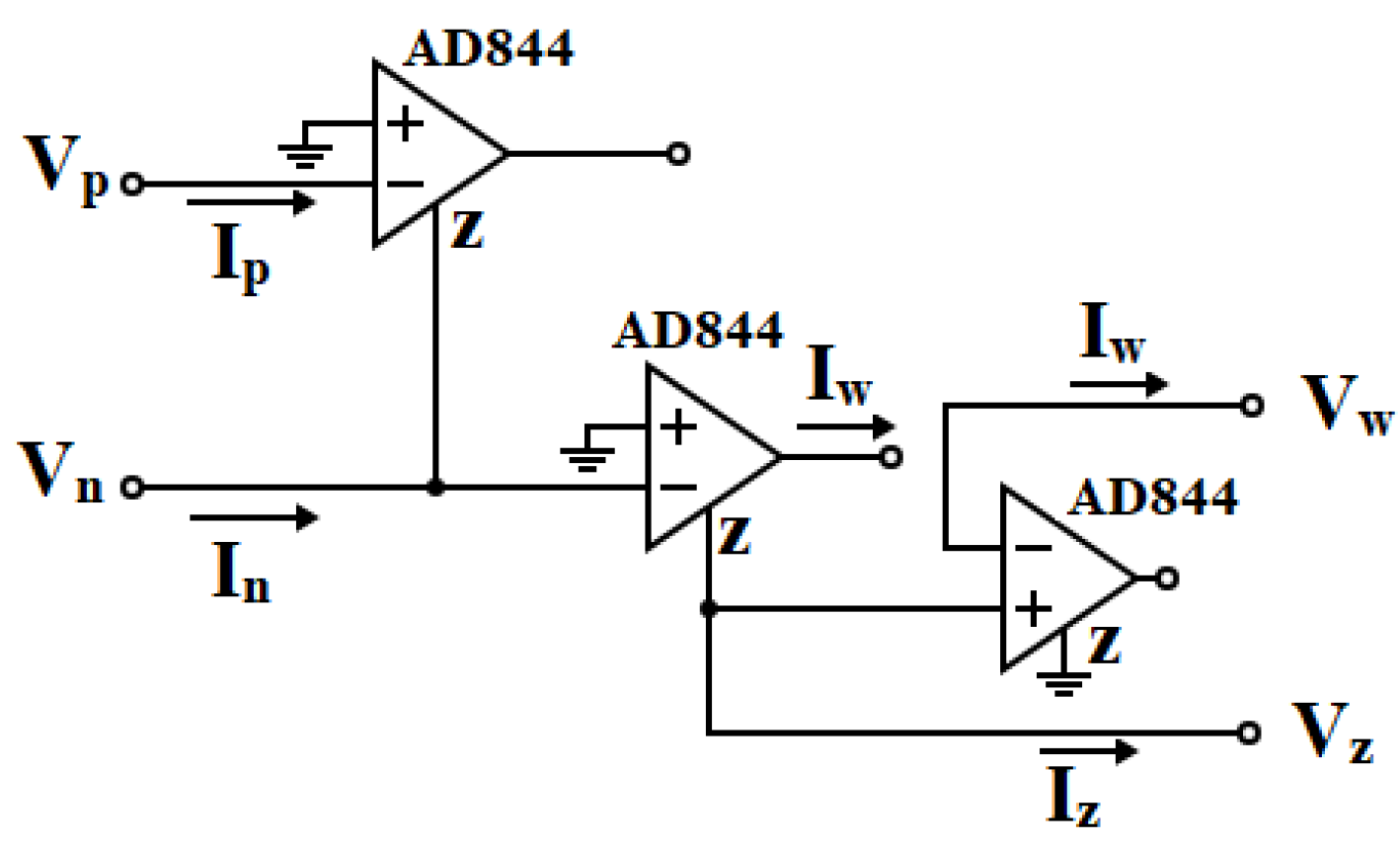
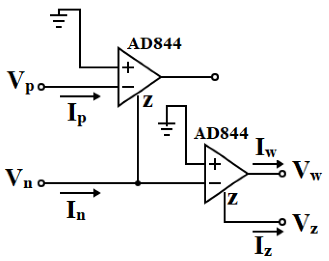
A CDBA is designed using the AD844 CFA that combines high-speed and high-performance ASP capabilities [39]. Configuring the AD844 to function as a CDBA involves connecting the p terminal to the inverting input, the n terminal to the non-inverting input, the z terminal to the output of the current differencing stage, and the w terminal to the output buffer stage. The circuit diagram of this CDBA using commercially available AD844 is depicted in Figure 3. For example, if Ip = 2 mA and In = 1 mA, then Iz = 1 mA. With a load resistor RL of 1 kΩ, the voltage at the z and w terminals would be Vz = Vw = 1 V. This configuration allows for efficient current differencing and voltage buffering, making the CDBA with AD844 ideal for complex signal-processing tasks. Using the AD844 CFA to design a CDBA offers several advantages. The AD844 provides high-speed operation and wide bandwidth, making the CDBA suitable for high-frequency applications. It also ensures low signal distortion, which is crucial for precision ASP. The CDBA’s ability to accurately differ currents at the p and n terminals allows for precise current-mode operations, which can be more efficient than voltage-mode operations in certain applications. Also, effective voltage buffering ensures that the voltage at the z terminal equals the voltage at the w terminal, enabling the CDBA to drive the subsequent stages without signal degradation. The simplicity of configuring the AD844 as a CDBA makes it easy to implement in various analog circuits, and its versatility allows for use in a wide range of applications, including filters, oscillators, and amplifiers. But there are also disadvantages to using the AD844 in a CDBA configuration. The high-speed performance comes with increased power consumption, which may be a drawback for low-power applications. The cost of the AD844 might be higher compared to other operational amplifiers, increasing the overall cost of the circuit. While the basic configuration is straightforward, designing complex circuits with CDBAs may require a careful consideration of the AD844’s characteristics, such as the feedback network design. The maximum current handling capability of the AD844 might limit its use in high-current scenarios, and its high-speed and high-power characteristics can generate significant heat, necessitating proper thermal management. Also, the wide bandwidth of the AD844 can make the CDBA more susceptible to high-frequency noise, requiring additional filtering or shielding in noisy environments.

4.2. CDBA with Three AD844 CFAs

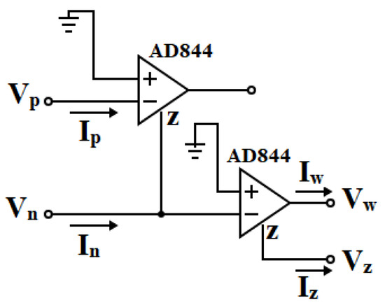
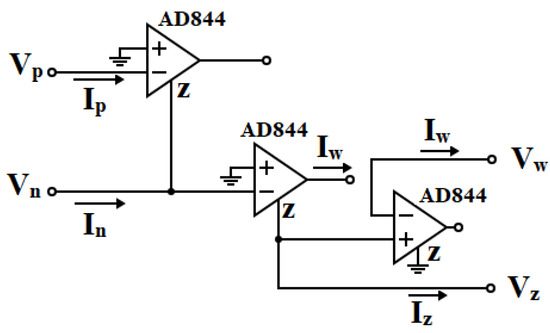
Due to the noisy voltage output at the w terminal in the conventional CDBA implementation with two AD844s, a new approach using three commercially available AD844s has been developed for experimental purposes [40]. This new implementation is depicted in Figure 4. It shows the input voltage relationship of the AD844, which allows the voltage at the z terminal of the second AD844 to be transferred to the p terminal of the third AD844. Since Vp = Vn, the n terminal of the third AD844 can serve as the w-terminal voltage output of the CDBA, effectively eliminating the noise that was present in the w terminals of the two-AD844 implementation. Experimental validation using a three-AD844 configuration underscores the filters’ practical viability, demonstrating good alignment between simulated and real-world results up to 3 MHz despite the challenges posed by internal capacitances at higher frequencies. The three-AD844 design effectively addresses the limitations of the two-AD844 design, primarily by resolving the issue of the noisy w-terminal voltage output associated with the conventional implementation. This design, which utilizes three commercially available AD844s, incorporates additional circuitry and improved component configurations. These enhancements address the limitations of the 2 AD844 design, such as limited bandwidth, higher noise levels, and reduced stability, leading to better performance, greater accuracy, and improved stability in the CDBA implementation. Overall, this reported research contributes significantly to advancing compact, cost-effective, and high-performance filter designs suitable for diverse electronic applications [41].

4.3. CDBA Based on Flipped Voltage Follower (FVF) Circuit

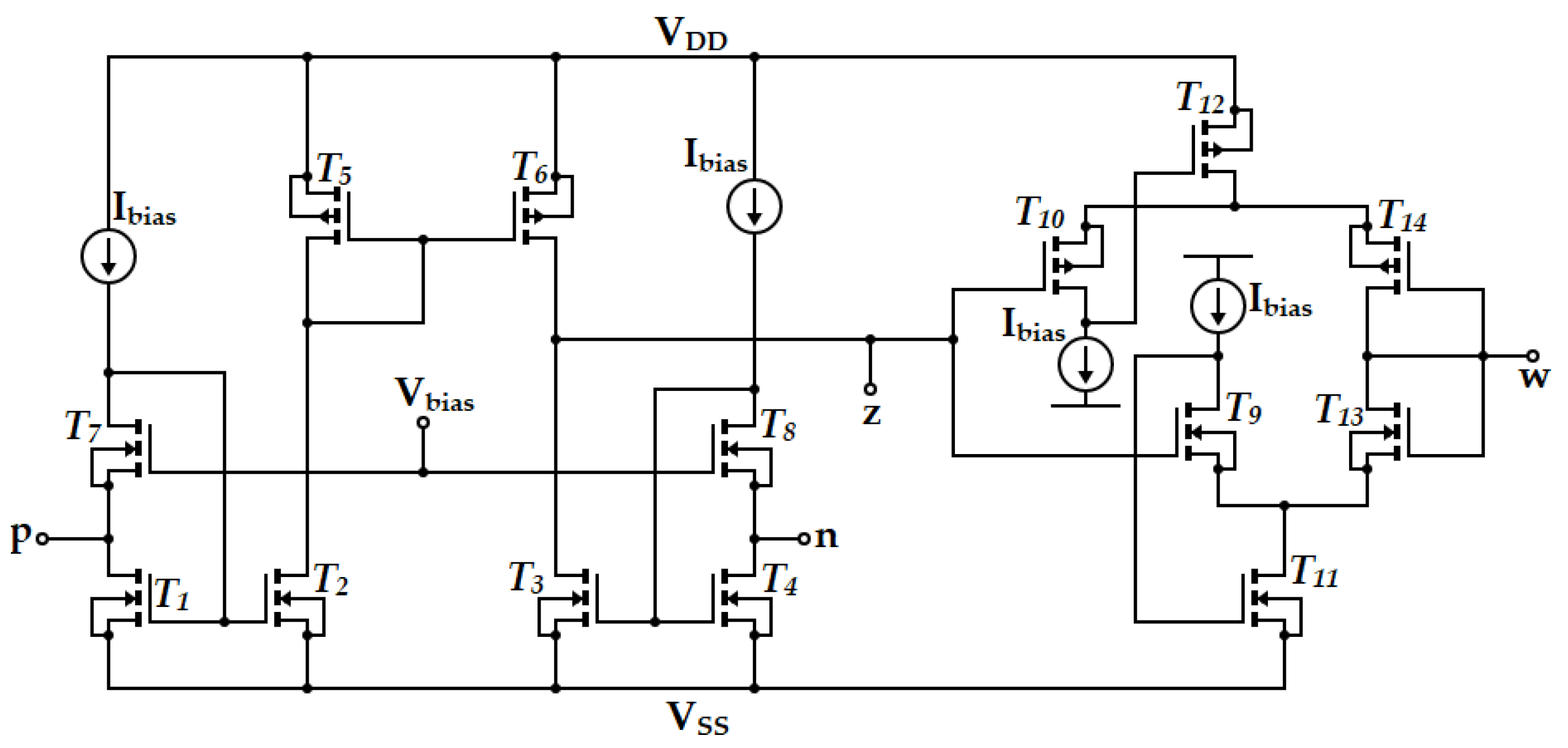
This work [42] presents an innovative CMOS realization of CDBA aimed at achieving high performance under low voltage and low power conditions as shown in Figure 5. The design incorporates the FVF technique to minimize input resistance, ensuring efficient current differencing and buffering. Utilizing the UMC 0.18 µm CMOS process, the CDBA’s performance was verified through HSPICE simulations, demonstrating excellent voltage and current gain accuracy. Despite the standard supply voltage being 1.8 V for the chosen technology, the proposed circuit operates efficiently with ±0.6 V power supplies. Key characteristics include zero impedance at input terminals, ideally infinite impedance at terminal z, and zero impedance at terminal w. This work also showcases the CDBA’s applicability through a second-order all-pass/notch filter configuration, affirming its practical utility in low-power, low-voltage applications. Also, the reported CDBA has a lower power consumption of approximately 565 µW. Table 1 lists the MOS transistor dimensions.

4.4. Low-Voltage NMOS-Based CDBA

A novel integrated circuit technique is presented for achieving a low-voltage CDBA [43] as depicted in Figure 6. This technique modifies a low-input resistance second-generation current conveyor (CCII) to enable operation at a minimum supply voltage of 1.25 V. The aspect ratios of the transistors are listed in Table 2. The signal path exclusively utilizes NMOS transistors, facilitated by a negative current mirror employing NMOS transistors. Moreover, it achieves a 3 dB bandwidth of around 500 MHz. The reported work also showcases applications where the proposed CDBA serves as active components in current-mode ladder filters using leapfrog simulation techniques. The current source IB and transistor T6 are used to bias the terminals p and n at ground potential. Groups of transistors (T1–T5) and (T11–T55) form two unity-gain current amplifiers that produce the currents IB + In and IB + IP at the drains of T5 and T55, respectively. Due to the negative current mirror T7–T10, the drain current of T8 is equal to (IB − Ip). Therefore, the signal current Iz of the terminal z can be expressed as follows:
i z = 2 I B I B i p + I B + i n = i p i n

4.5. Modified CDBA

This paper [44] presents the modified CDBA (MCDBA) depicted in Figure 7, which advances the conventional CDBA by integrating voltage input flexibility via the addition of input Vy. The MOS transistor utilizes the TSMC 0.25 μm model from MOSIS. This circuit enhances the traditional CDBA by incorporating the input Vy to function as a voltage-driven circuit. The primary advantage of this MCDBA lies in its high-frequency response, achieved using a negative current mirror circuit (PMOS current mirror circuit). The low input impedance at p and n results from the negative feedback from the input, a desirable attribute for current input circuits. The relationships between the current and voltage at each node are defined accordingly. This modification significantly enhances the circuit’s versatility, especially for applications that require voltage input. The simulations conducted using PSpice at ±0.8 V supply voltages demonstrate commendable performance. Also, the MCDBA is effectively implemented in a four-quadrant analog multiplier circuit, showcasing its functionality. By combining the characteristics of both CFOA and CDBA, the MCDBA provides improved operational capabilities suitable for a wide range of circuit applications. Table 3 presents the aspect ratios of the MOS transistors.

4.6. A Low Voltage Class AB CDBA

Figure 8 shows the block diagram of class AB CDBA [45]. It features a current differencing circuit composed of two cascaded current mirrors (CM1 and CM2) and a voltage follower (VF). If both the current mirrors have a gain of one, the output current of CM1 will match the input current. The input current to CM2, which is the difference between the two currents (IpIn), will set the output current of CM2. The voltage at the output of CM2 (port z) is then transmitted to port w through the voltage follower. The design incorporates dynamic threshold voltage MOSFETs (DTMOS), enabling the circuit to function efficiently at a supply voltage of 0.7 V. Developed using 0.13 μm CMOS technology, this novel CDBA design offers significant advantages using DTMOS and composite transistor techniques. These innovations contribute to the circuit’s ability to maintain high output impedances at ports p, n, z, and w, measured at 16.89 Ω, 15.99 Ω, 102.4 kΩ, and 15.56 Ω, respectively. This enhances the CDBA’s performance, making it highly efficient for low-voltage applications.

5. Performance Comparison of CDBA Circuits

A comparison in Table 4 examines different CDBA circuits across several key performance parameters. Ref. [42], reveals that it employs flipped voltage follower current sources, making it suitable for low-voltage applications with an operating voltage of ±0.6 V and the lowest power usage at 565.25 µW. Ref. [43] features an NMOS-based design with a higher operating voltage of ±1.25 V and a power consumption of 1.15 mW. Ref. [44] integrates CFOA and CDBA for enhanced performance, operating at ±0.8 V with a power consumption of 1.18 mW. Ref. [45], a Class AB CDBA, operates at ±0.7 V and consumes just 293 µW of power, the second lowest in this comparison, though it is more complex with 40 transistors. Ref. [46] and Ref. [47] both use CMOS CDBA designs based on current differencing circuits and voltage buffers, with operating voltages of ±0.75 V and ±1.2 V, respectively. Ref. [48] is based on CNTFET technology, operating at ±0.6 V and consuming 128.273 µW, offering a modern approach to low-power design. Across the designs, the number of transistors ranges from 18 to 40, with Ref. [45] having the most. The input resistance at the terminals p and n varies significantly, with Ref. [43] showing the lowest resistance (14 Ω), while Ref. [48] exhibits lower terminal-z resistance at 179.1 kΩ compared to the others. Only Ref. [42] provides layout area data, at 167 × 70 µm2. Various CMOS technologies are employed, from UMC 180 nm to TSMC 32 nm CNTFET, highlighting advancements in semiconductor design. Each CDBA is applied in diverse signal-processing applications, from filters ([42,43,46,47]) to analog multipliers [44], reflecting their specialization for different performance requirements.

6. Various Applications of CDBA

CDBAs have proven to be versatile components in ASP and filter design due to their unique characteristics. They are widely used in applications such as CM and VM filters [49], where they simplify design complexity and provide flexibility in achieving various filter responses with fewer components. In multifunction filters, CDBAs enable circuits with the independent tunability of angular frequency and bandwidth. Also, CDBAs facilitate the creation of CM universal filters and inverse filters, offering essential low-pass, high-pass, and all-pass responses with low sensitivity [50,51]. Since CDBAs are not yet available as integrated chips, the circuits proposed in [52] are assembled using readily available CFA units, limiting their high-frequency application. To address this, the authors suggested using OPA-695-matched dual-pack units with a bandwidth of approximately 1.4 GHz to enhance performance and extend the usable frequency range. The versatility of the CDBA allows for the realization of these different filter functions without requiring multiple active components. The center frequencies achieved in the LP and HP filters are around 2.5 MHz, while the BP filter operates at 5.1 MHz. The quality factor (Q) of these filters ranges from 3 to 9, indicating their ability to select narrow frequency bands effectively.
In oscillator circuits, CDBAs enable the creation of precise quadrature sinusoidal oscillators essential for communication systems, supporting advanced modulation schemes [53]. CDBAs are also instrumental in the realization of single-resistance-controlled oscillators (SRCOs). These oscillators benefit from the minimal use of active and passive components, with a focus on grounding as many z terminals as possible through capacitors to mitigate parasitic effects [54]. CDBAs are also highly effective in higher-order quadrature oscillator designs. Recent studies, such as a novel fourth-order configuration, demonstrate the use of CDBAs with grounded or virtually grounded resistors and capacitors, achieving efficient performance with low power consumption (0.917 mW) and minimal supply voltage [55].
Another prominent use is in simulating grounded negative inductors, incorporating a single CDBA to achieve practical implementations validated by PSPICE simulations. Several studies have demonstrated the use of CDBAs as inductance simulators. In [56], circuits with three and four CDBAs and MOS resistors simulate floating lossless inductors with grounded capacitors. Study [57] introduces a voltage-controlled gyrator using two CDBAs and MOS resistors for positive and negative inductors. Research [58] proposes a lossless floating inductor with three CDBAs, four resistors, and a grounded capacitor. This approach maintains the excellent sensitivity properties of passive ladder filters while offering the flexibility and tunability of active circuits. The filters are designed with component values such as capacitance ranging from 29 pF to 600 pF and inductance from 88.6 µH to 108 µH, operating within a frequency range of 1 MHz to 1.5 MHz. While [59] reported single CDBA-based lossy grounded inductors, tunable by a capacitor but not fully utilizing CDBA properties. So, this is particularly useful in integrated circuit design where physical inductors are impractical.
CDBAs are utilized in creating Proportional–Integral–Derivative (PID) controllers, which are commonly used in industrial control systems for accurate process regulation [60]. They are also used in designing instrumentation amplifiers, essential for measurement and sensing applications that require high precision and low noise [61]. Some CDBA designs are optimized for low-voltage operation, making them ideal for battery-powered and portable electronic devices. CDBAs are valuable in real-life applications due to their accuracy and flexibility. They are key components in designing active analog filters, such as low-pass, high-pass, and band-pass filters, which help in precise signal processing and noise reduction. These filters are important for eliminating unwanted frequencies or isolating specific frequency ranges. CDBAs are also crucial in CM analog-to-digital converters, ensuring the accurate digital conversion of analog signals for data acquisition and communication systems. Also, they are used in signal conditioning for industrial and scientific purposes, precision rectifiers for accurate signal rectification, and operational amplifier circuits for high-performance amplification and processing. Their capability to handle CM signals and provide high precision makes CDBAs indispensable in advanced electronic systems. The combination of current differencing inputs and buffered voltage outputs makes CDBAs well suited for signal conditioning and processing tasks. Optimized CMOS versions cater to low-voltage applications, ensuring efficiency in battery-operated devices. Overall, CDBAs excel in simplifying circuit design, operating at high frequencies, and offering superior performance in terms of linearity and bandwidth compared to traditional amplifier designs.

7. Comparison with Other Building Blocks

CDBAs, OTAs (Operational Transconductance Amplifiers), and OTRAs (Operational Transresistance Amplifiers) are key components in analog circuit design, each with its own distinct features and uses. Table 5 provides a comparison of OTA, OTRA, and CDBA. CDBAs excel in CM signal processing, offering high bandwidth and versatility for both VM and CM applications, but suffer from limited commercial availability. OTAs provide voltage-controlled gain and high-frequency operation, making them ideal for compact analog designs, yet they face challenges with limited linear input range and noise considerations. Traditional VM amplifiers, such as op-amps, remain widely used due to their availability, ease of use, and low noise performance, but may fall short in high-frequency or CM applications. The choice between these amplifier types ultimately depends on specific design requirements, with factors like bandwidth, noise performance, control capabilities, and implementation complexity playing crucial roles in the selection process. OTAs are popular because they convert a differential input voltage into an output current, making them ideal for voltage-controlled amplifiers, filters, and oscillators due to their adjustable transconductance [62,63,64,65]. OTRAs, in contrast, convert input currents to output voltages, which is useful for applications needing high input impedance and low output impedance, such as CM signal processing [66,67,68,69]. CDBAs offer a combination of current differencing and buffered output, making them versatile for both CM and VM circuits. They are especially valuable for designing filters, oscillators, and inductance simulators, offering both flexibility and efficiency. Understanding the specific properties of these components helps in selecting the right one for various analog signal-processing tasks.
When evaluating CDBAs, understanding the power–performance trade-offs is essential due to the critical role of power consumption in amplifier design. CDBAs are designed to be power-efficient while delivering high performance, often using techniques like low-power transistors and optimized bias currents to minimize power use. Compared to Op-Amps, which typically require higher power to achieve high precision and low noise, CDBAs offer better power efficiency in many applications. OTAs can also be designed for low power consumption but may not match CDBAs in bandwidth or dynamic range. VM amplifiers often consume less power when handling voltage signals, but they might lack the performance flexibility of CDBAs in CM applications. Also, the Gain–Bandwidth Product (GBWP) is high for OTAs, OTRAs, and CDBAs, reflecting their capability to deliver high performance across a wide range of frequencies and gain settings, with OTAs and OTRAs being particularly well suited for high-frequency applications and CDBAs optimized for precision and performance.

8. Future Perspectives of CDBA

The future of CDBA circuits looks promising with the advancement of semiconductor technologies. As we move towards smaller process nodes, CDBAs can benefit from improved performance characteristics such as higher operating frequencies, lower power consumption, and reduced chip area. Performance is at the forefront, with the demand for higher operating frequencies and improved signal integrity pushing the development of CDBAs that offer faster response times and greater bandwidth. These advancements enable the design of more efficient and compact ASP circuits. While 45 nm and 90 nm technologies are already being utilized for CDBA implementations, there is potential to explore even smaller nodes. But, as we approach sub-45 nm technologies, challenges such as increased leakage currents and variability become more pronounced, requiring innovative circuit design techniques to maintain performance.
Several areas within CDBA research remain under-explored and offer significant opportunities for advancement. Optimizing CDBA circuits for ultra-low power and low-voltage operation is crucial for applications in portable and battery-powered devices. Additionally, as CDBAs are implemented with smaller process nodes, addressing challenges such as increased leakage currents and variability is essential. Enhancing high-frequency performance, integrating CDBAs with digital systems, and developing novel topologies are promising research directions. Improving noise performance, linearity, and compensation for temperature and process variations could also enhance CDBA reliability and precision, especially in precision instrumentation and biomedical applications. Researchers should also consider developing ready-made CDBA chips, investigating multi-input and multi-output capabilities, and experimenting with new materials. Precision is equally important, particularly in sensitive applications like biomedical devices, where enhanced CDBAs can provide the required linearity and low distortion. Cost efficiency also plays a significant role, as advancements in semiconductor processes allow us to produce smaller, more efficient circuits at reduced costs. Also, research into novel CDBA topologies that incorporate the unique characteristics of advanced CMOS technologies could lead to breakthroughs in analog circuit design for emerging applications in areas like IoT, 5G communications, and biomedical devices. Addressing these areas could make CDBAs more practical and competitive compared to other amplifier types in various electronic applications.

9. Conclusions

The review underscores significant advancements in CDBAs, highlighting their performance, as exemplified by AD844 CFAs; the adaptability of CMOS-based designs with flipped voltage followers (FVF); and the power efficiency of low-voltage NMOS configurations. Modified CDBAs further enhance voltage input flexibility and frequency response, while low-voltage class AB designs utilizing dynamic threshold MOSFETs mark notable progress in energy efficiency. CDBAs emerge as a remarkable development in ASP and filter design, offering versatile applications including high-order filters, quadrature oscillators, inductance simulators, memristors, and various ASP tasks. Their ability to streamline design processes, support high-frequency operation, and function effectively at low voltages underscores their significance in modern electronic systems that demand both compactness and power efficiency. As semiconductor technologies advance, future research should explore new materials and technologies, adapt CDBAs for specific uses, and integrate them with emerging fields like quantum computing and IoT devices. Emphasizing the development of low-power and low-voltage designs, alongside innovative design techniques, will be essential for driving progress and addressing the evolving needs of contemporary electronic systems.

Funding

This research received no external funding.

Conflicts of Interest

The authors declare no conflict of interest.

References

  1. Smith, K.C.; Sedra, A. The current conveyor: A new circuit building block. IEEE Proc. 1968, 56, 1368–1369. [Google Scholar] [CrossRef]
  2. Sedra, A.; Smith, K.C. A second-generation current conveyor and its application. IEEE Trans. Circuit Theory 1970, 17, 132–134. [Google Scholar] [CrossRef]
  3. Biolek, D.; Senani, R.; Biolková, V.; Kolka, Z. Active elements for analog signal processing: Classification, review, and new proposals. Radioengineering 2008, 17, 15–32. [Google Scholar]
  4. Acar, C.; Ozoguz, S. A new versatile building block: Current differencing buffered amplifier. Microelectron. J. 1999, 30, 157–160. [Google Scholar] [CrossRef]
  5. Koksal, M.; Oner, S.E.; Sagbas, M. A new second-order multi-mode multi-function filter using a single CDBA. In Proceedings of the European Conference on Circuit Theory and Design, Antalya, Turkey, 23–27 August 2009; pp. 699–702. [Google Scholar]
  6. 5Acar, C.; Sedef, H. Realization of nth-order current transfer function using current differencing buffered amplifiers. Int. J. Electronics 2003, 90, 277–283. [Google Scholar]
  7. Tarim, N.; Kuntman, H. A high-performance current differencing buffered amplifier. In Proceedings of the ICM 2001. The 13th International Conference on Microelectronics, Rabat, Morocco, 29–31 October 2001; pp. 153–156. [Google Scholar] [CrossRef]
  8. Tangsrirat, W.; Fujii, N.; Surakampontorn, W. Current-mode leapfrog ladder filters using CDBAs. In Proceedings of the IEEE International Symposium on Circuits and Systems, Scottsdale, AZ, USA, 26–29 May 2002; Volume 5, pp. 57–60. [Google Scholar]
  9. Sawangaroml, V.; Tangsrirat, W.; Surakampontom, W. NPN-based current differencing buffered amplifier and its application. In Proceedings of the SICE-ICASE International Joint Conference, Busan, Republic of Korea, 18–21 October 2006. [Google Scholar]
  10. Tangsrirat, W.; Pukkalanun, T. CDBA-Based Universal Biquad Filter and Quadrature Oscillator. In Proceedings of the ECTI-CON, Krabi, Thailand, 14–17 May 2008; pp. 1–4. [Google Scholar]
  11. Fabre, A.; Saaid, O.; Wiest, F.; Boucheron, C. High frequency applications based on a current controlled conveyor. IEEE Trans. Circuits Syst. I: Fundam. Theory Appl. 1996, 43, 82–91. [Google Scholar] [CrossRef]
  12. Soliman, A.M. Realization of multiple-output biquadratic filters using current differencing buffered amplifiers. Analog Integr. Circuits Signal Process. 2008, 55, 29–34. [Google Scholar]
  13. Borah, S.S.; Ghosh, M.; Ranjan, A. Higher Order Multifunction Filter Using Current Differencing Buffered Amplifier (CDBA). Rom. J. Tech. Sci. Electrotech. Energ. 2022, 67, 59–64. [Google Scholar]
  14. Minaei, S.; Yuce, E. Current mode multifunction biquad using single CDBA. In Proceedings of the IEEE International Symposium on Circuits and Systems, Taipei, Taiwan, 24–27 May 2009; pp. 1–4. [Google Scholar]
  15. Talukdar, A.; Puvvada, A.P.; Mohanty, A. Current differencing buffered amplifier based memristive quadrature oscillator. In Proceedings of the IEEE International Symposium on Circuits and Systems (ISCAS), Sapporo, Japan, 26–29 May 2019; pp. 1–5. [Google Scholar]
  16. Metin, B.; Herencsar, N.; Pal, K. Supplementary study of the memristor emulator with the current differencing buffered amplifier. AEU—Int. J. Electron. Commun. 2017, 73, 34–44. [Google Scholar]
  17. Talukdar, A.; Radwan, A.G.; Salama, K.N. Non-volatile memories: Memristor based analog circuits. In Proceedings of the IEEE International Symposium on Circuits and Systems (ISCAS), Paris, France, 30 May–2 June 2010; pp. 2964–2967. [Google Scholar]
  18. Talukdar, A.; Radwan, A.G.; Salama, K.N. Memristor based tunable analog circuits using CDBA. In Proceedings of the IEEE International Symposium on Circuits and Systems (ISCAS), Rio de Janeiro, Brazil, 15–18 May 2011; pp. 1599–1602. [Google Scholar]
  19. Talukdar, A.; Radwan, A.G.; Salama, K.N. Nonvolatile memristor memory integrated with weak inversion analog computing building blocks. Microelectron. J. 2012, 43, 437–442. [Google Scholar]
  20. Lahiri, A. Low-frequency quadrature sinusoidal oscillators using current differencing buffered amplifiers. Indian J. Pure Appl. Phys. 2011, 49, 423–428. [Google Scholar]
  21. Maheshwari, S.; Singh, S. CDBA based Quadrature Sinusoidal Oscillator with Non-interactive Tuning Laws. In Proceedings of the IEEE International Symposium on Circuits and Systems (ISCAS), Seville, Spain, 12–14 July 2020; pp. 1–5. [Google Scholar]
  22. Maheshwari, S.; Khan, I.A. Novel CDBA-based mixed-mode quadrature oscillator. IEE Proc. Circuits Devices Syst. 2005, 152, 704–706. [Google Scholar]
  23. Gupta, S.S.; Bhaskar, D.R.; Senani, R.; Singh, A.K. Quadrature oscillator using current differencing buffered amplifier. In Proceedings of the IEEE International Symposium on Circuits and Systems (ISCAS), Kobe, Japan, 23–26 May 2005; pp. 1194–1197. [Google Scholar]
  24. Borah, S.S.; Singh, A.; Ghosh, M.; Ranjan, A. Electronically tunable higher-order quadrature oscillator employing CDBA. Microelectron. J. 2021, 108, 104985. [Google Scholar] [CrossRef]
  25. Fabre, A.; Saaid, O.; Wiest, F.; Boucheron, C. Current controlled bandpass filter based on translinear conveyors. Electron. Lett. 1992, 28, 824–826. [Google Scholar] [CrossRef]
  26. Gupta, G. Designing of Current Mode Instrumentation Amplifier for Bio-Signal Using 180nm CMOS Technology. Int. J. Electr. Electron. Data Commun. 2014, 2, 2529–2534. [Google Scholar]
  27. Silverio, A.A.; Silverio, A.A. A High CMRR and Low Noise Current-Mode Instrumentation Amplifier implemented on TSMC 0.18μm CMOS Technology for Neural Signal Sensing. Asia-Pac. J. Sci. Technol. 2013, 18, 159–164. [Google Scholar]
  28. Inchan, S.; Kanahna, R.; Chaisayun, I. Design of PIDA Controller Employing Current Differencing Buffered Amplifiers. In Proceedings of the 2019 IEEE 10th Annual Information Technology, Electronics and Mobile Communication Conference (IEMCON), Vancouver, BC, Canada, 17–19 October 2019; pp. 0709–0714. [Google Scholar]
  29. Singh, A.; Borah, S.S.; Ghosh, M. Current Differencing Buffered Amplifier Based Memristive Quadrature Oscillator. In Proceedings of the 2021 International Conference on Electronics, Information, and Communication (ICEIC), Jeju, Republic of Korea, 31 January–3 February 2021; pp. 1–4. [Google Scholar]
  30. Goel, A.; Rai, S.K.; Aggarwal, B. A New Generalized Approach for the Realization of Meminductor Emulator and Its Application. Wirel. Pers. Commun. 2023, 131, 2501–2523. [Google Scholar] [CrossRef]
  31. Yadav, N.; Rai, S.K.; Pandey, R. New Grounded and Floating Memristor-Less Meminductor Emulators Using VDTA and CDBA. J. Circuits Syst. Comput. 2021, 30, 2150283:1–2150283:31. [Google Scholar] [CrossRef]
  32. Bhaskar, D.R.; Bhagat, R.; Raj, A.; Kumar, P. Grounded Synthetic Series Lossy Inductor Simulator Circuits Employing Single Current Differencing Buffered Amplifier. Int. J. Circuit Theory Appl. 2023, 52, 3081–3098. [Google Scholar] [CrossRef]
  33. Roy, S.; Paul, T.K.; Pal, R.R. New Current-Mode Precision Full-Wave Rectifier Employing Single Inverted Z-Copy Current Differencing Buffered Amplifier. SAMRIDDHI J. Phys. Sci. Eng. Technol. 2023, 15, 223–233. [Google Scholar] [CrossRef]
  34. Gupta, A.; Rai, S.K.; Gupta, M. A Fractional-Order Meminductor Emulator Using OTA and CDBA with Application in Adaptive Learning Circuit. Wirel. Pers. Commun. 2023, 131, 2675–2696. [Google Scholar] [CrossRef]
  35. Yadav, N.; Rai, S.K.; Pandey, R. Simple Grounded and Floating Meminductor Emulators Based on VDGA and CDBA with Application in Adaptive Learning Circuit. J. Comput. Electron. 2022, 22, 531–548. [Google Scholar] [CrossRef]
  36. Pathak, J.K.; Singh, A.K.; Senani, R. New Canonic Lossy Inductor Using a Single CDBA and Its Application. Int. J. Electron. 2016, 103, 1–13. [Google Scholar] [CrossRef]
  37. Arora, T.; Rana, U. Multifunction Filter Employing Current Differencing Buffered Amplifier. Circuits Syst. 2016, 7, 543–550. [Google Scholar] [CrossRef][Green Version]
  38. Kaur, G.; Khan, M.A. Current differencing buffered amplifier an active element: A review of recent developments. In Proceedings of the International Conference on Advances in Computing, Communications and Informatics (ICACCI ’12), Chennai, India, 3–5 August 2012; Association for Computing Machinery: New York, NY, USA, 2012; pp. 232–236. [Google Scholar] [CrossRef]
  39. Özoguz, S.; Toker, A.; Ibrahim, M. A new versatile building block: Current differencing buffered amplifier and its applications. Electronics 1999, 30, 157–160. [Google Scholar]
  40. Analog Devices. Leaner Products Data Book; Analog Devices: Norwood, MA, USA, 1990. [Google Scholar]
  41. Oner, Ş.E. Design of Active Filters Using a New Active Device CDBA. Master’s Thesis, Fatih University, Istanbul, Turkey, February 2007. [Google Scholar]
  42. Cakir, C.; Minaei, S.; Cicekoglu, O. Low voltage low power CMOS current differencing buffered amplifier. Analog Integr. Circuits Signal Process. 2010, 62, 237–244. [Google Scholar] [CrossRef]
  43. Tangsrirat, W.; Klahan, K.; Dumawipata, T.; Surakampontorn, W. Low-voltage NMOS-based current differencing buffered amplifier and its application to current-mode ladder filter design. Int. J. Electron. 2006, 93, 777–791. [Google Scholar] [CrossRef]
  44. Inchan, S.; Chaisayun, I. A Modified Current Differencing Buffered Amplifier and Its Application. In Proceedings of the 2019 34th International Technical Conference on Circuits/Systems, Computers and Communications (ITC-CSCC), Jeju, Republic of Korea, 23–26 June 2019; pp. 1–4. [Google Scholar] [CrossRef]
  45. Kanjanop, A.; Kasemsuwan, V. Low voltage class AB current differencing buffered amplifier (CDBA). In Proceedings of the 2011 International Symposium on Intelligent Signal Processing and Communications Systems (ISPACS), Chiang Mai, Thailand, 7–9 December 2011; pp. 1–5. [Google Scholar] [CrossRef]
  46. Cakir, C.; Cicekoglu, O. Low-voltage high-performance CMOS current differencing buffered amplifier (CDBA). In Proceedings of the 2008 Ph.D. Research in Microelectronics and Electronics Conference, Istanbul, Turkey, 22–25 June 2008; pp. 37–40. [Google Scholar] [CrossRef]
  47. Kaçar, F.; Menekay, S. Realization of a CMOS current differencing buffer amplifier and its filter application. In Proceedings of the 2011 7th International Conference on Electrical and Electronics Engineering (ELECO), Bursa, Turkey, 1–4 December 2011; pp. II-358–II-361. [Google Scholar]
  48. Prasad, D.; Mainuddin; Laxya; Islam, S.S. Low power low voltage CNTFET-based current differencing buffered amplifier. In Proceedings of the 2017 4th International Conference on Signal Processing and Integrated Networks (SPIN), Noida, India, 2–3 February 2017; pp. 115–120. [Google Scholar] [CrossRef]
  49. Borah, S.S.; Singh, A.; Ghosh, M.; Ranjan, A. CMOS CDBA Based 6th Order Inverse Filter Realization for Low-Power Applications. In Proceedings of the TENCON IEEE Region 10 Conference, Osaka, Japan, 16–19 November 2020; pp. 11–15. [Google Scholar] [CrossRef]
  50. Ozoguz, S.; Toker, A.; Acar, C. Current-mode continuous-time fully integrated universal filter using CDBAs. Electron. Lett. 1999, 35, 97–98. [Google Scholar] [CrossRef]
  51. Bano, S.; Narejo, G.B.; Usman Ali Shah, S.M. Single CDBA based bilinear current mode universal filter. In Proceedings of the 2016 International Conference on Computing, Electronic and Electrical Engineering (ICE Cube), Quetta, Pakistan, 11–12 April 2016; pp. 37–41. [Google Scholar]
  52. Nandi, R.; Venkateswaran, P.; Das, S. Selective Filters and Tunable Sinusoid Oscillator Using a CDBA. Circuits Syst. 2013, 4, 227–232. [Google Scholar] [CrossRef][Green Version]
  53. Ghosh, M.; Borah, S.S.; Singh, A.; Ranjan, A. Third Order Quadrature Oscillator and its Application using CDBA. Analog Integr. Circuits Signal Process. 2021, 107, 575–595. [Google Scholar] [CrossRef]
  54. Kalra, D.; Gupta, S.; Arora, T.S. Single-resistance-controlled quadrature oscillator employing two current differencing buffered amplifiers. In Proceedings of the 2016 2nd International Conference on Contemporary Computing and Informatics (IC3I), Greater Noida, India, 14–17 December 2016; pp. 688–692. [Google Scholar]
  55. Borah, S.S.; Singh, A.; Ghosh, M. A Novel Low-Power Electronically Tunable Higher-Order Quadrature Oscillator using CDBA. In Proceedings of the 2021 34th International Conference on VLSI Design and 2021 20th International Conference on Embedded Systems (VLSID), Guwahati, India, 2–7 January 2021; pp. 1–6. [Google Scholar]
  56. Keskin, U.; Hancioglu, E. CDBA-based synthetic floating inductance circuits with electronic tuning properties. ETRI J. 2005, 27, 239–242. [Google Scholar] [CrossRef]
  57. Toker, A.; Ozoguz, S.; Acar, C. CDBA based fully integrated gyrator circuit suitable for electronically tunable inductance simulation. AEU-Int. J. Electron. Commun. 2000, 54, 293–296. [Google Scholar]
  58. Biolek, D.; Olsak, M.; Biolekova, V. Optimization of elliptic leap-frog CDBA-based filters. Comput. Methods Circuits Syst. Appl. 2003, 1, 221–225. [Google Scholar]
  59. Gülsoy, M.; Çiçekoǧlu, O. Lossless and lossy synthetic inductors employing single current differencing buffered amplifier. IEICE Trans. Commun. 2005, E88-B, 2152–2155. [Google Scholar] [CrossRef]
  60. Keskin, A.Ü. Design of a PID Controller Circuit Employing CDBAs. Int. J. Electr. Eng. Educ. 2006, 43, 48–56. [Google Scholar] [CrossRef]
  61. Safari, L.; Ferri, G.; Minaei, S.; Stornelli, V. Current-Mode Instrumentation Amplifiers Based on Various Current-Mode Building Blocks. In Current-Mode Instrumentation Amplifiers; Springer: Cham, Switzerland, 2019; pp. 123–156. [Google Scholar] [CrossRef]
  62. Kumngern, M.; Khateb, F.; Kulej, T. Low-Voltage Mixed-Mode Analog Filter Using Multiple-Input Multiple-Output Operational Transconductance Amplifiers. IEEE Access 2024, 12, 51073–51085. [Google Scholar] [CrossRef]
  63. Bhaskar, D.R.; Raj, A.; Kumar, P. Mixed-mode universal biquad filter using OTAs. J. Circuits Syst. Comput. 2020, 29, 2050162. [Google Scholar] [CrossRef]
  64. Namdari, A.; Dolatshahi, M. Design of a low-voltage and low-power reconfigurable universal OTA-C filter. Analog. Integr. Circuits Signal Process. 2022, 111, 169–188. [Google Scholar] [CrossRef]
  65. Khateb, F.; Kumngern, M.; Kulej, T. 58-nW 0.5-V mixed-mode universal filter using multiple-input multiple-output OTAs. IEEE Access 2023, 11, 130345–130357. [Google Scholar] [CrossRef]
  66. Banerjee, S.; Borah, S.S.; Ghosh, M.; Mondal, P. Three Novel Configurations of Second Order Inverse Band Reject Filter Using a Single Operational Transresistance Amplifier. In Proceedings of the 2019 IEEE Region 10 Conference (TENCON), Kochi, India, 17–20 October 2019; pp. 2173–2178. [Google Scholar]
  67. Mann, G.; Kumar, P.; Bhaskar, D.R. Single OTRA-Based Grounded Series Lossy Inductor Configuration. In Proceedings of the 2021 3rd International Conference on Advances in Computing, Communication Control and Networking (ICAC3N), Greater Noida, India, 17–18 December 2021; pp. 1159–1163. [Google Scholar]
  68. Mann, G.; Kumar, P.; Bhaskar, D.R. Single OTRA-Based Multifunctional Filter Configuration. In Proceedings of the 2021 7th International Conference on Signal Processing and Communication (ICSC), Noida, India, 25–27 November 2021; pp. 245–249. [Google Scholar]
  69. Banerjee, K.; Bnadopadhyaya, P.K.; Sarkar, B.; Biswas, A. Multi Input Single Output using Operational Transresistance Amplifier as First Order Filter. In Proceedings of the 2020 IEEE VLSI Device Circuit and System (VLSI DCS), Kolkata, India, 18–19 July 2020; pp. 271–274. [Google Scholar]
Figure 1. Various applications of CDBA.
Figure 1. Various applications of CDBA.
Electronics 13 03623 g001
Figure 2. (a) Symbol of CDBA. (b) Equivalent circuit of CDBA.
Figure 2. (a) Symbol of CDBA. (b) Equivalent circuit of CDBA.
Electronics 13 03623 g002
Figure 3. Realization of a CDBA using two AD844s [39].
Figure 3. Realization of a CDBA using two AD844s [39].
Electronics 13 03623 g003
Figure 4. Realization of a CDBA using the three AD844 [40].
Figure 4. Realization of a CDBA using the three AD844 [40].
Electronics 13 03623 g004
Figure 5. CMOS CDBA based on FVF [42].
Figure 5. CMOS CDBA based on FVF [42].
Electronics 13 03623 g005
Figure 6. Low-voltage NMOS CDBA [43].
Figure 6. Low-voltage NMOS CDBA [43].
Electronics 13 03623 g006
Figure 7. (a) MCDBA block diagram; (b) CMOS structure [44].
Figure 7. (a) MCDBA block diagram; (b) CMOS structure [44].
Electronics 13 03623 g007
Figure 8. Class AB CDBA block diagram [45].
Figure 8. Class AB CDBA block diagram [45].
Electronics 13 03623 g008
Table 1. Aspect ratios of the MOS transistors (T1–T14).
Table 1. Aspect ratios of the MOS transistors (T1–T14).
TransistorsW/L (µm/µm)
T1–T43.6/1.80
T5–T8180/1.80
T945/0.36
T10, T12, T14240/0.36
T11, T1372/0.36
Table 2. Aspect ratios of the PMOS and NMOS transistors.
Table 2. Aspect ratios of the PMOS and NMOS transistors.
TransistorsW/L (µm/µm)
PMOS40/1
NMOS20/1
Table 3. Aspect ratios of the MOS transistors (T1–T25).
Table 3. Aspect ratios of the MOS transistors (T1–T25).
TransistorsW/L (µm/µm)
T1–T13, T21, T23–T2550/0.7
T14–T15, T19–T20150/0.5
T16–T1710/0.7
T18, T22300/0.7
Table 4. Performance comparison of the various CDBA circuits.
Table 4. Performance comparison of the various CDBA circuits.
ParametersRef. [42]Ref. [43]Ref. [44]Ref. [45]Ref. [46]Ref. [47]Ref. [48]
Implementation typeFlipped voltage follower current sourcesNMOS BasedModified CDBA: integrating CFOA and CDBAClass AB CDBACMOS CDBA based on current differencing circuit and voltage bufferCMOS CDBA based on current differencing circuit and voltage bufferCarbon nanotube field-effect transistor (CNTFET) based
Operating voltage±0.6 V±1.25 V±0.8 V±0.7 V±0.75 V±1.2 V±0.6 V
Power usage565.25 µW1.15 mW1.18 mW293 µW1.2 mWNA128.273 µW
No. of transistors18282540181818
Bias current0.05 µA0.49 µANANA0.14 µANANA
Terminal-p res.56.4 Ω14 ΩNA16.89 Ω50 Ω25 Ω<37.4 Ω
Terminal-n res.56.4 Ω14 ΩNA15.99 Ω50 Ω25 Ω<37.4 Ω
Terminal-z res.157 kΩ290 kΩNA102.4 kΩ102 kΩNA179.1 kΩ
Terminal-w res.270 Ω14 ΩNA15.56 Ω158 ΩNA10.5 kΩ
Layout area167 × 70 µm2NANANANANANA
TechnologyUMC 180 nm CMOS0.5 µm CMOSMOSIS TSMC 0.25 μm0.13 µm CMOSUMC 0.18 μm CMOSTSMC CMOS 0.35 μm32 nm CNTFET
Applications2nd-Order All-Pass/Notch FilterLadder FiltersFour-Quadrant Analog MultiplierNA2nd-Order Notch Filter1st-Order All-Pass Filter, Quadrature OscillatorNA
Table 5. Comparison of CDBA, OTA, and OTRA.
Table 5. Comparison of CDBA, OTA, and OTRA.
Features/ParametersCDBAOTAOTRA
Mode of operationVoltage and currentVoltage-to-currentCurrent-to-voltage
Key ApplicationsFilters, oscillators, and inductance simulatorsFilters, oscillators, and variable-gain amplifiersFilters, instrumentation amplifiers, and PID controllers
FlexibilityHighModerateModerate
Frequency PerformanceHigh bandwidthHigh frequency (limited by transconductance)Varies (based on implementation)
TunabilityModerateExcellent (transconductance control)Good (electronically tunable parameters)
Circuit ComplexityVariesSimpleSimple
Power ConsumptionLowLowVaries
PrecisionGoodAffected by non-linearities in transconductanceHigh (due to high CMRR)
Gain–Bandwidth Product (GBP)Typically, high GBP, optimized for high precision and performance.High GBP, making it suitable for high-frequency applications.High GBP, suitable for applications requiring high precision.
Disclaimer/Publisher’s Note: The statements, opinions and data contained in all publications are solely those of the individual author(s) and contributor(s) and not of MDPI and/or the editor(s). MDPI and/or the editor(s) disclaim responsibility for any injury to people or property resulting from any ideas, methods, instructions or products referred to in the content.

Share and Cite

MDPI and ACS Style

Borah, S.S.; Sundaravadivel, P. A Review of Current Differencing Buffered Amplifiers: Performance Metrics and Technological Advances. Electronics 2024, 13, 3623. https://doi.org/10.3390/electronics13183623

AMA Style

Borah SS, Sundaravadivel P. A Review of Current Differencing Buffered Amplifiers: Performance Metrics and Technological Advances. Electronics. 2024; 13(18):3623. https://doi.org/10.3390/electronics13183623

Chicago/Turabian Style

Borah, Shekhar Suman, and Prabha Sundaravadivel. 2024. "A Review of Current Differencing Buffered Amplifiers: Performance Metrics and Technological Advances" Electronics 13, no. 18: 3623. https://doi.org/10.3390/electronics13183623

APA Style

Borah, S. S., & Sundaravadivel, P. (2024). A Review of Current Differencing Buffered Amplifiers: Performance Metrics and Technological Advances. Electronics, 13(18), 3623. https://doi.org/10.3390/electronics13183623

Note that from the first issue of 2016, this journal uses article numbers instead of page numbers. See further details here.

Article Metrics

Back to TopTop