Recent Developments in Using a Modified Transfer Matrix Method for an Automotive Exhaust Muffler Design Based on Computation Fluid Dynamics in 3D
Abstract
1. Introduction
2. Modified Transfer Matrix Method
- -
- The 3D-CFD of AVL gives the first element [29] dedicated to the modeling, simulations, and calculus of internal combustion engine phenomena, starting from the initial air intake and finishing at the burn gas flow exhaust, computing all the velocities and temperatures of the gas flow through all the internal duct elements.
- -
- The second element is given by using all the values of the velocities and temperatures of the gas flow through the final muffler gas exhaust in the classic TMM to compute the TL of the AEM, which has a specific geometry and structure.
3. Results and Discussions
- -
- In the frequency range 0.1–4.0 kHz and for engine rotation speeds in the range 1500–2500 rpm, the predicted values of are 1–4% higher than the experimental ones mentioned in [33], while for engine rotation speeds in the range, 3500–4500 rpm, the predicted values are 4.5–8% higher than the experimental ones mentioned in [33].
- -
- For the frequency range over 4.0 kHz for engine rotation speeds in the range 1500-4500 rpm, the predicted values are at least 11% larger or even smaller by 14% than the experimental ones mentioned in [33].
4. Conclusions
- The use of 3D-CFD AVL FIRETM M Engine (based on FEM in 3D) to calculate the gas flow velocities and the gas flow temperatures of all the internal ducts of the internal combustion engine (taken into consideration, respectively, the internal combustion engine of Audi 1.4 TSI with a power of 90 kW) in all the process phenomena, from the initial air intake through the air filter to the cylinders, compression, ignition, detention, and burnt gas exhaust, from the cylinders to the exhaust manifold, gas flow through the catalytic muffler, and the exhaust through the AME.
Author Contributions
Funding
Informed Consent Statement
Data Availability Statement
Acknowledgments
Conflicts of Interest
References
- Bugaru, M.; Enescu, N. An overview of muffler modeling by transfer matrix method. Sci. Bull. Politeh. Univ. Timis. Trans. Mech. 2005, 1, 51–54. [Google Scholar]
- Chung, J.Y.; Blaser, D.A. Transfer function method of measuring in-duct acoustic properties: I. Theory and II. Experiment. J. Acoust. Soc. Am. 1980, 68, 907–921. [Google Scholar] [CrossRef]
- Davies, P.O.A.L. Realistic models for predicting sound propagation in flow duct systems. Noise Control Eng. J. 1993, 40, 135–141. [Google Scholar] [CrossRef]
- Mechel, F.P. Formulas of Acoustics; Springer: Berlin/Heidelberg, Germany, 2002. [Google Scholar]
- Munjal, M.L. Acoustics of Ducts and Mufflers, 1st ed.; John Wiley and Sons: New York, NY, USA, 1987. [Google Scholar]
- Sridhara, B.S.; Crocker, M.J. Review of theoretical and experimental aspects of acoustical modeling of engine exhaust systems. J. Acoust. Soc. Am. 1994, 95, 2363–2370. [Google Scholar] [CrossRef]
- Kumar, S. Linear Acoustic Modelling and Testing of Exhaust Muffler. Master’s Thesis, The Royal Institute of Technology, Stockholm, Sweden, January 2007. Available online: https://www.google.com/url?sa=t&rct=j&q=&esrc=s&source=web&cd=&ved=2ahUKEwik7fSMv6CEAxXH_7sIHauBCwgQFnoECBUQAQ&url=https%3A%2F%2Fwww.diva-portal.org%2Fsmash%2Fget%2Fdiva2%3A11878%2FFULLTEXT01.pdf&usg=AOvVaw36bDa-Lk1NGDXCyrbz8u9R&opi=89978449 (accessed on 10 February 2024).
- Pal, S. Design and Acoustic Analysis of Exhaust Mufflers for Automotive Applications. Master’s Thesis, Christ University, Bengaluru, India, March 2015. Available online: https://www.researchgate.net/publication/275408198 (accessed on 10 February 2024).
- Yasuda, T.; Wu, C.; Nakagawa, N.; Nagamura, K. Predictions and experimental studies of the tail pipe noise of an automotive muffler using a one dimensional CFD model. Appl. Acoust. 2010, 71, 701–707. [Google Scholar] [CrossRef]
- Suwandi, D.; Middelberg, J.; Byrne, K.P.; Kessissoglou, N.J. Predicting the Acoustic Performance of Mufflers using Transmission Line Theory. In Proceedings of the ACOUSTICS 2005, Busselton, Australia, 9–11 November 2005; pp. 181–187. [Google Scholar] [CrossRef]
- Kalita, U.; Singh, M. Prediction of Transmission Loss on a Simple Expansion Chamber Muffler. J. Emerg. Technol. Innov. Res. 2018, 5, 1022–1031. Available online: https://www.researchgate.net/publication/347950563 (accessed on 10 February 2024).
- Mohammad, M.; Muhamad, S.M.F.; Khairudin, M.H.; Kadir, M.K.; Dahlan, M.A.A.; Zaw, T. Complex geometry automotive muffler sound transmission loss measurement by experimental method and 1 D simulation correlation. In Proceedings of the Sustainable and Integrated Engineering International Conference SIE 2019, Putrajaya, Malaysia, 8–9 December 2019; p. 012098. [Google Scholar] [CrossRef]
- Olgar, T. Acoustical Analysis of Exhaust Mufflers for Earth-Moving Machinery. Master’s Thesis, Middle East Technical University, Ankara, Turkey, September 2009. Available online: https://open.metu.edu.tr/handle/11511/19024 (accessed on 10 February 2024).
- Fu, J.; Xu, M.; Zhang, Z.; Kang, W.; He, Y. Muffler structure improvement based on acoustic finite element analysis. J. Low Freq. Noise Vib. Act. Control 2019, 18, 415–416. [Google Scholar] [CrossRef]
- Zhang, L.; Shi, H.M.; Zeng, X.H.; Zhuang, Z. Theoretical and Experimental Study on the Transmission Loss of a Side Outlet Muffler. Hindawi Schock Vib. 2020, 2020, 6927574. [Google Scholar] [CrossRef]
- Patne, M.M.; Sentilkumar, S.; Stanley, J.M. Numerical Analysis on Improving Transmission Loss of Reactive Muffler using Various Sound Absorptive Materials. In Proceedings of the ICMECE 2020, Knacheepuram, India, 22 April 2020; Volume 993, p. 012150. [Google Scholar] [CrossRef]
- Fan, W.; Guo, L.-X. An Investigation of Acoustic Attenuation Performance of Silencers with Mean Flow Based on Three-Dimensional Numerical Simulation. Hindawi Schock Vib. 2016, 2016, 6797593. [Google Scholar] [CrossRef]
- Puthuparampil, J.X. Aeroacoustic Noise Prediction and Acoustic Optimization of Mufflers. Master’s Thesis, University of Toronto, Toronto, ON, Canada, November 2018. Available online: https://tspace.library.utoronto.ca/handle/1807/91618 (accessed on 10 February 2024).
- Xie, X. Noise optimization design on the exhaust muffler of a special vehicle on the improved genetic algorithm. J. Vibroengineering 2015, 17, 4625–4639. Available online: https://www.semanticscholar.org/paper/Noise-optimization-design-on-the-exhaust-muffler-of-Xie/f338124725c16ed33bf4774e4d4cebbd42d11a3c#citing-papers (accessed on 10 February 2024).
- Bowden, D.R. Development of a large experimental acoustic transmission loss test bench suitable for large marine diesel exhaust system components. In Proceedings of the ACOUSTICS 2016, Brisbane, Australia, 9–11 November 2016; Available online: https://www.google.com/url?sa=t&rct=j&q=&esrc=s&source=web&cd=&ved=2ahUKEwjO_eCB_KKEAxW2_rsIHYCxBioQFnoECA0QAQ&url=https%3A%2F%2Facoustics.asn.au%2Fconference_proceedings%2FAASNZ2016%2Fpapers%2Fp54.pdf&usg=AOvVaw0YkzRvANLZayLyaMfRf_Uh&opi=89978449 (accessed on 10 February 2024).
- Mohamad, B. A review of flow acoustic effects on a commercial automotive exhaust system-methods and materials. J. Mech. Energy Eng. 2019, 3, 149–156. [Google Scholar] [CrossRef]
- Babu, S.; Akhildev, V.P.; Sabu, J. Design optimization of hybrid muffler and acoustic transmission loss prediction. Int. Res. J. Eng. Technol. 2020, 7, 2721–2727. Available online: https://www.google.com/url?sa=t&rct=j&q=&esrc=s&source=web&cd=&ved=2ahUKEwiahqyrhaOEAxWn7rsIHTeYCJcQFnoECA8QAQ&url=https%3A%2F%2Fwww.irjet.net%2Farchives%2FV7%2Fi7%2FIRJET-V7I7482.pdf&usg=AOvVaw1ApSTc3ld9e3kSk79k_cLH&opi=89978449 (accessed on 10 February 2024).
- Liu, L.; Zheng, X.; Hao, Z.; Qiu, Y. A time-domain simulation method to predict insertion loss of a dissipative muffler with exhaust flow. Phys. Fluids 2021, 33, 067114. [Google Scholar] [CrossRef]
- Damyar, N.; Mansouri, F.; Khavanin, A.; Jafari, A.J.; Asilian-Mahabadi, H.; Mirzaei, R. Acoustical Performance of a Double-Expansion Chamber Muffler: Design and Evaluation. Health Scope 2022, 11, e103226. [Google Scholar] [CrossRef]
- Das, S.; Das, S.; Mondal, K.; Ahmad, A.; Shuayb, S.A.; Faizan, M.; Ameen, S.; Pandey, A.; Vadiraja, B.R. A novel design for muffler chambers by incorporating baffle plate. Appl. Acoust. 2022, 197, 108888. [Google Scholar] [CrossRef]
- Cheng, Y.; Yuan, W.; Fu, J.; Ma, Y.; Zheng, W. Research on the Influence of Characteristics of the Annular Connecting Pipe, on the Transmission Loss of the Expanded Exhaust Muffler. Hindawi Schock Vib. 2024, 2024, 3404328. [Google Scholar] [CrossRef]
- Cui, Z.; Huang, Y. Boundary Element Analysis of Muffler Transmission Loss With LS-DYNA. In Proceedings of the LS-DYNA 12th International Conference, Detroit, MI, USA, 3–5 June 2012; Available online: https://www.dynamore.de/en/training/conferences/past/12.-internationale-ls-dyna-konferenz (accessed on 18 March 2024).
- Vasile, O. Theoretical and experimental analysis of acoustic performances on the multi-chamber muffler. In Proceedings of the 21st International Congress on Sound and Vibration, Beijing, China, 13–17 July 2014; Available online: https://www.academia.edu/94861050/Theoretical_and_Experimental_Analysis_of_Acoustic_Performances_on_the_Multi_Chamber_Muffler?uc-g-sw=30082541 (accessed on 18 March 2024).
- AVL FIRETM M Engine. Available online: https://www.avl.com/en/engineering/vehicle-engineering/vehicle-systems-development-and-integration (accessed on 18 March 2024).
- Beranek, L.L.; Istvan, L. Noise and Vibration Control Engineering: Principles and Applications; John Wiley & Sons: New York, NY, USA, 1992. [Google Scholar]
- Grünwald, B. Theory, Computation and Design of Internal Combustion Engines for Automotive; Didactic & Pedagogical Publishing House: Bucharest, Romania, 1980. (In Romanian) [Google Scholar]
- Abdul Rani, M.N.; Mat Isa, A.A.; Rahman, Z.A.; Ali Al-Assadi, H.M.A. Dynamic characterization of an exhaust system. J. Mech. Eng. 2011, 8, 41–55. Available online: https://www.researchgate.net/publication/289188425_Dynamic_characterisation_of_an_exhaust_system (accessed on 10 February 2024).
- Tao, Z.; Seybert, A.F. A review of current techniques for measuring muffler Transmission Loss. SAE Trans. 2003, 112, 2096–2100. Available online: https://www.jstor.org/stable/44745590 (accessed on 19 March 2024).
















| Element Type | |||
|---|---|---|---|
![]() | −1 | −1 | |
| −1 | 1 | ||
| 1 | −1 | ||
| 1 | −1 | −0.5 |
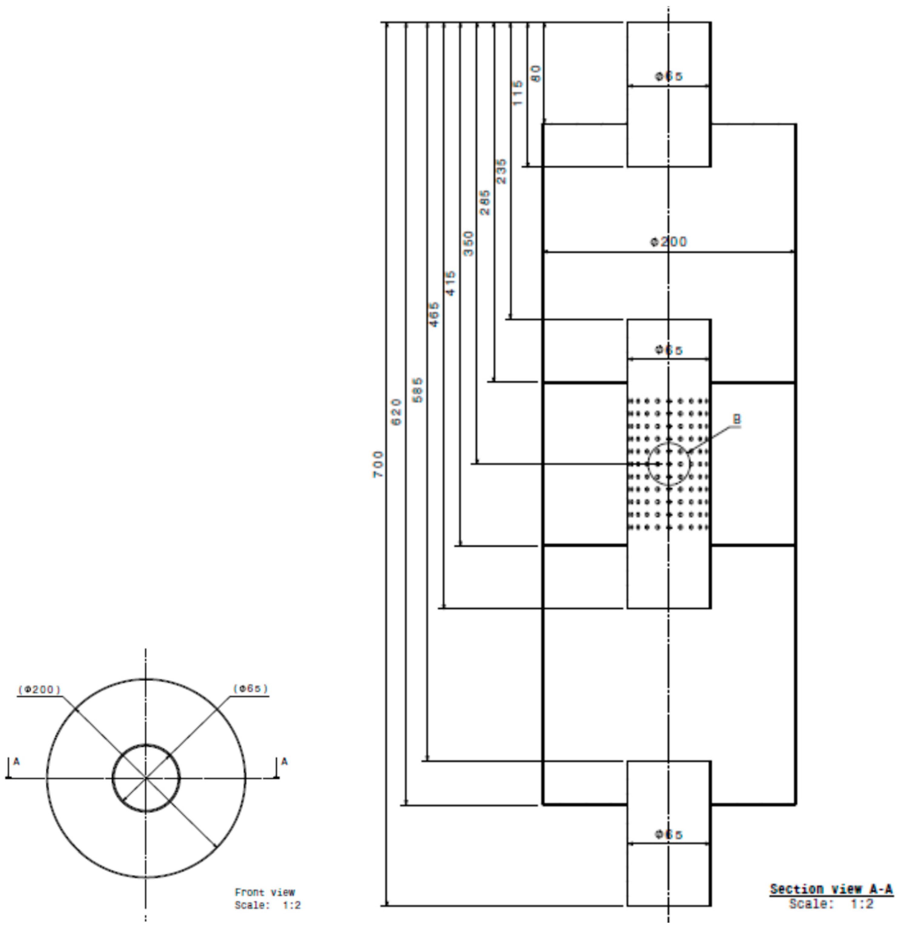
| [m2] | [m2] | [mm] | [mm] | [mm] | [mm] | [mm] | [mm] | [mm] | [mm] | C [mm] |
|---|---|---|---|---|---|---|---|---|---|---|
| 0.003318 | 0.031416 | 80 | 45 | 120 | 50 | 65 | 50 | 50 | 3 | 10 |
Disclaimer/Publisher’s Note: The statements, opinions and data contained in all publications are solely those of the individual author(s) and contributor(s) and not of MDPI and/or the editor(s). MDPI and/or the editor(s) disclaim responsibility for any injury to people or property resulting from any ideas, methods, instructions or products referred to in the content. |
© 2024 by the authors. Licensee MDPI, Basel, Switzerland. This article is an open access article distributed under the terms and conditions of the Creative Commons Attribution (CC BY) license (https://creativecommons.org/licenses/by/4.0/).
Share and Cite
Bugaru, M.; Vasile, C.-M. Recent Developments in Using a Modified Transfer Matrix Method for an Automotive Exhaust Muffler Design Based on Computation Fluid Dynamics in 3D. Computation 2024, 12, 73. https://doi.org/10.3390/computation12040073
Bugaru M, Vasile C-M. Recent Developments in Using a Modified Transfer Matrix Method for an Automotive Exhaust Muffler Design Based on Computation Fluid Dynamics in 3D. Computation. 2024; 12(4):73. https://doi.org/10.3390/computation12040073
Chicago/Turabian StyleBugaru, Mihai, and Cosmin-Marius Vasile. 2024. "Recent Developments in Using a Modified Transfer Matrix Method for an Automotive Exhaust Muffler Design Based on Computation Fluid Dynamics in 3D" Computation 12, no. 4: 73. https://doi.org/10.3390/computation12040073
APA StyleBugaru, M., & Vasile, C.-M. (2024). Recent Developments in Using a Modified Transfer Matrix Method for an Automotive Exhaust Muffler Design Based on Computation Fluid Dynamics in 3D. Computation, 12(4), 73. https://doi.org/10.3390/computation12040073


