Next Article in Journal
Comprehensive Natural Environment and Landscape Signs in Coastal Settlement Hazard Assessment: Case of East Taiwan between the Coastal Mountain and the Pacific Ocean
Previous Article in Journal
Hydrodynamic Performance of Autonomous Underwater Gliders with Active Twin Undulatory Wings of Different Aspect Ratios
 
 
Font Type:
Arial Georgia Verdana
Font Size:
Aa Aa Aa
Line Spacing:
Column Width:
Background:
Article

Marine Autopilots’ Multipurpose Control Laws Synthesis for Actuators Time Delay

by
Evgeny I. Veremey
*,
Sergei V. Pogozhev
and
Margarita V. Sotnikova
Computer Applications and Systems Department, Saint-Petersburg State University, Universitetskii prospekt 35, Petergof, Saint Petersburg 198504, Russia
*
Author to whom correspondence should be addressed.
J. Mar. Sci. Eng. 2020, 8(7), 477; https://doi.org/10.3390/jmse8070477
Submission received: 20 May 2020 / Revised: 24 June 2020 / Accepted: 26 June 2020 / Published: 28 June 2020
(This article belongs to the Section Ocean Engineering)

Abstract

One analytical design problem involves constructing control laws for marine autopilot systems. Despite numerous known solutions, this problem can still be further developed by taking into account the actual conditions of the control system operation. An important issue for discussion is the feedback synthesis for marine ships with time delays in their rudders’ actuators. In this work, a new approach is proposed for providing all the desirable dynamic features of a closed-loop system with autopilot while taking into account the presence of a time delay. This approach is based on the predictive compensation of time delays via the specific transformation of an initially given reference controller with a special multipurpose structure. The applicability and effectiveness of the proposed method is further illustrated by a practical example of a controller design.

1. Introduction

The motion of modern marine ships is achieved under constantly increasing transport traffic and is extensively influenced by various external disturbances, including sea waves, wind, sea currents, changes of depth under the keel, etc. This generates many problems in the safety and effectiveness of sailing. A commonly used approach for solving these problems is the extensive application of automatic guidance and control systems [1,2], including widely used marine autopilots [1,2,3,4,5]. The main mission of an autopilot is to enable economical or precision steering while maintaining a given heading angle for the ship.
The various issues associated with the design of autopilots for marine surface vessels have already been extensively researched and presented in numerous publications (for example, [1,2,3,4,5,6,7,8,9,10,11,12]). Notably, the complexity of this problem is vast because of the many dynamic requirements, restrictions, and conditions that must be satisfied by the chosen control actions.
In particular, one of the practical difficulties requiring consideration in the design process is the presence of transport time delays in the control channels. In most cases, this problem is a source of dynamic instability and poor performance for various systems that were designed initially without considering time delays. For marine autopilots, these delays are typical for thruster drivers, including main propellers, tunnel thrusters, azimuth thrusters, and rudders [9,10,11]. Compared to the rapidly changing signals from the autopilot controller, the response time of the thrusters, which generally lasts several seconds, is usually the longest. Therefore, it is suitable to consider the presence of time delays for the design of an autopilot control law.
Many works, including the work in [9,10,11], consider the presence of time delays in the design procedures for marine control systems. All these works directly use modern universal control methods (sliding mode control, model predictive control, H-optimization, and others), which perceive time delays as a partial dynamic feature of the controlled plant. Naturally, some techniques from the theory of time delay control are also used.
However, another more novel approach is possible, which is developed in this study. For marine autopilots, the main idea of this approach was first proposed by the authors in [12]. This idea divides the control law design procedure into two stages. First, feedback is generated for a delay-free plant, satisfying a certain set of dynamic requirements. Secondly, the resulting controller is transformed in a specific way to preserve the dynamic properties as much as possible, despite the presence of a delay.
Notably, any modern design for feedback control synthesis can be used to implement the first stage of delay-free plants. We prefer to focus on developing the concept of a multipurpose control that can be widely used for marine applications both theoretically and practically. From our perspective, this concept provides a very flexible control law that supports the feasibility of autopilot turning during operation depending on the actual conditions of the ships’ sailing [4]. For marine applications, the multipurpose control theory is presented in detailed in [5,6,7]. In recent years, some new analytical and numerical methods of synthesis have been developed based on the special unified structure of the control laws for marine autopilots [8].
The aforementioned novel structure includes some basic elements and several additional items that must be adjusted based on the actual external environment. The basic elements are invariant with respect to the environment, but additional elements can vary in their dynamics and be switched on or off as necessary to provide the best dynamic behavior for the closed-loop system [5,6,7,8]. The novelty of this approach with respect to other works lies in the universality and flexibility of control laws with multipurpose (MP) structures, which simplify autopilot turning in a real time regime of functioning for delay-free plants.
In the second stage of the proposed approach, a new and specific technique is used to consider the presence of a time delay. For linear systems, this technique is based on the well-known idea ([13,14,15]) of compensating a time delay using state predictions with the help of the Cauchy formula. However, the practical realization of this idea, as shown in [15,16], faces certain pitfalls associated with the loss of robust properties. We propose to overcome this obstacle based on a unique transformation of the delay-free controller. This is an additional novelty of the proposed approach. Lastly, attention should be given to maintaining the performance features of the time-free closed system used to carry out this transformation. As shown in [12], for the static-state controller the performance indices can be stored completely. However, in contrast with [12], this work focuses on dynamic control laws for the measured output instead of the state space vector. Thus, the new method of process quality assurance proposed here for a time-delayed system has significant novelty.
In general, the present study is an extension of the multipurpose approach presented in [5,6,7,8] and a development of the ideas discussed in [12], with respect to the marine autopilot control laws with the novel structure, taking into account the actuators’ time delays.
This article is organized as follows. In Section 2, the compensatory method for control law synthesis for linear time-invariant (LTI) systems is discussed, taking into account transport delays in the control inputs. The known background is presented, and the new method is proposed to overcome existing obstacles using the novel transformation of the reference controller. Section 3.1 is devoted to the synthesis problem statement for autopilots, taking into account time delays. Here, the initial LTI models of the ships are considered, and reference control laws using the multipurpose structure are introduced. Section 3.2 presents an exhaustive solution for the mentioned synthesis problem based on a compensative transformation of the reference controller with the multipurpose structure. In Section 3.3, a practical example of autopilot synthesis is provided to illustrate the applicability and effectiveness of the proposed approach. Finally, Section 4 concludes the article by discussing the overall results of the investigation and indicates how these results can be further developed.

2. Materials and Methods

As mentioned above, the essence of this paper involves developing a compensatory method of control law synthesis for marine autopilots, taking into account transport delays for the actuators. In this section, let us first consider the background and some essential features of the compensatory approach that define the methodological basis of the study.
The central idea, which we use below, was first introduced in [13]. In a modern treatment presented in [14], this idea was implemented based on a linear prediction. To demonstrate the accepted approach, let us consider the following LTI-controlled plant with input delay h:
x ˙ ( t ) = A x ( t ) + B u ( t h ) + L d ( t h ) , y = C x ,
where x R n , u R m , d R l , and y R k are the vectors of state, control, external disturbance, and measurement, respectively. We suppose that matrix A is Hurwitz, that the pair ( A , B ) is controllable, and that the pair ( A , C ) is observable. Along with the plant (1), let us introduce a proportional controller:
u = K x ,
where the matrix K is given such that the matrix A + B K is Hurwitz—i.e., a closed-loop system with a delay-free plant has the following form:
x ˙ ( t ) = A x ( t ) + B u ( t ) + L d ( t h ) , y = C x ,
which is asymptotically stable. We identify the closed-loop connection (3), (2) as the reference control system, unlike the real closed-loop system (1), (2). Clearly, the real system does not have the same dynamic features as (3), (2) due to the presence of a time delay. In particular, the root spectrum of the real system is infinite, but the spectrum of the reference spectrum is finite. The predictive approach proposes a method called finite spectrum assignment ([14,15]), which allows one to design a controller such that overcomes this distinction. In other words, given a stabilizing matrix K , we seek a control that provides the following identity:
u ( t h ) K x ( t ) .
This can be written alternatively as:
u ( t ) K x ( t + h ) .
One can easily see that controller (5) compensates for the time delay in (1), transforming a closed-loop connection to the delay-free form, (3), (2). Nevertheless, we cannot predict state x directly—this prediction is impossible at the physical level.
To practically implement such a control, we need to obtain the future values of the state that can be realized using state prediction with the help of the Cauchy formula for plant (1). This yields the following feedback control law:
u ( t ) = K e A h x ( t ) + K e A t t h t e A θ [ B u ( θ ) + L d ( θ ) ] d θ .
Note that the obtained controller (6) can be treated as the compensative transformation of the reference controller (2), providing the identity of the characteristic polynomials for the closed-loop systems (3), (2) and (1), (6).
However, as noted in [15] and [16], there is a certain difficulty in directly implementing controller (6). This difficulty is determined by the requirement to numerically compute an integral over the past inputs in (6), leading to digital control, which has some problems with robust features [16]. We propose to overcome the mentioned obstacle using a novel transformation of (6) to an equivalent form. Let us introduce a new vector variable, z p , as follows:
z p ( t ) = e A t 0 t e A θ [ B u ( θ ) + L d ( θ ) ] d θ .
It is then a matter of simple calculation to verify that the dynamic controller:
z ˙ p = A z p + B u + L d , u = K e A h x + K z p K e A h z p ( t h ) ,
is equivalent to (6). Both the controllers give the same transfer matrix (from input d to output y ) for the closed-loop system with plant (1). Moreover, this controller coincides with the transfer matrix of the reference closed-loop system. Nevertheless, controller (8) is free from the drawback mentioned above.
This technique can be extended to control problems in a more general way. In particular, the proposed presentation of the compensative controller can be generalized for the following reference dynamic output feedback:
u = W ( p ) y ,     p = d / d t ,
which we accept instead of the static state controller (2), where W ( p ) is a rational fraction of variable p . The corresponding transformation for (9), by analogy with (8), can be presented as:
z ˙ p = A z p + B u + L d , γ k = C ( e A h x + z p e A h z p ( t h ) ) , ξ ˙ = A k ξ + B k γ k , u = C k ξ + D k γ k ,
where C k ( E ρ p A k ) 1 B k + D k W ( p ) , and the vector ξ R ρ presents the state of controller (9).
Notably, the state space vector x cannot be directly measured for the majority of practical problems to be solved. Thus, we propose the following solution. First, reference controller (9) should be redesigned for the delay free plant:
x ˙ ( t ) = A x ( t ) + B u ( t ) + L d ( t h ) , η = C 1 x , C 1 = C e A h
with the fictitious output η . This redesigning should be done such that the controller:
u = W ˜ ( p ) η ,
provides desirable features for the closed-loop system (11), (12).
Next, we have the following compensative variant for reference controller (12):
z ˙ p = A z p + B u + L d , γ = y + C e A h z p C z p ( t h ) , ξ ˙ = A ˜ k ξ + B ˜ k γ , u = C ˜ k ξ + D ˜ k γ ,
which retains the same features as the closed-loop connection, (1), (13). Here, we have C k ( E ρ p A ˜ k ) 1 B ˜ k + D ˜ k W ˜ ( p ) .
Thus, it can be claimed that controller (10) retains all the features of reference controller (9), but this is not true for compensative feedback (13). Using (13), we only retain the properties of the modified reference system, (11), (12), which should be considered when redesigning controller (9) for a particular practical control problem.

3. Results

This section is devoted to a practical implementation of the proposed compensative control law designed to consider time delays for the rudder actuators of marine ships. Particular attention is given to the predictive transformations for control laws with multipurpose structures.

3.1. Autopilot Design Problem Statement, Taking into Account Time Delay

To formalize the problem of control law design for autopilot systems, we first introduce a linear model of ship motion which describes the control processes of the ship’s heading angle stabilization with autopilot assistance. For the stabilizing regime, this model is a result of the initial nonlinear dynamic equation linearization in the neighborhood of equilibrium with a constant forward speed of motion [1,5]. We first present a standard delay-free state space form, as follows:
x ˙ = A x + b δ + λ d ˜ , y = c x , δ ˙ = u ,
where x = ( x 1 x 2 x 3 ) T R 3 is the state space vector, featuring the drift x 1 , the angle speed x 2 , and the heading angle x 3 . The scalar value δ R 1 denotes rudder deflection; d ˜ R 1 presents external disturbance; y R 1 is the heading angle, which is treated as a measured and controlled variable; and u R 1 is the control signal for the rudder actuator. All the components of the matrices are real constants:
A = ( a 11 a 12 0 a 21 a 22 0 0 0 1 ) , b = ( b 1 b 2 0 ) , λ = ( λ 1 λ 2 0 ) , c = ( 0 0 1 ) .
We also consider system (14) to be controllable and observable and the scalar variables y , δ and d ˜ to be measurable with the help of the corresponding sensors.
Generally, any dynamic control law for the autopilot of plant (14) can be presented by the following expression:
u = W i n ( p ) ( y δ ) W y ( p ) y + W 0 ( p ) δ ,
where matrix W i n = ( W y W 0 ) has fractionally rational components. This matrix is always selected so that the characteristic polynomial of the closed-loop system (14), (15) is of a Hurwitz type. In addition, certain performance requirements are taken into account.
As justified in [5,6,7,8], to provide desirable features of the closed-loop connection, one can accept the specific multipurpose (MP) structure of a controller to stabilize the marine ship motion under sea and wind disturbances. This multipurpose structure consists of the following items:
  • An asymptotic observer in the form of:
    z ˙ = A z + b δ + g ( y c z ) .
  • A dynamic corrector presented by the equation:
    ξ = F ( p ) ( y c z ) .
  • A composer of the control signal:
    u = k z z + k 0 δ + ν y + ξ ,
    where the vector z R n presents the state of the observer and the scalar variable ξ R 1 is the output of the corrector. The column vector g and the row vector k z , the constant values k 0 and ν , and the rational transfer function F ( s ) should next be searched, thereby providing the desirable stability and performance features of the ship’s dynamics for the specified regime of its motion. Let us suppose that vectors g and k z and constants k 0 and ν are selected such that the matrices A g c and Jmse 08 00477 i001 are of a Hurwitz type, where k = k z + ν c .
Presenting the corrector equation in a normalized form, the stabilizing control law (16)–(18) can be rewritten as follows:
z ˙ = A z + b δ + g ( y c z ) , p ˙ = α p + β ( y c z ) , u = k z + k 0 δ + ν y + γ f p + m f ( y c z ) ,
where p R n 1 is the state vector of corrector (17) and γ f ( E n 1 p α ) 1 β + m f F ( p ) .
As discussed in detail in [5,6,7,8], the essence of this multipurpose approach is the sequential choice of tunable elements g , k z , k 0 , ν and F ( p ) for the MP structure by solving the corresponding optimization problems.
First, the problem of selecting parameters k z , k0 and ν is solved by optimizing the step response of the closed-loop system relative to the constant heading reference control signal with no external disturbances (the motion of one’s own ship).
The next step is to define vector g to optimize the response to the stepwise external disturbance.
Finally, in the third step we optimize the response of the closed-loop system for the actions of sea waves by selecting the transfer function F(p).
Next, we assume that all the aforementioned elements of the stabilizing controller (19) are selected according to the presented scheme to satisfy the dynamic requirements necessary for the aforementioned regimes of motion. Naturally, we seek to retain the obtained features of the closed-loop connection (14), (19) despite the presence of a time delay.
To this end, we introduce the ship equations along with a delay-free model (14), taking into account the time delay in the thrust system as follows:
x ˙ ( t ) = A x ( t ) + b δ ( t h ) + λ d ( t h ) , y ( t ) = c x ( t ) , δ ˙ ( t ) = u ( t ) ,
where d ( t h ) : = d ˜ ( t ) is an auxiliary external disturbance and h is the given time delay value.
Obviously, the dynamic features of the closed-loop system (20), (19) are essentially different from those of the reference system (14), (19) because of the presence of a delay. Moreover, if the value of h is appreciably large, then the system (20), (19) can become unstable despite the asymptotic stability of the reference system. In this case, it is suitable to set the problem of controller (19)’s transformation such that the corresponding closed-loop system retains the aforementioned dynamic features of the reference variant, which is the subject of further discussion in this paper.

3.2. Compensative Controller Synthesis

As mentioned above, to solve the problem of controller (19)’s transformation, we propose to use a compensative approach with respect to time delay which is based on the linear prediction of the ship’s dynamics.
To this end, let us first recall that the state space vector x cannot be directly measured for the ship. This makes it necessary to redesign the reference controller for the modified plant,
x ˙ = A x + b δ + λ d ˜ ( t ) , γ = c 1 x , c 1 = c e A h , δ ˙ = u , y = φ = c x
with the additional output γ . In this case, we treat γ as a measurement variable, and the previous output y is interpreted as a controlled variable.
By analogy with (19), let us consider a reference controller for the modified plant (21) as follows:
z ˙ = A z + b δ + g ( γ c 1 z ) , p ˙ = α p + β ( γ c 1 z ) , u = k z + k 0 δ + γ f p + m f ( γ c 1 z ) .
Similar to controller (19), the parameters g , k, k 0 , and ν , as well as the rational transfer function F ( p ) : = γ f ( E n 1 p α ) 1 β + m f , are determined to provide the desired dynamic features of the closed-loop system for the specified regime of its motion.
However, it should be noted that the computational methods for adjusting the variable items of reference controller (22) differ slightly from the recommendations given in [5,6,7,8]. This is determined by the features of the modified plant (21).
Nevertheless, let us suppose that controller (22) is designed in accordance with the scheme presented above and provides all the desired features of the closed-loop reference connection.
Next, we need to realize the compensative transformation of the reference controller to consider the time delay for thrusters via the reference control laws with multipurpose structures. Notably, Equation (20) of the controlled plant represents a particular case of LTI systems with state delays. Such systems can be analyzed and synthesized with the help of rigorous mathematical methods based on generalizations of the Lyapunov–Krasovskii approach, as presented in [17,18]. To simplify this particular situation, we can transform it into a case that includes input delay. Thus, let us accept rudder deflection as a new control for the plant with the following model:
x ˙ ( t ) = A x ( t ) + b δ ( t h ) + λ d ( t h ) , y ( t ) = c x ( t ) .
Correspondingly, it is possible to rewrite the reference feedback ( δ -controller) comprising control action δ z , which is applied to the servo drive of the rudders. The equation for the mentioned reference δ-controller can then be presented as follows:
z ˙ = A z + b δ m + g ( γ c 1 z ) , δ ˙ m = k z + k 0 δ m + γ p + m f ( γ c 1 z ) . p ˙ = α p + β ( γ c 1 z ) , δ z = δ m ,
where the new scalar variable δ m represents a model of the rudder deflection. Introducing the additional state space vector Jmse 08 00477 i002 of the δ -controller, we can compose the standard state space model as:
ξ ˙ c = A c d ξ c + b c d γ , δ z = c c d ξ c + d c γ ,
where Jmse 08 00477 i005, d c = 0 ,
Jmse 08 00477 i003
The reference δ controller (25) can also be presented by the following model:
δ z = W ( p ) γ , W ( p ) = c c d ( E 6 p A c d ) 1 b c d .
Controller (26) provides all desirable dynamic features with respect to the plant:
x ˙ = A x + b δ + λ d ( t h ) , γ = c 1 x , c 1 = c e A h ,
according to (21), and under the condition that δ = δ z .
As discussed in Section 2, to realize the compensative transformation of reference controller (25) (or (24)), we must first design an equation of the predictor as follows:
z ˙ p = A z p + b δ + λ d .
Then, using its state and real measurement y , we can compute the input variable γ :
γ = y + c 1 z p c z p ( t h ) = y + c e A h z p c z p ( t h ) ,
for reference controller (24). Considering (28) and (29), we can obtain the following compensative transformation of the reference δ controller as follows:
z ˙ p = A z p + b δ + λ d , z ˙ = A z + b δ m + g ( γ c 1 z ) , δ ˙ m = k z + k 0 δ m + γ p + m f ( γ c 1 z ) , p ˙ = α p + β ( γ c 1 z ) , γ = y + c ( e A h z p z p ( t h ) ) , δ z = δ m .
The compensative controller (30) has the output δ z , which is not equal to the real rudder deflection δ . Instead, the value δ z presents only the desirable position of the rudder. To achieve this value, we can apply the following servo drive:
δ ˙ = u , u = k u ( δ z δ ) ,
where k u is the initially given constant of the rudder actuator.
In accordance with Equations (23), (30), and (31), we can compose the scheme of the closed loop-system presented in Figure 1 in which the compensative controller is used.
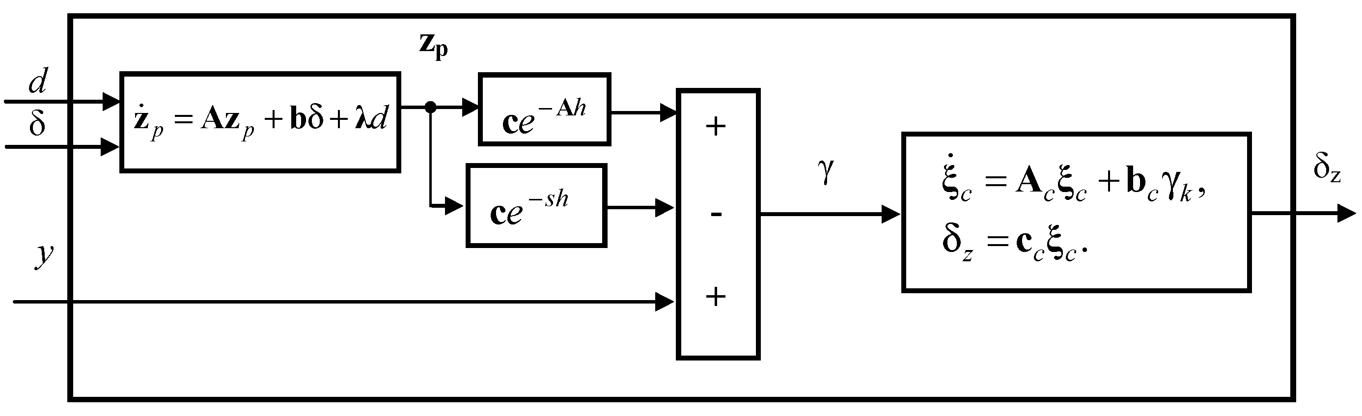
The inner structure of the compensative controller is shown in Figure 2.

3.3. Numerical Example of Synthesis for the Transport Ship

To illustrate a practical implementation of the proposed compensative approach, let us consider a practical example of course-keeping autopilot design for a transport ship with a displacement of 3950 tonnes, which moves along the assigned heading with a constant forward speed of 15 m/s.
The mathematical model of this motion is presented by delay-free Equation (14) with the following parameters:
a 11 = 0.140 , a 12 = 0.634 , b 1 = 0.0285 , λ 1 = 1.51 10 4 , a 21 = 0.108 , a 22 = 1.08 , b 2 = 0.0360 , λ 2 = 0.0102 .
For the real plant (20), we accept the presence of a time delay of h = 3 sec.
In accordance with the scheme presented in Section 3.1, to optimize the motion of one’s own ship we obtain the following coefficients for the basic controller u = k ( x x 0 ) + k 0 δ :
k = ( k 1 k 2 k 3 ) , k 1 = 1.44 , k 2 = 5.28 , k 3 = 3.16 , k 0 = 0.680 .
Here, x 0 = ( 0 φ 0 0 ) T , where φ 0 = 10 is the heading command signal. The obtained coefficients provide the eigenvalues s 1 , 2 = 0.327 ± 0.144 j , s 3 = 1.05 , and s 4 = 0.192 for the matrix Jmse 08 00477 i004.
Then, by optimizing the asymptotic observer z ˙ = A z + b δ + g ( γ c 1 z ) for the modified plant (21), we obtain the vector g = ( g 1 g 2 g 3 ) T , with the items g 1 = 0.00967 , g 2 = 0.0215 , g 3 = 0.0121 , which provide the eigenvalues s 1 = 0.570 and s 2 , 3 = 0.0406 ± 0.00729 j for the matrix A g c 1 .
Finally, using the obtained basic components of the reference controller (24), we can synthesize a dynamic corrector with the following transfer function:
F ( p ) = 0.501 p 2 + 0.0405 p 0.197 p 2 + 0.600 p + 0.0900 ,
which determines the following matrices of the normal form:
α = ( 0 1 0.0900 0.600 ) , β = ( 1.69 0.341 ) , γ = ( 0 1 ) , m f = 0.501 .
Note that this transfer function corresponds to the filtering regime of the corrector action [5,6,7,8].
In this way, the synthesis of the reference δ controller (24) for the modified plant (21) is fully performed. The corresponding reference closed-loop system (21), (24) satisfies all the desirable dynamic requirements illustrated in Figure 3. Here, graphs of the functions y ( t ) and δ ( t ) are presented for this system under the absence of external disturbances—i.e., d ˜ ( t ) 0 is the motion generated by the aforementioned command signal φ 0 = 10 , which is realized by the reference controller (Regime 1 of motion).
Figure 4 shows similar graphs for the same reference controller (24), which closes the following plant with a time delay:
x ˙ = A x + b δ ( t h ) + λ d ( t h ) , γ = c 1 x , c 1 = c e A h , δ ˙ = u ,
Based on the comparison of these processes, one can easily see that the presence of a time delay significantly impairs the dynamics of the closed-loop system. The settling time becomes three times longer, and the overshoot exceeds 45%.
Notably, increasing the time delay to h = 6 s results in a loss of stability, as illustrated in Figure 5.
To counteract the time delay, we utilize the compensative controller (30), (31) with the parameters g , k , k 0 , α , β , γ and the m f obtained above, with the addition of k u = 5 . The corresponding transient process for the real closed-loop system (23), (30), (31) in Regime 1 is presented in Figure 6. A comparison with the reference process (Figure 3) confirms the retention of the dynamic quality despite a time delay.
Then, let us consider the ship’s motion, which is determined by the action of the wind or sea current presented as the step disturbance d ˜ ( t ) d 0 1 ( t ) (Regime 2). Here, we accept the value d0, such that the compensative rudder deflection is δ = δ s = 5 .
A step response of the reference closed-loop system (21), (24) is shown for this regime in Figure 7, illustrating an integral action of the reference controller. For comparison, Figure 8 presents the same regime of ship motion for the real closed-loop system (23), (30), (31). A comparison of these two processes demonstrates that, again, the dynamic quality is practically retained here by using compensative feedback in the presence of a time delay.
Next, let us discuss the ship’s motion under a sea wave disturbance (Regime 3) with spectral density S d ( s ) = S d 1 ( s ) S d 1 ( s ) , s = j ω , where ω is the current frequency:
S 1 d ( s ) = α D d π 2 s s 2 + 2 α + α 2 + β 2 20 s 2 20 s 2 + 13.5 s + 5 .
where β = 0.650 1 / s , α = 0.21 β , D d = 4.82 . This spectrum can be treated as an approximate representation of sea wave action with an intensity of 5 on the Beaufort scale and the central frequency β .
Figure 9 and Figure 10 show the yaw and rudder deflections for the reference closed-loop system in Regime 3 of motion. Notably, Figure 10 illustrates the filtering effect provided by corrector (32), which is switched on starting from the 1000th second.
For the real system with a time delay, a graph of the rudder deflection for the closed-loop connection (23), (30), (31) is shown in Figure 11.
Here, the compensative controller clearly retains the filtering feature of the system for Regime 3 of the ship’s motion.
In addition, the simulations for this example were carried out via the MATLAB-Simulink package using the ode45 (Dormand–Prince) solver with the variable-step option.
To confirm the viability of the obtained results, the functionality of all the controllers was also checked for the initial nonlinear plant using the following mathematical model:
x ˙ ( t ) = F x ( x ( t ) , δ ( t h ) , d ( t h ) ) , y ( t ) = c x ( t ) , δ ˙ ( t ) = u ( t ) ,
which was linearized to obtain system (20). Here, the nonlinear function F x was taken from the usual ship model provided in [1,2]. Naturally, the processes of the linear and non-linear model of the ship practically coincide since, in these control modes, the angle does not exceed 30 degrees, and all the velocities are small.
However, special methods should be used for substantially nonlinear situations. In particular, the unique approach proposed in [19] seems to be suitable for development considering a time delay.

4. Discussion

The main goal of this work was to propose constructive methods for marine autopilot analytical design taking into account the real conditions of a ship’s motions. We focused our main attention on a situation where the rudders’ actuators have a time delay with respect to the control signal. It is well-known that this delay has a significant impact on the control processes in a closed-loop system [14,15]. As a rule, such an impact is substantially negative. This factor motivated us to make the corresponding changes to the control design procedures for a delay-free situation to account for the presence of time delays.
To this end, we propose to use a compensative approach based on linear predictions of the future behaviour of a ship’s state [14,15,16]. This approach aims to retain the desirable dynamic features of the closed-loop system despite the presence of time delays. To achieve this goal, it is possible to use the following two-step scheme. First, it is necessary to design a reference control law for the reference delay-free plant that provides stability and all the desirable properties of the reference closed-loop connection. Second, one must produce a predictive transformation of the reference controller to provide dynamic compensation for the delay.
In contrast to well-known approaches [1,2,3,4], we applied reference dynamic output feedback as a control law with a special multipurpose structure [5,6,7,8]. The main advantage of this approach is the essential flexibility of the control that it offers with respect to actual external conditions. Alongside this feature, our multipurpose technique facilitates the separate tuning of all items in this structure. Such an idea has not yet been fully realized in existing control laws for marine autopilots.
Unlike our previous publication [12], the focus here is on the design of a reference controller using a measured output instead of a state space vector of the ship. Accordingly, we modified the equations of the control plant by introducing a fictitious measured variable. Then, a reference controller was designed for the modified plant based on the newly corrected design procedures of the multipurpose approach [5,6,7,8].
The main result of this study is the development of a new method for the compensative transformation of reference dynamic output controllers and its application to the design of an autopilot control law, taking into account input time delays. The practical applicability and effectiveness of the proposed method is illustrated by a controller design for a transport ship.
The investigations presented above could be further developed to consider the robust features of the autopilot control law, the nonlinearity of the controlled plant, information about the measurement noise, and the presence of transport delays—not only for the input but also for the output variables. The scope of the proposed approach may additionally include remotely operated vehicles [20] and offshore structures [21].

Author Contributions

Conceptualization, E.I.V. and M.V.S.; methodology, E.I.V., M.V.S. and S.V.P.; software, S.V.P.; validation, E.I.V., M.V.S. and S.V.P.; formal analysis, E.I.V.; investigation, E.I.V. and M.V.S.; resources, S.V.P.; data curation, S.V.P.; writing—original draft preparation, E.I.V.; writing—review and editing, E.I.V.; visualization, S.V.P.; supervision, E.I.V.; project administration, E.I.V.; funding acquisition, M.V.S. All authors have read and agreed to the published version of the manuscript.

Funding

This research was funded by the Russian Foundation for Basic Research (RFBR) controlled by the Government of Russian Federation, research project number 20-07-00531.

Acknowledgments

The authors express their sincere gratitude to V.L. Kharitonov and A.P. Zhabko for their involvement in the interesting topic of time delayed systems research.

Conflicts of Interest

The authors declare no conflict of interest.

References

  1. Fossen, T.I. Handbook of Marine Craft Hydrodynamics and Motion Control; John Wiley & Sons, Ltd.: New York, NY, USA, 2011. [Google Scholar]
  2. Perez, T. Ship Motion Control: Course Keeping and Roll Stabilization Using Rudder and Fins; Springer: London, UK, 2005. [Google Scholar]
  3. Dove, M.J.; Wright, C.B. Development of marine autopilots. In Computer Methods in Marine and Offshore Engineering; Computational Mechanics Publications: Southampton, UK, 1991; pp. 259–272. [Google Scholar]
  4. Hammound, S. Ship motion control using multi-controller structure. J. Marit. Res. 2012, 55, 184–190. [Google Scholar]
  5. Veremey, E.I. Synthesis of multiobjective control laws for ship motion. Gyroscopy Navig. 2010, 1, 119–125. [Google Scholar] [CrossRef]
  6. Veremey, E.I. Dynamical correction of control laws for marine ships’ accurate steering. J. Mar. Sci. Appl. 2014, 13, 127–133. [Google Scholar] [CrossRef]
  7. Veremey, E.I. Optimization of filtering correctors for autopilot control laws with special structures. Optim. Control Appl. Methods 2016, 37, 323–339. [Google Scholar] [CrossRef]
  8. Veremey, E.I. Special spectral approach to solutions of SISO LTI H-optimization problems. Int. J. Autom. Comput. 2019, 16, 112–128. [Google Scholar] [CrossRef]
  9. Zhao, D.; Ding, F.; Zhou, L.; Zhang, W.; Xu, H. Robust H control of neutral systems with time delay for dynamic positioning ships. Math. Probl. Eng. 2014, 976925. [Google Scholar]
  10. Esfahani, H.N.; Szlapczynski, R.; Ghaemi, H. High performance super-twisting sliding mode control for a maritime autonomous surface ship (MASS) using ADP-Based adaptive gains and time delay estimation. Ocean Eng. 2019, 191, 106526. [Google Scholar] [CrossRef]
  11. Richard, J.-P.; Gouaisbaut, F.; Perruquetti, W. Sliding mode control in the presence of delay. Kybernetika 2001, 37, 277–294. [Google Scholar]
  12. Veremey, E.I.; Sotnikova, M.V.; Pogozhev, S.V. Multipurpose control laws for marine autopilots with time delay in thrust system. In Proceedings of the 2016 China International Conference on Inertial Technology and Navigation (ICITN-2016), Beijing, China, 1 November 2016; pp. 272–280. [Google Scholar]
  13. Smith, O.J.M. A Controller to overcome dead time. ISAJ 1959, 6, 28–33. [Google Scholar]
  14. Krstic, M. Delay Compensation for Nonlinear, Adaptive, and PDE Systems; Birkhäuser: London, UK, 2009. [Google Scholar]
  15. Michiels, W.; Niculescu, S.I. Stability and Stabilization of Time-Delay Systems. An Eigenvalue-Based Approach; SIAM: Philadelphia, PA, USA, 2007. [Google Scholar]
  16. Mondie, S.; Michiels, W. Finite spectrum assignment of unstable time-delay systems with a safe implementation. IEEE Trans. Automat. Control 2003, 48, 2207–2212. [Google Scholar] [CrossRef]
  17. Kharitonov, V.L. Time-Delay Systems. Lyapunov Functionals and Matrices; Birkhäuser: London, UK, 2013. [Google Scholar]
  18. Kharitonov, V.L. An extension of the prediction scheme to the case of systems with both input and state delay. Automatica 2014, 50, 211–217. [Google Scholar] [CrossRef]
  19. Veremey, E.I. Separate filtering correction of observer-based marine positioning control laws. Int. J. Control 2017, 90, 1561–1575. [Google Scholar] [CrossRef]
  20. Capocci, R.; Dooly, G.; Omerdi´c, E.; Coleman, J.; Newe, T.; Toal, D. Inspection-class remotely operated vehicles—A review. J. Mar. Sci. Eng. 2017, 5, 13. [Google Scholar] [CrossRef]
  21. Ramos, R.L. Linear quadratic optimal control of a spar-type floating offshore wind turbine in the presence of turbulent wind and different sea states. J. Mar. Sci. Eng. 2018, 6, 151. [Google Scholar] [CrossRef]
Figure 1. General scheme of the closed-loop system.
Figure 1. General scheme of the closed-loop system.
Jmse 08 00477 g001
Figure 2. Structure of the compensative controller (30).
Figure 2. Structure of the compensative controller (30).
Jmse 08 00477 g002
Figure 3. Graphs of the functions y ( t ) and δ ( t ) for the reference closed-loop connection in Regime 1 of motion.
Figure 3. Graphs of the functions y ( t ) and δ ( t ) for the reference closed-loop connection in Regime 1 of motion.
Jmse 08 00477 g003
Figure 4. Graphs of the functions y ( t ) and δ ( t ) for closed-loop connection (32), (24) in Regime 1 of motion.
Figure 4. Graphs of the functions y ( t ) and δ ( t ) for closed-loop connection (32), (24) in Regime 1 of motion.
Jmse 08 00477 g004
Figure 5. Graphs of the function y(t) for closed-loop connection (33), (24) in Regime 1 of motion for the time delay h = 6 s (a loss of stability).
Figure 5. Graphs of the function y(t) for closed-loop connection (33), (24) in Regime 1 of motion for the time delay h = 6 s (a loss of stability).
Jmse 08 00477 g005
Figure 6. Graphs of the functions y(t) and δ ( t ) for real closed-loop system (23), (30), (31) in Regime 1 of motion.
Figure 6. Graphs of the functions y(t) and δ ( t ) for real closed-loop system (23), (30), (31) in Regime 1 of motion.
Jmse 08 00477 g006
Figure 7. Graphs of the functions y ( t ) and δ ( t ) for the reference closed-loop connection in Regime 2 of motion.
Figure 7. Graphs of the functions y ( t ) and δ ( t ) for the reference closed-loop connection in Regime 2 of motion.
Jmse 08 00477 g007
Figure 8. Graphs of the functions y ( t ) and δ ( t ) for real closed-loop system (23), (30), (31) in Regime 2 of motion.
Figure 8. Graphs of the functions y ( t ) and δ ( t ) for real closed-loop system (23), (30), (31) in Regime 2 of motion.
Jmse 08 00477 g008
Figure 9. Graph of the function y ( t ) for the reference closed-loop connection in Regime 3 of motion.
Figure 9. Graph of the function y ( t ) for the reference closed-loop connection in Regime 3 of motion.
Jmse 08 00477 g009
Figure 10. Graph of function δ(t) for the reference closed-loop connection in Regime 3 of motion.
Figure 10. Graph of function δ(t) for the reference closed-loop connection in Regime 3 of motion.
Jmse 08 00477 g010
Figure 11. Graph of the function δ ( t ) for the real closed-loop system (23), (30), (31) in Regime 3 of motion.
Figure 11. Graph of the function δ ( t ) for the real closed-loop system (23), (30), (31) in Regime 3 of motion.
Jmse 08 00477 g011

Share and Cite

MDPI and ACS Style

Veremey, E.I.; Pogozhev, S.V.; Sotnikova, M.V. Marine Autopilots’ Multipurpose Control Laws Synthesis for Actuators Time Delay. J. Mar. Sci. Eng. 2020, 8, 477. https://doi.org/10.3390/jmse8070477

AMA Style

Veremey EI, Pogozhev SV, Sotnikova MV. Marine Autopilots’ Multipurpose Control Laws Synthesis for Actuators Time Delay. Journal of Marine Science and Engineering. 2020; 8(7):477. https://doi.org/10.3390/jmse8070477

Chicago/Turabian Style

Veremey, Evgeny I., Sergei V. Pogozhev, and Margarita V. Sotnikova. 2020. "Marine Autopilots’ Multipurpose Control Laws Synthesis for Actuators Time Delay" Journal of Marine Science and Engineering 8, no. 7: 477. https://doi.org/10.3390/jmse8070477

APA Style

Veremey, E. I., Pogozhev, S. V., & Sotnikova, M. V. (2020). Marine Autopilots’ Multipurpose Control Laws Synthesis for Actuators Time Delay. Journal of Marine Science and Engineering, 8(7), 477. https://doi.org/10.3390/jmse8070477

Note that from the first issue of 2016, this journal uses article numbers instead of page numbers. See further details here.

Article Metrics

Back to TopTop