Abstract
This study considered the issue of increasing the synchronizing capacity of a system for the coordinated rotation of asynchronous motors. Electromechanical relationships were obtained for changes in the value of the supply voltage of individual motors, the total rotor resistance (Ra), and the angular positions of the rotors (φ1, φ2, and φ3), with possible changes in angular misalignment. Additionally, we created an algorithm for calculating the currents and torques of the system’s motors within 0 and 90° and constructed the relevant mechanical characteristics. Ultimately, we developed various versions of multi-motor asynchronous electric drives with regulation and supply voltages (Un = 0.7 ÷ 1.0), featuring increasing and equalizing torques (Mn = 1.0 ÷ 1.4) in the system as a whole, along with the preliminary synchronization and synchronous braking of all motors.
1. Introduction
Many production mechanisms, machines, and units in various industries require the synchronous rotation of several motors that are interconnected mechanically [1], electrically, or technologically. Such mechanisms include carding machines, belt and chain conveyors, unified building vibration platforms, cold rolling mills, and paper machines. In most drives using technological processes, the drive motors are not kinematically or rigidly connected to each other [2]. The rotation synchronization of asynchronous motors relating to these mechanisms is achieved through the use of a relay contact or control system for motors connected electrically according to the classical “electric shaft” scheme. Systems of the “energy shaft”, in turn, are divided into an electric operating shaft (EOS) and an electric equalizing shaft (EES). The distinctive features of such systems are detailed in [3]. These systems have significant disadvantages, such as a low synchronizing capacity and a tendency for self-oscillations; as a result, a narrow stability region and large losses of electrical energy are common in rotor circuits. Due to the availability of cheap and reliable asynchronous electric motors, the modern development of elements in power electronics, converters, and microprocessor technology allows [4] a wide variety of control systems for multi-motor asynchronous electric drives to be created. These advances have expanded the possibilities for synchronous rotation in motors, even with significant differences in load torques [5]. Thus, the creation and widespread implementation of control systems for multi-motor asynchronous electric drives with synchronous and synchronous-in-phase rotation are urgent tasks. Such systems would improve the quality of manufactured products and the productivity of technological processes [6]. The development and optimization of multi-motor asynchronous electric drives (MAEDs) represent a pivotal area in modern electromechanical engineering. These systems play a crucial role in various industrial applications where precise synchronization and efficient operation are paramount. This study focused on advancing the understanding and capabilities of MAEDs by developing a method for calculating mechanical characteristics and exploring their behaviors under variable supply voltages. Asynchronous motors [7], with their robustness and adaptability, are widely employed in industrial settings due to their ability to handle diverse loads and operational conditions. However, achieving the optimal synchronization of multiple motors, especially when subjected to fluctuations in supply voltages, remains a challenging, yet essential, objective [8]. The present study addresses this challenge by proposing a systematic approach to analyze and optimize the performance of MAEDs under varying electrical inputs. The methodology leverages a T-shaped equivalent circuit to derive essential parameters such as torque, stator, and rotor currents while considering angular deviations and electrical phase shifts. Practical validation and simulation in MATLAB R2022a (MATLAB 9.12) provide insights into transient behaviors and stability under different operational scenarios, thereby offering a comprehensive understanding of the system’s dynamic responses [9]. By examining the impact of supply voltage variations on mechanical characteristics and synchronization efficiency, this study aimed to contribute valuable insights into enhancing the reliability, efficiency, and adaptability of MAEDs in industrial applications. The results and discussions presented herein underscore the importance of tailored control strategies and optimal voltage management in achieving seamless operation and maximizing the energy efficiency of multi-motor asynchronous electric drives.
2. Materials and Methods
The main electromechanical ratios of the EOS three-engine system can be determined through a T-shaped equivalent circuit. The angular mismatches of the rotors of differently loaded motors are denoted by φ1, φ2, and φ3 relative to some imaginary axis rotating in coordination with the motor rotors. According to the theory of the electric shaft, mechanical angles of rotation can be considered in electrical degrees relative to the applied voltages along the stator circuits by multiplying the voltages by . The phase shifts of all motor currents are taken into account by multiplying using the same multipliers. This approach is necessary to make the formulas more symmetrical. Further calculations are carried out according to the principle of the overlay method [10].
When the supply voltage of individual motors changes, we accept the following generally accepted assumptions for the multi-motor electric drive with electrical communication through rotary circuits:
- -
- The parameters of the system engines are identical;
- -
- The magnetic field along the circumference of the air gap of each engine is distributed evenly, and only the main harmonic field is taken into account;
- -
- Losses in the steel of the stator and rotor are not taken into account, and the magnetic circuits of the motors are unsaturated;
- -
- Voltage is applied to the stator windings (symmetrical three-phase process);
- -
- The superposition principle is used to determine currents and torques;
- -
- The resistance of the connecting cables is not taken into account;
- -
- When studying stability, deviations “in the small” are taken into account.
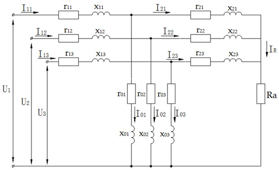
To determine the currents and moments of the MAED synchronous rotation (SR) system with electrical communication through common rotor circuits, which includes three asynchronous motors, we use a T-shaped equivalent circuit, which is shown in Figure 1. The variables are as follows (Figure 1):
Figure 1.
T-shaped equivalent circuit for three asynchronous motors with electrical connection through rotary circuits.
U1, U2, and U3 are the main voltages for each motor; I11, I12, I13, I21, I22, and I23 are the stator and rotor currents of the machines; r11, r12, and r13 and x11, x12, and x13 are the active and inductive resistances of the stator windings for the corresponding motors of the system with electrical connections through rotor circuits; r21, r22, and r23 and x21, x22, and x23 are the active and inductive resistances of the rotor windings; x01, x02, and x03 are the inductive resistances of the magnetization circuits; Ra is the additional resistance in the rotor circuit; S is the slip; and φ1, φ2, and φ3 are the angular shifts of the rotors in electrical degrees relative to the accepted reference axis.
Denoting the complex resistances of the stators and rotors while sliding S through Z1 and Z2, and taking into account the identity of the motor parameters and reduction in rotor resistances, we obtain the following:
where , , and are, respectively, the active resistance, inductive resistance, and resistance (Ra) of the general rotor circuit reduced to the stators of the motors.
Then, the voltage equations for the stator and rotor circuits are as follows [11]:
In our case, the parameters of all three motors are strictly identical (P1n = P2n = P3n, n1n = n2n = n3n, I11n = I12n = I13n = I21n = I22n = I23n). Thus, the voltage equation systems take the following form:
Next, we substitute the values of the stator currents from Equation (5) into the system of Equation (6). After the transformation, we obtain
By summing up these equalities, we obtain
Next, we determine the current in the common rotor circuit as follows:
By substituting the values of the total currents into the system of Equation (7), we obtain
Using Equation (10), we find the rotor currents:
Stator currents are defined as
In addition, the second and third engines are equal:
Next, we neglect the active resistance and designate Z, x through , , where is the primary dissipation factor [12]. Then, the rotor currents are defined as
The developed engine moments are as follows:
where , , and are complex quantities.
We represent the current as
given that , , and .
We then determine the developed moments of the engines as follows:
Changes in the supply voltage of the motors are indicated by the following coefficients:
Taking into account the previously accepted assumptions and the identity of the parameters of the motors included in the system and introducing the coefficients of voltage change , , and , we can find the equations for the currents and moments of the motors in the system [13]. Assuming that and , we write the stator and rotor voltage equations for each motor of a three-motor system with synchronous rotation with electrical connections through rotor circuits in the following form:
By taking into account the possible changes in voltages , , and using the coefficients , , and and substituting the value of the stator currents from Equation (18) into Equation (19), we obtain the expressions for rotor currents in Equation (20). Since the engines of the coordinated rotation system are assumed to be identical, we write the expressions for rotor currents and moments only for the first engine:
where , , , and are the maximum moments of the engines.
We next write expressions for the moment of the first engine, dividing them into asynchronous and synchronizing components:
As can be seen from Equation (22), the magnitude of the torque and, accordingly, the equalizing torque of a given motor are interrelated and affected by changes in the supply voltages of other machines. Similarly, one can write an expression for currents, moments, and synchronizing moments of a multi-motor system with adjustable voltage [14]. From this expression, we can find, as a special case, currents and moments for two, three, or more motors in a controlled and unregulated system of synchronous rotation with electrical connection through rotary circuits. Torques for a synchronous rotation system with electrical connection through rotary circuits with the nth motor are defined as
where the first term is the asynchronous component, and the second is the synchronizing component. The general equalizing moment in the n-motor system of synchronous rotation between the nth and mth motor has the following expression:
To calculate the mechanical characteristics, we use Equation (8) while giving different values to the mismatch angles, changing the magnitude of the supply voltage, and also changing the total rotor resistance. According to the above expressions, a calculation was carried out for Ue, 56a, 154W, and IP44 motors in a CR-24 electric drive carding machine (CM) with the following parameters:
3. Algorithm for Calculating the Electromechanical Ratio of a Multi-Motor Asynchronous Electric Drive
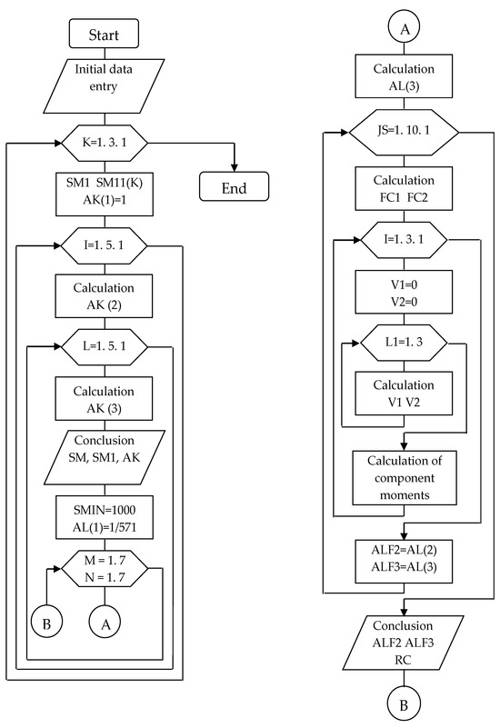
In taking into account the change and the angular positions of the rotor, the algorithm for calculating the mechanical characteristics of the three-engine MAED system is shown in Figure 2. This figure also plots the mechanical characteristics when changing various parameters. By changing the values of these coefficients and angles [15], we obtained many graphs of mechanical characteristics, as shown in Figure 2.
Figure 2.
Algorithm for calculating the mechanical characteristics of a three-engine MAED system.
The results of the calculation are shown in Figure 3. Next, we calculated and built curves for the mechanical characteristics representing three values of additional resistances corresponding to three stages and critical slips, S′m = 0.212, 0.347, and 0.645 (Figure 3a), and mismatch angles (Figure 3b), , and (Figure 3c) of the engine rotors.

Figure 3.
Mechanical characteristics of a three-motor electric drive carding machine (CM) at different mismatch angles and levels of total rotor resistance. (a) For different values of Ra corresponding to critical slip: blue S′m = 0 (without additional resistance Ra = 0); orange line S′m = 0.212; green line S′m = 0.347; red line S′m = 0.645. (b) M1 is the moment of the first engine, dotted blue line, M2 is the moment of the second engine, solid green line φ1 = φ2 = 30°, φ3 = 90° is the moment of the second engine, dotted orange line, M1 = M2 are equal moments of the first and second engines (φ1 = φ2 = 30°, φ3 = 90°), M3 is the moment of the third engine, dotted red line (φ1 = 90°, φ2 = 30°, φ3 = 0°). (c) M1 moment of the first engine, M2 = M3 moments of the second, third engines (φ1 = 90°, φ2 = φ3 = 0°, S′m = 0.645), M1 moment of the first engine, M2 = M3 moments of the second, third engines (S′m = 0.347, φ1 = 90°, φ2 = φ3 = 0°), M1 moment of the first engine, black dotted line M2 = M3 moments of the second and third engines, orange dotted line (S′m = 0.202, φ1 = 90°, φ2 = φ3 = 0°). (d) M1 moment of the first engine, blue dotted line, M2 = M3 moments of the second, third engines, red dotted line (φ1 = 90°, φ2 = φ3 = 0°). M* = Mn/Mnom—relative moments of engines (n = 1, 2, 3).
The curves with slip S′m = 0.645, shown in Figure 3a, are typical for a CR-24-type operating CM. Here, the value of the resistance not switched from the common rotor circuit is considered equal to 0.19 Ω from the perspective of the optimal parameters according to technological requirements. At the same time, the rigidity of the mechanical characteristics is much lower than that of the characteristics with S′m = 0.347 (dashed line with a dot) and S′m = 0.212 (dashed line) in Figure 3a. At S′m = 0.645, the EOS system tends to self-oscillate at static moments higher than Mst.nom. The system at critical angles of mismatch develops an equalizing maximum moment equal to Meq12 = Meq13 = 1.29Mmax and M* = Mn/Mnom, i.e., it can work stably at static moment values that satisfy the condition of Mst123 = 1.20Mmax. Figure 3b shows the dependences of for several slip values in the presence of resistance Ra = 0.05; 0.08; 0.19 Ω. Clearly, approaching synchronous speed greatly reduces the magnitude of the synchronizing components of the motor torques. An increase in the value of active resistances in the common rotor circuit alongside a decrease in the speed of the entire system increases the system’s synchronizing capacity [16]. The negative values of the moments’ synchronizing components are due to differences in the loads on the shafts. In this case, the synchronizing torques maintain consistent rotation. The difference between these moments determines the action of the entire system. For example, in the variant under consideration, the first engine is assumed to be the most significantly loaded. The synchronizing component of the torque for this engine is equalized by the sum of the moments of the other two engines, i.e., . Figure 3a presents the synchronizing torques of the system engines with the rotor positions at mismatched angles ∆φ12 = 90°. The equalizing moments between the first and third and the second and third engines of the system at angle ∆φ13 = 0 take maximum values, gradually decreasing with an increase in ∆φ13. The synchronizing component of the torque for the third machine at ∆φ13 = 180° is equal to zero, and the other machines are equal to each other but have opposite signs. The equalizing moments reach their maximum at ∆φ ± 90° and are equal to zero at ∆φ = 180° and ∆φ = 0 (Figure 3b). With small slips, the motors of the system develop only very limited moments. Therefore, their synchronizing components are small. Therefore, we can conclude that the EOS system in the CM drive works satisfactorily with a slip of at least 0.15–0.3 (Figure 3c,d). The above calculations indicate that in systems with large additional resistances, the torques of certain motors become negative, i.e., the system can only work when mechanical energy is supplied to these motors from the load side. As shown in expression Equation (26), the sum of the asynchronous and synchronizing components of the motors comprises the total equalizing moment between the motors. Equalizing moments are also formed through differences in drive torques. Figure 4 presents graphs based on the calculation results when the supply voltage of the motors changes.


Figure 4.
Graphs of the mechanical characteristics of MAEDs with a change in the supply voltages of the motors. (a) M1 = M2 = M3 solid green line, at kL1 = kL2 = kL3 at nominal supply voltages, additional resistance Ra = 0.3 Ohm, S′m = 0.297. (b) motor torques M1 blue line M2 red line, M3 green line at Ra = 0.30 Ohm, S′m = 0.297. (c) M1 torque of the first motor, blue line, at kL1 = 1, φ1 = 90°, M2 torque of the second motor, green line at kL2 = 0.85, φ2 = 60°, M3 torque of the third motor, at kL3 = 0.75, φ3 = 0°. (d) M1 is the moment of the first engine, blue line, at kL1 = 0.85, φ1 = 60°, M2 is the moment of the second engine, red line at kL2 = 1, φ2 = 90°, M3 is the moment of the third engine, green line at kL3 = 0.8, φ3 = 60°, All characteristics at Ra = 0.3 Ohm, S′m = 0.297. (e) M1 = M3 are the moments of the first, third engines and the red line kL1 = 1, φ1 = 90°, M2 are the moments of the second engine, green line kL2 = 0.75, φ2 = 45° All characteristics were obtained at Ra = 0.3 Ohm, S′m = 0.297. (f) M1 = M3 moments of the first, third engine and the red line kL1 = kL3 = 1, φ1 = 90°, M2 moments of the second engine, green line kL2 = 0.75, φ2 = 20° All characteristics are obtained at Ra = 0.3 Ohm, S′m = 0.297.
In a MAED system with TVCs, the synchronizing capacity is determined by equalizing torques consisting of the difference in the torques of the motors of the system with changes in the magnitude of the supply voltage. Here, the mechanical characteristics of the system engines in Figure 4a were obtained with U1 = U2 = U3 and φ1 = φ2 = φ3 = 0, i.e., all characteristics are identical based on the accepted identity of engines M1, M2, and M3. In this case, the mechanical characteristics at the same voltages and misalignment angles are identical, and the graphs of the mechanical characteristics are superimposed on each other [17]. All the characteristics were obtained at the minimum residual resistance in the common rotor circuit (Ra = 0.3 Ohm). Based on the characteristics presented in Figure 4b–d, the values of the supply voltages changed to within 75–100% of the nominal value, while the equalizing moments reached up to (Mn = 1.0 ÷ 2.5) from the nominal moments, and the angular positions of individual rotors changed to within a range of 0° to 90°. As shown by the mechanical characteristics in Figure 4b,c, the motors receiving the maximum voltage (in our case, U123 = Un and KL123 = 1.0) create the maximum torque, while motors with lower supply voltages create moments inversely proportional to the square of the voltage. In Figure 4d and Figure 4c, the mechanical characteristics are similar but differ at the same full voltages for the first and third motors. In addition, the value of the supply voltage of the second motor is reduced by 25% and differs in the angular positions of the rotors of the second motor (20° and 45°). In this case, the equalizing moments reach up to (Mn = 1.0 ÷ 1.5). The results of this study reveal that the differences in angular positions should not exceed 90°, while the value of the supply voltage should be changed to no lower than 0.75 of the nominal value. With such changes in parameters, the MAED system with TVCs operates stably. Equalizing moments are also formed due to differences in drive moments. Based on the obtained expressions of the moments, the following is true with the in-phase rotation of three machines, that is, with and :
In this case, all three machines operate on rheostatic characteristics with tripled additional resistance values 3Ra, and the equalizing moments are equal to zero.
4. Development of an Adjustable Multi-Motor Asynchronous Electric Drive
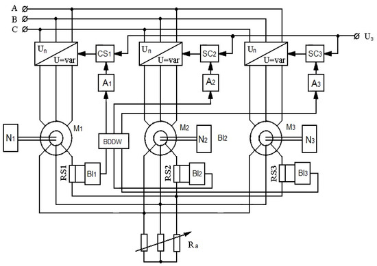
Many variants of a multi-motor asynchronous electric drive (MAED) with thyristor voltage converters (TVCs) have been proposed, showing significant improvements in the synchronizing capacity of such systems compared to classical systems of asynchronous electric drives with matched rotation [18]. One such developmental area is multi-motor asynchronous electric drives with adjustable supply voltages. The principle of this system is to increase the synchronizing capacity of MAEDs by regulating the supply voltages according to the load of the motors, i.e., the maximum loaded motor is supplied with maximum energy, and the less-loaded motor is supplied with voltage according to the load. Figure 5 shows MAEDs with TVCs fabricated on thyristors. MAEDs with TVCs work like this.
Figure 5.
Functional diagram of MAEDs with TVCs and determination of motor load difference.
In practical implementation, the power circuit of the TVC-AM system contains six thyristors connected pairwise anti-parallelly to the stator circuits of a three-phase asynchronous motor [19]. Such a converter is designed to regulate the first, or fundamental, harmonic that feeds the voltage motor by changing the thyristor opening angle α from α = φ to α = 180°. In this case, the effective phase voltage of the first harmonic changes from U1 = U1nom (where U1 = U1nom is the effective phase rated voltage of the supply network, and φ is the phase angle of the load, determined from the design parameters of the motors, as follows: to U1 = 0).
The frequency of the alternating voltage of the fundamental harmonic remains unchanged and is equal to the mains frequency, i.e., f1 = f1nom. With this control, the synchronous speed of the asynchronous motor and the critical slip do not change, but the motor torque is controlled. The degree of loading for the motors is determined as follows. In the sensors for the phases of the rotor currents, the selected signals are proportional to the phases of the rotor currents and converted into a control signal proportional to the rotor currents’ angles of mismatch for each motor relative to the total rotor current. Therefore, the signal is equal to
The control signals Uy1, Uy2, and Uy3 contribute by changing the energy flow supplied to each motor, thereby equalizing the phases of the rotor currents, i.e., the rotational synchronization of all motor speeds in the MAED system with TVCs. The equalizing moment of the system with common rotor resistance is subject to a synchronizing effect caused by differences in the voltages supplying the motors. In this case, the leading motor [20], which has a lower load, is supplied with less voltage, while the lagging motor is supplied with more voltage in accordance with the magnitude and sign of the mismatch angle. The thyristor groups of the most-loaded motor open completely.
Here, the mismatch angles are determined by the load difference. Therefore, the control accuracy of a multi-motor asynchronous electric drive with synchronous rotation is determined by the accuracy and measurement limits of the mismatch angle of the position of the rotors due to the differences in load moments on the shafts of electric motors that are not kinematically connected to each other.
The rest of the engines receive power in accordance with the load. General speed control of the MAED system with TVCs in accordance with technological requirements in small ranges can be achieved by changing the signal U3 or the total resistance Ra; in this scheme, such changes can be minimal. A previously developed multi-motor asynchronous electric drive allows for synchronous torque control using asymmetric voltage regulators and synchronous braking with an asymmetric power supply for stator windings of asynchronous electric motors. This circuit solution provides preliminary synchronization of the rotors for all motors by closing the thyristors back-to-back in one phase. This solution also enables the synchronous braking of motors or operating mechanisms after turning on the thyristors and connecting the windings of the third phase to the second.
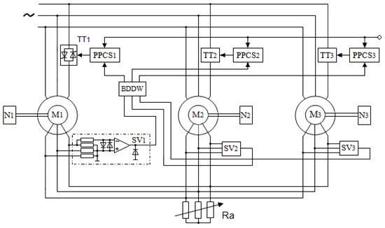
If an asymmetric voltage is applied to the stator windings of identical asynchronous motors in accordance with the diagram shown in Figure 6, then, when analyzing the mechanical characteristics of an asynchronous motor, the given system of asymmetric voltages can be replaced with two symmetrical voltage systems with positive and negative sequences. Both voltage systems create rotating fields for the positive and negative sequences. The rotor moves in the direction of the positive sequence field, which has a slip of with respect to the negative sequence field, where S is the slip relative to the positive sequence field.
Figure 6.
Three-motor electric drive with asymmetric thyristor voltage converters.
Here, M1, M2, and M3 are the asynchronous motors with a phase rotor; N1, N2, and N3 are the motor shaft loads; SV1, SV2, and SV3 are the rotary voltage sensors’ EMF; TT1, TT2, and TT3 represent the back-to-back thyristors; BDDW is the block for determining the degree of the workload; PPCS1, PPCS2, and PPCS3 are the pulse-phase control systems; and Ra is the total rotor resistance EOS.
Expressions for the moments of three induction motors from the positive and negative sequence fields in the MAED SR system can be found based on the T-shaped equivalent circuit shown in Figure 6. In this case, the torques of the engines will have the followings forms.
Direct sequence:
Reverse sequence:
Here, M123 represents the torques of the first, second, and third engines; Mmax is the maximum torque of the motors; S is the slip of asynchronous motors; and are the maximum slip of the engine separately and in the system of the electric working shaft; θ123 is the angular displacements of the motor rotors; and θL is the angular position of the rotor of the corresponding motor.
Total moments, i.e., the torques of each motor in the MAED SR system with unbalanced stator winding connections, are defined as
As indicated by the relevant expressions in MAED SR, the moments of the asynchronous motors consist of asynchronous and synchronizing components (the second terms are proportional to the sine of the angular position of the rotors). The corresponding graphs show that the mechanical characteristics during synchronous braking coincide and overlap with each other as rectilinear curves for the multi-motor version, demonstrating the correctness of the theory for asymmetric braking in the single-motor version.
5. Conclusions
Based on the T-shaped equivalent circuit, we achieved the following outcomes.
- (1)
- We obtained analytical expressions for the torques and stator and rotor currents of asynchronous motors in a coordinated rotation system.
- (2)
- An algorithm for calculating the main electromechanical ratios was compiled. In addition, mechanical characteristics were determined for various values of rotor resistance, supply voltages, and angular positions of asynchronous motor rotors in a coordinated rotation system.
- (3)
- We developed multi-motor asynchronous electric drives with thyristor converters featuring increased synchronizing capabilities.
- (4)
- A multi-motor asynchronous electric drive with preliminary synchronization, synchronous starting, and braking was developed.
Author Contributions
Conceptualization, K.T.; methodology, N.N. and A.Z.; software, N.N.; validation, A.B. and R.N.; formal analysis, A.Z. and K.T.; investigation, R.N. and K.T.; resources, O.Z. and I.K.; data curation, O.Z. and A.Z.; writing—original draft preparation, N.N., A.B., K.T. and A.Z.; writing—review and editing, R.N., O.Z. and I.K.; visualization, N.N. and K.T.; supervision, A.Z.; project administration, A.Z., N.N., O.Z. and K.T.; funding acquisition, A.B., I.K. and R.N. All authors have read and agreed to the published version of the manuscript.
Funding
This study was supported by the research grant of Almaty University of Power Engineering and Telecommunications named after G. Daukeyev in 2023 (project number AP19677356).
Institutional Review Board Statement
Not applicable.
Informed Consent Statement
Not applicable.
Data Availability Statement
Data are contained within the article.
Acknowledgments
The authors thank Glazunov Victor for the valuable advice and the reviewers for their patient and meticulous work.
Conflicts of Interest
The authors confirm that they have no conflicts of interest with respect to the work described in this manuscript.
References
- Zanasi, R.; Azzone, G. Field oriented control of a multi-phase asynchronous motor with harmonic injection. IFAC Proc. Vol. 2011, 44, 6160–6165. [Google Scholar] [CrossRef]
- Levi, E.; Bojoi, R.; Profumo, F.; Toliyat, H.A.; Williamson, S. Multiphase induction motor drives—A technology status review. IET Electr. Power Appl. 2007, 1, 489–516. [Google Scholar] [CrossRef]
- Xu, H.S.; Toliyat, H.A.; Petersen, L.J. Rotor field oriented control of five-phase induction motor with the combined fundamental and third harmonic currents. Proc. IEEE APEC 2001, 1, 392–398. [Google Scholar] [CrossRef]
- Kong, W.K.; Wang, J.X.; Kong, D.; Cong, Y.Y.; Feng, S.S. Motor shifting and torque distribution control of a multi-motor driving system in electric construction vehicles. Adv. Mech. Eng. 2021, 13, 1–11. [Google Scholar] [CrossRef]
- Shu, R.; Wei, J.; Tan, R.; Wu, X.; Fu, B. Investigation of dynamic and synchronization properties of a multi-motor driving system: Theoretical analysis and experiment. Mech. Syst. Signal Process. 2021, 153, 107496. [Google Scholar] [CrossRef]
- Xie, Z.; Shu, R.; Huang, J.; Fu, B.; Zou, Z.; Tan, R. Dynamic response and synchronizing characteristic for the dual-motor driving system in non-inertial system. Machines 2022, 10, 620. [Google Scholar] [CrossRef]
- Khamudkhanov, M.; Sapaev, B.; Umarov, B. Multi-motor drive with common inverter for pumping unites. IOP Conf. Ser. Mater. Sci. Eng. 2020, 862, 062035. [Google Scholar] [CrossRef]
- Aisayev, Y.; Tergemes, K.; Zhauyt, A.; Sheryazov, S.; Bakenov, K. The Impact of Replacing Synchronous Generators with Renewable-Energy Technologies on the Transient Stability of the Mangystau Power System: An Introduction to Flexible Automatic Dosage of Exposures. Energies 2024, 17, 2314. [Google Scholar] [CrossRef]
- Semykina, I.; Zavyalov, V.; Glazko, M. Gradient control of multi-motor asynchronous electric drive. Bull. Tomsk. Polytech. Univ. 2009, 315, 65–69. [Google Scholar]
- Kuric, I.; Nikitin, Y.; Sága, M.; Tlach, V.; Bannikov, A. Development of Electric Drive on the Basis of Five-Phase Synchronous Electric Motor. Electronics 2022, 11, 2680. [Google Scholar] [CrossRef]
- Odnokopylov, I.; Dementev, Y.; Usachev, I.; Lyapunov, D.; Petrusev, A. Load balancing of two-motor asynchronous electric drive. In Proceedings of the International Siberian Conference on Control and Communications (SIBCON), Omsk, Russia, 21–23 May 2015; pp. 1–4. [Google Scholar] [CrossRef]
- Shi, T.; Liu, H.; Geng, Q.; Xia, C. Improved relative coupling control structure for multi-motor speed synchronous driving system. IET Electr. Power Appl. 2016, 10, 451–457. [Google Scholar] [CrossRef]
- Wei, J.; Shu, R.; Qin, D.; Lim, T.C.; Zhang, A.; Meng, F. Study of synchronization characteristics of a multi-source driving transmission system under an impact load. Int. J. Precis. Eng. Manuf. 2016, 17, 1157–1174. [Google Scholar] [CrossRef]
- Xiong, H.; Zhang, M.; Zhang, R.; Zhu, X.; Yang, L.; Guo, X.; Cai, B. A new synchronous control method for dual motor electric vehicle based on cognitive-inspired and intelligent interaction. Future Gener. Comput. Syst. 2019, 94, 536–548. [Google Scholar] [CrossRef]
- Lv, Y.; Ren, X.; Na, J. Online Nash-optimization tracking control of multi-motor driven load system with simplified RL scheme. ISA Trans. 2020, 98, 251–262. [Google Scholar] [CrossRef] [PubMed]
- Wang, M.L.; Ren, X.M.; Chen, Q.; Wang, S.B.; Gao, X.H. Modified dynamic surface approach with bias torque for multi-motor servomechanism. Control Eng. Pract. 2016, 50, 57–68. [Google Scholar] [CrossRef]
- Yang, Y.; Mi, Y.; Qin, D.; Yuan, A.; Li, G. Analysis of the characteristics of electromechanical-hydraulic model of multi-source drive/transmission system based on periodic excitation. Adv. Mech. Eng. 2019, 11, 1–15. [Google Scholar] [CrossRef]
- Feng, X.; Zhuo, Q.; Liu, X.; Qian, Y.; Li, Y. Development of multi-motor synchronous control system based on network-on-chip. Proc. Inst. Mech. Eng. Part I J. Syst. Control Eng. 2020, 234, 1000–1010. [Google Scholar] [CrossRef]
- Ruan, J.; Song, Q. A novel dual-motor two-speed direct drive battery electric vehicle drivetrain. IEEE Access 2019, 7, 54330–54342. [Google Scholar] [CrossRef]
- Fang, P.; Wang, Y.; Zou, M.; Zhang, Z. Combined control strategy for synchronization control in multi-motor-pendulum vibration system. J. Vib. Control 2021, 28, 2254–2267. [Google Scholar] [CrossRef]
Disclaimer/Publisher’s Note: The statements, opinions and data contained in all publications are solely those of the individual author(s) and contributor(s) and not of MDPI and/or the editor(s). MDPI and/or the editor(s) disclaim responsibility for any injury to people or property resulting from any ideas, methods, instructions or products referred to in the content. |
© 2024 by the authors. Licensee MDPI, Basel, Switzerland. This article is an open access article distributed under the terms and conditions of the Creative Commons Attribution (CC BY) license (https://creativecommons.org/licenses/by/4.0/).








