Stability Analysis of Trench Wall for Diaphragm Wall in Ultra-Deep Circular Foundation Pit: A Comprehensive Investigation
Abstract
:1. Introduction
2. Analysis of Trench Wall Stability
2.1. Types of Trench Wall Instability
2.1.1. Overall Instability
2.1.2. Local Instability
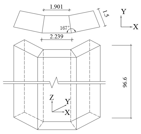
2.2. Project Overview
3. 3D Sliding Force Balance Analysis
3.1. Overall Instability
3.1.1. Model Building

3.1.2. Destructive Force Analysis
3.2. Calculation of Local Instability of Double-Angled Trench
3.2.1. Model Building
3.2.2. Destructive Force Analysis
3.3. Calculation Results of Overall and Local Instability
4. 3D Numerical Analysis
4.1. Determination of Calculation and Parameters
4.2. Numerical Solution of Critical Slurry Weight
5. Engineering Verification
5.1. Comparison Results of Different Methods
5.2. Stability Inspection
6. Conclusions
- (1)
- In this study, we have developed a novel calculation model to assess the overall stability of the double-angled trench. Drawing upon the Mohr–Coulomb strength theory and limit equilibrium conditions, our model accounts for the influence of the positive angle of the sliding body of the double-angled trench section. Specifically, a minimum slurry weight calculation formula to ensure the total stability of the diaphragm wall was derived.
- (2)
- A theoretical calculation model for the maintenance of the local stability of the diaphragm wall is established by utilizing the strip method and the limit equilibrium condition to analyze the force of the micro-soil unit. This model allows for the consideration of the impact of various factors on local instability. By employing this model, a formula for the calculation of the minimum slurry weight required to ensure the local stability of the diaphragm wall was derived.
- (3)
- The stability of the double-angled trench section’s wall was analyzed using the finite element method that employed the strength reduction approach. The results showed that the center of the inner side of the trench wall was the most susceptible to damage, followed by the inner corner of the trench wall, and then the middle and outer corner of the outer side of the trench wall.
- (4)
- The model proposed in this paper is verified to be valid, but more extensive validation is still needed, such as considering different geologic conditions and trenching methods. In addition, the description of the connections between the groove segments and the methods of strengthening the reliability of the connections will be the focus of further research.
Author Contributions
Funding
Institutional Review Board Statement
Informed Consent Statement
Data Availability Statement
Conflicts of Interest
References
- Zhang, J.; Li, M.; Ke, L.; Yi, J. Distributions of lateral earth pressure behind rock-socketed circular diaphragm walls considering radial deflection. Comput. Geotech. 2022, 143, 4604. [Google Scholar] [CrossRef]
- Liu, K.; Ariaratnam, S.T.; Zhang, P.; Chen, X.; Wang, J.; Ma, B.; Zhang, Y.; Feng, X.; Xu, T. Mechanical response of diaphragm wall supporting deep launch shaft induced by braced excavation and pipe jacking operation. Tunn. Undergr. Space Technol. 2023, 134, 4998. [Google Scholar] [CrossRef]
- Li, Y.C.; Pan, Q.; Cleall, P.J.; Chen, Y.M.; Ke, H. Stability analysis of slurry trenches in similar layered soils. J. Geotech. Geoenvironmental Eng. 2013, 139, 2109. [Google Scholar] [CrossRef]
- Huang, M.; Ning, J.; Yu, J.; Li, Y. Effect of slurry infiltration on trench stability of diaphragm wall in sand. Chin. J. Rock Mech. Eng. 2023, 42, 1777. [Google Scholar]
- Lei, M.F.; Peng, L.M.; Shi, C.H.; Zhang, Y.L.; Li, W.H. A simplified Calculation Method for Spatial Effect in Large-Long-Deep Foundation Pit and Its Analysis. Adv. Mater. Res. 2011, 243, 2762–2770. [Google Scholar] [CrossRef]
- Qian, L.; Hu, C.; Wang, X.; Jia, W.; Du, Y. Research status of the instability mode and its stability calculation method of underground diaphragm wall. J. Rail Way Sci. Eng. 2019, 1743, 1750. [Google Scholar]
- Han, C.Y.; Chen, J.J.; Wang, J.H.; Xia, X.H. 2D and 3D stability analysis of slurry trench in frictional/cohesive soil. J. Zhejiang Univ. Sci. A 2013, 14, 94–100. [Google Scholar] [CrossRef]
- Huang, F.; Wang, Y.; Xu, J.; Pan, Q.; Wang, D. Stability analysis of slurry trench based on nonlinear failure criterion and energy consumption analysis method. J. Rail Way Sci. Eng. 2022, 19, 491–499. [Google Scholar]
- Tsai, J.; Jou, L.; Hsieh, H. A full-scale stability experiment on a diaphragm wall trench. Can. Geotech. J. 2000, 37, 379–392. [Google Scholar] [CrossRef]
- Tsai, J.; Chang, C.; Jou, L. Lateral extrusion analysis of sandwiched weak soil in slurry trench. J. Geotech. Geoenvironmental Eng. 1998, 124, 1090. [Google Scholar] [CrossRef]
- Tsai, J.; Chang, J. Three-dimensional stability analysis for slurry-filled trench wall in cohesionless soil. Can. Geotech. J. 1996, 33, 798–808. [Google Scholar] [CrossRef]
- Fox, P.J. Analytical solutions for stability of slurry trench. J. Geotech. Geoenvironmental Eng. 2004, 130, 749–758. [Google Scholar] [CrossRef]
- Han, C.Y.; Wang, J.H.; Xia, X.H.; Chen, J.J. Limit analysis for local and overall stability of a slurry trench in cohesive soil. Int. J. Geomech. 2015, 15, 4026. [Google Scholar] [CrossRef]
- Zhang, F.; Gao, Y.F.; Leshchinsky, D.; Zhu, D.S.; Lei, G.H. Three-dimensional stability of slurry-supported trenches: End effects. Comput. Geotech. 2016, 74, 174–187. [Google Scholar] [CrossRef]
- Wang, H.; Huang, M.; Chian, S.C. Three-dimensional trench stability in non-uniform undrained clay with discretization-based kinematic analysis. Comput. Geotech. 2021, 135, 4166. [Google Scholar] [CrossRef]
- Oblozinsky, P.; Ugai, K.; Katagiri, M.; Saitoh, K.; Ishii, T.; Masuda, T.; Kuwabara, K. A design method for slurry trench wall stability in sandy ground based on the elasto-plastic FEM. Comput. Geotech. 2001, 28, 145–159. [Google Scholar] [CrossRef]
- Grandas-Tavera, C.E.; Triantafyllidis, T. Simulation of a corner slurry trench failure in clay. Comput. Geotech. 2012, 45, 107–117. [Google Scholar] [CrossRef]
- Li, A.J.; Merifield, R.S.; Lin, H.D.; Lyamin, A.V. Trench stability under bentonite pressure in purely cohesive clay. Int. J. Geomech. 2014, 14, 151–157. [Google Scholar] [CrossRef]
- Qin, C. Determination of slurry density required for stability of slurry-supported trenches excavated in partially submerged soils. Comput. Geotech. 2019, 116, 3212. [Google Scholar] [CrossRef]
- Wang, H.; Huang, M. Upper bound stability analysis of slurry-supported trenches in layered soils. Comput. Geotech. 2020, 122, 3554. [Google Scholar] [CrossRef]
- Xiao, H.; Sun, Y. Global and local stability analysis of slurry trenches under surcharge in soft soils. Int. J. Geotech. Eng. 2016, 10, 205–211. [Google Scholar] [CrossRef]
- Lei, M.; Liu, L.; Lin, Y.; Shi, C.; Yang, W.; Cao, C.; Liu, Y. Research Progress on Stability of Slurry Wall Trench of Underground Diaphragm Wall and Design Method of Slurry Unit Weight. Adv. Civ. Eng. 2019, 2019, 5374. [Google Scholar] [CrossRef]
- Morgenstern, N.; Amir-Tahmasseb, I. The stability of a slurry trench in cohesionless soils. Geotechnique 1965, 15, 387–395. [Google Scholar] [CrossRef]
- Wang, Z. Hole wall instability and mechanism of slurry protection about large diameter bilge well. J. Cent. South Univ. Sci. Technol. 2012, 43, 4864. [Google Scholar]


















| Type | Thickness (m) | Gravity (kN/m3) | Poisson Ratio (−) | Cohesion (kPa) | Internal Friction Angle (°) | Compression Modulus (MPa) | Permeability Coefficient (m/s) |
|---|---|---|---|---|---|---|---|
| Plain fill | 4.7 | 18.7 | 0.35 | 12 | 8 | 6.75 | 1.20 × 10−6 |
| Clay ① | 5.8 | 18.9 | 0.4 | 31 | 7.8 | 6.5 | 5.00 × 10−6 |
| Silty clay ① | 7 | 19.3 | 0.4 | 30.8 | 9.6 | 6.62 | 1.60 × 10−7 |
| Clay ② | 10.5 | 18.8 | 0.38 | 30.5 | 9 | 8.84 | 5.00 × 10−6 |
| Silty clay ② | 31.4 | 20.1 | 0.35 | 31.3 | 12.2 | 8.52 | 1.10 × 10−7 |
| Peaty soil | 9.8 | 13.9 | 0.35 | 15 | 8.6 | 7.24 | 1.70 × 10−8 |
| Dolomitic limestone | 50.8 | 21.6 | 0.3 | 110 | 45 | 26 | 5.00 × 10−5 |
| Overall Stability | Local Stability | |
|---|---|---|
| Double-Angle Trench Wall | Rectangular Section | |
| 10.58 | 10.06 | 11.14 |
Disclaimer/Publisher’s Note: The statements, opinions and data contained in all publications are solely those of the individual author(s) and contributor(s) and not of MDPI and/or the editor(s). MDPI and/or the editor(s) disclaim responsibility for any injury to people or property resulting from any ideas, methods, instructions or products referred to in the content. |
© 2023 by the authors. Licensee MDPI, Basel, Switzerland. This article is an open access article distributed under the terms and conditions of the Creative Commons Attribution (CC BY) license (https://creativecommons.org/licenses/by/4.0/).
Share and Cite
Xu, Q.; Xie, J.; Sun, Z.; Lu, L.; Yu, H. Stability Analysis of Trench Wall for Diaphragm Wall in Ultra-Deep Circular Foundation Pit: A Comprehensive Investigation. Appl. Sci. 2023, 13, 12037. https://doi.org/10.3390/app132112037
Xu Q, Xie J, Sun Z, Lu L, Yu H. Stability Analysis of Trench Wall for Diaphragm Wall in Ultra-Deep Circular Foundation Pit: A Comprehensive Investigation. Applied Sciences. 2023; 13(21):12037. https://doi.org/10.3390/app132112037
Chicago/Turabian StyleXu, Qianwei, Jinli Xie, Zili Sun, Linhai Lu, and Hangfei Yu. 2023. "Stability Analysis of Trench Wall for Diaphragm Wall in Ultra-Deep Circular Foundation Pit: A Comprehensive Investigation" Applied Sciences 13, no. 21: 12037. https://doi.org/10.3390/app132112037
APA StyleXu, Q., Xie, J., Sun, Z., Lu, L., & Yu, H. (2023). Stability Analysis of Trench Wall for Diaphragm Wall in Ultra-Deep Circular Foundation Pit: A Comprehensive Investigation. Applied Sciences, 13(21), 12037. https://doi.org/10.3390/app132112037
