Implementing a Precision Pneumatic Plug Tray Seeder with High Seeding Rates for Brassicaceae Seeds via Real-Time Trajectory Tracking Control
Abstract
1. Introduction
2. Experimental Method
2.1. Structural Design of the Precision Pneumatic Plug Tray Seeder
2.2. Precision Pneumatic Plug Tray Seeder Layout and Real-Time Control System
2.3. Experimental Setup
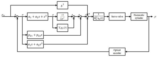
3. Mathematical Model and Controller
3.1. Mathematical Model of the Precision Pneumatic Plug Tray Seeder [26,27]
3.2. Adaptive Sliding Mode Control [26,27]
4. Results and Discussions
4.1. Simulations
4.2. Experiments
4.3. Seeding Rate Analysis
5. Conclusions
Author Contributions
Funding
Data Availability Statement
Conflicts of Interest
References
- Gaikwad, B.B.; Sirohi, N.P.S. Design of a low-cost pneumatic seeder for nursery plug trays. Biosyst. Eng. 2008, 99, 322–329. [Google Scholar] [CrossRef]
- EL-Ghobashy, H.; Mohamed, T.; EL-Ashker, A.; Shabaan, Y. Development of a locally vacuum vegetable seeder for nursery trays. J. Soil Sci. Agric. Eng. 2016, 7, 595–602. [Google Scholar] [CrossRef][Green Version]
- Naik, M.D.A.; Thakur, H.M. Design and analysis of an automated seeder for small scale sowing applications for tray plantation method. Int. J. Eng. Res. Technol. 2017, 10, 716–723. [Google Scholar]
- Xia, H.; Zhen, W.; Liu, Y.; Zhao, K. Optoelectronic measurement system for a pneumatic roller-type seeder used to sow vegetable plug-trays. Measurement 2021, 170, 108741. [Google Scholar] [CrossRef]
- Karayel, D.; Barut, Z.; Özmerzi, A. Mathematical modelling of vacuum pressure on a precision seeder. Biosyst. Eng. 2004, 87, 437–444. [Google Scholar] [CrossRef]
- Xia, H.; Liu, Y.; Zhao, K.; Jiang, L.; He, Z.; Gu, S. A novel sowing operation parameter learning optimization method using dataset of sown seeds with similar properties. Comput. Electron. Agric. 2022, 201, 107293. [Google Scholar] [CrossRef]
- Pareek, C.M.; Tewari, V.K.; Machavaram, R. Multi-objective optimization of seeding performance of a pneumatic precision seed metering device using integrated ANN-MOPSO approach. Eng. Appl. Artif. Intell. 2023, 117, 105559. [Google Scholar] [CrossRef]
- Li, Z.; Wu, J.; Du, J.; Duan, D.; Zhang, T.; Chen, Y. Experimenting and Optimizing Design Parameters for a Pneumatic Hill-Drop Rapeseed Metering Device. Agronomy 2023, 13, 141. [Google Scholar] [CrossRef]
- Silva, G.N.; de Pinho, M.D.R.; Teixeira, M.A.; Messias, M.; Macau, E. Nonlinear Systems: Asymptotic Methods, Stability, Chaos, Control, and Optimization. Math. Probl. Eng. 2011, 2011, 498751. [Google Scholar] [CrossRef]
- Moriwaki, K. A Harvest Vehicle with Pneumatic Servo System for Gathering a Harvest and its Control. IFAC-Pap. 2016, 49, 460–466. [Google Scholar] [CrossRef]
- Lin, W.; Guan, R.; Yuan, L.; Li, Z.; Tong, M. Position feedback dynamic surface control for pneumatic actuator position servo system. Syst. Sci. Control Eng. 2018, 6, 388–397. [Google Scholar] [CrossRef]
- Zhang, Y.; Li, K.; Wang, G.; Liu, J.; Cai, M. Nonlinear model establishment and experimental verification of a pneumatic rotary actuator position servo system. Energies 2019, 12, 1096. [Google Scholar] [CrossRef]
- Gao, H.; Kareem, A.; Jawarneh, M.; Ofori, I.; Raffik, R.; Kishore, K.H. Metaheuristics Based Modeling and Simulation Analysis of New Integrated Mechanized Operation Solution and Position Servo System. Math. Probl. Eng. 2022, 2022, 1466775. [Google Scholar] [CrossRef]
- Zhang, B.; Jiang, A.; Jiang, J.; Qi, Y.; Xue, L.; Wang, Y. A New Positioning Strategy Based on Parameter Tuning and Optimal Control Technique for Pneumatic Control Valve. Actuators 2022, 11, 279. [Google Scholar] [CrossRef]
- Wang, Z.; Guo, Z.; Zhu, G.; Wang, X.; Li, X. Finite Element Modeling and Optimal Design of an Electromagnetic Pneumatic Flow Servo Valve. Math. Probl. Eng. 2023, 2023, 2796963. [Google Scholar] [CrossRef]
- Zhu, M.; Chen, S.; Xu, Z.; Dong, X. Design of Two-Degree-of-Freedom Fractional-Order Internal Model Control Algorithm for Pneumatic Control Valves. Actuators 2023, 12, 214. [Google Scholar] [CrossRef]
- Ding, S.; Park, J.H.; Chen, C.C. Second-order sliding mode controller design with output constraint. Automatica 2020, 112, 108704. [Google Scholar] [CrossRef]
- Fei, J.; Wang, Z.; Liang, X.; Feng, Z.; Xue, Y. Fractional sliding-mode control for microgyroscope based on multilayer recurrent fuzzy neural network. IEEE Trans. Fuzzy Syst. 2021, 30, 1712–1721. [Google Scholar] [CrossRef]
- Li, F.; Zhang, Z.; Wu, Y.; Chen, Y.; Liu, K.; Yao, J. Improved fuzzy sliding mode control in flexible manipulator actuated by PMAs. Robotica 2022, 40, 2683–2696. [Google Scholar] [CrossRef]
- Yu, L.; Huang, J.; Luo, W.; Chang, S.; Sun, H.; Tian, H. Sliding-Mode Control for PMLSM Position Control—A Review. Actuators 2023, 12, 31. [Google Scholar] [CrossRef]
- Chen, G.; Jiang, Y.; Tang, Y.; Xu, X. Revised adaptive active disturbance rejection sliding mode control strategy for vertical stability of active hydro-pneumatic suspension. ISA Trans. 2023, 132, 490–507. [Google Scholar] [CrossRef] [PubMed]
- Sun, Z.; Hu, S.; Xie, H.; Li, H.; Zheng, J.; Chen, B. Fuzzy adaptive recursive terminal sliding mode control for an agricultural omnidirectional mobile robot. Comput. Electr. Eng. 2023, 105, 108529. [Google Scholar] [CrossRef]
- Ren, H.P.; Wang, X.; Fan, J.T.; Kaynak, O. Fractional order sliding mode control of a pneumatic position servo system. J. Frankl. Inst. 2019, 356, 6160–6174. [Google Scholar] [CrossRef]
- Zhao, L.; Gu, S.; Zhang, J.; Li, S. Finite-time trajectory tracking control for rodless pneumatic cylinder systems with disturbances. IEEE Trans. Ind. Electron. 2021, 69, 4137–4147. [Google Scholar] [CrossRef]
- Available online: https://www.festo.com/gb/en/a/532641/?q=~:sortByFacetValues-asc (accessed on 20 July 2023).
- Lin, H.T. A novel real-time path servo control of a hardware-in-the-loop for a large-stroke asymmetric rod-less pneumatic system under variable loads. Sensors 2017, 17, 1283. [Google Scholar] [CrossRef] [PubMed]
- Lin, H.T. Development of the Intelligent Pneumatic Sewing Platform for Mask Production. IEEE Access 2020, 8, 141777–141786. [Google Scholar] [CrossRef]
- Eker, I. Second-order sliding mode control with experimental application. ISA Trans. 2010, 49, 394–405. [Google Scholar] [CrossRef]

















| Component | Specification |
|---|---|
| Rod-less pneumatic actuator | Piston diameter: 18 mm |
| Stroke: 700 mm | |
| Auxiliary cylinder | Stroke: 700 mm |
| Guided drive | Piston diameter: 12 mm |
| Stroke: 50 mm | |
| Pneumatic servo valve | 5/3-way function |
| Input voltage: 0–10 V | |
| Solenoid valve | 5/2-way function |
| Vacuum generator | 2/3-way function |
| Optical encoder | Range: 700 mm |
| Resolution: 1 μm | |
| DAQ card | 16-bit, 8-ch., non-isolated analog output card Output range: ±10 V, 0–20 mA, 4–20 mA |
| Counter card | Analog I/O, correlated digital I/O, two 32-bit counters/timers, and digital triggering |
| Needle | Inside diameter: 0.51 mm |
| Outside diameter: 0.82 mm | |
| Length: 30 mm | |
| Plug tray | 104 cells, 42 mm for cell diameter |
| Crop | Length (mm) | Width (mm) | Aspect Ratio | Weight of 1000 Seeds (g) |
|---|---|---|---|---|
| Brassica rapa subsp. pekinensis | 1.977 ± 0.133 | 1.713 ± 0.124 | 1.154 | 3.27 |
| Brassica rapa subsp. chinensis | 1.969 ± 0.119 | 1.727 ± 0.119 | 1.140 | 3.43 |
| Brassica parachinensis | 1.902 ± 0.112 | 1.668 ± 0.090 | 1.292 | 2.41 |
| Brassica oleracea var. botrytis | 1.792 ± 0.130 | 1.509 ± 0.099 | 1.188 | 1.74 |
| Brassica oleracea var. capitata | 2.505 ± 0.183 | 2.088 ± 0.201 | 1.200 | 4.39 |
| Control Method | Trajectory | RMSE (mm) | Max. Error (mm) |
|---|---|---|---|
| Proposed method | Fifth-order polynomial trajectory | 0.769 | 2.729 |
| Proposed method | Hybrid trajectory | 0.570 | 2.107 |
| Proposed method | Seeding trajectory | 0.436 | 2.357 |
| Method in Ref. [23] | Sine trajectory | 1.037 | - |
| Method in Ref. [23] | Multi-frequency sine trajectory | 0.831 | - |
| Method in Ref. [24] | Sine trajectory | 9.82 | - |
| Seeding Method | Crop | Single-Seeding Rate (%) | Multi-Seeding Rate (%) | Missed-Seeding Rate (%) | Germination Rate (%) |
|---|---|---|---|---|---|
| Proposed method | Brassica rapa subsp. pekinensis | 94.23 | 0.32 | 3.21 | 94.23 |
| Proposed method | Brassica rapa subsp. chinensis | 94.87 | 4.49 | 0.64 | 83.01 |
| Proposed method | Brassica parachinensis | 97.12 | 0.96 | 1.92 | 95.83 |
| Proposed method | Brassica oleracea var. botrytis | 95.20 | 1.92 | 2.88 | 87.18 |
| Proposed method | Brassica oleracea var. capitata | 96.48 | 2.56 | 0.96 | 91.35 |
| Method in Ref. [1] | Capsicum | 92.46 | 5.23 | 2.31 | - |
| Method in Ref. [1] | Tomato | 90.12 | 6.4 | 3.48 | - |
Disclaimer/Publisher’s Note: The statements, opinions and data contained in all publications are solely those of the individual author(s) and contributor(s) and not of MDPI and/or the editor(s). MDPI and/or the editor(s) disclaim responsibility for any injury to people or property resulting from any ideas, methods, instructions or products referred to in the content. |
© 2023 by the authors. Licensee MDPI, Basel, Switzerland. This article is an open access article distributed under the terms and conditions of the Creative Commons Attribution (CC BY) license (https://creativecommons.org/licenses/by/4.0/).
Share and Cite
Lin, H.-T.; Lee, Y.-H. Implementing a Precision Pneumatic Plug Tray Seeder with High Seeding Rates for Brassicaceae Seeds via Real-Time Trajectory Tracking Control. Actuators 2023, 12, 340. https://doi.org/10.3390/act12090340
Lin H-T, Lee Y-H. Implementing a Precision Pneumatic Plug Tray Seeder with High Seeding Rates for Brassicaceae Seeds via Real-Time Trajectory Tracking Control. Actuators. 2023; 12(9):340. https://doi.org/10.3390/act12090340
Chicago/Turabian StyleLin, Hao-Ting, and Yu-Hsien Lee. 2023. "Implementing a Precision Pneumatic Plug Tray Seeder with High Seeding Rates for Brassicaceae Seeds via Real-Time Trajectory Tracking Control" Actuators 12, no. 9: 340. https://doi.org/10.3390/act12090340
APA StyleLin, H.-T., & Lee, Y.-H. (2023). Implementing a Precision Pneumatic Plug Tray Seeder with High Seeding Rates for Brassicaceae Seeds via Real-Time Trajectory Tracking Control. Actuators, 12(9), 340. https://doi.org/10.3390/act12090340

