Next Article in Journal
Internal and External Landscape Features of 18 Parks in Hangzhou, China That Cool the Park and the Surrounding Urban Areas: Strategies for Other Cities
Previous Article in Journal
Performance Study on a New Type of Connection Joint for Prefabricated Stiffened Column and Composite Beam Frame Structures
Previous Article in Special Issue
Hemp Fibre Treatments in Bio-Composites: A Review for Sustainable and Resilient Structures
 
 
Due to scheduled maintenance work on our servers, there may be short service disruptions on this website between 11:00 and 12:00 CEST on March 28th.
Font Type:
Arial Georgia Verdana
Font Size:
Aa Aa Aa
Line Spacing:
Column Width:
Background:
Article

Numerical Analysis of In-Plane Stiffness of Light-Timber-Framed Wall Elements with Various Sheathing Materials

by
Jelena Vilotijević
and
Miroslav Premrov
*
Faculty of Civil Engineering, Transportation Engineering and Architecture, University of Maribor, 2000 Maribor, Slovenia
*
Author to whom correspondence should be addressed.
Buildings 2026, 16(3), 629; https://doi.org/10.3390/buildings16030629
Submission received: 25 December 2025 / Revised: 8 January 2026 / Accepted: 29 January 2026 / Published: 2 February 2026

Abstract

This paper numerically analyses numerous parameters with the most sensitive impact on the in-plane lateral behaviour of light timber-framed (LTF) wall elements. Different types of sheathing material (fibre-plaster boards, OSB) are studied according to the parametrically chosen distance between the fasteners, using three different calculation procedures: (a) a previously developed semi-analytical procedure using the Modified Gamma Method (MGM) accounts for bending, shear, and timber-to-framing connection flexibility simultaneously; (b) a previously developed FEM Spring Model as the most accurate approach; and (c) in this study, a specially developed innovative FEM 2D Hinge Model using the two-dimensional hinge layer to simulate the deformability between the sheathing boards and the timber frame, which enables significantly faster FEM analysis compared to the already developed FEM Spring Model. This, in turn, realistically allows for much faster analysis of real multi-storey timber structures. In order to only judge the influence of the sheathing material and fastener disposition, in all cases, the tensile and compressive vertical supports are considered to be stiff-supported wall elements as prescribed by the valid Eurocode 5 standard; however, it is possible to additionally include all three possible supporting flexibilities. The study places particular emphasis on the deformation of sliding fasteners between the sheathing boards and the timber frame, which arises from fastener flexibility and can significantly reduce the overall in-plane stiffness of LTF wall elements. For specially selected parametric values of fastener spacing (s = 20, 37.5, 75, and 150 mm), parametric FEM analysis using a special 2D hinge layer is additionally developed and performed to validate the previously developed semi-analytical expressions by the MGM for the in-plane wall stiffness, which seems to be the most appropriate for designing engineering implementation. All applied approaches to modelling wall elements considered the same parameters for evaluating the stiffness of an individual wall element, which represents a fundamental input parameter in the modelling of frame wall elements within the overall structure. The aim of the study is to determine the most suitable and accurate model, as the response of the entire structure to horizontal loading depends on the design of the individual wall element. Among these, it has been demonstrated that the thickness of the load-bearing timber frame and the type of resisting LTF walls (internal or external) have practically no significant effect on the in-plane stiffness of such wall elements. Consequently, the type of sheathing material (FPB or OSB) and especially the spacing between the fasteners are much more sensitive parameters, which would probably need to be given further consideration in future FEM studies.

1. Introduction

Climate change is increasingly forcing us to seek ecologically optimal solutions with the lowest possible generation of environmentally harmful CO2 emissions when designing buildings. On the other hand, our modern lifestyle also requires that the interior spaces of such buildings provide us with the highest possible level of living comfort. Prefabricated timber construction has proven advantages in all these matters over other types of traditional buildings, such as concrete, steel, or masonry, and is also becoming increasingly popular in multi-storey construction [1]. However, it should also be noted that, particularly when designing multi-storey timber structures, there are certain limitations regarding the maximum possible height or number of storeys of such buildings due to the combustibility of wood and its some specific structural limitations, primarily related to a low modulus of elasticity. Quite a few countries therefore have different regulations limiting the height or number of floors in timber structures. For instance, in Australia, the limit is prescribed according to a maximum effective height of up to 25 m [2]. On the other hand, in Germany, the new legislation stipulates restrictions based on the number of floors rather than the height of the building and allows the construction of up to five storeys [3]. In North America, it is usual for timber buildings to be only four storeys high, with five or six storeys occasionally allowed by authorities with local jurisdiction [4].
The light timber-framed (LTF) and cross-laminated timber (CLT) systems are the most commonly used load-bearing constructions in prefabricated multi-storey timber buildings. Generally, the lateral load-bearing capacity and stiffness are higher in CLT, but in LTF there are, on the other hand, some advantages in thermal resistance. An analysis of the racking stiffness of CLT walls has not been performed in this study; however, their significantly higher stiffness can reasonably be anticipated based on geometric and material characteristics. As shown by the equations presented in Section 2.1, the racking resistance and stiffness of an element are primarily governed by its effective bending stiffness (Equation (2a)) and shear stiffness (Equation (2b)). The values of the elastic modulus E 0 , m e a n and shear modulus G 0 , m e a n for LTF structures are provided in Table 1, whereas for CLT these parameters amount to E 0 , m e a n = 11,000   N / mm 2 and G 0 , m e a n = 370   N / mm 2 , which are considerably higher. In addition, CLT walls are solid, full-panel wall elements, resulting in a larger second moment of area I y , which further contributes to their increased racking stiffness. However, because of the relatively low racking stiffness of LTF wall elements, the maximum possible height of such buildings is limited to three or four storeys; however, it also depends on seismic or wind exposure and the form of the building.
In our study, only the racking behaviour of an LTF system under a horizontal point load will be thoroughly analysed. However, it is important to note that the racking stiffness of the LTF element depends on several independent parameters, such as the thickness of the timber frame, the thickness and type (OSB or fibre-plaster) of the sheathing boards, and the type, dimensions, and distribution of the fasteners used to attach the sheathing to the timber frame. All these parameters are studied in semi-analytical form using the Modified Gamma Method (MGM) in [5], where the results for the in-plane wall stiffness of LTF wall elements with OSB and fibre-plaster sheathing are plotted as an analytical dependence on the fastener disposition (s). In this method, the flexibility of the fasteners in the sheathing-to-framing connection is taken into account using the γy-coefficient, as prescribed in Eurocode 5 [6], for beam elements. In a very similar way, Technical Committee CEN is currently developing a new proposal for the Eurocode standard for timber structures [7,8], including analytical or semi-analytical expressions for all six possible horizontal deformations used to calculate the lateral deflection of LTF elements. However, in both semi-analytical methods, MGM and Eurocode proposals [7,8], the main assumption is that Bernoulli’s hypothesis and, consequently, simple-beam theory are applied. Using these methods, LTF wall elements are treated as composite cantilever beams loaded with a horizontal point load at the top of the wall element, which is quite far from the real situation. The methods are, however, relatively simple and, as such, very suitable for design practice, but not especially accurate.
The most accurate computational approach is thus the FEM analysis with elastic spring elements that simulate the deformability of the fasteners in the plane connecting the sheathing boards to the timber frame elements. A two-dimensional approach for the sheathing boards and a one-dimensional orthotropic model for all timber frame elements is considered in this model. Such an approach is the most accurate while it avoids using a simple beam theory for the LTF wall element as it is assumed in both semi-analytical methods. However, this approach is very time-consuming and unsuitable for implementation in the design practice of multi-storey prefabricated timber buildings. Moreover, it always allows a parametric numerical approach depending on the different positions of fasteners in the sheathing-to-framing connection plane. An interesting FEM approach was also demonstrated by Benedetti et al. [9]. All components of the lateral load–resisting system, including their connections, are explicitly modelled. Structures with one, three, and five stories are analysed using various distributions of lateral load capacity to evaluate their influence on overall structural performance and on the activation of different failure mechanisms through nonlinear static and dynamic analyses. The findings indicate that shear bracket connections—and, in particular, the sheathing-to-framing fasteners—govern the structural response of the buildings, as well as the prevailing failure mode, which is also the primary focus of this study. However, since shear-bracket connections can be considered in a purely analytical manner if necessary and are more intended for design and consideration in actual projects, the basic objective of our study is to consciously exclude this parameter and specifically consider the primary influence of sheathing-to-framing connections. In this sense, three different calculation procedures will be analysed and compared. However, the proposed numerical procedure in [9] with a very large number of spring elements is still too time-consuming to be applicable for practical engineering use of multi-storey LTF structures.
In order to make the FEM model more useful for practical engineering applications and to essentially reduce the calculation time, a newly developed FEM 2D Hinge Model is presented in this study, where the sheathing-to-framing flexibility is taken into account by evenly and uniformly distributing the flexibility in the connection plane. The obtained numerical results are finally compared with those obtained with the MGM and with the FEM Spring Model. The results for the in-plane single-panel LTF wall element stiffness (R) calculated in this way can then be further very easily applied directly to the analysis of multi-storey timber structures, as has already been demonstrated in numerous numerical examples [10], albeit by using different and much older calculation procedures for (R).

2. Theoretical Backgrounds

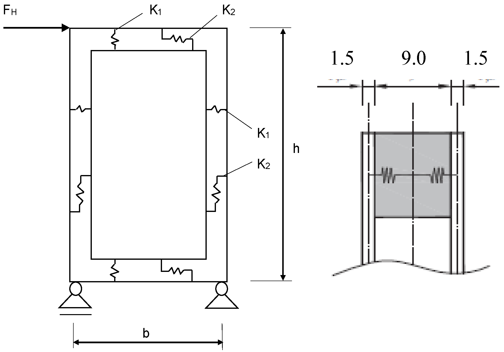
Since we will use both semi-analytical calculations with the previously developed MGM and later FEM calculations to validate the results in the study, the analytical transfer of the influence of horizontal load through a composite wall LTF element will first be presented in this section. From the schematic presentation in Figure 1, we can see that the horizontal force (FH) impact is first transferred via shear flow in the connection plane between the sheathing panels and the timber frame elements, where, due to the flexibility of the fasteners, certain shifts and consequent horizontal deformations naturally occur. Consequently, two basic horizontal displacements appear in such a case: the in-plane bending (uB) and the in-plane shear (uS). However, since mechanical metal fasteners are flexible in timber mass, the first additional horizontal displacement occurs in this case, which is the result of the mutual rotation of the sheathing panel relative to the timber frame. This horizontal deformation can be referred to as sheathing-to-frame deformation (uN). The horizontal force is then transferred via a fictitious tensile diagonal (T) of the sheathing board material to the lower support.
Figure 1 presents the basic Eurocode 5 [6] assumptions, where all support elements (tension and compression supports with forces Fi,t,Ed and Fi,c,Ed) are presented as infinitely rigid, which is, however, not a realistic situation, and in certain cases it is necessary to take into account these two flexibilities with additional horizontal displacements as well. Some expressions for taking these two flexibilities, rocking (uR) and bottom compressive rail deformation (uC), into account were developed in [10] based on experimental and numerical analyses as well. Further, they were implemented in a three-storey LTF timber building in [11], with particular emphasis on the resulting reduction in horizontal stiffness and the consequent increase in the fundamental oscillation period of the supporting structure of the entire timber building. There is also one another flexibility that must be additionally considered: the rigid-body sliding of the shear wall (uA) which is, however, not considered or numerically analysed in [10,11].
The CEN Technical Committee is currently in the final stages of developing new expressions for determining all six possible horizontal displacements resulting from horizontal point load on LTF wall elements. The expressions are both analytical and semi-analytical [7,8] and are presented in Equation (1) in the forms of
In - plane   bending :   u B = F H · h i 3 3 · E I y e f f , L T F
In - plane   shear :   u S = F H · h i G p , 1 · t p , 1 + G p , 2 · t p , 2
Sheathing - to - frame   deformation :   u N = F H / l 2 K s e r , 1 α 1,1 · l p e r , 1 + K s e r , 2 α 1,2 · l p e r , 2
Sliding :   u A = F H j K a , x , j
Rocking :   u R = M E K R N E ( l l c ) 2 K R
Bottom   rail   deformation :   u C = w s e r , z h i l i
where (EIy)eff,LTF represents the effective bending stiffness of the timber frame, and Gp and tp represent the shear modulus and the thickness of the sheathing boards. The geometrical values (hi, li) are schematically presented in Figure 1.
The slip between the sheathing boards and the timber frame elements is approximated by the slip modulus of all fasteners, Kser,1 and Kser,2, in Equation (1c) by fastening both two-sided sheathing boards with mechanical fasteners (staples or nails) to the timber frame. The slip modulus of the shear connectors (Ka,x,j) and the the slip modulus of the anchors (KR), which prevent uplifting of LTF elements, are used in Equation (1d) and Equation (1e) to simulate both flexibilities.
However, it should be emphasised that both basic Equations (1a) and (1b) use Bernoulli’s simple-beam theory hypothesis for a vertical cantilever element, which is a rather rough assumption in this respect. Such an LTF wall element is actually a composite, in-plane, two-dimensional wall and not a bending, linear system at all. Consequently, although this calculation method is fairly simple and useful for engineering practice for LTF designers, it is not sufficiently accurate, as it does not describe the actual racking behaviour of such a composite LTF element in a completely satisfactory manner.

2.1. Semi-Analytical Approach Using the Modified Gamma Method (MGM)

The Modified Gamma Method (MGM) is used to calculate all horizontal displacements and horizontal stiffness of LTF wall elements. The main difference from the semi-analytical methods described in refs. [7,8] is that, in this case, the wall element is treated as a composite element, where the slip in the connecting plane is taken into account by the so-called γy-coefficient from the Eurocode 5 standard [6], which considers the flexibility of the fasteners. The effective bending stiffness (EIy)eff and the shear stiffness (GAs)eff of mechanically jointed beams, therefore, can be written in the analytical form of
( E I y ) e f f = i = 1 n E i · I y i + γ y i · A i · a i 2 = i = 1 n t i m b e r . E i · I y i + E i · γ y i · A i · a i 2 t i m b e r + j = 1 n b E i · I y i b .
( G A s ) e f f = γ · ( G A s ) t i m b e r + ( G A s ) b o a r d
Since the gamma (γy) coefficient is used to take into account the flexibility of the fasteners and the calculation procedure for determining the flexural and shear stiffness follows the provisions of the Eurocode 5 standard [6], the method is called the Modified Gamma Method. However, it is important to note that the method still uses the simple-beam theory of cantilever beams to calculate all stiffnesses, as previously described in [10,11]. It is important to note that in the MGM, term (1c), which takes into account the fasteners’ flexibility, is omitted, as this is already taken into account via the γy-coefficient in the terms for both stiffnesses (2a) and (2b).
With respect to Eurocode 5 [6], γy can be defined via the fastener spacing (s) and the slip modulus per shear plane per fastener (K) in the semi-analytical form of
  γ y = 1 1 + π 2 · A t 1 · E t · s L e f f 2 · K
Expression (3) for the γy-coefficient is derived from the differential equation describing partial composite action, based on the fundamental assumptions originally proposed by Möhler [12]:
  • Bernoulli’s hypothesis is valid for each timber frame and sheathing board element.
  • The slip stiffness is assumed to be uniform over the entire connection length of the element, which implies that the fasteners are evenly spaced.
  • All structural components demonstrate completely linear-elastic material behaviour.
In the MGM, sheathing-to-framing deformation is accounted for through the γy-coefficient described in Equation (3), where the stiffness of an individual fastener is represented by the variable Kser and the spacing between fasteners by the value s. The value of γy theoretically ranges between 0 (fully deformable connection) and 1.0 (fully rigid—glued—connection).
Using these general assumptions, the racking displacements due to the bending moment (ME = FH∙hi) and the shear force (VE = FH) can be further calculated in the analytical form of
u M + V = u M + u V = S M E · M E I e f f d x + S V E · V G A S e f f d x = F H · h i 3 3 E I y e f f + F H · h i G A S e f f
It is optionally possible to also consider the contribution of the rigid-body translation caused by the shear connectors of LTF elements to the bottom rail deformation (uC, Equation (1f)), the rocking of the anchors (uR, Equation (1e)), and the sliding of the shear connectors (uA, Equation (1d)). The total racking displacement (u) at the top of the LTF element is then expressed in the form of
u = u M + V + u A + u R + u c
If all supports in Figure 1 are considered completely stiff and the consequent displacements uA, uR, and uc are set to zero, the racking stiffness (R) of the analysed LTF single-panel wall element using the MGM can finally be calculated in the form of inverse values of wall flexibility (D):
R = F H u M + V =   D 1   =   h i 3 3 E I y e f f + h i G A S e f f 1  
The main benefit of this method is that it provides an analytical expression for the racking stiffness of the entire LTF element as a function of the fastener spacing s. A fully accurate contribution of the sheathing-to-framing deformation term alone, as given, for example, in Equation (1c), can be obtained in the MGM by comparing the displacement calculated using Equation (4), once with the γy value corresponding to the actual fastener arrangement and once with γy = 1.0.
This aspect was already analysed in a previous study [5], where the partial influence of this deformability on the bending and shear deformation components of the LTF element in Equation (4) was examined separately. The influence of nonlinear fastener behaviour could also be incorporated into the MGM by systematically reducing the value of Kser, which is precisely the subject of our ongoing and future studies.

2.2. FEM Spring Model

To model LTF wall elements in this case, we used FEM modelling, where the load-bearing frame timber elements (posts and beams) are modelled as orthotropic line elements, and the in-plane load-bearing sheathing boards as 2D in-plane resisting isotropic shell elements. The point is that in this case, we avoid using Bernoulli’s hypothesis, which we used in the semi-analytical procedures described above, and which was used there as the main and rather rough computational assumption. As a result, such an approach with FEM modelling can be much more accurate computationally, and special emphasis must be placed on the approximation of slips in the connection plane. Consequently, the main focus in this modelling is on simulating the flexibility of the fasteners between the sheathing boards and the timber frame elements, which are modelled according to the principle of linear-elastic springs. The whole model is schematically presented in Figure 2. Racking stiffness (R) is calculated by applying an arbitrarily selected horizontal force (FH) acting on the upper-left corner of the wall element and calculating the horizontal displacement at this point using the FEM procedure described above. This gives us the horizontal wall flexibility (D), and its inverse value is the horizontal in-plane stiffness (R) of the LTF wall element. The model has already been used before in many numerical studies, for instance in [5] as a validation FEM model to compare with the obtained results with MGM, and was also previously used and presented in slightly different numerical forms in [13,14].
Conversely, the disadvantage of this FEM spring approach compared to the analytical or semi-analytical approach, previously described in Section 2.1., is that only a single-parametric computational variable can be used. As a result, individual simulations can be carried out only for specific configurations, with just one variable modified at a time and examined in detail. The dependence of the racking stiffness cannot, as in the previous subsection, be specified with an analytical or semi-analytical functional dependence on the fastener spacing within the connection plane between the sheathing panel and the timber frame, and consequently, the influence of any the most dependant parameters cannot be assessed. Furthermore, the calculation method is also very time-consuming and, in its present form, is not applicable for use in any multi-storey timber-framed structure at all.

2.3. FEM—Surface Model with Hinge on 2D Member Edge

The frame-type wall element model can also be simulated using shell (2D) elements, which was carried out in the SCIA Engineer v22 software [15]. The wall frame members, i.e., top and bottom plates and studs, were modelled as 2D elements, where the cross-sectional dimensions were defined as the width or thickness of the plate. Sheathing panels were modelled on both external faces of the wall frame, including all relevant material properties. In practice, the sheathing-to-frame connections consist of discrete fasteners installed at a certain spacing; however, in the present model, these fasteners were simulated by means of a continuous hinged line connection with a “fictitious” fastener spacing. In this way, the time-consuming modelling of individual fasteners was avoided.
This modelling approach was implemented using the command Hinge on 2D elements, in which the fasteners are represented by a line hinge connection assigned to 2D elements. The stiffness of the hinge connection already includes the actual fastener spacing and is expressed as Kser/s. The stiffness of individual fasteners for FPB and OSB sheathing, as well as the method for determining these values, is described in Section 3.1 Test Specimens. The advantage of this modelling approach compared to the model described in Section 2.2 lies primarily in the significantly faster representation of the fasteners. Instead of the time-consuming process of discretely modelling individual fasteners at nodal points on a predefined grid, a hinged connection distributed along the entire element is employed. The effect of fastener spacing is accounted for indirectly through an appropriate reduction of the hinge stiffness, enabling more efficient and streamlined numerical modelling while maintaining accuracy.
A schematic representation of the LCS (local coordinate system) of the hinge connection defined by Hinge on 2D elements, together with the physical meaning and directions of the parameters—translations ux, uy, and uz, and rotations fix, fiy, and fiz—is shown in the figure below. Since the horizontal stiffness of the wall under loading, as illustrated in Figure 1, was investigated, the stiffness corresponding to Kser/s was assigned in the horizontal direction for the wall and its individual elements, while absolute stiffness was defined in all other directions. Rotational degrees of freedom were released. For schematic illustration of the proposed procedure, Figure 3 shows, for instance, the hinge for FPB sheathing with a fastener spacing of 75 mm. The corresponding stiffness of one fastener on a constant distance (s) is K1 = 295.218 N/mm, which is then equivalent to a constant shear layer stiffness of 3.936 N/mm per mm (or 3.936 MN/m2).
The complete numerical model is shown in Figure 4. The structural components of the wall, including studs as well as the top and bottom girders, were represented using two-dimensional elements, with their geometric properties defined by the member thickness. The sheathing board elements were connected to the timber frame elements via hinge elements and were assigned the appropriate material characteristics. The wall is supported by two linear, absolutely rigid supports, thereby representing the boundary conditions shown in Figure 1 in Section 2 (Theoretical Background). A uniformly distributed load of 100 kN/m is applied along the top edge of the frame. The analysis is performed using the FEM numerical procedure with a mesh size of 20 × 20 cm. For the selected load level, the horizontal displacements of the frame are extracted, and the racking stiffness is determined in accordance with Equation (6). Gravitational loads, including self-weight, are excluded from the analysis.

2.4. Mathematical Modelling of Multi-Storey Timber-Framed Structures

A multi-storey prefabricated timber structure composed of light timber-framed (LTF) prefabricated wall elements can be modelled using a system of fictive diagonal wall elements, where each element with the diagonal represents a lateral load-bearing wall element, as schematically presented in Figure 5. The diameter of each fictive diagonal (dfic) is calculated to ensure that the horizontal displacement of the modelled LTF wall matches that of the actual LTF wall, using the following expression:
d f i c   =   4 · R · L   cos a 2 · π · E
where L is the length of the fictive diagonal, E is the elastic modulus of the fictive diagonal (E = 210 GPa if a steel bar is used for the diagonal in the calculation), and α is the inclination angle of the fictive diagonal. The main purpose of the numerical analysis of LTF elements in multi-storey timber construction is thus the determination of the racking stiffness (R) of individual single-wall elements. For LTF walls with OSB or FPB sheathing boards, which are connected to the timber frame using mechanical fasteners, the racking stiffness (R) can be determined using Equation (6) for a semi-analytical approach with the MGM, or alternatively in a semi-analytical approach by Equation (1), as prescribed by [7,8], to determine all possible horizontal displacements. More accurate are the FEM procedures described in Section 2.2, with linear-elastic spring elements, and in Section 2.3, with the newly developed 2D hinge element approach, which are both used to model and accurately simulate flexibility in the connection planes between the sheathing panel material and the timber frame components.

3. Numerical Study

The main objective of the analysis is to demonstrate a simple engineering approach, while maintaining a high level of accuracy in determining the racking stiffness of LTF wall elements using the newly developed FEM 2D Hinge Model. Wall elements with FPB and OSB sheathing board materials will be analysed separately, including both load-bearing internal and external wall elements. The results obtained with the newly developed FEM 2D Hinge Model computational approach will be compared with the results obtained with the semi-analytical MGM and the FEM Spring Model. Both methods have already been developed and validated in publications [5,16], including comparisons with the experimental results [5]. As stated before, the FEM Spring Model is considered to be the most accurate computational approach for analysing such composite LTF wall elements, albeit very time-consuming. The FEM 2D Hinge Model is much faster and can be applied for further practical usage in multi-storey prefabricated timber structures. The main goal of this study is thus to validate the accuracy of the numerical results obtained with the FEM 2D Hinge Model using examples with different sheathing materials (FPB or OSB) and different types of timber frames (internal and external walls).
It should be noted that, due to the excessive computational time required by FEM models employing spring-type wall elements, engineering practice widely relies on models with fictitious diagonals for the analysis of multi-storey LTF structures. In such models, the cross-sectional diameter of the fictitious diagonal is developed based on the calculated stiffness of an individual wall element.
The main aim of this study is therefore to achieve a sufficiently accurate determination of the stiffness of an LTF wall element using FEM models. Owing to their fundamental modelling assumptions, these FEM-based approaches provide greater accuracy than the previously established MGM. Both the MGM and the Eurocode 5 [6] proposals are based on simple beam theory and the Bernoulli hypothesis, which, in the present context, do not represent the most accurate modelling approach.

3.1. Analysed LTF Wall Elements

Only single-panel LTF elements will be analysed according to the presented scheme and boundary conditions in Figure 2, with a total length l = 1250 mm and a total height h = 2635 mm. As the first aim of the study is to analyse the influence of the timber frame thickness, the LTF elements are separately analysed as:
-
Internal wall elements with a strength grade C22 according to [17], with a thickness of 90 mm and a width of 90 mm (At1 = 90 × 90 mm) for all timber frame components (with li = 1160 mm and hi = 2545 mm in Figure 2).
-
External wall elements with a strength grade C22 according to [17], with a thickness of 160 mm and a width of 80 mm (At1 = 80 × 160 mm) for all timber frame components (li = 1160 mm, hi = 2545 mm).
The sheathing boards are also separately analysed as:
-
Symmetrical two-sided fibre-plaster boards (FPB) with a thickness of 15 mm.
-
Symmetrical two-sided OSB boards with a thickness of 15 mm.
Properties of these sheathing boards and of the frame material are given in the table below.
The FPB and OSB sheathing boards are connected to the timber frame using the same staples of diameter ds = 1.53 mm and length ls = 35 mm. Using the valid Eurocode 5 [6] expressions, the slip modulus of the staples is therefore Kser,FPB = 295.218 N/mm for wall elements with FPB and Kser,OSB = 194.028 N/mm for OSB LTF elements.
The values of K s e r , F P B and K s e r , O S B are calculated based on the expression for directly driven nails, taken from Eurocode 5 [6], which prescribes:
K s e r = ρ m 1.5 · d 0.8 30   [ N / mm ]
where
  • ρ m   [kg/m3] is the mean density of the timber component, and
  • d   [mm] is the diameter of the fastener.
It is important to emphasise that Eurocode 5 [6] specifies different expressions for the stiffness modulus of fasteners depending on the type of fastener used. Consequently, the choice of fasteners has a direct and significant influence on the racking resistance of the wall element. An extension of the present study to investigate the influence of different types of fasteners on racking resistance is therefore proposed as a topic for future research.
Since the fastener spacing is a very important parameter that significantly affects the horizontal stiffness of the LTF wall element, numerical calculations will be performed for the selected values s = 20, 37.5, 75, and 150 mm. In the case of a semi-analytical MGM approach, we can of course obtain the value for racking stiffness R as an analytical dependence on the parameter s, but for cases with FEM calculations, this is of course not possible, and we must use parametric calculations for the selected values.

3.2. Results and Discussion

As mentioned before, both internal and external LTF walls will be treated separately in the calculations with three different methods. This also allows for the analysis of the impact of the dimensions of the load-bearing timber frame components as one of the more important possible parameters.

3.2.1. Internal Wall Elements

As described in Section 2.1, the results for the racking stiffness (R) obtained with the MGM can be presented in fully analytical form, dependent on the fastener spacing parameter (s). They are obtained using Equation (6), respecting Equation (3) for the γy-coefficient. The graphs for the γy-coefficient and the racking stiffness (R), as an analytical dependence on fastener spacing (s), are plotted in Figure 6. The values for the γy-coefficient and racking stiffness are separately computed for the FPB and OSB sheathing boards. The values at s = 20 mm and s = 75 mm are specifically marked in the figure as the minimum selected parametric values (s = 20 mm), prescribed by the Eurocode standard [6], and the values that are typical used in practice (s = 75 mm).
It can be generally observed from the results that the values for the racking stiffness of LTF wall elements with FPB sheathing boards are essentially higher compared with that of OSB sheathings. The reason lies in the very small value of the shear modulus (G) for the OSB boards. The properties of these two sheathing board materials are given in Table 1.
Among these, the γy-coefficient is also lower for OSB at any distance between the fasteners, which, according to Equation (6), additionally results in a lower value of R. Further in-depth analyses and discussions on this topic can be found in a study that has already been conducted and published in [5].
To validate the accuracy of all three numerical methods, the obtained numerical results will first be compared with the results of previous and already published experimental analyses performed in refs. [18,19] on the same test specimens of interior walls with the same dimensions and material characteristics. The results are shown in Figure 7 for values of s = 75 mm, which is the most typical value in practice and also the most frequently tested experimentally.
Total displacement results uM+V from Equation (4), induced by the horizontal force F H , are presented in Figure 7. The analytical calculation using the MGM was carried out only within the elastic range, i.e., up to the initiation of the first crack in the FPB. The corresponding critical horizontal force, F H , c r , was determined using the equation below:
F H , c r , k = M y , c r h d = 2 · f b t , k · ( E I y ) e f f E b · b · h d
It has been shown that the correlation in the linear-elastic behaviour of the wall elements between the analytical approach, the FEM numerical approach, and the experimental test results is satisfactory. Therefore, the focus of this study and the subsequent results is primarily directed toward a parametric investigation and a comparison between analytical and numerical results for different spacings of the fasteners.
The same internal LTF elements are also numerically analysed using the FEM Spring Model from Section 2.2 using the computer software Tower 8 [20] and with the newly developed FEM 2D Hinge Model from Section 2.3 using the computer software SCIA v22 [15]. In both FEM cases, only parametrically chosen values for s can be analysed; there is no possibility of obtaining any analytical dependence. The results for the FPB and OSB sheathing boards are plotted in Figure 8.
The results show that the match between the obtained values is significantly better for cases with FPB sheathing than for OSB, although for the typical value most commonly used in practice, s = 75 mm, the match is very good in both cases. This also essentially follows the previous findings from [5] and Ref. [16] that the MGM is significantly more useful for FPB than for OSB LTF wall elements. For a better comparison of all parametrically analysed values, we further present all results obtained by all three procedures, as recorded in Table 2 for FPB and in Table 3 for OSB sheathing boards.
It is obvious that, especially for the FPB sheathing boards, there is generally very good agreement in the obtained results between the newly developed FEM 2D Hinge Model and the MGM. Agreement with the FEM Spring Model is very good in the range of s between 37.5 and 75 mm, the most used distance of fasteners in practice. For cases with OSB sheathing, the fit is not as good, but it is satisfactory for cases with s = 75 mm and s = 150 mm. A comparison between FPB and OSB sheathings is also interesting in general. It is evident that the in-plane stiffness of LTF elements is significantly greater in the case of FPB sheathing boards, and the difference increases with decreasing distance between the fasteners (s). This issue has already been analysed several times, both experimentally [16] and numerically [5,18,19], and therefore will not be a primary focus of our research in this paper.

3.2.2. External Wall Elements

Similarly, for the internal walls, we will present the racking stiffness (R) as an analytical dependence on fastener spacing (s). This can be obtained only using the MGM. The values are plotted in Figure 9. Values for interior walls have also been added for information only, to provide a direct comparison of the impact of timber frame thickness. This issue has already been analysed in detail numerically in [5].
We can see that there is essentially no significant difference in racking stiffness between external and internal walls, and consequently, the thickness of the timber frame has no particular impact on the in-plane behaviour of LTF wall elements. Consequently, we can further exclude it as a significant parameter, but we will of course need to retain the influence of the type of sheathing, as the difference between FPB and OSB wall types is again very obvious in this case. The type of sheathing material is therefore a much more sensitive parameter than the thickness of the timber frame or the classification of the wall element as external or internal. In general, the stiffness of the timber frame itself is significantly lower than that of the sheathing (see Equations (2a) and (2b)), meaning that both the type of sheathing material and the arrangement of the fasteners have a substantially greater influence on the overall structural behaviour than the dimensions of the timber frame alone.
In order to investigate how analytically obtained results using the MGM can be consistent with more accurate results obtained using FEM models, the same external LTF elements are also numerically analysed using the FEM Spring Model from Section 2.2 with the computer software Tower 8 [20] and with the newly developed FEM 2D Hinge Model from Section 2.3 using the computer software SCIA v22 [15]. The results for the FPB and OSB sheathing boards are plotted in Figure 10.
For easier understanding, the results are also explicitly presented in Table 4 and Table 5 for FPB and OSB sheathing boards.
Analysing the results from Figure 10 and Table 3 and Table 4, we can observe that the match of the results between all three methods is again better for FPB elements, but not as good as for internal wall elements. For FPB elements, agreement between the MGM and FEM 2D Hinge Model (SCIA) is satisfactory for all values with s > 37.5 mm.
However, similar to previous findings using the semi-analytical MGM, we can conclude that even when using the more accurate FEM methods, the difference in results between external and internal walls is relatively small, especially for all distances between connecting elements where the distance is greater than 37.5 mm. This only confirms the fact that the type of wall element or the dimension of the supporting frame is not a sensitive parameter at all, but rather the type of the sheathing material and, of course, the distance (s) between the mechanical fasteners.

4. Conclusions

As mentioned in the paper, there are many different parameters (type of sheathing boards, fastener spacing, type of wall element, etc.) that can have a sensitive influence on the racking stiffness of light timber-framed (LTF) wall elements. Numerical treatment of the in-plane behaviour of such elements is thus usually very complex and can also be very time-consuming. The most accurate computational approach is the FEM analysis with elastic spring elements that simulate the flexibility of the fasteners in the connection plane. Nevertheless, due to its significant time requirements, this approach is practically unsuitable for the engineering design of multi-storey prefabricated LTF buildings.
In order to simplify this FEM process, a special and more practical FEM 2D Hinge Model was developed. Based on the results presented in Figure 2, Figure 3, Figure 4 and Figure 5 in Section 3, this model shows very good agreement with the FEM Spring Model and the Modified Gamma Method (MGM), particularly for fastener spacing values (s) greater than 37.5 mm. Such fastener disposition is also the one most frequently used in practice for LTF elements. The agreement is especially favourable for FPB sheathing boards and slightly less for OSB. The reason lies in the fact that FPB exhibits approximately eight times lower tensile strength than wooden OSB panels, as shown in Table 1. This implies that the assumption of linear material behaviour, which is adopted in both analytical and numerical analyses, is more appropriate for FPB systems. Consequently, this leads to more accurate results and a higher level of agreement between the two approaches. In addition, the shear modulus of OSB sheathing is very low, resulting in significant shear deformations [5]. For OSB wall elements, noticeable differences between calculation approaches occur only at spacing values of s < 37.5 mm, which are, however, rarely used in practice.
The previously developed Modified Gamma Method (MGM) is a semi-analytical approach and is expected to be less accurate because a relatively strong approximation using simple beam theory supported by the Bernoulli hypothesis is used. However, it was demonstrated in our study that the method shows good agreement with results from both FEM methods for s > 37.5 mm. On the other hand, contrary to the more accurate FEM models, the MGM offers a fully analytical insight into the lateral in-plane behaviour of LTF wall elements, as a dependence on fastener disposition (s), and is also very simple for practical engineering use [5].
Finally, the last important finding of the performed study is that it has been shown by all calculation approaches that the thickness of the load-bearing timber frame and the type of resisting LTF walls (internal or external) have practically no sensitive influence on the in-plane stiffness of such wall elements. Consequently, the type of sheathing material (FPB or OSB) and, of course, the spacing between the fasteners are much more sensitive parameters, which may require further consideration in future FEM studies.

Author Contributions

Conceptualization, M.P.; Methodology, J.V.; Software, J.V.; Validation, M.P.; Formal analysis, J.V. and M.P.; Investigation, M.P.; Resources, M.P.; Writing—original draft, M.P.; Writing—review and editing, J.V. and M.P.; Visualisation, M.P.; Supervision, M.P. All authors have read and agreed to the published version of the manuscript.

Funding

This research was funded by the Slovenian Research and Innovation Agency, National research programme P2-0129. Research results obtained within tasks that were (co-)funded from the state budget under contracts concluded between the Agency and the implementer.

Data Availability Statement

The original contributions presented in this study are included in the article. Further inquiries can be directed to the corresponding author.

Conflicts of Interest

The authors declare no conflicts of interest.

References

  1. Salvadori, V. Multi-Storey Timber-Based Buildings: International Trends and Geographical Nuances. Ph.D. Thesis, Technische Universität Wien, Vienna, Austria, 2021. [Google Scholar]
  2. Australian Government Forest and Wood Products Research Department and Development Corporation. Build in Timber; Technical Report; Australian Government Forest and Wood Products Research Department and Development Corporation: Melbourne, Australia, 2016. [Google Scholar]
  3. Lattke, F.; Lehmann, S. Multi-storey residential timber construction: Current developments in Europe. J. Green Build. 2007, 2, 119–129. [Google Scholar] [CrossRef]
  4. John, S.; Nebel, B.; Perez, N.; Buchanan, A.H. Environmental Impacts of Multi-Storey Buildings Using Different Construction Materials; University of Canterbury: Christchurch, New Zealand, 2009. [Google Scholar]
  5. Premrov, M.; Kozem Šilih, E. Numerical Study on In-Plane Behaviour of Light Timber-Framed Wall Elements Under a Horizontal Load Impact. Buildings 2025, 15, 778. [Google Scholar] [CrossRef]
  6. EN 1995-1-1:2005; Eurocode 5: Design of Timber Structures, Part 1-1 General Rules and Rules for Buildings. CEN/TC 250/SC5 N173. European Committee for Standardization: Brussels, Belgium, 2005.
  7. CEN/TC 250/SC 5; Lateral Displacement of Multi Storey Timber Shear Walls. Technical Report N 1546 CEN/TC—13.7. Technical Committee CEN: Brussels, Belgium, 2022.
  8. Technical Committee CEN. Eurocode 5: Design of Timber Structures—Common Rules and Rules for Buildings Part 1-1: General; Technical Report; Technical Committee CEN: Brussels, Belgium, 2021. [Google Scholar]
  9. Benedetti, F.; Jara-Cisterna, A.; Grandón, J.C.; Astroza, N.; Opazo-Vega, A. Numerical Analysis of the Seismic Performance of Light-Frame Timber Buildings Using a Detailed Model. Buildings 2022, 12, 981. [Google Scholar] [CrossRef]
  10. Vogrinec, K.; Premrov, M.; Kozem Šilih, E. Simplified modelling of timber-framed walls under lateral loads. Eng. Struct. 2016, 111, 275–284. [Google Scholar] [CrossRef]
  11. Vogrinec, K.; Premrov, M. Influence of the design approach on the behaviour of timber-frame panel buildings under horizontal forces. Eng. Struct. 2018, 175, 1–12. [Google Scholar] [CrossRef]
  12. Möhler, K. Über das Tragverhalten von Biegeträgern und Druckstäben mit Zusammengesetztem Querrshnitt und Nachgiebigen Verbindungsmitteln; Habilitation; TH Karlsruhe: Karlsruhe, Germany, 1956. [Google Scholar]
  13. Aloisio, A.; Boggian, F.; Østraat Sævareid, H.; Bjørkedal, J. Analysis and enhancement of the new Eurocode 5 formulations for the lateral elastic deformation of LTF and CLT walls. Structures 2023, 47, 1940–1956. [Google Scholar] [CrossRef]
  14. Casagrande, D.; Rossi, S.; Sartori, T.; Tomasi, R. Proposal of an analytical procedure and a simplified numerical model for elastic response of single-storey timber shear walls. Constr. Build. Mater. 2016, 102, 1101–1112. [Google Scholar] [CrossRef]
  15. SCIA by ALLPLAN, Nemetschek Group. Available online: www.scia.net/en (accessed on 15 October 2025).
  16. Premrov, M.; Dobrila, P. Numerical analysis of sheathing boards influence on racking resistance of timber-frame walls. Adv. Eng. Softw. 2011, 45, 21–27. [Google Scholar] [CrossRef]
  17. EN 338:2003 E; Structural Timber—Strength Classes. European Committee for Standardization: Brussels, Belgium, 2003.
  18. Dobrila, P.; Premrov, M. Reinforcing methods for composite timber frame-fiberboard wall panels. Eng. Struct. 2003, 25, 1369–1376. [Google Scholar] [CrossRef]
  19. Premrov, M.; Kuhta, M. Influence of fasteners disposition on behaviour of timber-framed walls with single fibre-plaster sheathing boards. Constr. Build. Mater. 2009, 23, 2688–2693. [Google Scholar] [CrossRef]
  20. Tower8, RADIMPEX Software for Civil Engineers. Available online: www.radimpex.rs/en/tower (accessed on 25 April 2025).
Figure 1. Scheme of the force distribution in a timber-frame wall element [5].
Figure 1. Scheme of the force distribution in a timber-frame wall element [5].
Buildings 16 00629 g001
Figure 2. Schematic presentation of the FEM Spring Model [5].
Figure 2. Schematic presentation of the FEM Spring Model [5].
Buildings 16 00629 g002
Figure 3. Command hinge on 2D elements.
Figure 3. Command hinge on 2D elements.
Buildings 16 00629 g003
Figure 4. Numerical model of LTF wall.
Figure 4. Numerical model of LTF wall.
Buildings 16 00629 g004
Figure 5. Schematic presentation of the fictive diagonal model [10].
Figure 5. Schematic presentation of the fictive diagonal model [10].
Buildings 16 00629 g005
Figure 6. Numerical results obtained with the MGM [7].
Figure 6. Numerical results obtained with the MGM [7].
Buildings 16 00629 g006
Figure 7. Comparison of the results for um+v for FEM Springs, analytical, and experimental cases with FPB sheathing boards and s = 75 mm [5].
Figure 7. Comparison of the results for um+v for FEM Springs, analytical, and experimental cases with FPB sheathing boards and s = 75 mm [5].
Buildings 16 00629 g007
Figure 8. Numerical results parametrically obtained for in-plane stiffness of internal wall elements with both FEM methods and MGM.
Figure 8. Numerical results parametrically obtained for in-plane stiffness of internal wall elements with both FEM methods and MGM.
Buildings 16 00629 g008
Figure 9. Numerical results obtained with the MGM for all wall elements [7].
Figure 9. Numerical results obtained with the MGM for all wall elements [7].
Buildings 16 00629 g009
Figure 10. Numerical results parametrically obtained for in-plane stiffness of external wall elements with both FEM methods and MGM.
Figure 10. Numerical results parametrically obtained for in-plane stiffness of external wall elements with both FEM methods and MGM.
Buildings 16 00629 g010
Table 1. Properties of the used materials.
Table 1. Properties of the used materials.
E0,mean
[N/mm2]
Gmean
[N/mm2]
fm,k
[N/mm2]
ft,k
[N/mm2]
fc,k
[N/mm2]
fv,k
[N/mm2]
C2210,0006302213202.4
FPB300012004.02.5205.0
OSB3500240202020/
Table 2. Results for racking stiffness R (N/mm) for internal LTF walls with FPB sheathing boards.
Table 2. Results for racking stiffness R (N/mm) for internal LTF walls with FPB sheathing boards.
Fasteners Spacing
s (mm)
FEM Spring Model (Tower 8)FEM 2D Hinge Model
(SCIA-22)
MGM
(Analytical)
20.04854.375586.605485.69
37.54310.344327.134605.61
75.03676.473496.503760.39
150.03521.132607.563153.91
Table 3. Results for racking stiffness R (N/mm) for internal LTF walls with OSB sheathing boards.
Table 3. Results for racking stiffness R (N/mm) for internal LTF walls with OSB sheathing boards.
Fasteners Spacing
s (mm)
FEM Spring Model (Tower 8)FEM 2D Hinge Model
(SCIA-22)
MGM
(Analytical)
20.02232.144065.043064.11
37.52057.613125.002588.75
75.01937.982272.732201.29
150.01876.172083.331956.60
Table 4. Results for racking stiffness R (N/mm) for external LTF walls with FPB sheathing boards.
Table 4. Results for racking stiffness R (N/mm) for external LTF walls with FPB sheathing boards.
Fasteners Spacing
s (mm)
FEM Spring Model (Tower 8)FEM 2D Hinge Model
(SCIA-22)
MGM
(Analytical)
20.05555.567692.316130.63
37.54761.905208.304922.14
75.04237.203717.503884.06
150.03773.582890.173199.90
Table 5. Results for racking stiffness R (N/mm) for external LTF walls with OSB sheathing boards.
Table 5. Results for racking stiffness R (N/mm) for external LTF walls with OSB sheathing boards.
Fasteners Spacing
s (mm)
FEM Spring Model (Tower 8)FEM 2D Hinge Model
(SCIA-22)
MGM
(Analytical)
20.02336.454166.673429.03
37.52164.503225.812762.21
75.02049.182288.332273.70
150.01923.082087.681987.92
Disclaimer/Publisher’s Note: The statements, opinions and data contained in all publications are solely those of the individual author(s) and contributor(s) and not of MDPI and/or the editor(s). MDPI and/or the editor(s) disclaim responsibility for any injury to people or property resulting from any ideas, methods, instructions or products referred to in the content.

Share and Cite

MDPI and ACS Style

Vilotijević, J.; Premrov, M. Numerical Analysis of In-Plane Stiffness of Light-Timber-Framed Wall Elements with Various Sheathing Materials. Buildings 2026, 16, 629. https://doi.org/10.3390/buildings16030629

AMA Style

Vilotijević J, Premrov M. Numerical Analysis of In-Plane Stiffness of Light-Timber-Framed Wall Elements with Various Sheathing Materials. Buildings. 2026; 16(3):629. https://doi.org/10.3390/buildings16030629

Chicago/Turabian Style

Vilotijević, Jelena, and Miroslav Premrov. 2026. "Numerical Analysis of In-Plane Stiffness of Light-Timber-Framed Wall Elements with Various Sheathing Materials" Buildings 16, no. 3: 629. https://doi.org/10.3390/buildings16030629

APA Style

Vilotijević, J., & Premrov, M. (2026). Numerical Analysis of In-Plane Stiffness of Light-Timber-Framed Wall Elements with Various Sheathing Materials. Buildings, 16(3), 629. https://doi.org/10.3390/buildings16030629

Note that from the first issue of 2016, this journal uses article numbers instead of page numbers. See further details here.

Article Metrics

Back to TopTop