Abstract
Interplay between the outer steel tubes and the core concrete provides an important guarantee for the superior performance of concrete-filled steel tube (CFST) columns compared to that of reinforced concrete columns. In order to optimize the construction of the large-size non-studded CFST columns in an on-going practical project, the strain distributions in the column under construction were measured and tracked, and the law of the strain distributions of the column under construction is revealed. The study finds that the plane section assumption was not applicable to the strain distributions of the column. Nonlinear variations in the strain levels were observed under bi-directional bending of the column. The absence of studs inside the steel tube significantly weakened the interplay of the outer steel tube and the core concrete by means of a significant slip between the concrete and the steel tube at the column corners. The concrete and the steel tube tended to be stressed and deformed independently. Practical suggestions are given for the design and construction of this type of column. The study results are expected to lay a basic and valuable foundation for in-depth investigations on the mechanical behavior of large-size non-studded concrete-filled steel tube columns under construction.
1. Introduction
Concrete-filled steel tube (CFST) columns refer to the members formed by pouring concrete inside the steel tubes [1,2]. Since CFST columns were proposed in 1879, extensive efforts have been made to determine the behavior of this type of column. Hajjar, J.F. [3] conducted research on the three-dimensional strength sections of square and rectangular concrete-filled steel tube columns, obtaining more accurate strength-related correlations for these concrete sections. Ma, L. [4] conducted tests on short CFST columns at an ultra-early age. He proposed a calculation formula for the bearing capacity of the columns and advanced a stress–strain relationship suitable for the core concrete in the columns. Yuan, F. [5] experimentally studied the behavior of square CFST columns with steel spirals under a high axial load ratio. It was found that the steel spirals could improve the behavior by delaying stiffness degradation and increasing ductility. Ayough, P. [6] investigated the structural performance of CFST columns with double inner steel tubes through nonlinear finite element analysis. The results found that the columns possessed an advantageous ductility and strength-to-weight ratio to conventional CFST columns.
Except reinforced concrete, different types of modified concrete could be used in CFST columns, such as lightweight aggregate concrete, high-strength concrete, pultruded FRP composites concrete, and ultra-high-performance concrete (UHPC). Almamoori, A.H.N. [7] carried out an experimental investigation on the behavior of lightweight aggregate CFST columns with different cross-sections subjected to concentric loads. It was found that the column with conventional sections such as circle and square performed with a higher ductility than the columns with more irregular sections. Lee, S.H. [8] investigated the suitability of codes from different countries to predict the load-moment behaviors of circular CFST columns with high-strength concrete under eccentric loading, based on the test results and fiber-based analysis. Vedernikov, A. [9,10] analyzed the relationships between the pulling speed, morphology, and mechanical properties of pultruded glass fiber/vinyl ester resin structural composites. The result demonstrated the possibility of high-speed pultrusion of large cross-section profiles suitable for structural application. Wang, J.J. [11] aimed to investigate the stress–strain behavior of fiber-reinforced polymer (FRP)-confined UHPC through axial compression tests of 40 FRP-confined UHPC cylinders. The confinement mechanism was carefully analyzed and explained. The test results showed that FRP-confined UHPC cylinders exhibited a large deformation capacity and generally a bilinear axial stress–strain curve. These studies showed that CFST columns using the modified concrete had the advantages of a high bearing capacity and good ductility but disadvantages of difficult preparation, high cost, and other problems.
According to the above-mentioned studies, the advantageous behavior of CFST columns over reinforced concrete columns is summarized as follows [12,13,14,15,16,17,18]:
- The confining effect provided by the steel tube makes the concrete inside compressed in three directions, thus enhancing the strength of the concrete;
- The steel tube acts as a formwork during the concrete curing and is permanently retained as part of the column afterwards, which saves construction costs and shortens construction schedules;
- The concrete inside laterally supports the steel tube, thus increasing the stability of the steel walls under compression.
The above-mentioned points significantly improve the mechanical performance of CFST columns, far more than the simple superposition of the two materials [19,20], in terms of a greater load-carrying capacity, reduced section size, and excellent seismic performance [19]. Benefitting from these advantages, CFST columns are widely used in engineering practice.
As an effective way to strengthen the interplay between the core concrete and the outer steel tubes in CFST columns, the existence of studs between the two materials plays a critical role in forming the above-mentioned advantages, thus significantly improving the bearing capacity and deformation capacity of the columns [21,22,23,24,25]. A large amount of research has been conducted throughout the world. Alemayehu, R.W. [26] studied the bond-slip behavior of CFST mega columns with and without mechanical connectors, including shear studs. Tao, Z. [27,28] investigated the bond behavior between the concrete and the steel tube in CFST. It is found that welding internal rings onto the inner surface of the steel tube is the most effective method to enhance the bond strength, followed by the methods of welding shear studs and using expansive concrete. Ferrotto, M.F. [29] investigated the structural performances of CFST with and without steel studs by finite element modelling (FEM). Ayough, P. [30] evaluated the influence of bolted shear studs on the axial performance of CFDST columns. The test results demonstrated that the bolted shear studs avoided the shear failure of the specimens and significantly increased the ductility of the specimens. Hasan, H.G. [31,32,33] found that embedded shear studs on inner steel tubes were capable of improving the bond strength with a lesser degree of shear resistance in comparison with a normal interface and interface with an internal ring, with reinforcing bars, and with shear studs. Zhang, B. [34] investigated six circular large-scale concrete-filled FRP tubes (CFFTs) consisting of H-steel with shear studs experimentally under a combined axial load and lateral cyclic load to study their seismic behavior. As a novel structural member for new construction, CFFTs were used to retrofit degraded reinforced concrete columns.
However, when the concrete is intensively reinforced, the presence of the studs complicates the process of construction and brings difficulties in quality control and quality assurance due to the narrow space between the steel walls and the reinforcement of the concrete [35,36]. Therefore, in engineering practice, some designers choose to remove the studs to facilitate the construction. It inevitably weakens the mechanical bite force between the concrete and the steel tube and harms the force transfer mechanism between the two materials [19]. For large column sections, the two materials even tend to work separately [37,38]. These features go against the fundamental assumption that the concrete and the steel tube work together, leading to the more complex mechanical behavior of the columns than conventional CFST columns. Hence, the current code methods for the mechanical performance of conventional CFST columns are no longer applicable to large-size non-studded CFST columns. However, scarce study has been conducted to investigate the strain distributions and the force transfer between the concrete and the steel tubes. This study is aimed at enriching the efforts in the field to reveal the discrepancy in mechanical behavior between large-size non-studded CFST columns and conventional CFST columns. In this study, the strains of the concrete and the steel tube of an inclined large-size non-studded CFST column were measured and tracked during its construction. Firstly, the law of the strain distributions of the column section is analyzed and summarized based on the acquired data. Secondly, the relative slip between the concrete and the steel tube is discussed. Lastly, practical suggestions are given for the design and construction of this type of column. The work is expected to lay a valuable foundation for the investigations on the mechanical behavior of large-size non-studded concrete-filled steel tube columns under construction.
2. Inclined Large-Size Non-Studded Concrete-Filled Steel Tube Column
The strain characteristics of an inclined CFST column (Figure 1) were investigated during its construction in this study. The column was 700 mm × 700 mm in cross-section and 22 m in height. The nominal ultimate compressive stress of the concrete was 20.1 MPa. The nominal yield stress of the steel was 235 MPa.
Figure 1.
CFST columns. (a) Photo of CFST column on site; (b) Schematic of CFST column and surrounding beams.
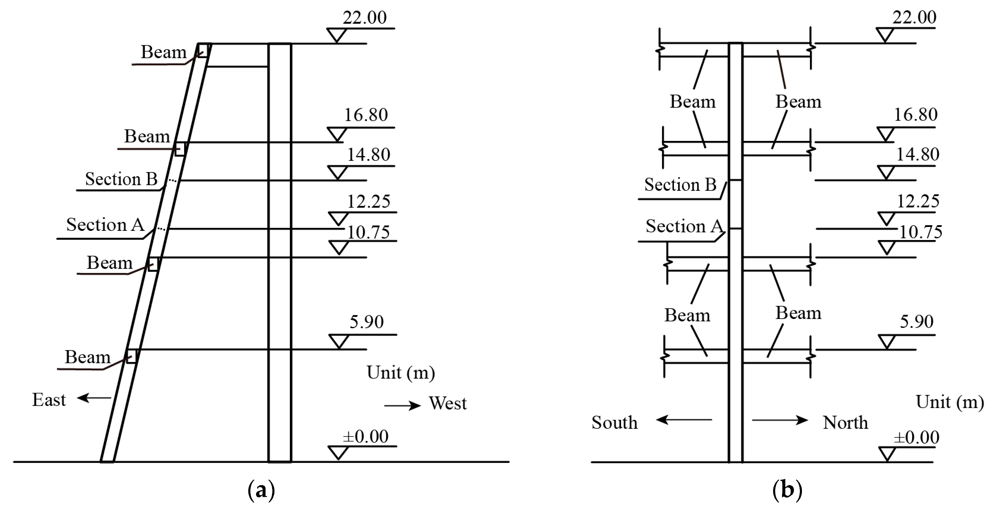
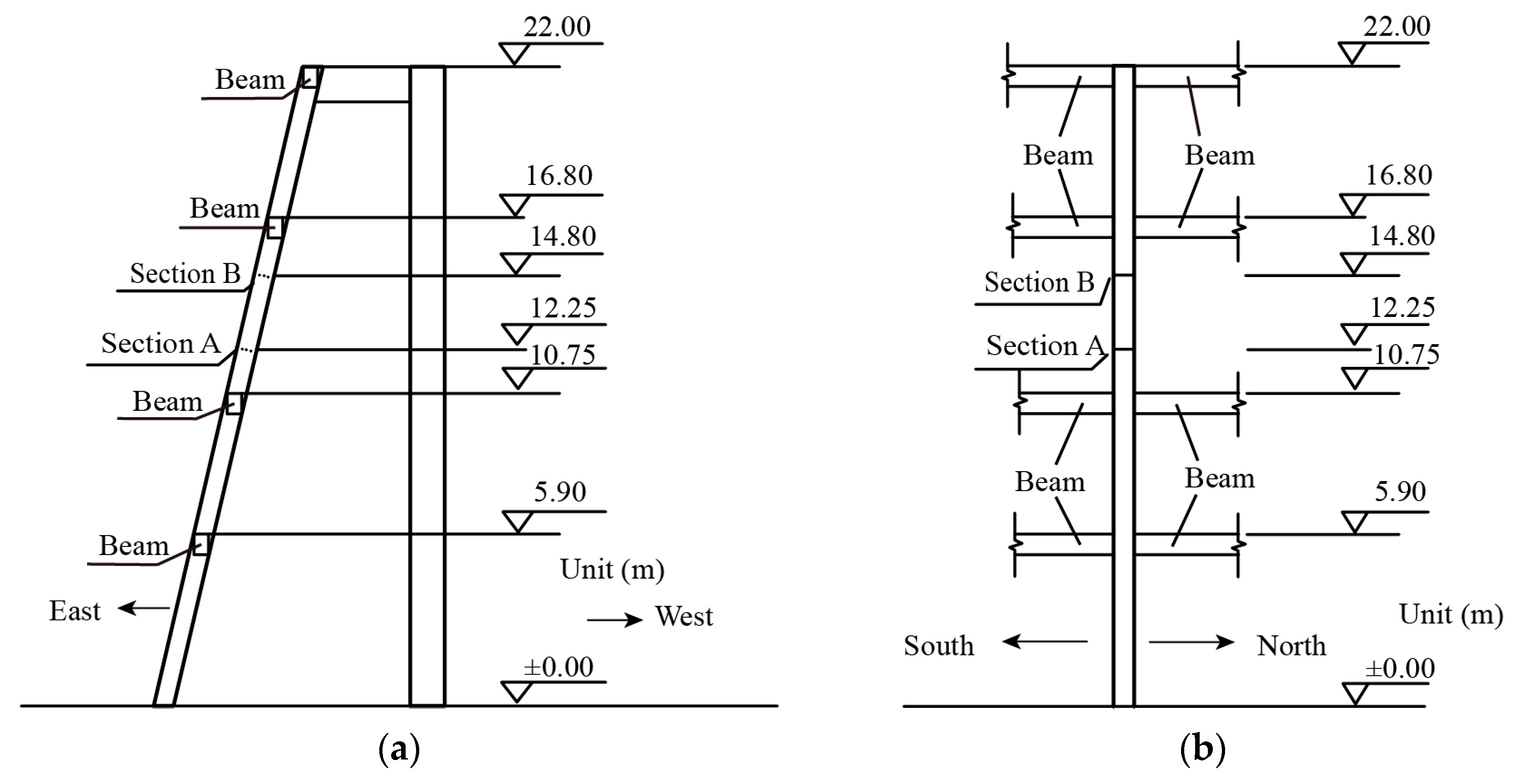
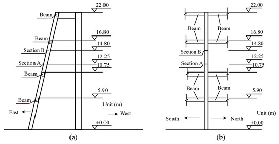
3. Layout of Measuring Points on Site
To facilitate a clearer analysis of the column’s strains, Section A and Section B in the middle of the middle story were selected to arrange strain gauges, as shown in Figure 2.
Figure 2.
Selected sections of CFST column. (a) Side view; (b) Front view.
As shown in Figure 3 and Figure 4, eight strain gauges were applied on the exterior surfaces of the column in each section and four embedded gauges were placed at the inner corners in Section B. This arrangement was based on the strain distribution of CFST columns. Strains were linearly distributed across each face of rectangular CFST columns. Therefore, the extreme strains would occur at the corners. Also, through the strains at the corners, the strains at the middle positions could be determined by interpolation.
Figure 3.
Layout of measuring points at column sections. (a) Section A; (b) Section B.
Figure 4.
Strain gauges on exterior surface.
4. Strains of Steel Tube
4.1. Strains in Section A
Figure 5 shows the strain distribution in Section A during the construction stage. Note that the strains are represented as multiples of the yield strain of the steel εy = 114 με. The positive strains indicate tensile strains, and the negative strains indicate compressive strains. This approach facilitates the comparisons between the measured strains and the yield strain. Absolute strain values of the strains of no less than εy indicate yielding of the steel, which should not occur during the construction stage.
Figure 5.
Strain distribution in Section A during construction. (a) After concrete pouring; (b) Before removing scaffold; (c) After removing scaffold.
The measured strain distribution in Section A after concrete pouring is shown in Figure 5a. In this state, it was too early for the concrete to form any strength. The load was resisted by the steel tube and the scaffold. It made the strain level at this stage the largest during the construction stage. Locally large tensile strain up to 0.20εy is observed to occur at JA-d-1, due to the tensile stress caused by the weight of the poured concrete.
The measured strain distribution in Section A before the removal of the scaffold after 28-day concrete pouring is shown in Figure 5b. As the concrete reached its full strength, the concrete worked together with steel tube to sustain the load. With the help of the concrete, the locally large strains just after concrete pouring were partially offset. Most of the cross section is mildly compressed within the magnitude of 0.05εy.
After the removal of the scaffold, the support from the scaffold on the beams next to the column disappeared. The construction load on the beams was transferred to the column in terms of eccentric compression. It led to the transformation of the tensile strains to the compressive strains and an increase in the existing compressive strains in the section, as shown in Figure 5c. Moreover, by comparing Figure 5b and Figure 5c, the change in the strains at JA-a-1, JA-b-1, JA-c-1, and JA-d-1 is observed to be more significant than that at JA-a-2, JA-b-2, JA-c-2, and JA-d-2. It is due to the fact that the moment caused by the eccentric compression mainly affected the deformations at the east and west sides of the column. The moment also turned the strain at JA-d-1 to become tensile again after the removal of the scaffold.
During the construction, the largest tensile strain occurred at JA-d-1 after concrete pouring, as much as 0.20εy. The strain at the point was also at a high level in other states. The largest compressive strain occurred at JA-b-1 after the removal of the scaffold, as much as −0.11εy. Therefore, the positions near JA-d-1 and JA-b-1 are considered the most vulnerable in the section during the construction stage.
4.2. Deformation against Plane Section Assumption in Section A
The three-dimensional plane fitting of the strains in Section A in each state is shown in Figure 6, where the Levenberg–Marquardt algorithm is used in the plane fitting on the basis of the measured strains with the correlation coefficient of 1.0. The measured strains εm and the desired strains following the plane section assumption εd are compared in Table 1. To clarify the deviation from the ideal plane, the deviation rates are visualized in Figure 7, where the deviation rate D is calculated according to Equation (1).
Figure 6.
Three-dimensional plane fitting of strains in Section A in each state. (a) After concrete pouring; (b) Before removing scaffold; (c) After removing scaffold.
Table 1.
Fitting data in Section A in each state.
Figure 7.
Deviation rates in Section A in each state.
In Figure 7, the measured strain is above the desired strain when the deviation rate is a positive value. Conversely, the measured strain is below the desired strain when the deviation rate is a negative value. It could be seen from the figure that some deviations are positive while the others are negative in each state. This distribution agrees with the perfectly fitted plane, although several deviations are much larger than the others. In general, the measured strains significantly deviate from the fitting plane during the construction stage, as the deviation rate ranges from −383.11% to 378.17%. It indicates that Section A of the steel tube hardly deformed in a plane during the construction. Hence, the plane section assumption is not applicable to the deformation in Section A. The plane section assumption is always complied by the present code methods in structural designs and analysis of conventional CFST columns. Consequently, the code methods are no longer applicable to this type of CFST column. The non-compliance with the assumption will lead to different mechanical behavior of the columns including failure modes and calculation of the load-carrying capacity compared to the predictions by the code methods. This indicates the practical necessity to reveal the discrepancy in mechanical behavior between the studied columns and conventional CFST columns and to develop new methods to predict the behavior of the studied columns.
4.3. Strains in Section B
Figure 8 shows the strain distributions in Section B during the construction stage. The strains are represented in the same way as Section 4.1. As the measuring point JB-d-1 was damaged before removing the scaffold, the data of this point could not be obtained in the data collection. The strain of this point is treated as 0 and marked with red color in Figure 8b,c. It is noteworthy that the treatment of the strain at JB-d-1 as 0 is based on the observations that the strains at one corner should be close to each other and have the same sign. The possible actual strain at this point was so limited that it was reasonably treated as zero.
Figure 8.
Strain distributions in Section B during construction. (a) After concrete pouring; (b) Before removing scaffold; (c) After removing scaffold.
The measured strain distribution in Section B after concrete pouring is shown in Figure 8a. In this state, it was too early for the concrete to form any strength. The load was resisted by the steel tube and the scaffold. It made the strain level in this state the largest during the construction stage. A locally large tensile strain up to 0.15εy is observed to occur at JB-a-2, due to the tensile stress caused by the weight of the poured concrete.
The measured strain distribution in Section B before the removal of the scaffold after 28-day concrete curing is shown in Figure 8b. As the concrete reached its full strength, the concrete worked together with the steel tube to sustain the load. With the help of the concrete, the strain at each measuring point in Section B was reduced compared to the strain in Figure 8a.
After the removal of the scaffold, the support from the scaffold on the beams next to the column disappeared. The construction load on the beams transferred to the column. Therefore, the load on the column section in this state was increased compared to the load in Figure 8b. And it led to an increase in the strains at each measuring point, as shown in Figure 8c. Moreover, by comparing the strain distributions in the three states, it is found that the strain distributions are gradually distributed about the vertical symmetry axis of the section, and the strains at the west side are all compressive, while the strains at the east side are 0 or small tensile. It is due to the fact that the moment caused by the eccentric compression mainly affected the deformations at the east and west sides of the column. The moment also turned the strain at JB-a-2 to become tensile again after the removal of the scaffold.
During the construction, the largest tensile strain occurred at JB-a-2 after concrete pouring, as much as 0.15εy. The largest compressive strain occurred at JB-c-2 after the removal of the scaffold, as much as −0.08εy. Therefore, the positions near JB-a-2 and JB-c-2 are considered the most vulnerable in the section during the construction stage.
4.4. Deformation against Plane Section Assumption in Section B
The three-dimensional plane fitting of the strains in Section B in each state is shown in Figure 9, where the same fitting method as Section 4.2 is used. The measured strains εm and the desired strains following the plane section assumption εd are compared in Table 2. The deviation rate is shown in Figure 10.
Figure 9.
Three-dimensional plane fitting of strains in Section B in each state. (a) After concrete pouring; (b) Before removing scaffold; (c) After removing scaffold.
Table 2.
Fitting data in Section B in each state.
Figure 10.
Deviation rates in Section B in each state.
As can be seen from Figure 10, the measured strains significantly deviate from the fitting plane during the construction stage, as the deviation rate ranges from −210.98% to 218.63%. It indicates that Section B of the steel tube hardly deformed in a plane during the construction. Hence, the plane section assumption is not applicable to the deformation in Section B. Accordingly, the calculation formula for strain distribution following the assumption does not work at this section.
5. Strains of Vertical Steel Faces between Section A and Section B
The strain distributions on the vertical steel faces between Section A and Section B of the column are shown in Figure 11. In the figure, the faces of each column are named following the same rule. For example, the face bc-1 indicates the face of the column containing the measuring points JA-b-1, JB-b-1, JA-c-1, and JB-c-1. The negative strains indicate compressive strains, and the positive strains indicate tensile strains.

Figure 11.
Strain distribution at each side of the column during construction. (a) After concrete pouring; (b) Before removing scaffold; (c) After removing scaffold.
Figure 11a shows the measured strain distribution after concrete pouring. In this state, it was too early for the concrete to form any strength. The steel tubes bore most of the construction load and the weight of the concrete, and the remaining part of the load was borne by the scaffold. It made the strain level in this state the largest during the construction stage. Figure 11b shows the measured strain distribution before the removal of the scaffold after 28-day concrete curing. As the concrete reached its full strength, the concrete worked together with the steel tube to sustain the load. Thus, the load borne by the steel stubes decreased, and the strains in Figure 11b decreased compared to Figure 11a. Figure 11c shows the measured strain distribution after the removal of the scaffold. By comparing Figure 11a and Figure 11c, it can be found that the strain at each face decreased, but the compressive strain at the face bc-1 increased. It is due to the fact that the concrete bent under eccentric compression, resulting in greater compressive strain at the compressive face. By comparing Figure 11b and Figure 11c, it can be found that the strain at all faces increased. It is due to the fact that all the construction load was transferred to the column after the removal of the scaffold. Considering the length of the beams was as long as 9 m, the changes in strain distributions caused by the self-weight were necessarily significant.
During the construction, the largest tensile, as much as 0.02εy, occurred at JA-d-1 after concrete pouring. The largest compressive strain occurred at JA-b-1 and JB-c-2. The strain at JA-b-1 reached up to −0.11εy after the removal of the scaffold. The compressive strain at JB-c-2 was maintained at a high level during the construction (−0.08εy, −0.07εy, −0.08εy, respectively). Therefore, the positions near JA-d-1, JA-b-1, and JB-c-2 were considered the most vulnerable. It can also be found from Figure 9 that the strains in the two sections showed obvious linear changes at each face during the construction stage. It indicates that the column was obviously bent in two directions near Sections A and B, and the column performed a spatial deformation under bi-directional bending. This would reduce the load-bearing capacity of the column. Furthermore, the bi-directional bending would result in uneven bending across different section segments of the column. Consequently, certain segments may experience a higher bending stress, thereby impacting the overall performance of the column. Additionally, the bi-directional bending might introduce a torsional effect, causing the column to twist while bending. This torsion can compromise the overall stability of the column, thereby influencing its load-bearing capacity.
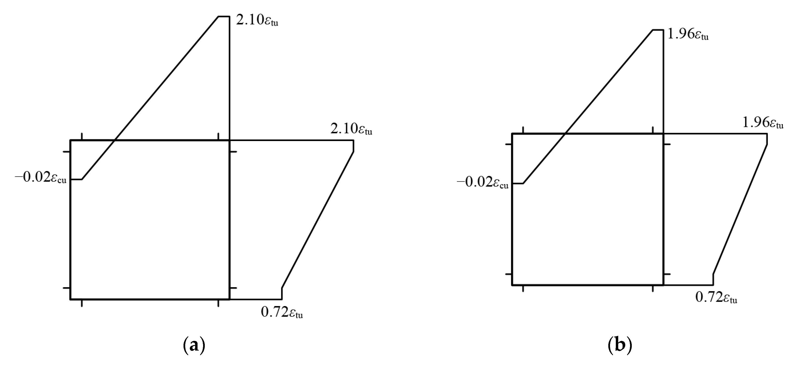
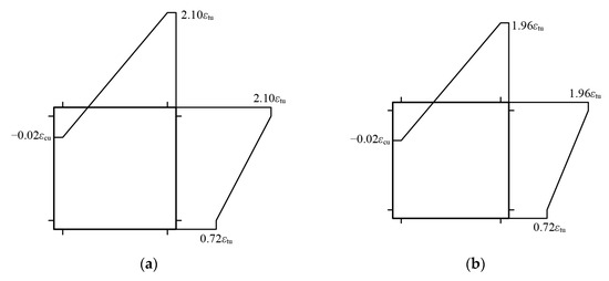
6. Strains of Concrete in Section B
Figure 12 shows the strain distribution of the concrete in Section B during the construction stage. Note that the compressive strains are represented as multiples of the concrete ultimate compressive strain, εcu = 3300 με, and the tensile strains are represented as multiples of the concrete ultimate tensile strain, εtu = 100 με, while positive strains indicate tensile strains and negative strains indicate compressive strains. Solidification heated the concrete after pouring, and the raised temperature deviated the measurement of the embedded vibrating wire meter. Thus, the measured strains in this state are not used for analysis to avoid the impact of the incorrect strain value on the research findings.
Figure 12.
Strain distribution of concrete in Section B during construction. (a) Before removing scaffold; (b) After removing scaffold.
In Section B of the concrete, the measuring point JBN-a may be damaged by concrete erosion during concrete pouring, resulting in the failure to obtain the data at this point during the whole data collection process. The strain of this point is treated as zero and marked with a red color in Figure 12.
As the concrete reached its full strength after the curing, the concrete worked together with the steel tube to sustain the construction load. After the removal of the scaffold, the support from the scaffold on the beams next to the column disappeared. The construction load on the beams transferred to the column, which increased the load borne by the concrete in the column. The measured strain distribution in this state is shown in Figure 12b. It can be found that the strain distributions in Figure 12a,b were quite similar. It is due to the fact that the uneven concrete pouring at the south and north sides of the beam led to eccentric compression on the concrete at Section B. According to Figure 8b,c and Figure 12a,b, it can be found that the strains of the steel tube increased somewhat, and the strains of the concrete did not change significantly in this state. Obviously, the increased load after the removal of the scaffold was primarily borne by the steel tubes, and the concrete inside bore only a small part of the load. It indicates stress redistributions across the section, which need to be considered in the behavior prediction of the column.
During the construction, the largest tensile strain occurred at JBN-c, as much as 2.10εtu, much larger than the ultimate tensile strain εtu of the concrete. The concrete near the point was seriously cracked under tension. It made the concrete unable to bear any tension in those states, ultimately jeopardizing the structural integrity and safety of the column. The largest compressive strain occurred at JBN-b, as much as −0.02εcu, much less than the ultimate compressive strain εcu of the concrete. It indicates that the area near JBN-b did not experience concrete crush during the construction stage. The position near JBN-c is considered the most vulnerable in the section during the construction stage. Considering mass concreting at one time during the construction of the column, necessary measures should be taken to avoid the concrete cracking, such as adding anti-cracking agents, controlling the construction temperature, and adopting segmented concreting.
7. Relative Slip between Concrete and Steel Tube
Interplay between the concrete and the steel tubes provides an important guarantee for the favorable mechanical performance of the CFST column. The relative slip between the two materials reflects the degree of the interplay under the construction load.
Figure 13 shows the relative slip strain distribution between the concrete and the steel tube during the construction stage. The relative slip strain εslip is calculated according to Equation (2) [39], where εsteel represents the strain of the steel tubes and εcnt represents the strain of the concrete. The positive strains indicate tensile strains and the negative strains indicate compressive strains in the figure. Solidification heated the concrete after pouring, and the raised temperature deviated the measurement of the embedded vibrating wire meter. Therefore, the strain distribution is investigated just before and after the removal of the scaffold.
Figure 13.
Relative slip strain distribution between concrete and steel tube. (a) Before removing scaffold; (b) After removing scaffold.
It can be found from Figure 13a that the largest relative slip occurred at JB-c-1 and JB-c-2, and there is an obvious slip between the concrete and the steel tube near JB-c-1 and JB-c-2. It is due to the fact that the absence of studs inside the steel tube led to a lack of effective connection between the two materials in this area, and the two materials could not be integrally stressed and deformed under the construction load.
Before the scaffold was removed, as the concrete curing was not completed, part of the scaffold was placed under the beam to support the self-weight of the beams and their formworks. After the removal of the scaffold, the weight of the beams and the load applied on the beams was transferred to the CFST column. The relative slip strain distribution between the concrete and the steel tube is shown in Figure 13b. It can be seen from the figure that the relative slip strain was the largest at JB-c-1 and JB-c-2. A significant slip occurred in the area nearby, and the concrete and the steel tube could not be integrally stressed and deformed under construction load.
In the above two construction states, the relative slip strain distribution between the concrete and the steel tube was quite similar, and the largest relative slip strain occurred at JB-c-1 and JB-c-2 in both states, as much as 291.69 με. Therefore, the corner areas near JB-c-1 and JB-c-2 were the most prone to relative slip between the concrete and the steel tube. It was caused by the inconsistent stressing between the concrete and the steel tube at these points, namely the greatly tensioned concrete but the compressed steel tube at the corner. The localized significant slip would lead to deteriorated mechanical behavior of the column including different failure modes and degraded load-carrying capacity compared to the predictions by the code methods. Measures such as the application of binders and surface treatment of the steel tube are suggested to reduce the slip at the corner.
8. Conclusions
In this study, the strains in the sections of an inclined large-size non-studded CFST column at the middle story were measured and tracked during its construction, and the characteristics of the strain distributions were studied. The conclusions were drawn as follows:
- The plane section assumption was not applicable to the deformation of the CFST column during the construction. New methods to predict the behavior of this type of column are a practical necessity;
- Among the three construction states, the strains of the CFST column were the largest after concrete pouring, followed by the strains after the scaffold removal, and the strains were the lowest before the scaffold removal. The nonlinear variations in the strain levels among the three states indicate stress redistributions across the section during the construction stage. This feature provides a valuable reference for designs and constructions of large-size non-studded CFST columns;
- Bi-directional bending occurred in the CFST column segment. The most vulnerable positions of the steel tube were located at the south and north sides of the upper end of the column segment and the east and west sides of the lower end of the segment;
- The absence of studs in the steel tube significantly decreased the bond between the concrete and the steel tube, which made the two materials fail to work together effectively. Compared with the conventional CFST column, the concrete and the steel tube of the column tended to be stressed and deformed more independently. This feature would lead to deteriorated mechanical behavior of the column including different failure modes and degraded load-carrying capacity compared to the predictions by the code methods. Measures such as the application of binders and surface treatment of the steel tube are suggested to reduce the slip at the corners of this type of column.
Based on the results in this study, subsequent study will evaluate the deterioration of the mechanical properties of the column caused by the slip during the construction stage and will put forward feasible suggestions for designs and constructions of this type of column.
Author Contributions
Conceptualization, D.M. and H.Z. (Huifeng Zhang); methodology, D.M. and H.Z. (Huifeng Zhang); software, Z.Z.; validation, Z.Z., Z.J. and Q.J.; formal analysis, Z.Z., Q.J. and H.Z. (Haitao Zhang); investigation, Z.J. and Q.J.; resources, D.M. and H.Z. (Huifeng Zhang); data curation, Z.Z., Q.J. and H.Z. (Haitao Zhang); writing—original draft, Z.Z., Z.J., J.M. and L.X.; writing—review and editing, D.M. and H.Z. (Huifeng Zhang); visualization, J.M. and L.X.; supervision, D.M. and H.Z. (Huifeng Zhang); project administration, D.M. and H.Z. (Huifeng Zhang); funding acquisition, D.M. and H.Z. (Huifeng Zhang). All authors have read and agreed to the published version of the manuscript.
Funding
This research was funded by the Natural Science Foundation of China, grant number 52008064; the Science and Technology Research Program of Chongqing Municipal Education Commission of China, grant number KJQN202000737; and the Postdoctoral Research Program of Chongqing, grant number 2022CQBSHTB3082.
Data Availability Statement
The data presented in this study are available on request from the corresponding author. The data are not publicly available due to privacy.
Conflicts of Interest
Authors Zhenyu Zhang, Zhensheng Jia, Quan Jin and Haitao Zhang were employed by the company China Communications Construction Company Third Highway Engineering Co., Ltd. Authors Jin Mao and Lun Xiong were employed by the company China Construction Science and Industry Corporation Ltd. The remaining authors declare that the research was conducted in the absence of any commercial or financial relationships that could be construed as a potential conflict of interest.
References
- Li, B.; Gao, C.Y.; Wang, B.; Zhang, F. Mechanical behavior analysis of concrete filled square steel tube column. Build. Struct. 2010, 40, 398–400. (In Chinese) [Google Scholar] [CrossRef]
- Li, X.; Wang, X.D.; Zhou, X.H.; Liu, J.P. Calculation of shear capacity of steel reinforced concrete column with square steel tube constraints. J. Build. Struct. 2020, 41, 129–137. (In Chinese) [Google Scholar] [CrossRef]
- Hajjar, J.F.; Gourley, B.C. Representation of concrete-filled steel tube cross-section strength. J. Struct. Eng.-ASCE 1996, 122, 1327–1336. [Google Scholar] [CrossRef]
- Ma, L.; Wang, H.L.; Zhang, J. Axial compression experiment and numerical simulation of CFST short columns at an ultra early age. Structures 2024, 59, 105674. [Google Scholar] [CrossRef]
- Yuan, F.; Li, Z.W.; Li, H.H.; Feng, Y. Effect of high-strength steel spirals on the seismic behavior of square concrete-filled steel tubular columns under high axial load ratio. Eng. Struct. 2023, 279, 115652. [Google Scholar] [CrossRef]
- Ayough, P.; Wang, Y.H.; Ibrahim, Z. Analytical study of concrete-filled steel tubular stub columns with double inner steel tubes. Steel Compos. Struct. 2023, 47, 645–661. [Google Scholar] [CrossRef]
- Almamoori, A.H.N.; Naser, F.H.; Dhahir, M.K. Effect of section shape on the behaviour of thin walled steel columns filled with light weight aggregate concrete: Experimental investigation. Case Stud. Constr. Mater. 2020, 13, e00356. [Google Scholar] [CrossRef]
- Lee, S.H.; Uy, B.; Kim, S.H.; Choi, Y.-H.; Choi, S.-M. Behavior of high-strength circular concrete-filled steel tubular (CFST) column under eccentric loading. J. Constr. Steel Res. 2011, 67, 1–13. [Google Scholar] [CrossRef]
- Vedernikov, A.; Gemi, L.; Madenci, E.; Özkılıç, Y.O.; Yazman, Ş.; Gusev, S.; Sulimov, A.; Bondareva, J.; Evlashin, S.; Konev, S.; et al. Effects of high pulling speeds on mechanical properties and morphology of pultruded GFRP composite flat laminates. Compos. Struct. 2022, 301, 116216. [Google Scholar] [CrossRef]
- Vedernikov, A.; Tucci, F.; Carlone, P.; Gusev, S.; Konev, S.; Firsov, D.; Akhatov, I.; Safonov, A. Effects of pulling speed on structural performance of L-shaped pultruded profiles. Compos. Struct. 2021, 255, 112967. [Google Scholar] [CrossRef]
- Wang, J.J.; Zhang, S.S.; Nie, X.F.; Yu, T. Compressive behavior of FRP-confined ultra-high performance concrete (UHPC) and ultra-high performance fiber reinforced concrete (UHPFRC). Compos. Struct. 2023, 312, 116879. [Google Scholar] [CrossRef]
- Chen, H.; Guo, Z.X.; Liu, Y.; Guo, L.T. Research on shear mechanism and Bearing capacity calculation method of a new combined shear bond. Eng. Mech. 2019, 36, 159–168. (In Chinese) [Google Scholar]
- Cai, S.H. Modern Concrete Filled Steel Tube Structure; People’s Communications Press: Beijing, China, 2007. (In Chinese) [Google Scholar]
- Zhong, S.T. Concrete Filled Steel Tube Structure, 3rd ed.; Tsinghua University Press: Beijing, China, 2004. (In Chinese) [Google Scholar]
- Roeder, W.R.; Cameron, B.; Brown, C.B. Composite action in concrete filled tubes. J. Struct. Eng.-ASCE 1999, 125, 477–484. [Google Scholar] [CrossRef]
- Johnsson, M.; Gylltoft, K. Mechanical behavior of circular steel concrete composite stub columns. J. Struct. Eng.-ASCE 2002, 128, 1073–1081. [Google Scholar] [CrossRef]
- Razvi, S.; Saatcioglu, M. Confinement model for high-strength concrete. J. Struct. Eng.-ASCE 1999, 125, 281–289. [Google Scholar] [CrossRef]
- Reddy, G.S.R.; Bolla, M.; Patton, M.L.; Adak, D. Comparative study on structural behaviour of circular and square section-Concrete Filled Steel Tube (CFST) and Reinforced Cement Concrete (RCC) stub column. Structures 2021, 29, 2067–2081. [Google Scholar] [CrossRef]
- Wang, Q.W.; Wang, C.W.; Liu, L.; Han, W.C. Research status and analysis progress of interfacial bonding properties of concrete filled steel tube. Build. Struct. 2021, 51, 91–97. (In Chinese) [Google Scholar] [CrossRef]
- Wang, W.B.; Wang, J.W. Research progress of concrete filled steel tube. Ind. Build. 2011, 41, 332–334. (In Chinese) [Google Scholar] [CrossRef]
- Li, S.B.; Pan, X.N.; Chen, Y.L.; Qin, K. Experimental Study on axial Compressive Properties of Reinforced Concrete Filled Steel Tube (CFST) Columns confined by GFRP tubes. Concrete 2022, 2022, 31–36. (In Chinese) [Google Scholar] [CrossRef]
- Xu, H.G.; Feng, Q.X.; Duanmu, X.F.; Xu, Z.; Lin, H.C. Experimental study on the effect of open hole on bearing capacity and deflection of hollow beam. Build. Struct. 2022, 52, 104–110. (In Chinese) [Google Scholar] [CrossRef]
- Lu, J.J.; Zhao, Q. Analysis of the influence of shear stiffness of shear keys on shrinkage and creep of composite beam bridges. J. Luoyang Inst. Technol. (Nat. Sci. Ed.) 2021, 31, 34–38. (In Chinese) [Google Scholar] [CrossRef]
- Wu, L.W.; Su, Y.P.; Zhao, J.S. Simulation test on axial tensile properties of pipe sleeve grouting Joint. J. Build. Struct. 2019, 40, 169–177. (In Chinese) [Google Scholar] [CrossRef]
- Li, B.; Luan, W.L.; Gao, C.Y. Experimental study on axial compressive properties of medium-length columns of ribbed concrete filled square steel tube. Concrete 2020, 2020, 19–22. (In Chinese) [Google Scholar] [CrossRef]
- Alemayehu, R.W.; Bae, J.; Ju, Y.K.; Park, M.J. Bond Behavior of Concrete-Filled Steel Tube Mega Columns with Different Connectors. Materials 2022, 15, 2791. [Google Scholar] [CrossRef] [PubMed]
- Tao, Z.; Song, T.Y.; Uy, B.; Han, L.-H. Bond behavior in concrete-filled steel tubes. J. Constr. Steel Res. 2016, 120, 81–93. [Google Scholar] [CrossRef]
- Song, T.Y.; Zhu, D.; Zhou, H.; Xiang, K.; Chen, Z. Fire and post-fire performance of blind-bolted concrete-filled steel tubular joints with restrained steel beams: Experiment and simulation. Thin-Walled Struct. 2023, 193, 111212. [Google Scholar] [CrossRef]
- Ferrotto, M.F.; Fenu, L.; Xue, J.Q.; Briseghella, B.; Chen, B.C.; Cavaleri, L. Simplified equivalent finite element modelling of concrete-filled steel tubular K-joints with and without studs. Eng. Struct. 2022, 266, 114634. [Google Scholar] [CrossRef]
- Ayough, P.; Ibrahim, Z.; Ghayeb, H.H.; Elchalakani, M.; Sulong, N.R.; Ganasan, R. Experimental and numerical investigations into the compressive behaviour of circular concrete-filled double-skin steel tubular columns with bolted shear studs. Structures 2022, 46, 880–898. [Google Scholar] [CrossRef]
- Hasan, H.G.; Ekmekyapar, T. Bond-slip behaviour of concrete filled double skin steel tubular (CFDST) columns. Mar. Struct. 2021, 79, 103061. [Google Scholar] [CrossRef]
- Alrebeh, S.K.; Ekmekyapar, T.; Ahmed, A.D.; Al-Asad, A.K. Experimental Performance Evaluation of Concrete-Filled Steel Tube Columns Confined by High-Strength Steel Bolts. Int. J. Steel Struct. 2023, 23, 1135–1147. [Google Scholar] [CrossRef]
- Shehab, B.A.; Ekmekyapar, T. Connection behaviour of through reinforced concrete beam to concrete-filled steel tube column after exposed to heating. Fire Saf. J. 2022, 133, 103666. [Google Scholar] [CrossRef]
- Zhang, B.; Gao, Y.H.; Peng, Y.T.; Liu, J.; Zhang, S.; Zhu, E.; Jiang, Y. Seismic performance of circular concrete-filled FRP tubes consisting of H-steel with shear studs: Experimental study and numerical modelling. Thin-Walled Struct. 2023, 193, 111225. [Google Scholar] [CrossRef]
- Chen, Z.H.; Du, Y.S.; Wu, L.; Qin, Y.; Zhou, T. Review of research on rectangular concrete filled steel tube structures. J. Build. Struct. 2015, 45, 40–46+76. (In Chinese) [Google Scholar] [CrossRef]
- Xu, L.H.; Song, Y.; Liu, S.M.; Li, B.; Yu, M.; Zhou, K.K. Research on eccentric compression capacity of polygonal concrete filled steel tube columns. Eng. Mech. 2019, 36, 135–146. (In Chinese) [Google Scholar]
- Fu, K.; Wen, Y.J.; Wen, S.Q.; Luo, K. Design of composite structure system of large-hole concrete-filled steel tube column and reinforced concrete beam in a medical building. Build. Struct. 2022, 52, 87–91. (In Chinese) [Google Scholar] [CrossRef]
- Liu, Y.J.; Liu, J.P.; Chi, J.J. Mechanical properties of concrete filled steel tube (CFST) with shear-bond slip. J. Guangxi Univ. (Nat. Sci. Ed.) 2010, 35, 17–23+29. (In Chinese) [Google Scholar] [CrossRef]
- Haber, Z.B. Precast Column-Footing Connections for Accelerated Bridge Construction in Seismic Zones. Ph.D. Thesis, University of Nevada, Reno, NV, USA, 2013. [Google Scholar]
Disclaimer/Publisher’s Note: The statements, opinions and data contained in all publications are solely those of the individual author(s) and contributor(s) and not of MDPI and/or the editor(s). MDPI and/or the editor(s) disclaim responsibility for any injury to people or property resulting from any ideas, methods, instructions or products referred to in the content. |
© 2024 by the authors. Licensee MDPI, Basel, Switzerland. This article is an open access article distributed under the terms and conditions of the Creative Commons Attribution (CC BY) license (https://creativecommons.org/licenses/by/4.0/).













