Abstract
The gable wall of the conventional island of a nuclear power plant carries various pipeline loads connecting the nuclear island and the conventional island. If the gable wall collapses and is damaged due to the progressive collapse of the main plant structure of the conventional island, it will directly threaten the safety of the nuclear island. Therefore, it is of great significance to systematically study the resistance of the gable structure of the nuclear island to progressive collapse for the safe operation of nuclear power plants. Based on the SAP2000 finite element analysis platform, this paper established a model of the reinforced concrete frame structure of the first span of the shield building on the conventional island of a nuclear power plant, including the gable. According to the alternate path method, the node displacement and bearing capacity responses were used to determine the critical components in the gable, and single column failures of the top four in importance were selected as different analysis conditions. Nonlinear static and dynamic methods were used to analyze the displacement, internal force change, hinge sequence of the gable structure on the side of the nuclear island, and the ability of the gable to resist progressive collapse. The analysis results showed that the gable structure of the nuclear island had good resistance to progressive collapse under four single column failure conditions, whether by nonlinear static or dynamic analysis, and the overall vertical displacement obtained by the nonlinear static analysis was larger than that obtained by the dynamic analysis.
1. Introduction
As important sources of accidental effects, superdesign reference events are characterized by short duration and large energy [1], causing direct vibrational damage and secondary natural disasters that greatly test and threaten the safety of structures and facilities in nuclear power plant buildings. For example, the effects of the 9 Mw earthquake of 11 March 2011 in Japan, in essence caused the Fukushima nuclear leakage accident that brought incalculable damage to the marine ecology of the world (as shown in Figure 1). On the other hand, the accidental effects of artificial events, such as explosions and impacts, can also have serious consequences that cannot be estimated [2]. For example, the terrorist attack of 11 September 2001 in the United States resulted in the structural progressive collapse of the twin towers of the World Trade Center within a few hours (as shown in Figure 2). With the frequent occurrence of accidents, in-depth studies are being conducted all over the world and technical standards for progressive collapse are being innovated, and it can be said that these typical cases have provided valuable information for studying the resistance of structures to progressive collapse [3,4,5,6].
Figure 1.
Fukushima nuclear leakage accident in Japan.
Figure 2.
9.11 Collapse of the World Trade Center.
The Ronan Point Apartment incident triggered by a gas explosion in England first set off a wave of research on structural resistance to progressive collapse [7]. John E. Braenc [8] obtained two ideas through his collapse experiments: one was to increase the load transfer path and the other was to enhance the bearing capacity of components. He advocated to improve the integrity of the structure through the design of ties and linkage. To further improve the structure’s resistance to progressive collapse, Ellingwood [9] proposed using event control and indirect and direct methods to design the structure against progressive collapse. After the Ronan Point Apartment incident in Britain, the sensational “911” incident in the United States promoted research on structural resistance to progressive collapse to reach a climax, with the recognition and exploration of structural resistance to progressive collapse in the engineering community of various countries reaching new heights.
Due to the limitations of test conditions, most of the studies on progressive collapse are based on simple components and model-scale structures. Ma et al. [10] used the component removal method to conduct collapse experimental research on the slab and column structure at the model scale and found that the film pulling effect of the plate can significantly enhance the resistance of the structure to progressive collapse. Stinger et al. [11] used pseudo-static pushdown experiments to study the progressive collapse resistance of beam–column structures with continuous and non-continuous reinforcements, concluding that continuous reinforcement can enhance the overall flexural resistance of the structure only at the small deformation stage. Exploring the nature of structural resistance to progressive collapse more precisely, Adam et al. [12] concluded that the progressive collapse resistance of the structure mainly depends on the flexural and fasting mechanisms of the floor, and the film pulling effect was not obvious in dynamic experiments in which the full-scale bottom corner columns were removed from RC plate structures. Lou et al. [13] adopted a prototype collapse experiment to simulate the progressive collapse resistance of a portal rigid frame under real fire action and found that the structure would have asymmetric collapse due to uneven temperature distribution. Li et al. [14] respectively conducted progressive collapse tests on cast-in-place and assembled monolithic reinforced concrete beam–column structure specimens under uniform load compared to the dynamic collapse resistance of the two structures based on the energy principle, concluding that the cumulative energy dissipation capacity of the structures under the compressive arch mechanism was higher. Most of the above studies are based on the progressive collapse of components and structures. In practice, the filled wall is also an important part of the structure, so its resistance to progressive collapse also needs attention. Qian et al. [15,16] studied the influence of packed walls on the collapse resistance of structures and came to the conclusion that packed walls can improve the strength, stiffness, and collapse mode of structures. Baghi et al. [17] conducted side column failure collapse tests on a completely reinforced concrete frame structure with sintered porous bricks as filler walls, finding that the installation of filler walls can improve the bearing capacity of the structure but it reduces the ductility of the structure. Shan et al. [18] simulated the middle column failure collapse of a fully packed wall frame specimen and a cavity-packed wall frame specimen, concluding that the strength and stiffness of the fully packed wall frame specimen was improved but its ductility was decreased. As different load types lead to different structural responses, Pham et al. [19] conducted a comparative study of the dynamic progressive collapse of structures under uniform and concentrated loads with the same load size, concluding that the suspension effect under a concentrated load has a high degree of development.
However, the harshness of experimental conditions reduces the accuracy of experimental results to some extent, so many scholars use numerical simulations to analyze buildings with large sizes, complex structures, and extreme experimental conditions. Griengsak et al. [20] described a new element and used it to study the progressive collapse resistance of beam–column systems. Mohajeri et al. [21] proposed a theoretical model and verified the anti-progressive collapse performance of RC frame structures with columns removed through experiments and numerical analysis. The analysis results showed that the conclusions of the two methods were basically consistent, which further explained the reliability of the numerical simulation results. Christoph et al. [22] further abstracted a system of degrees of freedom by taking the p-delta effect into account using the pushover analysis method and studied the nonlinear collapse performance of multi-layer frame systems under earthquake action. Nyunn et al. [23] studied the progressive collapse resistance of packed walls using nonlinear dynamic and static methods, concluding that packed walls can significantly improve the progressive collapse resistance of reinforced concrete structures but have little influence on the DFA (dynamic amplification factors) coefficient. In addition, Praveen et al. [24] established reinforced concrete models of different respective heights in SAP2000 and studied the structural anti-progressive collapse performance using nonlinear static and dynamic analysis methods. These researchers came to the conclusion that the values of DIF (dynamic increase factors) vary with different dynamic demands, and the nonlinear dynamic analysis method is the most accurate choice to simulate the progressive collapse of structures. Compared with the number of studies on reinforced concrete structures, there are fewer studies analyzing prestressed concrete structures against progressive collapse. Joshi et al. [25] proposed that more attention should be paid to the analysis of prestressed concrete structures against progressive collapse. Relevant studies on structural resistance to progressive collapse have emerged in an endless stream [26,27]. Alsheikh et al. [28] systematically summarized the factors affecting the progressive collapse resistance of reinforced concrete structures, including specifications, structural types, failure control factors, etc.
Most of the above studies on progressive collapse resistance are based on common building structures, while those on nuclear power plants are rare. The nuclear island on the main plant side of the conventional island is closely linked to the gable (as shown in Figure 3), and there is an electrical plant near the gable. If the shield building of the conventional island progressively collapses, then the gable near the location is also very likely to collapse, directly causing damage to the nuclear island. Therefore, the collapse resistance of the gable near the nuclear island should be improved as much as possible, so as to ensure that the safety margin of the nuclear island can be relatively guaranteed even if the shield building of the conventional island collapses and is progressively destroyed under accidental action [29]. Based on this, this paper takes the gable structure of the nuclear island side of the shield building of the conventional island of a nuclear power plant as the research object for progressive collapse simulation. The study analyzes the nonlinear static and dynamic anti-progressive collapse abilities of the gable wall under four different working conditions, as well as the sequence of the hinge and internal force distribution, etc., providing a reference for the anti-progressive collapse design of the gable structure of the nuclear island side of the shield building of the conventional island of nuclear power plants.
Figure 3.
General layout of nuclear power plant.
2. Theory and Methods
2.1. Plastic Hinge Judgment and Equivalent Load Taking
Figure 4 displays the plastic hinge skeleton curve, where the horizontal axis represents the cross-sectional plastic angle θ (rad). The origin is denoted by point A, while point B represents the hinge yield point, point C represents the yield strength, point D represents the residual strength, and point E represents the member damage. The AB section from point A (unstressed point) to the effective yield point B is the linear elastic stage. In the BC section, which is considered the elastoplastic stage, the stiffness decreases linearly from point B (yield point) to point C (ultimate strength point), but the bearing capacity increases to a certain extent. In the CD section (decline stage), the stiffness of the member decreases rapidly and the load resistance suddenly decreases to point D (residual strength point). In the DE section, the load develops accordingly to point E (damage point). Three marker points are set between points B and C, which are IO (direct use), LS (life safety), and CP (collapse prevention). In the figure, “a” indicates the corner of the section when the plastic hinge reaches the maximum flexural load capacity and then suddenly loses the load capacity, “b” indicates the corner of the beam when the plastic hinge completely loses the load capacity, and “c” indicates the residual strength ratio.
Figure 4.
Plastic hinge skeleton curve.
Different countries have different regulations for the analysis of structural resistance to progressive collapse based on load combination, such as GSA2016 [30], DoD2016 [31], and other regulations. Considering the complexity of structural calculation and analysis, the influence of wind load on the structure was ignored in this paper. In the analysis of the anti-progressive collapse performance of the structure, reference is made to the selection of the load combination in the GSA2016 specification. In the static analysis, Formula (1) is used for the cross-part and above load combination, and Formula (2) is used for the load combination of other parts. In the dynamic analysis, Formula (3) is used for the load combination of each part of the structure.
The load combination in the static analysis of GSA2016 regulation is stipulated as follows:
ΩLD (1.2D + 0.5L)
ΩLF (1.2D + 0.5L)
The load combination in the dynamic analysis of GSA2016 regulation is stipulated as follows:
1.2D + 0.5L
Formula parameter meanings:
D: Constant load; L: Live load;
ΩLD: Deformation control factor; ΩLF: Force control coefficient
For the specific value of the load, the equivalent amplification factor is not unified. According to the GSA2016 specification and experience, ΩLD = 1, ΩLF = 2.
2.2. Evaluation Guidelines
In order to evaluate the degree of collapse failure of the residual structure more clearly, this paper evaluated the damage risk to the gable frame structure according to the limit value of the support angle after deformation of the corresponding structure, as shown in Table 1. The literature [32] points out that the failure mechanism and loading time differ greatly due to accidental load and seismic action, so the rotation limit of the beam end can be relaxed. In this paper, combined with the GSA2016 specification and considering the short duration of accidental action, the corresponding evaluation standard was set at 2.5°.
Table 1.
Limit value of turning angle of beam end joint on the floor where the failed column is located.
2.3. Design Methodology
There are four main design methods recognized, widely researched, and applied in the industry for progressive collapse resistance: the conceptual design method, tensile strength method, alternate path method, and key member method. The first two methods are mainly used to strengthen the progressive collapse resistance of structures from a holistic perspective. The alternate path method and key member method, on the other hand, are direct control methods that are mainly used to study and evaluate the progressive collapse influencing factors and collapse resistance through tests and numerical simulations [35,36,37]. Table 2 summarizes the combinations of each design method for different codes.
Table 2.
Comparison of degree of emphasis of various progressive collapse design methods in national codes.
As can be seen from Table 2, the component removal method is more widely applied than the other three methods, and the relevant codes for progressive collapse resistance in China and the United States have more mature and specific operating procedures and theoretical guidance for this method [38,39,40]. Therefore, this paper chose the component removal method for analysis.
2.4. Numerical Analysis Methods
By reasonable assumption and simplification of the collapse process, the component removal method can specifically divide the numerical analysis methods of structure resistance to progressive collapse into four categories [41,42]: linear static analysis method, nonlinear static analysis method, linear dynamic analysis method and nonlinear dynamic analysis method. In order to obtain a more intuitive understanding of the above four analysis methods, this paper longitudinally compared the four analysis methods’ operation difficulty, running speed, application scope, and other attributes. The comparison results are shown in Table 3.
Table 3.
Comparison of analytical methods.
As can be seen from Table 3, if the computing capacity allows, nonlinear analysis with a wider application range can be used to obtain scientific results closer to the actual situation. On the other hand, relevant specifications [43] also clearly point out that nonlinear methods are recommended for the progressive collapse analysis of complex, irregular building structures or buildings with more than ten floors. Based on this, nonlinear static and dynamic methods were used to study the progressive collapse resistance of the gable frame structure on the conventional island of nuclear power plants.
3. Progressive Collapse Performance Study
3.1. Finite Element Modelling
The main plant on the conventional island of a nuclear power plant is mainly composed of a steam engine room, an auxiliary room, and a clean room. The gable on one side of the nuclear island is equipped with the shear wall anti-dumping structure of the main steam pipeline, and the underground structure is a semi-basement of first-class seismic grade, with multiple splintered layers and an irregular layout. According to the analysis of the general layout of the nuclear island, the main plant on the conventional island, and the turbine plant, the first span of the main plant on the conventional island is adjacent to other plant structures on three sides and is completely separated from other parts through structural joints. Therefore, this paper took the nuclear island side of the gable frame structure as the starting point and used the SAP2000 finite element analysis platform to establish the first span of the conventional island main plant as the overall structural model, as shown in Figure 5. Subsequently, nonlinear static and dynamic analyses were conducted on the progressive collapse resistance of the the nuclear island side of the gable frame structure. The longitudinal axes of the frame structure are A, B, and C, respectively. In this paper, the beam–column members were modelled in SAP2000 using frame units, which can consider the effects of biaxial bending, axial deformation, torsion and biaxial shear deformation, etc. Each node of the frame unit had six degrees of freedom, as shown in Figure 6.
Figure 5.
Three-dimensional model of integral structure.
Figure 6.
Sketch of frame element.
3.2. Constitutive Model of Materials
The main plant of the conventional island is mainly composed of concrete, section steel, and rebar. The strength grade of concrete is C45, and the parameters of the constitutive curve are shown in Figure 7. The elastoplastic model considering yield platform and linear strengthening was adopted for the reinforcements and steel. The parameters of the constitutive curve are shown in Figure 8.
Figure 7.
C45 concrete material parameters.
Figure 8.
Constitutive curves of steel and reinforcements. (a) Q345 steel material parameters. (b) HRB400 reinforcement material parameters.
3.3. Component Importance Analysis and Selection of Failed Components
In order to accurately judge the degree of influence of each column in the gable on the structure’s progressive collapse resistance, each reinforced concrete column in the gable was removed in turn. It was assumed that only one column was damaged at a time, and the top four columns in the gable were determined according to the node displacement and bearing capacity responses so as to determine four analysis conditions. The serial number of each column component of the gable on the side of the nuclear island is shown in Figure 9. (Note: A4 and A7 are two columns connected to different floors by beams on the other side).
Figure 9.
Position and numbering diagram of member removal. Note: The numbers 1–9 in this figure represent the columns at the corresponding positions of axes A, B and C, respectively.
3.3.1. Node Displacement Response
By applying the load combination of 1.2D + 0.5L stipulated in the GSA2016 specification to the overall structure during dynamic analysis with SAP2000, the sensitivity analysis of the remaining structure after the removal of 9 members of the gable was carried out according to Formula (4). The calculation results of the importance coefficients of each member were obtained, as shown in Table 4. The calculation results of the first four importance coefficients in the gable were taken as the following four analysis conditions, namely, columns C3, C6, B2, and A1 were removed.
- ai: the importance coefficient of removing column i;
- n: number of the column;
- Six, Siy, Siz: the translational displacements of the upper end point in the x, y, and z directions, respectively, after the column is removed.
Table 4.
Calculation results of importance coefficients of reinforced concrete columns in the gable.
Table 4.
Calculation results of importance coefficients of reinforced concrete columns in the gable.
| Removal Column Number | Factor of Importance of Member |
|---|---|
| A1 | 7.576 |
| B2 | 7.597 |
| C3 | 11.37 |
| A4 | 5.000 |
| B5 | 7.549 |
| C6 | 8.466 |
| A7 | 6.542 |
| B8 | 4.231 |
| C9 | 3.655 |
3.3.2. Load-Bearing Force Response
One of the main ways to judge whether a structure is prone to instability is to quantify the importance coefficient of the member. The literature [44] proposes to improve and optimize the importance coefficient of members and sort out a concise form, as shown in Formula (5):
- γi:
- the importance coefficient of column i;
- R0:
- initial structural bearing capacity;
- Ri:
- structural bearing capacity after the failure of column i.
In pushover analysis, the structure is pushed to a certain target displacement by imposing a certain distribution of horizontal and monotonously increasing load, and whether the structure can withstand the unexpected load in the future is analyzed. In this paper, based on the theory of anti-progressive collapse, pushover analysis was carried out on the complete frame structure of the gable and the remaining structure obtained under the failure conditions of 9 columns. The pushover curves obtained under each working condition are shown in Figure 10. From Figure 10, it can be seen that the trends of the pushover analysis curves of the damaged structure were generally in the same direction, but the ultimate bearing capacity decreased to different degrees compared with that of the intact structure. The minimum ultimate bearing capacity of the damaged structure was only 13% of the ultimate bearing capacity of the intact structure.
Figure 10.
Shear degradation curve of each member base.
From Table 4 and Figure 10, it can be seen that the order of importance of each column of the gable structure obtained by the node displacement and bearing capacity responses was the same, i.e., C3 > C6 > B2 > A1. From these, the four subsequent analysis conditions were determined as shown in Table 5.
Table 5.
Condition analysis.
3.4. Nonlinear Static Analysis
The specific plastic hinge definitions in SAP2000 software were as follows: the beam adopted an M3 hinge (bending moment hinge) when set at 0.1 L of the beam (L is the span of the beam); the column adopted a PMM hinge (axial force moment hinge) when set at 0.1 H of both ends of the frame column (H is the column height). The load combination of ΩLD (1.2D + 0.5L) was applied within the span and upper span range of the component to be failed, and the load combination of ΩLF (1.2D + 0.5L) was applied to other positions of the structure.
After the failure of a member in the structure, the load will form a new transfer path and the internal force will be redistributed. For the subsequent analysis of the axial force trend of each column, the axial force values of the complete structure are listed in Table 6.
Table 6.
Complete structure axial diagram.
3.4.1. Condition 1: Remove Gable Side Column A1
The column numbered A1 was removed from the gable, and then nonlinear static analysis of the remaining structure was carried out. The vertical displacement of the failed column A1 is shown in Figure 11, and the corresponding failure point load displacement curve is shown in Figure 12. The maximum vertical displacement of the failure point corresponding to the removal of column A1 was 18.499 mm, and the maximum turning angle value of the beam end above the failed column was 0.016°. Under this working condition, a few B-IO plastic hinges appeared in the adjacent span of the failed column, and no new components continued to fail in the remaining structure of the gable. The vast majority of the members were in an elastic state. Therefore, it can be determined that when the bottom edge column A1 of the gable was damaged, the gable structure had strong resistance to progressive collapse and the probability of progressive collapse was extremely low.
Figure 11.
Node 347 displacement diagram under nonlinear static force.
Figure 12.
Load-displacement curve at failure point after removal of column A1.
After the removal of the bottom side column A1, the axial force changes of each column in the remaining structure of the gable are shown in Table 7. As can be seen from Table 7, when column A1 was removed, the axial force borne by the original column A1 was mainly transferred to the adjacent span B2 column. The axial force at the bottom of the adjacent span B2 column changed from 3939 to 5054 kN, and the axial force at the upper part of the failed column A1 changed from pressure to tension. In the remaining structure, the axial force of each column changed numerically, but because the distance from the failed column was much greater than that from the column at the span, the axial force change weas obviously less than that from the column at the span.
Table 7.
The axial force value of each column of the structure after removing column A1.
3.4.2. Condition 2: Inner Pillar B2 of the Gable Is Removed
The column numbered B2 was removed from the gable, and then nonlinear static analysis of the remaining structure was carried out. The vertical displacement of failed column B2 is shown in Figure 13, and the corresponding failure point load displacement curve is shown in Figure 14. The maximum vertical displacement of the failure point corresponding to the removal of column B2 was 24.852 mm, and the maximum turning angle value of the beam end above the failed column was 0.013°. Under this working condition, a certain number of B-IO plastic hinges appeared near the failed column span, and no new components continued to fail in the remaining structure. Therefore, it can be determined that when inner column B2 at the bottom of the gable was damaged, the gable structure had strong resistance to progressive collapse and the probability of progressive collapse was very low.
Figure 13.
Node 349 displacement diagram under nonlinear static force.
Figure 14.
Load-displacement curve at failure point after removal of column B2.
The axial force changes of the remaining columns on the gable wall after the removal of the bottom inner column B2 are shown in Table 8. As can be seen from Table 8, when the inner column B2 was removed, the axial force borne by the original column B2 was mainly transferred to the adjacent columns A1 and C3. The axial force of the adjacent span A1 column of the B2 column changed from the original 2877 kN to 3524 kN, the axial force of the C3 column changed from the original 3140 kN to 5929 kN, and the axial force of the upper part of failed column B2 changed from pressure to tension. Since the distance between the C3 column and failed column B2 was much smaller than that between the A1 column, the axial force changes were more obvious. In the remaining structure, the axial force of each column changed numerically, but because the distance from the failed column was much greater than that from the column at the span, the axial force change was obviously less than that from the column at the span.
Table 8.
The axial force value of each column of the structure after removing column B2.
3.4.3. Condition 3: Gable Side Column C3 Is Removed
The column numbered C3 was removed from the gable, and the remaining structure was then subjected to nonlinear static analysis. The vertical displacement of failed column C3 is shown in Figure 15, and the corresponding failure point load displacement curve is shown in Figure 16. The maximum vertical displacement of the failure point corresponding to the removal of column C3 was 95.514 mm, and the maximum turning angle value of the beam end above the failed column was 0.022°. Under this working condition, although there were relatively more IO-LS plastic hinges and relatively fewer S-IO plastic hinges in the adjacent spans of the C3 column, no new components continued to fail in the remaining structure. Therefore, it can be determined that when the bottom edge column C3 of the gable was damaged, the gable structure had strong resistance to progressive collapse and the probability of progressive collapse was relatively low.
Figure 15.
Node 348 displacement diagram under nonlinear static force.
Figure 16.
Load-displacement curve at failure point after removal of column C3.
After the bottom side column C3 was removed, the axial force changes of the remaining columns on the gable wall are shown in Table 9. It can be seen from Table 9 that when column C3 was removed, the axial force originally borne by column C3 was mainly transferred to column B2 of the adjacent span. The axial force of column B2 of the adjacent span changed from 3939 to 8605 kN, and the axial force of the upper part of column C3 changed from pressure to tension. The axial force of each column in the remaining structure changed numerically, but because the distance from the damaged column was much greater than that from the column of the adjacent span, the axial force change was obviously less than that of the span column.
Table 9.
The axial force value of each column of the structure after removing column C3.
3.4.4. Condition 4: Remove Gable Side Column C6
The column numbered C6 was removed from the gable, and the remaining structure was then subjected to nonlinear static analysis. The vertical displacement of failed column C6 is shown in Figure 17, and the corresponding failure point load displacement curve is shown in Figure 18. The maximum vertical displacement of the failure point corresponding to the removal of column C6 was 54.102 mm, and the maximum turning angle value of the beam end above the failed column was 0.010°. Under this working condition, there were relatively more B-IO plastic hinges and relatively fewer IO-LS plastic hinges in the adjacent span of the C6 column, but no new components continued to fail in the remaining structure. Therefore, it can be determined that when the second-floor edge column C6 of the gable was damaged, the gable structure had strong resistance to progressive collapse and the probability of progressive collapse was relatively low.
Figure 17.
Node 365 displacement diagram under nonlinear static force.
Figure 18.
Load-displacement curve at failure point after removal of column C6.
The axial force changes of each column after the removal of side column C6 are shown in Table 10. As can be seen from Table 10, when the two-story side column C6 was removed, the axial force borne by the original C6 column was mainly transferred to the adjacent span B2 column. The axial force of the adjacent span B2 column in the structure changed from the original 3939 kN to 7002 kN, and the axial force of the upper part of the C6 column changed from pressure to tension. In the remaining structure, the axial force of each column changed numerically, but because the distance from the failed column was much greater than that from the column at the span, the axial force change was obviously less than that from the column at the span.
Table 10.
The axial force value of each column of the structure after removing column C6.
3.5. Nonlinear Dynamic Analysis
If the structure progressively collapses under the action of an unexpected load, the composition of the structure will suddenly change and the structure will vibrate, resulting in inertia. Therefore, progressive collapse is a non-static process. In this paper, the instantaneous loading method was used to analyze the nonlinear dynamics of the residual structures under four different working conditions and consider the development of the plastic hinge of the residual structures. This process can maximize the ultimate bearing capacity and ductility index of structural materials. Thus, the instantaneous loading method not only involves elastoplasticity but it also takes into account the dynamic response of the structure. This method is closest to the actual collapse state, and its specific steps are as follows:
- (1)
- The model of the gable frame structure was established to determine the failure component and obtain the node force of the failure component;
- (2)
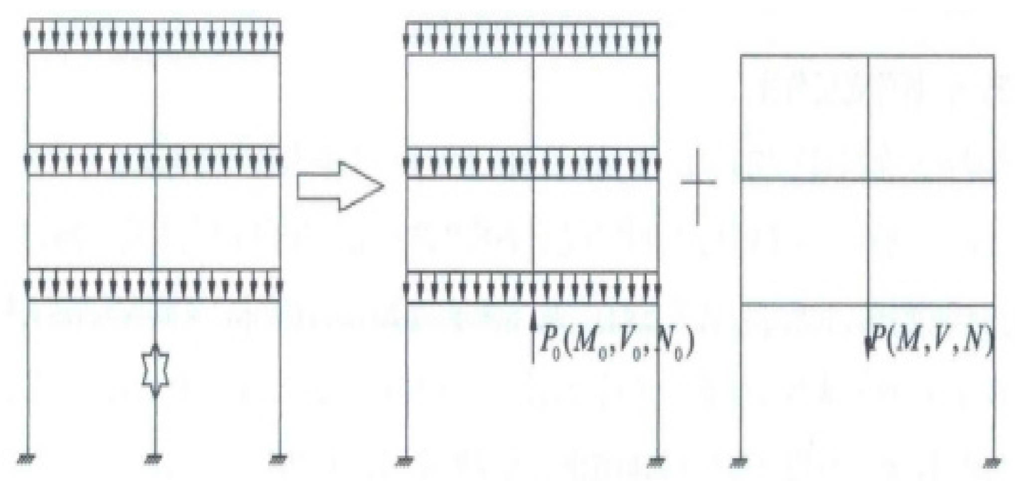
- The same model was reconstructed, and a vertical downward node load was added to the node of the column to be removed, as shown in Figure 19. At this time, the internal force of the structure was equivalent to the static force of the complete structure, and the plastic hinge was specified at both ends of the beam and column;
- (3)
- The nonlinear static analysis was designated as the “starting point” of the nonlinear dynamic analysis, and a specific combination of 1.2D + 0.5L was applied to the structure to obtain the prerequisite before the nonlinear dynamic analysis. The time and step sizes of the time-history analysis were set at 10 s and 0.010 s, respectively, as shown in Figure 20;
- (4)
- According to the analysis results of the different working conditions, the displacement time-course curves were extracted.
Figure 19.
Equivalent load diagram.
Figure 19.
Equivalent load diagram.

Figure 20.
Load–time curve.
Figure 20.
Load–time curve.

Rayleigh damping is used in dynamic nonlinear analysis. The advantage of Rayleigh damping is that more accurate results can be obtained in integrating step size over a long period of time. The damping coefficients are α1 determined by mass and α2 determined by stiffness, and the corresponding frequencies are ω1 in the first-mode natural vibration period and ω2 in the second-mode natural vibration period.
3.5.1. Condition 1: Remove Gable Side Column A1
The column numbered A1 was removed from the gable, and the remaining structure was analyzed with nonlinear dynamics. From the node displacement shown in Figure 21, the maximum vertical displacement of the failure point corresponding to the removal of column A1 was 15.660 mm, and the maximum rotation angle of the beam endpoint at the failed column was 0.013°. There were fewer plastic hinges in the B-IO section under this working condition. It can be seen from the time-history displacement of the failed column, as shown in Figure 22, that the vertical displacement of the failure point first increased and then decreased, and then it fluctuated back and forth within a certain range and gradually decreased until it became stable. According to the criterion, when the initial damage occurred on the gable side column with number A1, the rest of the rods in the gable frame functioned normally and the overall structure of the gable on the side of the nuclear island had good resistance to progressive collapse.
Figure 21.
Node 347 displacement diagram under nonlinear dynamics.
Figure 22.
The time-history displacement diagram after removal of column A1.
The axial force change in upper column A4 of failed column A1 is shown in Figure 23. It can be seen that in the case of the failure of the A1 column, the axial force of the A4 column was reduced from about 1800 kN to near 0 kN and then gradually tended to 0 kN after the shock. This was because after the failure of the A1 column, the internal force of the structure was redistributed, and the original force distributed from the A4 column to the A1 column was shared with its adjacent frame column.
Figure 23.
Change in axial force at the upper end of failed column under the working condition.
As can be seen from Figure 24, the bending moment of the upper beam of the failed column A1 increased sharply from −350 to −1800 kN·m when the failure of column A1 occurred, indicating that the bending moment of the beam suddenly changed in a short time, resisted the continuous collapse of the gable structure, and then gradually stabilized to −1300 kN·m after the shock.
Figure 24.
Change in bending moment of upper end beam of failed column.
3.5.2. Condition 2: Inner Pillar B2 of the Gable Is Removed
The column numbered B2 was removed from the gable, and then the nonlinear dynamic analysis of the remaining structure was carried out. From the node displacement shown in Figure 25, it can be seen that the maximum vertical displacement of the failure point was 18.543 mm, and the maximum rotation angle of the beam endpoint at the failed column was 0.009°. Under this working condition, B-IO plastic hinges appeared in the adjacent span of the failed column B2, indicating that the structure was in the direct use stage. It can be seen from the time-history displacement of the failed column, as shown in Figure 26, that the vertical displacement of the failure point first increased and then decreased, and then it fluctuated back and forth within a certain range and gradually decreased until it became stable. According to the criterion, when the initial damage occurred on inner gable column B2, the remaining rods in the gable frame functioned normally and the overall structure of the gable on the side of the nuclear island had good resistance to progressive collapse.
Figure 25.
Node 349 displacement diagram under nonlinear dynamics.
Figure 26.
The time-history displacement diagram after removal of column B2.
As can be seen from the axial force variation of column B5 at the upper end of failed column B2, as shown in Figure 27, when failure occurred to column B2, the axial force of column B5 suddenly changed from about 3000 kN to around −200 kN and then gradually tended to −200 kN after the shock. This was because the internal force of the structure was redistributed after the failure of the B2 column. The original force transmitted by the B5 column to the B2 column was transferred to the frame column adjacent to the failed column. The beam provided the horizontal binding force, that is, the beam formed a catenary mechanism to resist the damage of progressive collapse.
Figure 27.
Change in axial force at the upper end of failed column.
As can be seen from the bending moment of beams on both sides of the upper end of failed column B2, as shown in Figure 28, when column B2 failed, the bending moment of the beam ends on both sides increased sharply at the beginning, indicating that the beams on both sides formed a catenary mechanism to resist the occurrence of progressive collapse within a short time and then gradually stabilized after the shock.
Figure 28.
Variation of bending moment of upper end beam of failed column. (a) right. (b) left.
3.5.3. Condition 3: Gable Side Column C3 Is Removed
The column numbered C3 was removed from the gable, and then nonlinear dynamic analysis of the remaining structure was carried out. From the node displacement shown in Figure 29, it can be seen that the maximum vertical displacement of the failure point corresponding to the removal of column C3 was 84.513 mm, and the maximum rotation angle of the beam endpoint at the failed column was 0.005°. Under this working condition, plastic hinges in the IO-LS section appeared at both ends of the adjacent span beam of the failed column C3, indicating that the structure was between the direct use stage and the life safety stage. It can be seen from the time-history displacement of the failed column, as shown in Figure 30, that the vertical displacement of the failure point first increased and then decreased, and then it fluctuated back and forth within a certain range and gradually decreased until it becomes stable. According to the criterion, when the initial damage occurred on the bottom side column of the gable at number C3, other components of the gable frame structure functioned normally and the overall gable structure on the side of the nuclear island had good resistance to progressive collapse.
Figure 29.
Node 348 displacement diagram under nonlinear dynamics.
Figure 30.
The time-history displacement diagram after removal of column C3.
As can be seen from the axial force variation of column C6 at the top of failed column C3, as shown Figure 31, when the C3 column was damaged, the axial force of column C6 suddenly changed from around −1500 kN to around 900 kN and then gradually approached 900 kN after the shock. This was due to the redistribution of internal forces in the structure after the failure of the C3 column. The force transferred from the original C6 column to the C3 column was now borne by the frame column adjacent to the C3 column, and the beam provided horizontal binding resistance against progressive collapse. It can be seen from the bending moment of the upper beam of the C3 column (Figure 32) that when the C3 column was damaged, the bending moment of the beam end increased sharply from −950 to 1650 kN·m and gradually became stable at 850 kN·m after the shock.
Figure 31.
Change in axial force at the upper end of failure column C3.
Figure 32.
Variation of bending moment of upper end beam of failed column C3.
3.5.4. Condition 4: Remove Gable Side Column C6
The column numbered C6 was removed the gable, and then nonlinear dynamic analysis of the remaining structure was carried out. From the node displacement shown in Figure 33, it can be seen that the maximum vertical displacement of the failure point corresponding to the removal of column C6 was 44.219 mm, and the maximum rotation angle of the beam endpoint at the failed column was 0.004°. Under this working condition, plastic hinges appeared at both ends of the adjacent span and adjacent span beams of the failed column. The beam components entered the plastic stage and the hinges of each component in the gable were B-IO segment hinges, indicating that the structure was in the direct use stage. It can be seen from the time-history displacement of the failed column, as shown in Figure 34, that the vertical displacement of the failure point first increased and then decreased, and then it fluctuated back and forth within a certain range and gradually decreased until it becomes stable. According to the criterion, when the initial damage occurred on the gable two-story side column C6, other components of the gable frame structure functioned normally and the overall gable structure on the side of the nuclear island had good resistance to progressive collapse.
Figure 33.
Node 365 displacement diagram under nonlinear dynamics.
Figure 34.
The time-history displacement diagram after removal of column C6.
As can be seen from the axial force variation of column C9 at the upper end of failed column C6, as shown in Figure 35, the axial force of column C9 suddenly changed from around 1150 kN to around −200 kN when the failure occurred and then gradually tended to −200 kN after the shock. This was because the internal force in the structure was redistributed after the failure of the C6 column. The force transmitted from the original C6 column to the C9 column was now borne by the frame column adjacent to the failed column C6, and the beam provided the horizontal binding force against progressive collapse.
Figure 35.
Change in axial force at the upper end of failure column C6.
As can be seen from the bending moment of the upper beam of failed column C6, as shown in Figure 36, the bending moment of the beam end increased sharply from −960 to 1600 kN·m when failure occurred to column C6 and then gradually became stable at 800 kN·m after the shock.
Figure 36.
Variation of bending moment of upper end beam of failed column C6.
3.6. Comparison of Nonlinear Static and Dynamic Analysis Results
In order to compare the difference between the two methods of elastoplastic static and dynamic analysis of the gable on the side of the nuclear island of the main plant of the conventional island, Table 11 shows the Z-direction maximum displacements of failure points obtained by the nonlinear static and dynamic analysis methods under different working conditions.
Table 11.
Comparison of maximum displacement in Z direction of failure points (mm).
As can be seen from Table 11, when the component removal method was used to analyze the progressive collapse of the gable frame, the results obtained by the nonlinear static analysis were larger than those obtained by the dynamic analysis, which was consistent with the results reported in the literature [45]. The reason was that in the nonlinear static analysis, a dynamic amplification factor of 2 was selected in the specification to approximately simulate the influence of the hypodynamic effect. This value was conservative, so there were some differences from the actual situation.
At this stage, the researchers are further determining the specific value of the dynamic amplification factor. At the same time, as can be seen from Table 4, the results obtained by the two analysis methods under the four different conditions indicated that the continuous collapse resistance of the bottom side column C3 was the worst, and the second-floor side column C6 was slightly stronger than C3, followed by the bottom side column A1 and bottom inner column B2. This was consistent with the results of the importance analysis of the gable columns.
4. Conclusions
In this paper, four different analysis conditions were selected, and the component removal method was selected to carry out nonlinear static and dynamic analyses on the gable frame structure of the nuclear island side of the main powerhouse of the conventional island. The main conclusions are as follows:
- (1)
- The important components in the gable structure were determined based on node displacement and bearing capacity responses. The results showed that the order of importance of the components in the gable structure obtained by the two methods was consistent, fully verifying the accuracy of selecting important components in this paper.
- (2)
- The vertical displacement of the failure point obtained from the nonlinear static analysis under four different working conditions was greater than that obtained from the nonlinear dynamic analysis, which was due to the dynamic amplification factor selected during the nonlinear static analysis.
- (3)
- From the changes in axial force of each column before and after failure, it can be seen that the axial force of components near the failed column changed significantly, and plastic hinges occurred close to the failed column. Therefore, it was determined that the components near the failed column were the key components for internal force redistribution after structural failure.
- (4)
- Under four different working conditions, whether using nonlinear static or dynamic analysis, comprehensive judgment was made by determining the position, number, and stage of plastic hinges. When an important component of the gable structure failed, the nuclear island side of the gable structure still had good resistance to progressive collapse, and the analysis conclusion was consistent with the component importance analysis results.
Author Contributions
Conceptualization, Q.P.; methodology, Q.P. and Z.X.; software, P.Q., D.C. and F.M.; validation, Q.P., D.C., Z.X. and F.M.; formal analysis, Q.P. and Z.X.; investigation, Q.P., D.C., P.Q. and Y.D.; data curation, Z.X. and Y.D.; writing—original draft preparation, P.Q. and Q.P.; writing—review and editing, Q.P. and P.Q.; supervision, Q.P. and Z.X.; project administration, Q.P. and Z.X.; formal analysis, Q.P. and F.M.; funding acquisition, F.M., Y.D., and Q.P. These authors contributed equally: Y.D., Q.P. and P.Q. All authors have read and agreed to the published version of the manuscript.
Funding
This research was supported by the National Natural Science Foundation of China (grant nos. 51878108), the Department of Science and Technology Guidance Plan Foundation of Liaoning Province (grant no. 2019JH8/10100091).
Institutional Review Board Statement
Not applicable.
Informed Consent Statement
Not applicable.
Data Availability Statement
The data used to support the findings of this study are available from the corresponding author upon request.
Conflicts of Interest
The authors declare no conflict of interest.
References
- Li, L.; Pan, R.; Luo, P. Review and Suggestions on Natural Disaster Prevention for Nuclear Power Plants in China. Technol. Earthq. Disaster Prev. 2021, 16, 398–403. (In Chinese). [Google Scholar]
- Pei, Q.; Wu, C.; Cheng, Z.; Ding, Y.; Guo, H. The Seismic Performance of New Self-Centering Beam-Column Joints of Conventional Island Main Buildings in Nuclear Power Plants. Materials 2022, 15, 1704. [Google Scholar] [CrossRef]
- Yu, J.; Gan, Y.P.; Liu, J. Numerical study of dynamic responses of reinforced concrete infilled frames subjected to progressive collapse. Adv. Struct. Eng. 2020, 24, 635–652. [Google Scholar] [CrossRef]
- Pei, Q.; Cai, B.; Zhang, L.; Xue, Z.; Qi, P.; Cui, D.; Wang, X. The Progressive Collapse Resistance Mechanism of Conventional Island Shield Buildings in Nuclear Power Plants. Buildings 2023, 13, 958. [Google Scholar] [CrossRef]
- Panah, S.; Zahrai, S.M. Performance of typical plan concrete buildings under progressive collapse. Structures 2021, 31, 1163–1172. [Google Scholar] [CrossRef]
- Deng, X.F.; Liang, S.L.; Fu, F.; Qian, K. Effects of high-strength concrete on progressive collapse resistance of reinforced concrete frame. J. Struct. Eng. 2020, 146, 04020078. [Google Scholar] [CrossRef]
- Esfandiari, M.J.; Urgessa, G.S. Progressive collapse design of reinforced concrete frames using structural optimization and machine learning. Structures 2020, 28, 1252–1264. [Google Scholar] [CrossRef]
- Breen, J.E. Research Workshop on Progressive Collapse of Building Structures Held at the University of Texas at Austin; National Bureau of Standards: Washington, DC, USA, 1975. [Google Scholar]
- Ellingwood, E.; Leyendecker, E.V. Approaches for Design Against Progressive Collapse. J. Struct. Div. 1978, 104, 412–423. [Google Scholar] [CrossRef]
- Ma, F.; Gibert, B.P.; Guan, H. Experimental study on the progressive collapse behaviour of RC flat plate substructures subjected to edge-column and edge-interior-column removal scenarios. Eng. Struct. 2020, 209, 110299. [Google Scholar] [CrossRef]
- Stinger, S.M.; Orton, S.L. Experimental Evaluation of Disproportionate Collapse Resistance in Reinforced Concrete Frames. ACI Struct. J. 2013, 110, 521–530. [Google Scholar]
- Adam, J.M.; Buitrago, M.; Bertolesi, E. Dynamic Performance of a Real-Scale Reinforced Concrete Building Test Under a Corner-column Failure Scenario. Eng. Struct. 2020, 210, 110414. [Google Scholar] [CrossRef]
- Lou, G.B.; Wang, C.H.; Jiang, J. Fire tests on full-scale steel portal frames against progressive collapse. J. Constr. Steel Res. 2018, 145, 137–152. [Google Scholar] [CrossRef]
- Li, S.; Zhao, Y.; Zhai, C.H. The influences of joint on the progressive collapse resisting performance of RC frames. Eng. Mech. 2012, 29, 80–87. (In Chinese). [Google Scholar]
- Qian, K.; Li, B. Effects of masonry infill wall on the performance of RC frames to resist progressive collapse. Eng. Struct. 2017, 143, 1–17. [Google Scholar] [CrossRef]
- Qian, K.; Weng, Y.H.; Fu, F.; Deng, X.F. Numerical evaluation of the reliability of using single-story substructures to study progressive collapse behaviour of multi-story RC frames. J. Build. Eng. 2021, 33, 101636. [Google Scholar] [CrossRef]
- Brodsky, A.; Yankelevsky, D.Z. Resistance of reinforced concrete frames with masonry infill walls to in-plane gravity loading due to loss of a supporting column. Eng. Struct. 2017, 140, 134–145. [Google Scholar] [CrossRef]
- Shan, S.; Li, S.; Xu, S. Experimental study on the progressive collapse performance of RC frames with infill walls. Eng. Struct. 2016, 111, 80–92. [Google Scholar] [CrossRef]
- Pham, A.T.; Tan, K.H. Static and Dynamic Responses of Reinforced Concrete Structures under Sudden Column Removal Scenario Subjected to Distributed Loading. J. Struct. Eng. 2019, 145, 47–61. [Google Scholar] [CrossRef]
- Kaewkulchai, G.; Williamson, E.B. Beam element formulation and solution procedure for dynamic progressive collapse analysis. Comput. Struct. 2011, 82, 639–651. [Google Scholar] [CrossRef]
- Christoph, A.; Clemens, J. Seismic Induced Global Collapse of Non-Deteriorating Frame Structures. Comput. Methods Appl. Sci. 2014, 21, 21–40. [Google Scholar] [CrossRef]
- Mohajeri, N.F.; Usefi, N.; Abbasnia, R. Analytical investigation of reinforced concrete frames under middle column removal scenario. Adv. Struct. Eng. 2018, 21, 1388–1401. [Google Scholar] [CrossRef]
- Nyunn, S.; Wang, F.L.; Yang, J. Numerical studies on the progressive collapse resistance of multi-story RC buildings with and without exterior masonry walls. Structures 2020, 28, 1050–1059. [Google Scholar] [CrossRef]
- Praveen, O.; Gopikrishna, k.; Saptadwipa, J. Importance of ‘DAF’ in evaluating structural adequacy of gravity load designed RC buildings. Mater. Today Proc. 2020, 32, 810–818. [Google Scholar] [CrossRef]
- Joshi, D.D.; Patel, P.V.; Rangwala, H.M.; Patoliya, B.G. Experimental and numerical studies of precast connection under progressive collapse scenario. Adv. Concr. Constr. 2020, 9, 235–248. [Google Scholar] [CrossRef]
- Tian, Y.; Lin, K.Q.; Lu, X.Z. Experimental and theoretical study of seismic and progressive collapse resilient composite frames. Soil Dyn. Earthq. Eng. 2020, 139, 106370. [Google Scholar] [CrossRef]
- Russell, J.M.; Sagaseta, J.; Cormie, D. Historical review of prescriptive design rules for robustness after the collapse of Ronan Point. Structures 2019, 20, 365–373. [Google Scholar] [CrossRef]
- Alshaikh, I.M.H.; Bakar, B.H.; Alwesabi, E.A.H. Experimental investigation of the progressive collapse of reinforced concrete structures: An overview. Structures 2020, 25, 881–900. [Google Scholar] [CrossRef]
- Pei, Q.; Wang, Z. Review of seismic safety assessment methods for nuclear power plants. J. Seismol. Res. 2016, 39, 143–150. (In Chinese). [Google Scholar]
- GSA. Alternate Path Analysis & Design Guidelines for Progressive Collapse Resistance; United States General Services Administration: Washington, DC, USA, 2016. [Google Scholar]
- DoD. Design of Buildings to Resist Progressive Collapse; Unifified Facilities Criteria (UFC) 4-023-03; Department of Defence: Washington, DC, USA, 2016. [Google Scholar]
- Paramasivam, S.; Byfield, M. Catenary action in steel-framed buildings. Proceedings of the Institution of Civil Engineers. Struct. Build. 2007, 160, 247–257. [Google Scholar] [CrossRef]
- Liu, J.; Astaneh, A.A. Moment-rotation parameters for composite shear tab connections. J. Struct. Eng.-ASCE 2004, 130, 1371–1380. [Google Scholar] [CrossRef]
- ANSI/AISC 341-05; Seismic Provisions for Structural Steel Buildings. American Institute of Steel Construction: Chicago, IL, USA, 2005.
- Elshaer, A.; Mostafa, H.; Salem, H. Progressive collapse assessment of multistory reinforced concrete structures subjected to seismic actions. KSCE J. Civ. Eng. 2017, 21, 184–194. [Google Scholar] [CrossRef]
- Felipe, T.R.C.; Haach, V.G.; Beck, A.T. Systematic reliability-based approach to progressive collapse. J. Risk Uncertain. Eng. Syst. Part A Civ. Eng. 2018, 4, 04018039. [Google Scholar] [CrossRef]
- Fu, F. Fire induced progressive collapse potential assessment of steel framed buildings using machine learning. J. Constr. Steel Res. 2020, 166, 105918. [Google Scholar] [CrossRef]
- Husain, M.; Yu, J.; Osman, B.H. Progressive collapse resistance of post-tensioned concrete beam-column assemblies under a middle column removal scenario. J. Build. Eng. 2021, 34, 101945. [Google Scholar] [CrossRef]
- Paripour, M.B.; Budak, A.; Duzgun, O.A. Investigation of Progressive Collapse Resistance Mechanism in Reinforced Concrete Beam-Column Assembly. Iran. J. Sci. Technol. -Trans. Civ. Eng. 2021, 45, 505–512. [Google Scholar] [CrossRef]
- Qian, K.; Liang, S.L.; Fu, F.; Fang, Q. Progressive collapse resistance of precast concrete beam-column sub-assemblages with high-performance dry connections. Eng. Struct. 2019, 198, 109552. [Google Scholar] [CrossRef]
- Qiao, H.Y.; Chen, Y.; Wang, J.P.; Chen, C.W. Experimental study on beam-to-column connections with reduced beam section against progressive collapse. J. Constr. Steel Res. 2020, 175, 106358. [Google Scholar] [CrossRef]
- Adam, J.M.; Parisi, F. Research and practice on progressive collapse and robustness of building structures in the 21st century. Eng. Struct. 2018, 173, 122–149. [Google Scholar] [CrossRef]
- ASCE/SEI 7-10; Minimum Design Loads for Buildings and Other Structures. American Society of Civil Engineers: Preston, VA, USA, 2010.
- Huang, L.; Li, L. A quantification method of structural robustnes. Eng. Mech. 2012, 29, 213–219. (In Chinese). [Google Scholar]
- Zhou, Y.; Zhang, Q.; Hu, X. Progressive Collapse Analysis of Fully Assembled PrecastConcrete Frame Structures Based on Column Removal Method. J. Hunan Univ. (Nat. Sci.) 2020, 47, 1–13. (In Chinese). [Google Scholar]
Disclaimer/Publisher’s Note: The statements, opinions and data contained in all publications are solely those of the individual author(s) and contributor(s) and not of MDPI and/or the editor(s). MDPI and/or the editor(s) disclaim responsibility for any injury to people or property resulting from any ideas, methods, instructions or products referred to in the content. |
© 2023 by the authors. Licensee MDPI, Basel, Switzerland. This article is an open access article distributed under the terms and conditions of the Creative Commons Attribution (CC BY) license (https://creativecommons.org/licenses/by/4.0/).

































