Abstract
Architectural heritage in historic districts, as a complex type of heritage, encompasses both the uniqueness of the building itself and also shows cultural and regional characteristics as a group, especially for the heritage site that contains multi-culture features. The digitalization research of this type of heritage often focuses on the digital archiving and modeling of heritages but rarely considers the combination of culture analysis and digitalization. This paper develops a digital form generation method for the heritages in historical districts by means of typological plan analysis, the Shape Grammar method, and Grasshopper software. Based on the case study of the modern Western-style house on Kulangsu, a world heritage site and historical district, this paper include three results: (1) dividing the layout plans of Kulangsu modern Western-style houses into three types, that is, native prototypes, foreign prototypes, and mixed prototypes, with 39 sub-types in total; (2) establishing shape grammar for the layout plans of Kulangsu modern Western-style houses with shape grammar sets and “S, L, R, I” expression rules; (3) creating a digital form generation method based on shape grammar result by Grasshopper software, including function cluster creation, function cluster connection and final model generation. This paper presents an example of quantitative analysis of heritage culture and a rapid modeling method of heritage, providing a reference for the construction of a heritage culture database and digital heritage management in historic districts.
1. Introduction
With the advent of the digital age, the conservation and management of architectural heritage in a digital way has become a major subject. Emerging technologies focus on digital reproduction [1,2] and documentation [3,4] or building performance analysis [5,6] of architectural heritages in the virtual world while also beginning to focus on digital techniques to explore the cultural connotations of architectural heritages [2,3,7]. The architectural heritage in the historical districts is an important type of world cultural heritage. In the World Heritage List, 5% of the total culture heritage and mixed heritage are architecture groups in the historic district. (Table 1) It features both the architectural individuality of a single architectural heritage and the cultural and morphological commonality of the region, assuming a key role in transmitting traditional architectural culture and regional culture [8]. Digital techniques also influence architectural heritage conservation and management strategies in historic districts, but few studies have been conducted on architecture groups [4]. It is a challenge for heritage site managers to realize digital heritage conservation and management in the virtual world by exploring the cultural characteristics of native architecture heritage and maintaining the historical and heritage style and features of the historic district in the real world [9].
Table 1.
Classification of architecture groups in the World Heritage List regarding the description of culture background. (data collected from World Heritage List https://whc.unesco.org/en/list/, accessed on 31 December 2022).
In a worldwide context, there are a variety of architectural heritage types in historical districts, ranging from single heritage groups deeply influenced by indigenous culture to heritage groups influenced by varied cultures (Table 1) [10]. Compared to the former, the latter has a more complex historical and cultural background, usually reflecting cultural integration to architectural integration. From the description of heritages in the World Heritage List, 51 heritage sites show multi-culture features, and 29 sites among them are highlighted by their multi-culture integration characteristic, and most of them are form middle-east and the east world (Table 1). For the studies of multi-cultural architectural heritages, the analytical methods usually include documentary analysis and historical research [4], but less often, diagram or quantitative analysis is used to analyze the characteristics of their cultural integration. By 2022, there will be 56 world heritage sites in China, and most of these heritage sites will focus on the illustration of Chinese culture itself [11]. There are three sites showing the influence of western culture and native culture, which are Macau [12], Kulangsu [13], and Quanzhou [14] (China’s newest world heritage site in 2022). In addition to the UNESCO world heritage sites, some other historic districts demonstrate the multi-culture integration between indigenous Chinese and Western cultures, including the historic center of Qingdao [15], the historical buildings in Lushan [16], and Shamian Islet in Guangzhou [17]. These heritage and historic districts show the unique mixed development trend both from architectural and culture perspectives during the 20th century [18,19]. However, few studies have combined the native culture with the philosophy of architecture itself. What’s more, the digital conservation and management of these sites require an analysis of their effectiveness in the context of history and culture in order to develop effective strategies to serve the conservation. However, most previous studies have conducted digital archiving and performance analysis of architectural heritage [2,4], but there are few digital studies based on cultural attributes.
The study of architectural heritages in historical districts emphasizes multi-level analysis, covering a variety of themes such as culture, climate, form, space, and materials [20,21]. In particular, architectural space and planning are the foundation of the cultural identity of architectural heritage. The study of it can help reveal the spatial prototype, historical development, and formation causes of heritage buildings. Digital techniques have also been applied to the study of spatial layout, but mostly to the analysis of the performance of spatial combinations and less to the analysis of the culture and functions of the building. The digital form generation of architectural heritages based on the spatial layout can help the managers of architectural heritage sites boost the efficiency of digital modeling and archiving of architectural heritages while ensuring that the renewed and reconstructed buildings in heritage sites maintain the heritage feature of the historic district from a cultural perspective. The analysis of the spatial layout of architectural heritages requires appropriate methods and tools. Shape grammar, a form-generating system based on the study of graph formation rules, is a very suitable method. Often based on typology, shape grammar focuses on the form and layout of buildings, resulting in graphical representation and math expression based on quantification and diagramming. Such results fit well with the programming logic of the computer and are, therefore, suitable for digital transformation in the architecture area.
Taken together, this paper focuses on three questions. First, how to conduct typological research on the spatial layout of architectural heritages in historical districts with multi-cultural features? Second, how to quantify and graphically transform the spatial layout of architectural heritages with diagrams and expressions so that it can be easier to identify and document? Third, how to quickly generate digital models based on a spatial layout by digital techniques with heritages? In this paper, the above issues are investigated through typological analysis, shape grammar analysis, and Grasshopper digital form generation method.
The case study sites chosen for this paper are modern western-style houses in the Kulangsu historic international settlement, a world culture heritage site in China. They are typical representatives of the evolution of the architectural heritage of the historical city in the context of multi-cultural integration, showing macro consistency in the overall pattern and microdiversity at the level of individual buildings. Culturally, they are influenced by the native oriental culture as well as the western and southern cultures [22]. The heritage site administration of Kulangsu is promoting the process of digital management of the architectural heritage. However, there are two challenges. The first is the analysis of the architectural culture of Kulangsu and the construction of a culture database. The second is an insufficient reasonable reference to the internal space and external form for renovation and rebuilding of constructions on Kulangsu Islet. Our research team was invited to participate in the technology development and policy formulation related to the preservation of the heritage landscape of Kulangsu, which is the cut-in point of this study. In this paper, the typological approach is used to simplify and extract the features of such historical district architectural heritage with multi-cultures integrated through the rules of shape grammar in this context to form a grammar set and expressions, and finally design a digital form generation method using the digital tool Grasshopper for the layout of modern Western-style houses on Kulangsu Islet, thus providing help for the digital management of architectural heritage and the construction of the cultural database.
2. Literature Review of Shape Grammar
2.1. Shape Grammar as an Analysis and Model Generation Tool
Since it was proposed by Stiny and Gips in 1971 [23], shape grammar has been continuously enriched and developed, extending to all disciplines involved and mainly applied to shape analysis and shape generation. Shape grammar was first investigated as a method of generating shapes by correlating geometric shapes with their transformation rules and applied to established works of art, such as paintings [24]. Early studies on shape grammar focused on shape analysis. For example, Stiny analyzed the grammatical rules of the Chinese ice-ray lattice in 1977 [25]. Stiny and Gips supplemented the shape grammar in 1980 to form a standard research methodology, identifying it as a production system and defining it as a design tool for representation, generation, and analysis [26]. With the progression of the theory, shape grammar has expanded to other design fields. For example, in the field of industrial design, Brown made a grammatical interpretation of the industrial form in 1997 to facilitate the improvement of the manufacturing process and efficiency of the components [27]. In 2002, Pugliese and Cagan conducted a grammatical study on the model generation of the motorcycle the Harley-Davidson brand [28]. McCormack and Cagan also performed a grammatical parsing of the morphology of Buick cars and conducted a typological study in 2004 [29]. The development of shape grammar in industrial design has, to some extent, inspired the exploration of shape grammar in the field of architecture in terms of graphical representation and type analysis.
2.2. Application of Shape Grammar in Architecture and Heritages
In the field of architecture, the earliest application was to realize the output of specific shape combinations and design rules by grammar interprets through manual induction and summarization. Its application began with an analytical study conducted by Stiny and Mitchell in 1978 on Villa Malcontenta, one of the palladio series of villas, where rules for the shape generation of houses were developed by shape progressive inference [30]. The approach to the decomposition of the house, from the perspective of a “rational construction”, illustrates the nature of the forming of a building and gives the potential to expand outward for a building as a prototype. With the development of shape grammar, it has been applied to other architectural analyses as well. For example, Koning and Eizenberg performed an in-depth grammatical analysis of Frank Lloyd Wright’s prairie dwellings in 1981 [31]. Based on a case study of a series of 11 houses, they analyzed the layout relationship of the building using analytic grammar and identified the constitutive relationship and change pattern of each space. It can be found from these cases that the study of shape grammar in architecture shows special emphasis on explaining a certain form feature and spatial combination form of architectural style. Research in typology and morphology has gradually led to a typical paradigm of using shape grammar classes to analyze the characteristics of architectural styles. Besides, Kruger and Duarte et al., decoded the influence of Alberti’s on Portuguese Renaissance architecture in 2011 using shape grammar [32]. In the same year, Li analyzed the classical Chinese treatise Yingzao Fashi using shape grammar under Stiny’s shape grammar system [33]. From 2019 to 2020, Hadighi and Duarte conducted shape grammar analysis on the works of some American and European architects, resulting in a series of contrasting shape grammar studies [34,35,36]. Amorim and Griz analyzed the layout of the architectural works of the Brazilian architect Amorim in the same year, analyzing the relationship between the connection patterns of the rooms in the apartment and the building site [37]. Mamoli made a detailed analysis of the layout plan of the ancient Greek and Roman library in terms of the building’s function in 2020 and elaborated on the characteristics of the library layout [38]. In the latest study, Wang and Zhao et al., analyzed the shape grammar of a floor plan in a rural area of northern China and developed a method allowing for the rapid design of rural housing that is appropriate for the native environment [39]. According to the summary of the cases, shape grammar favors studying the features of the combined building functions from the spatial layout characteristics, digging into the spatial association law, and finally expanding to the study of the characteristics of building forms. Based on the spatial layout, it can well analyze the basic characteristics contained in a type of building.
Compared to ordinary buildings, architectural heritage houses in historical districts show more stylistic characteristics in spatial layout [21,40,41]. The basic style of architecture contains the cultural, economic, and political characteristics of a region and represents the common tendency of people for architecture in a certain period [42,43,44]. Shape grammar has been most used in the past in the study of stylistic features in modern and contemporary western architecture, often to parse the design techniques of certain architects or masterpieces. There are few studies on applying shape grammar to architectural heritage or historical districts with historical and cultural connotations. For example, Stiny et al., analyzed the grammar for Palladian architecture in 1978 [30]; Eilouti and Shaar summarized the layout patterns of Traditional Damascene Houses in 2012 [45]; Wutte and Duarte et al., made a layout plan analysis of Ancient Egyptian Funerary Monuments by means of shape grammar in 2021 [46]; Coutinho and Mateus et al., analyzed the columns and façade features of a church in Portugal based on 3D scanning techniques [47]. Shape grammar is used in these cases to summarize the characteristics of plan and form and to combine them with the cultural commonalities of historic buildings, integrating cultural features with spatial morphological features. The modern architecture on Kulangsu Islet studied in this paper is such an architectural heritage with specific historical background and regional culture, and it is suitable for shaping grammar as a tool to summarize stylistic characteristics.
2.3. Towards Digitalization
One of the cores of shape grammar is the process of transforming figurative forms into logical reasoning about abstract forms, quite similar to the logic of writing computer programs. In this context, shape grammar started to be applied to the analysis and generation of digital models. The studies cover scales of city, architecture, and landscape, while the research on city scale focuses on urban plots, roads, interfaces, and other content, as well as parameters such as distances, widths, and angles of urban blocks, and finally forms software or tools to guide urban design [48,49,50,51,52]. With similar analytical logic in architecture and traditional architectural diagramming and semantic analysis, shape grammar is a method of abstract diagramming. Most of the studies focus on the analysis of the planes as well as the generation of functional arrangements. Researchers have made an analysis of plan functions with the help of computer tools. For example, Slusarczyk created his own software that combines a multiagent system with shape grammar [53], Aksamija and Yue studied plane generation using Sketchup as a platform [54], Eloy and Duarte studied shape grammar for the reorganization of residential buildings and generated a computer model [55], Dincer and Cagdas created a method for the arrangement of 3D functions of residential buildings using 3Ds max software based on the shape grammar principles in 2014 [56], and Kwiecinski and Santos designed a tool for the automated generation of light wood frame building layouts using computers and shape grammar [57]. Although different software has different characteristics in the translation of shape grammar into computer logic, they share the same thematic purpose, that is, to form a relatively systematic digital modeling procedure based on the basic model generation rules of computer software. It lays a foundation for the development of modular programming of shape grammar. Typical representatives are BIM technology and visual graphical modeling technology. BIM technology focuses on modularity, standardization, and efficiency. It usually defines rules for all types of building spaces using shape grammar and applies them to BIM software to take advantage of the standardization and modularity of BIM software for the quick formation of models [58,59,60]. Visual graphical modeling technologies are represented by software tools such as Grasshopper, which substantially reduce the difficulty in computer programming and modeling for architects. However, there are few cases using shape grammar. For example, Xiong conducted a model generation study on Chinese drum tower structures using shape grammar and the Grasshopper tool in 2013 [61], Quaresma performed analysis and model generation for Sant’ Andrea church based on shape grammar in Grasshopper in 2018 [62], and Stouffs further explored shape grammar on parametric transformation and applied it to a simple case in Grasshopper in 2019 [63]. Visual programming and modeling tools have the advantages of convenience and ease of use, scalability, and customizability. In this paper, Grasshopper is chosen as the digital modeling platform to generate models with the logic of shape grammar.
From what has been mentioned above, the combination of topology methods, grammar analysis, and digitalization is a study trend in heritage conservation. It increases the efficiency, logic, rationality, and integrity of heritage conservation. However, there are few studies dedicated to the culture analysis, digital transformation, and digital management of architecture groups of heritage sites and historic districts. The technique route of the transformation from shape grammar and digital method is still not quite clear. This paper focuses on the combination of culture analysis and shape grammar digitalization, trying to provide a suitable route for heritage culture analysis, conservation, and management.
3. Materials and Methods
3.1. Historical Context and the Digitalization and Management of Heritages on Kulangsu Islet
Kulangsu historic international settlement, China’s 52nd World Heritage Site, is located in the coastal city of Xiamen (also called Amoy) in southern China, covering an area of 1.88 square kilometers as a typical historic district dominated by an architectural heritage community (Figure 1). Its main heritage feature is the multi-culture integration, and it contains a cross-cultural architectural identity and urban districts characterized by the integration of Xiamen’s regional culture with oversea Southern and Western cultures [64,65].
Figure 1.
The Location of Kulangsu Islet.
Before 1860, the Kulangsu architecture was dominated by typical religious temples, fishermen’s houses, and Minnan Dacuo. The word “Minnan Dacuo” means “houses in southern Fujian, a province in China” in the local dialect of Xiamen, and the term “Minnan Dacuo” refers specifically to a type of native courtyard houses unique to the Fujian Province of China, where Xiamen is located. It is mainly characterized by a circular shape, multi-courtyards, a multi-pitch or single-pitch roof, complex native decorations, and red brick walls. It is a product of Chinese courtyard-style culture as well as coastal and southern Fujian cultures [24]. Minnan Dacuo is one of the design sources of modern Western-style houses on Kulangsu Islet. With the British capture of Kulangsu in 1841, foreign architectural cultures, such as modern Western-style houses, were first introduced to the islet, and these buildings were also influenced by native cultural prototypes such as Minnan Dacuo. The modern Western-style houses have gradually developed from a single Western classical and outside veranda style architecture to a multi-culture integration of architecture in a mixed Chinese and foreign settlement. These Western-style houses show three characteristics. First, the interior space layouts of these houses refer to the space layout of native houses, with a characteristic of Western-style houses outside and native Chinese Dacuo- styles inside. The layout of the plan changes from a symmetrical Western style to a centrally enclosed native functional layout. Second, the characteristic of native architecture that attaches importance to transport space has gradually developed into modern Western-style houses, and an architectural layout with transport space as the core has emerged. Third, the use of indigenous red bricks and washed sand on the exterior of the building has been introduced, and Chinese elements are also present in the building facade (Figure 2).
Figure 2.
Kulangsu Islet and the typical modern Western-style houses on Kulangsu Islet. (Provided by Kulangsu Administration Committee).
The modern Western-style houses in the Kulangsu historic international settlement studied in this paper are typical representatives of the individuality of a single building and the commonality of the region. Despite their differences in size, they are all 2–4 story structures with building areas ranging from 300–1200 square meters, moderate and similar in size. Since most of the Western-style houses were built in the last 50 years or so, they have inevitably been subject to the impact and fusion of native architecture and Western architectural culture, making it possible to have both individualities brought by the environment, family and historical context of the individual, and many commonalities due to the historical trends of the time [24,64,65].
Kulangsu has shown a gradual integration of foreign and native cultures from a clear-cut distinction during these historical periods as an architectural heritage of integrated Chinese and foreign architectural cultures [24,64]. Such a feature is one of the important qualifications for Kulangsu to apply for the World Heritage Site. The management of the Kulangsu World Heritage Site has long attached great importance to the conservation, management, and cultural heritage of modern Western-style houses in the study of Kulangsu architectural heritage, and many researchers have conducted research on this subject. Kulangsu is now faced with the problem of preservation of the landscape and the restoration of a large amount of waste space and buildings. As the authorities of Kulangsu attach increasing attention to the technological innovations brought by the digital age, the use of digital tools to serve the conservation and management of Kulangsu architectural heritage has been one of the development themes in recent years. It is in this context that this study is invited to the digitization of Kulangsu architectural heritage. The study attempts to serve the digital conservation and management of Kulangsu architectural heritage at both levels of cultural database establishment and digital form generation of architectural models.
3.2. Methods and Stages
Topological analysis, shape grammar, and digital form generation are adopted in this paper as the main methods. The study includes three stages (Figure 3). First, a typological analysis is made of typical cases of these houses based on their relationship between architectural layouts and cultural backgrounds. Second, the main features of their layouts are grammatically studied using shape grammar to form a set of rules and expressions for shape grammar. Finally, a digital form generation method is developed for modern Western-style houses on Kulangsu Islet using Grasshopper Software as a digital generation tool based on shape grammar achievements.
Figure 3.
Main research approaches and procedure.
In the first stage, the main method used is a typological categorization of the typical modern Western-style houses based on their native features and foreign features of layout plans. This paper presents a typological analysis of the 313 Kulangsu modern Western-style houses. Based on the spatial structure, functional relationship as well as analysis of the native Kulangsu culture and foreign culture, these houses are divided into 3 types: native prototype, foreign prototype, and integrated and variant prototype, with 39 typical sub-types defined according to the spatial differences. The classification is based on the tracing and comparison of the spatial structure and spatial function of both typical building types, Chinese dwellings (Minnan style), and western architectural prototypes, each showing the association between Kulangsu’s multi-cultural background and various architectural plans. These key features are identified as the starting point of the subsequent analysis of shape grammar.
In the second stage, the main method is the combination of shape grammar analysis, and the layout plans feature analysis. According to the classification of those houses and the cultural features of each type, shape grammar is applied as an analysis tool to elucidate the logic of their space structures and layouts function logic. Shape grammar is a rule-based tool, and it comes up with results of grammatical expressions and diagrams, which can become the basis of digital form generation. The main idea behind this method is to analyze those typical layout rules and their grammatical evolution patterns. It finally creates a rule dataset of diagrams and expressions of spatial rules, which can express their “shape grammar” logically and visually, and it provides the basis for the digital form generation process.
In the third stage, the main method is the digitalization of shape grammar. It translates the grammar into a digital form generation program according to the developed shape grammar rules, following the Grasshopper software logic. This stage consists of 3 parts. The first is creating the basic code packages corresponding to each rule-data according to the shape grammar results to form the modular of different houses’ functions. The second is creating the connection codes between those basic code packages, which connect each function of the house and translate the spatial connection logic based on the shape grammar results into a 2D layout model. The third is developing codes for 3D model generation by adding essential columns, walls, corridors, and roofs on the basis of the layouts. This method can be applied to the construction and management of the digital model database of Kulangsu architectural heritage to improve the modeling efficiency.
3.3. Stage 1: Typological Analysis of Kulangsu Modern Western-Style Houses
In stage 1, the most important aim is to identify the layout plans’ logic and characteristics of the modern western-style houses on Kulangsu and to relate them to the original prototypes of native dwellings and traditional western-style buildings.
This study collects and analyzes layout plans for the modern Western-style houses on Kulangsu Islet based on the multi-cultural context mentioned above. A total of 313-floor plan samples of modern Western-style Kulangsu houses were collected in the study from other studies and documents provided by the Kulangsu administration [24,64,65]. This study categorizes the 313 planar prototypes into 3 types. For example, the most important references are the core spaces of the houses, such as those centered on the lobby and those centered on the transport space. Analyzed by the cultural background, the position and function of center lobbies in these chosen houses are similar to the center courtyard of native “Minnan Style” dwellings, which shows the strong connection between these modern houses and original native buildings. At the same time, houses with transport space as the core are more inclined to the prototypes of foreign Southern and Western architecture. In this way, it is possible to trace the original prototype of other spaces in these houses, such as corridors, rooms, verandas, etc. By referring to the typical layout characteristics of native cultural buildings and western buildings, this study categorizes the layout plans and identifies the spatial connections that are similar to the space and function, and subdivides the above three types of buildings into 39 sub-types. For example, “one-lobby with two attached rooms” under the native plan type is a typical category of buildings reflecting the characteristics of a native dwelling layout.
3.4. Stage 2: The Establishment of Western Style Houses’ Plan Typology to Shape Grammar
In Stage 2, the main aim is to transform the layout plan logic into shape grammar diagrams and expressions, which can be both visual and logical. The description of this stage contains 2 parts.
3.4.1. The Transformation Principle from Plan Prototype to Shape Grammar Parameter
The first part is the description of shape grammar elements and the correspondence principle from shape grammar to the house elements.
The analysis of the main prototypes of modern Western-style houses on Kulangsu Islet shows that the plan composition of modern western-style houses on the islet is characterized by function and space relationship as the core features. The basic elements contained include the primary space and the secondary space. The primary space mainly refers to the lobby and bedroom, while the secondary space covers transportation, a corridor, a deep courtyard, Hu Cuo (guard room), Yi Lou (wing tower), and Ju Tou (front room). The analysis of these functions enables the establishment of the shape grammar rules of the layout plan of modern Western-style houses on Kulangsu Islet.
Grammar is often used to specify formal mathematical structural representations of a language. There are many expansions in the development of shape grammar so far, such as description grammar, space grammar, analysis grammar. Their foundations are inseparable from databases and rules, including data sets, grammar systems, and input and output parameters [23,66,67,68], which transform abstract forms into simple logic and diagrams. For architectural heritage, these rules and parameters are important factors for house function and cultural and historical analysis [46]. By the combinations of shape grammars [59,66,67,68] and Stiny’s initial steps of shape grammar generation [23,66], the application of shape grammar on modern Western-style houses on Kulangsu Islet is divided into four steps in this study, that is (1) analyzing spatial relationships, (2) determining initial shapes, (3) creating shape rules, and reorganizing rules and (4) shape derivation. The first step has been described above, and a typological categorization of the plan-space relationships of modern Western-style houses on Kulangsu Islet has been made. The last three sections deal with the transformation and computational methods of shape grammar.
Shape grammar is a parsing method based on rules and sets [66,67]. The main elements include four components (or described as four sets):
where, S (Shape) represents the set of shapes, L (Label) represents the set of symbols/labels, R (Rule) represents the set of shape rules, and I (Initial) represents the initial shape. The two parts, S and L, are the data sets of particular shapes. The shape in the S set can take one of the marking methods in the L set as a reference for the next transformation in the subsequent transformation. I set stands for an initial state that represents the starting state of a shape, usually a typical functional space or a core functional space. The R setting is the most central element in this shape grammar study, mainly involving the conversion process from shape α to β, known as a process from LHS (Left-Hand Site) to RHS (Right-Hand Site) in shape grammar. Such process is usually expressed in the form of IF-THEN, complying with the computer logic judgment rules [60,66,68]. The process, in essence, takes a certain shape as a base and defines the rules for morphological changes in the LHS part, such as rotation, translation, and extension, to form a new shape, which is called RHS morphology. In short, the process of shape grammar is to create a collection of shapes and set the labels accordingly at first, starting with the initial conditions and letting the shapes evolve according to the rules.
SG = (S, L, R, I)
The study subject is the modern Western-style houses on Kulangsu Islet, with a focus on the layout plans. According to the formal expression of shape grammar and the layout plan rule summarized above, the SLRI set of shape grammar can be reasonably defined with the transformation of the parameters in each part of the data set. It includes 4 steps.
(1) For shapes (S), the data set is built based on the rooms of modern Western-style houses on Kulangsu Islet as the basis for classification. (2) For rules (R), classification is performed based on the existing layout pattern of modern Western-style houses on Kulangsu Islet with the summarization of their main characteristics, including parameters such as a number of rooms, functions, and space connections. (3) Labels (L), closely integrated with the shape, are used as a bridge with the rules to determine the direction of the function and the way of connection between functions. (4) The initial state (I) is the central lobby or central scroll space in all modern Western-style houses on Kulangsu Islet.
With the establishment of the above rules, this paper explores digital generation based on the information from the research available on the layout plan of Kulangsu modern Western-style houses.
3.4.2. The Main Process of Shaping Grammar Establishment of Kulangsu Modern Western-Style Houses
The second part is the establishment of shape grammar of those typical layout plan types, illustrated with some examples.
This study starts with the typological categorization described above. First, the main layout plans of modern Western-style houses on Kulangsu Islet are based on native dwellings and foreign housing prototypes. Due to the limited number of these two prototypes, this paper first analyzes shape grammar in a detailed manner for their functions based on the following steps (Figure 4).
Figure 4.
An illustrative example of the shape grammar generation process in the shape of Kulangsu modern Western-style houses.
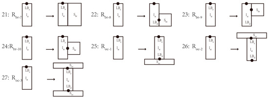
In the native prototype, this study starts to form an example of grammar transformation for the planar prototype called “four rooms towards lobby”, which is spatially regular and symmetrical. In the traditional layout in Minnan Dacuo, the lobby is often arranged in the core area of the building due to the emphasis of the traditional southern Chinese culture on the core gathering space [24,65]. In this case, the main lobby is a good initial shape to generate shape grammar. As one of the I sets of shape grammar, the lobby is the starting element of the layout plan generation system, with the length (Llb) and width (Wlb) as the basic parameters and the location of the entrance as the label of the initial shape (Le) to determine the direction of the space. In the first step of transformation, a transport space at the back of the lobby is selected. This type of space is called Hou Xuan, which means the back corridor in Minnan Dacuo. In Western-style houses, it is transformed into an inner corridor or staircase. Since it usually has the same width as the lobby, only its depth is controlled, with Wbc as the parameter. The transformation rule to add the Hou Xuan function is expressed as a pattern α → β, and the expression can be described as a function change [38,46,59], forming the first rule, that is, Rbc and the generated shape is the one of Hou Xuan in the set S.
where, LHS represents the initial shape and RHS represents the transformed shape. The whole expression is used to describe the process from the initial lobby shape Ilb to the shape of Ilb plus Sbc. Then, Rm is defined as a base transformation rule. In this example, there are four transformation types, which are connection, movement, symmetry, and rotation, so the transformation functions based on Rcn, Rmo, Rmi, and Rro are defined in the initial conditions to correspond to the above four transformation rules. In this example, the parameter Wbc is required to form the width of the shape. In addition, Ld is a member of the L set. There are three types of L set in the generation of Kulangsu modern Western-style houses, that is, LBd, LBdc, and LBe. They represent the door connection, door disconnection, and entrance for controlling the orientation and positioning of the shape. In this example, LBd is the door label, representing the connection through the door. The method enables shape change control from the lobby to lobby plus corridor, i.e., Rbc. In this way, the basic grammar transformation of the example, “lobby with back corridor”, can be created. The following steps are similar to those in this section, i.e., creating different spatial functions and putting them into the correct connections according to the logic of the spatial structure analyzed in the first stage.
LHS = Ilb → RHS = Ilb + Sbc
Sbc = Ilb(Rcn(Wbc), LBd)
For example, there are bedrooms and auxiliary rooms around the lobby, usually one or two rooms on each side. The former is known as “one lobby with two attached rooms”, while the latter is known as “four rooms toward lobby”, which is mentioned above. They both derived from the traditional Minnan Dacuo. Two basic rules of traditional layout type planes can be established, namely Rn1 (one lobby with two attached rooms) and Rn2 (four rooms towards lobby), and the corresponding shapes Sn1 and Sn2 are also established. In order to create the grammar rules, the main steps include (1) determining the selection of two bedrooms or four bedrooms and (2) determining the room size. The shapes of the rooms are defined as Sbr. Since the main part of the houses tends to be symmetrically designed and aligned, the dimensions of the other rooms can be determined by the overall building length and the width of the main rooms, with the control parameters Wbr, Wbr, and Lor (controlling the width and height of the rooms, respectively). Under the influence of foreign culture, most Kulangsu modern Western-style houses have outside verandas in structure. After determining the location of the rooms, two basic traditional, modern Western-style house layouts can be established completely by adding the outside veranda shape Soc into the shape set and creating the outside veranda-related rule Roc to determine room rules Rn1 and Rn2 as the main basis for distinction. For example, the shape grammar rules for creating Sn1 and Rn1 can be expressed as:
where,
Sn1 = Ilb(Rn1)
Rn1: LHS = Ilb → RHS = Ilb + Sbc + 2 × Sbr + Soc
Sbc = Ilb(Rcn(Wbc), LBd)
Sbr = Ilb(Rcn(Wbr, Lbr), LBd)
Soc = Ilb(Rcn(Woc, Loc), LBd)
Sbr = Ilb(Rcn(Wbr, Lbr), LBd)
Soc = Ilb(Rcn(Woc, Loc), LBd)
Condition:
Lbr < Llb + Wbc
2 × Lbr + Wlb < Loc
2 × Lbr + Wlb < Loc
It can be concluded from the above rule generation method that the shape grammar of Kulangsu modern Western-style houses is syntactically generated based on the function of rooms and the relationship between them. In the expression, the shape and function of the rooms are defined with different shapes, which are included in the S set. The relationship of the rooms is formulated by labels, most commonly by means of connection through the door (Ld). The dimensions of the shape are determined by the parameters W and L of each S shape. Each shape has different relative mathematical relationships between W and L depending on the layout plan. Based on this method, it is possible to generate a certain type of layout plan by shaping grammar rules.
Another example of the shape grammar generation is the layout plan influenced by foreign cultures. One of the most representative forms is called “one transport space with multi-rooms”, which is characterized by a long corridor in the direction of the depth. Its shape grammar is built in a similar way to the native style described above. In the construction of the shape grammar of “one transport space with multi-rooms”, the initial shape (I) of the grammar is first replaced by the lobby with the transportation corridor (Ist). The structure is derived from the traditional Western form of spatial composition and the use of transport space as a central location to organize the functions [65]. The length and width of the transport space are defined as Wst and Lst. With the traffic corridor as the center, the rooms are arranged around the sides, similar to the traditional style. Referring to the native-prototype layout rules, Rn1 and Rn2, the rules Rf1-Rf4 can be established to represent “one transport space with two rooms”, “one transport space with four rooms”, “one transport space with six rooms””, and one transport space with eight rooms”, respectively. The diagram Figure 4 shows 2 typical shape grammar generation processes of “four rooms toward lobby” and “one transport space with multi-rooms + Wing tower” step by step.
One of the important aims of shape grammar is to create sets of shape and rule grammar. Based on the above analysis of the prototypes of the two native types and the four foreign types, the grammar set is expressed as:
where, R1 represents level 1 rules of the classification, which contains level 2 rules of R2.
I = [Ilb, Ist]
S = [Slb, Sbc, Sbr, Sor, Soc]
R1 = [Rn1, Rn2, Rf1, Rf2, Rf3, Rf4, Rf1]
R2 = [Rbc, Rbc, Ror, Roc]
L = (LBd, LBdc, LBe)
S = [Slb, Sbc, Sbr, Sor, Soc]
R1 = [Rn1, Rn2, Rf1, Rf2, Rf3, Rf4, Rf1]
R2 = [Rbc, Rbc, Ror, Roc]
L = (LBd, LBdc, LBe)
And any plane Sx of modern Western-style houses on Kulangsu Islet in the traditional or foreign style can be simplified as:
where,
LHS = I → RHS = Sx = I(∑ni = 1Rx, ∑ni = 1Lx)
Sx∈(Slb, Sbc, Sbr, Sor, Soc)
Rx∈(Rn1, Rn2, Rf1, Rf2, Rf3, Rf4, Rf1)
Lx∈(LBd, LBdc, LBe)
Rx∈(Rn1, Rn2, Rf1, Rf2, Rf3, Rf4, Rf1)
Lx∈(LBd, LBdc, LBe)
By giving specific rules to basic grammar sets, more complex native and foreign prototype planes can be formed from an initial shape.
For example, based on the above six prototypes of modern Western-style houses on Kulangsu Islet, various variants have also emerged due to the multiple effects of native architectural prototypes and foreign architectural prototypes on regional culture and people, objects, and environment. A combination of native and foreign prototypes with other secondary spaces such as “outside veranda”, “inner corridor”, “Hou Luo (back rooms)”, “Hu Cuo (guard room)”, “Yi Lou (wing tower)”, and “Ju Tou (a kind of secondary room)” which have greatly enriched the forms and regional features of the houses. These secondary spaces can be added to S set in graphical form to generate a space layout according to further rules. For example, the logic of shape grammar of “four rooms towards lobby + one-lobby with two attached rooms + one-side veranda” is to add one-lobby with two attached rooms to four rooms towards lobby on one side of the building, with one-side veranda added on the other side. The grammar can be simplified as follows:
where, Sn2 is the grammatically established shape of four rooms towards the lobby, and it is incorporated into the I set here as the initial shape. Rn1 is the rule for establishing the rules for one-lobby with two attached rooms, and it is transformed on the basis of Sn2. At last, the grammar shape transformation rule Rsoc of the outside veranda is superimposed with the outside veranda label LBsoc to complete the grammar establishment.
LHS = Sn2 → RHS = Sv11= Sn2 + Sn1 + Ssoc = Sn2(Rn2 + Rn1 + Rsoc, LBn2 + LBn1 + LBsoc)
Similar to the superimposed outside veranda, the external secondary spaces such as Hu Cuo, Yi Lou, and Ju Tou can be positioned with the help of label sets by establishing the corresponding rules (Rpr, Rwh), that is, typical layouts such as “four rooms towards lobby + inner corridor + Hou Luo”, “one-lobby with two attach rooms + Yi Lou” can be established on the basis of the prototype. These external secondary spaces often affect the size and form of the outside veranda. For example, Yi Lou is usually a truncated outside veranda, while Ju Tou is in the form of connecting to or truncating the outside veranda. These changes lead to a great increase in the variability and complexity of the floor plan, and require that the principles of change be set at the level of rule establishment for the outside veranda.
The creation of a grammar of modern Western-style house shapes on Kulangsu Islet allows for the visual and clear generation of logical principles for the layout plan of these houses by diagrams and expressions. They can serve as the basis for the next stage, the design of the digital modeling tool.
3.5. Stage 3: The Digital Form Generation Based on Shape Grammar
The digital transformation of shape grammar is an extension of shape grammar applications and greatly improves the extensibility of shape grammar results [69]. In the architecture field, the mainstream digital tools for shape grammar include CityEngine CGA Grammer, Processing, Microsoft ADO, SortalGI, and Rhino Grasshopper. Grasshopper, as a popular visual programming platform, is well-received by architecture practitioners for its convenience and expandability. In this paper, Grasshopper is used as a platform to establish a grammar generation method for the shape of modern Western-style houses on Kulangsu Islet.
Rule sets are the key element in shape grammar [70]. The focus of the digitization of shape grammar is to programmatically transform the rules after rational generalization. The overall digitization procedure consists of (1) building the set of shapes (S) and rules (R). (2) Building function clusters of shapes (S) and rules (R) based on the shape and math modules in GH and using the cluster function. For simpler transformations, the changes are implemented through regular modules rather than function clusters. (3) Achieving the fast generation of the layout plan model by module connection of each function cluster with the rules. (4) Adding the necessary façade materials, such as walls, columns, windows, and roofs, to create a model group of modern Western-style houses on Kulangsu Islet.
In function and rule clusters, lines, surfaces, and mathematical calculations are used as core data and change functions. For example, the lobby contains three parts. The first is creating the input of the function cluster, where the input data are usually digital data such as length and width, and the points are positioning data. The second is the function cluster label control, where lines and vectors are used as positioning coordinate data. In addition, due to the presence of different conditions, there are usually some parallel data to be entered, such as a door near the origin, or a door opposite the origin used to link to the next function cluster. The third is the label transformation and output section, which outputs the shape model and the interface to the next function cluster, including positioning parameters, length, and width. With the help of modules and functions in Grasshopper, the above steps allow for the rapid modeling of modern Western-style houses on Kulangsu Islet based on the idea of function cluster and modularity. (Figure 5)
Figure 5.
The function cluster of lobby generation was created by Grasshopper software.
4. Results: Shape Grammar Digitalization and Form Generation of Kulangsu Modern Western-Style Houses
Through a typological analysis of Kulangsu modern Western-style houses, this paper achieves three results based on shape grammar and digital form generation. (1) By typological analysis, it arrives at the layout plan classification of Kulangsu modern Western-style houses according to the different cultural attributes. (2) Using shape grammar to analyze the spatial combination of Kulangsu modern Western-style houses, it builds a shape grammar data set applicable to modern Western-style houses and expresses quantitatively the application distribution of each rule in modern Western-style houses to serve the cultural database construction of Kulangsu Islet. (3) With the help of the Grasshopper tool, it digitally transforms the shape grammar rules to form a modeling method for quickly generating modern Western-style houses on Kulangsu Islet to serve the model database construction.
4.1. Typologies of Kulangsu Modern Western-Style Houses
This paper discusses the classification of 313-floor plans of Kulangsu modern Western-style houses using a typological approach and reaches the following results.
4.1.1. Plan of Native Prototype
According to the type analysis, the native planar prototypes can be divided into four types. In this study, they are numbered N1-N4 (native). N1-N2 are called “Yiming Liang’an” (one-lobby with two attached rooms) and “Sifang Kanting” (four rooms towards the lobby). They are the basic units of the traditional Minnan Chinese dwelling plan, both having three connected rooms, a lobby with a larger room in the center [65,71], and bedrooms on both sides. In the plan of the “four rooms towards lobby”, Hou Xuan (back corridor) is often arranged behind the lobby, similar to the layout of the Shang Luo (top rooms) space in the traditional Minnan Dacuo [65,71]. The prototype plans of N3-N4 present the layout of multi-floor Da Cuo and traditional Da Cuo. These planes are symmetric along the middle axis and form two courtyards around “Shen Jing (Deep courtyard)” along the middle axis and in the direction of depth with the lobby as the center. The first courtyard is called “Xia Luo (lower rooms)” as a foyer or vestibule, and the second courtyard behind the “Shen Jing” is called “Ding Luo” as the main lobby and house. The colonnade in front of the “Ding Luo” is called “Xiang Lang (lane corridor)”. The side rooms on both sides of the “Shen Jing” are called “Ju Tou”. The long rooms built on the left and right sides of the courtyard, if any, along the depth side are called “Hu Cuo (Guard rooms)” [65,71]. Influenced by Western architectural culture, adding multi-floor to Da Cuo in part or in whole has formed an architectural practice of vertical flooring with the basic layout of traditional Da Cuo in southern Fujian and a collage of Western-style architectural elements, that is, N3 “Ju Tou Zhi type and multi-floor Da Cuo” and N4 “traditional multi-floor Da Cuo” [65]. Their plans and quantities are shown below (Figure 6).
Figure 6.
Typical plans of the native prototype.
4.1.2. Plan of Foreign Western Prototype
According to the type analysis, the foreign planar prototypes can be divided into six types. In this study, they are numbered F1–F4. F1–F4 types represent the floor plan of one transport space with multi-rooms. It is one of the plan prototypes influenced by foreign cultures. The straight corridor along the depth is located in the center of the building plan [2], linking the left and right-use spaces, and the straight corridor is wide. It serves as a transport space and also as a resting space, with compact space utilization and a permanent staircase in the straight corridor leading directly to the second floor, with strong spatial guidance [65]. From the perspective of plan form, there is one transport space with two rooms (F1), four rooms (F2), six rooms (F3), and eight rooms (F4) (Figure 7), usually with a front veranda or a back veranda. In terms of quantity, one transport space with four rooms (F2) and one transport space with six rooms (F3) satisfy the functional economy and practicality, and the appropriate depth scale makes them have good ventilation and light [65], making them occupy a higher proportion in the plan form of one transport space with multiple rooms. F5-F6 types represent centralized free-form layout and centralized symmetrical layout. These two layout forms have no obvious rules in functional arrangement, and due to the high degree of individualization and less regularity, the study in this paper does not include these two options. (Figure 7)
Figure 7.
Typical plans of the foreign western prototype.
4.1.3. Plan of Mixed Culture Prototype
The main features of Kulangsu’s modern architecture include both native and foreign architectural cultures. Local and foreign architectural prototypes meet and compete in a given space and time, eventually producing architectural variants under the influence of multiple cultures [64,65]. Based on the idea that the architectural plan is different from both native and foreign prototypes, this study summarizes 29 typical fusion cultural prototypes of the Kulangsu Western-style architectural plan sample. These prototypes are basically a hybrid form shaped by combining some features of the above native and foreign prototypes, showing the cross-cultural connotation of the architectural heritage on Kulangsu Islet.
Some of the 29 typical Kulangsu building plan variants show a prototypical unit of “one-lobby with two attached rooms” or “four rooms towards lobby”, freely combined with other spatial forms such as “outside veranda”, “inner corridor”, “Hou Luo”, “Hu Cuo”, “Yi Lou” and “Ju Tou”. The three types of Western-style house plan variants, that is, four rooms towards lobby + one-lobby with two attached rooms + one-side veranda (V2), four rooms towards lobby + Yi Lou + one-side veranda (V10), and four rooms towards lobby + inner corridor + Hou Luo (V19), account for a high proportion (Figure 6, Figure 7 and Figure 8) and are widely used on Kulangsu Islet. Some also reflect that “one transport space with multiple rooms” is a prototype unit, which combines freely with spatial forms such as “one-lobby with two attached rooms”, “four rooms towards lobby”, “Yi Lou”, “outside veranda”, “inner corridor” and “Hou Luo”. The five Western-style house plan variants, that is, one transport space with four rooms + Yi Lou (V20), one transport space with two rooms + Hou Luo + front veranda (V22), one transport space with four rooms + winding corridor + Yi Lou (V24), one transport space with two rooms + front veranda + Hou Luo (V28), and one transport space with two rooms + one-lobby with two attach rooms + Yi Lou + front veranda (V29) account for a high proportion and are widely used on Kulangsu Islet. (Figure 8)
Figure 8.
Typical plans of mixed culture prototype.
4.2. The Grammer Set of Western Style Houses’ Plan Typologies
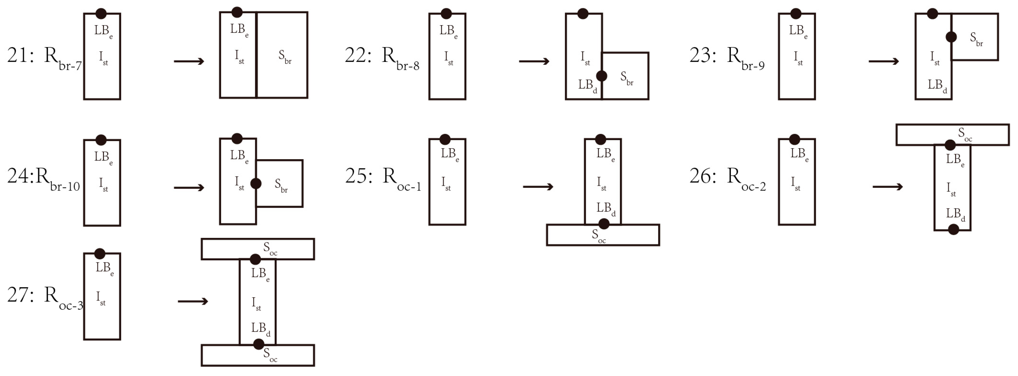
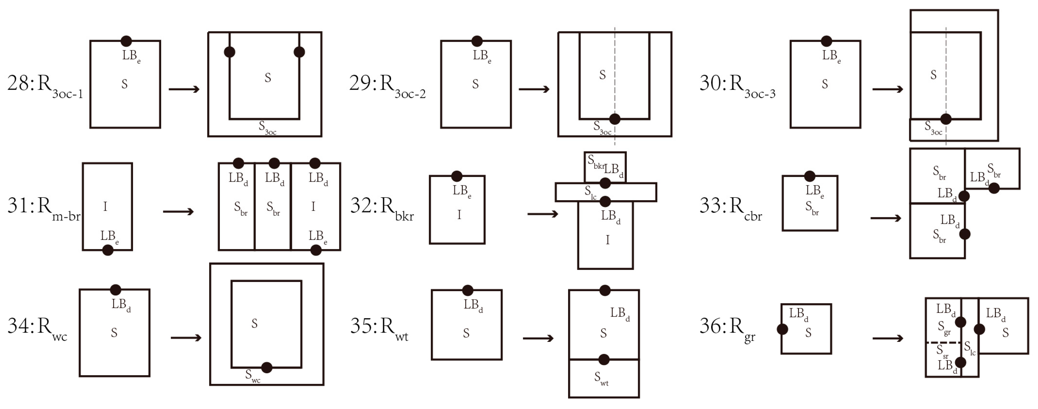
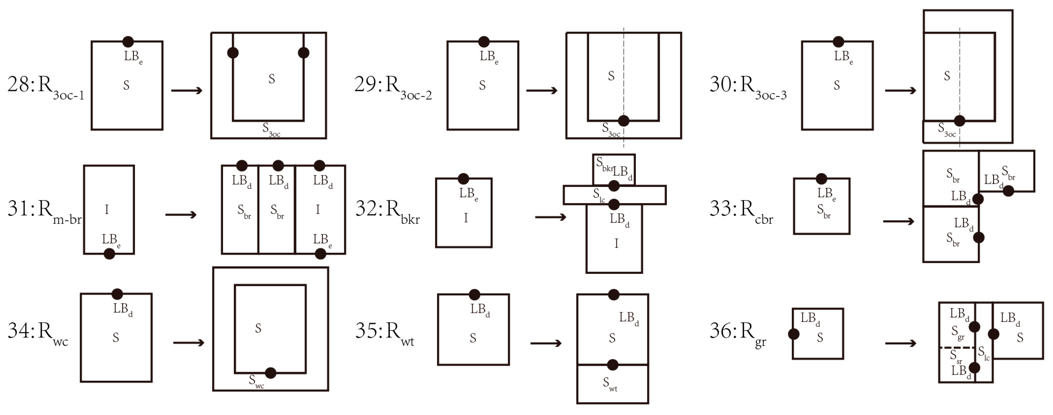
In the methodological chapter, this paper describes the main inference process of the shape grammar of Kulangsu modern Western-style houses. On this basis, this paper grammatically summarizes the Kulangsu modern Western-style house plans and the shape and rule set, basing the rules on the function of the room. Moreover, by referring to the expressions of previous researchers [38,39,71,72], a set of corresponding shape grammar rule diagrams are created. The R1 sets shown in the Methods section, such as Rn1 and Rf4, are the first level to which different categories of houses can be assigned. With these categories, a set of more detailed R sets and diagrams are created to describe the detailed transformation. In the diagrams, R is the name of the rule and is assigned a different number. The transformation from LHS to RHS is shown from left to right, including the starting shape, which is usually one of the I and S sets. ●, ○ and LB, etc. are used to indicate doors available, no doors, or other states. The names of S and I are expressed using abbreviations.
For the native prototypes, the lobby is taken as the initial shape. After conducting a functional analysis, the shapes that can be summarized include the lobby, normal room, Hou Xuan, one-side veranda, corner room, Ju Tou, Xiang Lang, Shen Jing, Ding Luo, and Zhao Bi. Based on this, 20 rules can be extended, and the transformation principles are shown in Figure 9.
Figure 9.
The shape grammar rules used in the form generation of Native Plan Prototypes.
In terms of foreign prototype types, the transport space is taken as the initial shape. After conducting a functional analysis, the shapes that can be summarized include Zhong Lang, normal room, other rooms, and back veranda, and the transformation principles are shown in Figure 10.
Figure 10.
The additional shape grammar rules which used in the form generation of Foreign Plan Prototypes.
In terms of mixed variant prototypes, they basically come from superimposition by native prototypes and foreign prototypes, combined with some additional functional shapes to form an integration of Chinese and Western cultures. A series of additional rules have been added to the 29 types of floor plans, except for the above rules common to both native and foreign prototypes. (Figure 11)
Figure 11.
The additional shape grammar rules are used in the form generation of Mixed Plan Prototypes.
This paper summarizes the rules to form a label set (Table 2), which contains three types of elements; a shape set, which contains 14 types of elements (Table 3); and a rule set, which contains 36 types of rules (Table 4). The rules reflect the logic of functional combinations in the floor plan and are most important. They contain a total of 22 rules specific to the multi-culture attributes of Kulangsu modern Western-style houses, marked with * in the Description of Table 4. The rest are regular transformation rules, containing the addition of bedrooms and symmetrical changes. The multi-culture attributes in the rules are mainly reflected in the traditional room functions and unique combination forms, such as building Hou Xuan from the lobby and building Ju Tou from the outside veranda or room, which are the results of incorporating the traditional functions and combinations of Minnan Dacuo into the Western-style houses.
Table 2.
The set of labels definition.
Table 3.
The set of shapes definition.
Table 4.
The set of rules definition.
The appearance frequency of these application diagrams (Figure 12) can be an indicator to identify and determine the importance of the multi-cultural attributes of modern Western-style houses on Kulangsu. Firstly, the results show that the three rules with the highest frequency are No. 2 (adding a bedroom from the lobby), No. 10 (making the room symmetrical), and No. 8 (arranging an outside veranda from the lobby) in all 37 prototypes (Figure 13a). After removing the regular transformation rules, such as adding bedrooms, mirroring rules, and room adding rules, the eight rules with the highest frequency showing multi-culture attributes are shown in Figure 13b. “The lobby connected to the outside veranda” is a unique form of Western-style houses, while Hou Xuan, Hou Luo, and corner room are the cultural remains of Minnan Da Cuo. Such a result is a reflection of the integration of Chinese and Western cultures. Secondly, this paper also counts the appearance frequency of rules among the whole 313 Kulangsu plan samples, producing the statistical results as shown in Figure 13c. Rules 2, 8, and 10 are still the most numerous. After removing the regular transformation rules, the statistical results are shown in Figure 13d. “Connecting the lobby to the outside veranda” is still the most frequently used rule in Kulangsu modern Western-style houses, showing the importance of the use of verandas in the multi-cultural attributes. Indoors part, “the lobby connected to Hou Xuan” shows more frequently, reflecting the differences and multi-cultural integration between Chinese and Western cultures in dealing with the transport space. The arrangement of Shen Jing, corner rooms, and Hou Luo reflect the echo of traditional spatial layout in modern Western-style houses. The shape and rule set, diagram, and grammatical expression of shape grammar can be collected as the components of Kulangsu cultural database construction. Based on these analyses, the paper proceeds to the digital model generation of modern Western-style houses in the next section.
Figure 12.
The appearance of rules in all 36 prototypes.
Figure 13.
The appearance frequency of rules in 37 prototypes and in 313 samples.
4.3. The Digital Form Generation of Modern Western-Style Houses
Based on the morphosyntactic expressions and expression diagrams of modern Western-style house layout prototypes, this paper builds a digital model of the modern western-style house plan prototype in GH. First, the logic of shape grammar generation is based on the set of initial (I), shape (S), and rule (R). There are two initial cases in GH, that is, the lobby and the straight corridor in the middle, corresponding to Ilb and Ist, respectively. Both shape and rule sets are established by classification. First, square rooms and corridors are established according to the parameters and then combined into independent function clusters, with parameter input interfaces and output interfaces reserved. In this way, other function-related sets S can be created. In this paper, shape sets are created based on three basic classifications of Kulangsu modern Western-style houses, usually with room-to-room combinations as a graphic result. Therefore, shape-related function clusters are built based on the functions contained in the different types of Western-style houses.
As for rules, unlike shape sets, rule sets are more universal. Kulangsu modern Western-style houses usually have a very regular interior space, with clear connection and transformation of the room functions in most cases. Based on the relationship between the functions of all the rooms, a complete rule database is created with Grasshopper clusters to set up the connection between different rooms.
Also, some of the variation rules are scattered within each function cluster and the linkage between function clusters. Its main rule changes include (1) changes in size, specifically, the size of connected rooms and depths and the size of the overall building; (2) changes in quantity, that is, the number of rooms and the number of openings; (3) changes in positioning, that is, room location and room orientation. In addition, a series of control elements corresponding to the set of labels L in the shape grammar logic is established, including the connection logic of adjacent rooms and exit locations. The above rules are established using the most, including movement, rotation, array, and other Grasshopper functions, which basically meet the needs of model generation. Cases are shown in Figure 14.
Figure 14.
Some of the function clusters which were created by Grasshopper.
By these approaches, it is possible to generate the layout of Kulangsu modern Western-style houses based on shape grammar. By entering different parameters, the plan prototypes, such as “four rooms towards lobby”, “one-lobby with two attached rooms”, and “one transport space with multiple rooms”, can be quickly generated. Moreover, by connecting independent function clusters with addition forms such as Yi Lou, Hou Luo, and Ju Tou, the variants prototype of the layout plan, such as four rooms towards the lobby + one-lobby with two attached rooms + one-side veranda, four rooms towards the lobby + Yi Lou + one-side veranda, can be created (Figure 15). On the basis of the plan, this paper makes a simple expansion of the façade generation to forge a standard arrangement of walls, outside veranda columns, and roofs. By generating, building, and arranging different models, a set of virtual neighborhoods of Kulangsu modern Western-style houses of different forms are built, reflecting the geographical unity and morphological diversity of Kulangsu modern Western-style houses (Figure 16). In addition, such models can be easily imported into GIS and BIM and serve as the basis for model generation.
Figure 15.
Some of the form generation results which created by Grasshopper.
Figure 16.
Form generation results created by Grasshopper.
5. Discussion
Architectural heritage in historic districts, as a very complex type of heritage, encompasses both the uniqueness of the building itself in terms of form, construction techniques, and building materials, as well as the cultural and regional characteristics common to the entire region [8]. For the digital management of such architectural heritage, emphasis needs to be placed on digital investigation and archiving, in addition to summarizing its cultural and historical value to provide reference or guidance for controlling the appearance conditions of historic cities and for the renewal and reconstruction of heritage buildings [73,74]. The architectural heritage groups characterized by cultural integration are more complex. Kulangsu Islet, as described in this paper, is now facing a rapid development phase of landscape conservation, where the restoration of a large number of open spaces and buildings is on the agenda. It is also a common denominator faced by architectural heritage in many developing countries [75]. The managers of Kulangsu Islet are trying to develop an approach for heritage preservation though the prominence of heritage culture by enhancing the richness of heritage data through digital archiving while building a digital architecture database using digital technology so that repaired, restored, and newly constructed buildings can be integrated into the overall architectural heritage.
Using the typologies method for the analysis of architectural heritage groups is a common practice [5,46], but there are few studies introducing quantitative and graphical thinking into typologies. For architectural heritage groups characterized by multi-cultural integration, the layout features can be more easily expressed graphically, and it is also easier to explore the cultural prototypes contained in the buildings. It is a topic that is less studied today for multi-cultural architectural heritage based on layout prototypes as a starting point for the generation of digital models. In general, people often derive their perception of traditional architectural type characteristics and cultural attributes from morphology [40,75]. However, it is hard to identify and recognize abstract contents such as spatial combinations, layout plans, and cultural backgrounds in an intuitive way. The summary of spatial layout patterns of architectural heritages in historical districts will reflect the knowledge and consensus of people at that time about the use function, spatial perception, and human relations concerning the building, which is also a unique feature of group architectural heritage in the multi-cultural context [40,50]. The diagram language used in this paper allows for the visual representation of the spatial combination of multi-cultural architectural heritage, and it can also restore the overall characteristics of each function and combination in terms of cultural attributes. Shape grammar, as a method of summarizing spatial patterns using shapes and rules, is suitable to address this interpretation of abstract architectural and cultural characteristics [41,45].
Digitalization has brought systematic, efficient, and precise to the architectural heritages in historical districts [76,77]. This paper attempts to incorporate rule-based reasoning and data statistics into the digitalization of architectural heritage in historical districts by combining shape grammar and digital form generation techniques so as to promote quantitative management on the summary of architectural culture. This is also a topic rarely involved in the digitalization of architectural heritage [78,79,80]. The abstract spatial combinations of features can be converted into a concrete 3D model by digital form generation of architectural heritage based on spatial analysis and shape, thus creating a digital model reflecting multi-cultural characteristics. It helps to express the cultural attributes of multi-cultural architectural heritage.
The digital research of Kulangsu modern Western-style houses in this paper presents the following innovations. (1) Typology is used as a basis to provide case guidance on the classification of architectural heritage with multi-cultural attributes in historic districts. (2) Shape grammar is introduced to graphically classify and simplify the spatial layout of architectural heritage, and expressions and diagrams are adopted to summarize and refine the patterns in the spatial layout and to extract graphic cultural features. The research may assist the authorities in the analysis of architectural groups and the construction of cultural databases for Kulangsu modern Western-style houses to improve the digital management of architectural heritage. (3) Shape grammar is combined with digital tools to form a digital model with the spatial layout characteristics of Kulangsu’s modern Western-style houses to promote Kulangsu’s architectural style in heritage renewal and renovation. It can also improve the efficiency of model building for the digital management of architectural heritage.
6. Conclusions
In summary, this paper combines shape grammar and digital technology for the preservation of Kulangsu historical districts. By analyzing 313-floor plan samples of Kulangsu modern Western-style houses, this paper summarizes their macroscopic certainty and microscopic differences and concludes with shape grammar sets of Kulangsu modern Western-style houses, providing information and foundation for the cultural database of Kulangsu architectural heritages. In addition, this study designs a digital form generation tool, which can serve for digital management and the rapid establishment of digital models of Kulangsu architectural heritage. In all, there are three main results.
First, by summarizing a total of 313 samples, this paper divides the spatial layout of Kulangsu modern Western-style houses into three types: native prototypes, foreign prototypes, and mixed prototypes. Native prototypes include four sub-types, which are “one-lobby with two attached rooms”, “four rooms towards lobby”, “Ju Tou Zhi type and multi-floor Da Cuo” and “traditional multi-floor Da Cuo”. The common feature of these sub-types is the imitation and continuation of native “Minnan style” dwellings’ layout plan. Foreign prototypes include six forms such as “one transport space with two rooms” and “one transport space with multiple rooms”. The centered transportation space and typical verandas are the key characteristics of these houses, which are influenced by the western culture brought by the foreigners living in Kulangsu in the early 1900s. The multi-cultural variants are based on the above two types and include 29 variant forms such as “four rooms towards the lobby + three-side veranda” and “one transport space with four rooms + one lobby with two attached rooms”. It can be clearly found lots of mixed features of spaces and cultures, especially the application of verandas in a quite traditional Chinese dwelling’s layout plan.
Second, by analyzing and summarizing the prototypes of layout plans, this paper establishes shape grammar sets for the spatial layout of Kulangsu modern Western-style houses, including a label set, with connectivity attributes as the classification of elements; a shape set containing 14 types of function and shape elements, such as the lobby, Hou Xuan, bedroom, and outside veranda; and a rule set, containing 36 types of rules, such as lobby connected to Hou Xuan, room connected to the outside veranda, and arrangement of Yi Lou. There are 22 multi-cultural attribute rules, such as transforming the lobby into the core transportation and the inner corridor into Hou Xuan. Meanwhile, this paper explores the expressions of shape grammar on the spatial layout using the set of (S, L, R, I) as a basis and LHS~RHS as expressions. Moreover, a statistic was made to understand the key features of Kulangsu modern Western-style houses, and the result shows that the application of verandas and Houxuan (back corridor) are the two main space characteristics.
Third, based on the results of shape grammar, this paper designs a digital form generation method for Kulangsu modern Western-style houses according to the rules of grammar transformation. The procedures include (1) creating shape function clusters based on labels and shapes using points and lines; (2) creating a rule function cluster referring to the shape grammar rule set, which contains combined functions such as movement, mirroring, and extension; (3) combining the shape function cluster and the rule function cluster according to the prototype, to digitally generate the plan prototypes and variants of modern Western-style houses; and (4) adding other elements such as walls, columns, and roofs to the codes to form various different types of 3D simple models of Kulangsu modern Western-style houses.
This study is an attempt to digitally generate shape grammar in Kulangsu architectural heritage. It covers limited parameters, and there are difficulties as follows in the construction of the program for the types of rooms and functions provided. (1) The parameter settings in each function cluster are complicated, and the linkage between parameters grows geometrically as the complexity increases, making it difficult to control. (2) There are still large barriers in the transition from plane to facade generation, and the generated model facade lacks a diversity of forms. In the recent research of a combination of architectural heritage, shape grammar, and digitalization, a variety of technologies such as HBIM, 3D scanning, image recognition, and deep learning are still flourishing [44,81,82]. This paper will combine the present-day research to promote the shape generation of Kulangsu architectural heritage toward automation, generalization, and BIM-based development, making it a more scientific, efficient, and valuable tool and process to provide more support for the digital management of Kulangsu architectural heritage.
Author Contributions
Conceptualization, methodology and formal analysis, K.Z., N.Z. and Y.L.; software, K.Z. and F.Q.; investigation, N.Z. and F.Q.; resources and data curation, Y.L. and S.W.; writing, K.Z. and N.Z.; review and editing, Y.L.; visualization, K.Z. and N.Z.; supervision, S.W. and Y.L.; project administration, S.W.; All authors have read and agreed to the published version of the manuscript.
Funding
This research was funded by the National Natural Science Foundation of China, Research on Upgrading Modern Fujian-Taiwan Regional Architecture Design Based on Complex System, grant number 51878581. And the National Natural Science Foundation of China, Evaluation and optimization of tourists’ spatial perception from the perspective of heritage value, grant number 42171219.
Institutional Review Board Statement
Not applicable.
Informed Consent Statement
Not applicable.
Data Availability Statement
Not applicable.
Acknowledgments
It is pleased to thank Kulangsu Administration Committee for providing some key materials and images. Also, many thanks to Sidong Zhao for the advice on method and data analysis assistance.
Conflicts of Interest
The authors declare no conflict of interest.
References
- Osello, A.; Lucibello, G.; Morgagni, F. HBIM and Virtual Tools: A New Chance to Preserve Architectural Heritage. Buildings 2018, 8, 12. [Google Scholar] [CrossRef]
- Yang, X.; Pierre, G.; Mathieu, K.; Hélène, M.; Arnadi, M.; Tania, L. Review of Built Heritage Modelling: Integration of Hbim and Other Information Techniques. J. Cult. Herit. 2020, 46, 350–360. [Google Scholar] [CrossRef]
- Priavolou, C.; Tsiouris, N.; Niaros, V.; Kostakis, V. Towards Sustainable Construction Practices: How to Reinvigorate Vernacular Buildings in the Digital Era? Buildings 2021, 11, 297. [Google Scholar] [CrossRef]
- Rossato, L.; Massai, P.; Maietti, F.; Balzani, M. Digital Tools for Documentation and Analysis of Vernacular Cultural Heritage in Indian City Centers. Int. J. Archit. Herit. 2021, 15, 931–941. [Google Scholar] [CrossRef]
- Manriquez, C.; Sills, P. Evaluation of the Energy Performance of Stilt Houses (Palafitos) of the Chiloe Island. The Role of Dynamic Thermal Simulation on Heritage Architecture. In Proceedings of the Ecaade Sigradi 2019: Architecture in the Age of the 4th Industrial Revolution, Berlin, Germany, 11–13 September 2019; Volume 3, pp. 159–168. [Google Scholar] [CrossRef]
- Zhao, S.; Zhang, P.; Li, W. A Study on Evaluation of Influencing Factors for Sustainable Development of Smart Construction Enterprises: Case Study from China. Buildings 2021, 11, 221. [Google Scholar] [CrossRef]
- Zhang, X.; Zhi, Y.; Xu, J.; Han, L. Digital Protection and Utilization of Architectural Heritage Using Knowledge Visualization. Buildings 2022, 12, 1604. [Google Scholar] [CrossRef]
- Xia, S.; Liu, B.; Wang, H. Construction of a Sustainability-Based Building Attribute Conservation Assessment Model in Historic Areas. Buildings 2022, 12, 1346. [Google Scholar] [CrossRef]
- Yeoh, B.S.; Huang, S. The conservation-redevelopment dilemma in Singapore: The case of the Kampong Glam historic district. Cities 1996, 13, 411–422. [Google Scholar] [CrossRef]
- UNESCO World Heritage List. Available online: https://whc.unesco.org/en/list/xml (accessed on 31 December 2022).
- UNESCO China World Heritage List. Available online: https://whc.unesco.org/en/statesparties/cn (accessed on 31 December 2022).
- UNESCO Historic Centre of Macao. Available online: https://whc.unesco.org/en/list/1110 (accessed on 31 December 2022).
- UNESCO Kulangsu, a Historic International Settlement. Available online: https://whc.unesco.org/en/list/1541 (accessed on 31 December 2022).
- UNESCO Quanzhou: Emporium of the World in Song-Yuan China. Available online: https://whc.unesco.org/en/list/1561 (accessed on 31 December 2022).
- Chen, M.; Tong, H.; Xu, Y.; Zhou, Q.; Hu, L. Value Analysis and Rehabilitation Strategies for the Former Qingdao Exchange Building—A Case Study of a Typical Modern Architectural Heritage in the Early 20th Century in China. Buildings 2022, 12, 980. [Google Scholar] [CrossRef]
- Cai, Z.; Fang, C.; Zhang, Q.; Chen, F. Joint development of cultural heritage protection and tourism: The case of Mount Lushan cultural landscape heritage site. Herit. Sci. 2021, 9, 1–6. [Google Scholar] [CrossRef]
- Lin, T.C.; Su, P. Literary and cultural (re)productions of a utopian island: Performative geographies of colonial Shamian, Guangzhou in the latter half of the 19th century. Isl. Stud. J. 2022, 17, 28–51. [Google Scholar] [CrossRef]
- Huang, C.; Tsaur, J.; Yang, C. Does world heritage list really induce more tourists? Evidence from Macau. Tour. Manag. 2012, 33, 1450–1457. [Google Scholar] [CrossRef] [PubMed]
- Liang, X.; Coscia, C.; Dellapiana, E.; Martin, J.; Zhang, Y. Complex Social Value-Based Approach for Decision-Making and Valorization Process in Chinese World Cultural Heritage Site: The Case of Kulangsu (China). Land 2022, 11, 614. [Google Scholar] [CrossRef]
- Shaosen, W. Study on the Reginal Expression of Contemporary Architecture in South Fujian. Master’s Thesis, South China University of Technology, Guangzhou, China, October 2010. [Google Scholar]
- Olukoya, O.A.P. Framing the Values of Vernacular Architecture for a Value-Based Conservation: A Conceptual Framework. Sustainability 2021, 13, 4974. [Google Scholar] [CrossRef]
- Yi, Q.; Qing, W. Modernization and localization: The development of architecture in Kulangsu. Archit. Hist. 2017, 1, 151–161. [Google Scholar]
- Stiny, G.; James, G. Shape grammars and the generative specification of painting and sculpture. In Proceedings of the IFIP Congress (2), Ljubljana, Yugoslavia, 23–28 August 1971; Volume 2, pp. 125–135. [Google Scholar]
- Jiang, W.; Wei, F.; Bolun, Z. Analysis, Transformation, Generation: Review and Interpretation of Shape Grammar. Architects 2022, 4, 116–125. [Google Scholar]
- Stiny, G. Ice-Ray A Note on the Generation of Chinese Lattice Designs. Environ. Plan B Plan. Des. 1977, 4, 89–98. [Google Scholar] [CrossRef]
- Stiny, G.; Gips, J. Production systems and grammars: A uniform characterization. Environ. Plan B Plan. Des. 1980, 7, 399–408. [Google Scholar]
- Brown, K.N.; Cagan, J. Optimized Process Planning by Generative Simulated Annealing. AI EDAM 1997, 11, 219–235. [Google Scholar] [CrossRef]
- Pugliese, M.J.; Cagan, J. Capturing a rebel: Modeling the Harley-Davidson brand through a motorcycle shape grammar. Res. Eng. Des. 2002, 13, 139–156. [Google Scholar] [CrossRef]
- McCormack, J.P.; Cagan, J.; Vogel, C.M. Speaking the Buick Language: Capturing, Understanding, and Exploring Brand Identity with-Shape Grammars. Des. Stud. 2004, 25, 1–29. [Google Scholar] [CrossRef]
- Stiny, G.; Mitchell, W.J. The Palladian Grammar. Environ. Plan B Plan. Des. 1978, 5, 5–18. [Google Scholar] [CrossRef]
- Koning, H.; Eizenberg, J. The language of the prairie: Frank LloydWright’s prairie houses. Environ. Plan. B 1981, 8, 295–323. [Google Scholar] [CrossRef]
- Krüger, M.; Duarte, J.P.; Coutinho, F. Decoding De re aedificatoria: Using Grammars to Trace Alberti’s Influence on Portuguese Classical Architecture. Nexus Netw. J. 2011, 13, 171–182. [Google Scholar] [CrossRef]
- Li, A.I. Computing Style. Nexus Netw. J. 2011, 13, 183–193. [Google Scholar] [CrossRef]
- Hadighi, M.; Duarte, J. Using Grammars to Trace Architectural Hybridity in American Modernism the Case of William Hajjar Single-Family House. In Proceedings of the Ecaade Sigradi 2019: Architecture in the Age of the 4th Industrial Revolution, Porto, Portugal, 9–13 September 2019; Volume 1, pp. 529–540. [Google Scholar]
- Hadighi, M.; Duarte, J.P. Local Adaptation of the International Style Contextualizing Global Architecture between East and West. In Proceedings of the Ecaade 2020: Anthropologic—Architecture and Fabrication in the Cognitive Age, Online, 18–20 November 2020; Volume 2, pp. 331–340. [Google Scholar]
- Hadighi, M.; Duarte, J. Bauhaus Internationalism to College Town Modernism Exploring Bauhaus Culture in Hajjar’s Hybrid Architecture. In Proceedings of the Computer-Aided Architectural Design: Hello, Culture, Caad Futures 2019, Daejeon, Republic of Korea, 26–28 June 2019; Volume 1028, pp. 429–443. [Google Scholar]
- Amorim, L.; Griz, C. Amorim’s Law a Modern Grammar. In Proceedings of the Ecaade Sigradi 2019: Architecture in the Age of the 4th Industrial Revolution, Porto, Portugal, 9–13 September 2019; Volume 2, pp. 393–402. [Google Scholar]
- Mamoli, M. A Shape Grammar for the Building-Type Definition of the Ancient Greek and Roman Library and the Evaluation of Library Plans. Artif. Intell. Eng. Des. Anal. Manuf. 2020, 34, 191–206. [Google Scholar] [CrossRef]
- Wang, J.; Zhao, B.; Fan, W.; Yang, Y.; Jilong, Z. A Combined Shape Grammar and Housing-Space Demand Approach: Customized Mass Housing Design in Rural Areas of the North China Plain. Nexus Netw. J. 2022, 24, 5–23. [Google Scholar] [CrossRef]
- Bay, M.A.; Alnaim, M.M.; Albaqawy, G.A.; Noaime, E. The Heritage Jewel of Saudi Arabia: A Descriptive Analysis of the Heritage Management and Development Activities in the At-Turaif District in Ad-Dir’iyah, a World Heritage Site (WHS). Sustainability 2022, 14, 10718. [Google Scholar] [CrossRef]
- Kovacs, J.F.; Galvin, K.J.; Shipley, R. Assessing the success of Heritage Conservation Districts: Insights from Ontario, Canada. Cities 2015, 45, 123–132. [Google Scholar] [CrossRef]
- Cragoe, C.D. How to Read Buildings: A Crash Course in Architectural Styles; Rizzoli International Publications: New York, UK, 2008; ISBN 978-084-783-112-8. [Google Scholar]
- Fernie, E. Romanesque Architecture: The First Style of the European Age; Yale University Press: New Haven, UK, 2014; ISBN 978-030-020-354-7. [Google Scholar]
- Xia, B.; Li, X.; Shi, H.; Chen, S.; Chen, J. Style Classification and Prediction of Residential Buildings Based on Machine Learning. J. Asian Archit. Build. Eng. 2020, 19, 714–730. [Google Scholar] [CrossRef]
- Eilouti, B.H.; Al Shaar, M.J.H. Shape Grammars of Traditional Damascene Houses. Int. J. Archit. Herit. 2012, 6, 415–435. [Google Scholar] [CrossRef]
- Wutte, A.; Duarte, J.P. Shape Grammar as a Typology Defining Tool for Ancient Egyptian Funerary Monuments. Nexus Netw. J. 2021, 23, 319–336. [Google Scholar] [CrossRef]
- Coutinho, F.; Mateus, L.; Duarte, J.P.; Ferreira, V.; Kruger, M. From Point Cloud to Shape Grammar to Grammatical Transformations Using Terrestrial Laser Surveying to Develop and Compare Shape Grammars. In Proceedings of the Ecaade 2013: Computation and Performance, Delft, The Netherlands, 18–20 September 2013; Volume 2, pp. 655–663. [Google Scholar]
- Duarte, J.P.; Rocha, J.M.; Soares, G.D. Unveiling the Structure of the Marrakech Medina: A Shape Grammar and an Interpreter for Generating Urban Form. Artif. Intell. Eng. Des. Anal. Manuf. 2007, 21, 317–349. [Google Scholar] [CrossRef]
- Beirao, J.N.; Duarte, J.P.; Stouffs, R. Creating Specific Grammars with Generic Grammars: Towards Flexible Urban Design. Nexus Netw. J. 2011, 13, 73–111. [Google Scholar] [CrossRef]
- Vaz, C.E.V.; Celani, M.G.C.; Duarte, J.M.P. An Ontology Representing Roberto Burle Marx’s Landscape Design Solutions. In Proceedings of the 16th International Conference on Computer-Aided Architectural Design Research in Asia (Caadria 2011): Circuit Bending, Breaking and Mending, Newcastle, Australia, 27–29 April 2011; pp. 389–398. [Google Scholar]
- Mendes, L.T.; Beirao, J.N.; Duarte, J.P.; Celani, G. A Bottom-up Social Housing System Described with Shape Grammars the Case of Belapur Low-Income Housing Development. In Proceedings of the Ecaade 2013: Computation and Performance, Delft, The Netherlands, 18–20 September 2013; Volume 2, pp. 705–714. [Google Scholar]
- Lima, F.T.; Brown, N.C.; Duarte, J.P. A Grammar-BasedOptimization Approach for Designing Urban Fabrics and Locating Amenities for 15-Minute Cities. Buildings 2022, 12, 1157. [Google Scholar] [CrossRef]
- Ślusarczyk, G. A Grammar-Based Multiagent System in Dynamic Design. Artif. Intell. Eng. Des. Anal. Manuf. 2008, 22, 129–145. [Google Scholar] [CrossRef]
- Aksamija, A.; Yue, K.; Kim, H.; Grobler, F.; Krishnamurti, R. Integration of Knowledge-Based and Generative Systems for Building Characterization and Prediction. Artif. Intell. Eng. Des. Anal. Manuf. 2010, 24, 3–16. [Google Scholar] [CrossRef]
- Eloy, S.; Duarte, J.P. A Transfformation Grammar for Housing Rehabilitation. Nexus Netw. J. 2011, 13, 49–71. [Google Scholar] [CrossRef]
- Dincer, A.E.; Cagdas, G.; Tong, H. A Digital Tool for Customized Mass Housing Design. Fusion: Data Integration at Its Best. In Proceedings of the 32nd International Conference on Education and Research in Computer aided Architectural Design in Europe, Newcastle upon Tyne, UK, 10–12 September 2014; Volume 1, pp. 201–211. [Google Scholar]
- Kwiecinski, K.; Santos, F.; de Almeida, A.; Taborda, B.; Eloy, S. Wood Mass-Customized Housing. In Proceedings of the Ecaade 2016: Complexity & Simplicity, 34th International Conference on Education and Research in Computer Aided Architectural Design in Europe, Oulu, Finland, 24–26 August 2016; Volume 2, pp. 349–358. [Google Scholar]
- Grobler, F.; Aksamija, A.; Kim, H.; Krishnamurti, R.; Yue, K.; Hickerson, C. Ontologies and Shape Grammars: Communication between Knowledge-Based and Generative Systems. In Design Computing and Cognition; Gero, J.S., Goel, A.K., Eds.; Springer: Dordrecht, The Netherlands, 2008. [Google Scholar] [CrossRef]
- Strobbe, T.; Eloy, S.; Pauwels, P.; Verstraeten, R.; De Meyer, R.; Van Campenhout, J. A Graph-Theoretic Implementation of the Rabo-De-Bacalhau Transformation Grammar. Artif. Intell. Eng. Des. Anal. Manuf. 2016, 30, 138–158. [Google Scholar] [CrossRef]
- Veloso, P.; Celani, G.; Scheeren, R. From the Generation of Layouts to the Production of Construction Documents: An Application in the Customization of Apartment Plans. Autom. Constr. 2018, 96, 224–235. [Google Scholar] [CrossRef]
- Xiong, L.; Xiong, W.; Zhang, H.X. Gulou Structure Grammar and Its Computer Implementation a Computational Approach to Preserve the Ethnic Building Technique and to Guide New Designs. In Proceedings of the Ecaade 2013: Computation and Performance, Delft, The Netherlands, 18–20 September 2013; Volume 2, pp. 725–733. [Google Scholar]
- D’Oliveira Quaresma, P.F.C.C. A Detail Shape Grammar. Using Alberti’s Column System Rules to Evaluate the Longitudinal Elevation of the Nave of Sant’Andrea Church Generation. Artif. Intell. Eng. Des. Anal. Manuf. 2018, 32, 295–307. [Google Scholar] [CrossRef]
- Stouffs, R. Predicates and Directives for a Parametric-Associative Matching Mechanism for Shapes and Shape Grammars. In Proceedings of the Ecaade Sigradi 2019: Architecture in the Age of the 4th Industrial Revolution, Porto, Portugal, 11–13 September 2019 403–412; Volume 2. [Google Scholar]
- Ruibing, W.; Yinxin, L.; Zhecong, Z. The Architecture Art of Kulangsu; Tianjing University Press: Tianjing, China, 1997; ISBN 978-756-180-937-2. [Google Scholar]
- Shan, J. Research on the Plan of Modern Buildings in Kulangsu. Master’s Thesis, Huaqiao University, Fujian, China, June 2020. [Google Scholar]
- Stiny, G. Introduction to shape and shape grammars. Environ. Plan B Plan. Des. 1980, 7, 343–351. [Google Scholar] [CrossRef]
- Hou, D.; Stouffs, R. An Algorithmic Design Grammar for Problem Solving. Autom. Constr. 2018, 94, 417–437. [Google Scholar] [CrossRef]
- Nogueira, A.; Romao, L. Shape Grammars as a Method to Introduce Computational Thinking in Design the Case of Tiles. In Proceedings of the 38th International Online Conference on Education and Research in Computer Aided Architectural Design in Europe, Berlin, Germany, 16–17 September 2020; Volume 1, pp. 693–702. [Google Scholar]
- Chau, H.H.; Chen, X.; McKay, A.; de Pennington, A. Evaluation of a 3D Shape Grammar Implementation. In Design Computing and Cognition; Gero, J.S., Ed.; Springer: Dordrecht, The Netherlands, 2004. [Google Scholar] [CrossRef]
- Knight, T. Shape grammars: Six types. Environ. Plan B Plan. Des. 1999, 26, 15–31. [Google Scholar] [CrossRef]
- Chunping, C. Traditional Architecture of South Fujian in China; Xiamen University Press: Xiamen, China, 2006; ISBN 978-756-152-533-3. [Google Scholar]
- Yue, K.; Krishnamurti, R.; Grobler, F. Estimating the Interior Layout of Buildings Using a Shape Grammar to Capture Building Style. J. Comput. Civ. Eng. 2012, 26, 113–130. [Google Scholar] [CrossRef]
- Campagna, M.; Achenza, M.; Iannuzzi, Y.; Cocco, C. Geospatial Technologies for the Built Heritage Management: Experiences in Sardinia, Italy. In Proceedings of the Euro-Mediterranean Conference 2014, Cultural Heritage. Documentation, Preservation, and Protection5th International Conference, EuroMed 2014, Limassol, Cyprus, 3–8 November 2014; Digital Heritage: Cham, Switzerland, 2014; pp. 598–905. [Google Scholar]
- Almaimani, A.; Nawari, N.O. BIM-Driven Design Approach for Islamic Historical Buildings. Arab. J. Sci. Eng. 2019, 44, 4947–4960. [Google Scholar] [CrossRef]
- Ipekoglu, B. An architectural evaluation method for conservation of traditional dwellings. Build. Environ. 2006, 41, 386–394. [Google Scholar] [CrossRef]
- Ma, Y.P. Extending 3D-GIS District Models and BIM-Based Building Models into Computer Gaming Environment for Better Workflow of Cultural Heritage Conservation. Appl. Sci. 2021, 11, 2101. [Google Scholar] [CrossRef]
- Massimiliano, P.; Domenica, C.; Vincenzo, S.A.; Alfredo, G.R.; Nicola, M.P. Scan to BIM for the digital management and representation in 3D GIS environment of cultural heritage site. J. Cult. Herit. 2021, 50, 115–125. [Google Scholar] [CrossRef]
- Chandler, T.; Clulow, A.; Campbell, B.; Samsel, F. Modeling Virtual Angkor: An Evolutionary Approach to a Single Urban Space. IEEE Comput. Graph. Appl. 2020, 40, 9–16. [Google Scholar] [CrossRef]
- Almeida, R.N.; David, N. Signs of Heritage—An Agent-Based Model of the Dynamics of Heritage Categories. IEEE Trans. Comput. Soc. Syst. 2019, 99, 1–12. [Google Scholar] [CrossRef]
- He, S.; Wu, W.; Wang, X. Digital Protection of Historic Buildings in Urban Planning. J. Environ. Public Health 2022, 2022, 3549769. [Google Scholar] [CrossRef] [PubMed]
- Machete, R.; Falcão, A.P.; Gonçalves, A.B.; Godinho, M.; Bento, R. Bento. Development of a Manueline Style Object Library for Heritage Bim. Int. J. Archit. Herit. 2021, 15, 1930–1941. [Google Scholar] [CrossRef]
- Ligler, H. Reconfiguring Atrium Hotels: Generating Hybrid Designs with Visual Computations in Shape Machine. Autom. Constr. 2021, 132, 103923. [Google Scholar] [CrossRef]
Disclaimer/Publisher’s Note: The statements, opinions and data contained in all publications are solely those of the individual author(s) and contributor(s) and not of MDPI and/or the editor(s). MDPI and/or the editor(s) disclaim responsibility for any injury to people or property resulting from any ideas, methods, instructions or products referred to in the content. |
© 2023 by the authors. Licensee MDPI, Basel, Switzerland. This article is an open access article distributed under the terms and conditions of the Creative Commons Attribution (CC BY) license (https://creativecommons.org/licenses/by/4.0/).















