Abstract
Electromagnetic (EM) shielding has become an essential element in the modern world alongside the increased use of electronic products and telecommunication equipment. We are surrounded by electromagnetic fields that have inevitably become formidable in our lives. It is possible to absorb EM waves by adding materials. Researches have focused the addition of different additives into the cement based mixture to increase the Electromagnetic (EM) shielding. This study aims to investigate the performance of carbon nanomaterial on mechanical, electromagnetic shielding properties of composite. Hence, samples were produced using obtained cement composites. After 28 days of curing, ultrasonic pulse velocity, flexural and compressive strength, water absorption tests and electromagnetic shielding were implemented for samples. As a result of this research, it was concluded that electromagnetic shielding was formed as the percentage carbon nanotube contribution increased, and electromagnetic pollution was partially prevented.
1. Introduction
Electromagnetism has become a large problem as a consequence of the continuous updating of electronic products and telecommunication equipment. We are surrounded by electromagnetic fields that have inevitably become a formidable force in our lives [1]. These fields were considered too weak to affect humans [2]. Electrical and electronic devices, which are used every day, generate electromagnetic radiation. Radio stations, television antennas, mobile electronic devices, microwave ovens, etc., have high frequencies [3]. Figure 1 shows EM sources. Although it does not seem possible to remove the technology from our daily routines, it is possible to prevent the effects of EM waves [4]. Proper electromagnetic shielding protection would not only ensure good working but also minimize radiative damage for the human body. In order to reflect the EM waves and prevent them from penetrating living areas, many shielding materials have been developed [5,6]. It is possible to absorb EM waves by adding materials [7].
Figure 1.
EM sources and effects on humans.
Understanding electromagnetic shielding mechanisms is important, guiding the significance of shielding materials’ development. EM shielding is the process of lowering the electromagnetic field, blocking the field with barriers made of conductive materials [8]. Shielding is the sum of absorption and reflection loss and multiple reflections [9,10]. To be a shield against the EM, material should reflect or absorb the wave [11]. The mechanism of electromagnetic shielding is shown in Figure 2.
Figure 2.
Mechanism of electromagnetic shielding.
The developments have prompted the need for EM shielding materials in the construction industry. Conventional cement-based composites, commonly used in construction engineering, have poor electromagnetic properties [12,13]. Therefore, it is necessary to control the electromagnetic radiation inside buildings, provide adequate protection [14]. The development of cement composites has focused on the introduction of additive materials into cement paste to improve electromagnetic properties [15,16]. Mortar is a kind of cement-based materials, which is usually used for masonry and plastering. In places that are vulnerable to electromagnetism, shielding materials can be applied as a coating on wall surfaces [17].
In more recent years, carbon-based nanomaterials emerged as the best fillers for EM shielding materials with the advantages of having electrical conductivity and thermal stability. Carbon nanotubes are a new type of material that possess extraordinary properties and propagate nanotechnology [18]. The use of carbon nanotube in composites can lead to improvements of materials [19,20,21,22]. The use of carbon nanotubes with a very low percentage makes the cost of material very attractive. It was found that in addition to reinforcement benefits, CNT could improve properties of material, increasing cementitious matrix [23].
This study aims to investigate the performance of carbon nanotube materials on mechanical, electromagnetic shielding and microstructural characteristics of cement composite. Carbon nanotube nanomaterial from mortar mixture varied from 0.25%, 0.5%, to 1%. After the 28th day, ultrasonic pulse velocity, flexural and compressive strength, water absorption tests and electromagnetic shielding were implemented samples.
1.1. Materials
In this experiment Portland cement, standard sand, and carbon nanotube were employed. The properties along with carbon nanotube with 52 wt% iron oxide (Fe3O4) (multi-walled carbon nanotube) nanoparticle (CNT) are included in Table 1 and a SEM picture is given in Figure 3.
Table 1.
Properties of CNT.
Figure 3.
SEM Picture of CNT.
The cement was CEM I 42.5 with a density of 3.15 g/cm3. The cement’s compositions are given in Table 2.
Table 2.
Cement.
The standard sand was produced by Limak. The grading of sand is given in Table 3. The sand density is 2.563 kg/dm3
Table 3.
Grading of sand.
1.2. Mixture
The nanomaterial CNT from the mixture was varied from 0.25%, 0.5%, to 1%. The mix proportion of mortar is seen in Table 4. Firstly, CNT were sonicated in water for 1 min. Then cement was added, blended for 30 s. Sand was put mortar mixture. Mortars were placed into 40 × 40 × 160 mm molds. After 28 days of curing, compressive strength, water absorption, ultrasonic pulse velocity, flexural strength, the electromagnetic shielding of the samples was determined.
Table 4.
Mixed proportions of composites.
The mortar preparation process is given in Figure 4.
Figure 4.
Mortar preparation process.
1.3. Methods
The flexural and compressive tests were performed according to TS EN 196-1 [24]. Strengths were calculated using Equations (1) and (2), respectively:
Rf = (1.5 × Ff × ℓ)/b3
Rf is flexural strength, Ff applied load, b side of square of prism, ℓ distance
Rc = Fc/1600,
Rc compressive strength, Fc maximum load, 1600 area
Water absorption tests were implemented for the samples. It was calculated according to Equation (3).
WA = ((Ww − Wd)/Wd) × 100,
WA water absorption, Wd dry weight, Ww weight of water immersion.
EM was measured according to ASTM 4935 using a ROHDE&SCHWARZ network analyzer. The experiment is shown in Figure 5, containing two antennas.
Figure 5.
EM measurement system.
SEM analyses were made in NABILTEM, by using an FEI Quanta FEG 250 microscope.
2. Results
Most of the results reflected an improvement in strength, by adding or replacing cement in a small dosage of nanomaterials. The influence of incorporating CNT on compressive, flexural strengths of composites are given in Figure 6 and Figure 7.
Figure 6.
Flexural strength.
Figure 7.
Compressive strength.
Flexural strengths were in 5.03–5.77 MPa. The specimen NM1 showed similar strength in NM0. The results prove that flexural strength is almost close with that of the MN0, except MN3.
The compressive strength of mixtures at 28 day of curing are shown in Figure 8. Strength results NM0 and NM1 mixtures are consistently lower than NM2 and NM3 mixtures. The strength results of NM2 and NM3 were lower than mixtures NM0 and NM1. Particularly, when the amount of CNT increased, the strengths decreased because CNT is a hydrophobic composite. Water absorption percentages of mortars is shown in Figure 8.
Figure 8.
Water absorption.
Figure 8 shows that NM0 had the highest water absorption compares to NM1, NM2, NM3. Water absorption values increases significantly with the NM0. When the results were compared to NM0, the effect of the amount of the CNT on the water absorption of the mixture was negative.
Electromagnetic tests were carried out within 0 GHz to 3 GHz. The maximum EM shielding was obtained at a frequency of 2 GHz, when the CNT was 1%. Addition of CNT into the cementitious matrix increased the EM of the composite. The addition of CNT into cementitious material has shown a significant increase in NM3. All mortars had peaks at 2 and 2. 40 GHz (Figure 9). The SE was the highest at about 2 GHz for all specimens. The mortars had the highest EMI shielding effect at a frequency of 2 GHz and 2.5 GHz. The incorporation of CNT nanomaterial into the mixture led to an improved EM. In Figure 9a, it was confirmed by comparing NM0, and the shielding effectiveness of NM3 improved compared to NM0 (Figure 10). The CNT improved the shielding effectiveness, owing to the carbon content in the CNT.
Figure 9.
Electromagnetic (EM). (a) Reference composite; (b) NM1 composite; (c) NM2 composite; (d) NM3 composite.
Figure 10.
Electromagnetic (EM).
Electromagnetic shielding represents a way toward the improvement of the electromagnetic compatibility performance. Carbon was added to cement at a different ratio of the mortar but considerably improved the shielding performance, especially at frequencies above 1 GHz. Moreover, the inclusion of CNT has been shown to be against EM waves. EM shielding materials are those that absorb and/or reflect EM radiation. EM waves are extensively used in different fields such as medical, wireless, communication, etc., where EM shielding is a prime requirement.
The capability of material to shield an EM can be expressed in terms of EM shielding effectiveness (SE), which indicates the level of incident signal that is blocked by shielding material. An SE of 20 dB means that 99% of incident signal power is blocked, as required for communication [25].
In SEM analysis, detailed effects of nanomaterials on the mechanical properties of mortars are discussed from a microstructure perspective. Most researchers reported that the increase in strength with very small dosages of nanomaterials owed to the role these finer particles. These particles provide further nucleation sites for a pozzolanic reaction, which generated additional C-S-H, thus leading to an increase in strength. Other researchers attributed the increase in strength due to improvement in interfacial transaction zones (ITZ). The addition of nanomaterials prevents large pores to create and consume Ca(OH)2 formed in ITZ.
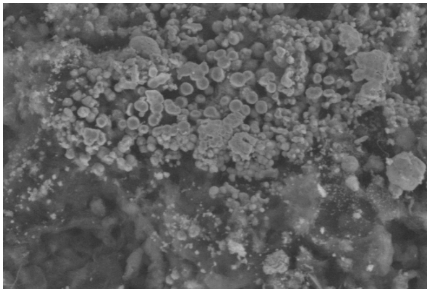
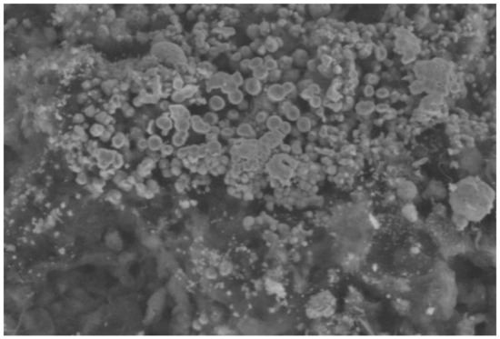
Figure 11 shows the homogeneous distribution of mixtures. Figure 11b–d CNT have been distinguished because the nanotubes are homogeneous.

Figure 11.
SEM. (a) Reference composite, (b) NM1 composite, (c) NM2 composite, (d) NM3 composite.
3. Conclusions
This research presented the impact of using CNT on the properties of mortar structures. Conclusions were obtained from the overall test results.
Flexural strength was in the range of 5.03–5.77 MPa. The specimen NM1 showed similar strength to NM0. The results prove that flexural strength results are almost close with those of the NM0 except MN3.
CNT reinforced mortar has already proven its improved mechanical properties in terms of strength. CNT is more effective in filling the nano pore space, and as a result, mechanical properties are enhanced. When results were compared to NM0, the effect of the amount of the CNT on the water absorption of the mixture was negative.
Electromagnetic tests were carried out within 0 GHz to 3 GHz. The maximum EM shielding was obtained at a frequency of 2 GHz, when the CNT was 1%. Addition of CNT into the cementitious matrix was increased in the EM of the composite.
Author Contributions
Important contributions to design and in preparation of the manuscript: A.A. Contributions to sample and analysis experiments: A.A. and O.D. All authors have read and agreed to the published version of the manuscript.
Funding
This research received no external funding.
Institutional Review Board Statement
Not applicable.
Informed Consent Statement
Not applicable.
Data Availability Statement
Not applicable.
Conflicts of Interest
The authors declare no conflict of interest.
References
- Lewczuk, B.; Redlarski, G.; Żak, A.; Ziółkowska, N.; Przybylska-Gornowicz, B.; Krawczuk, M. Influence of Electric, Magnetic, and Electromagnetic Fields on the Circadian System: Current Stage of Knowledge. BioMed Res. Int. 2014, 2014, 169459. [Google Scholar] [PubMed] [Green Version]
- Ohayon, M.M.; Stolc, V.; Freund, F.T.; Milesi, C.; Sullivane, S.S. The potential for impact of man-made super low and extremely low frequency electromagnetic fields on sleep. Sleep Med. Rev. 2019, 47, 28–38. [Google Scholar] [CrossRef] [PubMed]
- Xing, J.Y. Electromagnetic Radiation on Human Health Hazards and Protective Measures in Modern Society. Adv. Mater. Res. 2012, 518–523, 1022–1026. [Google Scholar] [CrossRef]
- Singh, S.; Kapoor, N. Health Implications of Electromagnetic Fields, Mechanisms of Action, and Research Needs. Adv. Biol. 2014, 2014, 198609. [Google Scholar] [CrossRef] [Green Version]
- Hemming, L.H. Electromagnetic Shielding Architectural Electromagnetic Shielding Handbook: A Design and Specification Guide; From: Cyber-Physical Attacks; Wiley-IEEE Press: Hoboken, NJ, USA, 2015. [Google Scholar]
- Bogush, V. Application of Electroless Metal Deposition for Advanced Composite Shielding Materials. J. Optoelectron. Adv. Mater. 2005, 7, 1635–1642. [Google Scholar]
- Gao, N.; Guo, X.; Deng, J.; Cheng, B. Design and study of a hybrid composite structure that improves electromagnetic shielding and sound absorption simultaneously. Compos. Struct. 2022, 280, 114924. [Google Scholar] [CrossRef]
- Yin, J.; Ma, W.; Gao, Z.; Lei, X.; Jia, C. A Review of Electromagnetic Shielding Fabric, Wave-Absorbing Fabric and Wave-Transparent Fabric. Polymers 2022, 14, 377. [Google Scholar] [CrossRef] [PubMed]
- Ogunsola, A.; Reggiani, U.; Sandrolini, L. Shielding Effectiveness of Concrete Buildings. In Proceedings of the IEEE 6th International Symposium on Electromagnetic Compatibility and Electromagnetic Ecology, St. Petersburg, Russia, 21–24 June 2005. [Google Scholar]
- Gooch, J.W.; Daher, J.K. Fundamentals of Electromagnetic Shielding. In Electromagnetic Shielding and Corrosion Protection for Aerospace Vehicles; Springer: Berlin/Heidelberg, Germany, 2007; pp. 17–24. [Google Scholar]
- Ulloa, Z.R.; Santiago, M.G.H.; Rueda, V.L.V. The Interaction of Microwaves with Materials of Different Properties; IntechOpen: London, UK, 2019. [Google Scholar]
- Lee, S.; Kim, G.; Kim, H.; Son, M.; Lee, Y.; Choi, Y.; Woo, J.; Nam, J. Electromagnetic Wave Shielding Properties of Amorphous Metallic Fiber-Reinforced High-Strength Concrete Using Waveguides. Materials 2021, 14, 7052. [Google Scholar] [CrossRef] [PubMed]
- Metaxa, Z.S.; Tolkou, A.K.; Efstathiou, S.; Rahdar, A.; Favvas, E.P.; Mitropoulos, A.C.; Kyzas, G.Z. Nanomaterials in Cementitious Composites: An Update. Molecules 2021, 26, 1430. [Google Scholar] [CrossRef] [PubMed]
- Krystek, M.; Gorski, M. Nanomaterials in Structural Engineering; IntechOpen: London, UK, 2018. [Google Scholar]
- Guan, H.; Liu, S.; Duan, Y.; Cheng, J. Cement based electromagnetic shielding and absorbing building materials. Cem. Concr. Compos. 2006, 28, 468–474. [Google Scholar] [CrossRef]
- Majcher, K.; Musiał, M.; Pakos, W.; Różański, A.; Sobótka, M.; Trapko, T. A Systematic Review of HPM Energy Absorbers for Building Applications. Energies 2021, 14, 6061. [Google Scholar] [CrossRef]
- Akyıldız, A. Effect of Magnetite Nanoparticles on Cement Based Composite. Rom. J. Mater. 2021, 51, 10–16. [Google Scholar]
- Jagadeesan, A.K.; Thangavelu, K.; Dhananjeyan, V. Carbon Nanotubes: Synthesis, Properties and Applications; IntechOpen: London, UK, 2020. [Google Scholar]
- Grinin, L.; Grinin, A. World-Systems Evolution and Global Futures, The Cybernetic Revolution and the Future of Technologies. In The 21st Century Singularity and Global Futures; Korotayev, A., LePoire, D., Eds.; Springer: Cham, Switzerland, 2020; pp. 377–396. [Google Scholar]
- Gumede, J.I.; Carson, J.; Hlangothi, S.P. Carbon Nanotubes as Reinforcing Nanomaterials for Rubbers Used in Electronics. In Carbon Nanotubes—Redefining the World of Electronics; IntechOpen: London, UK, 2020. [Google Scholar]
- Konsta-Gdoutos, M.S.; Metaxa, Z.S.; Shah, S.P. Multi-scale mechanical and fracture characteristics and early-age strain capacity of high performance carbon nanotube/cement nanocomposites. Cem. Concr. Compos. 2010, 32, 110–115. [Google Scholar] [CrossRef]
- Adhikary, S.K.; Rudžionis, Ž.; Rajapriya, R. The Effect of Carbon Nanotubes on the Flowability, Mechanical, Microstructural and Durability Properties of Cementitious Composite: An Overview. Sustainability 2020, 12, 8362. [Google Scholar] [CrossRef]
- Ghazanlou, S.I.; Ghazanlou, S.I.; Ashraf, W. Improvement in the physical and mechanical properties of the cement-based composite with the addition of nanostructured BN–Fe3O4 reinforcement. Sci. Rep. 2021, 11, 19358. [Google Scholar] [CrossRef] [PubMed]
- TS EN 196-1:2016. In Methods of Testing Cement—Part 1: Determination of Strength; Turkish Standard: Ankara, Turkey, 2016.
- Yin, X.; Kong, L.; Zhang, L.; Cheng, L.; Travitzky, N.; Greil, P. Electromagnetic properties of Si–C–N based ceramics and composites. Int. Mater. Rev. 2014, 59, 326–355. [Google Scholar] [CrossRef]
Publisher’s Note: MDPI stays neutral with regard to jurisdictional claims in published maps and institutional affiliations. |
© 2022 by the authors. Licensee MDPI, Basel, Switzerland. This article is an open access article distributed under the terms and conditions of the Creative Commons Attribution (CC BY) license (https://creativecommons.org/licenses/by/4.0/).