Next Article in Journal
Experimental and Numerical Analyses of Thermal Storage Tile-Bricks for Efficient Thermal Management of Buildings
Previous Article in Journal
Low-Cost Fiber Rope Reinforced Polymer (FRRP) Confinement of Square Columns with Different Corner Radii
 
 
Font Type:
Arial Georgia Verdana
Font Size:
Aa Aa Aa
Line Spacing:
Column Width:
Background:
Article

Energy Efficient Approaches by Retrofitting Heat Pumps Water Heating System for a University Dormitory

1
Department of Refrigeration, Air Conditioning and Energy Engineering, National Chin-Yi University of Technology, Taichung 411, Taiwan
2
Graduate Institute of Precision Manufacturing, National Chin-Yi University of Technology, Taichung 411, Taiwan
3
Department of Refrigeration and Air Conditioning Engineering, Politeknik Negeri Indramayu, Indramayu 45214, Indonesia
4
Green Energy and Environment Research laboratories, Industrial Technology Research Institute, Hsinchu 310, Taiwan
*
Author to whom correspondence should be addressed.
Buildings 2021, 11(8), 356; https://doi.org/10.3390/buildings11080356
Submission received: 22 June 2021 / Revised: 8 August 2021 / Accepted: 12 August 2021 / Published: 16 August 2021
(This article belongs to the Section Building Energy, Physics, Environment, and Systems)

Abstract

:
With the cost of energy rising, the value of conservation grows. Interest in energy efficiency could be a sound investment or a necessary public policy. Heat pump systems provide economical alternatives of recovering heat from different sources for use in various applications. The objective of this study is to present the strategic approach on the energy efficient analysis of the water heating system retrofitted by applying a heat pump system in the dormitory of a university. Energy savings were determined by comparing field measurements of water consumption, water temperature and power consumption of the overall system before (electric resistance heating system) and after (heat pump heating system) the implementation of this project. Furthermore, the building energy simulation code (eQuest) has been applied to verify and predict the long-term energy consumption for both water heating systems. The results from energy modelling revealed the good agreement for energy simulation and field measurement data and the improvement of energy efficiency and energy savings could be achieved satisfactorily by retrofitting of a heat pump system. The energy conversion efficiency of hot water for energy consumption at 0.63 (Mcal/Mcal) could be achieved after the application of heat pump water heating system. It also presented the annual saving about USD 20,000 (NTD 600,000) for the dorm by using a heat pump heating system under the electrical billing rate of Taiwan.

1. Introduction

The increasing cost of fuel and global warming attention necessitate a constant re-evaluation of the water heating system even in a tropical area. Heat pump heating systems provide economical alternatives by recovering heat from different sources in various applications. A comprehensive review of the various methods for improving the performance of heat pump was investigated [1]. Many hybrid heat pump systems suitable for different applications with various heat sources have been reported as well. Franco [2] analyzed the optimal sizing of a particular solution for renewable energy residential building integration by combining a photovoltaic (PV) plant with a heat pump. Moreover, Berntsson [3] extensively discussed the heat sources for the heat pump application of building and industry in Sweden from the aspects of technology, economy and environment. Okamoto [4] investigated a heat pump system with a latent heat storage utilizing seawater installed in an aquarium. Osterman [5] presented an extensive review of different kinds of heat pump system for the heating and cooling of buildings with a focus on heat pumps with thermal energy storage. Furthermore, the measurement of the energy performance of air-to-water and water-to-water heat pumps in hotel applications in subtropical climates has been investigated [6]. The results presented heat pumps were financially feasible with payback period of about two years.
Computer-based simulation is widely accepted by many studies as a powerful tool for evaluating building energy consumption [7]. Felius [8] also applied energy simulation-based optimization to explore energy efficiency in residential buildings by upgrading the smartness of retrofitting packages towards energy-efficient buildings in cold climate countries. eQuest [9] is a sophisticated, yet easy to use, energy simulation tool developed by doe2.com. It is also a freeware building energy tool that provides professional-level results with affordable effort. Zhu [10] used eQuest as a simulation tool to determine the optimum solution for facility engineers and to evaluate different energy conservation alternatives. A comprehensive review presents that the modelling and simulation of energy-related human–buildings interaction play an essential role in predicting the actual energy use of a building operation [11]. Furthermore, Yezioro [12] presented an approach using artificial neural networks for predicting building energy performance. Ascione [13] studied the accurate simulation of energy performance to design a low energy building using EnergyPlus. Some building simulation tools including eQuest and EnergyPlus have been selected to compare the results in predicting energy consumption. Choi [14] used six simulation tools to investigate the correlation of energy use intensity between 15 residential projects. As a result, numerical simulations were carried out to assess the energy saving for heating and cooling for several international locations. Many novel technologies to enhance energy performance and the indoor environmental quality of buildings has been investigated extensively [15].
A thermal modeling and economic analysis of gas engine heat pump for building has been presented by Sanaye [16]. Approaches including the annual cost of energy consumption and the payback period were applied in the economic analysis. Moreover, the economy of utilizing heat from low-temperature geothermal sources using a heat pump has been investigated [17]. The coefficient of profitability and the payback year was evaluated comprehensively. Furthermore, a thermal model within building energy system optimization using a ground source heat pump was investigated by Miglani [18]. A substantial energy saving could be achieved by comparison to conventional electric boilers. The measurements needed to perform the diagnosis are an analyzed opportunity to reduce the energy needed in buildings. Moreover, business models combining heat pumps and district heating in buildings can be profitable, which will achieve maximum cost saving of 33% and emission savings of 75% [19]. In addition, Bellanco [20] also presented an extensive review about the fault behavior of heat pumps and measurement methods including various virtual sensors.
In this study, the energy saving analysis of water a heating system retrofitted by using heat pumps in the dorm of a university was presented. The energy savings after the retrofitting of a heat pump water heating system were determined through field measurement and building energy simulation as well. The long-term energy consumption data can be obtained after the verification of energy modelling. The energy conversion efficiency of hot water for energy consumption will be presented and the annual saving will be analyzed after the retrofitting application of a heat pump water heating system.

2. Methodologies

2.1. System Description

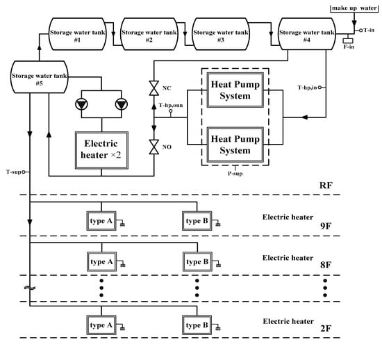
The investigated building is a dormitory for female students in a university campus located in a central part of Taiwan with subtropical weather conditions. This dorm accommodated about 500 students from second floor to ninth floor. There are 15 rooms with the dimensions of 6.7 m length and 3.5 m width on each floor. Two electrical water heaters (42.1 kW) and a hot water storage tank (8.7 m3 of tank #5) at the roof provide the shower water for each floor. Tank #5 is the existing one for the previous electrical heater system. Tanks #1–4 are additional ones specifically for heat pump heating system on hot water storage mode during off-peak demand. The schematic diagram of the water heater system is shown in Figure 1. Two supplementary electrical heaters (type A of 9.45 kW and type B of 12.1 kW) at each floor were equipped in the public shower room with 70 °C cut-in temperature.
Due to the increasing cost of electricity and unaffordable bills from the power company, the heat pump water heating system was introduced to provide an economical alternative for hot water supply. The schematic diagram of the newly constructed air-source heat pump system is also displayed in Figure 1 (dashed line). Typically, the water heating system consists of the heat pump module with two air-source heat pump units and four water storage tanks of 5 m3 capacity (tank #1 to #4). Each heat pump unit has 27.7 kW nominal power consumption, which can provide 74.4 kW for heating capacity and 39.8 kW for cooling capacity. The heat pump water heating system was incorporated into the original electrical heater system in series to provide the base load demand for hot water supply in the dorm, while the electrical heating system served as the backup system when the ambient temperature was too low. Set point temperature for hot water supply to manipulate the heat pump system was remained at 50 °C operating range.

2.2. Field Measurement

To evaluate the energy saving performance, comprehensive field measurements including water temperature variation, water consumption and energy consumption (kWh) were carried out for one month before and after the installation of heat pump heating system. Field tests were conducted not only to provide reliable baseline data for comparison but also to verify the energy modeling results for assessment of performance improvement and energy saving potential.
The hot water consumption in a typical floor was monitored and recorded by using a built-in digital water flow meter (F-in) with an accuracy of 0.2%. The variation of temperature at the outlet of supply water and return water was recorded through built-in PT-100 sensors at an accuracy of 0.2 °C. The power consumption of electrical heater system was measured using a power meter with an uncertainty of 0.2% of full scale. After the retrofitting of heat pump water heating system, a building energy management system (BEMS) was established to record the water temperature at different locations and the power consumption of the overall system continuously.
To assess the energy saving after the retrofitting of heat pump heating system, both the water temperature variation and power consumption have been recorded simultaneously using data logger and power meter in every 5 min for one month before and after installation. Then, the baseline of energy cost Fbase (NTD/kWh) using electrical heater can be expressed as follows:
F base = 1 n ( Q f - h × U f ) 1 n { [ V c × ( T h T c ) ] × ρ w × C pw × HV f 1 }
where Qf-h is the energy consumption of electrical heater (kWh/day), Uf is the electricity cost (NTD/kWh) based on the exchange rate of 1 USD = 30 NTD, Vc is the water consumption (m3/day), Tc (°C) and Th (°C) represent the average inlet and outlet water temperature of electrical heater, respectively, ρw is the density of water, Cpw is the specific heat of water, n is total number of rooms and HVf is the heating values of energy (kJ/kWh).
Therefore, the baseline of energy efficiency ratio of hot water production Ebase (kWh/kWh) using electrical heater can be obtained by the following:
E base = 1 n   Q f - h n { [ V c × ( T h T c ) ] × ρ w × C pw × HV f 1 }
Similarly, the baseline of energy cost Fpost (NTD/kWh) using heat pump can be expressed as follows:
F post = 1 D ( Q e - d + Q f - h ) × U f 1 D { [ V c × ( T h T c ) ] × ρ w × C pw × HV f 1 }
where D (day) is the measured days and Qe-d (kWh/day) is the power consumption using heat pumps.
Thus, the baseline of energy efficiency ratio of hot water production Epost (kWh/kWh) using heat pump can be obtained by the following:
E post = 1 D ( Q e - d + Q f - h ) 1 D { [ V c × ( T h T c ) ] × ρ w × C pw × HV f 1 }

2.3. Energy Modeling

To predict the long-term power consumption of this retrofitted heat pump water heating system, the energy modeling by using eQuest was conducted based on all of the existing building information. The simulation model was created from the building parameters (see Table 1) and characteristics obtained from a building survey, documentations and drawings. Verification of the simulation model with actual on-site measurement electricity data has been conducted as well. To create the building model for the eQuest simulation, a geometric model of the investigated dorms was created and is shown in Figure 2. The water heating systems, including both electrical heater and heat pump system, were modeled and sketched using the eQuest application accordingly.
The weather data of typical meteorological years (TMY) were adopted to conduct energy simulation. To simplify the model simulation, multipliers were used for typical floors and rooms in the dorms. An averaging approach based on the percentage of a thermal zone area to the total floor area was adopted while calculating internal loads. Typical input parameters for energy simulation are shown in Table 2. These parameters include the capacity of 257 kW (with tank volume 10.22 m3) for electric heater and 55 kW for heat pump (with tank volume 29.53 m3). The electricity input is ratio 1.0526 for heaters and 0.3722 for heat pump, respectively, with domestic hot water of the loop type.
The design temperature of hot water at 70 °C for both electrical heater and at 53 °C for heat pump system, while storage tanks were located outside with the insulation loss of overall heat transfer coefficient UA at 0.595 kW/°C. Moreover, the model was assessed based on 2011 electricity bill data. Verification of energy modelling has been conducted and compared to actual field measurement data and actual power consumption data from BEMS along with bills data to assess the variation of energy consumption.

3. Results and Discussion

The baseline for power consumption for the electrical heater system can be conducted according to the on-site measurement. Figure 3 displays the typical measurement data of water consumption, temperature variation and energy consumption for the electrical heater system from 11:00 a.m. to 11:00 a.m. of the next day (24 h). All of the data were acquired simultaneously every 5 min from data loggers during the 24 h. As shown in Figure 3a, the peak hour for shower water consumption is from 4:00 p.m. to 11:30 p.m., which reflects the most common time for shower in the dorm. However, there exists water consumption in the morning (say 8:00 a.m.) and even scatters over the 24 h, which reveals the diverse individual behavior for showering in this dorm. Moreover, the temperature variation for make-up water and supply hot water is presented in Figure 3b. The dashed line represents the make-up water at the steady temperature of 20 °C, while the solid line displays the dramatic fluctuation of the supply water temperature from the electrical heater system ranging from 65 to 75 °C, which reveals an unstable supply water temperature and potential energy saving opportunity for the electrical heater system. Furthermore, as shown in Figure 3c, the power consumption peaks during 4:30 p.m. to 12:00 p.m., which corresponds with the higher water consumption in Figure 3a. However, there still exists a higher frequency for power consumption during the off-peak shower time, which reveals water tank insulation and piping heat loss should be improved.
All of the above-mentioned insulation and piping heat loss for energy consumption have also been taken into account for energy modeling assessment. After the retrofitting project of the heat pump water heating system, field measurement has been conducted through the building energy management system for long term data acquisition. Figure 4a presents the water consumption of the heat pump water heating system. The water consumption could be recorded every 5 min for 24 h. The peak hour for water consumption of this heat pump system is about 4:30 p.m. to 12:00 p.m., which is quite similar to the electrical heater system. Moreover, the temperature variation of the make-up supply water and the return water is shown in Figure 4b. The make-up water temperature is about 20 °C, which is similar to the electrical heater system, while the supply hot water temperature ranging from 55 to 57 °C reveals a more stable temperature of the hot water supply and the lower water supply temperature for energy saving concern. Furthermore, the power consumption for the heat pump system is shown in Figure 4c, which corresponds to the peak water consumption period. Even though there still exists some unexpected operation for heat pump during the off-peak shower period, the frequency is not as high as it is in the case of electrical heater system shown in Figure 3c. It reveals the insulation for the water storage tank and piping system for the heat pump system has been improved and can be conducted easily due to the lower supply temperature.
The long-term energy consumption data can be obtained after the verification of energy modelling. Energy modeling for the dorm has been conducted using eQuest simulation to evaluate the energy consumption of the water heating system. As shown in Figure 5, the energy consumption simulation presents a good agreement with field measurement data for 30 days. The peak for energy consumption occurs during weekdays and the off-peak period happens in the weekend, periodically. The peak demand using field measurement reaches 1000 kWh, while it comes to 940 kWh using the energy consumption simulation. The off-peak demand using field measurement reaches 950 kWh, while it comes to 770 kWh using the energy consumption simulation. The annual energy consumption data could be obtained for both the electrical heater system and the heat pump system accordingly with acceptable errors less than 10% [14].
The energy consumption (electricity) and total heating value of hot water production (thermal energy) for the electrical heater system and the heat pump system is shown in Figure 6a,b, respectively. It is quite obvious for the electrical heater system to have a higher energy consumption than that of the heat pump water heating system. A lower energy consumption along with a lower heating capacity requirement could be found in February (winter vacation) and from July to August (summer vacation).
Moreover, the monthly energy efficiency ratio (E) and energy cost (F) for both the electrical heater system and the heat pump water heating system are presented in Figure 7. Figure 7a demonstrates that the average energy efficiency ratio for the electrical heater system (E = 3.44 Mcal/Mcal) is much lower than that of the heat pump system (E = 0.63 Mcal/Mcal) in Figure 7b. The lower water consumption during both winter vacation (February) and summer vacation (July to August) will degrade the energy conversion efficiency and increase the energy cost for both the electrical heater and the heat pump system. Moreover, Figure 7a also presents that the average energy cost for the electrical heater system (F = 9.86 NTD/Mcal) is much higher than that of the heat pump system (F = 2.58 NTD/Mcal) in Figure 7b. It also reveals the energy cost could be reduced obviously by the retrofitting of a heat pump water heating system. A different set point for the hot water temperature is suggested for running cost saving concern during off-peak months [19]. Furthermore, the energy cost saving at an average of about 60% also presented an annual saving of about USD 20,000 for the dorms by using a heat pump water heating system under the electricity billing rate of Taiwan. The overall budget for this retrofitting project is about USD 42,000 (NTD 1,260,000). The simple payback calculation is about 2.1 years, which is financially feasible and similar to the literature [6].

4. Conclusions

The increase in energy costs necessitates the re-evaluation of water heating system needs for most of the dormitories on the university campus of Taiwan. To present a strategic approach on the energy saving analyses of the water heating system through the retrofitting of a heat pump water heating system in the dormitory of a university, field measurements of water consumption, water temperature and power consumption of the overall system have been conducted comprehensively. An energy modelling tool has been applied to satisfactorily verify and predict the long-term energy consumption after verification with field measurement data. The energy conversion efficiency as well as the energy cost of an electrical heater water heating system could be improved substantially after the retrofitting of a heat pump water heating system. It also presented a considerable annual saving for energy cost by using a heat pump heating system under the electrical billing rate of Taiwan. A more robust investigation for an energy-efficient and cost-effective heat pump heating system could be expected accordingly.

Author Contributions

Conceptualization, F.W. and K.; methodology, H.L.; software, M.T.; validation, M.T.; formal analysis, F.W. and K.; investigation, H.L.; resources, F.W. and K.; data curation, M.T. and H.L.; writing—original draft preparation, F.W. and K.; writing—review and editing, F.W. and K.; project administration, F.W.; funding acquisition, H.L. All authors have read and agreed to the published version of the manuscript.

Funding

The authors gratefully acknowledge the financial support provided by Bureau of Energy, Ministry of Economic Affairs, Taiwan.

Conflicts of Interest

The authors declare no conflict of interest.

References

  1. Chua, K.J.; Chou, S.K.; Yang, W.M. Advances in heat pump systems: A review. Appl. Energ. 2010, 87, 3611–3624. [Google Scholar] [CrossRef]
  2. Franco, A.; Fantozzi, F. Optimal sizing of solar-assisted heat pump systems for residential buildings. Buildings 2020, 10, 175. [Google Scholar] [CrossRef]
  3. Berntsson, T. Heat sources-technology, economy and environment. Int. J. Refrig. 2002, 25, 428–438. [Google Scholar] [CrossRef]
  4. Okamoto, S. A heat pump system with a latent heat storage utilizing seawater installed in an aquarium. Energ. Build. 2006, 38, 121–128. [Google Scholar] [CrossRef]
  5. Osterman, E.; Stritih, U. Review on compression heat pump systems with thermal energy storage for heating and cooling of buildings. J. Energ. Storage 2021, 39, 102569. [Google Scholar] [CrossRef]
  6. Lam, J.C.; Chan, W.W. Energy performance of air-to-water and water-to-water heat pumps in hotel applications. Energ. Convers. Manag. 2003, 44, 1625–1631. [Google Scholar] [CrossRef]
  7. Medrano, M.; Brouwer, J.; McDonell, V.; Mauzey, J.; Samuelse, S. Integration of distributed generation systems into generic types of commercial buildings in California. Energ. Build. 2008, 40, 537–548. [Google Scholar] [CrossRef] [Green Version]
  8. Felius, L.C.; Hamdy, M.; Dessen, F.; Hrynyszyn, B.D. Upgrading the smartness of retrofitting packages towards energy-efficient residential buildings in cold climate countries: Two case studies. Buildings 2020, 10, 200. [Google Scholar] [CrossRef]
  9. eQUEST. DOE2.com Homepage. Available online: http://www.doe2.com (accessed on 1 August 2020).
  10. Zhu, Y. Applying computer-based simulation to energy auditing: A case study. Energ. Build. 2006, 38, 421–428. [Google Scholar] [CrossRef]
  11. Norouziasl, S.; Jafari, A.; Zhu, Y. Modeling and simulation of energy-related human-building interaction: A systematic review. J. Build. Eng. 2021, 44, 102928. [Google Scholar] [CrossRef]
  12. Yezioro, A.; Dong, B.; Leite, F. An applied artificial intelligence approach towards assessing building performance simulation tools. Energ. Build. 2008, 40, 612–620. [Google Scholar] [CrossRef]
  13. Ascione, F.; Bianco, N.; Iovane, T.; Mastellone, M.; Mauro, G.M. Conceptualization, development and validation of EMAR: A user-friendly tool for accurate energy simulations of residential buildings via few numerical inputs. J. Build. Eng. 2021, 44, 102647. [Google Scholar] [CrossRef]
  14. Choi, J.H. Investigation of the correlation of building energy use intensity estimated by six building performance simulation tools. Energ. Build. 2017, 147, 14–26. [Google Scholar] [CrossRef]
  15. Cannavale, A.; Martellota, F.; Fiorito, F. Novel technologies to enhance energy performance and indoor environmental quality of buildings. Buildings 2021, 11, 303. [Google Scholar] [CrossRef]
  16. Sanaye, S.; Meybodi, M.A.; Chahartaghi, M. Modeling and economic analysis of gas engine heat pumps for residential and commercial buildings in various climate regions of Iran. Energ. Build. 2010, 42, 1129–1138. [Google Scholar] [CrossRef]
  17. Kulcar, B.; Goricanec, D.; Krope, J. Economy of exploiting heat from low-temperature geothermal sources using a heat pump. Energ. Build. 2008, 40, 323–329. [Google Scholar] [CrossRef]
  18. Miglani, S.; Orehounig, K.; Carmeliet, J. Integrating a thermal model of ground source heat pumps and solar regeneration within building energy system optimization. Appl. Energ. 2018, 218, 78–94. [Google Scholar] [CrossRef]
  19. Lygnerud, K.; Ottosson, J.; Kensby, J.; Johansson, L. Business models combining heat pumps and district heating in buildings generate cost and emission savings. J. Energy 2021, 234, 121202. [Google Scholar] [CrossRef]
  20. Bellanco, I.; Fuentes, E.; Vallès, M.; Salom, J. A review of the fault behavior of heat pumps and measurements, detection and diagnosis methods including virtual sensors. J. Build. Eng. 2021, 39, 102254. [Google Scholar] [CrossRef]
Figure 1. Schematic diagram of the investigated water heating system.
Figure 1. Schematic diagram of the investigated water heating system.
Buildings 11 00356 g001
Figure 2. Building geometric model for energy modeling.
Figure 2. Building geometric model for energy modeling.
Buildings 11 00356 g002
Figure 3. Electrical heater water heating system.
Figure 3. Electrical heater water heating system.
Buildings 11 00356 g003
Figure 4. Heat pump water heating system.
Figure 4. Heat pump water heating system.
Buildings 11 00356 g004
Figure 5. Verification of energy modeling with field measurement data.
Figure 5. Verification of energy modeling with field measurement data.
Buildings 11 00356 g005
Figure 6. Heat pump water heating system.
Figure 6. Heat pump water heating system.
Buildings 11 00356 g006
Figure 7. Energy efficiency ratio and energy cost.
Figure 7. Energy efficiency ratio and energy cost.
Buildings 11 00356 g007
Table 1. Typical input parameters of building for building simulation.
Table 1. Typical input parameters of building for building simulation.
Building TypeSchool, College/University
Weather FileTaichung
Roof Surfaces
ConstructionMetal Frame, >24in.
Exterior finish/colorRoof, built-up Medium
Exterior Insulation3 in. polyurethane (R-18)
Above Grade Walls
ConstructionMetal Frame, >24in.
Exterior Finish/ColorStucco/Gunite Medium
Exterior Insulation¾in. fiber
Additional InsulationR-19 batt
Ground Floor12in. Concrete
Table 2. Typical input parameters of equipment for building simulation.
Table 2. Typical input parameters of equipment for building simulation.
ParameterHeaterHeat Pump
Capacity257 kW55 kW
Elec. Input ratio1.05260.3722
Tank volume10.22 m329.53 m3
Tank UA0.595 kW/°C0.595 kW/°C
LocationZoneOutdoor
Loop typeDomestic Hot WaterDomestic Hot Water
Design hot water temp.70 °C53 °C
Max tank temp.---55 °C
Publisher’s Note: MDPI stays neutral with regard to jurisdictional claims in published maps and institutional affiliations.

Share and Cite

MDPI and ACS Style

Wang, F.; Kusnandar; Lin, H.; Tsai, M. Energy Efficient Approaches by Retrofitting Heat Pumps Water Heating System for a University Dormitory. Buildings 2021, 11, 356. https://doi.org/10.3390/buildings11080356

AMA Style

Wang F, Kusnandar, Lin H, Tsai M. Energy Efficient Approaches by Retrofitting Heat Pumps Water Heating System for a University Dormitory. Buildings. 2021; 11(8):356. https://doi.org/10.3390/buildings11080356

Chicago/Turabian Style

Wang, Fujen, Kusnandar, Hungwen Lin, and Minghua Tsai. 2021. "Energy Efficient Approaches by Retrofitting Heat Pumps Water Heating System for a University Dormitory" Buildings 11, no. 8: 356. https://doi.org/10.3390/buildings11080356

APA Style

Wang, F., Kusnandar, Lin, H., & Tsai, M. (2021). Energy Efficient Approaches by Retrofitting Heat Pumps Water Heating System for a University Dormitory. Buildings, 11(8), 356. https://doi.org/10.3390/buildings11080356

Note that from the first issue of 2016, this journal uses article numbers instead of page numbers. See further details here.

Article Metrics

Back to TopTop